常用平键及键槽尺寸
- 格式:doc
- 大小:86.50 KB
- 文档页数:1
平键和键槽的标准尺寸规格表平键和键槽的标准尺寸规格表1. 简介平键和键槽是机械连接件中常见的一种形状,用于传递动力或固定位置。
本文档旨在提供平键和键槽的标准尺寸规格表,以便在设计和制造过程中使用。
以下章节将详细介绍各种类型的平键和键槽及其标准尺寸。
2. 平键平键是一种常见的机械连接件,常用于轴和轴承的连接。
根据形状和尺寸的不同,平键可分为直键、圆头键和圆角键等几种类型。
2.1 直键直键是一种矩形截面的平键,常用于传递大扭矩的连接。
其标准尺寸规格如下:- 宽度(W):一般为轴直径的1/6至1/4。
- 厚度(T):一般为宽度的1/2。
- 长度(L):一般为宽度的8至10倍。
2.2 圆头键圆头键是一种矩形截面上部带有圆头的平键,常用于传递大扭矩并要求轴表面光滑的连接。
其标准尺寸规格如下:- 宽度(W):一般为轴直径的1/6至1/3。
- 厚度(T):一般为宽度的1/2或稍小。
- 长度(L):一般为宽度的8至10倍。
2.3 圆角键圆角键是一种矩形截面上角部分采用圆角设计的平键,常用于传递中小扭矩的连接。
其标准尺寸规格如下:- 宽度(W):一般为轴直径的1/6至1/4。
- 厚度(T):一般为宽度的1/2或稍小。
- 长度(L):一般为宽度的8至10倍。
3. 键槽键槽是用于容纳平键的槽状结构,常用于轴承座等连接件中。
根据形状和尺寸的不同,键槽可分为直键槽、冲压键槽和球形键槽等几种类型。
3.1 直键槽直键槽是一种矩形截面的键槽,常配合直键使用。
其标准尺寸规格如下:- 宽度(W):等于直键的宽度。
- 深度(D):等于直键的厚度。
- 长度(L):根据连接件的要求进行设计。
3.2 冲压键槽冲压键槽是一种用冲压工艺制造的键槽,常用于大批量制造。
其标准尺寸规格如下:- 宽度(W):等于直键的宽度。
- 深度(D):等于直键的厚度。
- 长度(L):根据连接件的要求进行设计。
3.3 球形键槽球形键槽是一种半圆形截面的键槽,常配合圆角键使用。
平键和键槽的标准尺寸规格表在机械工程和制造领域,平键和键槽是常用的连接元件,用于传递扭矩或固定定位。
它们的尺寸规格对于确保连接的可靠性和稳定性至关重要。
本文将介绍平键和键槽的标准尺寸规格表,并讨论一些相关的注意事项。
一、平键的标准尺寸规格表平键是一种连接元件,通常用于连接轴和轴套之间。
它们有不同的类型,如平头键、半圆头键和楔形键。
以下是一份常见平键的标准尺寸规格表,用于帮助工程师在设计和制造过程中选择适当的尺寸。
1. 平头键- 宽度(w):2mm、3mm、4mm、5mm、6mm、8mm、10mm、12mm、15mm、18mm、20mm- 厚度(t):1mm、2mm、3mm、4mm、5mm、6mm、8mm、10mm、12mm、15mm、18mm、20mm- 长度(L):10mm、12mm、15mm、18mm、20mm、25mm、30mm、35mm、40mm、45mm、50mm2. 半圆头键- 直径(d):2mm、3mm、4mm、5mm、6mm、8mm、10mm、12mm、15mm、18mm、20mm30mm、35mm、40mm、45mm、50mm3. 楔形键- 宽度(w):2mm、3mm、4mm、5mm、6mm、8mm、10mm、12mm、15mm、18mm、20mm- 厚度(t):1mm、2mm、3mm、4mm、5mm、6mm、8mm、10mm、12mm、15mm、18mm、20mm- 长度(L):10mm、12mm、15mm、18mm、20mm、25mm、30mm、35mm、40mm、45mm、50mm二、键槽的标准尺寸规格表键槽是用于容纳平键的对应孔槽。
键槽应该与平键完全契合,以确保连接的稳定性。
下面是一份常用键槽的标准尺寸规格表,以供参考。
1. D型键槽- 宽度(w):2mm、3mm、4mm、5mm、6mm、8mm、10mm、12mm、15mm、18mm、20mm- 深度(h):1mm、2mm、3mm、4mm、5mm、6mm、8mm、10mm、12mm、15mm、18mm、20mm- 长度(L):10mm、12mm、15mm、18mm、20mm、25mm、30mm、35mm、40mm、45mm、50mm2. 矩形键槽12mm、15mm、18mm、20mm- 深度(h):1.5mm、2mm、2.5mm、3mm、3.5mm、4mm、4.5mm、5mm、5.5mm、6mm、6.5mm、7mm- 长度(L):10mm、12mm、15mm、18mm、20mm、25mm、30mm、35mm、40mm、45mm、50mm三、注意事项在设计和选择平键和键槽时,需要注意以下几点:1. 扭矩传递能力:平键和键槽的尺寸要足够大,以满足所需的扭矩传递能力。
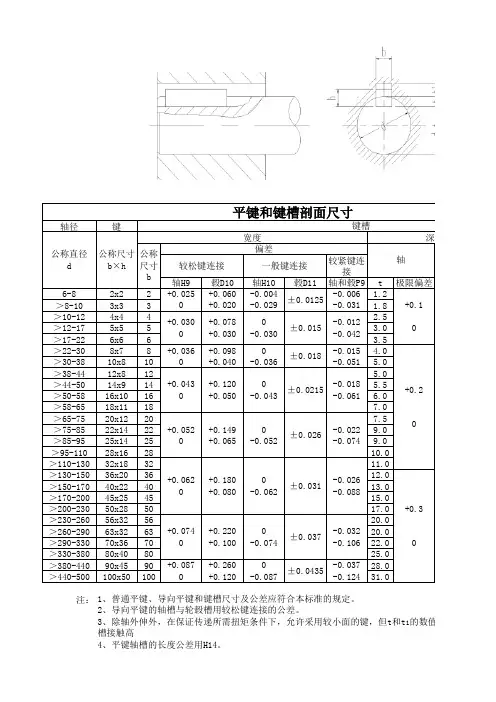
平 键 和 键 槽 的 剖 面 尺 寸 (GB1095-79)
注:1.在工作中轴槽深用t或(d-t)标注,轮毂槽深用(d+t1)标注。
2.(d-t)和(d+t1)的偏差按相应的t和t1的偏差选取,但(d-t)的偏差值应取负号。
3.除轴伸外,在保证传递所需转矩条件下,允许采用较小剖面的键。
但t 和t1的数值必要时应重新计算,使轴槽 及轮毂槽与键的接触高度各为 h/2。
4.表中“较松键联接”的偏差值适用于导向平键的联接。
5.平键轴槽的长度偏差用H14。
6.轴槽及轮毂槽宽b对轴及轮毂轴心线的对称度公差按7~9级(GB1184-80)选取。
7.当平键的长度与宽度之比 L/b ≥8时,键的两侧面在长度方向的平行度公差应符合下列规定:b≥6mm,按7级; b≥8~36mm,按6级(GB1184-80附录);b≥40mm,按5级。
平键和键槽的标准尺寸规格表键和键槽是机械设备中常见的配合形式,它们通常用于连接两个或多个部件,使它们能够转动,拖动或其他形式的运动。
平键和键槽通常由锥形圆柱形体积的形状组成,在各种机械设备中得到广泛的应用。
以下是平键和键槽的标准尺寸规格表。
1. 平键平键的尺寸规格如下:1.1. 宽度:在0.5到100毫米之间。
尺寸的宽度可以按照需要进行调整1.2. 厚度:在0.5到50毫米之间。
尺寸的厚度可以按照需要进行调整1.3. 长度:在5到500毫米之间。
尺寸的长度可以按照需要进行调整1.4. 安装孔的直径:在10到200毫米之间。
尺寸的直径可以按照需要进行调整1.5. 材料:常用材料有钢和铜。
根据特定的应用,也可以使用不同的材料。
2. 键槽键槽的尺寸规格如下:2.1. 宽度:在0.5到100毫米之间。
尺寸的宽度可以按照需要进行调整2.2. 深度:在0.5到50毫米之间。
尺寸的深度可以按照需要进行调整2.3. 长度:在5到500毫米之间。
尺寸的长度可以按照需要进行调整2.4. 安装孔的直径:在10到200毫米之间。
尺寸的直径可以按照需要进行调整2.5. 材料:常用材料有钢和铜。
根据特定的应用,也可以使用不同的材料。
3. 尺寸配对优秀的平键和键槽应该精密匹配,以确保平稳的运动和良好的性能。
以下是配对尺寸的标准规格:3.1. 平键:长度应该比键槽的长度短1-2毫米。
宽度和厚度应该与键槽相匹配。
3.2. 键槽:长度应该比平键的长度长1-2毫米。
宽度和深度应该与平键相匹配。
4. 其他注意事项4.1. 在机械设备中,平键和键槽的质量会对性能产生重要影响。
因此,用户应该选择优质材料,并严格遵守规格。
4.2. 在安装和维修机械设备时,必须仔细处理平键和键槽,以避免任何损坏或磨损。
4.3. 键和键槽的设计应考虑使用环境和要求,以确保高效,耐久和安全的使用。
平键和键槽在各种机械设备中得到广泛应用。
选择适当的规格和材料对于机械设备的性能至关重要。
平键及鍵槽的标准尺寸平键及键槽的标准尺寸在机械工程领域中,平键和键槽是非常常见的连接方式,用于固定和传递动力或扭矩。
平键和键槽的准确尺寸十分重要,以确保连接的稳定性和可靠性。
本文将介绍平键及键槽的标准尺寸。
1. 平键的标准尺寸平键通常由于连接旋转件和轴,将扭矩传递给轴以实现运动。
平键的标准尺寸包括长度、宽度和高度。
以下是常见的平键标准尺寸:- ISO标准平键:ISO 2491标准规定了平键的尺寸系列。
其中包括尺寸从3×3×8到32×32×125的多种尺寸。
例如,一个常见的ISO标准平键是8×7×32,表示宽度为8毫米,高度为7毫米,长度为32毫米。
- DIN标准平键:德国标准化协会(DIN)也提供了平键的尺寸标准。
DIN 6885/1标准规定了平键的尺寸范围,包括宽度从2到100毫米,高度从2到50毫米。
根据需要,可以选择适当的尺寸。
2. 键槽的标准尺寸键槽是用来接纳平键的开槽部分。
键槽的准确尺寸直接影响到平键的安装和连接质量。
以下是常见的键槽标准尺寸:- ANSI键槽:美国国家标准学会(ANSI)制定了一系列键槽尺寸标准。
ANSI B17.1标准规定了宽度为0.8到50毫米,深度为0.25到31.75毫米的多种尺寸。
- DIN键槽:DIN标准也规定了键槽的尺寸范围。
DIN 6885标准为直角平键提供了尺寸范围,键槽的宽度从2到32毫米,深度从1到17毫米。
3. 其他注意事项除了标准尺寸外,还需注意以下事项:- 材料选择:根据应用需求和工作环境,选择适当的材料。
常见的材料有碳钢、不锈钢、合金钢等。
- 安装和配合:平键和键槽的配合间隙需要恰到好处,既要保证连接的紧固性,又要便于安装和拆卸。
- 防松措施:在一些需要承受较大振动或冲击负载的应用中,需要额外的防松措施,如使用垫圈或斜槽等。
- 润滑:为减少摩擦和磨损,应定期对平键及键槽进行润滑。
1、普通平键、导向平键和键槽尺寸及公差应符合本标准的规定。
注:
2、导向平键的轴槽与轮毂槽用较松键连接的公差。
3、除轴外伸外,在保证传递所需扭矩条件下,允许采用较小面的键,但t和t1的数值必要时应重新计
槽接触高
4、平键轴槽的长度公差用H14。
5、键槽表面粗糙度一般按如下的规定:轴槽、轮毂槽两侧面粗糙度Ra1.6~3.2;轴槽底
6、键槽的对称度公差:为便于装配,轴槽及轮毂槽对轴及轮毂轴心的对称度公差根据不
1996中附
7、表中(d-t)和(d+t1)两组组合尺寸的极限偏差按相应的t和t1的极限偏差选取,但(d-t)的极
1的数值必要时应重新计算,使键侧与轮毂轴槽底面、轮毂槽底面的表面粗糙度Ra6.3
根据不同要求,一般可按GB/T 1184-
限偏差选取,但(d-t)的极限偏差值应取负号。
平键和键槽的标准尺寸规格表平键和键槽是机械设计中常用的紧固零件。
在机械工程领域中,平键和键槽通常被用来固定两个部件,以使它们相对运动,平稳可靠。
平键和键槽的尺寸规格表对于机械设计师来说是非常重要的参考。
本文将详细介绍平键和键槽的标准尺寸规格表。
一、平键尺寸规格表平键是常用的机械组装零件,它的主要用途是连接齿轮,轴承和机械连接件。
平键的尺寸规格表包括以下参考数据:1.大小公差确定平键的大小公差范围。
平键的大小公差通常是正负0.13mm,可以根据具体工作条件进行修改。
2.长度平键的长度是关键的设计因素。
平键的长度通常是轴直径的四分之一到轴直径的三分之一。
以下是平键的长度规格表:轴直径(mm) 长度(mm)10 5-813 6-1016 8-1320 10-1625 12-2030 16-253.宽度和高度平键的宽度和高度也是关键的设计因素。
以下是平键的宽度和高度规格表:轴直径(mm) 宽度(mm) 高度(mm)10 4-5 4-513 5-6 5-616 6-8 6-820 8-10 8-1025 10-12 10-1230 12-14 12-14二、键槽尺寸规格表键槽是平键的槽,在安装平键时将平键卡入槽内,以使平键紧固在相应的位置。
键槽的尺寸规格表包括以下参考数据:1.深度键槽的深度是其关键设计因素。
键槽的深度通常是平键高度的1.5到2倍。
以下是键槽深度的规格表:平键高度(mm) 深度(mm)4-5 6-105-6 8-126-8 10-158-10 12-1810-12 15-2212-14 18-252.宽度和长度键槽的宽度和长度也是关键的设计因素。
以下是键槽的宽度和长度规格表:平键宽度(mm) 宽度(mm) 长度(mm)4-5 5-6 8-105-6 6-8 10-126-8 8-10 12-158-10 10-12 15-1810-12 12-14 18-2212-14 14-16 22-25总结在机械设计中使用平键和键槽是非常常见和重要的,设计时需要考虑到平键和键槽的尺寸规格表,如大小公差、长度、宽度、高度等。
平键和键槽的标准尺寸规格表轴径键键槽d b×h宽度深度半径b偏差轴毂较松一般较紧轴H9毂D10轴N8毂JS9轴毂P9t偏差t1偏差最大最小6~82×22+0.0250+0.06+0.02-0.004-0.029±0.0125-0.006-0.0311.2+0.11+0.10.080.16>8~103×33 1.8 1.4>10~124×44+0.030+0.078+0.03-0.03±0.015-0.012-0.0422.5 1.8>12~175×55 3.0 2.30.1 60.2 5>17~226×66 3.5 2.8>22~308×78+0.0360+0.098+0.04-0.036±0.018-0.015-0.0514.0+0.23.3+0.2>30~3810×810 5.0 3.30.2 50.4 0>38~4412×812+0.0430+0.12+0.05-0.043±0.0215-0.018-0.0615.0 3.3>44~5014×914 5.5 3.8>50~5816×1016 6.0 4.3>58~6518×11187.0 4.4>65~7520×1220+0.05 20+0.149+0.065-0.052±0.026-0.022-0.0747.5 4.90.40.6>75~8522×14229.0 5.4>85~9525×14259.0 5.4>95~11028×162810.6.4>32×1832+0.06+0.180 ±0.031-0.0211.7.41,在工作图中,轴槽槽深用t或(d-t)标注,轮毂槽深按d+t1标注2,d-t和d+t1的偏差按相应的t和t1的偏差选取,但d-t的偏差应取负值3,除轴外,在保证所需转矩的条件下,允许采用较小剖面的键,但t和t1必要时需从新计算,使键槽与键的接触高度各为h/24,表中较松键的链接的偏差适用于导向平键的联接5,平键的槽长偏差用H146,轴槽及轮毂槽宽b对轴及轮毂中心线的对称度的公差按7~9级(gb1184-80)7,当平键长度与宽度比,即L/b>8时,键的两侧面在长度方向的平行度应符合下列规定:b《6mm,按7级,b》8~36时,按6级,b》40时,按5级。
1,在工作图中,轴槽槽深用t或(d-t)标注,轮毂槽深按d+t1标注
2,d-t和d+t1的偏差按相应的t和t1的偏差选取,但d-t的偏差应取负值
3,除轴外,在保证所需转矩的条件下,允许采用较小剖面的键,但t和t1必要时需从新计算,使键槽与键的接触高度各为h/2
4,表中较松键的链接的偏差适用于导向平键的联接
5,平键的槽长偏差用H14
6,轴槽及轮毂槽宽b对轴及轮毂中心线的对称度的公差按7~9级(gb1184-80)7,当平键长度与宽度比,即L/b>8时,键的两侧面在长度方向的平行度应符合下列规定:b《6mm,按7级,b》8~36时,按6级,b》40时,按5级。
8,需要时,键允许起键螺孔。
普通平键型式尺寸(GB1036-79)
A, b 偏差代号h9,粗糙度3.2,键高h偏差代号h11,粗糙度12.5。
B,键槽宽粗糙度取3.2,高度面粗糙度取12.5.
C,长度L公差等级按h14
键长L系列:6,8,10,12,14,16,18,20,22,25,28,32,36,40,45,50,56,63,70,80,90,100,
110,125,140,160,180,200,220......。
平键和键槽的标准尺寸规格表1,在工作图中,轴槽槽深用t或(d-t)标注,轮毂槽深按d+t1标注2,d-t和d+t1的偏差按相应的t和t1的偏差选取,但d-t的偏差应取负值3,除轴外,在保证所需转矩的条件下,允许采用较小剖面的键,但t和t1必要时需从新计算,使键槽与键的接触高度各为h/2 4,表中较松键的链接的偏差适用于导向平键的联接5,平键的槽长偏差用H146,轴槽及轮毂槽宽b对轴及轮毂中心线的对称度的公差按7~9级(gb1184-80)7,当平键长度与宽度比,即L/b>8时,键的两侧面在长度方向的平行度应符合下列规定:b《6mm,按7级,b》8~36时,按6级,b》40时,按5级。
8,需要时,键允许起键螺孔。
普通平键型式尺寸(GB1036-79)A, b 偏差代号h9,粗糙度3.2,键高h偏差代号h11,粗糙度12.5。
B,键槽宽粗糙度取3.2,高度面粗糙度取12.5.C,长度L公差等级按h14键长L系列:6,8,10,12,14,16,18,20,22,25,28,32,36,40,45,50,56,63,70,80,90,100,110,125,140,160,180,200,220......平键靠侧面传递转矩,对中性良好,装拆方便,不能实现轴上零件的轴向固定。
普通平键:A型 B型 C型 A型用于端铣刀加工的轴槽,键在槽中轴向固定良好,但槽在轴上引起的应力集中较大。
B型用于盘铣刀加工的轴槽,轴的应力集中较小;C型用于轴端。
应用最广,也适用于高速、高精或承受变载、冲击的场合,如在轴上固定齿轮,链轮等回转零件。
导向平键:键用螺钉固定在轴上,键与毂槽为动配合,轴上零件能做轴向移动,为了起键方便,开有起键螺孔。
用轴上零件轴向移动量不大的场合,如变速箱中的滑移齿轮。
滑键:键固定在轮轴上,轴上零件能带键做轴向移动。
用于轴上零件轴向移动量较大的场合。