平键和键槽的标准尺寸规格表
- 格式:docx
- 大小:12.72 KB
- 文档页数:2
平 键 和 键 槽 的 剖 面 尺 寸 (GB1095-79)
注:1.在工作中轴槽深用t或(d-t)标注,轮毂槽深用(d+t1)标注。
2.(d-t)和(d+t1)的偏差按相应的t和t1的偏差选取,但(d-t)的偏差值应取负号。
3.除轴伸外,在保证传递所需转矩条件下,允许采用较小剖面的键。
但t 和t1的数值必要时应重新计算,使轴槽 及轮毂槽与键的接触高度各为 h/2。
4.表中“较松键联接”的偏差值适用于导向平键的联接。
5.平键轴槽的长度偏差用H14。
6.轴槽及轮毂槽宽b对轴及轮毂轴心线的对称度公差按7~9级(GB1184-80)选取。
7.当平键的长度与宽度之比 L/b ≥8时,键的两侧面在长度方向的平行度公差应符合下列规定:b≥6mm,按7级; b≥8~36mm,按6级(GB1184-80附录);b≥40mm,按5级。
平键和键槽的标准尺寸规
格表
Prepared on 22 November 2020
平键和键槽的标准尺寸规格表
1,在工作图中,轴槽槽深用t或(d-t)标注,轮毂槽深按d+t1标注
2,d-t和d+t1的偏差按相应的t和t1的偏差选取,但d-t的偏差应取负值
3,除轴外,在保证所需转矩的条件下,允许采用较小剖面的键,但t和t1必要时需从新计算,使键槽与键的接触高度各为h/2
4,表中较松键的链接的偏差适用于导向平键的联接
5,平键的槽长偏差用H14
6,轴槽及轮毂槽宽b对轴及轮毂中心线的对称度的公差按7~9级(gb1184-80)
7,当平键长度与宽度比,即L/b>8时,键的两侧面在长度方向的平行度应符合下列规定:b《6mm,按7级,b》8~36时,按6级,b》40时,按5级。
8,需要时,键允许起键螺孔。
普通平键型式尺寸(GB1036-79)
A,b偏差代号h9,粗糙度,键高h偏差代号h11,粗糙度。
B,键槽宽粗糙度取,高度面粗糙度取.
C,长度L公差等级按h14
键长L系列:6,8,10,12,14,16,18,20,22,25,28,32,36,40,45,50,56,63,70,80,90,100,
110,125,140,160,180,200,220......。
平键和键槽的标准尺寸规格表轴径键键槽d b×h宽度深度半径b偏差轴毂较松一般较紧轴H9毂D10轴N8毂JS9轴毂P9t偏差t1偏差最大最小6~82×22+0.0250+0.06+0.02-0.004-0.029±0.0125-0.006-0.0311.2+0.11+0.10.080.16>8~103×33 1.8 1.4>10~124×44+0.030+0.078+0.03-0.03±0.015-0.012-0.0422.5 1.8>12~175×55 3.0 2.30.1 60.2 5>17~226×66 3.5 2.8>22~308×78+0.0360+0.098+0.04-0.036±0.018-0.015-0.0514.0+0.23.3+0.2>30~3810×810 5.0 3.30.2 50.4 0>38~4412×812+0.0430+0.12+0.05-0.043±0.0215-0.018-0.0615.0 3.3>44~5014×914 5.5 3.8>50~5816×1016 6.0 4.3>58~6518×11187.0 4.4>65~7520×1220+0.05 20+0.149+0.065-0.052±0.026-0.022-0.0747.5 4.90.40.6>75~8522×14229.0 5.4>85~9525×14259.0 5.4>95~11028×162810.6.4>32×1832+0.06+0.180 ±0.031-0.0211.7.41,在工作图中,轴槽槽深用t或(d-t)标注,轮毂槽深按d+t1标注2,d-t和d+t1的偏差按相应的t和t1的偏差选取,但d-t的偏差应取负值3,除轴外,在保证所需转矩的条件下,允许采用较小剖面的键,但t和t1必要时需从新计算,使键槽与键的接触高度各为h/24,表中较松键的链接的偏差适用于导向平键的联接5,平键的槽长偏差用H146,轴槽及轮毂槽宽b对轴及轮毂中心线的对称度的公差按7~9级(gb1184-80)7,当平键长度与宽度比,即L/b>8时,键的两侧面在长度方向的平行度应符合下列规定:b《6mm,按7级,b》8~36时,按6级,b》40时,按5级。
平键和键槽的标准尺寸规格表键和键槽是机械设备中常见的配合形式,它们通常用于连接两个或多个部件,使它们能够转动,拖动或其他形式的运动。
平键和键槽通常由锥形圆柱形体积的形状组成,在各种机械设备中得到广泛的应用。
以下是平键和键槽的标准尺寸规格表。
1. 平键平键的尺寸规格如下:1.1. 宽度:在0.5到100毫米之间。
尺寸的宽度可以按照需要进行调整1.2. 厚度:在0.5到50毫米之间。
尺寸的厚度可以按照需要进行调整1.3. 长度:在5到500毫米之间。
尺寸的长度可以按照需要进行调整1.4. 安装孔的直径:在10到200毫米之间。
尺寸的直径可以按照需要进行调整1.5. 材料:常用材料有钢和铜。
根据特定的应用,也可以使用不同的材料。
2. 键槽键槽的尺寸规格如下:2.1. 宽度:在0.5到100毫米之间。
尺寸的宽度可以按照需要进行调整2.2. 深度:在0.5到50毫米之间。
尺寸的深度可以按照需要进行调整2.3. 长度:在5到500毫米之间。
尺寸的长度可以按照需要进行调整2.4. 安装孔的直径:在10到200毫米之间。
尺寸的直径可以按照需要进行调整2.5. 材料:常用材料有钢和铜。
根据特定的应用,也可以使用不同的材料。
3. 尺寸配对优秀的平键和键槽应该精密匹配,以确保平稳的运动和良好的性能。
以下是配对尺寸的标准规格:3.1. 平键:长度应该比键槽的长度短1-2毫米。
宽度和厚度应该与键槽相匹配。
3.2. 键槽:长度应该比平键的长度长1-2毫米。
宽度和深度应该与平键相匹配。
4. 其他注意事项4.1. 在机械设备中,平键和键槽的质量会对性能产生重要影响。
因此,用户应该选择优质材料,并严格遵守规格。
4.2. 在安装和维修机械设备时,必须仔细处理平键和键槽,以避免任何损坏或磨损。
4.3. 键和键槽的设计应考虑使用环境和要求,以确保高效,耐久和安全的使用。
平键和键槽在各种机械设备中得到广泛应用。
选择适当的规格和材料对于机械设备的性能至关重要。
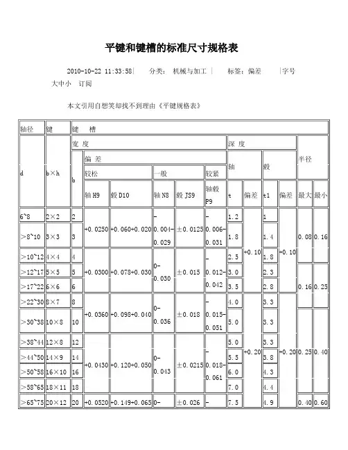
平键和键槽的标准尺寸规格表
2010-10-22 11:33:58| 分类:机械与加工 | 标签:偏差 |字号大中小订阅
本文引用自想笑却找不到理由《平键规格表》
1,在工作图中,轴槽槽深用t或(d-t)标注,轮毂槽深按d+t1标注
2,d-t和d+t1的偏差按相应的t和t1的偏差选取,但d-t的偏差应取负值
3,除轴外,在保证所需转矩的条件下,允许采用较小剖面的键,但t和t1必要时需从新计算,使键槽与键的接触高度各为h/2
4,表中较松键的链接的偏差适用于导向平键的联接
5,平键的槽长偏差用H14
6,轴槽及轮毂槽宽b对轴及轮毂中心线的对称度的公差按7~9级(gb1184-80)
7,当平键长度与宽度比,即L/b>8时,键的两侧面在长度方向的平行度应符合下列规定:b《6mm,按7级,b》8~36时,按6级,b》40时,按5级。
8,需要时,键允许起键螺孔。
平键和键槽的标准尺寸规格表轴径键键 槽db ×h宽 度 深 度半径b偏 差轴毂较松一般较紧轴H9 毂D10 轴N8 毂JS9轴毂P9t 偏差 t1 偏差 最大 最小 6~8 2×2 2 +0.025 0+0.060 +0.020 -0.004 -0.029 ±0.0125-0.006 -0.031 1.2+0.10 1 +0.10 0.08 0.16 >8~10 3×3 3 1.8 1.4 >10~12 4×4 4+0.030 0 +0.078 +0.030 0 -0.030 ±0.015 -0.012-0.0422.51.8>12~17 5×5 53.02.3 0.16 0.25 >17~22 6×6 63.52.8 >22~30 8×78 +0.036 0 +0.098 +0.040 0-0.036 ±0.018-0.015 -0.051 4.0+0.23.3 +0.2 0 >30~38 10×8 10 5.03.3 0.25 0.40 >38~44 12×8 12+0.043 0 +0.120 +0.050 0 -0.043 ±0.0215-0.018 -0.061 5.03.3 >44~50 14×9 14 5.53.8 >50~58 16×10 16 6.04.3>58~65 18×11 18 7.0 4.4>65~75 20×12 20+0.052 0 +0.149 +0.065 0 -0.052 ±0.026 -0.022 -0.074 7.54.9 0.40 0.60 >75~85 22×14 22 9.05.4 >85~95 25×14 25 9.05.4 >95~11028×16 2810.0 6.4 >110~130 32×18 32 +0.062 0+0.180 +0.080 0-0.062 ±0.031 -0.026-0.088 11.0 7.4 >130~150 36×20 3612.0+0.3 0 8.4+0.30.70 1.0>150~170 40×22 4013.0 9.4 >170~200 45×25 45 15.0 10.4 >200~230 50×28 5017.011.41,在工作图中,轴槽槽深用t或(d-t)标注,轮毂槽深按d+t1标注2,d-t和d+t1的偏差按相应的t和t1的偏差选取,但d-t的偏差应取负值3,除轴外,在保证所需转矩的条件下,允许采用较小剖面的键,但t和t1必要时需从新计算,使键槽与键的接触高度各为h/24,表中较松键的链接的偏差适用于导向平键的联接5,平键的槽长偏差用H146,轴槽及轮毂槽宽b对轴及轮毂中心线的对称度的公差按7~9级(gb1184-80)7,当平键长度与宽度比,即L/b>8时,键的两侧面在长度方向的平行度应符合下列规定:b《6mm,按7级,b》8~36时,按6级,b》40时,按5级。
平键和键槽的标准尺寸规格表轴径键键槽宽度深度偏差半径d b ×h轴毂较松一般较紧b轴毂轴H9 毂D10 轴N8 毂JS9P9t 偏差t1偏最最差大小6~8 2 ×2 2 +0.025 +0.060 -0.004 -0.006 1.2 1>8~10 3 ×3 3 0 +0.020 -0.029 ±0.0125-0.031 1.8 1.4 0.08 0.16+0.1 +0.1>10~12 4 ×4 4 2.5 1.8+0.030 +0.078 0 -0.012 0 0>12~17 5 ×5 50 +0.030 -0.030 ±0.015-0.0423.0 2.3>17~22 6 ×6 6 3.5 2.8 0.16 0.25>22~30 8 ×7 8 +0.036+0.098 0±0.018-0.015 4.0 3.3>30~38 10 ×810 0 +0.040 -0.036 -0.051 5.0 3.3>38~44 12 ×812 5.0 +0.2 3.3 +0.2>44~50 14 ×9 14+0.043 +0.120 0±0.0215-0.018 5.5 0 3.8 00.25 0.40 >50~58 16 ×10 16 0+0.050 -0.043 -0.061 6.0 4.3>58~65 18 ×11 18 7.0 4.4> 65~7520 ×12 20 7.5 4.9> 75~8522 ×14 22 +0.052 +0.149 0±0.026-0.022 9.05.40.40 0.600.70 1.0> 230~260 56 ×325620.0 +0.312.4 +0.3> 260~290 63 ×32 63 +0.074+0.220 0±0.0370.032 20.0 012.4 01.2 1.6> 290~330 70 ×3670 0+0.100 -0.074-0.106 22.014.4> 330~380 80 ×4080 25.0 15.4> 380~440 90 ×4590 +0.087 +0.260 0±0.0135-0.037 28.017.4 2.0 2.5> 440~500 100 ×50 100 0+0.120 -0.087-0.124 31.019.51,在工作图中,轴槽槽深用 t 或( d-t )标注,轮毂槽深按 d+t1 标 注2,d-t 和 d+t1 的偏差按相应的 t 和 t1 的偏差选取,但 d-t 的偏差应取负值3,除轴外,在保证所需转矩的条件下,允许采用较小剖面的键,但 t 和 t1 必 要时需从新计算,使键槽与键的接触高度各为h/24,表中较松键的链接的偏差适用于导向平键的联接> 85~9525 ×14 25 0+0.065 -0.052 -0.074 9.05.4> 95~11028 ×162810.06.4> 110~13032 ×183211.07.4> 130~15036 ×203612.08.4> 150~17040×2240 +0.062 +0.180 0±0.031-0.02613.09.4 0 +0.080 -0.062 -0.088> 170~20045 ×25 4515.010.4> 200~23050 ×285017.011.45,平键的槽长偏差用H146,轴槽及轮毂槽宽 b 对轴及轮毂中心线的对称度的公差按7~9 级(gb1184-80 )7,当平键长度与宽度比,即L/b>8 时,键的两侧面在长度方向的平行度应符合下列规定:b《6mm, 按7 级,b》8~36 时,按6 级,b》40 时,按5 级。
创作编号:GB8878185555334563BT9125XW创作者:凤呜大王*平键和键槽的标准尺寸规格表轴径键键槽d b×h宽度深度半径b偏差轴毂较松一般较紧轴H9毂D10轴N8毂JS9轴毂P9t偏差t1偏差最大最小6~82×22+0.0250+0.06+0.02-0.004-0.029±0.0125-0.006-0.0311.2+0.11+0.10.080.16>8~103×33 1.8 1.4>10~124×44+0.030+0.078+0.03-0.03±0.015-0.012-0.0422.5 1.8>12~175×55 3.0 2.30.1 60.2 5>17~226×66 3.5 2.8>22~308×78+0.0360+0.098+0.04-0.036±0.018-0.015-0.0514.0+0.23.3+0.2>30~3810×810 5.0 3.30.250.4 0>12×812+0.04+0.120 ±0.021-0.01 5.0 3.31,在工作图中,轴槽槽深用t或(d-t)标注,轮毂槽深按d+t1标注2,d-t和d+t1的偏差按相应的t和t1的偏差选取,但d-t的偏差应取负值3,除轴外,在保证所需转矩的条件下,允许采用较小剖面的键,但t和t1必要时需从新计算,使键槽与键的接触高度各为h/24,表中较松键的链接的偏差适用于导向平键的联接5,平键的槽长偏差用H146,轴槽及轮毂槽宽b对轴及轮毂中心线的对称度的公差按7~9级(gb1184-80)7,当平键长度与宽度比,即L/b>8时,键的两侧面在长度方向的平行度应符合下列规定:b《6mm,按7级,b》8~36时,按6级,b》40时,按5级。
8,需要时,键允许起键螺孔。
普通平键型式尺寸(GB1036-79)A, b 偏差代号h9,粗糙度3.2,键高h偏差代号h11,粗糙度12.5。
平键和键槽的标准尺寸规格表平键和键槽是机械传动中常用的连接件,用于传递轴向或扭转力,其标准尺寸规格表包括以下内容。
一、平键的标准尺寸规格表1. 平键的材料一般为碳钢或不锈钢,其标准尺寸规格表如下:公制尺寸尺寸(mm)宽度(b)高度(h)3×3 3 34×4 4 45×5 5 56×6 6 68×7 8 710×8 10 812×8 12 814×9 14 916×10 16 1018×11 18 1120×12 20 12英制尺寸尺寸(in)宽度(b)高度(h)1/8×1/8 1/8 1/83/16×3/16 3/16 3/161/4×1/4 1/4 1/45/16×5/16 5/16 5/163/8×3/8 3/8 3/81/2×7/16 1/2 7/165/8×1/2 5/8 1/23/4×1/2 3/4 1/27/8×9/16 7/8 9/161×5/8 1 5/82. 平键的精度等级分为普通、精密和高精度三档,其等级划分如下:等级普通精密高精度公差 (mm) ±0.2 ±0.1 ±0.05应力值 (MPa) 40 80 120二、键槽的标准尺寸规格表1. 键槽的尺寸一般按照轴承的尺寸标准进行设计,常见的轴承尺寸及其相应的键槽尺寸如下:轴承型号轴承内径(mm)键槽深度(mm)键槽宽度(mm)6200 10 2.5 46201 12 3 56202 15 3.5 56203 17 4 56204 20 5 66205 25 6 82. 键槽的精度等级一般分为普通和精密两档,其等级划分如下:等级普通精密公差(mm) ±0.2 ±0.1需要注意的是,在平键和键槽的设计中,要考虑到其配合间隙和角度等因素,以确保其能够稳定传递扭矩和轴向力。
注:1.在工作中轴槽深用t或(d-t)标注,轮毂槽深用(d+t1)标注。
2.(d-t)和(d+t1)的偏差按相应的t和t1的偏差选取,但(d-t)的偏差值应取负号。
3.除轴伸外,在保证传递所需转矩条件下,允许采用较小剖面的键。
但t 和t1的数值必要时应重新计算,使轴槽 及轮毂槽与键的接触高度各为 h/2。
4.表中“较松键联接”的偏差值适用于导向平键的联接。
5.平键轴槽的长度偏差用H14。
6.轴槽及轮毂槽宽b对轴及轮毂轴心线的对称度公差按7~9级(GB1184-80)选取。
7.当平键的长度与宽度之比 L/b ≥8时,键的两侧面在长度方向的平行度公差应符合下列规定:b≥6mm,按7级; b≥8~36mm,按6级(GB1184-80附录);b≥40mm,按5级。
平 键 和 键 槽 的 剖 面 尺 寸 (GB1095-79)。
平键和键槽的标准尺寸规格表2010-10-22 11:33:58| 分类: 机械与加工 | 标签:偏差 |字号大中小订阅本文引用自想笑却找不到理由《平键规格表》轴径键键槽宽度深度偏差半径轴毂d b×h 较松一般较紧b轴毂偏最最轴H9 毂D10 轴N8 毂JS9 偏差 t t1 差大小 P96~8 2×2 2 1.2 1 +0.025 +0.060 -0.004 -0.006 ?0.0125 0 +0.020 -0.029 -0.031 ,8~10 3×3 3 1.8 1.4 0.08 0.16+0.1 +0.1 ,10~12 4×4 4 2.5 1.8 0 0 +0.030 +0.078 0 -0.012 ,12~175×5 5 ?0.015 3.0 2.3 0 +0.030 -0.030 -0.042,17~22 6×6 6 3.5 2.8 0.16 0.25 ,22~30 8×7 8 4.0 3.3 +0.036 +0.098 0 -0.015 ?0.018 0 +0.040 -0.036 -0.051 ,30~38 10×8 10 5.0 3.3 ,38~44 12×8 12 5.0 3.3 ,44~50 14×9 14 5.5 3.8 0.25 0.40 +0.043 +0.120 0 -0.018 ?0.0215 0 +0.050 -0.043 -0.061 ,50~58 16×10 16 6.0 4.3+0.2 +0.2 ,58~65 18×11 18 7.0 4.4 0 0 ,65~75 20×12 20 7.54.9 ,75~85 22×14 22 9.05.4 +0.052 +0.149 0 -0.022 ?0.026 0 +0.065 -0.052 -0.074 ,85~95 25×14 25 9.0 5.4 0.40 0.60 ,95~110 28×16 28 10.06.4 ,110~130 32×18 32 11.07.4 ,130~150 36×20 36 12.08.4+0.062 +0.180 0 -0.026 ,150~170 40×22 40 ?0.031 13.0 9.4 0 +0.080 -0.062 -0.088 0.70 1.0 ,170~200 45×25 45 15.0 10.4 +0.3 +0.30 0 ,200~230 50×28 50 17.0 11.4 ,230~260 56×32 56 20.0 12.4 +0.074 +0.220 0 0.032 ?0.037 1.2 1.6 0 +0.100 -0.074 -0.106 ,260~290 63×32 63 20.0 12.4,290~330 70×36 70 22.0 14.4 ,330~380 80×40 80 25.0 15.4 ,380~440 90×45 90 28.0 17.4 2.0 2.5 +0.087 +0.260 0 -0.037 ?0.0135 0 +0.120 -0.087 -0.124 ,440~500 100×50 100 31.0 19.51td-td+t1 ,在工作图中,轴槽槽深用或()标注,轮毂槽深按标注2,d-t和d+t1的偏差按相应的t和t1的偏差选取,但d-t的偏差应取负值3,除轴外,在保证所需转矩的条件下,允许采用较小剖面的键,但t和t1必要时需从新计算,使键槽与h/2 键的接触高度各为4,表中较松键的链接的偏差适用于导向平键的联接5,平键的槽长偏差用H146,轴槽及轮毂槽宽b对轴及轮毂中心线的对称度的公差按7~9级(gb1184-80) 7,当平键长度与宽度比,即L/b>8时,键的两侧面在长度方向的平行度应符合下列规定:b《6mm,按7级,b》8~36时,按6级,b》40时,按5级。
平键和键槽的标准尺寸规格表轴径键键 槽db×h宽 度 深 度半径b偏 差轴毂较松一般较紧轴H9 毂D10 轴N8 毂JS9轴毂P9t偏差 t1 偏差 最大 最小 6~8 2×2 2 +0.025 0 +0.060 +0.020 -0.004 -0.029 ±0.0125-0.006 -0.031 1.2+0.1 0 1 +0.10 0.08 0.16 >8~10 3×3 3 1.81.4 >10~12 4×4 4+0.030 0+0.078 +0.030 0-0.030 ±0.015 -0.012-0.0422.51.8>12~17 5×5 53.02.3 0.16 0.25 >17~22 6×6 63.52.8 >22~30 8×7 8+0.036 0 +0.098 +0.040 0-0.036 ±0.018-0.015 -0.051 4.0+0.23.3 +0.2 0 >30~38 10×8 10 5.03.3 0.25 0.40 >38~44 12×8 12+0.043 0 +0.120 +0.050 0 -0.043 ±0.0215-0.018 -0.061 5.03.3 >44~50 14×9 14 5.53.8 >50~58 16×10 16 6.04.3>58~65 18×11 18 7.0 4.4>65~75 20×12 20+0.052 0 +0.149 +0.065 0 -0.052 ±0.026 -0.022 -0.074 7.54.9 0.40 0.60 >75~85 22×14 22 9.05.4 >85~95 25×14 25 9.05.4 >95~110 28×16 28 10.06.4 >110~130 32×18 32 +0.062 0+0.180 +0.080 0-0.062 ±0.031 -0.026-0.088 11.0 7.4 >130~150 36×20 3612.0+0.3 0 8.4+0.30.70 1.0>150~170 40×22 4013.0 9.4 >170~200 45×25 45 15.0 10.4 >200~23050×28 5017.011.41,在工作图中,轴槽槽深用t或(d-t)标注,轮毂槽深按d+t1标注2,d-t和d+t1的偏差按相应的t和t1的偏差选取,但d-t的偏差应取负值3,除轴外,在保证所需转矩的条件下,允许采用较小剖面的键,但t和t1必要时需从新计算,使键槽与键的接触高度各为h/24,表中较松键的链接的偏差适用于导向平键的联接5,平键的槽长偏差用H146,轴槽及轮毂槽宽b对轴及轮毂中心线的对称度的公差按7~9级(gb1184-80)7,当平键长度与宽度比,即L/b>8时,键的两侧面在长度方向的平行度应符合下列规定:b《6mm,按7级,b》8~36时,按6级,b》40时,按5级。
平键和键槽的标准尺寸规格表轴径键键槽d b×h宽度深度半径b偏差轴毂较松一般较紧轴H9毂D10轴N8毂JS9轴毂P9t偏差t1偏差最大最小6~82×22+0.0250+0。
060+0.02—0.004—0.029±0.0125-0。
006—0.0311.2+0。
11+0.10。
080。
16>8~103×331。
8 1.4>10~124×44+0。
030+0。
078+0。
030—0。
030±0。
015-0.012—0。
0422。
5 1.8>12~175×55 3.02。
30.1 60.2 5>17~226×66 3.52。
8>22~308×78+0.036+0。
098+0.04-0。
036±0。
018-0。
015—0.0514.0+0.23.3+0.2>30~3810×8105。
0 3.30。
250.4 0>38~4412×812+0。
043 0+0。
120+0。
050-0。
043±0.0215—0.018-0。
0615.03。
3>44~5014×9145。
5 3.8>50~5816×10166。
0 4.3>58~6518×11187.0 4.4>65~7520×1220+0。
0520+0。
149+0。
065—0.052±0.026—0.022—0。
0747。
54。
90。
400.6>75~8522×14229。
05。
41,在工作图中,轴槽槽深用t或(d—t)标注,轮毂槽深按d+t1标注2,d-t和d+t1的偏差按相应的t和t1的偏差选取,但d-t的偏差应取负值3,除轴外,在保证所需转矩的条件下,允许采用较小剖面的键,但t和t1必要时需从新计算,使键槽与键的接触高度各为h/24,表中较松键的链接的偏差适用于导向平键的联接5,平键的槽长偏差用H146,轴槽及轮毂槽宽b对轴及轮毂中心线的对称度的公差按7~9级(gb1184-80)7,当平键长度与宽度比,即L/b〉8时,键的两侧面在长度方向的平行度应符合下列规定:b《6mm,按7级,b》8~36时,按6级,b》40时,按5级。
平键和键槽的标准尺寸规格表
1,在工作图中,轴槽槽深用t或(d-t)标注,轮毂槽深按d+t1标注
2,d-t和d+t1的偏差按相应的t和t1的偏差选取,但d-t的偏差应取负值
3,除轴外,在保证所需转矩的条件下,允许采用较小剖面的键,但t和t1必要时需从新计算,使键槽与键的接触高度各为h/2
4,表中较松键的链接的偏差适用于导向平键的联接
5,平键的槽长偏差用H14
6,轴槽及轮毂槽宽b对轴及轮毂中心线的对称度的公差按7~9级(gb1184-80)7,当平键长度与宽度比,即L/b>8时,键的两侧面在长度方向的平行度应符合下列规定:b《6mm,按7级,b》8~36时,按6级,b》40时,按5级。
8,需要时,键允许起键螺孔。
普通平键型式尺寸(GB1036-79)
A,b偏差代号h9,粗糙度,键高h偏差代号h11,粗糙度。
B,键槽宽粗糙度取,高度面粗糙度取.
C,长度L公差等级按h14
键长L系列:6,8,10,12,14,16,18,20,22,25,28,32,36,40,45,50,56,63,70,80,90,100,
110,125,140,160,180,200,220......。