管道组对分项工程质量检验评定表
- 格式:doc
- 大小:111.50 KB
- 文档页数:2
附录A 管道工程安装质量验收评定表表A.0.1 管道预制检验批质量验收记录
表A.0.2 管道安装检验批质量验收记录
表A.0.3 法兰连接检验批质量验收记录
表A.0.4 快速接头检验批质量验收记录
表A.0.5阀门安装检验批质量验收记录
表A.0.6检测装置安装检验批质量验收记录
表A.0.7支、吊、托架检验批质量验收记录
表A.0.8 静电接地装置检验批质量验收记录
表A.0.11管道绝热检验批质量验收记录
附录B 施工过程检验、试验记录表表B.0.1 管子及管道附件进场检验记录
表 B.0.2 阀门试验记录
表B.0.3 安全阀最初调试记录表
表 B.0.4 安全阀最终调试记录
表B.0.5 管道焊接检查记录
操作人:报告人:专业工程师:
表B.0.6 管道安装隐蔽工程验收记录
B.0.7 静电接地装置测试记录
记录人:B.0.8 管道系统压力试验记录
B.0.9 管道系统吹扫记录
B.0.10 超声波检测报告
B.0.11 射线检测报告
附录C 焊缝外观质量分级管道焊缝质量分级标准
注:①当咬边经过磨削修整并平滑过渡时,按焊缝一侧较薄母材最小允许厚度值评定。
②表中a为设计焊缝厚度;b为焊缝宽度;T为母材厚度。
沟槽回填分项工程检验批质量验收记录(球墨管)
管道设备(阀门)分项工程检验批质量验收记录
附录C 检验批质量验收记录
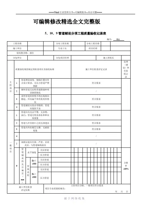
表 C.0.1 管道铺设分项工程检验批质量验收记录
PE管材安装分项工程检验批质量验收记录
PE管分项工程质量验收记录
分部(子分部)工程质量验收记录
沟槽开挖及管道基础分项工程检验批质量验收记录
检查井工序质量评定表
页号:5-1
单位工程名称:2011年周浦镇村庄改造项目
低
部位名称:棋杆9组 桩号位置:检查井
工程技术负责人: 施工负责人: 质检员:。
附录A 管道工程安装质量验收评定表表A。
0。
1 管道预制检验批质量验收记录
表A。
0。
2 管道安装检验批质量验收记录
- 3 -
- 5 -
表A。
0.7支、吊、托架检验批质量验收记录
- 7 -
表A。
0.8 静电接地装置检验批质量验收记录
表A.0。
9 管道焊接检验批质量验收记录
表A.0.10 管道防腐检验批质量验收记录
9
表A。
0.11管道绝热检验批质量验收记录
11
13
附录B 施工过程检验、试验记录表表B.0.1 管子及管道附件进场检验记录
表 B.0.2 阀门试验记录
15
表B.0。
3 安全阀最初调试记录表
表 B.0。
4 安全阀最终调试记录
17
表B.0.5 管道焊接检查记录
操作人:报告人:专业工程师:
表B。
0。
6 管道安装隐蔽工程验收记录
19
B。
0.7 静电接地装置测试记录
记录人:
B。
0。
8 管道系统压力试验记录
21
B.0。
9 管道系统吹扫记录
B.0。
10 超声波检测报告
23
B.0。
11 射线检测报告
附录C 焊缝外观质量分级
管道焊缝质量分级标准
25
注:①当咬边经过磨削修整并平滑过渡时,按焊缝一侧较薄母材最小允许厚度值评定。
②表中a为设计焊缝厚度;b为焊缝宽度; T为母材厚度。
给水排水管道工程施工及验收规范(GB50268-2008)分项工程检验批质量验收记录表沟槽(基坑)土方开挖直线顶管管道施工沟槽(基坑)支护曲线顶管管道施工沟槽(基坑)回填)垂直顶升管道施工管道基础盾构管片制作1钢管接口连接盾构管片制作2金属类管道铺设盾构管片制作3钢管(水泥砂浆)内防护层盾构掘进和管片安装1钢管(环氧涂料)内防护层盾构掘进和管片安装2钢管外防护层盾构施工钢筋混凝土二次衬砌钢管阴极保护浅埋暗挖管道的土层开挖球墨铸铁管接口连接浅埋暗挖管道的初期衬砌1钢筋混凝土类接口连接浅埋暗挖管道的初期衬砌2钢筋混凝土类管道铺设浅埋暗挖管道的防水层化学建材管接口连接浅埋暗挖的二次衬砌柔性管道铺设定向钻施工管道管渠基础地基夯管施工管道管渠模板沉管基槽浚挖及管基处理管渠钢筋制作组对拼装管道沉放管渠现浇混凝土预制钢筋混凝土管节制作管渠变形缝钢筋混凝土管节接口预制加工管渠构件预制预制钢筋混凝土管的沉放管渠预制构件安装沉管的稳管及回填管渠砖石砌筑桥管管道安装1工作井围护结构桥管管道安装2工作井(沉井)模板现浇混凝土井室工作井(沉井)钢筋加工砖砌井室工作井(沉井)钢筋安装预制拼装井室工作井沉井制作雨水口及支、连管安装(雨水吸支、连管安装)工作井下沉及封底管道支墩安装工作井井内结构沟槽(基坑)土方开挖检验批质量检验记录开槽施工检验批质量检验记录编号:020101□□/020201□□/020301□□/020401□□表A.0.1 编号:020202□□020302□□砖砌井室检验批质量检验记录注:1、本表由施工项目专业质量检查员填写,监理工程师(建设单位项目技术负责人)组织项目专业质量检查员等进行验收,并应按上表进行记录。
钢管接口连接检验批质量检验记录表A.0.1 编号:020102□□021301□□金属类管道铺设检验批质量检验记录表A.0.1 编号:020103□□020303□□注:1、本表由施工项目专业质量检查员填写,监理工程师(建设单位项目技术负责人)组织项目专业质量检查员等进行验收,并应按上表进行记录。
管道基础施工检验批质量验收记录表表G2-4管道基础施工检验批质量验收记录表GB 50268-2008工程名称汉津大道道路改造工程二标段施工单位湖北博瑞建设工程有限公司单位工程名称排水工程(Φ1000污水过路涵) 分项工程名称基础分项工程名称管道基础验收部位 K2+885 工程数量项目经理赵琼技术负责人李维军制表人施工负责人质量检验员交方班组接方班组检验日期质量要求、允许偏差检查项目检查结果或允许值(mm)符合设计要求 1 原状地基承载力符合设计要求主控符合设计要求 2 混凝土基础强度符合设计要求项目3 砂石基础压实度符合设计要求或本规范规定 /续上表检查结果/实测点偏差值或实测值质量要求、允许偏差检查项目应测合格合格或允许值(mm) 1 2 3 4 5 6 7 8 9 10 11 12 13 14 15 点数点数率 % 原状地基、砂石基础与 1 接触均匀,无空隙 / 管道外壁混凝土基础外观外光内实,无严重缺陷外光内实,无严重缺陷2钢筋位置正确、数量符合设计位置正确、数量符合设计中线每侧宽度 ?设计要求压力管道 ?30 3 垫层高程一无压管道 0,-15 般项厚度 ?设计要求目中线每侧,10,0 宽度平基高程 0,-15 混凝土基4 厚度 ?设计要求础、管座肩宽,10,-5管座肩高 ?20续上表检查结果/实测点偏差值或实测值质量要求、允许偏差检查项目应测合格合格或允许值(mm) 1 2 3 4 5 6 7 8 9 10 11 12 13 14 15 点数点数率 % 压力管道 ?30 高程土、砂无压管道 0,-15及砂5 一砾基平基厚度不小于设计要求般础项目土弧基础腋角高度不小于设计要求一般项目平均合格率一般项目平均合格率(%)施工单位经检查,主控项目全部合格,一般项目满足规范规定要求。
检查评定结果项目专业质量检查员: 年月日监理(建设)单位验收结论监理工程师:(建设单位项目专业技术负责人) 年月日注:1主控项目、一般项目的检查结果,需用语言描述的项,应按GB50268-2008的要求详实描述。
管道工程施工及验收规范全部检验批表分项工程检验批质量验收记载表沟槽〔基坑〕土方开挖直线顶管管道施工沟槽〔基坑〕支护曲线顶管管道施工沟槽〔基坑〕回填〕垂直顶升管道施工管道基础盾构管片制造1钢管接口衔接盾构管片制造2金属类管道铺设盾构管片制造3钢管〔水泥砂浆〕内防护层盾构掘进和管片装置1钢管〔环氧涂料〕内防护层盾构掘进和管片装置2钢管外防护层盾构施工钢筋混凝土二次衬砌钢管阴极维护浅埋暗挖管道的土层开挖球墨铸铁管接口衔接浅埋暗挖管道的初期衬砌1钢筋混凝土类接口衔接浅埋暗挖管道的初期衬砌2钢筋混凝土类管道铺设浅埋暗挖管道的防水层化学建材管接口衔接浅埋暗挖的二次衬砌柔性管道铺设定向钻施工管道管渠基础地基夯管施工管道管渠模板沉管基槽浚挖及管基处置管渠钢筋制造组对拼装管道沉放管渠现浇混凝土预制钢筋混凝土管节制造管渠变形缝钢筋混凝土管节接口预制加工管渠构件预制预制钢筋混凝土管的沉放管渠预制构件装置沉管的稳管及回填管渠砖石砌筑桥管管道装置1任务井围护结构桥管管道装置2任务井〔沉井〕模板现浇混凝土井室任务井〔沉井〕钢筋加工砖砌井室任务井〔沉井〕钢筋装置预制拼装井室任务井沉井制造雨水口及支、连管装置〔雨水吸支、连管装置〕任务井下沉及封底管道支墩装置任务井井内结构沟槽〔基坑〕土方开挖检验批质量检验记载开槽施工检验批质量检验记载钢筋混凝土管接口衔接检验批质量检验记载钢筋混凝土类管道铺设检验批质量检验记载表A.0.1 编号:020203□□020303□□砖砌井室检验批质量检验记载钢管接口衔接检验批质量检验记载金属类管道铺设检验批质量检验记载钢管内防护层〔水泥砂浆〕检验批质量检验记载钢管内防护层〔环氧涂料〕检验批质量检验记载表A.0.1 编号:020204□□021203□□021303□□钢管外防护层检验批质量检验记载钢管阴极维护检验批质量检验记载表A.0.1 编号:020207□□020904□□021206□□021306□□球墨铸铁管接口衔接检验批质量检验记载表A.0.1 编号:020208□□化学建材管接口衔接检验批质量检验记载表A.0.1 编号:020402□□021201□□注:1、本表由施工项目专业质量反省员填写,监理工程师〔树立单位项目技术担任人〕组织项目专业质量反省员等停止验收,并应按上表停止记载。
分项工程质量检验评定表分项工程名称:土方路基所属分部工程名称:路基土石方所属建设项目:209国道建始县城区绕城公路工程部位:施工单位:监理单位:武汉交科工程咨询有限公司(桩号、墩台号、孔号)编号:B-201-□□□□-□□□□检测负责人:检测:记录:复核:年月日分项工程质量检验评定表分项工程名称:石方路基所属分部工程名称:路基土石方所属建设项目:209国道建始县城区绕城公路工程部位:施工单位:监理单位:武汉交科工程咨询有限公司(桩号、墩台号、孔号)编号:B-201-□□□□-□□□□检测负责人:检测:记录:复核:年月日分项工程质量检验评定表分项工程名称:砂垫层所属分部工程名称:路基土石方所属建设项目:209国道建始县城区绕城公路工程部位:施工单位:监理单位:武汉交科工程咨询有限公司(桩号、墩台号、孔号)编号:B-201-□□□□-□□□□检测负责人:检测:记录:复核:年月日分项工程质量检验评定表分项工程名称:袋装砂井、塑料排水板所属分部工程名称:路基土石方所属建设项目:209国道建始县城区绕城公路工程部位:施工单位:监理单位:武汉交科工程咨询有限公司(桩号、墩台号、孔号)编号:B-201-□□□□-□□□□检测负责人:检测:记录:复核:年月日分项工程质量检验评定表分项工程名称:碎石桩(砂桩)所属分部工程名称:路基土石方所属建设项目:209国道建始县城区绕城公路工程部位:施工单位:监理单位:武汉交科工程咨询有限公司(桩号、墩台号、孔号)编号:B-201-□□□□-□□□□检测负责人:检测:记录:复核:年月日分项工程质量检验评定表分项工程名称:粉喷桩所属分部工程名称:路基土石方所属建设项目:209国道建始县城区绕城公路工程部位:施工单位:监理单位:武汉交科工程咨询有限公司(桩号、墩台号、孔号)编号:B-201-□□□□-□□□□检测负责人:检测:记录:复核:年月日分项工程质量检验评定表分项工程名称:钢筋安装及安装所属分部工程名称:涵洞工程所属建设项目:209国道建始县城区绕城公路工程部位:(桩号、墩台号、孔号)施工单位:中铁十八局集团有限公司监理单位:武汉交科工程咨询有限公司编号:B-201-□□□□-□□□□检测负责人:检测:记录:复核:监理工程师: 年月日分项工程质量检验评定表分项工程名称:隔离工程土工合成材料所属分部工程名称:路基土石方所属建设项目:209国道建始县城区绕城公路工程部位:施工单位:监理单位:武汉交科工程咨询有限公司(桩号、墩台号、孔号)编号:B-201-□□□□-□□□□检测负责人:检测:记录:复核:年月日分项工程质量检验评定表分项工程名称:过滤排水工程土工合成材料所属分部工程名称:路基土石方所属建设项目:209国道建始县城区绕城公路工程部位:施工单位:监理单位:武汉交科工程咨询有限公司(桩号、墩台号、孔号)编号:B-201-□□□□-□□□□检测负责人:检测:记录:复核:年月日分项工程质量检验评定表分项工程名称:防裂工程土工合成材料所属分部工程名称:路基土石方所属建设项目:209国道建始县城区绕城公路工程部位:施工单位:监理单位:武汉交科工程咨询有限公司(桩号、墩台号、孔号)编号:B-201-□□□□-□□□□检测负责人:检测:记录:复核:年月日分项工程质量检验评定表分项工程名称:管节预制所属分部工程名称:排水工程所属建设项目:209国道建始县城区绕城公路工程部位:施工单位:监理单位:武汉交科工程咨询有限公司(桩号、墩台号、孔号)编号:B-201-□□□□-□□□□检测负责人:检测:记录:复核:年月日分项工程质量检验评定表分项工程名称:管道基础及管节安装所属分部工程名称:排水工程所属建设项目:209国道建始县城区绕城公路工程部位:施工单位:监理单位:武汉交科工程咨询有限公司检测负责人:检测:记录:复核:年月日分项工程质量检验评定表分项工程名称:检查(雨水)井砌筑所属分部工程名称:排水工程所属建设项目:209国道建始县城区绕城公路工程部位:施工单位:监理单位:武汉交科工程咨询有限公司(桩号、墩台号、孔号)编号:B-201-□□□□-□□□□检测负责人:检测:记录:复核:年月日分项工程质量检验评定表分项工程名称:土沟所属分部工程名称:排水工程所属建设项目:209国道建始县城区绕城公路工程部位:施工单位:监理单位:武汉交科工程咨询有限公司(桩号、墩台号、孔号)编号:B-201-□□□□-□□□□检测负责人:检测:记录:复核:年月日分项工程质量检验评定表分项工程名称:浆砌排水沟所属分部工程名称:排水工程所属建设项目:209国道建始县城区绕城公路工程部位:施工单位:监理单位:武汉交科工程咨询有限公司(桩号、墩台号、孔号)编号:B-201-□□□□-□□□□检测负责人:检测:记录:复核:年月日分项工程质量检验评定表分项工程名称:盲沟所属分部工程名称:排水工程所属建设项目:209国道建始县城区绕城公路工程部位:施工单位:监理单位:武汉交科工程咨询有限公司(桩号、墩台号、孔号)编号:B-201-□□□□-□□□□检测负责人:检测:记录:复核:年月日分项工程质量检验评定表分项工程名称:排水泵站(沉井)所属分部工程名称:排水工程所属建设项目:209国道建始县城区绕城公路工程部位:施工单位:监理单位:武汉交科工程咨询有限公司(桩号、墩台号、孔号)编号:B-201-□□□□-□□□□检测负责人:检测:记录:复核:年月日分项工程质量检验评定表分项工程名称:砌体挡土墙所属分部工程名称:挡土墙、防护及其他砌筑工程所属建设项目:209国道建始县城区绕城公路工程部位:施工单位:监理单位:武汉交科工程咨询有限公司(桩号、墩台号、孔号)编号:B-201-□□□□-□□□□检测负责人:检测:记录:复核:年月日分项工程质量检验评定表分项工程名称:干砌挡土墙所属分部工程名称:挡土墙、防护及其他砌筑工程所属建设项目:209国道建始县城区绕城公路工程部位:施工单位:监理单位:武汉交科工程咨询有限公司(桩号、墩台号、孔号)编号:B-201-□□□□-□□□□检测负责人:检测:记录:复核:年月日分项工程质量检验评定表分项工程名称:悬臂式和扶臂式挡土墙所属分部工程名称:挡土墙、防护及其他砌筑工程所属建设项目:209国道建始县城区绕城公路工程部位:施工单位:监理单位:武汉交科工程咨询有限公司(桩号、墩台号、孔号)编号:B-201-□□□□-□□□□检测负责人:检测:记录:复核:年月日分项工程质量检验评定表分项工程名称:筋带所属分部工程名称:挡土墙、防护及其他砌筑工程所属建设项目:209国道建始县城区绕城公路工程部位:施工单位:监理单位:武汉交科工程咨询有限公司(桩号、墩台号、孔号)编号:B-201-□□□□-□□□□检测负责人:检测:记录:复核:年月日分项工程质量检验评定表分项工程名称:锚杆、拉杆所属分部工程名称:挡土墙、防护及其他砌筑工程所属建设项目:209国道建始县城区绕城公路工程部位:施工单位:监理单位:武汉交科工程咨询有限公司:(桩号、墩台号、孔号)编号:B-201-□□□□-□□□□检测负责人:检测:记录:复核:年月日分项工程质量检验评定表分项工程名称:面板预制所属分部工程名称:挡土墙、防护及其他砌筑工程所属建设项目:209国道建始县城区绕城公路工程部位:施工单位:监理单位:武汉交科工程咨询有限公司(桩号、墩台号、孔号)编号:B-201-□□□□-□□□□检测负责人:检测:记录:复核:年月日分项工程质量检验评定表分项工程名称:面板安装所属分部工程名称:挡土墙、防护及其他砌筑工程所属建设项目:209国道建始县城区绕城公路工程部位:施工单位:监理单位:武汉交科工程咨询有限公司(桩号、墩台号、孔号)编号:B-201-□□□□-□□□□检测负责人:检测:记录:复核:年月日分项工程质量检验评定表分项工程名称:锚杆、锚碇板和加筋土挡土墙总体所属分部工程名称:挡土墙、防护及其他砌筑工程所属建设项目:209国道建始县城区绕城公路工程部位:施工单位:监理单位:武汉交科工程咨询有限公司(桩号、墩台号、孔号)编号:B-201-□□□□-□□□□检测负责人:检测:记录:复核:年月日分项工程质量检验评定表分项工程名称:锚杆、锚碇板和加筋土挡土墙墙背回填所属分部工程名称:挡土墙、防护及其他砌筑工程所属建设项目:209国道建始县城区绕城公路工程部位:施工单位:监理单位:武汉交科工程咨询有限公司(桩号、墩台号、孔号)编号:B-201-□□□□-□□□□检测负责人:检测:记录:复核:年月日分项工程质量检验评定表分项工程名称:抗滑桩所属分部工程名称:挡土墙、防护及其他砌筑工程所属建设项目:209国道建始县城区绕城公路工程部位:施工单位:监理单位:武汉交科工程咨询有限公司(桩号、墩台号、孔号)编号:B-201-□□□□-□□□□检测负责人:检测:记录:复核:年月日分项工程质量检验评定表分项工程名称:锚喷防护所属分部工程名称:挡土墙、防护及其他砌筑工程所属建设项目:209国道建始县城区绕城公路工程部位:施工单位:监理单位:武汉交科工程咨询有限公司检测负责人:检测:记录:复核:年月日分项工程质量检验评定表分项工程名称:锥、护坡所属分部工程名称:挡土墙、防护及其他砌筑工程所属建设项目:209国道建始县城区绕城公路工程部位:施工单位:监理单位:武汉交科工程咨询有限公司(桩号、墩台号、孔号)编号:B-201-□□□□-□□□□检测负责人:检测:记录:复核:年月日分项工程质量检验评定表分项工程名称:浆砌砌体所属分部工程名称:挡土墙、防护及其他砌筑工程所属建设项目:209国道建始县城区绕城公路工程部位:施工单位:监理单位:武汉交科工程咨询有限公司(桩号、墩台号、孔号)编号:B-201-□□□□-□□□□检测负责人:检测:记录:复核:年月日分项工程质量检验评定表分项工程名称:干砌片石所属分部工程名称:挡土墙、防护及其他砌筑工程所属建设项目:209国道建始县城区绕城公路工程部位:施工单位:监理单位:武汉交科工程咨询有限公司(桩号、墩台号、孔号)编号:B-201-□□□□-□□□□检测负责人:检测:记录:复核:年月日。
水利水电工程给水排水管道工程施工及验收规范单元工程质量评定表目录J1沟槽开挖与地基处理单元工程质量评定表 (4)J2刚性管道沟槽回填单元工程质量评定表 (7)J3柔性管道沟槽回填单元工程质量评定表 (9)J4管道沟槽回填单元工程质量评定表 (10)J5管道沟槽回填(球墨铸铁管)单元工程质量评定表 (11)J6管道沟槽回填(钢筋混凝土管)单元工程质量评定表 (12)J7管道沟槽回填(钢管)单元工程质量评定表 (13)J8管道基础单元工程质量评定表 (14)J9钢管内防腐层(水泥砂浆)单元工程质量评定表 (16)J10钢管内防腐层(液体环氧涂料)单元工程质量评定表 (17)J11钢管接口连接单元工程质量评定表 (18)J12钢管外防腐层单元工程质量评定表 (19)J13钢管阴极保护单元工程质量评定表 (20)J14球墨铸铁管接口连接单元工程质量评定表 (21)J15钢筋混凝土管、预(自)应力混凝土管、预应力钢筒混凝土管 (23)J16接口连接单元工程质量评定表 (23)J17钢筋混凝土管接口单元工程质量评定表 (24)J18钢筋混凝土管接口连接单元工程质量评定表 (25)J19化学建材管接口连接单元工程质量评定表 (26)J20管道铺设单元工程质量评定表 (27)J21管道铺设(钢管)单元工程质量评定表 (28)J22管道铺设(球墨铸铁管)单元工程质量评定表 (29)J23管道铺设(钢筋混凝土管)单元工程质量评定表 (30)J24工作井单元工程质量评定表 (31)J25直线顶管管道单元工程质量评定表 (33)J26曲线顶管管道单元工程质量评定表 (35)J27垂直顶升管道单元工程质量评定表 (37)J28盾构管片制作单元工程质量评定表 (38)J29盾构掘进和管片拼装单元工程质量评定表 (40)J30盾构施工管道的钢筋混凝土二次衬砌单元工程质量评定表 (42)J31浅埋暗挖管道的土层开挖单元工程质量评定表 (43)J32浅埋暗挖管道的初期衬砌单元工程质量评定表 (44)J33浅埋暗挖管道的防水层单元工程质量评定表 (46)J34浅埋暗挖管道的二次衬砌单元工程质量评定表 (47)J35定向钻施工管道单元工程质量评定表 (48)J36夯管施工管道单元工程质量评定表 (50)J37沉管基槽浚挖及管基处理单元工程质量评定表 (51)J38组对拼装管道(段)的沉放单元工程质量评定表 (51)J39沉放的预制钢筋混凝土管节制作单元工程质量评定表 (53)J40沉放的预制钢筋混凝土管节接口预制加工单元工程质量评定表 (54)J41预制钢筋棍凝土管的沉放单元工程质量评定表 (55)J42沉管的稳管及回填单元工程质量评定表 (56)J43桥管管道单元工程质量评定表 (57)J44井室单元工程质量评定表 (59)J45雨水口及支、连管单元工程质量评定表 (61)J46支墩单元工程质量评定表 (62)J47铸铁管(承插口)安装单元工程质量评定表 (63)表B.0.2分项工程质量验收记录表 (65)表B.0.3分部(子分部)工程质量验收记录表 (66)表B.0.4-1单位(子单位)工程质量竣工验收记录表 (67)表B.0.4-2单位(子单位)工程质量控制资料核查表 (68)表B.0.4-3单位(子单位)工程观感质量核查表 (69)表B.0.4-4单位(子单位)工程结构安全和使用功能性检测记录表 (70)表C.0.3注水法试验记录表 (71)表D.0.2管道闭水试验记录表 (72)表E.0.2管道闭气检验记录表 (73)水利水电工程J1沟槽开挖与地基处理单元工程质量评定表注:本表验收标准引用GB50268-2008《给排水管道工程施工及验收规范》。
附录A: 单位工程资料核查表Q/CSG表8-1 架空线路工程资料核查表工程编号: Q/CSG表8-1Q/CSG表8-2 电缆线路工程资料核查表工程编号: Q/CSG表8-2Q/CSG表8-3 10kV开关站及10kV/0.4kV变电站工程资料核查表工程编号: Q/CSG表8-3Q/CSG表8-4 箱式变电站工程资料核查表工程编号: Q/CSG表8-4Q/CSG表8-5 台架式变压器/低压台区工程资料核查表工程编号: Q/CSG表8-5Q/CSG表8-6 通信及配网自动化安装工程资料核查表工程编号: Q/CSG表8-6附录B: 单位工程质量验收与评定记录表Q/CSG表8-1.0 架空线路工程单位工程质量验收与评定记录表工程编号:2.验收结论栏填写“优良”或“合格”;3.单位工程质量验收是由业主项目部组织监理、设计、施工单位等单位参加的验收,验收合格后,移交给启委会验收组组织相关单位进行投产前的启动验收。
Q/CSG表8-2.0 电缆线路工程单位工程质量验收与评定记录表工程编号:Q/CSG表8-2.0备注:1.检查意见栏填写要求:符合要求的检查项打“√”,不符合要求的检查项打“×”,未检查项打“/”;2.验收结论栏填写“优良”或“合格”;3.单位工程质量验收是由业主项目部组织监理、设计、施工单位等单位参加的验收,验收合格后,移交给启委会验收组组织相关单位进行投产前的启动验收。
Q/CSG表8-3.0 10kV开关站及10kV/0.4kV变电站工程单位工程质量验收与评定记录表工程编号: Q/CSG表8-3.02.验收结论栏填写“优良”或“合格”;3.单位工程质量验收是由业主项目部组织监理、设计、施工单位等单位参加的验收,验收合格后,移交给启委会验收组组织相关单位进行投产前的启动验收。
Q/CSG表8-4.0 箱式变电站工程单位工程质量验收与评定记录表备注:1.检查意见栏填写要求:符合要求的检查项打“√”,不符合要求的检查项打“×”,未检查项打“/”;2.验收结论栏填写“优良”或“合格”;3.单位工程质量验收是由业主项目部组织监理、设计、施工单位等单位参加的验收,验收合格后,移交给启委会验收组组织相关单位进行投产前的启动验收。
给水排水管道工程施工质量评定表(依据:GB 50268-2008《给水排水管道工程施工及验收规范》)给排水管道工程分项、分部、单位工程划分表 A 给排水管道工程分项、分部、单位工程划分表注:1 大型顶管工程、大型沉管工程、大型桥管工程及盾构、浅埋暗挖管道工程,可设独立的单位工程;2 大型顶管工程:指管道一次顶进长度大于300m的管道工程;3 大型沉管工程:指预制钢筋混凝土管沉管工程;对于成品管组对拼装的沉管工程,应为多年平均水位水面宽度不小于200m,或多年平均水位水面宽度100~200m之间,且相应水深不小于5m;4 大型桥管工程:总跨长度不小于300m或主跨长度不小于100m;5 土方工程中涉及地基处理、基坑支护等,可按现行国家标准《建筑地基基础工程施工质量验收规范》GB 50202等相关规定执行;6 桥管的地基与基础、下部结构工程,可按桥梁工程规范的有关规定执行;7 工作井的地基与基础、围护结构工程,可按现行国家标准《建筑地基基础工程施工质量验收规范》GB 50202、《混凝土结构工程施工质量验收规范》CB 50204、《地下防水工程质量验收规范》GB 50208、《给水排水构筑物工程施工及验收规范》GB 50141 等相关规定执行。
分项、分部、单位工程质量验收记录表B.0.1 分项工程(验收批)质量验收记录表编号:说明:验收批的质量验收记录由施工项目专业质量检查员填写,监理工程师(建设项目专业技术负责人)组织施工项目专业质量检查员进行验收,并按表B.0.1记录。
表B.0.2 分项工程质量验收记录表说明:分项工程质量应由监理工程师(建设项目专业技术负责人)组织施工项目技术负责人等进行验收,并按表B.0.2 记录。
表 B.0.3 分部(子分部)工程质量验收记录表单位项目负责人进行验收,并按表B.0.3 记录。
表 B.0.4-1 单位(子单位)工程质量竣工验收记录表说明:单位(子单位)工程质量竣工验收应按表B.0.4-1~表B.0.4-4 记录。
分项工程质量检验评定表分项工程名称:管道基础及管节安装所属分部工程名称:排水工程所属建设项目:工程部位: 施工单位:监理单位:(桩号、墩台号、孔号)分项工程质量检验评定表分项工程名称:管节预制所属分部工程名称:排水工程所属建设项目:工程部位: 施工单位:监理单位:(桩号、墩台号、孔号)检验负责人:检测:记录:复核:年月日分项工程质量检验评定表分项工程名称:土沟所属分部工程名称:排水工程所属建设项目: 工程部位: 施工单位:监理单位:(桩号、墩台号、孔号)分项工程质量检验评定表分项工程名称:浆砌排水沟所属分部工程名称:排水工程所属建设项目: 工程部位:施工单位: 监理单位:(桩号、墩台号、孔号)分项工程质量检验评定表分项工程名称:盲沟所属分部工程名称:排水工程所属建设项目:工程部位: 施工单位:监理单位:(桩号、墩台号、孔号)检验负责人:检测:记录:复核:年月日分项工程质量检验评定表分项工程名称:锥、护坡所属分部工程名称:砌筑工程所属建设项目:工程部位:施工单位:监理单位: (桩号、墩台号、孔号)分项工程质量检验评定表分项工程名称:浆砌砌体所属分部工程名称:砌筑工程所属建设项目:工程部位: 施工单位: 监理单位:(桩号、墩台号、孔号)检验负责人:检测:记录:复核:年月日分项工程质量检验评定表分项工程名称:水泥混凝土面层所属分部工程名称:路面工程所属建设项目:工程部位:施工单位:监理单位: (桩号、墩台号、孔号)分项工程质量检验评定表分项工程名称:沥青混凝土面层所属分部工程名称:路面工程所属建设项目: 工程部位: 施工单位:监理单位:(桩号、墩台号、孔号)分项工程质量检验评定表分项工程名称:水泥稳定粒料基层所属分部工程名称:路面工程所属建设项目: 工程部位:施工单位:监理单位:(桩号、墩台号、孔号)分项工程质量检验评定表分项工程名称:水泥稳定粒料底基层所属分部工程名称:路面工程所属建设项目:工程部位:施工单位:监理单位:(桩号、墩台号、孔号)分项工程质量检验评定表分项工程名称:级配碎(砾)石基层所属分部工程名称:路面工程所属建设项目:工程部位:施工单位: 监理单位:(桩号、墩台号、孔号)分项工程质量检验评定表分项工程名称:级配碎(砾)石底基层所属分部工程名称:路面工程所属建设项目:工程部位:施工单位:监理单位:(桩号、墩台号、孔号)分项工程质量检验评定表分项工程名称:路缘石铺设所属分部工程名称:路面工程所属建设项目:工程部位: 施工单位:监理单位:(桩号、墩台号、孔号)分项工程质量检验评定表分项工程名称:路肩所属分部工程名称:路面工程所属建设项目: 工程部位:施工单位:监理单位:(桩号、墩台号、孔号)分项工程质量检验评定表分项工程名称:桥梁总体所属分部工程名称:总体所属建设项目:工程部位:施工单位:监理单位:(桩号、墩台号、孔号)分项工程质量检验评定表分项工程名称:钢筋安装所属分部工程名称:上部构造所属建设项目: 工程部位:施工单位:监理单位:(桩号、墩台号、孔号)分项工程质量检验评定表分项工程名称:钢筋网加工所属分部工程名称:上部构造所属建设项目:工程部位:施工单位:监理单位:(桩号、墩台号、孔号)分项工程质量检验评定表分项工程名称:钢丝、钢绞线先张法所属分部工程名称:上部构造所属建设项目:工程部位: 施工单位:监理单位:(桩号、墩台号、孔号)分项工程质量检验评定表分项工程名称:后张法所属分部工程名称:上部构造所属建设项目:工程部位:施工单位: 监理单位:(桩号、墩台号、孔号)分项工程质量检验评定表分项工程名称:基础砌体所属分部工程名称:下部构造所属建设项目: 工程部位:施工单位: 监理单位:(桩号、墩台号、孔号)分项工程质量检验评定表分项工程名称:墩、台身砌体所属分部工程名称:下部构造所属建设项目:工程部位:施工单位:监理单位:(桩号、墩台号、孔号)检验负责人:检测:记录:复核:年月日分项工程质量检验评定表分项工程名称:侧墙砌体所属分部工程名称:下部构造所属建设项目:工程部位: 施工单位:监理单位:(桩号、墩台号、孔号)检验负责人: 检测: 记录:复核:年月日分项工程质量检验评定表分项工程名称:扩大基础所属分部工程名称:下部构造所属建设项目:工程部位: 施工单位:监理单位:(桩号、墩台号、孔号)检验负责人:检测:记录:复核: 年月日分项工程质量检验评定表分项工程名称:钻孔灌注桩所属分部工程名称:下部构造所属建设项目:工程部位:施工单位:监理单位:(桩号、墩台号、孔号)检验负责人:检测:记录:复核:年月日分项工程质量检验评定表分项工程名称:墩、台身所属分部工程名称:下部构造所属建设项目:工程部位:施工单位: 监理单位: (桩号、墩台号、孔号)分项工程质量检验评定表分项工程名称:墩柱所属分部工程名称:下部构造所属建设项目:工程部位: 施工单位:监理单位:(桩号、墩台号、孔号)分项工程质量检验评定表分项工程名称:墩、台身安装所属分部工程名称:下部构造所属建设项目:工程部位: 施工单位:监理单位:(桩号、墩台号、孔号)检验负责人:检测: 记录: 复核: 年月日分项工程质量检验评定表分项工程名称:墩、台帽或盖梁所属分部工程名称:下部构造所属建设项目:工程部位:施工单位:监理单位:(桩号、墩台号、孔号)检验负责人:检测:记录:复核:年月日分项工程质量检验评定表分项工程名称:台背填土所属分部工程名称:下部构造所属建设项目:工程部位:施工单位:监理单位:(桩号、墩台号、孔号)分项工程质量检验评定表分项工程名称:梁(板)预制所属分部工程名称:上部构造预制和安装所属建设项目:工程部位:施工单位:监理单位: (桩号、墩台号、孔号)分项工程质量检验评定表分项工程名称:梁(板)安装所属分部工程名称:上部构造预制和安装所属建设项目:工程部位: 施工单位: 监理单位:(桩号、墩台号、孔号)分项工程质量检验评定表分项工程名称:防水层所属分部工程名称:总体、桥面系和附属工程所属建设项目:工程部位:施工单位:监理单位:(桩号、墩台号、孔号)检验负责人:检测:记录: 复核:年月日分项工程质量检验评定表分项工程名称:桥面铺装所属分部工程名称:总体、桥面系和附属工程所属建设项目:工程部位:施工单位: 监理单位:(桩号、墩台号、孔号)分项工程质量检验评定表分项工程名称:支座垫石所属分部工程名称:下部构造所属建设项目:工程部位:施工单位:监理单位: (桩号、墩台号、孔号)分项工程质量检验评定表分项工程名称:挡块所属分部工程名称:下部构造所属建设项目:工程部位: 施工单位:监理单位: (桩号、墩台号、孔号)分项工程质量检验评定表分项工程名称:支座安装所属分部工程名称:总体、桥面系和附属工程所属建设项目:工程部位:施工单位:监理单位:(桩号、墩台号、孔号)检验负责人:检测:记录:复核: 年月日分项工程质量检验评定表分项工程名称:伸缩缝安装所属分部工程名称:总体、桥面系和附属工程所属建设项目:工程部位:施工单位:监理单位:(桩号、墩台号、孔号)分项工程质量检验评定表分项工程名称:混凝土小型构件所属分部工程名称:总体、桥面系和附属工程所属建设项目:工程部位:施工单位: 监理单位:(桩号、墩台号、孔号)分项工程质量检验评定表分项工程名称:人行道铺设所属分部工程名称:总体、桥面系和附属工程所属建设项目:工程部位:施工单位:监理单位:(桩号、墩台号、孔号)分项工程质量检验评定表分项工程名称:栏杆安装所属分部工程名称:总体、桥面系和附属工程所属建设项目:工程部位:施工单位:监理单位: (桩号、墩台号、孔号)分项工程质量检验评定表分项工程名称:桥头搭板所属分部工程名称:总体、桥面系和附属工程所属建设项目: 工程部位:施工单位: 监理单位: (桩号、墩台号、孔号)分项工程质量检验评定表分项工程名称:混凝土防撞护栏浇筑所属分部工程名称:总体、桥面系和附属工程所属建设项目:工程部位:施工单位:监理单位:(桩号、墩台号、孔号)分项工程质量检验评定表分项工程名称:涵洞总体所属分部工程名称:涵洞所属建设项目: 工程部位:施工单位:监理单位:(桩号、墩台号、孔号)分项工程质量检验评定表分项工程名称:涵台所属分部工程名称:涵洞所属建设项目:工程部位:施工单位:监理单位:(桩号、墩台号、孔号)检验负责人:检测:记录:复核: 年月日分项工程质量检验评定表分项工程名称:管座及涵管安装所属分部工程名称:涵洞所属建设项目: 工程部位:施工单位:监理单位:(桩号、墩台号、孔号)分项工程质量检验评定表分项工程名称:盖板制作所属分部工程名称:涵洞所属建设项目:工程部位: 施工单位: 监理单位:(桩号、墩台号、孔号)分项工程质量检验评定表分项工程名称:盖板安装所属分部工程名称:涵洞所属建设项目:工程部位:施工单位: 监理单位:(桩号、墩台号、孔号)检验负责人: 检测:记录: 复核: 年月日分项工程质量检验评定表分项工程名称:箱涵浇筑所属分部工程名称:涵洞所属建设项目:工程部位: 施工单位:监理单位:(桩号、墩台号、孔号)分项工程质量检验评定表分项工程名称:一字墙和八字墙所属分部工程名称:涵洞所属建设项目:工程部位:施工单位: 监理单位:(桩号、墩台号、孔号)检验负责人:检测: 记录:复核:年月日。
环氧煤沥青防腐钢管分项工程质量检验评定表-表4一、工程概况1. 工程名称XXX管道工程2. 工程地点XXX市XXX区3. 工程规模总长XXXkm,直径XXXmm4. 工程施工单位XXX建设有限公司5. 工程监理单位XXX工程监理有限公司二、检验对象1. 管道材料•名称:环氧煤沥青防腐钢管•牌号: XXX•规格:直径XXXmm,壁厚XXXmm,长度XXXm•数量: XXX根2. 管道附件•名称:管件、阀门、法兰等•材料及规格:根据需求选配•数量:根据工程需求3. 环氧煤沥青防腐涂料•名称:环氧煤沥青防腐涂料•生产厂家: XXX有限公司•数量:根据工程需求三、质量检验项目序号检验项目检验内容检验依据检验1 环氧煤沥青防腐层厚度每支管道检测5个位置《钢管道外涂层防护质量检验标准》(SY/T 0447)通过/未通过2 环氧煤沥青涂膜附着力每支管道检测1个位置《钢管道外涂层防护质量检验标准》(SY/T 0447)合格/不合格3 环氧煤沥青涂膜硬度每支管道检测1个位置《钢管道外涂层防护质量检验标准》(SY/T 0447)合格/不合格4 管道尺寸1%抽样检测GB/T 8163 合格/不合格5 管道表面光洁度目测检查GB/T 5778 A级/B级/C级6 管道外观质量要求目测检查SY/T 0447 合格/不合格7 管道压力试验根据规定进行GB/T 28897 合格/不合格四、检验经过检验,管材及附件各项指标符合要求,合格数为100%,本分项工程合格。