测量学计算题及答案
- 格式:doc
- 大小:1.30 MB
- 文档页数:41
《测量学》习题及其参考答案(第1~11章共79题)习题11.什么叫大地水准面?它有什么特点和作用? 2.什么叫绝对高程、相对高程及高差?3.测量上的平面直角坐标系和数学上的平面直角坐标系有什么区别? 4.什么叫高斯投影?高斯平面直角坐标系是怎样建立的?5.已知某点位于高斯投影6°带第20号带,若该点在该投影带高斯平面直角坐标系中的横坐标y =-306579.210m ,写出该点不包含负值且含有带号的横坐标y 及该带的中央子午线经度0L 。
6.什么叫直线定线?标准方向有几种?什么是坐标方位角?7.某宾馆首层室内地面±0.000的绝对高程为45.300m ,室外地面设计高程为-l.500m ,女儿墙设计高程为+88.200m , 问室外地面和女儿墙的绝对高程分别为多少?8.已知地面上A 点的磁偏角为-3°10′,子午线收敛角为+1°05′,由罗盘仪测得直线AB 的磁方位角为为63°45′,试求直线AB 的坐标方位角=AB α? 并绘出关系略图。
答案:1.通过平均海水面的一个水准面,称大地水准面,它的特点是水准面上任意一点铅垂线都垂直于该点的曲面,是一个重力曲面,其作用是测量工作的基准面。
2.地面点到大地水准面的垂直距离,称为该点的绝对高程。
地面点到假设水准面的垂直距离,称为该点的相对高程。
两点高程之差称为高差。
3.测量坐标系的X 轴是南北方向,X 轴朝北,Y 轴是东西方向,Y 轴朝东,另外测量坐标系中的四个象限按顺时针编排,这些正好与数学坐标系相反。
4、假想将一个横椭圆柱体套在椭球外,使横椭圆柱的轴心通过椭球中心,并与椭球面上某投影带的中央子午线相切,将中央子午线附近(即东西边缘子午线范围)椭球面上的点投影到横椭圆柱面上,然后顺着过南北极母线将椭圆柱面展开为平面,这个平面称为高斯投影平面。
所以该投影是正形投影。
在高斯投影平面上,中央子午线投影后为X 轴,赤道投影为Y 轴,两轴交点为坐标原点,构成分带的独立的高斯平面直角坐标系统。
五、计算题5.已知某点位于高斯投影6°带第20号带,若该点在该投影带高斯平面直角坐标系中的横坐标y =-306579.210m ,写出该点不包含负值且含有带号的横坐标y 及该带的中央子午线经度0L 。
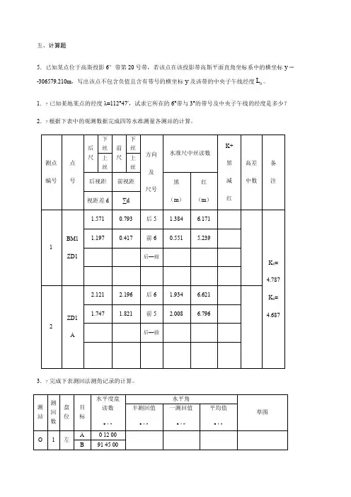
1.? 已知某地某点的经度λ=112°47′,试求它所在的6°带与3°的带号及中央子午线的经度是多少? 2.? 根据下表中的观测数据完成四等水准测量各测站的计算。
测点 编号点 号后尺下丝 前尺下丝 方向 及尺号水准尺中丝读数K+ 黑减红高差中数备注上丝 上丝 后视距 前视距黑(m ) 红(m ) 视距差d ∑d 1BM1 ZD11.5710.793 后5 1.384 6.171K 5= 4.787 K 6= 4.6871.1970.417前60.5515.239后—前2ZD1 A2.121 2.196 后6 1.934 6.6211.747 1.821前52.0086.796后—前3.? 完成下表测回法测角记录的计算。
测站测回数 盘位目标水平度盘读数° ′ ″水平角 草图半测回值° ′ ″一测回值° ′ ″平均值° ′ ″O1左A 0 12 00B91 45 00右 A 180 11 30B 271 45 00 2左 A 90 11 48B 181 44 54 右A 270 12 12B1 45 124.???? 试算置仪器于M 点,用极坐标法测设A 点所需的数据。
已知300°25′17″,X M =14.228m ,Y M =77.564m ,X A =47.337m ,Y A =73.556m ,试计五、计算题1.某工程距离丈量容许误差为1/100万,试问多大范围内,可以不考虑地球曲率的影响。
2.? 调整下列闭合水准路线成果,并计算各点高程。
其中:水准点的高程H BM1=44.313m水准测量成果调整表 测点 测站数高差值高程m备注观测值m 改正数mm 调整值mBM 1N 1N 2N 3N 4BM 1∑实测高差∑h= 已知高差=H终-H始=0高差闭合差f h= 容许闭合差f h容==一个测站的改正数=3.? 完成下表竖直角测量记录计算。
测量学习题及答案一、单项选择题1. 经纬仪不能直接用于测量(B )。
A.水平角;B.点的坐标;C.垂直角;D.视距2. 已知武昌某点经纬度L=97︒20',纬度B=34︒15',它在1:5万地形图中的新编号为(D )。
A.I47D011006;B.H47E011006;C.I47E006011;D.I47E0110063. 观测三角形三个内角后,将它们求和并减去180°所得的三角形闭合差为(B )。
A.中误差;B.真误差;C.相对误差;D.系统误差4. 闭合导线角度闭合差的分配原则是(A )A.反号平均分配;B.按角度大小成比例反号分配;C.任意分配;D.分配给最大角5.已知武昌某点经纬度L=114︒20',纬度B=30︒31',它在1:10万地形图中的新编号为(C )。
A.H50C001003;B.H50D001005;C.H50D005001;D.H50E0040056.竖直角观测时,须将竖盘指标水准管气泡居中,其目的是( C )A.使竖盘指标差为零;B.使竖盘竖直;C.使竖盘读数指标处于正确位置;D.使横轴水平。
7.在B点上安置经纬仪测水平角∠ABC,盘左时,测得A点读数为120︒01'12",测得C 点读数为28︒15'48",则上半测回角值为( B )。
A.91︒45'24";B.268︒14'36";C.148︒17'00";D.91︒14'36"8. 对某一量进行观测后得到一组观测,则该量的最或是值为这组观测值的(B )。
A.最大值;B.算术平均值;C.最小值;D.任意一个值均可9. 系统误差具有的特点为( C )。
A.偶然性;B.统计性;C.累积性;D.抵偿性10. 任意两点之间的高差与起算水准面的关系是( A )。
A.不随起算面而变化B.随起算面变化C.总等于绝对高程D.无法确定11. 测量工作的基准线是(C )。
测量学考试题及答案一、选择题(每题2分,共20分)1. 测量学中,用于确定地面点位置的三个基本元素是什么?A. 经度、纬度、高程B. 距离、方位、高程C. 经度、纬度、时间D. 速度、时间、高程答案:A2. 以下哪个不是测量误差的来源?A. 仪器误差B. 观测者误差C. 环境误差D. 测量方法答案:D3. 在测量学中,三角测量法主要用于什么目的?A. 测量距离B. 测量角度C. 测量高差D. 测量面积答案:B4. 什么是测量学中的基准面?A. 地面B. 海平面C. 地球表面D. 地球赤道面答案:B5. 以下哪个是测量学中常用的测量仪器?A. 望远镜B. 显微镜C. 量角器D. 测高仪答案:C二、填空题(每空1分,共10分)6. 测量学中的误差可以分为系统误差和________。
答案:随机误差7. 测量学中,________是用来描述地面点位置的坐标系统。
答案:笛卡尔坐标系8. 在测量学中,________是指测量结果与真实值之间的差异。
答案:误差9. 测量学中,________是用来测量地面点之间距离的方法。
答案:测距仪10. 测量学中,________是用来测量地面点高程的方法。
答案:水准仪三、简答题(每题5分,共20分)11. 简述测量学中的误差分析的重要性。
答案:误差分析在测量学中至关重要,因为它帮助我们评估测量结果的可靠性和精确度。
通过误差分析,我们可以识别和量化误差的来源,从而采取措施减少误差,提高测量结果的准确性。
此外,误差分析还有助于评估测量结果的不确定性,为后续的数据处理和决策提供依据。
12. 描述一下测量学中的三角测量法的基本原理。
答案:三角测量法是一种利用三角形的几何特性来确定地面点位置的方法。
它通常涉及测量两个已知位置的点(基准点)与待测点之间的角度,然后利用三角函数计算出待测点与已知点之间的距离。
通过这种方法,可以确定待测点在平面上的位置。
13. 解释什么是测量学中的水准测量。
测量学考试题及答案一、选择题1. 测量学中,用于确定地面点位的三个基本要素是()。
A. 高程、方位角、距离B. 经度、纬度、高程C. 距离、方位、俯仰角D. 经纬度、方位角、高程答案:B2. 测量中,水准测量的主要目的是()。
A. 测量角度B. 测量距离C. 测量高程D. 测量面积答案:C3. 以下哪个不是测量误差的来源?()。
A. 仪器误差B. 观测误差C. 计算误差D. 地质变动答案:D4. 在测量学中,三角测量法主要用于()。
A. 测量小范围的地形B. 测量大范围的地形C. 测量建筑物的对角线D. 测量水下物体的位置答案:B5. 测量中使用的全站仪,其主要功能不包括()。
A. 测量水平角B. 测量竖直角C. 测量高程D. 计算体积答案:D二、填空题1. 在测量学中,________是用来表示地球表面某一点的位置的经纬度坐标系统。
答案:地理坐标系2. 测量学中的视距测量法,通常用于________距离的测量。
答案:较短3. 测量误差分为系统误差和随机误差,其中系统误差可以通过________来消除或减小。
答案:校准4. 在水准测量中,为了消除仪器和观测者的误差,通常采用________的方法。
答案:往返观测5. 测量学中的导线测量是一种常用的平面控制测量方法,它通过________来确定点位。
答案:连续的三角形三、简答题1. 简述测量学中的闭合导线测量的原理及其优点。
答:闭合导线测量是指从一个已知点出发,经过一系列未知点后,最终返回到起点所进行的测量。
其原理是通过测量每一段边长和每一个转折角来确定未知点的位置。
闭合导线的优点在于可以检测和校正测量过程中的误差,提高测量的准确性。
2. 说明水准测量中水准尺的作用及其使用注意事项。
答:水准尺是水准测量中用于读取高程读数的工具。
使用时应注意保持水准尺竖直,避免晃动或倾斜,以确保读数的准确性。
同时,应保证水准尺的刻度清晰可见,避免反光或遮挡。
四、计算题1. 给定两点A和B的坐标分别为A(1km, 2km)和B(4km, 6km),计算这两点之间的水平距离。
测量学试题及答案一、选择题(每题2分,共20分)1. 测量学中最基本的测量元素是:A. 距离B. 方向C. 高程D. 角度2. 测量学中,水准测量的目的是:A. 确定两点的水平距离B. 确定两点的高差C. 确定两点的相对位置D. 确定两点的绝对高度3. 以下哪项不是测量误差的来源?A. 仪器误差B. 观测者误差C. 环境误差D. 计算误差4. 测量学中,三角高程测量的基本原理是:A. 利用三角函数计算高差B. 利用勾股定理计算距离C. 利用相似三角形计算高差D. 利用角度测量确定高差5. 在测量学中,全站仪的主要功能是:A. 测量水平距离B. 测量高程C. 测量角度和距离D. 测量面积二、填空题(每空2分,共20分)6. 测量学中的平面直角坐标系通常采用_________坐标系。
7. 测量学中,测量误差可以分为系统误差和_________误差。
8. 测量学中,测量数据的精度通常用_________来表示。
9. 测量学中,测量的基本方法包括直接测量和_________测量。
10. 测量学中,测量误差的传递规律遵循_________定律。
三、简答题(每题10分,共30分)11. 简述测量学中误差的分类及其特点。
12. 描述水准测量的基本原理及其在实际中的应用。
13. 解释三角测量在地形测量中的应用及其重要性。
四、计算题(每题15分,共30分)14. 给定两个点A和B,已知A点坐标为(100, 200),B点相对于A点的方位角为45°,水平距离为50米。
求B点的坐标。
15. 给定一个三角形ABC,已知A点坐标为(100, 200),B点坐标为(300, 200),C点相对于B点的方位角为120°,且BC边长为100米。
求C点的坐标。
测量学试题答案一、选择题1. 答案:D. 角度2. 答案:B. 确定两点的高差3. 答案:D. 计算误差4. 答案:C. 利用相似三角形计算高差5. 答案:C. 测量角度和距离二、填空题6. 答案:笛卡尔7. 答案:随机8. 答案:中误差9. 答案:间接10. 答案:误差传播三、简答题11. 答案:测量误差可以分为系统误差和随机误差。
计算题库及参考答案1、设A 点高程为15.023m ,欲测设设计高程为16.000m 的B 点,水准仪安置在A 、B 两点之间,读得A 尺读数a=2.340m ,B 尺读数b 为多少时,才能使尺底高程为B 点高程。
【解】水准仪的仪器高为=iH 15.023+2.34=17.363m ,则B 尺的后视读数应为b=17.363-16=1.363m ,此时,B 尺零点的高程为16m 。
2、在1∶2000地形图上,量得一段距离d =23.2cm ,其测量中误差=dm ±0.1cm ,求该段距离的实地长度D 及中误差Dm 。
【解】==dM D 23.2×2000=464m ,==dD Mm m 2000×0.1=200cm=2m 。
3、已知图中AB 的坐标方位角,观测了图中四个水平角,试计算边长B →1,1→2,2→3,3→4的坐标方位角。
【解】=1B α197°15′27″+90°29′25″-180°=107°44′52″=12α107°44′52″+106°16′32″-180°=34°01′24″ =23α34°01′24″+270°52′48″-180°=124°54′12″ =34α124°54′12″+299°35′46″-180°=244°29′58″ 4、在同一观测条件下,对某水平角观测了五测回,观测值分别为:39°40′30″,39°40′48″,39°40′54″,39°40′42″,39°40′36″,试计算:① 该角的算术平均值——39°40′42″; ② 一测回水平角观测中误差——±9.487″;③ 五测回算术平均值的中误差——±4.243″。
测量学考试题及答案一、选择题(每题2分,共20分)1. 测量学中,用来表示地面点位置的坐标是()。
A. 直角坐标系B. 极坐标系C. 球面坐标系D. 地心坐标系答案:B2. 在测量学中,水准仪的主要作用是()。
A. 测量角度B. 测量距离C. 测量高差D. 测量方位答案:C3. 测量学中的“水准”指的是()。
A. 水平面B. 垂直面C. 倾斜面D. 倾斜线答案:A4. 测量学中,用于确定直线方向的仪器是()。
A. 经纬仪B. 水准仪C. 测距仪D. 全站仪5. 测量学中,用于测量两点间距离的仪器是()。
A. 经纬仪B. 水准仪C. 测距仪D. 全站仪答案:C6. 测量学中,用于测量角度的仪器是()。
A. 经纬仪B. 水准仪C. 测距仪D. 全站仪答案:A7. 在测量学中,测量误差的来源不包括()。
A. 仪器误差B. 人为误差C. 环境误差D. 计算误差答案:D8. 测量学中,测量误差的分类不包括()。
A. 系统误差B. 随机误差C. 绝对误差D. 相对误差答案:C9. 测量学中,用于测量点的高程的仪器是()。
B. 水准仪C. 测距仪D. 全站仪答案:B10. 在测量学中,测量误差的分类包括()。
A. 系统误差B. 随机误差C. 绝对误差D. 所有以上选项答案:D二、填空题(每题2分,共20分)1. 测量学中,用于测量角度的仪器是______。
答案:经纬仪2. 测量学中,用于测量距离的仪器是______。
答案:测距仪3. 测量学中,用于测量高程的仪器是______。
答案:水准仪4. 测量学中,用于确定直线方向的仪器是______。
答案:经纬仪5. 测量学中,测量误差的来源包括______、______和______。
答案:仪器误差、人为误差、环境误差6. 测量学中,测量误差的分类包括______和______。
答案:系统误差、随机误差7. 测量学中,用于测量两点间距离的仪器是______。
答案:测距仪8. 测量学中,用于测量角度的仪器是______。
测量学试题库一、填空题1.地面点到铅垂距离称为该点的相对高程。
答案:假定水准面2.通过海水面的称为大地水准面。
案:平均水准面3.测量工作的基本内容是、、。
答案:高程测量角度测量距离测量4.测量使用的平面直角坐标是以为坐标原点,为x轴,以为y轴。
答案:两条互相垂直线的交点南北方向的纵轴东西方向的横轴5.地面点位若用地理坐标表示,应为、和绝对高程。
答案:经度纬度6.地面两点间高程之差,称为该两点间的。
答案:高差7.在测量中,将地表面当平面对待,指的是在范围内时,距离测量数据不至于影响测量成果的精度。
答案:100平方千米8.测量学的分类,大致可分为,,,。
答案:大地测量学普通测量学摄影测量学工程测量学9.地球是一个旋转的椭球体,如果把它看作圆球,其半径的概值为 km。
答案:637110.地面点的经度为该点的子午面与所夹的角。
答案:首子午面二面11.地面点的纬度为该点的铅垂线与所组成的角度。
答案:赤道平面12.测量工作的程序是、。
答案:从整体到局部先控制后碎部13.测量学的任务是。
答案:测绘和测设14.直线定向的标准方向有、、。
答案:真子午线方向磁子午线方向坐标纵轴方向15.由方向顺时针转到测线的水平夹角为直线的坐标方位角。
答案:坐标纵轴线北端16.坐标方位角的取值范围是。
答案:0°到360°17.确定直线方向的工作称为,用目估法或经纬仪法把许多点标定在某一已知直线上的工作为。
答案:直线定向直线定线18.距离丈量是用误差来衡量其精度的,该误差是用分子为的形式来表示。
答案:相对 1 分数19.用钢尺平量法丈量距离的三个基本要求是、、。
答案:尺子要拉平标杆要立直且定线要直对点投点和读数要准确20.直线的象限角是指直线与标准方向的北端或南端所夹的角,并要标注所在象限。
答案:锐21.某点磁偏角为该点的方向与该点的方向的夹角。
答案:磁北真北22.某直线的方位角与该直线的反方位角相差。
答案:180°23.地面点的标志,按保存时间长短可分为和。
一、测量学概述1.测量学的任务是什么?2.如何表示地球的形状和大小?3.如何确定地面点位?4.已知某点P的高斯平面直角坐标为XP=2050442.5m,YP=18523775.2m,则该点位于6度带的第几带内?位于该6度带中央子午线的东侧还是西侧?5.上题中,P点所在6度带的中央子午线为多少度?当采用3?分带时,P点所在3度带的中央子午线为多少度?6.何谓绝对高程(海拔)?何谓相对高程(假定高程)?何谓标高?7.测量工作程序的基本原则是什么?8.测量工作有哪些基本观测量?9.水准面曲率对观测量有何影响?10.设有500m长、250m宽的矩形场地,其面积有多少公顷?合多少市亩?11.在半径R=50m的圆周上有一段125m长的圆弧,其所对圆心角为多少弧度?用360°的度分秒制表示时,应为多少?12.有一小角度α=30",设半径R=124m,其所对圆弧的弧长(算至毫米)为多少?13.图1-1中,当β愈小时,直角边b与弧L愈接近。
现设S=100m,要求b与L之差≤1mm,则角度β应≤多少?二、水准测量1.何为1985国家高程基准?水准测量分哪些等级?2.进行水准测量时,为何要求前、后视距离大致相等?3.进行水准测量时,设A为后视点,B为前视点,后视水准尺读数a = 1124,前视水准尺读数b = 1428,则A,B两点的高差h AB=?设已知A点的高程H A=20.016m,则B点的高程H B=?4.水准仪由哪些主要部分构成?各起什么作用?5.用测量望远镜瞄准目标时,为什么会产生视差?如何消除视差?6.试述使用水准仪时的操作步骤。
7.何为水准路线?何为高差闭合差?如何计算容许的高差闭合差?8.图2-54 所示为某一附合水准路线的略图,BM.A和BM.B为已知高程的水准点,BM.1-BM.4为高程待定的水准点。
已知点的高程、各点间的路线长度及高差观测值注明于图中。
试计算高差闭合差和允许高差闭合差,进行高差改正,最后计算各待定水准点的高程。
《测量学》试题库一、填空题:(每小题2分,任抽14小题,计28分)1、测量学是研究地球的形状和大小及确定地面点位置的科学,它的主要内容包括测定和测设两部分。
2、地形测量学是研究测绘地形图的科学,它的研究对象是地球表面。
3、目前测绘界习惯上将遥感(RS)、地理信息系统(GIS)、全球定位系统(GPS)等新技术简称为“3S”技术。
4、铅垂线是测量工作的基准线,大地水准面是测量工作的基准面。
5、人们习惯上将地球椭球体的长半径a和短半径b ,或由一个半径a 和扁率α称为旋转椭球体元素。
6、通过英国格林尼治天文台的子午线,称为首子午线(或起始子午线),垂直于地轴的各平面与地球表面的交线,称为纬线。
7、我国目前采用的平面坐标系为“1980年国家大地坐标系”,高程系统是“1985年国家高程基”。
8、根据钢尺的零分划位置不同将钢尺分成端点尺和刻线尺。
9、地球表面某点的磁子午线方向和真子午线方向之间的夹角称为磁偏角,某点的真子午线北方向与该点坐标纵线北方向之间的夹角,称为子午线收敛角。
10、由标准方向的北端顺时针方向量到某直线的夹角,称为该直线的方位角,直线与标准方向线所夹的锐角称为象限角。
11、方位角的变化范围是0°~360°,而象限角的取值范围为0°~90°。
12、两点间的高程差称为高差,水准测量时高差等于后视读数减去前视读数。
13、水准仪上的水准器是用来指示视准轴是否水平或仪器竖轴是否竖直的装置。
通过水准管零点作水准管圆弧的切线,称为水准管轴。
14、在水准仪粗略整平中,左手拇指旋转脚螺旋的运动方向就是气泡移动的方向。
15、水准测量的测站检核通常采用变更仪器高法或双面尺法。
16、水准测量的实测高差与其理论值往往不相符,其差值称为水准路线的闭合差。
17、6"级光学经纬仪的读数装置常见的有两种,一种是单平板玻璃测微器,另一种是测微尺。
18、水准测量时前后视距大致相等主要是消除端点尺与刻线尺不平行而引起的误差。
测量学计算题及答案 Company number:【0089WT-8898YT-W8CCB-BUUT-202108】五、计算题5.已知某点位于高斯投影6°带第20号带,若该点在该投影带高斯平面直角坐标系中的L。
横坐标y=,写出该点不包含负值且含有带号的横坐标y及该带的中央子午线经度0 1.已知某地某点的经度λ=112°47′,试求它所在的6°带与3°的带号及中央子午线的经度是多少2.根据下表中的观测数据完成四等水准测量各测站的计算。
3.完成下表测回法测角记录的计算。
测站测回数盘位目标水平度盘读数° ′ ″水平角草图半测回值° ′ ″一测回值° ′ ″平均值° ′ ″O 1左A 0 12 00B 91 45 00右A 180 11 30B 271 45 00 2左A 90 11 48B 181 44 54右A 270 12 12B 1 45 124.试算置仪器于M点,用极坐标法测设A点所需的数据。
已知300°25′17″,X M=,Y M=,X A=,Y A=,试计五、计算题1.某工程距离丈量容许误差为1/100万,试问多大范围内,可以不考虑地球曲率的影响。
2.调整下列闭合水准路线成果,并计算各点高程。
其中:水准点的高程H BM1=水准测量成果调整表测点测站数高差值高程m 备注观测值m 改正数mm调整值mBM1N1N2N3N4BM1∑实测高差∑h= 已知高差=H终-H始=0高差闭合差f h= 容许闭合差f h容== 一个测站的改正数=3.完成下表竖直角测量记录计算。
测站目标竖盘位置竖盘读数° ′ ″半测回角值° ′ ″一测回角值° ′ ″指标差竖盘形式O M左81 18 42 全圆式顺时针注记右278 41 30N左124 03 30右235 56 544.一根名义长为30米的钢尺与标准长度比较得实际长为米,用这根钢尺量得两点间距离为米,求经过尺长改正后的距离。
第一章 绪论7、某点的经度为118°45′ ,试计算它所在6°带及3°带的带号,以及中央子午线的经度是多少?答:N=INT(118°45′/6+1)=20 L=20*6-3=117°n=INT(118°45′/3+1)=40 l=40*3=120°第二章 水准测量1、设A 为后视点,B 为前视点;A 点高程是20.016m 。
当后视读数为1.124m ,前视读数为1.428m ,问A 、B 两点高差是多少?B 点比A 点高还是低?B 点的高程是多少?并绘图说明。
答:m h AB 304.0428.1124.1-=-=m H B 712.19304.0016.20=-= B 点比A 点低 7、调整表2-3中附合路线等外水准测量观测成果,并求出各点的高程。
mv h mv h mv h mv h mv h m v h mm f mf m h mh h h AB AB 820.61833067.0715.3551.65H H 551.65633067.0716.2847.62H H 847.62533067.0263.1594.61H H 594.61433067.0121.3723.64H H 723.64333067.0413.2316.62H H 316.62733067.0363.4967.57H H 6886543712067.0852.3919.3 3.9193.715-716.2263.1121.3413.2363.4852.3967.57819.616656554544343323221211A 1=⨯-+-=++==⨯-++=++==⨯-++=++==⨯-+-=++==⨯-++=++==⨯-++=++=±=+++++±==-==++-+=∑=-= 8、调整图2-40所示的闭合水准路线的观测成果,并求出各点的高程。
测 量 学 试 题 库一、填空题(一)测量学基础知识(1-38题) 1. 地面点到 铅垂距离称为该点的相对高程。
2. 通过 海水面的 称为大地水准面。
3. 测量工作的基本内容是 、 、 。
4. 地面两点间高程之差,称为该两点间的 。
5. 测量工作的基本原则是 、 、 。
6. 直线定向的标准方向有 、 、 。
7. 由 方向顺时针转到测线的水平夹角为直线的坐标方位角。
8. 距离丈量的相对误差的公式为 。
9. 坐标方位角的取值范围是 。
10. 直线的象限角是指直线与标准方向的北端或南端所夹的 角,并要标注所在象限。
11. 某直线的方位角与该直线的反方位角相差 。
12. 地面点的标志,按保存时间长短可分为 和 。
13. 闭和水准路线高差闭和差的计算公式为 。
14. 水准仪的主要轴线有 、 、 、 。
15. 一般工程水准测量高程差允许闭和差为 或 。
16. 一测站的高差 ab h为负值时,表示 高, 低。
17. 水准测量高差闭合的调整方法是将闭合差反其符号,按各测段的__________成比例分配或按_________成比例分配。
18. 水准测量的测站校核,一般用______法或______法。
19. 支水准路线,既不是附合路线,也不是闭合路线,要求进行_______测量,才能求出高差闭合差。
20. 使用测量成果时,对未经_______的成果,不能使用。
21. 从A 到B 进行往返水准测量,其高差为:往测3.625m;返测-3.631m,则A 、B 之间的高差AB h ___.22. 已知B点高程为m000.241,A、B点间的高差mh AB 000.1+=,则A点高程为___.23. A 点在大地水准面上,B 点在高于大地水准面100m 的水准面上,则A 点的绝对高程是______,B 点的绝对高程是______。
24. 已知A点相对高程为m 100,B点相对高程为m 200-,则高差=AB h ___;若A点在大地水准面上,则B点的绝对高程为_____.25.在进行水准测量时,对地面上A、B、C点的水准尺读取读数,其值分别为m 325.1,m m 555.1,005.1,则高差.__________,____,===CA BC BA h h h26. 经纬仪的安置工作包括________、___________。
计算题库及参考答案1、设A 点高程为15.023m ,欲测设设计高程为16.000m 的B 点,水准仪安置在A 、B 两点之间,读得A 尺读数a=2.340m ,B 尺读数b 为多少时,才能使尺底高程为B 点高程。
【解】水准仪的仪器高为=i H 15.023+2.23=17.363m ,则B 尺的后视读数应为b=17.363-16=1.363m ,此时,B 尺零点的高程为16m 。
2、在1∶2000地形图上,量得一段距离d =23.2cm ,其测量中误差=d m ±0.1cm ,求该段距离的实地长度D 及中误差D m 。
【解】==dM D 23.2×2000=464m ,==d D Mm m 2000×0.1=200cm=2m 。
3、已知图中AB 的坐标方位角,观测了图中四个水平角,试计算边长B →1,1→2,2→3,3→4的坐标方位角。
【解】=1B α197°15′27″+90°29′25″-180°=107°44′52″=12α107°44′52″+106°16′32″-180°=34°01′24″=23α34°01′24″+270°52′48″-180°=124°54′12″=34α124°54′12″+299°35′46″-180°=244°29′58″4、在同一观测条件下,对某水平角观测了五测回,观测值分别为:39°40′30″,39°40′48″,39°40′54″,39°40′42″,39°40′36″,试计算:① 该角的算术平均值——39°40′42″; ② 一测回水平角观测中误差——±9.487″; ③ 五测回算术平均值的中误差——±4.243″。
五、计算题5.已知某点位于高斯投影6°带第20号带,若该点在该投影带高斯平面直角坐标系中的横坐标y=-306579.210m,写出该点不包含负值且含有带号的横坐标y及该带的中央子午线经度L。
1.已知某地某点的经度λ=112°47′,试求它所在的6°带与3°的带号及中央子午线的经度是多少?2.根据下表中的观测数据完成四等水准测量各测站的计算。
测点编号点号后尺下丝前尺下丝方向及尺号水准尺中丝读数K+黑减红高差中数备注上丝上丝后视距前视距黑(m)红(m)视距差d∑d1BM1ZD11.5710.793后5 1.384 6.171K5=4.787K6=4.687 1.1970.417前60.5515.239后—前2 2.121 2.196后6 1.934 6.621ZD1 A 1.747 1.821前5 2.008 6.796后—前3.完成下表测回法测角记录的计算。
测站测回数盘位目标水平度盘读数° ′ ″水平角草图半测回值° ′ ″一测回值° ′ ″平均值° ′ ″O 1左A0 12 00B91 45 00右A180 11 30B271 45 00 2左A90 11 48B181 44 54右A270 12 12B 1 45 124.试算置仪器于M点,用极坐标法测设A点所需的数据。
已知300°25′17″,X M=14.228m,Y M=77.564m,X A=47.337m,Y A=73.556m,试计五、计算题1.某工程距离丈量容许误差为1/100万,试问多大范围内,可以不考虑地球曲率的影响。
2.调整下列闭合水准路线成果,并计算各点高程。
其中:水准点的高程H BM1=44.313m水准测量成果调整表测点测站数高差值高程m 备注观测值m改正数mm调整值mBM1N1N2N3N4BM1∑实测高差∑h= 已知高差=H终-H始=0高差闭合差f h= 容许闭合差f h容==一个测站的改正数=3.完成下表竖直角测量记录计算。
测站目标竖盘位置竖盘读数° ′ ″半测回角值° ′ ″一测回角值° ′ ″指标差竖盘形式O M左81 18 42全圆式顺时针注记右278 41 30N左124 03 30右235 56 544.一根名义长为30米的钢尺与标准长度比较得实际长为30.012米,用这根钢尺量得两点间距离为264.580米,求经过尺长改正后的距离。
5.已知下列左角和右角,试计算线路的转角α,并说明路线是左转角还是右转角。
1)左角:β1=170°24′30″;2)右角:β2=165°2五、计算题1.丈量两段距离,一段往测为126.78米,返测为126.68米,另一段往测、返测分别为357.23米和357.33米。
问哪一段丈量的结果比较精确?为什么?两段距离丈量的结果各等于多少?2.完成下列附合水准路线的成果调整表。
点名测站数实测高差(m)改正数(mm)改正后高差(m)高程(m)A16+3.33443.564114-2.41828-0.389313-2.053B41.987∑辅助计算:3.计算下图各边的方位角、反方位角和象限角。
计算结果:α23=α32=R23=α34=α43=R34=α42=α24=R42=4.完成下表中平测量记录的计算。
测点水准尺读数(m)视线高程(m)高程(m)备注后视中视前视BM5 1.426417.628K4+9800.87K5+000 1.56+020 4.25+040 1.62+060 2.30ZD10.876 2.402+080 2.42+092.4 1.87+1000.32ZD2 1.286 2.004+120 3.15+140 3.04+1600.94+180 1.88+200 2.00ZD3 2.1865.等精度观测某四边形各内角为,每个角的观测中误差均为,设四边形角度闭合差为,为了消除闭合差,将其平均分配到各角中得改正后的角度为,,和,求角度闭合差的中误差和改正后的角度中误差。
五、计算题1.设丈量了两段距离,结果为:l1=528.46m±0.21m ;l2=517.25m±0.16m 。
试比较这两段距离之和及之差的精度。
2.已知αCB=290°50′10″,如图所示,求αAB 、αED 。
3.闭合导线的观测数据和已知数据如表所示,试求B、C、D三点的坐标。
(取为至㎝)点号坐标方位角距离(m)增量计算值(m)改正后增量(m)坐标值△x△y△x△y x yA125°30′30″105.22500.000500.000 B53°18′43″80.18C306°19′15″129.34D215°53′17″78.16A∑辅助计算:f x=f y=f D=K=XDA d ABCB4.如图,仪器安置在A点,要测定M点的距离和高程,今测得仰角α=17°02′,视距间隔=1.37m,量得仪器高i=1.32m,目标高l=2.00m,已知A点高程为HA=80.643m,试计算两点间的水平距离和M点高程。
五、计算题1.设拟测设AB的水平距离D0=18m,经水准测量得相邻桩之间的高差h=0.115m。
精密丈量时所用钢尺的名义长度L0=30m,实际长度L=29.997m,膨胀系数α=1.25×10-5,检定钢尺时的温度t=20℃。
求在4℃环境下测设时在地面上应量出的长度D。
2.完成下列碎部测量手簿的计算测站高程HO=65.321m 仪器高i=1.542m 指标差x=-1´测站点碎部点视距读数m中丝读数m竖盘读数° ´水平角° ´竖直角° ´水平距离m高差m高程mO P0.325 1.23691 0665 24 3.如图,已知αAB=150°30′42 ″,αCD=28°44′02″ ,试计算附合导线各边的方位角。
(fβ=±40″)容4.已知M、N为已知控制点, XM=15.245m,YM=56.356m,XN=34.235m,YN=34.791m,P 点为测设点,XP=43.784m,YP=100.006m,现以M点为测站点,N为后视点,用极坐标法测设P点,试:(1)计算测设所需的元素β、D;(2)简述测设的步骤;五、计算题1.完成下列竖直角测量的计算测站盘位目标竖盘读数° ´ "半测回角值° ´ "一测回角值° ´ "备注O左A112 09 54右A247 50 302.根据下图所示水准路线中的数据,计算P、Q点的高程。
3.如图所示,三角形的三个观测值列于图上,已知:αCB=124°15′,求αBA和αCA。
4.已知交点的里程为K3+182.76,测得转角αy=25°48′,圆曲线半径R=300m,求曲线测设元素及主点里程。
五、计算题1.完成下列附合水准的内业计算测点测站数高差栏高程备注观测值m改正数mm改正后高差mBM156.3247 3.56419-11.23123 6.589311 3.25448 5.247BM263.785Σ辅助计算:fh=fh允=±12=精度评定:2.完成下列测回法测水平角的计算测站盘位目标水平方向读数° ´ "半测回角值° ´ "一测回角值° ´ "备注∠AOBO 左A0 01 06B181 09 54右A180 00 54B 1 10 003.视距测量中, 已知测站点HO=65.349m,量得仪器高i=1.457m,测点为P点,观测得:视距读数为0.492m,中丝读数为1.214m,竖盘读数为95°06´(顺时钟注记),竖盘指标差为+1´,计算平距和P点的高程。
4.如图,已知点1(56.241,31.021)m,点2(78.149,69.473)m,D23=112.230m,β2=112°25´06 ",β3=109°24´54 ",β4=89°54´30 ",试求: α23、α34、α45、及点3的坐标。
5.已知M、N为已知控制点, XM=15.245m,YM=56.356m,XN=34.235m,YN=34.791m,P 点为测设点,XP=43.784m,YP=100.006m,现以M点为测站点,N为后视点,用极坐标法测设P点,试:(1)计算测设所需的元素β、D;(2)简述测设的步骤;五、计算题2.完成下列碎部测量手簿的计算测站高程H O=65.321m 仪器高i=1.542m 指标差x=-1´测站点碎部点视距间隔读数m中丝读数m竖盘读数° ´水平角° ´竖直角° ´水平距离m高差m高程m 点名路线长度(Km)实测高差(m)改正数(mm)改正后高差(m)高程(m)A8.0+3.33443.56417.0-2.41824.0-0.38936.5-2.053B41.987∑辅助计算:OP 0.325 1.23691 0665 24Q0.582 1.51388 2598 303.如图所示,已知,,观测角为:,,,求方位角。
五、计算题1.下列为测回法观测水平角记录,请完成表中各项计算(计算取到秒)。
测站竖盘位置测点水平度盘读数半测回角值一则回角值各测回平均角值º ′ ″º ′ ″º ′ ″º ′ ″O 左A0 05 30B120 18 24右A180 05 42B300 18 30O 左A90 04 18B210 17 06右A270 04 24B30 17 242.完成下列碎部测量手簿的计算。
测站高程H O=65.321m 仪器高i=1.542m 指标差x=-60″测站点碎部点视距间隔读数m中丝读数m竖盘读数° ´水平角° ´竖直角° ´水平距离m高差m高程mOP0.325 1.23691 0665 24Q0.582 1.51388 2598 303.已知,请按图中所注观测角值推算BC,CD,DE边方位角。
BCD4.完成下列闭合导线计算表,取位到mm。
点名坐标方位角°′″距离(m)△X(m)△Y(m)改正后△X(m)改正后△Y(m)坐标(m)X Y1125 3000105.330-61.165500.000500.000253 184280.180+64.2963306 1914129.340+76.6084215 531678.160-45.8171500.000500.000∑辅助计算:41略图:5.如图所示,水准点BM0的高程为44.856米,1,2,3点为待求高程点,各测段高差及测站数均标注图中,图中箭头表示水准测量前进方向,试计算各点高程。