推荐施工技术文本资料审查表(填写实例)(精华)
- 格式:doc
- 大小:90.50 KB
- 文档页数:10
建筑工程施工过程文件审查表引言:建筑工程的施工过程中,文件的审查是确保项目进展顺利、合规的重要环节。
本文将介绍建筑工程施工过程文件审查表的编制和使用方法。
一、审查表的目的和适用范围建筑工程施工过程文件审查表旨在对施工过程中的各类文件进行审核和评估,确保文件的准确性、完整性以及与相关法规、规范的一致性。
本审查表适用于所有建筑工程施工过程文件的审查。
二、审查表的内容和要求1. 文件基本信息审查表应包含文件的基本信息,如文件名称、编制单位、编制人员、审核日期等。
确保所有文件均得以正确标识,并方便查阅和管理。
2. 文件性质和目的审查表应明确文件的性质和目的,如施工计划、质量控制方案、安全生产措施等。
文件性质和目的的准确定义有利于审查人员对文件进行准确的评估和审核。
3. 文件内容要求审查表应列出文件的内容要求,如文件的标题、各项内容内容是否清晰明确、逻辑严谨、是否满足相关法规、规范的要求等。
明确文件的内容要求有助于提高文件的质量和有效性。
4. 文件编制流程审查表应包括文件的编制流程,如文件的起草、审核、批准、发布等流程。
确保文件的编制符合标准化程序,并能够追踪文件的整个生命周期。
5. 文件归档和管理审查表应明确文件的归档和管理要求,如文件的编号方式、存档位置、保管责任等。
确保文件能够被正确归档和管理,方便后续查阅和追溯。
三、审查表的使用方法1. 制定审查计划在施工过程开始前,根据施工进度和文件编制进度,制定审查计划,并明确审查各类文件的时间节点和标准。
2. 文件审查按照审查计划,对施工过程中的各类文件进行评估和审核。
根据审查表的要求,逐项进行检查,确认文件的准确性和合规性。
3. 缺陷整改如发现文件存在缺陷或不符合要求的地方,及时通知文件编制人员进行整改。
确保文件能够及时修订和完善。
4. 审查结果记录对每一份文件进行审查后,记录审查结果。
包括审核通过、需整改、未通过等情况,并明确整改措施和责任人。
5. 反馈和复查将审查结果反馈给文件编制人员,并要求其按照要求进行整改。
工程施工评审表一、项目信息项目名称:某某工程项目项目地点:某某省某某市项目业主:某某公司总包单位:某某建设集团监理单位:某某监理有限公司设计单位:某某设计院二、审查对象1. 审查范围本次施工评审主要针对某某工程项目的施工方案、施工进度计划、质量计划、安全计划、环保计划等相关内容进行评审。
2. 审查对象施工方案、施工进度计划、质量计划、安全计划、环保计划等相关文件及资料。
三、评审内容1. 施工方案1.1 施工组织设计是否合理、科学。
1.2 施工方法是否符合工程实际,是否安全可行。
1.3 施工技术措施是否健全,是否能够保证工程建设质量。
1.4 施工进度计划是否合理,是否符合竣工时间要求。
1.5 施工人员安排是否合理,是否能够保证施工进度。
2. 质量计划2.1 质量控制措施是否到位,是否符合相关标准要求。
2.2 质量验收标准是否明确,是否符合法规要求。
2.3 施工质量保证措施是否完善,是否能够保证工程质量。
3. 安全计划3.1 安全生产措施是否健全,是否能够保证施工安全。
3.2 施工现场安全管理是否到位,是否符合法规要求。
3.3 安全生产培训是否充分,是否合乎要求。
4. 环保计划4.1 施工过程中对环境的保护措施是否到位,是否符合环保法规要求。
4.2 施工废弃物处理方案是否完善,是否能够保证环境保护。
四、评审结果1. 施工方案1.1 施工组织设计合理,施工方法科学可行。
1.2 施工技术措施健全,能够保证施工质量。
1.3 施工进度计划合理,能够保证竣工时间要求。
1.4 施工人员安排合理,能够保证施工进度。
2. 质量计划2.1 质量控制措施到位,符合相关标准要求。
2.2 质量验收标准明确,符合法规要求。
2.3 施工质量保证措施完善,能够保证工程质量。
3. 安全计划3.1 安全生产措施健全,能够保证施工安全。
3.2 施工现场安全管理到位,符合法规要求。
3.3 安全生产培训充分,合乎要求。
4. 环保计划4.1 施工过程中对环境的保护措施到位,符合环保法规要求。
超级链接目录一、土建工程资料表格001施工现场质量管理检查记录-----------------------------------0 002单位(子单位)工程质量竣工验收记录----------------------------0 003单位(子单位)工程质量控制资料核查记录-------------------------0 004单位(子单位)工程安全和功能检验------------------------------0 005单位(子单位)工程观感质量检查记录----------------------------0 006设计变更汇总记录--------------------------------------------0 007工程洽商记录------------------------------------------------0 008建筑物定位测量验收记录--------------------------------------0 009桩基定位测量验收记录----------------------------------------0 010轴线及标高测量放线验收记录-----------------------------------0 ㈠预应力混凝土施工资料表格011钢筋力学性能检验报告----------------------------------------0 012钢型材力学性能检验报告--------------------------------------0 013钢筋化学成分检验报告----------------------------------------0 014冷拔钢丝力学性能检验报告------------------------------------0 015冷轧带肋钢筋力学性能检验报告----------------------------------0 016钢绞线检验报告----------------------------------------------0 017钢绞线-锚具组装件静载锚固性能检验报告-----------------------0 018预应力钢绞线松弛性能检验报告--------------------------------0 019锚具布氏硬度测试报告----------------------------------------0 020锚具洛氏硬度测试报告----------------------------------------0 021预应力混凝土用金属螺旋管检验报告----------------------------0 022预应力锚环表面磁粉探伤检验报告------------------------------0 ㈡原材料检验资料表格023水泥强度、物理性能检验报告------------------------------0 024砌墙砖检验报告----------------------------------------------0 025普通混凝土用砂检验报告--------------------------------------0 026碎石或卵石检验报告------------------------------------------0 027外加剂检测报告----------------------------------------------0 028普通减水剂检测结果------------------------------------------0 029高效减水剂检测结果------------------------------------------0 030早强剂检测结果----------------------------------------------0 031早强减水剂检测结果------------------------------------------0 032缓凝剂检测结果----------------------------------------------0 033缓凝减水剂检测结果------------------------------------------0034缓凝高效减水剂检测结果--------------------------------------0 035引气剂检测结果----------------------------------------------0 036引气减水剂检测结果------------------------------------------0 037泵送剂检测结果----------------------------------------------0 038膨胀剂检测结果----------------------------------------------0 039砂浆防水剂检测结果------------------------------------------0 040混凝土防水剂检测结果----------------------------------------0 041粉煤灰检验报告----------------------------------------------0 042粒化高炉矿渣粉检验报告--------------------------------------0 043防水卷材检测报告--------------------------------------------0 044防水卷材检测结果--------------------------------------------0 045防水涂料检测报告--------------------------------------------0 046防水涂料检测结果--------------------------------------------0 047合成高分子防水卷材检测报告----------------------------------0 048合成高分子防水卷材检测结果------------------------------0 049隔热保温材料检测报告----------------------------------------0 050建筑涂料检测报告--------------------------------------------0 051建筑外墙腻子检测报告----------------------------------------0 052单位工程材料用料汇总表--------------------------------------0 ㈢施工试验资料表格053含水率、密度试验检验报告------------------------------------0 054密度检验报告(灌水法)--------------------------------------0 055密度检验报告(灌砂法)--------------------------------------0 056土壤击实检验报告--------------------------------------------0 057砂相对密度检验报告------------------------------------------0 058土壤压实度检验报告------------------------------------------0 059砂浆配合比设计报告------------------------------------------0 060砂浆试块抗压强度检验报告------------------------------------0 061砼配合比设计报告--------------------------------------------0 062砼试件强度检验报告------------------------------------------0 063芯样抗压强度检验报告----------------------------------------0 064砼抗渗性能检验报告------------------------------------------0 065钢筋电弧焊、电渣压力焊检验报告------------------------------0 066钢筋闪光对焊、气压焊检验报告--------------------------------0 067钢筋机械连接检验报告----------------------------------------0 068见证取样、送检记录------------------------------------------0 069建筑地面、屋面坡度检查记录----------------------------------0 ㈣基础工程、桩基工程施工资料表格070地基验槽(复验)记录----------------------------------------0071钢筋及预埋件隐蔽验收记录------------------------------------0 072隐蔽工程验收记录--------------------------------------------0 073工程定位测量检查记录----------------------------------------0 074地基钎探记录------------------------------------------------0 075地基处理综合描述--------------------------------------------0 076重锤夯实试夯记录--------------------------------------------0 077重锤夯实施工记录--------------------------------------------0 078强夯施工记录------------------------------------------------0 079强夯施工记录汇总表------------------------------------------0 080试桩记录----------------------------------------------------0 081振冲地基施工记录--------------------------------------------0 082高压喷射注浆地基施工记录------------------------------------0 083水泥土搅拌桩地基施工记录------------------------------------0 084锤击预制桩施工记录------------------------------------------0 085锤击预制桩施工记录汇总表------------------------------------0 086静压预制桩施工记录------------------------------------------0 087静压预制桩施工汇总表----------------------------------------0 088钻(挖)孔灌注桩成孔质量检查记录----------------------------0 089水下砼灌注记录汇总表----------------------------------------0 090冲(钻)孔桩施工记录----------------------------------------0 091冲(钻)孔桩施工记录汇总表---------------------------------0 092静压沉管(扩底)灌注桩施工记录------------------------------0 093静压沉管灌注桩汇总表----------------------------------------0 094人工挖孔桩施工记录------------------------------------------0 095人工挖孔灌注桩施工记录汇总表--------------------------------0 ㈤混凝土施工资料表格096预检工程检查记录--------------------------------------------0 097大体积砼养护测孔平面图--------------------------------------0 098大体积砼测温记录--------------------------------------------0 099混凝土开盘鉴定----------------------------------------------0 100混凝土工程(现场搅拌)施工记录------------------------------0 101混凝土工程(预拌)施工记录----------------------------------0 102烟(风)道、垃圾道施工记录----------------------------------0 103结构吊装记录------------------------------------------------0 104预应力张拉记录(一)----------------------------------------0 105预应力张拉记录(二)----------------------------------------0 106有粘结预应力结构灌浆记录------------------------------------0 ㈥成品、半成品合格证及施工检测资料表格107预制混凝土构件出厂合格证------------------------------------0108钢构件出厂合格证--------------------------------------------0 109钢门窗合格证------------------------------------------------0 110木门窗合格证------------------------------------------------0 111铝合金门窗合格证--------------------------------------------0 112塑钢门窗合格证----------------------------------------------0 113建筑幕墙构件合格证------------------------------------------0 114预拌混凝土出厂合格证----------------------------------------0 115地基承载力试验报告------------------------------------------0 116单桩竖向抗压静载检测报告------------------------------------0 117单桩竖向抗压静载试验记录------------------------------------0 118单桩竖向抗拔静载检测报告------------------------------------0 119单桩水平静载检测报告----------------------------------------0 120单桩水平静载试验记录----------------------------------------0 121钻芯法检测现场操作记录--------------------------------------0 122钻芯法检测芯样编录表----------------------------------------0 123钻芯法检测芯样综合柱状图------------------------------------0 124基桩低应变法检测报告----------------------------------------0 125基桩高应变法检测现场记录------------------------------------0 126基桩高应变法检测报告----------------------------------------0 127结构实体钢筋保护层厚度检验报告------------------------------0 ㈦钢结构工程资料表格128钢材原材料检验报告------------------------------------------0 129钢材原材料力学性能、工艺性能检验结果------------------------0 130钢材原材料夏比缺口冲击试验检验结果--------------------------0 131钢材原材料化学成分检验结果----------------------------------0 132高强度大六角头螺栓连接副扭矩系数检验报告--------------------0 133扭剪型高强度螺栓连接副预拉力检验报告------------------------0 134螺栓连接副拉力荷载检验报告----------------------------------0 135高强度螺栓洛氏硬度检验报告----------------------------------0 136钢结构焊缝超声波检验报告------------------------------------0 137钢网架焊接球节点力学性能检验报告----------------------------0 138金属表面磁粉探伤检验报告------------------------------------0 139钢网架螺栓球节点螺栓球拉力荷载检验报告----------------------0 140钢网架螺栓球节点杆件拉力荷载检验报告------------------------0 141钢材焊接工艺评定报告----------------------------------------0 142钢材焊接接头焊缝表面质量磁粉探伤检验结果--------------------0 143钢材焊接接头焊缝内部缺陷超声波探伤检验结果------------------0 144钢材焊接接头力学性能、工艺性能检验结果----------------------0 145钢材焊接接头夏比缺口冲击试验检验结果------------------------0146钢结构焊缝尺寸检验报告--------------------------------------0 147钢结构焊缝外观检验报告--------------------------------------0 148钢结构焊钉弯曲试验报告--------------------------------------0 149高强度螺栓连接副连接摩擦面抗滑移系数检验报告----------------0 150螺栓连接副施工扭矩检验报告----------------------------------0 151钢结构主体结构整体垂直度检验报告----------------------------0 152钢结构主体结构整体平面弯曲检验报告--------------------------0 153钢结构涂(镀)层厚度检验报告----------------------------------0 ㈧检验批质量验收记录表格①基础与基础检验批表格154土方开挖工程检验批质量验收记录------------------------------0 155土方回填工程检验批质量验收记录------------------------------0 156排桩墙支护工程检验批质量验收记录(重复使用钢板桩)-------0 157排桩墙支护工程检验批质量验收记录(混凝土板桩)--------------0 158降水与排水工程检验批质量验收记录----------------------------0 159地下连续墙工程检验批质量验收记录----------------------------0 160锚杆及土钉墙支护工程检验批质量验收记录----------------------0 161加筋水泥土桩墙支护工程检验批质量验收记录--------------------0 162沉井与沉箱工程检验批质量验收记录----------------------------0 163钢或混凝土支撑工程检验批质量验收记录------------------------0 164灰土地基工程检验批质量验收记录------------------------------0 165砂和砂石地基工程检验批质量验收记录--------------------------0 166土工合成材料地基工程检验批质量验收记录----------------------0 167粉煤灰地基工程检验批质量验收记录----------------------------0 168强夯地基工程检验批质量验收记录------------------------------0 169振冲地基工程检验批质量验收记录------------------------------0 170砂桩地基工程检验批质量验收记录------------------------------0 171预压地基工程检验批质量验收记录------------------------------0 172高压喷射注浆地基工程检验批质量验收记录----------------------0 173土和灰土挤密桩复合地基工程检验批质量验收记录----------------0 174注浆地基工程检验批质量验收记录------------------------------0 175水泥粉煤灰碎石桩复合地基工程检验批质量验收记录--------------0 176夯实水泥地桩复合地基工程检验批质量验收记录------------------0 177水泥土搅拌桩地基工程检验批质量验收记录----------------------0 178静力压桩工程检验批质量验收记录------------------------------0 179预应力管桩工程检验批质量验收记录----------------------------0 180混凝土预制桩(钢筋骨架)工程检验批质量验收记录--------------0 181混凝土预制桩工程检验批质量验收记录--------------------------0 182钢桩(成品)工程检验批质量验收记录--------------------------0183钢桩施工工程检验批质量验收记录表----------------------------0 184混凝土灌注桩(钢筋笼)工程检验批质量验收记录----------------0 185混凝土灌注桩工程检验批质量验收记录--------------------------0 186防水混凝土工程检验批质量验收记录----------------------------0 187水泥砂浆防水层工程检验批质量验收记录------------------------0 188卷材防水层工程检验批质量验收记录----------------------------0 189涂料防水层工程检验批质量验收记录----------------------------0 190金属板防水层工程检验批质量验收记录--------------------------0 191塑料板防水层工程检验批质量验收记录--------------------------0 192细部构造检验批质量验收记录----------------------------------0 193锚喷支护工程检验批质量验收记录------------------------------0 194复合式衬砌工程检验批质量验收记录----------------------------0 195地下连续墙工程检验批质量验收记录----------------------------0 196盾构法隧道工程检验批质量验收记录----------------------------0 197渗排水、盲沟排水工程检验批质量验收记录----------------------0 198隧道、坑道排水工程检验批质量验收记录------------------------0 199预注浆、后注浆工程检验批质量验收记录------------------------0 200衬砌裂缝注浆工程检验批质量验收记录--------------------------0 ②混凝土工程检验批表格201模板安装工程检验批质量验收记录------------------------------0 202预制构件模板工程检验批质量验收记录--------------------------0 203模板拆除工程检验批质量验收记录------------------------------0 204钢筋加工工程检验批质量验收记录------------------------------0 205钢筋安装工程检验批质量验收记录------------------------------0 206钢筋闪光对焊接头检验批质量验收记录--------------------------0 207钢筋电弧焊接头检验批质量验收记录----------------------------0 208钢筋电渣压力焊接头检验批质量验收记录------------------------0 209钢筋气压焊接头检验批质量验收记录----------------------------0 210混凝土原材料及配合比设计检验批质量验收记录------------------0 211混凝土施工工程检验批质量验收记录----------------------------0 212预应力原材料检验批质量验收记录------------------------------0 213预应力制作与安装工程检验批质量验收记录----------------------0 214预应力张拉、放张、灌浆及封锚工程检验批质量验收记录----------0 215现浇结构外观及尺寸偏差检验批质量验收记录--------------------0 216混凝土设备基础外观及尺寸偏差检验批质量验收记录------------------0 217预制构件检验批质量验收记录----------------------------------0 218装配式结构施工工程检验批质量验收记录------------------------0 ③砌体工程检验批表格219砖砌体工程检验批质量验收记录--------------------------------0220混凝土小型空心砌块砌体工程检验批质量验收记录----------------0 221石砌体工程检验批质量验收记录--------------------------------0 222填充墙砌体工程检验批质量验收记录----------------------------0 223配筋砌体工程检验批质量验收记录------------------------------0 ④钢结构与木结构工程检验批表格224钢结构制作(安装)焊接工程检验批质量验收记录----------------0 225焊钉(栓钉)焊接工程检验批质量验收记录----------------------0 226普通紧固件连接工程检验批质量验收记录------------------------0 227高强度螺栓连接工程检验批质量验收记录------------------------0 228钢结构零件、部件加工工程检验批质量验收记录------------------0 229钢网架制作工程检验批质量验收记录----------------------------0 230单层钢结构安装工程检验批质量验收记录------------------------0 231多层及高层钢结构安装工程检验批质量验收记录------------------0 232钢构件组装工程检验批质量验收记录----------------------------0 233钢构件预拼装工程检验批质量验收记录--------------------------0 234钢网架安装工程检验批质量验收记录----------------------------0 235压型金属板工程检验批质量验收记录----------------------------0 236钢结构防腐涂料涂装工程检验批质量验收记录--------------------0 237钢结构防火涂料涂装工程检验批质量验收记录--------------------0 238木屋盖工程检验批质量验收记录--------------------------------0 239胶合木工程检验批质量验收记录表------------------------------0 240轻型木结构(规格材、钉连接)工程检验批质量验收记录--------------0 241木结构防腐、防虫、防火工程检验批质量验收记录----------------0 ⑤地面工程检验批表格242基土垫层工程检验批质量验收记录------------------------------0 243灰土垫层工程检验批质量验收记录------------------------------0 244砂垫层和砂石工程垫层工程检验批质量验收记录------------------0 245碎石垫层和碎砖垫层检验批质量验收记录------------------------0 246三合土垫层工程检验批质量验收记录----------------------------0 247炉渣垫层工程检验批质量验收记录------------------------------0 248水泥混凝土垫层检验批质量验收记录----------------------------0 249找平层工程检验批质量验收记录--------------------------------0 250隔离层工程检验批质量验收记录--------------------------------0 251填充层工程检验批质量验收记录--------------------------------0 252水泥混凝土面层工程检验批质量验收记录------------------------0 253水磨石面层工程检验批质量验收记录----------------------------0 254水泥钢(铁)屑面层工程检验批质量验收记录----------------------0 255防油渗面层工程检验批质量验收记录----------------------------0 256不发火(防爆)面层工程检验批质量验收记录--------------------0257砖面层工程检验批质量验收记录--------------------------------0 258大理石和花岗石面层工程检验批质量验收记录--------------------0 259预制板块面层工程检验批质量验收记录--------------------------0 260料石面层工程检验批质量验收记录------------------------------0 261塑料板面层工程检验批质量验收记录----------------------------0 262活动地板面层工程检验批质量验收记录--------------------------0 263地毯面层工程检验批质量验收记录------------------------------0 264实木地板面层工程检验批质量验收记录--------------------------0 265实木复合地板面层工程检验批质量验收记录----------------------0 266中密度(强化)复合地板面层工程检验批质量验收记录--------------0 267竹地板面层工程检验批质量验收记录----------------------------0 268水泥砂浆面层工程检验批质量验收记录--------------------------0 ⑥装饰与装修工程检验批表格269一般抹灰工程检验批质量验收记录------------------------------0 270装饰抹灰工程检验批质量验收记录------------------------------0 271清水砌体勾缝工程检验批质量验收记录--------------------------0 272木门窗制作工程检验批质量验收记录----------------------------0 273木门窗安装工程检验批质量验收记录----------------------------0 274钢门窗安装工程检验批质量验收记录----------------------------0 275铝合金门窗安装工程检验批质量验收记录------------------------0 276涂色镀锌钢板门窗安装工程检验批质量验收记录------------------0 277塑料门窗安装工程检验批质量验收记录--------------------------0 278特种门安装工程检验批质量验收记录----------------------------0 279门窗玻璃安装工程检验批质量验收记录--------------------------0 280暗龙骨吊顶工程检验批质量验收记录----------------------------0 281明龙骨吊顶工程检验批质量验收记录----------------------------0 282板材隔墙工程检验批质量验收记录------------------------------0 283骨架隔墙工程检验批质量验收记录------------------------------0 284活动隔墙工程检验批质量验收记录------------------------------0 285玻璃隔墙工程检验批质量验收记录------------------------------0 286饰面板安装工程检验批质量验收记录----------------------------0 287饰面砖粘贴工程检验批质量验收记录----------------------------0 288玻璃幕墙工程检验批质量验收记录(一)------------------------0 289玻璃幕墙工程检验批质量验收记录(二)------------------------0 290金属幕墙工程检验批质量验收记录(一)------------------------0 291金属幕墙工程检验批质量验收记录(二)------------------------0 292石材幕墙工程检验批质量验收记录(一)------------------------0 293石材幕墙工程检验批质量验收记录(二)------------------------0 294水性涂料涂饰工程检验批质量验收记录--------------------------0295溶剂型涂料涂饰工程检验批质量验收记录------------------------0 296美术涂饰工程检验批质量验收记录------------------------------0 297裱糊工程检验批质量验收记录----------------------------------0 298软包工程检验批质量验收记录----------------------------------0 299橱柜制作与安装工程检验批质量验收记录------------------------0 300窗帘盒、窗台板和散热器罩制作与安装工程检验批质量验收记录----0 301门窗套制作与安装工程检验批质量验收记录----------------------0 302护栏和扶手制作与安装工程检验批质量验收记录------------------0 303花饰制作与安装工程检验批质量验收记录------------------------0 ⑦屋面工程检验批表格304屋面保温层工程检验批质量验收记录----------------------------0 305屋面找平层工程检验批质量验收记录----------------------------0 306卷材防水层工程检验批质量验收记录----------------------------0 307涂膜防水层工程检验批质量验收记录----------------------------0 308细石混凝土防水层工程检验批质量验收记录----------------------0 309密封材料嵌缝工程检验批质量验收记录--------------------------0 310平瓦屋面工程检验批质验收记录--------------------------------0 311油毡瓦屋面工程检验批质量验收记录----------------------------0 312金属板材屋面工程检验批质量验收记录--------------------------0 313架空屋面工程检验批质量验收记录------------------------------0 314蓄水、种植屋面工程检验批质量验收记录------------------------0 315细部构造检验批质量验收记录----------------------------------0 ⑧分项表格及“两强”评定表格316分项工程质量验收记录----------------------------------------0 317混凝土强度检验评定表(已知方差统计法) -----------------------0 318混凝土强度检验评定表(未知方差统计法) -----------------------0 319混凝土强度检验评定表(非统计法) -----------------------------0 320砂浆强度检验评定表------------------------------------------0 ㈨子分部质量验收记录表格321无支护土方子分部工程质量验收记录----------------------------0 322有支护土方子分部工程质量验收记录----------------------------0 323地基处理子分部工程质量验收记录------------------------------0 324桩基子分部工程质量验收记录----------------------------------0 325地下防水子分部工程质量验收记录------------------------------0 326混凝土工程子分部工程质量验收记录----------------------------0 327砌体基础子分部工程质量验收记录------------------------------0 328劲钢(管)砼子分部工程质量验收记录--------------------------0 329钢结构子分部工程质量验收记录(基础)--------------------------0 330砼结构子分部工程质量验收记录--------------------------------0331劲钢(管)砼结构子分部工程质量验收记录----------------------0 332砌体结构子分部工程质量验收记录------------------------------0 333钢结构子分部工程质量验收记录(主体)--------------------------0 334木结构子分部工程质量验收记录--------------------------------0 335网架和索膜结构子分部工程质量验收记录------------------------0 336地面子分部工程质量验收记录----------------------------------0 337抹灰子分部工程质量验收记录----------------------------------0 338门窗子分部工程质量验收记录----------------------------------0 339吊顶子分部工程质量验收记录----------------------------------0 340轻质隔墙子分部工程质量验收记录------------------------------0 341饰面板(砖)子分部工程质量验收记录--------------------------0 342幕墙子分部工程质量验收记录----------------------------------0 343涂饰子分部工程质量验收记录----------------------------------0 344裱糊与软包子分部工程质量验收记录----------------------------0 345细部子分部工程质量验收记录----------------------------------0 346卷材防水屋面子分部工程质量验收记录--------------------------0 347涂膜防水屋面子分部工程质量验收记录--------------------------0 348刚性防水屋面子分部工程质量验收记录--------------------------0 349瓦屋面子分部工程质量验收记录--------------------------------0 350隔热屋面子分部工程质量验收记录------------------------------0 ㈩分部工程验收表格及其它351地基与基础分部工程质量验收记录------------------------------0 352主体结构分部工程质量验收记录--------------------------------0 353建筑装饰装修分部工程质量验收记录----------------------------0 354建筑屋面分部工程质量验收记录--------------------------------0 355分部工程质量验收记录----------------------------------------0 356工程质量事故报告--------------------------------------------0 357工程质量事故调查处理记录------------------------------------0 358新材料、新工艺施工记录--------------------------------------0 二、给水、排水、采暖及燃气安装工程资料表格359设备开箱检查记录--------------------------------------------0 360材料进场抽样检查记录----------------------------------------0 361设备、材料合格证汇总表--------------------------------------0 362阀门强度及严密性试验记录------------------------------------0 363管道、设备强度及严密性试验记录------------------------------0 364燃气管道强度及严密性试验记录--------------------------------0 365系统清洗记录------------------------------------------------0 366管道系统吹扫(脱脂)检验记录--------------------------------0 367排(雨)水管道灌水试验记录----------------------------------0368排水管道通水能力试验记录------------------------------------0 369排水管道通球试验记录----------------------------------------0 370水泵试运转测试检查记录--------------------------------------0 371室内给水管道及配件安装工程检验批质量验收记录----------------0 372室内消火栓系统安装工程检验批质量验收记录----------------------0 373给水设备安装工程检验批质量验收记录--------------------------0 374室内排水管道及配件安装工程检验批质量验收记录----------------0 375雨水管道及配件安装工程检验批质量验收记录--------------------0 376室内热水管道及配件安装工程检验批质量验收记录----------------0 377热水供应系统辅助设备安装工程检验批质量验收记录--------------0 378卫生器具安装工程检验批质量验收记录--------------------------0 379卫生器具给水配件安装工程检验批质量验收记录------------------0 380卫生器具排水管道安装工程检验批质量验收记录------------------0 381室内采暖管道及配件安装工程检验批质量验收记录----------------0 382室内采暖辅助设备及散热器及金属辐射板安装工程检验批验收记录--0 383低温热水地板辐射采暖安装工程检验批质量验收记录--------------0 384建筑中水系统管道及辅助设备安装工程检验批质量验收记录--------0 385游泳池水系统安装工程检验批质量验收记录----------------------0 386锅炉安装工程检验批质量验收记录------------------------------0 387锅炉辅助设备安装工程检验批质量验收记录----------------------0 388工艺管道安装工程检验批质量验收记录--------------------------0 389锅炉安全附件安装工程检验批质量验收记录----------------------0 390换热站安装工程检验批质量验收记录----------------------------0 391室内给水系统子分部工程质量验收记录--------------------------0 392室内排水系统子分部工程质量验收记录--------------------------0 393室内热水供应系统子分部工程质量验收记录----------------------0 394卫生器具安装子分部工程质量验收记录--------------------------0 395室内采暧系统子分部工程质量验收记录--------------------------0 396建筑中水系统及游泳池系统子分部工程质量验收记录--------------0 397供热锅炉及辅助设备安装子分部工程质量验收记录----------------0 398建筑给水、排水及采暖分部工程质量验收记录--------------------0 三、电气安装工程资料表格399发电机交接试验报告------------------------------------------0 400低压电器交接试验报告----------------------------------------0 401电气设备(系统)试运行记录----------------------------------0 402接地电阻测试记录--------------------------------------------0 403绝缘电阻测试记录(一)--------------------------------------0 404绝缘电阻测试记录(二)--------------------------------------0 405变压器、箱式变电所安装工程检验批质量验收记录----------------0406高压成套配电柜、控制柜(屏、台)和动力、照明配电箱检验批----0 407低压成套柜(屏、台)和动力、照明配电盘安装检验批------------0 408照明配电箱(盘)安装工程检验批质量验收记录------------------0 409低压电动机、电加热器及电动执行机构检查接线工程检验批验收----0 410柴油发电机组安装工程检验批质量验收记录------------------------0 411不间断电源安装工程检验批质量验收记录--------------------------0 412低压电气动力设备试验和试运行工程检验批质量验收记录----------0 413裸母线、封闭母线、插接式母线安装工程检验批质量验收记录------0 414电缆桥架安装和桥架内电缆敷设工程检验批质量验收记录----------0 415电缆沟内和电缆竖井内电缆敷设工程检验批质量验收记录----------0 416室内电线导管、电缆导管和线槽敷设工程检验批质量验收记录------0 417电线、电缆穿管和线槽敷线工程检验批质量验收记录--------------0 418槽板配线工程检验批质量验收记录------------------------------0 419钢索配线工程检验批质量验收记录------------------------------0 420电缆头制作、接线和线路绝缘测试工程检验批质量验收记录--------0 421普通灯具安装工程检验批质量验收记录--------------------------0 422专用灯具安装工程检验批质量验收记录--------------------------0 423建筑物景观照明灯、航空障碍标志灯和庭院灯安装工程检验批记录--0 424开关、插座、风扇安装工程检验批质量验收记录------------------0 425建筑物照明通电试运行工程检验批质量验收记录------------------0 426接地装置安装工程检验批质量验收记录--------------------------0 427防雷引下线检验批质量验收记录--------------------------------0 428变配电室接地干线检验批质量验收记录--------------------------0 429接闪器安装工程检验批质量验收记录----------------------------0 430建筑物等电位联结工程检验批质量验收记录------------------------0 431变配电室子分部工程质量验收记录------------------------------0 432供电干线子分部工程质量验收记录------------------------------0 433电气动力子分部工程质量验收记录------------------------------0 434电气照明安装子分部工程质量验收记录--------------------------0 435备用和不间断电源安装子分部工程质量验收记录------------------0 436防雷及接地安装子分部工程质量验收记录------------------------0 437建筑电气分部工程质量验收记录--------------------------------0 四、智能工程资料表格438子系统检测记录----------------------------------------------0 439系统(分部工程)检测汇总表----------------------------------0 440程控电话交换系统分项工程质量验收记录------------------------0 441会议电视系统分项工程质量验收记录----------------------------0 442接入网设备分项工程质量验收记录------------------------------0 443卫星数字电视系统分项工程质量验收记录------------------------0444有线电视系统分项工程质量验收记录----------------------------0 445公共广播与紧急广播系统分项工程质量验收记录------------------0 446计算机网络系统分项工程质量验收记录--------------------------0 447应用软件分项工程质量验收记录--------------------------------0 448网络安全系统分项工程质量验收记录----------------------------0 449空调与通风系统分项工程质量验收记录--------------------------0 450变配电系统分项工程质量验收记录------------------------------0 451公共照明系统分项工程质量验收记录----------------------------0 452给排水系统分项工程质量验收记录------------------------------0 453热源和热交换系统分项工程质量验收记录------------------------0 454冷冻和冷却水系统分项工程质量验收记录------------------------0 455电梯和自动扶梯系统分项工程质量验收记录----------------------0 456数据通信接口分项工程质量验收记录----------------------------0 457中央管理工作站与操作分站分项工程质量验收记录----------------0 458系统实时性、可维护性、可靠性分项工程质量验收记录------------0 459现场设备分项工程质量验收记录--------------------------------0 460火灾自动报警及消防联动系统分项工程质量验收记录--------------0 461综合防范功能分项工程质量验收记录----------------------------0 462视频安防监控系统分项工程质量验收记录------------------------0 463入侵报警系统分项工程质量验收记录----------------------------0 464出入口控制(门禁)系统分项工程质量验收记录------------------0 465巡更管理系统分项工程质量验收记录----------------------------0 466停车场(库)管理系统分项工程质量验收记录--------------------0 467安全防范综合管理系统分项工程质量验收记录--------------------0 468系统安装分项工程质量验收记录--------------------------------0 469系统性能分项工程质量验收记录--------------------------------0 470系统集成网络连接分项工程质量验收记录------------------------0 471系统数据集成分项工程质量验收记录----------------------------0 472系统集成整体协调分项工程质量验收记录------------------------0 473系统集成综合管理及冗余功能分项工程质量验收记录--------------0 474系统集成可维护性和安全性分项工程质量验收记录----------------0 475电源系统分项工程质量验收记录--------------------------------0 476防雷与接地系统分项工程质量验收记录--------------------------0 477环境分项工程质量验收记录------------------------------------0 478火灾自动报警及消防联动系统分项工程质量验收记录--------------0 479安全防范系统分项工程质量验收记录----------------------------0 480监控与管理系统分项工程质量验收记录--------------------------0 481家庭控制器分项工程质量验收记录------------------------------0 482室外设备及管网分项工程质量验收记录--------------------------0。
国家优质工程施工技术资料填写范例-土建部分一、前言在国家优质工程建设过程中,施工技术资料的填写是至关重要的一环。
土建部分作为工程建设中的重要环节之一,其施工技术资料填写更是必不可少的。
本文将就国家优质工程施工技术资料填写范例-土建部分进行介绍,希望能为相关工程人员提供一些参考和借鉴。
二、施工技术资料填写范例1. 土方工程施工工艺资料填写范例:(1)工程名称:XXXX工程;(2)施工单位:XXXX施工单位;(3)施工地点:XXXX地点;(4)施工内容:XXXX内容;(5)施工时间:XXXX年XX月XX日至XXXX年XX月XX日;(6)施工工艺:XXXX工艺;(7)施工人员:XXXX施工人员;(8)施工设备:XXXX施工设备;(9)施工环境:XXXX环境;(10)施工风险:XXXX风险;(11)安全措施:XXXX安全措施;(12)质量要求:XXXX要求;(13)施工验收:XXXX验收。
2. 混凝土工程施工工艺资料填写范例:(1)拌合料比例:XXXX比例;(2)搅拌时间:XXXX时间;(3)浇筑方式:XXXX方式;(4)养护周期:XXXX周期;(5)钢筋绑扎:XXXX绑扎;(6)抗渗措施:XXXX措施;(7)温度控制:XXXX控制;(8)质量验收:XXXX验收。
3. 砌筑工程施工工艺资料填写范例:(1)砌筑材料:XXXX材料;(2)砌筑方式:XXXX方式;(3)砌筑要求:XXXX要求;(4)砌筑环境:XXXX环境;(5)尺寸控制:XXXX控制;(6)水平垂直:XXXX标准;(7)质量验收:XXXX验收。
4. 地基基础工程施工工艺资料填写范例:(1)检测方案:XXXX方案;(2)基础处理:XXXX处理;(3)内部支护:XXXX支护;(4)开挖方式:XXXX方式;(5)土层分析:XXXX分析;(6)基础验收:XXXX验收。
5. 钢筋工程施工工艺资料填写范例:(1)钢筋型号:XXXX型号;(2)钢筋数量:XXXX数量;(3)切割工艺:XXXX工艺;(4)焊接工艺:XXXX工艺;(5)检测验收:XXXX验收。
桩基子分部 施工技术资料审查表施工单位(公章) 监理单位(公章)工 程 名 称 XXX 结构类型 框架结构面 积(㎡) 16049层数/规模XXX施工单位名称 XXX 监理单位名称 XXX施工技术资料整理情况:1、开工手续资料完整、合法,具有合理的项目组织机构,交底详细到位,施工日志与工程同步;2、所使用的原材料及需工艺检测的均有相应的产品出厂质量证明以及试验报告;3、具有砼配合比报告及砼出厂合格证,砼工程需取样检测的项目均具备相应的试验报告,试验结果均为合格;5、桩基子分部工程所含的各分项、子分部具有完整的质量验收记录及完整的签章手续,验收结果均为合格。
项目资料员:XXX2008年3月31日 审查意见:桩基子分部质保资料、技术资料及各分项资料齐全有效。
项目经理:2008年3月31日审查意见:项目总监理工程师:2008年 月 日审查意见:公司技术负责人:2008年 月 日审查意见:监理单位技术负责人:2008年 月 日基础分部 施工技术资料审查表施工单位(公章) 监理单位(公章)主体分部 施工技术资料审查表工 程 名 称 XXX 结构类型 框架结构面 积(㎡) 16049层数/规模XXX施工单位名称 XXX 监理单位名称XXX施工技术资料整理情况:1、交底详细到位,施工日志与工程同步;2、所使用的原材料及需工艺检测的均有相应的产品出厂质量证明以及试验报告;3、具有砼配合比报告及砼出厂合格证,砼工程需取样检测的项目均具备相应的试验报告,试验结果均为合格;4、桩基础验收由地质、设计、监理、建设、施工五方参与,全过程合法有效,并有签章手续完善的桩基验收记录;5、基础分部工程所含的各分项、子分部具有完整的质量验收记录及完整的签章手续,验收结果均为合格;项目资料员:XXX2008年6月12日 审查意见:基础质保资料、技术资料、隐蔽验收及各分项、子分部资料齐全有效。
项目经理:2008年 月 日审查意见:项目总监理工程师:2008年 月 日审查意见:公司技术负责人:2008年 月 日审查意见:监理单位技术负责人:2008年 月 日施工单位(公章) 监理单位(公章)装饰装修分部 施工技术资料审查表工 程 名 称 XXX 结构类型 框剪结构 面 积(㎡) 11746层数/规模19层施工单位名称 XXX 建设工程有限公司 监理单位名称XXX 工程建设监理有限公司施工技术资料整理情况:1、开工手续资料完整、合法,具有合理的项目组织机构,交底详细到位,施工日志与工程同步;2、所使用的原材料及需工艺检测的均有相应的产品出厂质量证明以及试验报告;3、具有砼配合比报告及砼出厂合格证,砼工程需取样检测的项目均具备相应的试验报告,试验结果均为合格;4、基础验收由设计、监理、建设、施工四方参与,全过程合法有效,并有签章手续完善的基础验收记录;5、主体分部工程所含的各分项、子分部具有完整的质量验收记录及完整的签章手续,验收结果均为合格;项目资料员:XXX2009年 月 日 审查意见: 主体结构分部质保资料、技术资料、隐蔽验收及各分项、子分部资料齐全有效。
施工技术资料审查表填写实例第一部分:填写单位信息在审查表的第一部分,需要填写的是提交申请的单位的信息。
填写的内容包括:•申请单位名称•申请单位地址•法定代表人姓名•联系电话•传真号码•邮编以上信息填写完整准确后,方便审查机构在处理申请时进行准确的沟通和联系。
第二部分:填写项目信息在审查表的第二部分,需要填写的是提交申请的项目的信息。
填写的内容包括:•项目名称•建设地点•工程内容和范围•工程规模(例如总建筑面积、总长度等)•工程投资•监理单位名称•施工单位名称这些信息的填写需要准确无误,特别是一些工程细节方面的信息,对审查机构进行技术评估时至关重要。
第三部分:填写技术资料清单审查表的第三部分,需要填写的是提交的技术资料清单。
这部分内容包括:•质量保证体系文件•技术规格文件•设计文件•施工组织设计文件•质量检验评定文件•现场施工记录文件•进场管理记录文件•改变、复审、验收记录文件•验收、拨付、结算文件•规范、标准及其它文件这些文件的提交可以有效地提高工程质量,确保工程符合国家标准和质量要求,所以填写这部分内容时需要确保所提交的技术资料齐全和准确。
第四部分:填写技术资料评价情况在审查表的第四部分,需要对所提交的技术资料进行全面、客观地评价。
这部分内容主要是审查机构进行技术评价的部分。
其中评价的内容包括:•技术资料的完整性•技术资料的准确性•技术资料的可行性•技术资料的合理性•技术资料的实用性•技术资料的创新性•技术资料的应用前景在填写这部分内容时需要准确评估所提交的技术资料的优缺点和问题,能够指出技术资料在实践中的应用前景,为后续的施工工作提供正确的技术指导。
第五部分:填写审查机构意见在审查表的第五部分,审查机构需要根据对所提交的技术资料的评价,给出自己的审查意见。
在审查意见中,需要明确提出:•同意工程建设•变更部分设计内容•追究设计单位和施工单位责任•重新申报设计和施工•批准整改方案•等等审查意见的提出,不仅是对所审查的技术资料的评价,更是对项目相关方面的一个重要决策。
超级链接目录一、土建工程资料表格001施工现场质量管理检查记录-----------------------------------0 002单位(子单位)工程质量竣工验收记录----------------------------0 003单位(子单位)工程质量控制资料核查记录-------------------------0 004单位(子单位)工程安全和功能检验------------------------------0 005单位(子单位)工程观感质量检查记录----------------------------0 006设计变更汇总记录--------------------------------------------0 007工程洽商记录------------------------------------------------0 008建筑物定位测量验收记录--------------------------------------0 009桩基定位测量验收记录----------------------------------------0 010轴线及标高测量放线验收记录-----------------------------------0 ㈠预应力混凝土施工资料表格011钢筋力学性能检验报告----------------------------------------0 012钢型材力学性能检验报告--------------------------------------0 013钢筋化学成分检验报告----------------------------------------0 014冷拔钢丝力学性能检验报告------------------------------------0 015冷轧带肋钢筋力学性能检验报告----------------------------------0 016钢绞线检验报告----------------------------------------------0 017钢绞线-锚具组装件静载锚固性能检验报告-----------------------0 018预应力钢绞线松弛性能检验报告--------------------------------0 019锚具布氏硬度测试报告----------------------------------------0 020锚具洛氏硬度测试报告----------------------------------------0 021预应力混凝土用金属螺旋管检验报告----------------------------0 022预应力锚环表面磁粉探伤检验报告------------------------------0 ㈡原材料检验资料表格023水泥强度、物理性能检验报告------------------------------0 024砌墙砖检验报告----------------------------------------------0 025普通混凝土用砂检验报告--------------------------------------0 026碎石或卵石检验报告------------------------------------------0 027外加剂检测报告----------------------------------------------0 028普通减水剂检测结果------------------------------------------0 029高效减水剂检测结果------------------------------------------0 030早强剂检测结果----------------------------------------------0 031早强减水剂检测结果------------------------------------------0 032缓凝剂检测结果----------------------------------------------0 033缓凝减水剂检测结果------------------------------------------0034缓凝高效减水剂检测结果--------------------------------------0 035引气剂检测结果----------------------------------------------0 036引气减水剂检测结果------------------------------------------0 037泵送剂检测结果----------------------------------------------0 038膨胀剂检测结果----------------------------------------------0 039砂浆防水剂检测结果------------------------------------------0 040混凝土防水剂检测结果----------------------------------------0 041粉煤灰检验报告----------------------------------------------0 042粒化高炉矿渣粉检验报告--------------------------------------0 043防水卷材检测报告--------------------------------------------0 044防水卷材检测结果--------------------------------------------0 045防水涂料检测报告--------------------------------------------0 046防水涂料检测结果--------------------------------------------0 047合成高分子防水卷材检测报告----------------------------------0 048合成高分子防水卷材检测结果------------------------------0 049隔热保温材料检测报告----------------------------------------0 050建筑涂料检测报告--------------------------------------------0 051建筑外墙腻子检测报告----------------------------------------0 052单位工程材料用料汇总表--------------------------------------0 ㈢施工试验资料表格053含水率、密度试验检验报告------------------------------------0 054密度检验报告(灌水法)--------------------------------------0 055密度检验报告(灌砂法)--------------------------------------0 056土壤击实检验报告--------------------------------------------0 057砂相对密度检验报告------------------------------------------0 058土壤压实度检验报告------------------------------------------0 059砂浆配合比设计报告------------------------------------------0 060砂浆试块抗压强度检验报告------------------------------------0 061砼配合比设计报告--------------------------------------------0 062砼试件强度检验报告------------------------------------------0 063芯样抗压强度检验报告----------------------------------------0 064砼抗渗性能检验报告------------------------------------------0 065钢筋电弧焊、电渣压力焊检验报告------------------------------0 066钢筋闪光对焊、气压焊检验报告--------------------------------0 067钢筋机械连接检验报告----------------------------------------0 068见证取样、送检记录------------------------------------------0 069建筑地面、屋面坡度检查记录----------------------------------0 ㈣基础工程、桩基工程施工资料表格070地基验槽(复验)记录----------------------------------------0071钢筋及预埋件隐蔽验收记录------------------------------------0 072隐蔽工程验收记录--------------------------------------------0 073工程定位测量检查记录----------------------------------------0 074地基钎探记录------------------------------------------------0 075地基处理综合描述--------------------------------------------0 076重锤夯实试夯记录--------------------------------------------0 077重锤夯实施工记录--------------------------------------------0 078强夯施工记录------------------------------------------------0 079强夯施工记录汇总表------------------------------------------0 080试桩记录----------------------------------------------------0 081振冲地基施工记录--------------------------------------------0 082高压喷射注浆地基施工记录------------------------------------0 083水泥土搅拌桩地基施工记录------------------------------------0 084锤击预制桩施工记录------------------------------------------0 085锤击预制桩施工记录汇总表------------------------------------0 086静压预制桩施工记录------------------------------------------0 087静压预制桩施工汇总表----------------------------------------0 088钻(挖)孔灌注桩成孔质量检查记录----------------------------0 089水下砼灌注记录汇总表----------------------------------------0 090冲(钻)孔桩施工记录----------------------------------------0 091冲(钻)孔桩施工记录汇总表---------------------------------0 092静压沉管(扩底)灌注桩施工记录------------------------------0 093静压沉管灌注桩汇总表----------------------------------------0 094人工挖孔桩施工记录------------------------------------------0 095人工挖孔灌注桩施工记录汇总表--------------------------------0 ㈤混凝土施工资料表格096预检工程检查记录--------------------------------------------0 097大体积砼养护测孔平面图--------------------------------------0 098大体积砼测温记录--------------------------------------------0 099混凝土开盘鉴定----------------------------------------------0 100混凝土工程(现场搅拌)施工记录------------------------------0 101混凝土工程(预拌)施工记录----------------------------------0 102烟(风)道、垃圾道施工记录----------------------------------0 103结构吊装记录------------------------------------------------0 104预应力张拉记录(一)----------------------------------------0 105预应力张拉记录(二)----------------------------------------0 106有粘结预应力结构灌浆记录------------------------------------0 ㈥成品、半成品合格证及施工检测资料表格107预制混凝土构件出厂合格证------------------------------------0108钢构件出厂合格证--------------------------------------------0 109钢门窗合格证------------------------------------------------0 110木门窗合格证------------------------------------------------0 111铝合金门窗合格证--------------------------------------------0 112塑钢门窗合格证----------------------------------------------0 113建筑幕墙构件合格证------------------------------------------0 114预拌混凝土出厂合格证----------------------------------------0 115地基承载力试验报告------------------------------------------0 116单桩竖向抗压静载检测报告------------------------------------0 117单桩竖向抗压静载试验记录------------------------------------0 118单桩竖向抗拔静载检测报告------------------------------------0 119单桩水平静载检测报告----------------------------------------0 120单桩水平静载试验记录----------------------------------------0 121钻芯法检测现场操作记录--------------------------------------0 122钻芯法检测芯样编录表----------------------------------------0 123钻芯法检测芯样综合柱状图------------------------------------0 124基桩低应变法检测报告----------------------------------------0 125基桩高应变法检测现场记录------------------------------------0 126基桩高应变法检测报告----------------------------------------0 127结构实体钢筋保护层厚度检验报告------------------------------0 ㈦钢结构工程资料表格128钢材原材料检验报告------------------------------------------0 129钢材原材料力学性能、工艺性能检验结果------------------------0 130钢材原材料夏比缺口冲击试验检验结果--------------------------0 131钢材原材料化学成分检验结果----------------------------------0 132高强度大六角头螺栓连接副扭矩系数检验报告--------------------0 133扭剪型高强度螺栓连接副预拉力检验报告------------------------0 134螺栓连接副拉力荷载检验报告----------------------------------0 135高强度螺栓洛氏硬度检验报告----------------------------------0 136钢结构焊缝超声波检验报告------------------------------------0 137钢网架焊接球节点力学性能检验报告----------------------------0 138金属表面磁粉探伤检验报告------------------------------------0 139钢网架螺栓球节点螺栓球拉力荷载检验报告----------------------0 140钢网架螺栓球节点杆件拉力荷载检验报告------------------------0 141钢材焊接工艺评定报告----------------------------------------0 142钢材焊接接头焊缝表面质量磁粉探伤检验结果--------------------0 143钢材焊接接头焊缝内部缺陷超声波探伤检验结果------------------0 144钢材焊接接头力学性能、工艺性能检验结果----------------------0 145钢材焊接接头夏比缺口冲击试验检验结果------------------------0146钢结构焊缝尺寸检验报告--------------------------------------0 147钢结构焊缝外观检验报告--------------------------------------0 148钢结构焊钉弯曲试验报告--------------------------------------0 149高强度螺栓连接副连接摩擦面抗滑移系数检验报告----------------0 150螺栓连接副施工扭矩检验报告----------------------------------0 151钢结构主体结构整体垂直度检验报告----------------------------0 152钢结构主体结构整体平面弯曲检验报告--------------------------0 153钢结构涂(镀)层厚度检验报告----------------------------------0 ㈧检验批质量验收记录表格①基础与基础检验批表格154土方开挖工程检验批质量验收记录------------------------------0 155土方回填工程检验批质量验收记录------------------------------0 156排桩墙支护工程检验批质量验收记录(重复使用钢板桩)-------0 157排桩墙支护工程检验批质量验收记录(混凝土板桩)--------------0 158降水与排水工程检验批质量验收记录----------------------------0 159地下连续墙工程检验批质量验收记录----------------------------0 160锚杆及土钉墙支护工程检验批质量验收记录----------------------0 161加筋水泥土桩墙支护工程检验批质量验收记录--------------------0 162沉井与沉箱工程检验批质量验收记录----------------------------0 163钢或混凝土支撑工程检验批质量验收记录------------------------0 164灰土地基工程检验批质量验收记录------------------------------0 165砂和砂石地基工程检验批质量验收记录--------------------------0 166土工合成材料地基工程检验批质量验收记录----------------------0 167粉煤灰地基工程检验批质量验收记录----------------------------0 168强夯地基工程检验批质量验收记录------------------------------0 169振冲地基工程检验批质量验收记录------------------------------0 170砂桩地基工程检验批质量验收记录------------------------------0 171预压地基工程检验批质量验收记录------------------------------0 172高压喷射注浆地基工程检验批质量验收记录----------------------0 173土和灰土挤密桩复合地基工程检验批质量验收记录----------------0 174注浆地基工程检验批质量验收记录------------------------------0 175水泥粉煤灰碎石桩复合地基工程检验批质量验收记录--------------0 176夯实水泥地桩复合地基工程检验批质量验收记录------------------0 177水泥土搅拌桩地基工程检验批质量验收记录----------------------0 178静力压桩工程检验批质量验收记录------------------------------0 179预应力管桩工程检验批质量验收记录----------------------------0 180混凝土预制桩(钢筋骨架)工程检验批质量验收记录--------------0 181混凝土预制桩工程检验批质量验收记录--------------------------0 182钢桩(成品)工程检验批质量验收记录--------------------------0183钢桩施工工程检验批质量验收记录表----------------------------0 184混凝土灌注桩(钢筋笼)工程检验批质量验收记录----------------0 185混凝土灌注桩工程检验批质量验收记录--------------------------0 186防水混凝土工程检验批质量验收记录----------------------------0 187水泥砂浆防水层工程检验批质量验收记录------------------------0 188卷材防水层工程检验批质量验收记录----------------------------0 189涂料防水层工程检验批质量验收记录----------------------------0 190金属板防水层工程检验批质量验收记录--------------------------0 191塑料板防水层工程检验批质量验收记录--------------------------0 192细部构造检验批质量验收记录----------------------------------0 193锚喷支护工程检验批质量验收记录------------------------------0 194复合式衬砌工程检验批质量验收记录----------------------------0 195地下连续墙工程检验批质量验收记录----------------------------0 196盾构法隧道工程检验批质量验收记录----------------------------0 197渗排水、盲沟排水工程检验批质量验收记录----------------------0 198隧道、坑道排水工程检验批质量验收记录------------------------0 199预注浆、后注浆工程检验批质量验收记录------------------------0 200衬砌裂缝注浆工程检验批质量验收记录--------------------------0 ②混凝土工程检验批表格201模板安装工程检验批质量验收记录------------------------------0 202预制构件模板工程检验批质量验收记录--------------------------0 203模板拆除工程检验批质量验收记录------------------------------0 204钢筋加工工程检验批质量验收记录------------------------------0 205钢筋安装工程检验批质量验收记录------------------------------0 206钢筋闪光对焊接头检验批质量验收记录--------------------------0 207钢筋电弧焊接头检验批质量验收记录----------------------------0 208钢筋电渣压力焊接头检验批质量验收记录------------------------0 209钢筋气压焊接头检验批质量验收记录----------------------------0 210混凝土原材料及配合比设计检验批质量验收记录------------------0 211混凝土施工工程检验批质量验收记录----------------------------0 212预应力原材料检验批质量验收记录------------------------------0 213预应力制作与安装工程检验批质量验收记录----------------------0 214预应力张拉、放张、灌浆及封锚工程检验批质量验收记录----------0 215现浇结构外观及尺寸偏差检验批质量验收记录--------------------0 216混凝土设备基础外观及尺寸偏差检验批质量验收记录------------------0 217预制构件检验批质量验收记录----------------------------------0 218装配式结构施工工程检验批质量验收记录------------------------0 ③砌体工程检验批表格219砖砌体工程检验批质量验收记录--------------------------------0220混凝土小型空心砌块砌体工程检验批质量验收记录----------------0 221石砌体工程检验批质量验收记录--------------------------------0 222填充墙砌体工程检验批质量验收记录----------------------------0 223配筋砌体工程检验批质量验收记录------------------------------0 ④钢结构与木结构工程检验批表格224钢结构制作(安装)焊接工程检验批质量验收记录----------------0 225焊钉(栓钉)焊接工程检验批质量验收记录----------------------0 226普通紧固件连接工程检验批质量验收记录------------------------0 227高强度螺栓连接工程检验批质量验收记录------------------------0 228钢结构零件、部件加工工程检验批质量验收记录------------------0 229钢网架制作工程检验批质量验收记录----------------------------0 230单层钢结构安装工程检验批质量验收记录------------------------0 231多层及高层钢结构安装工程检验批质量验收记录------------------0 232钢构件组装工程检验批质量验收记录----------------------------0 233钢构件预拼装工程检验批质量验收记录--------------------------0 234钢网架安装工程检验批质量验收记录----------------------------0 235压型金属板工程检验批质量验收记录----------------------------0 236钢结构防腐涂料涂装工程检验批质量验收记录--------------------0 237钢结构防火涂料涂装工程检验批质量验收记录--------------------0 238木屋盖工程检验批质量验收记录--------------------------------0 239胶合木工程检验批质量验收记录表------------------------------0 240轻型木结构(规格材、钉连接)工程检验批质量验收记录--------------0 241木结构防腐、防虫、防火工程检验批质量验收记录----------------0 ⑤地面工程检验批表格242基土垫层工程检验批质量验收记录------------------------------0 243灰土垫层工程检验批质量验收记录------------------------------0 244砂垫层和砂石工程垫层工程检验批质量验收记录------------------0 245碎石垫层和碎砖垫层检验批质量验收记录------------------------0 246三合土垫层工程检验批质量验收记录----------------------------0 247炉渣垫层工程检验批质量验收记录------------------------------0 248水泥混凝土垫层检验批质量验收记录----------------------------0 249找平层工程检验批质量验收记录--------------------------------0 250隔离层工程检验批质量验收记录--------------------------------0 251填充层工程检验批质量验收记录--------------------------------0 252水泥混凝土面层工程检验批质量验收记录------------------------0 253水磨石面层工程检验批质量验收记录----------------------------0 254水泥钢(铁)屑面层工程检验批质量验收记录----------------------0 255防油渗面层工程检验批质量验收记录----------------------------0 256不发火(防爆)面层工程检验批质量验收记录--------------------0257砖面层工程检验批质量验收记录--------------------------------0 258大理石和花岗石面层工程检验批质量验收记录--------------------0 259预制板块面层工程检验批质量验收记录--------------------------0 260料石面层工程检验批质量验收记录------------------------------0 261塑料板面层工程检验批质量验收记录----------------------------0 262活动地板面层工程检验批质量验收记录--------------------------0 263地毯面层工程检验批质量验收记录------------------------------0 264实木地板面层工程检验批质量验收记录--------------------------0 265实木复合地板面层工程检验批质量验收记录----------------------0 266中密度(强化)复合地板面层工程检验批质量验收记录--------------0 267竹地板面层工程检验批质量验收记录----------------------------0 268水泥砂浆面层工程检验批质量验收记录--------------------------0 ⑥装饰与装修工程检验批表格269一般抹灰工程检验批质量验收记录------------------------------0 270装饰抹灰工程检验批质量验收记录------------------------------0 271清水砌体勾缝工程检验批质量验收记录--------------------------0 272木门窗制作工程检验批质量验收记录----------------------------0 273木门窗安装工程检验批质量验收记录----------------------------0 274钢门窗安装工程检验批质量验收记录----------------------------0 275铝合金门窗安装工程检验批质量验收记录------------------------0 276涂色镀锌钢板门窗安装工程检验批质量验收记录------------------0 277塑料门窗安装工程检验批质量验收记录--------------------------0 278特种门安装工程检验批质量验收记录----------------------------0 279门窗玻璃安装工程检验批质量验收记录--------------------------0 280暗龙骨吊顶工程检验批质量验收记录----------------------------0 281明龙骨吊顶工程检验批质量验收记录----------------------------0 282板材隔墙工程检验批质量验收记录------------------------------0 283骨架隔墙工程检验批质量验收记录------------------------------0 284活动隔墙工程检验批质量验收记录------------------------------0 285玻璃隔墙工程检验批质量验收记录------------------------------0 286饰面板安装工程检验批质量验收记录----------------------------0 287饰面砖粘贴工程检验批质量验收记录----------------------------0 288玻璃幕墙工程检验批质量验收记录(一)------------------------0 289玻璃幕墙工程检验批质量验收记录(二)------------------------0 290金属幕墙工程检验批质量验收记录(一)------------------------0 291金属幕墙工程检验批质量验收记录(二)------------------------0 292石材幕墙工程检验批质量验收记录(一)------------------------0 293石材幕墙工程检验批质量验收记录(二)------------------------0 294水性涂料涂饰工程检验批质量验收记录--------------------------0295溶剂型涂料涂饰工程检验批质量验收记录------------------------0 296美术涂饰工程检验批质量验收记录------------------------------0 297裱糊工程检验批质量验收记录----------------------------------0 298软包工程检验批质量验收记录----------------------------------0 299橱柜制作与安装工程检验批质量验收记录------------------------0 300窗帘盒、窗台板和散热器罩制作与安装工程检验批质量验收记录----0 301门窗套制作与安装工程检验批质量验收记录----------------------0 302护栏和扶手制作与安装工程检验批质量验收记录------------------0 303花饰制作与安装工程检验批质量验收记录------------------------0 ⑦屋面工程检验批表格304屋面保温层工程检验批质量验收记录----------------------------0 305屋面找平层工程检验批质量验收记录----------------------------0 306卷材防水层工程检验批质量验收记录----------------------------0 307涂膜防水层工程检验批质量验收记录----------------------------0 308细石混凝土防水层工程检验批质量验收记录----------------------0 309密封材料嵌缝工程检验批质量验收记录--------------------------0 310平瓦屋面工程检验批质验收记录--------------------------------0 311油毡瓦屋面工程检验批质量验收记录----------------------------0 312金属板材屋面工程检验批质量验收记录--------------------------0 313架空屋面工程检验批质量验收记录------------------------------0 314蓄水、种植屋面工程检验批质量验收记录------------------------0 315细部构造检验批质量验收记录----------------------------------0 ⑧分项表格及“两强”评定表格316分项工程质量验收记录----------------------------------------0 317混凝土强度检验评定表(已知方差统计法) -----------------------0 318混凝土强度检验评定表(未知方差统计法) -----------------------0 319混凝土强度检验评定表(非统计法) -----------------------------0 320砂浆强度检验评定表------------------------------------------0 ㈨子分部质量验收记录表格321无支护土方子分部工程质量验收记录----------------------------0 322有支护土方子分部工程质量验收记录----------------------------0 323地基处理子分部工程质量验收记录------------------------------0 324桩基子分部工程质量验收记录----------------------------------0 325地下防水子分部工程质量验收记录------------------------------0 326混凝土工程子分部工程质量验收记录----------------------------0 327砌体基础子分部工程质量验收记录------------------------------0 328劲钢(管)砼子分部工程质量验收记录--------------------------0 329钢结构子分部工程质量验收记录(基础)--------------------------0 330砼结构子分部工程质量验收记录--------------------------------0331劲钢(管)砼结构子分部工程质量验收记录----------------------0 332砌体结构子分部工程质量验收记录------------------------------0 333钢结构子分部工程质量验收记录(主体)--------------------------0 334木结构子分部工程质量验收记录--------------------------------0 335网架和索膜结构子分部工程质量验收记录------------------------0 336地面子分部工程质量验收记录----------------------------------0 337抹灰子分部工程质量验收记录----------------------------------0 338门窗子分部工程质量验收记录----------------------------------0 339吊顶子分部工程质量验收记录----------------------------------0 340轻质隔墙子分部工程质量验收记录------------------------------0 341饰面板(砖)子分部工程质量验收记录--------------------------0 342幕墙子分部工程质量验收记录----------------------------------0 343涂饰子分部工程质量验收记录----------------------------------0 344裱糊与软包子分部工程质量验收记录----------------------------0 345细部子分部工程质量验收记录----------------------------------0 346卷材防水屋面子分部工程质量验收记录--------------------------0 347涂膜防水屋面子分部工程质量验收记录--------------------------0 348刚性防水屋面子分部工程质量验收记录--------------------------0 349瓦屋面子分部工程质量验收记录--------------------------------0 350隔热屋面子分部工程质量验收记录------------------------------0 ㈩分部工程验收表格及其它351地基与基础分部工程质量验收记录------------------------------0 352主体结构分部工程质量验收记录--------------------------------0 353建筑装饰装修分部工程质量验收记录----------------------------0 354建筑屋面分部工程质量验收记录--------------------------------0 355分部工程质量验收记录----------------------------------------0 356工程质量事故报告--------------------------------------------0 357工程质量事故调查处理记录------------------------------------0 358新材料、新工艺施工记录--------------------------------------0 二、给水、排水、采暖及燃气安装工程资料表格359设备开箱检查记录--------------------------------------------0 360材料进场抽样检查记录----------------------------------------0 361设备、材料合格证汇总表--------------------------------------0 362阀门强度及严密性试验记录------------------------------------0 363管道、设备强度及严密性试验记录------------------------------0 364燃气管道强度及严密性试验记录--------------------------------0 365系统清洗记录------------------------------------------------0 366管道系统吹扫(脱脂)检验记录--------------------------------0 367排(雨)水管道灌水试验记录----------------------------------0368排水管道通水能力试验记录------------------------------------0 369排水管道通球试验记录----------------------------------------0 370水泵试运转测试检查记录--------------------------------------0 371室内给水管道及配件安装工程检验批质量验收记录----------------0 372室内消火栓系统安装工程检验批质量验收记录----------------------0 373给水设备安装工程检验批质量验收记录--------------------------0 374室内排水管道及配件安装工程检验批质量验收记录----------------0 375雨水管道及配件安装工程检验批质量验收记录--------------------0 376室内热水管道及配件安装工程检验批质量验收记录----------------0 377热水供应系统辅助设备安装工程检验批质量验收记录--------------0 378卫生器具安装工程检验批质量验收记录--------------------------0 379卫生器具给水配件安装工程检验批质量验收记录------------------0 380卫生器具排水管道安装工程检验批质量验收记录------------------0 381室内采暖管道及配件安装工程检验批质量验收记录----------------0 382室内采暖辅助设备及散热器及金属辐射板安装工程检验批验收记录--0 383低温热水地板辐射采暖安装工程检验批质量验收记录--------------0 384建筑中水系统管道及辅助设备安装工程检验批质量验收记录--------0 385游泳池水系统安装工程检验批质量验收记录----------------------0 386锅炉安装工程检验批质量验收记录------------------------------0 387锅炉辅助设备安装工程检验批质量验收记录----------------------0 388工艺管道安装工程检验批质量验收记录--------------------------0 389锅炉安全附件安装工程检验批质量验收记录----------------------0 390换热站安装工程检验批质量验收记录----------------------------0 391室内给水系统子分部工程质量验收记录--------------------------0 392室内排水系统子分部工程质量验收记录--------------------------0 393室内热水供应系统子分部工程质量验收记录----------------------0 394卫生器具安装子分部工程质量验收记录--------------------------0 395室内采暧系统子分部工程质量验收记录--------------------------0 396建筑中水系统及游泳池系统子分部工程质量验收记录--------------0 397供热锅炉及辅助设备安装子分部工程质量验收记录----------------0 398建筑给水、排水及采暖分部工程质量验收记录--------------------0 三、电气安装工程资料表格399发电机交接试验报告------------------------------------------0 400低压电器交接试验报告----------------------------------------0 401电气设备(系统)试运行记录----------------------------------0 402接地电阻测试记录--------------------------------------------0 403绝缘电阻测试记录(一)--------------------------------------0 404绝缘电阻测试记录(二)--------------------------------------0 405变压器、箱式变电所安装工程检验批质量验收记录----------------0406高压成套配电柜、控制柜(屏、台)和动力、照明配电箱检验批----0 407低压成套柜(屏、台)和动力、照明配电盘安装检验批------------0 408照明配电箱(盘)安装工程检验批质量验收记录------------------0 409低压电动机、电加热器及电动执行机构检查接线工程检验批验收----0 410柴油发电机组安装工程检验批质量验收记录------------------------0 411不间断电源安装工程检验批质量验收记录--------------------------0 412低压电气动力设备试验和试运行工程检验批质量验收记录----------0 413裸母线、封闭母线、插接式母线安装工程检验批质量验收记录------0 414电缆桥架安装和桥架内电缆敷设工程检验批质量验收记录----------0 415电缆沟内和电缆竖井内电缆敷设工程检验批质量验收记录----------0 416室内电线导管、电缆导管和线槽敷设工程检验批质量验收记录------0 417电线、电缆穿管和线槽敷线工程检验批质量验收记录--------------0 418槽板配线工程检验批质量验收记录------------------------------0 419钢索配线工程检验批质量验收记录------------------------------0 420电缆头制作、接线和线路绝缘测试工程检验批质量验收记录--------0 421普通灯具安装工程检验批质量验收记录--------------------------0 422专用灯具安装工程检验批质量验收记录--------------------------0 423建筑物景观照明灯、航空障碍标志灯和庭院灯安装工程检验批记录--0 424开关、插座、风扇安装工程检验批质量验收记录------------------0 425建筑物照明通电试运行工程检验批质量验收记录------------------0 426接地装置安装工程检验批质量验收记录--------------------------0 427防雷引下线检验批质量验收记录--------------------------------0 428变配电室接地干线检验批质量验收记录--------------------------0 429接闪器安装工程检验批质量验收记录----------------------------0 430建筑物等电位联结工程检验批质量验收记录------------------------0 431变配电室子分部工程质量验收记录------------------------------0 432供电干线子分部工程质量验收记录------------------------------0 433电气动力子分部工程质量验收记录------------------------------0 434电气照明安装子分部工程质量验收记录--------------------------0 435备用和不间断电源安装子分部工程质量验收记录------------------0 436防雷及接地安装子分部工程质量验收记录------------------------0 437建筑电气分部工程质量验收记录--------------------------------0 四、智能工程资料表格438子系统检测记录----------------------------------------------0 439系统(分部工程)检测汇总表----------------------------------0 440程控电话交换系统分项工程质量验收记录------------------------0 441会议电视系统分项工程质量验收记录----------------------------0 442接入网设备分项工程质量验收记录------------------------------0 443卫星数字电视系统分项工程质量验收记录------------------------0444有线电视系统分项工程质量验收记录----------------------------0 445公共广播与紧急广播系统分项工程质量验收记录------------------0 446计算机网络系统分项工程质量验收记录--------------------------0 447应用软件分项工程质量验收记录--------------------------------0 448网络安全系统分项工程质量验收记录----------------------------0 449空调与通风系统分项工程质量验收记录--------------------------0 450变配电系统分项工程质量验收记录------------------------------0 451公共照明系统分项工程质量验收记录----------------------------0 452给排水系统分项工程质量验收记录------------------------------0 453热源和热交换系统分项工程质量验收记录------------------------0 454冷冻和冷却水系统分项工程质量验收记录------------------------0 455电梯和自动扶梯系统分项工程质量验收记录----------------------0 456数据通信接口分项工程质量验收记录----------------------------0 457中央管理工作站与操作分站分项工程质量验收记录----------------0 458系统实时性、可维护性、可靠性分项工程质量验收记录------------0 459现场设备分项工程质量验收记录--------------------------------0 460火灾自动报警及消防联动系统分项工程质量验收记录--------------0 461综合防范功能分项工程质量验收记录----------------------------0 462视频安防监控系统分项工程质量验收记录------------------------0 463入侵报警系统分项工程质量验收记录----------------------------0 464出入口控制(门禁)系统分项工程质量验收记录------------------0 465巡更管理系统分项工程质量验收记录----------------------------0 466停车场(库)管理系统分项工程质量验收记录--------------------0 467安全防范综合管理系统分项工程质量验收记录--------------------0 468系统安装分项工程质量验收记录--------------------------------0 469系统性能分项工程质量验收记录--------------------------------0 470系统集成网络连接分项工程质量验收记录------------------------0 471系统数据集成分项工程质量验收记录----------------------------0 472系统集成整体协调分项工程质量验收记录------------------------0 473系统集成综合管理及冗余功能分项工程质量验收记录--------------0 474系统集成可维护性和安全性分项工程质量验收记录----------------0 475电源系统分项工程质量验收记录--------------------------------0 476防雷与接地系统分项工程质量验收记录--------------------------0 477环境分项工程质量验收记录------------------------------------0 478火灾自动报警及消防联动系统分项工程质量验收记录--------------0 479安全防范系统分项工程质量验收记录----------------------------0 480监控与管理系统分项工程质量验收记录--------------------------0 481家庭控制器分项工程质量验收记录------------------------------0 482室外设备及管网分项工程质量验收记录--------------------------0。
建筑施工企业关键岗位技能图解系列丛书资料员表C1-1 施工现场质量管理检查记录注:本表由施工单位填写,施工单位、监理单位各保存一份。
表C1-2 施工日志有见证取样和送检见证人备案书XX市建设工程质量监督站:XX建筑工程试验室:我单位决定,由XXX 同志担任XX大厦工程有见证取样和送检见证人。
有关印章和签字如下,请查收备案。
建设单位名称(盖章): XX集团公司XX年5月15日监理单位名称(盖章): XX监理公司 XX年5月15日施工项目负责人签字: XXX XX年5月15日见证记录编号:X X X工程名称:X X 大厦取样部位:地上四层2-3/C-D轴顶板样品名称:混凝土标养试块取样数量:一组取样地点:施工现场取样日期:X X年8月2日见证记录:见证取样取自06号罐车。
试块上已作明标识。
有见证取样和送检印章:取样人签字:X X X见证人签字:X X X有见证试验汇总表工程名称:X X 大厦施工单位:X X建筑工程公司建设单位:X X 集团公司监理单位:X X 监理公司见证人:X X X试验室名称:X X建筑工程试验室施工单位:X X建筑公司制表人:XXX填制日期:XX年8月2日表A2 施工组织设计(方案)报审表表C2-1 技术交底记录注:1. 本表由施工单位填写,交底单位与接受交底单位各存一份。
2. 当作分项工程施工技术交底时,应填写“分项工程名称”栏,其他技术交底可不填写。
表C2-2 图纸会审记录注:1. 由施工单位整理、汇总,建设单位、监理单位、施工单位、城建档案馆各保存一份。
2. 图纸会审记录应根据图纸专业(建筑、结构、给排水及采暖、电气、通风空调、智能系统等)汇总、整理。
3. 设计单位应由专业设计负责人签字,其他相关单位应由项目技术负责人或相关专业负责人签认。
表C2-3 设计变更通知单注:1. 由施工单位整理、汇总,建设单位、监理单位、施工单位、城建档案馆各保存一份。
2. 涉及图纸修改的必须注明应修改图纸的图号。
施工技术资料审查表
施工单位(公章)监理单位(公章)
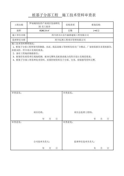
桩基子分部工程施工技术资料审查表
施工单位(公章)监理单位(公章)
地基与基础分部工程施工技术资料审查表
施工单位(公章)监理单位(公章)
桩基子分部工程施工技术资料审查表
施工单位(公章)监理单位(公章)
备注:分部前要有此表
主体结构分部工程施工技术资料审查表
施工单位(公章)监理单位(公章)
建筑装饰装修分部工程施工技术资料审查表
施工单位(公章)监理单位(公章)
建筑屋面分部工程施工技术资料审查表
施工单位(公章)监理单位(公章)
建筑给排水及采暖分部工程施工技术资料审查表
施工单位(公章)监理单位(公章)
建筑电气分部工程施工技术资料审查表
施工单位(公章)监理单位(公章)
单位工程竣工资料审查表
施工单位(公章)监理单位(公章)。