稀土生产工艺流程图-+矿的开采技术
- 格式:doc
- 大小:42.50 KB
- 文档页数:8
稀土生产工艺流程图白云鄂博矿 矿石粉碎 弱磁、强磁选矿 铁精矿强磁中矿、尾矿火法生产线汽车尾气净化器 永磁电机 节能灯风力发电机 各种发光标牌 电动汽车 电动核磁共振 自行车 磁悬浮磁选机稀土矿的开采技术和稀土矿开采方法介绍时间:2012-2-20 15:24:22 作者:稀土信息部点击:1606次网站电话:************稀土矿在地壳中主要以矿物形式存在,其赋存状态主要有三种:作为矿物的基本组成元素,稀土以离子化合物形式赋存于矿物晶格中,构成矿物的必不可少的成分。
这类矿物通常称为稀土矿物,如独居石、氟碳铈矿等。
作为矿物的杂质元素,以类质同象置换的形式,分散于造岩矿物和稀有金属矿物中,这类矿物可称为含有稀土元素的矿物,如磷灰石、萤石等。
呈离子状态被吸附于某些矿物的表面或颗粒间。
这类矿物主要是各种粘土矿物、云母类矿物。
这类状态的稀土元素很容易提取。
常用的稀土矿开采技术离子型稀土的技术是我国完全拥有的自主知识产权。
赣州有色冶金研究所是我国离子吸附型稀土矿的发现、命名和二代稀土提取工艺科技成果的主要享有单位。
时任赣州有色冶金研究所分管科研副所长、后任所长的丁嘉榆同志,作为离子型稀土矿第二代提取工艺的发明及应用的主要参与者、领导者,对这一事件的历史发展进程有着刻骨铭心的记忆。
应记者之约,丁嘉榆同志对这一历史事件进行了全面地、系统地回顾和总结。
时至1970年,在过去长达175年的稀土矿产资源开发利用史中,人们发现自然界中含稀土元素及其化合物的矿物多达200 种。
但真正实际有工业利用价值的稀土矿物原料却为数不多,数量约十种左右。
主要有独居石、铈硅石、氟碳铈矿、硅铍钇矿、磷钇矿、褐帘石、铌钇矿、黑稀金矿。
但这些矿物中却大部份含有一定数量的铀或钍,而且稀土矿物均以固态、矿物相矿物性态存在,它们往往是与放射性元素共生或伴生。
稀土矿开采方法介绍1、辐射选矿法主要利用矿石中稀土矿物与脉石矿物中钍含量的不同,采用γ-射线选矿机,使稀土矿物与脉石矿物分开。
白云鄂博矿床的物质成分白云鄂博矿床物质成分极为复杂,已查明有73种元素,170多种矿物。
其中,铌、稀土、钛、锆、钍及铁的矿物共近60种,约占总数的35%。
主要矿石类型有块状铌稀土铁矿石、条带状铌稀土铁矿石、霓石型铌稀土铁矿石、钠闪石型铌稀土铁矿石、白云石型铌稀土铁矿石、黑云母型铌稀土铁矿石、霓石型铌稀土矿石、白云石型铌稀土矿石和透辉石型铌矿石。
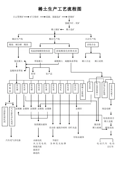
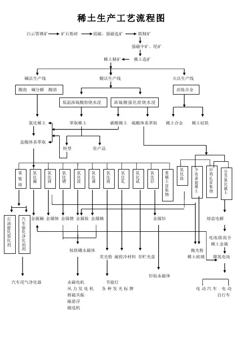
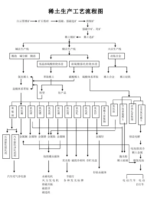
稀土生产工艺流程图白云鄂博矿矿石粉碎弱磁、强磁选矿铁精矿强磁中矿、尾矿稀土精矿稀土选矿风力发电机各种发光标牌电动汽车电动核磁共振自行车磁悬浮磁选机稀土精矿硫酸法分解(decomposition of rare earth concentrate by suIphuric acid method)稀土精矿用硫酸处理、生产氯化稀土或其他稀土化合物的稀土精矿分解方法。
本法具有对原料适应性强、生产成本低等优点,是稀土精矿工业上常用的分解方法,广泛用于氟碳铈矿精矿、独居石精矿和白云鄂博混合型稀土矿精矿的分解。
主要有硫酸化焙烧一溶剂萃取法、硫酸分解一复盐沉淀法、氧化焙烧一硫酸浸出法三种工艺。
硫酸化焙烧-溶剂萃取?? 主要用于分解白云鄂博混合型稀土矿精矿生产氯化稀土。
白云鄂博混合型稀土矿精矿成分复杂,属于难处理矿,其典型的主要成分(%)为:RE2O350~55,P2.5~3.5,F7~9,Ca7~8,Ba1~4,Fe3~4,ThO2约0.2。
精矿中放射性元素钍和铀含量低,冶炼的防护要求不高,适于用硫酸化焙烧法分解。
原理?? 经瘩细的稀土精矿与浓硫酸混合后加热焙烧到423~673K温度时,稀土和钍均生成水溶性的硫酸盐。
氟碳铈矿与硫酸的主要反应为:2REFCO3+3H2SO4=RE2(SO4)3+3HF↑+2CO2+2H2O独居石与硫酸的主要反应是:2REPO4+3H2SO4=RE2(SO4)3+2H3PO4Th3(PO4)4+6H2SO4=3Th(SO4)2+4H3PO4铁、钙等杂质也生成相应的硫酸盐。
稀土生产工艺流程图白云鄂博矿 矿石粉碎 弱磁、强磁选矿 铁精矿强磁中矿、尾矿火法生产线汽车尾气净化器 永磁电机 节能灯风力发电机 各种发光标牌 电动汽车 电动核磁共振 自行车磁悬浮磁选机看稀土原矿生产新闻中有离子型稀土矿原矿“堆浸工艺”这个词,是怎样的工艺?怎么翻译成英文或日文?堆浸提金是指将低品位金矿石或浮选尾矿在底垫材料上筑堆,通过氰化钠溶液循环喷淋,使矿石中的金、银溶解出来。
含金贵液用活性炭吸附、锌置换沉淀或直接电解沉积等方法回收金,提金后的尾渣经消毒后排放。
堆浸法提金具有工艺简单、操作容易、设备少、动力消耗少、投资省、见效快、生产成本低等特点。
堆浸用于处理0.5-3g/t的低品位矿石,金的回收率50-80%,甚至能达到90%。
因此,堆浸法使原来认为无经济价值的许多小型金矿、低品位矿石、尾矿或废石现在都能得以经济回收。
我国在二十世纪八十年代将堆浸法广泛用于工业生产。
堆浸法适合处理以下几种矿产资源:1、规模较大,以前认为不能利用的低品位金银矿;2、矿山开采过程中剥离的低品位含金“废石”;3、地质坑探和矿山掘进中采掘出的中低品位含金矿石;4、含金品位稍高,但规模较小,不宜建机械化选厂的金银矿;5、采用常规氰化法处理经济上不利的金矿;6、含金的冶炼烧渣、高品位尾矿和含有金的大型废石场。
堆浸提金生产工艺主要由堆浸场地的修筑、矿石的预处理(破碎或制粒)、筑堆、喷淋浸出、含金贵液中金的回收以及废矿堆的消毒、卸堆等几部分组成。
堆浸的生产成本:尾矿堆浸成本度大约在30-40元/吨,原矿堆浸成本大约在40-50元/吨.我想问一下现在离子型稀土矿的开采方法是什么方法成本怎样计算需要什么试剂?????????????离子型稀土第一代提取工艺,可简述为"异地提取工艺",或归结为"池浸工艺"。
其主要工艺过程为:表土剥离→开挖含矿山体、搬运矿石→浸矿池→将按一定比例(浓度要求)配置的电解质溶液作为"洗提剂"或"浸矿剂",加入浸矿池,溶液对池中含"离子相"稀土矿石进行"渗滤洗提"或"淋洗" →溶液中活泼离子与稀土离子交换,"离子相"稀土从含矿载体矿物中交换出来,成为新状态稀土;加入"顶水",获含稀土母液;母液经管道或输液沟流入集液池或母液池,然后进入沉淀池;浸矿后废渣从浸矿池中清出,异地排放→在沉淀池中加入沉淀剂、除杂剂,使稀土母液中稀土除杂、沉淀,获混合稀土;池中上清液经处理后,返回浸矿池,作"洗提剂"循环使用→混合稀土经灼烧,获纯度≥92%的混合稀土氧化物。
离子型稀土矿的开采方法离子型稀土第一代提取工艺,可简述为“异地提取工艺”,或归结为“池浸工艺”。
其主要工艺过程为:表土剥离→开挖含矿山体、搬运矿石→浸矿池→将按一定比例(浓度要求)配置的电解质溶液作为“洗提剂”或“浸矿剂”,加入浸矿池,溶液对池中含“离子相”稀土矿石进行“渗滤洗提”或“淋洗” →溶液中活泼离子与稀土离子交换,“离子相”稀土从含矿载体矿物中交换出来,成为新状态稀土;加入“顶水”,获含稀土母液;母液经管道或输液沟流入集液池或母液池,然后进入沉淀池;浸矿后废渣从浸矿池中清出,异地排放→在沉淀池中加入沉淀剂、除杂剂,使稀土母液中稀土除杂、沉淀,获混合稀土;池中上清液经处理后,返回浸矿池,作“洗提剂”循环使用→混合稀土经灼烧,获纯度≥92%的混合稀土氧化物。
由上可见,本工艺过程中的技术关键词是:“表土剥离”、“开挖含矿山体”、“矿石搬运”、“浸矿池”、“洗提剂”、“异地渗滤洗提”、“离子交换”、“含稀土母液”、“尾砂异地排放”、“母液池”、“沉淀池”、“沉淀剂、除杂剂”、“沉淀、除杂”、“混合稀土”、“上清液返回”、“灼烧”、“REO≥92%混合稀土氧化物”。
“池浸工艺”与传统的生产工艺相比较,其第一、二、三道工序过程相似于矿产资源开采中传统的采矿专业的各作业工序;第三、四、五道工序过程相似于传统选矿专业和湿法冶金专业相结合的各作业工序;自第五道工序过程以后的各工序,属于传统湿法冶金专业的各作业工序。
其中,第三道工序中的“浸矿池”,起着联系传统采矿、选矿专业作业的作用,类似于矿山选厂的“原矿仑”;而第五道工序中的“沉淀池”,却起着联系传统选矿、湿法冶金专业作业的作用,类似于湿法冶金企业的“原料仑”。
由此,相似于传统选矿专业的主要选别过程,是在“浸矿池”中完成,而且作为本工艺的中间制品,在此获得含稀土的母液;而属于传统湿法冶金专业的典型湿法冶金过程,则主要在“沉淀池”中进行,并由此获得“稀土精矿”的初级产品--“混合稀土”;再经灼烧处理后即可获得“稀土精矿”终级产品--REO≥92%的混合稀土氧化物。
稀土生产工艺流程图白云鄂博矿矿石粉碎弱磁、强磁选矿铁精矿强磁中矿、尾矿稀土精矿稀土选矿碱法生产线酸法生产线火法生产线核磁共振自行车磁悬浮磁选机看稀土原矿生产新闻中有离子型稀土矿原矿“堆浸工艺”这个词,是怎样的工艺?怎么翻译成英文或日文?堆浸提金是指将低品位金矿石或浮选尾矿在底垫材料上筑堆,通过氰化钠溶液循环喷淋,使矿石中的金、银溶解出来。
含金贵液用活性炭吸附、锌置换沉淀或直接电解沉积等方法回收金,提金后的尾渣经消毒后排放。
堆浸法提金具有工艺简单、操作容易、设备少、动力消耗少、投资省、见效快、生产成本低等特点。
堆浸用于处理0.5-3g/t的低品位矿石,金的回收率50-80%,甚至能达到90%。
因此,堆浸法使原来认为无经济价值的许多小型金矿、低品位矿石、尾矿或废石现在都能得以经济回收。
我国在二十世纪八十年代将堆浸法广泛用于工业生产。
堆浸法适合处理以下几种矿产资源:1、规模较大,以前认为不能利用的低品位金银矿;2、矿山开采过程中剥离的低品位含金“废石”;3、地质坑探和矿山掘进中采掘出的中低品位含金矿石;4、含金品位稍高,但规模较小,不宜建机械化选厂的金银矿;5、采用常规氰化法处理经济上不利的金矿;6、含金的冶炼烧渣、高品位尾矿和含有金的大型废石场。
堆浸提金生产工艺主要由堆浸场地的修筑、矿石的预处理(破碎或制粒)、筑堆、喷淋浸出、含金贵液中金的回收以及废矿堆的消毒、卸堆等几部分组成。
堆浸的生产成本:尾矿堆浸成本度大约在30-40元/吨,原矿堆浸成本大约在40-50元/吨. 我想问一下现在离子型稀土矿的开采方法是什么方法成本怎样计算需要什么试剂?????????????离子型稀土第一代提取工艺,可简述为"异地提取工艺",或归结为"池浸工艺"。
其主要工艺过程为:表土剥离→开挖含矿山体、搬运矿石→浸矿池→将按一定比例(浓度要求)配置的电解质溶液作为"洗提剂"或"浸矿剂",加入浸矿池,溶液对池中含"离子相"稀土矿石进行"渗滤洗提"或"淋洗" →溶液中活泼离子与稀土离子交换,"离子相"稀土从含矿载体矿物中交换出来,成为新状态稀土;加入"顶水",获含稀土母液;母液经管道或输液沟流入集液池或母液池,然后进入沉淀池;浸矿后废渣从浸矿池中清出,异地排放→在沉淀池中加入沉淀剂、除杂剂,使稀土母液中稀土除杂、沉淀,获混合稀土;池中上清液经处理后,返回浸矿池,作"洗提剂"循环使用→混合稀土经灼烧,获纯度≥92%的混合稀土氧化物。
稀土生产工艺流程稀土是一类重要的战略性资源,广泛应用于冶金、化工、电子、光学和军事等领域。
稀土的生产工艺流程是一个复杂的过程,需要经过多个步骤才能得到高纯度的稀土产品。
本文将介绍稀土生产的一般工艺流程,以及每个步骤的具体操作方法。
1. 矿石选矿。
稀土矿石通常含有多种元素,需要通过选矿过程将稀土矿石与其他杂质分离。
通常采用浮选法或重选法进行选矿,首先将矿石粉碎,然后通过浮选剂或重选剂的作用,使稀土矿石与其他矿石分离,得到含有较高稀土含量的矿石精矿。
2. 硫酸浸出。
将矿石精矿与稀硫酸溶液进行反应,使稀土元素与硫酸形成稀土硫酸盐。
通过酸浸过程,可以将稀土元素从矿石中提取出来,得到稀土硫酸盐溶液。
3. 分离提纯。
稀土硫酸盐溶液中含有多种稀土元素,需要进行分离提纯。
通常采用溶剂萃取法、离子交换法或萃取分离法进行分离提纯。
通过不同的化学反应和物理过程,可以将不同的稀土元素分离出来,得到单质稀土或稀土化合物。
4. 氧化还原。
将分离提纯后的稀土化合物进行氧化还原反应,得到稀土的氧化物。
氧化还原过程通常在高温下进行,通过控制氧化还原反应的条件,可以得到不同氧化态的稀土氧化物。
5. 熔炼精炼。
将稀土氧化物与金属硅或金属铝等还原剂进行熔炼反应,得到稀土金属。
熔炼精炼过程需要严格控制温度、气氛和反应时间,以确保得到高纯度的稀土金属。
6. 成品加工。
得到稀土金属后,需要进行成品加工,根据不同的用途进行压制、烧结、合金化等加工工艺,得到最终的稀土产品。
总结。
稀土生产工艺流程包括矿石选矿、硫酸浸出、分离提纯、氧化还原、熔炼精炼和成品加工等多个步骤。
每个步骤都需要严格控制操作条件,以确保得到高纯度的稀土产品。
随着技术的不断进步,稀土生产工艺流程也在不断优化,为稀土资源的高效利用提供了重要的技术支持。
稀土生產工藝流程圖白雲鄂博礦 礦石粉碎 弱磁、強磁選礦 鐵精礦強磁中礦、尾礦稀土精礦 稀土選礦堿法生產線 酸法生產線 火法生產線氯化稀土 萃取稀土 碳酸稀土 硫酸體系萃取 稀土合金 稀土矽鐵鹽酸體系萃取轉型 釷產品金屬鑭 金屬鈰 金屬鐠 金屬釹 金屬鏑 金屬釤 熔鹽電解 電池級混合稀土金屬 釹鐵硼永磁體 拋光粉 螢光粉 磁致冷材料 存貯光碟 稀土玻璃 鎳氫電池釤鈷永磁體汽車尾氣淨化器 永磁電機 節能燈風力發電機 各種發光標牌 電動汽車 電動核磁共振 自行車磁懸浮 碳酸鈰酸鈰氧化鑭 氧化鐠 氧化鈰 氧化釹 氧化鏑 氧化銪 氧化釓 氧化鋱 氧化釤 重稀土富集物氧化釹 少釹碳酸稀土釤銪釓富集物 酸泡 堿分解 酸溶 濃硫酸強化焙燒水浸冶煉合金 低溫濃硫酸焙燒水浸 分組氯化稀土石油催化裂化劑汽車催化淨化劑劑磁選機看稀土原礦生產新聞中有離子型稀土礦原礦“堆浸工藝”這個詞,是怎樣的工藝?怎麼翻譯成英文或日文?堆浸提金是指將低品位金礦石或浮選尾礦在底墊材料上築堆,通過氰化鈉溶液迴圈噴淋,使礦石中的金、銀溶解出來。
含金貴液用活性炭吸附、鋅置換沉澱或直接電解沉積等方法回收金,提金後的尾渣經消毒後排放。
堆浸法提金具有工藝簡單、操作容易、設備少、動力消耗少、投資省、見效快、生產成本低等特點。
堆浸用於處理0.5-3g/t的低品位礦石,金的回收率50-80%,甚至能達到90%。
因此,堆浸法使原來認為無經濟價值的許多小型金礦、低品位礦石、尾礦或廢石現在都能得以經濟回收。
我國在二十世紀八十年代將堆浸法廣泛用於工業生產。
堆浸法適合處理以下幾種礦產資源:1、規模較大,以前認為不能利用的低品位金銀礦;2、礦山開採過程中剝離的低品位含金“廢石”;3、地質坑探和礦山掘進中採掘出的中低品位含金礦石;4、含金品位稍高,但規模較小,不宜建機械化選廠的金銀礦;5、採用常規氰化法處理經濟上不利的金礦;6、含金的冶煉燒渣、高品位尾礦和含有金的大型廢石場。
稀土生产工艺流程图白云鄂博矿 矿石粉碎 弱磁、强磁选矿 铁精矿强磁中矿、尾矿火法生产线汽车尾气净化器 永磁电机 节能灯风力发电机 各种发光标牌 电动汽车 电动核磁共振 自行车磁悬浮磁选机独居石又名磷铈镧矿.化学成分及性质:(Ce,La,Y,Th)[PO4]。
成分变化很大。
矿物成分中稀土氧化物含量可达50~68%。
类质同象混入物有Y、Th、Ca、[SiO4]和[SO4].独居石溶于H3PO4、HClO4、H2SO4中。
晶体结构及形态:单斜晶系,斜方柱晶类.晶体成板状,晶面常有条纹,有时为柱、锥、粒状.物理性质:呈黄褐色、棕色、红色,间或有绿色.半透明至透明。
条痕白色或浅红黄色。
具有强玻璃光泽.硬度5.0~5。
5。
性脆。
比重4。
9~5.5。
电磁性中弱.在X射线下发绿光。
在阴极射线下不发光.生成状态:产在花岗岩及花岗伟晶岩中;稀有金属碳酸岩中;云英岩与石英岩中;云霞正长岩、长霓岩与碱性正长伟晶岩中;阿尔卑斯型脉中;混合岩中;及风化壳与砂矿中。
用途:主要用来提取稀土元素.中国稀土矿床在地域分布上具有面广而又相对集中的特点。
截止目前为止,地质工作者已在全国三分之二以上的省(区)发现上千处矿床、矿点和矿化产地,除内蒙古的白云鄂博、江西赣南、广东粤北、四川凉山为稀土资源集中分布区外,山东、湖南、广西、云南、贵州、福建、浙江、湖北、河南、山西、辽宁、陕西、新疆等省区亦有稀土矿床发现,但是资源量要比矿化集中富集区少得多。
全国稀土资源总量的98%分布在内蒙、江西、广东、四川、山东等地区,形成北、南、东、西的分布格局,并具有北轻南重的分布特点.但是因为中国稀土占据着几个世界第一:储量占世界总储量的第一,尤其是在军事领域拥有重要意义且相对短缺的中重稀土;生产规模第一,2005年中国稀土产量占全世界的96%;出口量世界第一,中国产量的60%用于出口,出口量占国际贸易的63%以上,而且中国是世界上惟一大量供应不同等级、不同品种稀土产品的国家。
离子型稀土矿原地浸取工艺流程图下载温馨提示:该文档是我店铺精心编制而成,希望大家下载以后,能够帮助大家解决实际的问题。
文档下载后可定制随意修改,请根据实际需要进行相应的调整和使用,谢谢!并且,本店铺为大家提供各种各样类型的实用资料,如教育随笔、日记赏析、句子摘抄、古诗大全、经典美文、话题作文、工作总结、词语解析、文案摘录、其他资料等等,如想了解不同资料格式和写法,敬请关注!Download tips: This document is carefully compiled by theeditor.I hope that after you download them,they can help yousolve practical problems. The document can be customized andmodified after downloading,please adjust and use it according toactual needs, thank you!In addition, our shop provides you with various types ofpractical materials,such as educational essays, diaryappreciation,sentence excerpts,ancient poems,classic articles,topic composition,work summary,word parsing,copy excerpts,other materials and so on,want to know different data formats andwriting methods,please pay attention!离子型稀土矿原地浸取工艺流程详解离子型稀土矿,作为全球重要的稀土资源,其开采和提取过程需要精细且环保的工艺。
稀土精矿提取工艺流程
稀土精矿提取工艺流程:
①原矿开采与破碎:首先从稀土矿山开采原矿,然后通过颚式破碎机、圆锥破碎机等设备进行初步破碎,减小矿石粒度。
②磨矿与分级:破碎后的矿石进一步通过球磨机细磨,随后使用螺旋分级机或水力旋流器进行分级,确保物料粒度均匀,有利于后续的选别。
③浸出:将分级后的矿粉与酸性溶液(如硫酸、盐酸)混合,在一定的温度和搅拌条件下,使稀土元素溶解进入溶液中,同时去除大部分杂质。
④固液分离:通过过滤或沉降等方法,将浸出液与固体残渣分离,浸出液中含有溶解的稀土元素。
⑤净化:对浸出液进行多次净化处理,常用方法包括沉淀法、溶剂萃取法等,去除铁、钍、铀等杂质,尤其是通过溶剂萃取实现稀土元素的选择性分离和富集。
⑥浓缩结晶:经过净化的稀土溶液通过蒸发浓缩,促使稀土盐类结晶析出,或通过直接结晶法获得稀土化合物晶体。
⑦灼烧:将结晶产物进一步高温灼烧,转化为氧化物或煅烧成其他所需化合物形态,如将RECl3转化为RE2O3。
⑧溶剂萃取分离:为了获得单一高纯度的稀土元素,采用复杂的溶剂萃取序列,利用不同稀土元素在萃取剂中分配系数的微小差异,逐一进行分离和纯化。
⑨沉淀与煅烧:对分离得到的单一稀土元素溶液进行沉淀,获得其氢氧化物或碳酸盐形式,再经过高温煅烧转化为最终所需的高纯度稀土氧化物或其他化合物。
⑩产品质量控制:对每一步产物进行严格的化学分析和物理性能测试,确保产品符合行业标准和客户需求。
⑪包装与储存:将合格的稀土产品进行无尘包装,通常使用防潮、防氧化的包装材料,并在特定条件下储存,以防污染和变质。
⑫环保处理:在整个提取过程中产生的废水、废气和固体废弃物需经过严格的环保处理,如中和、沉淀、过滤等,确保符合环保排放标准。
稀土生产工艺流程图 白云鄂博矿 矿石粉碎 弱磁、强磁选矿 铁精矿强磁中矿、尾矿稀土精矿 稀土选矿碱法生产线酸法生产线 火法生产线碳酸稀土 硫酸体系萃取 盐酸体系萃取钕铁硼永磁体荧光粉磁致冷材料存贮光盘稀土玻璃镍氢电池钐钴永磁体汽车尾气净化器永磁电机节能灯风力发电机各种发光标牌电动汽车电动核磁共振自行车磁悬浮磁选机稀土矿的开采技术和稀土矿开采方法介绍稀土矿在地壳中主要以矿物形式存在,其赋存状态主要有三种:作为矿物的基本组成元素,稀土以离子化合物形式赋存于矿物晶格中,构成矿物的必不可少的成分。
这类矿物通常称为稀土矿物,如独居石、氟碳铈矿等。
作为矿物的杂质元素,以类质同象置换的形式,分散于造岩矿物和稀有金属矿物中,这类矿物可称为含有稀土元素的矿物,如磷灰石、萤石等。
呈离子状态被吸附于某些矿物的表面或颗粒间。
这类矿物主要是各种粘土矿物、云母类矿物。
这类状态的稀土元素很容易提取。
常用的稀土矿开采技术离子型稀土的技术是我国完全拥有的自主知识产权。
赣州有色冶金研究所是我国离子吸附型稀土矿的发现、命名和二代稀土提取工艺科技成果的主要享有单位。
时任赣州有色冶金研究所分管科研副所长、后任所长的丁嘉榆同志,作为离子型稀土矿第二代提取工艺的发明及应用的主要参与者、领导者,对这一事件的历史发展进程有着刻骨铭心的记忆。
应记者之约,丁嘉榆同志对这一历史事件进行了全面地、系统地回顾和总结。
时至1970年,在过去长达175年的稀土矿产资源开发利用史中,人们发现自然界中含稀土元素及其化合物的矿物多达 200 种。
但真正实际有工业利用价值的稀土矿物原料却为数不多,数量约十种左右。
主要有独居石、铈硅石、氟碳铈矿、硅铍钇矿、磷钇矿、褐帘石、铌钇矿、黑稀金矿。
但这些矿物中却大部份含有一定数量的铀或钍,而且稀土矿物均以固态、矿物相矿物性态存在,它们往往是与放射性元素共生或伴生。
稀土矿开采方法介绍1、辐射选矿法主要利用矿石中稀土矿物与脉石矿物中钍含量的不同,采用γ-射线选矿机,使稀土矿物与脉石矿物分开。
原地浸矿开采稀土的基本流程
一,探矿:探矿分以下步骤
1,初探,从山脊以50*50(单位:米)的规格,用洛阳铲(园柱形的比较好),自上而下到试验为无矿为止,并做标记,取好样品,量以孔心的10%为宜。
2,认为有价值,加密再探,以25*25(单位:米)的规格,方法同上。
3,详查,以5*5(单位:米)的规格进行钻探,方法同上。
4,总结,以试验的结果判断,有否价值,如有价值,再进行下一步。
二,把样品进行原矿的化学分析:化学分析的项目如下
1,原矿稀土含量分析,其结果能预算稀土的贮量多少。
2,原矿氧化铝含量分析,其结果能预知开采的难度和在生产时要注意的事项。
3,原矿的离子总量分析,其结果用来计算原料的使用数量。
⁄(1.4-2.7) 4,原矿的比重分析,这项尤为重要,因为原矿的比重变化比较大,t m3左右的都有,而且在同一个钻孔,上层,中层,下层其比重都不一样。
其结果直接影响到各个项目的数据。
三,综合以上结果进行全面分析,计算出:
1,硫铵用量,碳铵用量。
2,配剂浓度,配剂总量,每立方米的配剂量。
3,稀土的实际提取量。
4,硫铵消耗比率,碳铵消耗比率。
四,进行原地浸矿的工艺设计,分以下步骤
1,测量出隧道的坐标与矿体的宽度。
2,测量出矿体分布的坡度。
3,测量出矿体的水平距离与垂直高度。
4,计算出隧道坡度
5,通过以上数据来设计隧道布局和计算出矿体的实际体积。
五,进行施工……。
离子型稀土矿开采工艺
一、原地浸矿法
(1)原地浸矿工艺流程图
工艺流程图
(2)原地浸矿工艺流程:
1、确定待采矿体,进行生产勘探,探求121b类资源储量;
2、对矿体进行块段划分,再根据矿体地质特点,确定矿体开采工艺类型;
3、确定工艺类型后,对拟采矿块进行矿块设计和工程布置;
4、对设计的浸矿工程和收液工程进行施工;
5、浸矿液由配液池泵送高位池,自流进入注液井浸矿;
6、由矿块收液工程收集到的母液进入后处理车间进行处理,经
后处理车间处理后的低浓度母液自流进入配液池加入硫酸调整后泵送进入高位池,进入下一轮浸矿过程;
7、矿段开采完毕后,进行注液井回填,及植被恢复工作。
(3)原地浸矿后处理车间生产工艺流程图
(4)原地浸矿后处理车间生产工艺流程:
1、母液进泵送入母液中转池;
2、母液从母液中转池自流或泵送进入除杂池,加入碳酸氢铵进行除杂;
3、经除杂池处理后的上清液自流入沉淀池,加入碳酸氢铵进行沉淀;
4、除杂池中的渣头泵送或自流入渣头处理池,加入硫酸及清水
进行部分溶解,上清液再进入除杂池除杂,而经渣头处理后剩余的残渣卖给渣头回收企业;
5、经过沉淀池沉淀后,上清液自流进入配液池经硫酸处理后再泵送到高位池,再进入浸矿流程;
6、经沉淀池沉淀的产品自流进入产品池存放,当产品积存到一定程度,则进入产品压滤包装程序;
7、经压滤包装后的产品销售到稀土分离厂进行下一阶段处理。
二、堆浸采矿法
堆浸工艺流程图。
稀土电解采矿工艺流程
1. 矿石破碎和磨矿
- 将开采的稀土矿石进行破碎和磨矿处理,使矿石达到合适的粒度,便于后续浸出。
2. 酸浸出
- 将处理后的矿石加入适当的酸溶液中进行浸出,将稀土元素从矿石中溶解出来。
3. 固液分离
- 通过滤液或离心分离等方式,将浸出液与矿渣分离。
浸出液富集了稀土离子。
4. 溶液纯化
- 对浸出液进行纯化处理,去除杂质离子,提高稀土离子的浓度和纯度。
常用方法包括溶剂萃取、离子交换等。
5. 电解析出
- 将纯化后的稀土离子溶液进行电解,在阴极上析出各种稀土金属。
不同的电解条件可以选择性地析出不同的稀土元素。
6. 产品收集和提纯
- 收集电解析出的稀土金属粉末或块状产物,将其进一步提纯和加工,制成所需的稀土金属或合金产品。
7. 废水处理
- 对电解过程中产生的废水进行适当处理,确保达标排放或回用。
该工艺流程利用电解方法从稀土矿石中高效分离和提取稀土元素,是目前主要的稀土采矿方式之一。
整个过程需严格控制各工序条件,并注重环境保护和资源综合利用。
稀土工艺流程稀土是一类非常珍贵的金属元素,广泛应用于电子、光学、冶金、化工等各个领域。
稀土工艺流程是指稀土从矿石中提取、分离、纯化以及加工制造的全过程。
下面是一个典型的稀土工艺流程。
首先,稀土矿石的开采。
稀土矿石通常分布在地下或者矿山中,开采过程中需要进行爆破、钻探、采掘等步骤,将矿石取出。
然后,对矿石进行破碎、磨矿。
将矿石送入破碎机进行粗碎,然后通过细碎机和球磨机进行细碎和磨矿,将矿石研磨成细小的颗粒。
接下来,进行稀土的浮选或者磁选。
矿石中的稀土通常存在于硫化物、氧化物、碳酸盐等形式,浮选或者磁选可以将稀土与其他矿物分离。
浮选是在矿石中加入药剂,通过气泡在水中的吸附作用,将稀土矿石中的稀土矿物捕集到浮选泡沫中,然后通过脱泡、干燥等步骤,将稀土矿物从浮选泡沫中分离出来。
磁选是利用稀土矿石中的铁磁性颗粒与其他非磁性颗粒的磁性差异,通过磁力将稀土矿石中的稀土矿物分离。
之后,进行稀土的化学处理。
将分离出来的稀土矿物通过浸出、溶解、过滤等步骤,将稀土与其他无关的杂质分离开来,得到纯度更高的稀土溶液。
然后,进行稀土的分离提纯。
采用溶剂萃取、离子交换、溶解蒸发、晶体分离等方法,将稀土溶液中的各种稀土分离开来,得到纯度更高的稀土产品。
最后,进行稀土的加工制造。
将得到的稀土产品进行加工,可以得到不同形式的稀土产品,如粉末、颗粒、合金等。
加工制造过程中需要进行熔炼、铸造、压制、烧结等步骤,以得到符合需求的稀土制品。
总结起来,稀土工艺流程包括矿石开采、破碎磨矿、浮选磁选、化学处理、分离提纯以及加工制造等多个环节。
每个环节都需要严格控制操作条件,以保证稀土产品的质量和纯度。
稀土工艺流程对于稀土资源的有效利用以及稀土产品的生产具有重要意义。
稀土开采流程
稀土,那可是宝贝啊!稀土开采,这可是个相当复杂又超级重要的过程呢!
你知道吗,找稀土就像找宝藏一样。
地质学家们得先在广阔的大地上仔细探寻,通过各种先进的技术和方法,去发现那些可能藏着稀土的地方。
这可不是随便找找就行的,得有专业的知识和敏锐的洞察力。
一旦找到了可能的矿址,那就得开始挖掘啦!大型的挖掘设备开进场地,轰轰烈烈地开始工作。
这就好比一场大战役,各种机器就是英勇的战士,它们要把稀土从地下挖出来。
然后呢,挖出来的矿石可不能直接就用啊,还得经过一系列复杂的加工处理。
就好像做菜一样,得把原材料精心处理才能变成美味佳肴。
要把矿石破碎、研磨,让稀土能更好地分离出来。
接下来就是分离提取啦!这可是个技术活,需要用到各种高科技手段和化学方法。
就好像变魔术一样,把稀土从一堆矿石中神奇地分离出来。
提取出来的稀土还不是最终产品哦,还得进一步精炼、提纯,让它们达到高标准的要求。
这就像是打磨宝石,要让它们绽放出最耀眼的光芒。
稀土开采可不是一件容易的事啊,需要投入大量的人力、物力和财力。
但想想看,这些稀土能在各个领域发挥巨大的作用,那一切都是值得的!我们的高科技产品、新能源产业等等,都离不开稀土啊。
稀土开采就是这样一个充满挑战又无比重要的过程,它为我们的现代生活提供了不可或缺的资源。
我们应该珍惜每一点稀土,让它们发挥最大的价值,同时也要注意保护环境,让开采过程更加绿色、可持续。
难道不是吗?。
稀土生产工艺流程图 白云鄂博矿 矿石粉碎 弱磁、强磁选矿 铁精矿
强磁中矿、尾矿
稀土精矿 稀土选矿
碱法生产线 酸法生产线 火法生产线
碳酸稀土 硫酸体系萃取 稀土合盐酸体系萃取
钕铁硼永磁体抛光
荧光粉磁致冷材料存贮光盘
稀土玻璃镍氢电池
钐钴永磁体
汽车尾气净化器永磁电机节能灯
风力发电机各种发光标牌电动汽车
电动核磁共振
自行车
磁悬浮
磁选机
独居石又名磷铈镧矿。
化学成分及性质:(Ce,La,Y,Th)[PO4]。
成分变化很大。
矿物成分中稀土氧化物含量可达50~68%。
类质同象混入物有Y、Th、Ca、[SiO4]和[SO4]。
独居石溶于H3PO4、HClO4、H2SO4中。
晶体结构及形态:单斜晶系,斜方柱晶类。
晶体成板状,晶面常有条纹,有时为柱、锥、粒状。
物理性质:呈黄褐色、棕色、红色,间或有绿色。
半透明至透明。
条痕白色或浅红黄色。
具有强玻璃光泽。
硬度5.0~5.5。
性脆。
比重4.9~5.5。
电磁性中弱。
在X射线下发绿光。
在阴极射线下不发光。
生成状态:产在花岗岩及花岗伟晶岩中;稀有金属碳酸岩中;云英岩与石英岩中;云霞正长岩、长霓岩与碱性正长伟晶岩中;阿尔卑斯型脉中;混合岩中;及风化壳与砂矿中。
用途:主要用来提取稀土元素。
中国稀土矿床在地域分布上具有面广而又相对集中的特点。
截止目前为止,地质工作者已在全国三分之二以上的省(区)发现上千处矿床、矿点和矿化产地,除内蒙古的白云鄂博、江西赣南、广东粤北、四川凉山为稀土资源集中分布区外,山东、湖南、广西、云南、贵州、福建、浙江、湖北、河南、山西、辽宁、陕西、新疆等省区亦有稀土矿床发现,但是资源量要比矿化集中富集区少得多。
全国稀土资源总量的98%分布在内蒙、江西、广东、四川、山东等地区,形成北、南、东、西的分布格局,并具有北轻南重的分布特点。
但是因为中国稀土占据着几个世界第一:储量占世界总储量的第一,尤其是在军事领域拥有重要意义且相对短缺的中重稀土;生产规模第一,
2005年中国稀土产量占全世界的96%;出口量世界第一,中国产量的60%用于出口,出口量占国际贸易的63%以上,而且中国是世界上惟一大量供应不同等级、不同品种稀土产品的国家。
可以说,中国是在敞开了门不计成本地向世界供应。
据国家发改委的报告,中国的稀土冶炼分离年生产能力20万吨,超过世界年需求量的一倍。
而中国的大方,造就了一些国家的贪婪。
至2012年初统计数据显示,我国稀土世界占有量由2005年的96%下降至30%。
内蒙古白云鄂博矿山的稀土矿床,是铁白云石的碳酸岩型矿床,在主要成分铁矿中伴生稀土矿物(除氟碳铈矿、独居石外,还有数种含铌、稀土矿物)。
采出的矿石中含铁30%左右,稀土氧化物约5%。
在矿山先将大矿石破碎后,用火车运至包头钢铁集团公司的选矿厂。
选矿厂的任务是将Fe2O3从33%提高到55%以上,先在锥形球磨机上磨矿分级,再用圆筒磁选机选得62~65%Fe2O3(氧化铁)的一次铁精矿。
其尾矿继续进行浮选与磁选,得到含45%Fe2O3(氧化铁)以上的二次铁精矿。
稀土富集在浮选泡沫中,品位达到10~15%。
该富集物可用摇床选出REO含量为30%的粗精矿,经选矿设备再处理后,可得到REO60%以上的稀土精矿。
稀土冶炼方法
稀土冶炼方法有两种,即湿法冶金和火法冶金。
湿法冶金属化工冶金方式,全流程大多处于溶液、溶剂之中,如稀土精矿的分解、稀土氧化物、稀土化合物、单一稀土金属的分离和提取过程就是采用沉淀、结晶、氧化还原、溶剂萃取、离子交换等化学分离工艺过程。
现应用较普遍的是有机溶剂萃取法,它是工业分离高纯单一稀土元素
的通用工艺。
湿法冶金流程复杂,产品纯度高,该法生产成品应用面广阔。
火法冶金工艺过程简单,生产率较高。
稀土火法冶炼主要包括硅热还原法制取稀土合金,熔盐电解法制取稀土金属或合金,金属热还原法制取稀土合金等。
火法冶金的共同特点是在高温条件下生产。
稀土精矿的分解
稀土精矿中的稀土,一般呈难溶于水的碳酸盐、氟化物、磷酸盐、氧化物或硅酸盐等形态。
必须通过各种化学变化将稀土转化为溶于水或无机酸的化合物,经过溶解、分离、净化、浓缩或灼烧等工序,制成各种混合稀土化合物如混合稀土氯化物,作为产品或分离单一稀土的原料,这样的过程称为稀土精矿分解也称为前处理。
分解稀土精矿有很多方法,总的来说可分为三类,即酸法、碱法和氯化分解。
酸法分解又分为盐酸分解、硫酸分解和氢氟酸分解法等。
碱法分解又分为氢氧化钠分解或氢氧化钠熔融或苏打焙烧法等。
一般根据精矿的类型、品位特点、产品方案、便于非稀土元素的回收与综合利用、利于劳动卫生与环境保护、经济合理等原则选择适宜的工艺流程。
碳酸稀土和氯化稀土的生产
这是稀土工业中最主要的两种初级产品,一般地说,目前有两个主要工艺生产这两种产品。
一个工艺是浓硫酸焙烧工艺,即把稀土精矿与硫酸混合在回转窑中焙烧。
经过焙烧的矿用水浸出,则可溶性的稀土硫酸盐就进入水溶液,称之为浸出液。
然后往浸出液中加入碳酸氢铵,则稀土呈碳酸盐沉淀下来,过滤后即得碳酸稀土。
另一种工艺叫烧碱法工艺,简称碱法工艺。
一般是将60%的稀土精矿与浓碱液搅匀,在高温下熔融反应,稀土精矿即被分解,稀土变为氢氧化稀土,把碱饼经水洗除去钠盐和多余的碱,然后把水洗过的氢氧化稀土再用盐酸溶解,稀土被溶解为氯化稀土溶液,调酸度除去杂质,过滤后的氯化稀土溶液经浓缩结晶即制得固体的氯化稀土。
可分为湿法和热法;湿法中,根据分解酸不同又可分为硝酸法、盐酸法、硫酸法。
从磷化工过程回收稀土有多种,均和磷矿加工方式密切相关。
热法磷酸生产过程中,稀土主要进入硅酸盐熔渣中,可采用大量盐酸或硝酸分解浸出,过滤除去硅石后,再采用TBP等萃取回收稀土,稀土回收率可以达到 60%。
随着磷矿资源不断利用,正转向低品质磷矿的开发,硫酸湿法磷酸工艺成为磷化工主流方法,对硫酸湿法磷酸中的稀土进行回收已成为研究热点。
在硫酸湿法磷酸生产过程中,通过控制稀土在磷酸中的富集,再采用有机溶剂萃取提取稀土的工艺比早期开发的方法更具有优势。
目前,除Pm以外的16个稀土元素都可提纯到6N(99.9999%)的纯度。
由稀土精矿分解后所得到的混合稀土化合物中,分离提取出单一纯稀土元素,在化学工艺上是比较复杂和困难的。
其主要原因有二个,一是镧系元素之间的物理性质和化学性质十分相似,多数稀土离子半径居于相邻两元素之间,非常相近,在水溶液中都是稳定的三价态。
稀土离子与水的亲和力大,因受水合物的保护,其化学性质非常相似,分离提纯极为困难。
二是稀土精矿分解后所得到的混合稀土化合物中伴生的杂质元素较多(如铀、钍、铌、钽、钛、锆、铁、钙、硅、氟、磷等)。
因此,在分离稀土
元素的工艺流程中,不但要考虑这十几个化学性质极其相近的稀土元素之间的分离,而且还必须考虑稀土元素同伴生的杂质元素之间的分离。
溶剂萃取法其萃取过程与分级沉淀、分级结晶、离子交换等分离方法相比,具有分离效果好、生产能力大、便于快速连续生产、易于实现自动控制等一系列优点,因而逐渐变成分离大量稀土的主要方法。
溶剂萃取法的分离设备有混合澄清槽、离心萃取器等,提纯稀土所用的萃取剂有:以酸性磷酸酯为代表的阳离子萃取剂如P204稀土萃取剂、P507稀土萃取剂,以胺为代表的阴离子交换液N1923和以TBP、P350等中性磷酸酯为代表的溶剂萃取剂三种。
这些萃取剂的粘度与比重都很高,与水不易分离。
通常用煤油等溶剂将其稀释再用。
萃取工艺过程一般可分为三个主要阶段:萃取、洗涤、反萃取。
熔盐电解法
工业上大批量生产混合稀土金属一般使用熔盐电解法。
这一方法是把稀土氯化物等稀土化合物加热熔融,然后进行电解,在阴极上析出稀土金属。
电解法有氯化物电解和氧化物电解两种方法。
单一稀土金属的制备方法因元素不同而异。
钐、铕、镱、铥因蒸气压高,不适于电解法制备,而使用还原蒸馏法。
其它元素可用电解法或金属热还原法制备。
氯化物电解是生产金属最普通的方法,特别是混合稀土金属工艺简单,成本便宜,投资小,但最大缺点是氯气放出,污染环境。
氧化物电解没有有害气体放出,但成本稍高些,一般生产价格较高的单一稀土如钕、镨等都用氧化物电解。
真空热还原法
电解法只能制备一般工业级的稀土金属,如要制备杂质较低,纯度高的金属,一般用真空热还原的方法来制取。
一般是把稀土氧化物先制成氟化稀土,在真空感应炉内用金属钙进行还原,制得粗金属,然后再经过重熔和蒸馏获得较纯的金属,这一方法可以生产所有的单一稀土金属,但钐、铕、镱、铥不能用这种方法。
钐、铕、镱、铥与钙的氧化还原电位仅使氟化稀土产生部分还原。
一般制备这些金属,是利用这些金属的高蒸汽压和镧金属的低蒸气压的原理,将这四种稀土的氧化物与镧金属的碎屑混合压块,在真空炉中进行还原,镧比较活泼,钐、铕、镱、铥被镧还原成金属后收集在冷凝上,与渣很容易分开。