防火门安装工程检验批质量验收记录
- 格式:doc
- 大小:63.50 KB
- 文档页数:2
防火门____隐蔽工程检查验收记录文稿防火门隐蔽工程检查验收记录项目名称:XXX项目工程地点:XXX地点一、工程概况:本项目是为了提升建筑物的消防安全性而进行的隐蔽工程检查与验收工作。
主要涉及的工程项目包括防火门安装、防火门密封件安装、防火门框架安装等。
二、工程进展:1.防火门安装:根据设计要求,共安装了50扇防火门,其中40扇为室内防火门,10扇为通道防火门。
安装工作在规定时间内顺利完成,并经过了验收。
2.防火门密封件安装:根据设计要求,密封件采用了耐高温、防烟的密封材料。
密封件的安装工作由专业人员进行,经过验收,密封效果良好。
3.防火门框架安装:根据设计要求,防火门框架采用了钢质材料,具有良好的防火性能。
框架的安装工作已经完成,并经过了验收。
三、检查验收内容:根据相关法规和设计要求,对防火门的安装、防火门密封件的安装、防火门框架的安装进行了详细的检查验收。
1.防火门安装:(1)检查了防火门的样式、型号和规格是否符合设计要求;(2)检查了防火门的材质是否符合要求;(3)检查了防火门的安装位置、固定方式是否符合设计要求;(4)检查了防火门的开启、闭合是否灵活,并测试了其防火性能。
2.防火门密封件安装:(1)检查了密封件的材质是否符合要求;(2)检查了密封件的粘贴、固定方式是否正确;(3)检查了密封件是否密封良好,并测试了其防火、防烟性能。
3.防火门框架安装:(1)检查了框架的材质是否符合要求;(2)检查了框架的安装位置、固定方式是否符合设计要求;(3)检查了框架的结构是否稳固,并测试了其防火性能。
四、验收结论:经过检查,本次防火门隐蔽工程的安装和施工质量符合相关标准和要求。
防火门的样式、型号、规格、材质、安装位置、固定方式等均符合设计要求,并通过了防火性能测试。
防火门密封件的材质、安装方式、密封效果均符合要求,并通过了防火、防烟性能测试。
防火门框架的材质、安装位置、固定方式等均符合设计要求,并通过了防火性能测试。
防火门工程质量验收记录摘要:。
防火门工程质量验收记录的如下:防火门工程质量验收记录1.防火门工程概述2.防火门工程质量验收的标准和规定3.防火门工程质量验收的流程和步骤4.防火门工程质量验收的注意事项5.防火门工程质量验收记录的填写和归档接下来,我将按照,详细具体地写一篇文章。
正文:防火门工程质量验收记录防火门工程质量验收记录是保证防火门工程质量的重要文件,对于确保防火门工程的施工质量和使用安全具有重要意义。
下面我们将详细介绍防火门工程质量验收记录的相关内容。
一、防火门工程概述防火门是一种具有防火性能的门,广泛应用于建筑物中。
在火灾时,防火门可以起到隔热、隔烟、防火的作用,为人员疏散和火灾扑救提供安全保障。
二、防火门工程质量验收的标准和规定防火门工程质量验收的标准和规定主要包括国家有关法律法规、标准和规范,如《建筑设计防火规范》(GB50016)、《防火门》(GB12955) 等。
三、防火门工程质量验收的流程和步骤防火门工程质量验收的流程和步骤主要包括:验收前准备、现场验收、验收资料审核和验收记录填写等。
四、防火门工程质量验收的注意事项在防火门工程质量验收过程中,需要注意以下几点:1.防火门的质量必须符合相关标准和规定。
2.防火门的安装必须符合设计要求和规范。
3.防火门的开启、关闭、锁止等功能必须正常。
4.防火门的标识、标志必须齐全、清晰。
5.防火门的周围环境必须符合要求,如防火门开启方向、间距等。
五、防火门工程质量验收记录的填写和归档防火门工程质量验收记录的填写和归档是保证防火门工程质量验收过程的重要环节。
防火门工程质量验收记录应包括验收项目、验收标准、验收结果等内容,并应按照要求归档保存。
总之,防火门工程质量验收记录是保证防火门工程质量的重要文件,对于确保防火门工程的施工质量和使用安全具有重要意义。
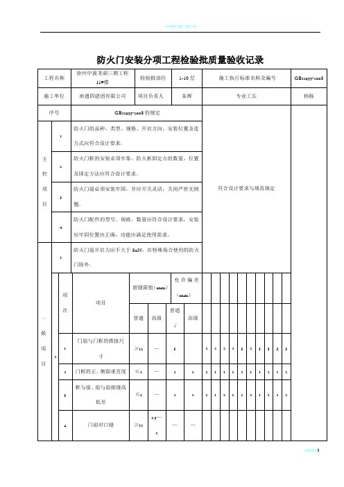
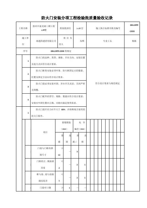
防火门安装分项工程检验批质量验收记录防火门是建筑物中重要的消防设施之一,对于保障人员生命安全和财产安全具有重要的作用。
为了确保防火门的安装质量,需要进行分项工程检验批质量验收记录。
本文将从验收记录的编写要点、验收过程中需要检查的主要项目以及常见的质量问题进行详细阐述。
一、编写要点1. 文档格式:以检验批质量验收记录为标题,包括建设单位名称、项目名称、施工单位名称、工程名称、工程验收范围等基本信息。
2. 验收人员:明确主要参与验收的人员,包括建设单位的代表、施工单位的代表以及监理单位的代表。
3. 验收时间:记录实际的验收时间,包括开始时间和结束时间。
4. 验收地点:记录验收的具体地点,通常为施工现场。
二、验收过程中的主要项目1. 防火门的安装位置和数量:核对防火门的安装位置和数量是否与图纸要求一致。
2. 防火门的尺寸:测量防火门的尺寸,包括门框尺寸和门扇尺寸,确保符合图纸要求。
3. 防火门的材质:检查防火门的材质,如门框和门扇材料是否符合规定要求。
4. 防火门的密封性能:测试防火门的密封性能,包括门扇与门框之间的间隙是否符合规定要求。
5. 防火门的开闭性能:测试防火门的开闭性能,确保防火门能够正常开闭,并能够自动关闭。
6. 防火门的安装质量:检查防火门的安装质量,如门框的固定是否牢固、门扇的装配是否精确等。
三、常见的质量问题1. 尺寸不符:防火门的尺寸与图纸要求不符,可能会导致防火门无法正常关闭或防火隔离效果不佳。
2. 材质不合格:防火门的材质不符合规定要求,可能会影响防火门的防火性能和耐用性。
3. 密封性能差:防火门的密封性能不好,可能会导致火灾时烟气和火焰逸出,从而影响逃生通道的安全性。
4. 开闭性能差:防火门的开闭性能不好,可能会导致在火灾发生时无法及时关闭,从而无法隔离火灾。
5. 安装质量差:防火门的安装质量不好,如门框固定不牢固、门扇装配不精确等,可能会影响防火门的正常使用和防火效果。
四、总结防火门作为消防设施的重要组成部分,对于保障人员生命安全和财产安全具有重要的作用。
防火门安装分项工程检验批质量验收记录1. 项目概况项目名称防火门安装分项工程建设单位XXX工程有限公司监理单位XXX监理有限公司施工单位XXX建设有限公司工程地址XXX街道XXX号工程负责人张三2. 检验批情况检验批编号日期FHM01 2022年1月1日FHM02 2022年1月5日FHM03 2022年1月10日3. 检验依据•《建筑工程防火门安装及验收规范》(GB 12955-2008)•《建筑门、窗、幕墙工程质量验收规范》(GB/T 8478-2008)4. 检验内容4.1 矿棉芯板1.矿棉芯板外观无损坏、发霉等现象。
2.材质符合要求。
3.相邻两块矿棉芯板接缝处矩形度≤ 1mm。
4.2 铰链1.铰链数量符合设计要求。
2.铰链表面光洁、无裂纹、无损伤。
3.铰链装配牢固,无松动现象。
4.3 锁具1.锁具数量符合设计要求。
2.锁具表面光洁、无裂纹、无损伤。
3.锁具装配牢固,无松动现象。
5. 检验结果经过检验,上述3个检验批的防火门安装分项工程符合以下要求:1.以上3个检验批的矿棉芯板外观完好,材质符合要求,相邻两块矿棉芯板接缝处矩形度≤ 1mm。
2.以上3个检验批的铰链数量符合设计要求,表面光洁、无裂纹、无损伤,装配牢固,无松动现象。
3.以上3个检验批的锁具数量符合设计要求,表面光洁、无裂纹、无损伤,装配牢固,无松动现象。
4.经检验,以上3个检验批的防火门安装分项工程达到设计要求,合格。
6. 不合格项整改情况经检验,以上3个检验批的防火门安装分项工程未发现不合格项。
7. 监理工程师意见本次防火门安装分项工程的施工质量较好,符合设计要求和技术规范。
建议施工单位加强质量管理,确保后续工程质量不断提升。
8. 检验单位意见按照《建筑工程防火门安装及验收规范》(GB 12955-2008)和《建筑门、窗、幕墙工程质量验收规范》(GB/T 8478-2008)的要求,对防火门安装分项工程进行检验,检验结果表明该工程符合设计要求和技术规范。
防火门安装检验批质量验收记录
项目名称:________________________
项目地点:________________________
安装批次:________________________
检验日期:________________________
1.检验目的
本次检验旨在确认防火门安装工程是否符合相关标准和规范要求,确保安装质量达到预期标准。
2.检验内容
2.1 防火门安装位置确认:确认防火门安装位置是否与设计要求相符,是否合理布置,确保防火隔离效果。
2.2 防火门密封性能检验:检验防火门与墙面、门框之间的密封性能,确保防火门具备良好的防火隔离功能。
2.3 防火门关闭及锁紧功能检验:确认防火门的关闭功能是否正常,门是否能够锁紧,确保防火门可靠地关闭并保持密封状态。
2.4 防火门门扇材质检验:检验防火门门扇的材质是否符合相关标准和规范要求,确保门扇具有良好的耐火性能。
2.5 防火门门扇装配检验:检验防火门门扇的装配工艺是否符合相关要求,确保门扇的安装质量。
2.6 防火门五金配件检验:检验防火门五金配件的材质、尺寸和安装效果是否符合要求,确保五金配件的质量可靠。
3.检验结果
经检验,本批次防火门安装质量符合相关标准和规范要求,各项检验指标均达到预期标准。
4.处理意见
基于本次检验结果,建议继续进行后续工程,无需对本批次防火门安装进行调整或修复。
5.备注
在此处记录其他需要说明的事项】
检验人员:________________________
检验日期:________________________。
2#防火门安装分项工程检验批质量验收记录检验批次信息
检验批号:20191203B
安装时间:2019年12月3日
验收时间:2019年12月5日
安装单位:XX建筑公司
检验依据
•《钢质防火门》(GB12955-2008);
•《建筑装饰装修防火规范》(GB50168-2018);
•《建筑门与窗》(GB/T7106-2008)。
检验项目
序
号检验项目验收标准
1 防火门电
气功能测
试
开门、关门、紧闭、防火检测等电气功能均正常
2 防火门外
观质量
无划痕、变形、掉漆等表面缺陷
3 防火门密
封性能
门扇与门框紧密接触,门框无缝隙、无松动、无脱落现象4 防火门尺
寸
门扇开启部分与门框间隙≤2mm
5 防火门用
力试验门扇在关闭状态时,加力45N,门扇不能发生任何移动并应紧密关闭;门扇在开启状态时,加力200N,门扇不能发生任何移动并应紧密关闭
检验结果
本次检验项目共有5项,全部合格。
不合格项处理
无不合格项。
验收
本次防火门安装分项工程经过质量检验合格,符合设计要求,达到了相应的标
准及规定,可以投入使用。
验收人员签名:
•建设工程项目质量监督检测报告编号:XXXXXXXXXXXXXX
•建设工程项目竣工验收报告编号:XXXXXXXXXXXXXX
备注
验收人员应在验收上签字,并注明建设工程项目质量监督检测报告编号及建设
工程项目竣工验收报告编号。
如有不合格项,应在此项目下列出,并说明处理措施。
本文档仅供内部文件参考使用,请勿外传。
防火门工程质量验收记录【原创实用版】目录1.防火门工程质量验收记录的重要性2.防火门工程质量验收记录的内容3.如何填写防火门工程质量验收记录4.防火门工程质量验收记录的注意事项正文一、防火门工程质量验收记录的重要性防火门是建筑物防火系统中的重要组成部分,其质量直接关系到建筑物的防火安全。
因此,在防火门工程完成后,对其进行质量验收并记录,是保障建筑物防火安全的重要环节。
防火门工程质量验收记录是对防火门工程质量进行客观评价的依据,也是监理单位、建设单位和施工单位之间明确责任的重要文件。
二、防火门工程质量验收记录的内容防火门工程质量验收记录应包括以下内容:1.工程概况:包括工程名称、工程地点、工程规模、工程用途等基本信息。
2.验收标准:应按照国家相关法律法规、标准和规范进行验收,如《建筑防火门技术规范》GB 12955-2008 等。
3.验收内容:包括防火门的外观质量、尺寸、耐火性能、启闭功能等。
4.验收结果:对防火门的各项性能进行评价,确定是否符合验收标准。
5.验收结论:根据验收结果,给出防火门工程的质量评价,明确是否达到验收标准。
6.验收日期和验收人员:记录验收日期和验收人员,以便日后查询。
三、如何填写防火门工程质量验收记录1.仔细阅读验收标准和相关规范,了解验收要求。
2.对防火门进行现场检查,确认其外观质量、尺寸、耐火性能、启闭功能等。
3.按照验收标准和规范,对防火门的各项性能进行评价,判断是否符合验收要求。
4.如实填写验收记录,明确验收结果和结论。
5.验收记录应由建设单位、监理单位和施工单位共同签字盖章,以示认可。
四、防火门工程质量验收记录的注意事项1.验收记录应真实、准确、完整,不得篡改或伪造。
2.验收记录应由有关单位和验收人员签字盖章,以示负责。
3.验收记录应归档保存,以备日后查询和审计。