结构吊装记录
- 格式:pdf
- 大小:246.29 KB
- 文档页数:1
钢结构安装记录
1. 安装日期和地点
- 日期:2022 年 5 月 15 日
- 地点:XX 建筑工地
2. 安装人员
- 主管:张工
- 助理:李工、王工
3. 安装材料和设备
- 钢结构部件:X 型钢、梁柱连接件、螺栓等- 吊装设备:起重机、吊车
- 安全设备:安全帽、安全绳、防护网等
4. 安装过程
4.1 预备工作
- 检查所有安装材料和设备是否符合要求。
- 各安装人员穿戴好个人安全装备。
4.2 动态安装
1. 使用吊车将钢结构部件搬运至安装位置。
2. 按照钢结构施工图纸要求,逐个安装钢结构部件。
3. 保证钢结构部件水平、垂直和平面度的准确性。
4. 采用螺栓连接件将梁柱和其他零部件连接紧固。
4.3 安全措施
1. 安装过程中,所有人员必须佩戴安全帽、安全绳,并遵守相关安全操作规程。
2. 安装现场设置防护网,防止物体坠落伤害他人。
3. 吊装设备使用前进行安全检查,确保其正常运行。
4.4 效果验收
1. 完成安装后,进行整体验收,确保没有质量问题。
2. 检查钢结构部件与周围建筑物之间的连接是否紧固可靠。
3. 检查钢结构部件表面是否有损坏或铁锈情况。
5. 安装总结
- 本次钢结构安装工作按照预定计划进行,安装过程顺利、高效。
- 安装人员严格遵守安全操作规程,未发生任何人身和财产损失。
- 钢结构部件安装牢固,连接紧固可靠。
以上是钢结构安装的详细记录,如有需要,请查阅。
钢结构吊装记录1. 背景在工程建设中,钢结构的吊装是不可避免的。
为了确保吊装的安全和顺利进行,需要对吊装过程进行记录和监控。
2. 监控设备在本次钢结构吊装中,我们使用了以下监控设备:•T2200吊装绳测力仪•DS60系列震动传感器•JZ3000型高精度倾角计3. 吊装记录3.1 日期和时间本次钢结构吊装的日期和时间为2021年10月1日上午9点。
3.2 吊装班组和负责人本次吊装由5名工人组成的吊装班组负责。
班组负责人为李明。
3.3 吊装物品本次吊装的物品为一块重量为50吨,长20米,宽10米,高5米的钢结构。
3.4 吊装过程钢结构的吊装过程分为以下步骤:1.将钢结构绑好吊点,在吊钩处安装T2200吊装绳测力仪。
2.吊装前,在钢结构的四个角各安装一个DS60系列震动传感器,用于监测钢结构的震动情况。
3.将JZ3000型高精度倾角计安装在吊钩上,用于实时监测吊钩的倾角。
4.吊装过程中,租用一架200吨起重机,由吊装班组进行操作。
在吊装过程中,实时监测吊点的受力情况,以确保吊装的安全性。
5.在吊装完成后,拆下吊装绳测力仪、高精度倾角计和震动传感器,并进行记录和统计。
3.5 吊装记录表序号日期时间吊装物品吊装班组吊装工人监控设备备注1 2021/10/1 上午9点钢结构A班组李明T2200吊装绳测力仪吊钩受力正常2 2021/10/1 上午9点钢结构A班组李明DS60系列震动传感器没有发现异常震动3 2021/10/1 上午9点钢结构A班组李明JZ3000型高精度倾角计吊钩倾斜角度正常4 2021/10/1 上午9点钢结构A班组李明无吊装顺利完成4.通过本次钢结构吊装的记录和监控,我们成功保证了吊装的安全和顺利进行。
同时,我们也为今后的吊装工作积累了经验和数据。
结构吊装记录范文结构吊装是指利用吊装机械将大型构件或设备安装到目标位置的过程。
这一过程需要经过详细的计划和准备,以确保吊装过程安全、有效,同时保护被吊装结构的完整性。
以下是一份结构吊装记录,记录了一个假想工程项目中一次结构吊装的过程。
日期:2024年1月1日时间:上午9点地点:XX工地天气:晴朗参与人员:工程经理、吊装工、安全员等设备:50吨履带吊车1.前期准备在吊装开始之前,先进行了详细的计划和准备工作。
1.1安全评估安全员对吊装过程进行了全面评估,确定了吊装过程中的潜在风险和相应的控制措施。
确保吊装过程的安全。
1.2吊装方案制定工程经理根据结构吊装的需求制定了详细的吊装方案。
方案包括吊装的顺序、吊装点的位置、吊装机械的使用、吊装绳索的设置等。
1.3物料准备提前准备好吊装所需的各项物料,包括吊装绳索、挂具、钢丝绳等。
确保物料的质量和数量满足吊装需求。
1.4吊装机械检查吊装工对吊装机械进行了全面检查,确保机械设备的正常使用。
检查包括操纵系统、悬挂系统、限位系统等。
2.吊装过程2.1安装吊装绳索根据吊装方案,在结构上设置起重点,并正确安装吊装绳索。
吊装绳索的锁紧和连接必须牢固可靠,以确保安全。
2.2吊装机械就位吊装工操作履带吊车将吊装机械就位。
根据吊装方案,将吊车放置在合适的位置,并进行稳定处理,以确保吊车的稳定性。
2.3开始吊装根据吊装方案,吊装工操纵吊车开始吊装。
通过操纵机械,逐步提升被吊装结构,使其离开地面。
在整个过程中,吊装工需要密切配合,确保吊着结构的稳定。
2.4定位和安装当被吊装结构离开地面后,吊装工将其缓慢放置在目标位置。
通过操纵机械,使结构适当定位,并进行修正。
一旦结构定位准确,吊装工将其稳定固定,以确保结构不会移动。
3.吊装完毕当结构位置稳定固定后,工程经理和安全员对吊装过程进行了全面评估。
确认吊装过程没有出现安全隐患和结构受到损坏。
4.后期总结吊装过程完毕后,工程团队进行了总结和评估。
【专业知识】结构吊装记录Ⅰ基本要求和内容(1)吊装工程施工前,应编制施工组织设计或施工方案,并经有关单位审批。
吊装施工过程应严格按照施工组织设计或施工方案的要求进行。
(2)对预制砼框架结构、钢结构、网架结构及大型结构构件的吊装,应有逐层、逐段的构件型号、安装位置、安装标高、搭接长度、固定方法、连接和接缝处理以及构件外观与吊装节点处理的质量情况等的检查记录,并附有分层段的吊装平面图。
(3)吊装时,构件的砼强度、预应力砼构件孔道灌浆的水泥砂浆强度、下层结构承受内力的接头(接缝)的砼或砂浆的强度,必须符合设计要求和施工规范的规定。
(4)钢结构安装前,应按设计图和构件明细表,核对进场的构件,查验产品的合格证。
工厂预拼装过的构件在现场组装时,应根据预拼装记录进行。
安装过程中,制孔、组装、焊缝或高强螺栓、涂装等检查结果必须符合设计要求和《钢结构工程施工质量验收规范》GB50205规定。
当设计要求钢结构进行结构试验时,应附有结构检验报告,检查结果应符合相应的设计文件要求。
(5)网架结构各部位节点、杆件、连接件的规格、品种及焊接材料必须符合设计及规范要求。
网架结构总拼完后,应进行质量验收。
(6)各类结构吊装的复核应按设计和规范要求的内容全面检查,重点突出(如挠度、搁置长度、节点处理等)。
检查中出现的质量问题,应如实记录,提出鉴定和处理意见,并经复验合格后,方可进行后续工序施工。
Ⅱ核查办法(1)依据设计施工图,核对结构吊装的施工记录是否真实、齐全,构件的型号、部位、搁置长度、固定方法、节点处理是否符合设计要求和有关规定。
(2)核查结构吊装工程是否存在质量问题,对存在的隐患是否进行鉴定处理,处理后是否复验,复验结构是否明确,设计单位有否签证。
Ⅲ核定原则凡出现下列情况之一,本项目核定为不符合要求。
(1)无结构吊装记录。
(2)吊装记录内容不齐全,或吊装的主要质量特征不能满足设计要求和规范规定。
结语:借用拿破仑的一句名言:播下一个行动,你将收获一种习惯;播下一种习惯,你将收获一种性格;播下一种性格,你将收获一种命运。
123456789101112大型构件吊装记录
专业工长
专业质检员
测量人
监理(建设)单位
XXX工程施工单位检查部位
5~9轴交A~E轴
分部/子分部/分项
设计安装标高
主体结构/钢结构/单层钢结构安装
检验批编号GD-C5-71186
XXX有限公司
专业监理工程师
(建设单位项目专业技术负责人):
实测标高施工单位
GD-C4-6227单位(子单位)工程名称
施工机械吊车
序号
构件名称及编号
安装位置
8.498m GJ-15轴交A~E轴8.5m 符合设计要
求检查情况
搁置与搭接尺寸
接头(点)处理固定方法中心线偏移
6轴交A~E轴8.5m 符合设计要
求对接焊缝螺栓连接1mm 8.499m GJ-17轴交A~E轴8.5m 符合设计要
求对接焊缝螺栓连接1mm 8.501m GJ-18轴交A~E轴8.5m 符合设计要
求对接焊缝螺栓连接1mm 8.502m
GJ-1
9轴交A~E轴
8.5m
符合设计要
求
对接焊缝螺栓连接1mm 8.501m GJ-1对接焊缝
螺栓连接
1mm
内容及附图/
结论
钢构件规格、质量及外观等各项技术指标合格;安装位置及安装检查结果符合设计要求和规范规定。
钢结构吊装记录表GD2301056 工程名称 合肥人和节能环保设备创造有限公司1#厂房 吊装部位 轴1-4和轴B-D施工单位 合肥聚星钢结构有限公司 施工日期 年 月 日内 容 及 附 图 1:钢柱的型号、数量是否与施工图相符,外观检查事情。
2:钢柱的连结件、预埋铁、垫块、预留孔洞是否符合设计要求。
3:钢柱安装状态。
检查位置、坐标、标高、接头(点)处理、固定想法、搁置与搭接尺寸是否符合设计要求和施工规范的规定。
4:钢柱安装后的状态。
检查轴线偏移、标高差异、垂直或平整度。
序号 构件型号、名称 吊点位置 起吊顺序 吊装检查记录1 GKZ1 构件节点 轴1-轴D2 GKZ1 构件节点 轴1-轴C3 GKZ1 构件节点 轴1-轴B4 GKZ1 构件节点 轴2-轴D5 GKZ1 构件节点 轴2-轴C6 GKZ1 构件节点 轴2-轴B7 GKZ1 构件节点 轴3-轴D8 GKZ3 构件节点 轴3-轴C9 GKZ1 构件节点 轴3-轴B10 GKZ1 构件节点 轴4-轴D施工单位检查结论专业质量检查员: 年 月 日监理(建设)单位复查结论专业监理工程师(建设单位项目专业技术负责人): 年 月 日0 1知识归纳整理钢结构吊装记录表 GD2301056工程名称 杭州市公安局警营文化用房改造工程 吊装部位 1#楼轴4-8和轴B-D 施工单位 浙江中南建设集团有限公司 施工日期 2013年3月14日内 容 及 附 图 1:钢柱的型号、数量是否与施工图相符,外观检查事情。
2:钢柱的连结件、预埋铁、垫块、预留孔洞是否符合设计要求。
3:钢柱安装状态。
检查位置、坐标、标高、接头(点)处理、固定想法、搁置与搭接尺寸是否符合设计要求和施工规范的规定。
4:钢柱安装后的状态。
检查轴线偏移、标高差异、垂直或平整度。
5:附图(详见饰结施-07)序号 构件型号、名称 吊点位置 起吊顺序 吊装检查记录 11 GKZ3 构件节点 轴4-轴C 12 GKZ1 构件节点 轴4-轴B 13 GKZ1 构件节点 轴5-轴D 14 GKZ1 构件节点 轴5-轴C 15 GKZ1 构件节点 轴5-轴B 16 GKZ1 构件节点 轴6-轴D 17 GKZ2 构件节点 轴6-轴C 18 GKZ2 构件节点 轴6-轴B 19 GKZ1 构件节点 轴8-轴D 20 GKZ1 构件节点 轴8-轴C 21 GKZ1 构件节点 轴8-轴B 施工单位检查结论专业质量检查员: 年 月 日 监理(建设)单位复查结论专业监理工程师(建年 月 日0 2求知若饥,虚心若愚。
GD2301056
1:钢柱的型号、数量是否与施工图相符,外观检查情况。
2:钢柱的连结件、预埋铁、垫块、预留孔洞是否符合设计要求。
3:钢柱安装状态:检查位置、坐标、标高、接头(点)处理、固定方法、搁置与搭接尺寸是否符合设计要求和施工规范的规定。
4:钢柱安装后的状态:检查轴线偏移、标高差异、垂直或平整度。
5:附图
GD2301056
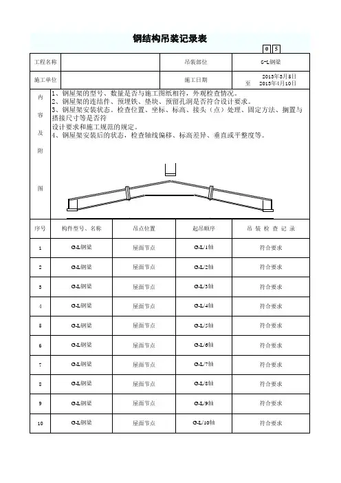
1:钢梁的型号、数量是否与施工图相符,外观检查情况。
2:钢梁的连结件、预留孔洞是否符合设计要求。
3:钢梁安装状态:检查位置、坐标、标高、接头(点)处理、固定方法、搁置与搭接尺寸是否符合设计要求和施工规范的规定。
4:钢梁安装后的状态:检查轴线偏移、标高差异、垂直或平整度。
5:附图。
本文极具参考价值,如若有用请打赏支持我们!不胜感激!
【专业知识】结构吊装记录
Ⅰ基本要求和内容
(1)吊装工程施工前,应编制施工组织设计或施工方案,并经有关单位审批。
吊装
施工过程应严格按照施工组织设计或施工方案的要求进行。
(2)对预制砼框架结构、钢结构、网架结构及大型结构构件的吊装,应有逐层、逐
段的构件型号、安装位置、安装标高、搭接长度、固定方法、连接和接缝处理以及
构件外观与吊装节点处理的质量情况等的检查记录,并附有分层段的吊装平面图。
(3)吊装时,构件的砼强度、预应力砼构件孔道灌浆的水泥砂浆强度、下层结构承
受内力的接头(接缝)的砼或砂浆的强度,必须符合设计要求和施工规范的规定。
(4)钢结构安装前,应按设计图和构件明细表,核对进场的构件,查验产品的合格
证。
工厂预拼装过的构件在现场组装时,应根据预拼装记录进行。
安装过程中,制
孔、组装、焊缝或高强螺栓、涂装等检查结果必须符合设计要求和《钢结构工程施
工质量验收规范》GB50205规定。
当设计要求钢结构进行结构试验时,应附有结构检
验报告,检查结果应符合相应的设计文件要求。
(5)网架结构各部位节点、杆件、连接件的规格、品种及焊接材料必须符合设计及
规范要求。
网架结构总拼完后,应进行质量验收。
(6)各类结构吊装的复核应按设计和规范要求的内容全面检查,重点突出(如挠度、搁置长度、节点处理等)。
检查中出现的质量问题,应如实记录,提出鉴定和处理意见,并经复验合格后,方可进行后续工序施工。