电工常见电路实物接线图
- 格式:ppt
- 大小:8.34 MB
- 文档页数:117
电工基本常识:电工常见电路接线大全描述电工是日常生活经常会要碰到的,做电工必须要了解游一些基础的电工知识,比如一些电路的常见故障要会判断。
1. 开路如灯丝断了;灯座、开关、拉线盒开路;熔丝熔断或进户线开路等。
开路会造成用电器无电流通过而无法正常工作。
2. 短路如接在灯座内两个接线柱的火线和零线相碰;插座或插头内两根接线相碰;火线和零线直接连接而造成短路。
短路会把熔丝熔断而使整个照明电路断电,严重者会烧毁线路引起火灾。
3. 过载电路中用电器的总功率过大或单个用电器的功率过大。
产生的现象和后果如同短路。
4. 电路接触不良如灯座、开关、挂线盒接触不良;熔丝接触不良;线路接头处接触不良等。
这样会使灯忽明忽暗,用电器不能连续正常工作。
5. 电路本身连接错误而引起故障如插座的两个接线柱全部接在火线或零线上;开关误接在主线中的火线上;灯泡串联接在电路中等。
要想做的更好,首先就要把基础打牢,下面我们分享给大家一些电工基础常识。
一;电工基本常识:电工常见电路接线大全_电工常用符号_电工口诀-----电工常见电路接线大全分享下面我们主要给大家分享一下电工常见的电路接线图。
我们为大家整理了电工最常见电路_电工常见电路接线图_电工最常见电路的实物接线图_电工最常见电路实物图集。
二;电工基本常识:电工常见电路接线大全_电工常用符号_电工口诀-----电工常用符号分享:常用电工与电子学图形符号装饰前一定要有(强电,弱电)施工图,竣工时提供电气工程竣工图,电气工程图种类很多,一般按功用可以分成电气系统图、内外线工程图、动力工程图、照明工程图、弱电工程图及各种电气控制原理图。
那么电工常用符号就必要能够看懂,上图就是我们汇总分享给大家参考的。
三;电工基本常识:电工常见电路接线大全_电工常用符号_电工口诀-----电工口诀分享:电工在工作工程中会积累很多的高价值的经验,而且这些经验通常是非常有价值的,比如同一室内的电源、电话、电视等插座应在同一水平标高上,高差应小于5mm;强电路和弱电路禁止穿在同一套管内。
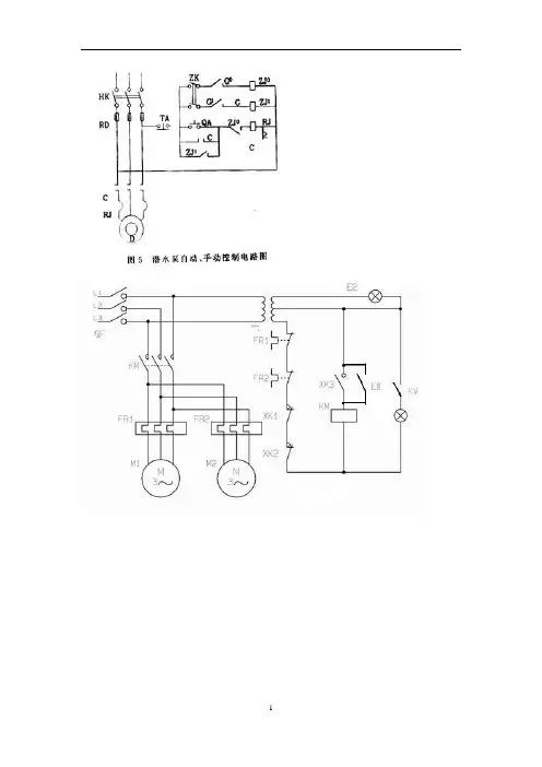
单台排水泵水位控制电路图线信息文件内容如下:SAC:1,SAC:3,QF:6,KM:11HG:1,KM:12SS1:11,SAC:2SS1:12,SF1:13,KM:23HR:1,SF1:14,XT:3,KM:A1,KM:24,KM:34 HR:2,KM:A2,KH:95XT:2,KM:33SAC:4,XT:1HG:2,KH:96,N:N生成如下的接线图项目一点动与长动控制线路及绘图规则知识点部分一、图形、文字符号1、图形符号图形符号通常用于图样或其它文件,用以表示一个设备或概念的图形、标记或字符。
电气控制系统图中的图形符号必须按国家标准绘制。
2、文字符号文字符号分为基本文字符号和辅助文字符号。
文字符号适用于电气技术领域中技术文件的编制,也可表示在电气设备、装置和元件上或其近旁以标明它们的名称、功能、状态和特征。
3、主电路各接点标记三相交流电源引入线采用L1、L2、L3标记。
电源开关之后的三相交流电源主电路分别按 U、V、W顺序标记。
分级三相交流电源主电路采用三相文字代号U、V、W的前边加上阿拉伯数字1、2、3 等来标记,如1U、1V、1W;2U、2V、2W等。
二、绘图原则电气控制系统图包括电气原理图、电气安装图(电器安装图、互连图)和框图等。
各种图的图纸尺寸一般选用 297 × 210 、 297 × 420 、 297 × 630 、 297 × 840 ( mm )四种幅面,特殊需要可按 GB126 — 74 《机械制图》国家标准选用其他尺寸。
三、电器控制线路的构成和基本保护1、继电器-接触器控制电路的表示方法继电器-接触器控制电路一般有安装接线图和工作原理图两种表示方法。
安装接线图:这种表示方法能形象地表示出控制电路中各电器的安装情况及相互之间的连线。
特点: 1)初看电路者比较合适;2)绘制难度大;3)电器施工的依据。
工作原理图:根据工作原理和便于阅读而绘制的电路图。
电工必须知道的30个电气二次回路图1、直流母线电压监视装置电路图直流母线电压监视装置主要是反映直流电源电压的高低。
KV1是低电压监视继电器,正常电压KV1励磁,其常闭触点断开,当电压降低到整定值时, KV1失磁,其常闭触点闭合, HP1光字牌亮,发出音响信号。
KV2是过电压继电器,正常电压时KV2失磁,其常开触点在断开位置,当电压过高超过整定值时KV2励磁,其常开触点闭合, HP2光字牌亮,发出音响信号。
图1直流母线电压监视装置电路图2、直流绝缘监视装置接线图图2是常用的绝缘监察装置接线图,正常时,电压表1PV开路,而使ST1的触点5-7、9-11( ST1的1-3、2-4断开)与ST2的触点9-11接通,投入接地继电器KA。
当正极或负极绝缘下降到一定值时,电桥不平衡使KA动作,经KM 而发出信号(若正、负极对地的绝缘电阻相等时,不管绝缘下降多少,KA不可能动作,就不能发出信号,这是其缺点)。
此时,可用2PV进行检查,确定是哪一极的绝缘下降(测“+”对地时,ST2的2-1、6-5接通;测“-”对地时,ST2的1-4、5-8接通。
正常时,母线电压表转换开关ST2的2-1、5-8、9-11接通,电压表2PV可测正、负母线间电压,指示为220V),若正极对地绝缘下降,则投ST1 I档,其触点1-3、13-14接通,调节R3至电桥平衡电压表1PV指示为零伏;再将ST1投至II档,此时其触点2-4、14-15接通,即可从1PV上读出直流系统的对地总绝缘电阻值。
若为负极对地绝缘下降,则先将ST1放在II档,调节3R至电桥平衡,再将ST1投至I档,读出直流系统的对地总绝缘电阻值。
假如正极发生接地,则正极对地电压等于零。
而负极对地指示为220V,反之当负极发生接地时,情况与之相反。
电压表1PV用作测量直流系统的总绝缘电阻,盘面上画有电阻刻度。
由于在这种绝缘监察装置中有一个人工接地点,为防其它继电器误动,要求电流继电器KA有足够大的电阻值,一般选30kΩ,而其启动电流为1.4mA,当任一极绝缘电阻下降到20 kΩ时,即能发出信号。
电工常见的电气二次控制线路图大全电气一次设备根据其在生产中的作用可以分为六大类:(1)生产和转换电能的设备。
如发电机将机械能转换为电能、电动机将电能转换成机械能、变压器将电压升高或降低等,以满足输配电需要。
(2)接通或断开电路的开关电器。
如断路器、隔离开关、熔断器、接触器等。
它们用于电力系统正常或事故状态时,将电路闭合或断开。
(3)限制故障电流和防御过电压的电器。
如限制短路电流的电抗器和防御过电压的避雷器等。
(4)接地装置。
它是埋入地中直接与大地接触的金属导体及与电气设备相连的金属线。
无论是电力系统中性点的工作接地或保护人身安全的保护接地,均同埋入地中的接地装置相连。
(5)载流导体。
如裸导体、电缆等。
按设计要求,将有关电气设备连接起来。
(6)交流电气一、二次之间的转换设备。
如电压和电流互感器,通过它们将一次侧的电压、电流转变给二次系统。
请点击此处输入图片描述电动机单方向运行请点击此处输入图片描述电动机断相保护电路请点击此处输入图片描述电动机单方向运电路请点击此处输入图片描述电动机可逆点动限位电动请点击此处输入图片描述电动机多保护控电路请点击此处输入图片描述电动机可逆带限位电路请点击此处输入图片描述电动机可逆点动限位电路请点击此处输入图片描述电动机两地控制电路请点击此处输入图片描述电动机全波能耗制动电路请点击此处输入图片描述定子窜电阻降压启动请点击此处输入图片描述电动机自耦降压启动请点击此处输入图片描述防止相间短路正反转请点击此处输入图片描述互锁请点击此处输入图片描述两台顺序启动请点击此处输入图片描述启动星三角降压①请点击此处输入图片描述双速控制①请点击此处输入图片描述绕线电动机转。
电工必备|五孔开关插座接线图如何安装开关讲解非常值得收藏!装修工艺大师2017-10-22 22:06五孔开关真的可以说是一种非常常见的家用开关,简单理解,即带有一个两插与一个三插的电源插座。
五孔开关给我们日常生活带来了许多的便利,并且为使用者制造了一个相对安全的用电环境。
很多人不知道五孔开关插座如何接线,下文我们通过五孔开关插座接线图一起来学习学习。
首先,得学会区分灯线。
按照线的颜色来划分,红、黄、绿线属于火线,有电;蓝线属于零线。
花线为地线,有两种颜色,通常是黄、绿两种色彩。
灯的控制线为白线或黑线。
其次,了解接线方法,如下:L接进线为火线,N接进线为零线。
L孔与L1通过导线相连,即两孔插座正面右边的插孔内。
1.开关用作控制插足电源的通断,按照如下方法来连接:将火线接入开关的L接线端子(火线进线口),将开关的L1接线端子(火线出线口)与两孔插座的L接线端子(火线接线口)相连,将零线接入插座的N接线端子(零线接线口)。
2.开关仅用来控制工具,不控制插座。
建议按照以下方法来接线:将火线接入开关的L接线端子,将开关的L1接线端子与灯头的一个接线端子相连接,将零线接入灯头的另一个接线端子,开头与灯之间形成相应的回路。
此外,再在火线接近两孔插座的L接线端子,将零线接入插座的N接线端子,两孔插座间形成另外一个回路。
事实上,带开关五孔插座的用途可以分为这三种情况:①开关控制插座;②开关控制单控开关;③开关控制双控开关。
开关控制插座接线图:开关控制单控开关:开关控制单控开关(开关需与双控开关一起配合):如何安装开关如下开关插座的安装与我们的家居生活安全密切相关,开关插座安装不规范、不合理很可能带来火灾等安全隐患,因此,只有规范安装开关插座,才能保证家庭的用电方便与安全。
开关面板安装开关面板怎么接线现代家居生活离不开电,开关与插座作为我们日常生活中经常使用的电器附件,其安全性与耐用性是我们需密切关注的。
只有安装合格的开关插座,才能保证居家用电的方便与安全,因此开关插座的安装施工各位业主还是了解一些为好。
20种电工最常见照明灯接线电路图另附开关、插座安装技术交底电工最常见电路包括电力配电系统接线图,电气仪表安装接线图,照明灯控制电路图,电动机控制电路图,电视、通信电路图,家用电器电路图,设备保护电路图,安全报警电路图。
以下提供一些电工最常见照明灯接线电路图,只供参考:1、又联开关的两种双控电路2、通电延时亮灯3、桥式全波整流滤波电路4、两种控制方式5、双灯双开关6、延时断电电路7、延时通断不断循环且达到设置循环数断电9、传统镇流器和电子镇流器10、通电延时断电11、循环流水灯12、两灯循环点亮13、延时通断不断循环且达到设置循环数断电14、延时通、断循环运行15、两灯循环亮和熄16、桥式全波整流滤波电路17、时间继电器断电延时控制18、时间继电器断电延时控制20、通电延时亮灯开关、插座安装技术交底1范围本工艺标准适用于室内电气照明的开关、插座安装工程。
2施工准备2.1 材料要求:2.1.1 各型开关:规格型号必须符合设计要求,并有产品合格证。
2.1.2 各型插座:规格型号必须符合设计要求,并有产品合格证。
2.1.3 塑料(台)板:应具有足够的强度。
塑料(台)板应平整,无弯翘变形等现象,并有产品合格证。
2.1.4 木制(台)板:其厚度应符合设计要求和施工验收规范的规定。
其板面应平整,无劈裂和弯翘变形现象,油漆层完好无脱落。
2.1.5 其他材料:金属膨胀螺栓、塑料胀管、镀锌木螺丝、镀锌机螺丝、木砖等。
2.2 主要机具:2.2.1 红铅笔、卷尺、水平尺、线坠、绝缘手套、工具袋。
高凳等。
2.2.2 手锤、錾子、剥线错、尖嘴钳、扎锥、丝锥、套管、电钻、电锤、钻头、射钉枪等。
2.3 作业条件:2.3.1 各种管路、盒子已经敷设完毕。
盒子收口平整。
2.3.2 线路的导线已穿完,并已做完绝缘摇测。
2.3.3 墙面的浆活、油漆及壁纸等内装修工作均已完成。
3操作工艺3.1 工艺流程:清理→结线→安装3.2 清理:用錾子轻轻地将盒子内残存的灰块剔掉,同时将其它杂物一并清出盒外,再用湿布将盒内灰尘擦净。
电工必备|五孔开关插座接线图如何安装开关讲解非常值得收藏!装修工艺大师2017-10-22 22:06五孔开关真的可以说是一种非常常见的家用开关,简单理解,即带有一个两插与一个三插的电源插座。
五孔开关给我们日常生活带来了许多的便利,并且为使用者制造了一个相对安全的用电环境。
很多人不知道五孔开关插座如何接线,下文我们通过五孔开关插座接线图一起来学习学习。
首先,得学会区分灯线。
按照线的颜色来划分,红、黄、绿线属于火线,有电;蓝线属于零线。
花线为地线,有两种颜色,通常是黄、绿两种色彩。
灯的控制线为白线或黑线。
其次,了解接线方法,如下:L接进线为火线,N接进线为零线。
L孔与L1通过导线相连,即两孔插座正面右边的插孔内。
1.开关用作控制插足电源的通断,按照如下方法来连接:将火线接入开关的L 接线端子(火线进线口),将开关的L1接线端子(火线出线口)与两孔插座的L接线端子(火线接线口)相连,将零线接入插座的N接线端子(零线接线口)。
2.开关仅用来控制工具,不控制插座。
建议按照以下方法来接线:将火线接入开关的L接线端子,将开关的L1接线端子与灯头的一个接线端子相连接,将零线接入灯头的另一个接线端子,开头与灯之间形成相应的回路。
此外,再在火线接近两孔插座的L接线端子,将零线接入插座的N接线端子,两孔插座间形成另外一个回路。
事实上,带开关五孔插座的用途可以分为这三种情况:①开关控制插座;②开关控制单控开关;③开关控制双控开关。
开关控制插座接线图:开关控制单控开关:开关控制单控开关(开关需与双控开关一起配合):如何安装开关如下开关插座的安装与我们的家居生活安全密切相关,开关插座安装不规范、不合理很可能带来火灾等安全隐患,因此,只有规范安装开关插座,才能保证家庭的用电方便与安全。
开关面板安装开关面板怎么接线现代家居生活离不开电,开关与插座作为我们日常生活中经常使用的电器附件,其安全性与耐用性是我们需密切关注的。
只有安装合格的开关插座,才能保证居家用电的方便与安全,因此开关插座的安装施工各位业主还是了解一些为好。
电工常用电路接线方法电工在实际工作中经常会遇到各种电路接线方法,下面介绍几种常用的电路接线方法。
1.并联接线并联接线是指将多个电器或负载并联在一起接入电源的一种接线方法。
其特点是电源的电压不变,总电流等于各个负载电流之和。
常见的例子是家庭里的插座,不同的电器可以同时插在插座上并独立工作。
2.串联接线串联接线是指将多个电器或负载依次串联在一起接入电源的一种接线方法。
其特点是电流在各个电器之间相等,总电压等于各个负载电压之和。
常见的例子是串联电路中的电阻,电流通过电阻时会依次通过每个电阻。
3.星型接线星型接线是指将一个电器或负载的多个端子与电源的多个端子相连的一种接线方法。
其特点是电路中各个负载之间没有直接的电流关系。
星型接线常用于三相电路中,例如三相异步电动机。
4.三角型接线三角型接线是指将三个电器或负载的一端通过连接线相连的一种接线方法。
其特点是电流在负载之间流动,负载之间存在电流关系。
三角型接线也常用于三相电路中,例如三相变压器。
5.小巧型接线小巧型接线是指将多个电器或负载通过一个开关控制的一种接线方法。
其特点是可以通过一个开关同时控制多个负载的通断。
小巧型接线常用于家庭电路中的照明灯具,一个开关可以控制多个灯具的开关。
6.平行连接接线平行连接接线是指将两个电源通过平行连接接入负载的一种接线方法。
其特点是负载在两个电源同时工作,提高了可靠性和容量。
平行连接接线常用于电源并联,例如UPS电源系统。
以上是电工常用的几种电路接线方法,根据具体的情况和要求选择合适的接线方法可以提高工作效率和电路的安全性。
电工在实际工作中还需要熟悉电路接线的相关标准和规范,以确保接线的质量和可靠性。
十种电工接线方法电工接线方法指的是在电路中进行电线连接以实现电能输送或控制信号传递的方法。
下面列举了十种常见的电工接线方法。
1.平行接线法:平行接线法是指将两根电线平行布置,并在两端用端子或绞线连接。
这种接线方法常用于分配电路中,以提供充足的电流容量。
2.串联接线法:串联接线法是指将多个电器或设备按照顺序连接,形成一个串联的电路。
这种接线方法可用于实现电气设备之间的控制和协调。
3.并联接线法:并联接线法是指将多个电器或设备并联连接,使它们可以独立地工作。
这种接线方法常用于家庭照明和电机驱动等场合。
4.三相接线法:三相接线法是指将三个单相电源通过星形或三角形的连接方式接入三相负载。
这种接线方法常用于各种工业设备和电气系统中。
5.三线接法:三线接法是指将三个电源线分别与负载的相位线、零线和地线相连。
这种接线方法常用于家庭、商业和工业电气系统。
6.四线接法:四线接法是指将四个电源线分别与单相负载的相位线、零线、地线和中性线相连。
这种接线方法常用于大型商业和工业电气系统。
7.交错接线法:交错接线法是指将两个或多个电源线和负载线以交错的方式连接,以避免信号干扰和电磁辐射。
这种接线方法常用于电脑、通信和音频设备等场合。
8.Y型接线法:Y型接线法是一种特殊的三相接线方法,其中三个负载分别与三个相线相连,形成一个Y型连接。
这种接线方法常用于高功率电机和发电机。
9.Δ型接线法:Δ型接线法是一种特殊的三相接线方法,其中三个负载按照三角形的形状连接。
这种接线方法常用于电力传输和配电系统。
10.平衡接线法:平衡接线法是指在接线时保持电路的平衡,以减少电流和电压的差异。
这种接线方法常用于高精度测量和控制系统中。
以上是十种常见的电工接线方法,每种方法都有其适用的场合和要求。
电工应根据具体情况选择合适的接线方法,并遵循相关的安全规范和电气标准。
电工常见电气控制实物接线图原理图电气控制是电力系统中非常重要的环节,电工在日常工作中需要掌握电气控制的知识和技能,其中实物接线图和原理图是电气控制中非常重要的一部分。
本文将详细介绍电工常见的电气控制实物接线图和原理图。
一、电气控制实物接线图1.什么是实物接线图?实物接线图是电器设备内部元器件的布局和线路连接关系的图示表示,是电气控制系统的物理表现。
实物接线图是电气控制安装调试、故障排除和保养维修的重要依据,能够清晰明了地反映设备的工作原理和互联关系。
2.实物接线图常用符号在实物接线图中,各种电器元器件均按照标准符号表示。
下面列出几种实物接线图常用的符号:•开关:表示开关或刀闸;•控制器:表示各种控制器,包括继电器、计时器、触发器等;•运动装置:表示各种电机、气动元件等;•信号固化器:表示各种指示灯、蜂鸣器、继电器等;•传感器:表示各种物理量测量传感器、电位器、零位开关等;•仪表:表示各种显示、测量仪表;•电源:表示各种电源、变压器等。
3.实物接线图的组成要素实物接线图由电器元器件符号、导线线路、接点和连接组成,还可以配有附加信息和注释说明。
在实物接线图中,元器件符号由标准符号组成,包括控制元器件、电动元器件、配电元器件、传感器和各种辅助设备元器件等。
导线线路是不同元器件之间的物理连接,线路既表达信号传输的逻辑关系,又引导电能传输,保证正常的电气控制。
接点是对电气信号进行开、闭操作的部件,它们连接或断开电路线上的电气信号。
除了以上组成要素外,实物接线图还可以添加附加信息和注释说明。
附加信息包括元器件的额定电压、电流、功率等参数,注释说明包括连接方式、接线编号和工作模式等。
4.实物接线图的作用实物接线图作为电气控制系统的物理表现,具有以下重要作用:•方便设备的安装调试和维护保养;•保证设备的正常运行和可靠性;•有助于故障排除和分析;•帮助工程师对电器设备进行改款升级。
二、电气控制原理图1.什么是原理图?电气控制原理图是按一定规则,用标记表示各种电器元器件之间的逻辑联系和电气连接关系,以及信号的传递路径。