空气中粉尘爆炸极限表
- 格式:doc
- 大小:147.00 KB
- 文档页数:7
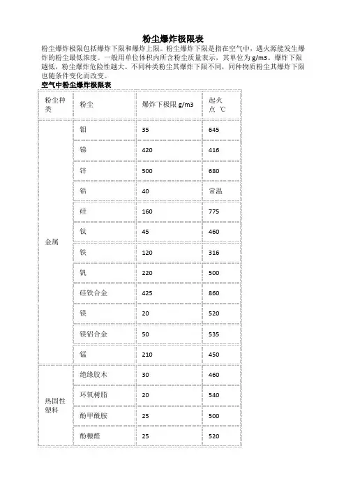
空气中粉尘爆炸极限表 This model paper was revised by the Standardization Office on December 10, 2020粉尘种类粉尘爆炸下极限g/m3起火点℃金属钼35645锑420416锌500680锆40常温硅160775钛45460铁120316钒220500硅铁合金425860镁20520镁铝合金50535锰210450热固性塑料绝缘胶木30460环氧树脂20540酚甲酰胺25500酚糠醛25520热塑性塑料缩乙醛35440醇酸155500乙基纤维素20340合成橡胶30320醋酸纤维素35420四氟乙烯-670尼龙30500丙酸纤维素25460聚丙烯酰胺40410聚丙烯腈25500聚乙烯20410聚对苯二甲酸乙40500酯聚氯乙烯-660聚醋酸乙烯酯40550聚苯乙烯20490聚丙烯20420聚乙烯醇35520甲基纤维素30360木质素65510松香55440塑料一次原料己二酸35550酪蛋白45520对苯二酸50680多聚甲醛40410对羧基苯甲醛20380塑料填充剂软木35470纤维素絮凝物55420棉花絮凝物50470木屑40430农产品及其它玉米及淀粉45470大豆40560小麦60470花生壳85570砂糖19410煤炭(沥青)35610肥皂45430干浆纸60480(1)粉尘粒径越小,爆炸下限越低。
(2)氧浓度越高,爆炸下限越低。
(3)可燃挥发性成分含量越高,粉尘爆炸下限越低。
工作场所空气中粉尘容许浓度(mg/m3)**指游离SiO低于10%,不含石棉和有毒物质,而尚未制定容许浓度的粉尘。
表中列出的2高于10%者,却按矽尘容许浓度对待。
各种粉2尘(石棉纤维尘外),游离SiO2。
空气中粉尘爆炸极限表 WTD standardization office【WTD 5AB- WTDK 08- WTD 2C】
热固性塑料绝缘胶木30 460 环氧树脂20 540 酚甲酰胺25 500 酚糠醛25 520
热塑性塑料缩乙醛35 440
醇酸155 500 乙基纤维素20 340 合成橡胶30 320 醋酸纤维素35 420 四氟乙烯- 670 尼龙30 500 丙酸纤维素25 460 聚丙烯酰胺40 410 聚丙烯腈25 500 聚乙烯20 410
聚对苯二甲酸乙
酯
40 500 聚氯乙烯- 660 聚醋酸乙烯酯40 550 聚苯乙烯20 490
聚丙烯20 420 聚乙烯醇35 520 甲基纤维素30 360 木质素65 510 松香55 440
塑料一次原料己二酸35 550 酪蛋白45 520 对苯二酸50 680 多聚甲醛40 410 对羧基苯甲醛20 380
塑料填充剂软木35 470 纤维素絮凝物55 420 棉花絮凝物50 470 木屑40 430
农产品及其它玉米及淀粉45 470 大豆40 560 小麦60 470 花生壳85 570 砂糖19 410
煤炭(沥青)35 610 肥皂45 430 干浆纸60 480
**指游离SiO2低于10%,不含石棉和有毒物质,而尚未制定容许浓度的粉尘。
表中列出的各种粉2尘(石棉纤维尘外),游离SiO2高于10%者,却按矽尘容许浓度对待。
( 安全技术 )单位:_________________________姓名:_________________________日期:_________________________精品文档 / Word文档 / 文字可改空气中部分粉尘爆炸极限数据表(最新版)Technical safety means that the pursuit of technology should also include ensuring that peoplemake mistakes空气中部分粉尘爆炸极限数据表(最新版)粉尘种类粉尘爆炸下极限g/m3起火点℃金属钼35645锑420416锌500 680 锆40 常温硅160 775 钛45 460 铁120 316 钒220500硅铁合金425860镁20520镁铝合金50535锰210450塑料制品原料绝缘胶木30460环氧树脂20540酚甲酰胺25500酚糠醛25520缩乙醛35440醇酸155500乙基纤维素20340合成橡胶30320醋酸纤维素35420四氟乙烯-670尼龙30500丙酸纤维素25460聚丙烯酰胺40410聚丙烯腈25500聚乙烯20410聚对苯二甲酸乙酯40500聚氯乙烯-660聚醋酸乙烯酯40550聚苯乙烯20490聚丙烯20420聚乙烯醇35520甲基纤维素30360木质素65510松香55440己二酸35550酪蛋白45520对苯二酸50680多聚甲醛40410对羧基苯甲醛20380软木35470纤维素絮凝物55420棉花絮凝物50470木屑40430农产品及其它玉米及淀粉45470大豆40560小麦60470花生壳85570砂糖19410煤炭(沥青)35610肥皂45430干浆纸60480云博创意设计MzYunBo Creative Design Co., Ltd.。
空气中粉尘爆炸极限表
1. 简介
粉尘爆炸是指在粉尘浓度、空气含氧量、点火源三者共存的情况下,发生燃烧反应并产生爆炸。
粉尘爆炸不仅会给人类带来危险,还会造
成严重的经济损失。
因此,了解粉尘爆炸的极限值是工业安全控制的
重要内容之一。
本文档旨在介绍常见工业粉尘爆炸的极限值,供工程师、安全管理
人员参考。
2. 粉尘爆炸极限表
下表列出了部分粉尘的极限值,其中LFL为爆炸下限,UFL为爆炸
上限。
粉尘种类粉尘浓度范围LFL (%)粉尘浓度范围UFL (%)
木屑8-1275-100
纤维素11.195
羊毛2570
精细氧化铝4-6100
麻花卷(油烟)0.9-4.512-60
铝粉0.7-4.3100
黄磷 1.8-12100
粉尘种类粉尘浓度范围LFL (%)粉尘浓度范围UFL (%)
焦炭0.7-1.3100
非防爆场合煤尘50-100150
防爆场合煤尘20-5080-120
面粉6-1060-100
玉米粉5-1550-100
尿素30-40200-250
葵花籽豆腐30-3765-80
玄米10.771.3
3. 注意事项
1.本文档中所列数值为大致参考值,具体数值仍需要根据实
际情况进行定量测定;
2.粉尘物质本身是危险品,操作时应当注意与常见爆炸物隔
离,并采用适当的防护措施;
3.如有关于粉尘防爆的问题,请咨询专业人士。
4. 结论
粉尘爆炸极限值是工程师和安全管理人员在安全控制中必须考虑的重要因素之一。
希望本文档能够对工程师和安全管理人员在粉尘防爆方面提供参考和帮助。
镁20 520 镁铝合金50 535 锰210 450
热固性塑料绝缘胶木30 460 环氧树脂20 540 酚甲酰胺25 500 酚糠醛25 520
热塑性塑料缩乙醛35 440 醇酸155 500 乙基纤维素20 340 合成橡胶30 320 醋酸纤维素35 420 四氟乙烯- 670 尼龙30 500
丙酸纤维素25 460
聚丙烯酰胺40 410
聚丙烯腈25 500
聚乙烯20 410
聚对苯二甲酸乙
40 500
酯
聚氯乙烯- 660
聚醋酸乙烯酯40 550
聚苯乙烯20 490
聚丙烯20 420
聚乙烯醇35 520
甲基纤维素30 360
木质素65 510
松香55 440 塑料一己二酸35 550
次原料酪蛋白
45 520
对苯二酸50 680
多聚甲醛40 410
对羧基苯甲醛20 380
塑料填充剂软木35 470 纤维素絮凝物55 420 棉花絮凝物50 470 木屑40 430
农产品及其它玉米及淀粉45 470 大豆40 560 小麦60 470 花生壳85 570 砂糖19 410 煤炭(沥青)35 610
肥皂45 430
干浆纸60 480
(1)粉尘粒径越小,爆炸下限越低。
(2)氧浓度越高,爆炸下限越低。
(3)可燃挥发性成分含量越高,粉尘爆炸下限越低。
**指游离SiO2低于10%,不含石棉和有毒物质,而尚未制定容许浓度的粉尘。
表中列出的各种粉2尘(石棉纤维尘外),游离SiO2高于10%者,却按矽尘容许浓度对待。
酚甲酰胺25500酚糠醛25520
热塑性塑料缩乙醛35440
醇酸155500乙基纤维素20340合成橡胶30320醋酸纤维素35420四氟乙烯-670尼龙30500丙酸纤维素25460聚丙烯酰胺40410聚丙烯腈25500聚乙烯20410
聚对苯二甲酸乙
酯
40500聚氯乙烯-660聚醋酸乙烯酯40550聚苯乙烯20490聚丙烯20420
聚乙烯醇35520甲基纤维素30360木质素65510松香55440
塑料一次原料己二酸35550酪蛋白45520对苯二酸50680多聚甲醛40410对羧基苯甲醛20380
塑料填充剂软木35470纤维素絮凝物55420棉花絮凝物50470木屑40430
农产品及其它玉米及淀粉45470大豆40560小麦60470花生壳85570砂糖19410煤炭(沥青)35610
肥皂45430
干浆纸60480
(1)粉尘粒径越小,爆炸下限越低。
(2)氧浓度越高,爆炸下限越低。
(3)可燃挥发性成分含量越高,粉尘爆炸下限越低。
**指游离SiO2低于10%,不含石棉和有毒物质,而尚未制定容许浓度的粉尘。
表中列出的各种粉2尘(石棉纤维尘外),游离SiO2高于10%者,却按矽尘容许浓度对待。