钢筋焊接接头工艺检验报告
- 格式:xlsx
- 大小:12.43 KB
- 文档页数:1
项目钢筋焊接工艺性能试验报告施工单位:监理单位:杭州信达投资咨询估价监理有限公司项目监理部年月日目录第1章工程概况及专业工程特点 (1)1.1 工程概况 (1)1.2 编制依据 (1)1.3本工程钢筋焊接情况特点 (2)第2章钢筋电弧焊工艺性能试验要求 (4)2.1 试验目的 (4)2.2 施工准备 (4)2.3 操作工艺: (5)2.4 电弧焊焊接工艺性试验结论 (8)第3章钢筋电渣压力焊工艺性能试验要求 (9)3.1 试验目的 (9)3.2 施工准备 (9)3.3 操作工艺: (10)3.4 电渣压力焊焊接工艺性试验结论 (12)第4章钢筋闪光对焊(箍筋闪光对焊)工艺性能试验要求 (13)4.1 试验目的 (13)4.2 施工准备 (13)4.3 操作工艺: (14)4.4 电弧焊焊接工艺性试验结论 (17)第1章工程概况及专业工程特点1.1 工程概况工程名称:项目位置:建设单位(代建单位):设计单位:施工单位:勘察单位:监理单位:杭州信达投资咨询估价监理有限公司工程规模:(含建筑面积(市政工程为造价)、结构形式、抗震等级等情况)1.2 编制依据本工程设计图纸本工程合同文件:监理合同、施工合同本工程施工组织设计/施工方案本工程《材料见证取样计划》《钢筋焊接及验收规程》 JGJ18-2012《钢筋混凝土用钢第2部分热轧带肋钢筋》 GB1499.2-2007《钢筋混凝土用钢第1部分热轧光圆钢筋》 GB1499.1-2008《钢筋焊接接头试验方法标准》 JGJ/T 27-2014《混凝土结构工程施工质量验收规范》 GB50204-2015《混凝土结构工程施工规范》 GB50666-2011《钢结构工程施工规范》 GB50755-2012《钢结构焊接规范》 GB50661-20111.3本工程钢筋焊接情况特点1.3.1 本工程设计采用的钢筋牌号与规格序号钢筋牌号钢筋直径(mm)使用部位/用途1 □ HPB3002 □ HRB335 □ HRB335E3 □ HRB400 □ HRB400E4 □ HRB500 □ HRB500E1.3.2 本工程计划采用的钢筋焊接方式序号焊接方法接头形式规范允许的适用范围钢筋牌号钢筋直径(mm)1 闪光对焊HPB300HRB335 HRB335EHRB400 HRB400EHRB500 HRB500E8-228-408-408-402 箍筋闪光对焊HPB300HRB335 HRB335EHRB400 HRB400EHRB500 HRB500E6-186-186-186-183电弧搭接焊(双面焊、单面焊)HPB300HRB335 HRB335EHRB400 HRB400EHRB500 HRB500E10-2210-4010-4010-324 电渣压力焊HPB300HRB335 HRB335EHRB400 HRB400EHRB500 HRB500E12-2212-3212-3212-32备注:1.电弧焊含焊条电弧焊和二氧化碳砌体保护电弧焊。
项目钢筋焊接工艺性能试验报告施工单位:监理单位:杭州信达投资咨询估价监理有限公司项目监理部年月日目录第1章工程概况及专业工程特点工程概况工程名称:项目位置:建设单位(代建单位):设计单位:施工单位:勘察单位:监理单位:杭州信达投资咨询估价监理有限公司工程规模:(含建筑面积(市政工程为造价)、结构形式、抗震等级等情况)编制依据本工程设计图纸本工程合同文件:监理合同、施工合同本工程施工组织设计/施工方案本工程《材料见证取样计划》《钢筋焊接及验收规程》 JGJ18-2012《钢筋混凝土用钢第2部分热轧带肋钢筋》《钢筋混凝土用钢第1部分热轧光圆钢筋》《钢筋焊接接头试验方法标准》 JGJ/T 27-2014《混凝土结构工程施工质量验收规范》 GB50204-2015《混凝土结构工程施工规范》 GB50666-2011《钢结构工程施工规范》 GB50755-2012《钢结构焊接规范》 GB50661-2011本工程钢筋焊接情况特点本工程设计采用的钢筋牌号与规格本工程计划采用的钢筋焊接方式各钢筋牌号,规范允许采用的电弧焊焊条情况第2章钢筋电弧焊工艺性能试验要求钢筋焊条电弧焊是以焊条为一极,钢筋为另一极,利用焊接电流通过产生的电弧热进行焊接的一种熔焊方法。
本工艺具有不需特殊设备,操作工艺简单,技术易于掌握,可用于各种形状钢筋和工作场所焊接,质量可靠,施工费用较低等优点。
试验目的(1)通过焊接工艺性试验确定钢筋电弧焊的各项焊接参数,确保现场钢筋焊接质量。
(2)通过焊接工艺性试验并结合现场实际施工情况,选择合适的焊接形式。
施工准备机械设备电弧焊的主要设备是交流电焊机。
其各种参数见下表:人员配置:电弧焊主要人员:焊工名、安全员1名、电工1名、钢筋加工6名。
见证取样人员:监理人员1名。
焊接试验送检测机构检测,由项目监理机构现场见证取样检测材料(1)钢筋:采用公司生产的 mm、牌号为的钢筋,钢筋质保资料抄件、质量证明书、原材料见证取样检测报告齐全。
钢筋焊接接头试验方法标准钢筋焊接接头试验方法标准是对钢筋焊接接头进行质量检测的重要依据,它的制定和执行对于保障工程质量和安全具有重要意义。
本文将介绍钢筋焊接接头试验方法标准的相关内容,希望能够对相关人员有所帮助。
一、试验目的。
钢筋焊接接头试验的目的是为了检验焊接接头的质量,确保其满足工程要求,具有良好的可靠性和安全性。
二、试验内容。
1. 外观检查,对焊接接头的外观进行检查,包括焊接表面的平整度、焊缝的形状和尺寸等。
2. 尺寸检查,测量焊接接头的尺寸,包括焊缝的宽度、高度、长度等。
3. 焊接质量检验,通过对焊缝进行探伤、X射线或超声波检测,检验焊接接头的质量情况。
4. 强度试验,对焊接接头进行拉伸、弯曲等强度试验,检验其抗拉、抗弯性能。
5. 剪切试验,对焊接接头进行剪切试验,检验其剪切性能。
三、试验方法。
1. 外观检查,采用目视检查的方法,对焊接接头的外观进行检查,根据相关标准进行评定。
2. 尺寸检查,采用测量仪器进行尺寸检查,测量焊接接头的尺寸,记录数据并进行评定。
3. 焊接质量检验,根据工程要求,选择合适的检测方法进行焊接质量检验,确保焊接接头的质量。
4. 强度试验,采用万能试验机等设备进行强度试验,记录数据并进行评定。
5. 剪切试验,采用剪切试验机进行剪切试验,记录数据并进行评定。
四、试验要求。
1. 试验应按照相关标准进行,确保试验的准确性和可靠性。
2. 试验过程中应严格按照操作规程进行,确保试验结果的准确性。
3. 试验数据应进行记录和归档,便于查阅和分析。
4. 试验结果应符合工程要求,否则应进行相应的处理和整改。
五、试验注意事项。
1. 在进行试验前,应对试验设备进行检查和校准,确保设备的正常运行。
2. 在进行试验过程中,应严格按照操作规程进行,确保试验过程的准确性和可靠性。
3. 在试验结束后,应对试验数据进行整理和归档,便于后续的查阅和分析。
六、结论。
钢筋焊接接头试验方法标准是对钢筋焊接接头质量进行检验的重要依据,通过严格执行试验标准,可以确保焊接接头的质量,保障工程的安全和可靠性。
钢筋的焊接实验报告钢筋的焊接实验报告引言:钢筋焊接是建筑工程中常见的连接方法之一,它能够有效地提高钢筋的连接强度和稳定性。
本实验旨在通过对钢筋焊接的实验研究,探讨焊接参数对焊接质量的影响,为工程实践提供参考。
实验目的:1. 研究焊接电流对焊接接头强度的影响;2. 探究焊接时间对焊接接头质量的影响;3. 分析焊接过程中出现的缺陷及其原因。
实验材料和设备:1. 钢筋样品:直径为10mm的Q235钢筋;2. 焊接机:直流电弧焊机;3. 焊接电极:碳钢电极。
实验步骤:1. 准备工作:a. 将钢筋样品切割成相同长度的试样;b. 清理试样表面的油污和锈蚀;c. 将试样固定在焊接台上。
2. 焊接参数设定:a. 设置焊接电流:分别选取50A、80A和120A三个电流档位;b. 设置焊接时间:分别选取2秒、4秒和6秒三个时间档位。
3. 进行焊接实验:a. 分别使用不同的焊接电流和时间对试样进行焊接;b. 确保焊接接头的质量和焊缝的均匀性。
4. 实验结果记录与分析:a. 记录焊接接头的强度和外观;b. 分析焊接参数对焊接接头质量的影响。
实验结果与讨论:通过对焊接参数的变化实验,我们得到了以下结果:1. 焊接电流对焊接接头强度的影响:实验结果显示,焊接电流的增加会显著提高焊接接头的强度。
当焊接电流从50A增加到120A时,焊接接头的抗拉强度提高了约30%。
这是因为较高的焊接电流能够提供更大的热量,使焊接接头熔化更充分,从而增强了焊缝的连接性能。
2. 焊接时间对焊接接头质量的影响:实验结果显示,焊接时间的增加对焊接接头质量的提升作用有限。
当焊接时间从2秒增加到6秒时,焊接接头的强度仅提高了约5%。
这是因为焊接时间的增加并不会显著改变焊接接头的热量输入量,而焊接接头的强度主要受焊接电流的影响。
3. 焊接缺陷及其原因:在实验过程中,我们观察到了一些焊接缺陷,如焊缝不均匀、气孔和夹渣等。
这些缺陷主要是由焊接过程中的不良操作和焊接参数选择不当引起的。
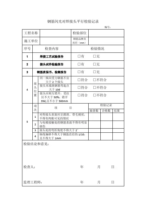
5 质量检验与验收5.1 一般规定5.1.1 钢筋焊接接头或焊接制品(焊接骨架、焊接网)应按检验批进行质量检验与验收。
检验批的划分应符合本章第5.2节~第5.8节的有关规定。
质量检验与检收应包括外观质量检查和力学性能检验,并划分为主控项目和一般项目两类。
5.1.2 纵向受力钢筋焊接接头验收中,闪光对焊接头、箍筋闪光对焊接头、电弧焊接头、电渣压力焊接头、气压焊接头、预埋件钢筋T形接头的连接方式检查和接头力学性能检验应为主控项目,焊接接头的外观质量检查应为一般项目。
主控项目的质量应符合本规程的有关规定。
5.1.3 非纵向受力钢筋焊接接头的质量检验与验收,包括焊接骨架、焊接网交叉钢筋电阻点焊焊点、钢筋与钢板电弧搭接焊接头为一般项目。
5.1.4 纵向受力钢筋焊接接头的连接方式应符合设计要求,并应全数检查,检验方法为目视观察。
5.1.5 纵向受力钢筋焊接接头的外观质量检查应符合下列规定:1每一检验批中应随机抽取10%的焊接接头;箍筋闪光对焊接头应随机抽取5%。
检查结果,当外观质量各小项不合格数均小于或等于抽检数的10%,则该批焊接接头外观质量评为合格。
2 当某一小项不合格数超过抽检数的10%时,应对该批焊接接头该小项逐个进行复检,并剔出不合格接头:对外观检查不合格接头采取修整或焊补措施后,可提交二次验收。
5.1.6 焊接接头外观检查时,首先应由焊工对所焊接头或制品进行自检;然后由施工单位专业质量检查员检验;监理(建设)单位进行验收记录。
5.1.7 施工单位专业检查员应检查焊接材料产品合格证和焊接工艺试验时的接头力学性能试验报告。
5.1.8 钢筋焊接接头力学性能检验时,应在接头外观检查合格后随机抽取试件进行试验。
试验方法应按现行行业标准《钢筋焊接接头试验方法标准》JGJ/T27有关规定执行。
试验报告应包括下列内容:1 工程名称、取样部位;2 批号、批量;3 钢筋生产厂家和钢筋批号,钢筋牌号、规格;4 焊接方法;5 焊工姓名及考试合格证编号;6 施工单位;7 力学性能试验结果。
建筑工程钢筋电弧焊电渣压力焊检验报告一、引言建筑工程中,钢筋电弧焊和电渣压力焊是常用的钢筋连接方法。
为了确保钢筋焊接质量符合规范要求,进行了相应的检验。
本报告将对钢筋电弧焊和电渣压力焊进行检验,并分析结果。
二、钢筋电弧焊检验钢筋电弧焊是将两根钢筋通过电弧焊接在一起的方法。
检验采用非破坏检验方法,主要包括外观检查、尺寸检查和焊缝质量评定。
1.外观检查通过对焊接部位的外观进行检查,判断焊缝的焊接质量。
焊缝应呈现均匀、连续、无明显裂纹、夹渣、气孔等缺陷。
2.尺寸检查对焊接部位的尺寸进行检查,包括焊缝宽度、高度以及间距等。
3.焊缝质量评定根据焊缝的外观和尺寸检查结果,评定焊缝的质量等级。
常见的质量等级有合格、不合格和待定。
三、电渣压力焊检验电渣压力焊是利用电流加热钢筋两端,同时施加压力使其熔化,然后冷却凝固的方法。
检验采用破坏性检验方法,主要包括抽样、拉伸试验和弯曲试验。
1.抽样根据规定的抽样数量和位置,在焊接接头处进行抽样,保证样品的代表性。
2.拉伸试验将样品放入拉伸试验机中,施加拉应力使其断裂,通过测量断裂前后的载荷和变形,确定钢筋焊接强度。
3.弯曲试验将样品放入弯曲试验机中,施加弯矩使其弯曲,通过观察样品的断裂形态,判断焊接质量。
四、检验结果分析通过钢筋电弧焊和电渣压力焊的检验,得到以下结果:1.钢筋电弧焊:外观检查结果显示焊缝表面均匀、无裂纹、夹渣和气孔,符合质量要求;尺寸检查结果显示焊缝尺寸满足规范要求,无偏大或偏小现象。
因此,钢筋电弧焊合格。
2.电渣压力焊:拉伸试验结果显示焊接强度满足规范要求,弯曲试验结果显示样品断裂形态符合要求。
因此,电渣压力焊合格。
综上所述,钢筋电弧焊和电渣压力焊的检验结果均符合规范要求,具备良好的焊接质量。
五、结论通过钢筋电弧焊和电渣压力焊的检验,确认其焊接质量符合规范要求,可以满足建筑工程对钢筋连接强度和稳定性的要求。
在日常施工中,应严格按照规范进行焊接操作,并进行必要的检验,确保焊接质量。
钢筋电弧焊工艺性能试验总结报告一、工程概况(选13标,主要说明几座桥、几道通道,钢筋多少t)二、试验依据(1)、《公路桥涵施工技术规范》(JTJ041-2000);《公路桥涵施工技术规范》(JTG/TF50-2011);(2)、《钢筋焊接及验收规程》(JGJ18-2003);(3)、设计文件。
三、操作工艺1、工艺流程检查机械设备→选择焊接参数→试焊作模拟试件→送试→确定焊接参数→施焊→质量检验。
2、接头形式(1)钢筋帮条焊接头,其形式如下图所示。
1)操作要点①、先将主筋和帮条间用四点定位焊固定,离端部约20mm,主筋间隙留2~5mm。
②、施焊应在帮条内侧开始打弧,收弧时弧坑应填满,并向帮条一侧拉出灭弧。
③、尽量施水平焊,需多层焊时,第一层焊的电流可以稍大,以增加熔化深度,焊完一层之后,应将焊渣清除干净,当需要立焊时,焊接电流应比平焊减少10%~15%。
④、帮条焊接头的焊缝厚度s不应小于主筋直径的0.25倍;焊缝宽度 b 不应小于主筋直径的0.7倍见下图b—焊缝宽度;s—焊缝厚度;d—钢筋直径2)帮条焊帮条长度要求,如下表所示。
(2)、钢筋搭接焊接头,其形式如下图所示。
1)、操作要点其制作要点除注意对钢筋搭接部位的预弯和安装,应确保两钢筋轴线相重合之外,其余则与帮条焊工艺基本相同。
2)、钢筋搭接长度,如应下表所示。
3)、搭接焊接头的焊缝厚度s不应小于主筋直径的0.25倍;焊缝宽度 b 不应小于主筋直径的0.7倍,具体如下图所示。
(a)双面焊;(b)单面焊:b 一焊缝宽度;s 一焊缝厚度;d 一钢筋直筋;l 一搭接长度 d 一钢筋直径3、电焊设备选择采用ZX6-500直流弧焊机,其参数如下表所示4、焊条按照《钢筋焊接及验收规程》JGJ18-2003的有关规定,焊条采用E5016型。
5、人员配置:电弧焊主要人员:焊工1名、试验人员1名、试验协作工1名、安全员1名、电工1名、钢筋加工2名。
6、作业条件:(1)、焊工经培训考核,持证上岗;(2)、钢筋外观检测和物理性能复检合格;(3)、弧焊机等机具设备完好,焊机按规定操作接通电源,电源符合施焊要求;(4)、焊工必须持相应等级焊工证才允许上岗操作四、试验检测结果在接头外观检查合格后抽取试件进行试验,电弧焊接头拉伸试验结果应符合《钢筋焊接及验收规程》JGJ18-2003。
钢筋Ф22搭接焊工艺试验报告编号:编制:技术人员:批准:单位:日期:表B-1 焊接工艺试验报告目录焊接工艺试验报告焊接工艺卡共1页第1页工程名称钢筋试件指导书编号HJZD008母材钢号HRB335 规格Ф22 供货状态甲供生产厂家西林焊接材料生产厂家材料类型烘干制度(℃×h)备注焊条天津金桥\ J422 150×2烘干2小时焊丝\ \ \ \ \焊剂或气体\ \ \\ \ 焊接方法单面焊接焊接位置搭接焊焊接设备型号BX-630 电源及极性交流预热温度(℃) \ 层间温度后热温度(℃)及时间(min)\焊后处理手工清理接头尺寸图图表:搭接≥10d焊接顺序图焊接工艺参数道次焊接方法焊条或焊丝焊剂或保护气保护气流量(1/min)电流(AC)电压(V)焊接速度(m/h)热输入(kl/cm)备注牌号Φ(㎜)1 单面焊J422 3.2 \ \ 110 380 25 m/h 300-350 \焊前清理角向磨光机层间清理接头处理人工清理技术措施其他:1、焊接经150℃烘培2小时。
2、焊接处清除铁锈、油物、水分等杂物质。
编制日期年月日审核日期年月日焊接工艺试验指导书共1页第1页工程名称钢筋试件指导书编号HJZD008母材钢号HRB335 规格Ф22 供货状态甲供生产厂家西林焊接材料生产厂家材料类型烘干制度(℃×h)备注焊条天津金桥\ J422 150×2烘干2小时焊丝\ \ \ \ \焊剂或气体\ \ \\ \ 焊接方法单面焊接焊接位置搭接焊焊接设备型号BX-630 电源及极性交流预热温度(℃) \ 层间温度后热温度(℃)及时间(min)\焊后处理手工清理接头尺寸图图表:搭接≥10d焊接顺序图焊接工艺参数道次焊接方法焊条或焊丝焊剂或保护气保护气流量(1/min)电流(AC)电压(V)焊接工艺参数道次焊接方法牌号牌号Φ(㎜)1 单面焊J422 3.2 \ \ 110 1 单面焊J422焊前清理角向磨光机层间清理接头处理人工清理技术措施其他:1、焊接经150℃烘培2小时。
杭黄铁路站前VII标大章坑大桥钢筋焊接工艺试验报告承包人:中铁二局杭黄铁路站前Ⅶ标监理人:华铁咨询杭黄铁路监理Ⅶ标2015年7月25日目录1、钢筋电弧焊工艺性试验报告2、金属(焊接)拉伸试验报告3、电焊工操作证书4、钢筋电弧焊接作业指导书钢筋电弧焊工艺性试验报告电弧焊是利用弧焊机使焊条与焊件之间产生电弧,熔化焊条与焊件的金属,凝固后形成焊接接头。
本工艺具有不需特殊设备,操作工艺简单,技术易于掌握,可用于各种形状钢筋和工作场所焊接,质量可靠,施工费用较低等优点。
一、指导依据:1、铁路桥涵施工技术规范TB10203-20022、钢筋焊接及验收规程JGJ18-20123、钢筋混凝土用钢第2部分热轧带肋钢筋GB1499.2-20074、钢筋焊接接头试验方法标准JGJ/T 27-20145、金属材料拉伸试验第1部分:室温试验方法GB/T 228.1-20106、金属材料弯曲试验方法GB/T 232-2010二、试验目的:(1)通过焊接工艺性试验确定钢筋电弧焊的各项焊接参数,确保现场钢筋焊接质量;(2)通过焊接工艺性试验并结合现场实际施工情况,选择合适的焊接形式。
三、施工准备:1、机械设备电弧焊的主要设备是BX1-500交流电焊机。
其各种参数见下表:2、人员配置:电弧焊主要人员:焊工2名、试验人员1名、安全员1名、电工1名、钢筋加工6名。
3、材料(1)钢筋:采用冷浙江富钢金属制品有限公司生产的热轧光圆钢筋HPB300Φ16,钢筋出厂质量证明书、钢筋牌号齐全。
(2)焊条:牌号应符合设计要求,并应按焊条说明书的要求进行烘焙后使用(焊接前一般在250~300℃烘箱内烘干),如设计无规定时,可按下表选用。
钢筋电弧焊焊条型号四、操作工艺:工艺流程:检查机械设备→选择焊接参数→试焊作模拟试件→送试→确定焊接参数→施焊→质量检验钢筋电弧焊分帮条焊、搭接焊、坡口焊和熔槽四种接头形式,本工艺性试验采用HPB300Φ16双面搭接焊。
建筑工程项目钢筋焊接工艺试验报告承包单位: xx监理单位: xx2015年 6 月 20日DXSJZGL目录1、钢筋电弧焊工艺性试验报告2、钢筋强度和最大力下总伸长率试验报告3、产品质量证明书4、钢筋焊接接头试验报告5、电焊工操作证书6、钢筋电弧焊接作业指导书钢筋电弧焊工艺性试验报告电弧焊是利用弧焊机使焊条与焊件之间产生电弧,熔化焊条与焊件的金属,凝固后形成焊接接头。
本工艺具有不需特殊设备,操作工艺简单,技术易于掌握,可用于各种形状钢筋和工作场所焊接,质量可靠,施工费用较低等优点。
一、指导依据:1、混凝土施工质量验收规范GB50204-2002 (2010 版)2、钢筋焊接及验收规程JGJ 18-20123、钢筋混凝土用钢第 2 部分热轧带肋钢筋GB1499.2-20074、钢筋焊接接头试验方法标准JGJ/T 27-20015、金属材料拉伸试验第 1 部分 : 室温试验方法GB/T 228.1-20106、金属材料弯曲试验方法GB/T 232-2010二、试验目的:(1)通过焊接工艺性试验确定钢筋电弧焊的各项焊接参数,确保现场钢筋焊接质量;(2)通过焊接工艺性试验并结合现场实际施工情况,选择合适的焊接形式。
本次试验确定的连接施工工艺及参数适用于本项目工程内所有混凝土的钢筋焊接连接制作安装施工。
三、试验准备:1、机械设备电弧焊的主要设备是ZX6-500 直流弧焊机。
其各种参数见下表:额定额定电额定焊产品型电源电空载电电流调负载流接电流号压( V)压( V)节范围持续(KVA)(A)率ZX6-500 3~380 28 78 500 60-500 602、人员配置:电弧焊主要人员:焊工 1 名、试验人员 1 名、安全员 1 名、电工 1 名、钢筋加工 2 名。
3、材料( 1)钢筋:采用酒钢集团钢铁股份有限公司生产的热轧带肋HRB400,钢筋出厂质量证明书、钢筋牌号齐全。
(2)焊条:牌号应符合设计要求,并应按焊条说明书的要求进行烘焙后使用(焊接前一般在 250 ~300℃烘箱内烘干),如设计无规定时,可按下表选用。
5 质量检验与验收5.1 一般规定5.1.1 钢筋焊接接头或焊接制品(焊接骨架、焊接网)应按检验批进行质量检验与验收。
检验批的划分应符合本章第5.2节~第5.8节的有关规定。
质量检验与检收应包括外观质量检查和力学性能检验,并划分为主控项目和一般项目两类。
5.1.2 纵向受力钢筋焊接接头验收中,闪光对焊接头、箍筋闪光对焊接头、电弧焊接头、电渣压力焊接头、气压焊接头、预埋件钢筋T形接头的连接方式检查和接头力学性能检验应为主控项目,焊接接头的外观质量检查应为一般项目。
主控项目的质量应符合本规程的有关规定。
5.1.3 非纵向受力钢筋焊接接头的质量检验与验收,包括焊接骨架、焊接网交叉钢筋电阻点焊焊点、钢筋与钢板电弧搭接焊接头为一般项目。
5.1.4 纵向受力钢筋焊接接头的连接方式应符合设计要求,并应全数检查,检验方法为目视观察。
5.1.5 纵向受力钢筋焊接接头的外观质量检查应符合下列规定:1每一检验批中应随机抽取10%的焊接接头;箍筋闪光对焊接头应随机抽取5%。
检查结果,当外观质量各小项不合格数均小于或等于抽检数的10%,则该批焊接接头外观质量评为合格。
2 当某一小项不合格数超过抽检数的10%时,应对该批焊接接头该小项逐个进行复检,并剔出不合格接头:对外观检查不合格接头采取修整或焊补措施后,可提交二次验收。
5.1.6 焊接接头外观检查时,首先应由焊工对所焊接头或制品进行自检;然后由施工单位专业质量检查员检验;监理(建设)单位进行验收记录。
5.1.7 施工单位专业检查员应检查焊接材料产品合格证和焊接工艺试验时的接头力学性能试验报告。
5.1.8 钢筋焊接接头力学性能检验时,应在接头外观检查合格后随机抽取试件进行试验。
试验方法应按现行行业标准《钢筋焊接接头试验方法标准》JGJ/T27有关规定执行。
试验报告应包括下列内容:1 工程名称、取样部位;2 批号、批量;3 钢筋生产厂家和钢筋批号,钢筋牌号、规格;4 焊接方法;5 焊工姓名及考试合格证编号;6 施工单位;7 力学性能试验结果。
钢筋焊接接头检测报告
共页第页委托单位报告编号
样品名称样品编号
施工单位样品状态
工程名称样品数量
工程部位接头形式
焊接方法焊工证号
焊工姓名代表数量
代表批次委托日期
检测类别委托人
检测依据检测日期
检测地址检测环境
检测内容
样品编号
牌号
接头数量
钢筋生产厂家
钢筋批号
工程部位焊缝长度
(mm)
抗拉强度
(MPa)
断裂位置
(mm)
断裂特征
冷弯试验
90°
检测结论
检测结论
检测结论
检测说明
见证单位:见证人:
批准:审核:主检:检测单位检测专用章(盖章)
签发日期:年月日
钢筋焊接接头检测原始记录
共
页第页
样品名称样品编号样品状态规格型号检测环境检测日期
检测依据设备名称设备编号设备状态
检
测
内
容
样品编号
公称直径(mm)
公称横截面积(mm 2
)
最大力
m
F (kN)
抗拉强度(MPa)焊缝长度(mm)断裂位置(mm)断裂特征
弯曲试验90
弯曲压头
直径(mm)
冷弯结果
检测说明抗拉强度
校核:
主检:。