弹性拉毛施工工艺
- 格式:doc
- 大小:26.50 KB
- 文档页数:3
工程施工中,拉毛是一个常见的工艺流程,尤其在建筑装修和道路施工中。
拉毛是指在混凝土或墙面基层上进行处理,使其表面变得粗糙,以提高基层与覆盖材料之间的粘结力。
本文将详细介绍工程施工中拉毛的施工方案、工艺流程及注意事项。
一、施工方案1. 工程概况以某道路路面改造工程为例,该项目位于苍溪县经济开发区紫云大道,起止桩号为K0000-K0900,路线全长0.9公里。
本合同段混凝土路面拉毛长度为21260米。
2. 工期计划施工现场断交:为确保施工顺利进行,防止交通混乱,对施工范围内进行断交通知,并安排专门的安全员在现场指挥。
动工时间定于2021年8月3日,计划完工时间为2021年8月10日。
施工人员和管理人员共计4人,配备1台10吨水车、1台FS390铣刨拉毛机。
3. 施工准备工作(1)待水稳养护期满后,进行混凝土拉毛路面工程施工。
(2)施工顺序:人员设备齐全,测量放样,基层检验和整修,路面清扫,机械拉毛。
二、基层检验与整修1. 基层检验基层的宽度、路拱与标高、表面平整度、厚度和压实度等,均需检查是否符合规范要求。
如有不符之处,应进行整修。
在工程实践中,要求基层完成后,应加强养护,控制行车,防止出现车槽。
如有损坏,应在浇筑混凝土板前采用相同材料维修压实,严禁用松散粒料填补。
2. 测量放样测量放样是水泥混凝土路面施工的重要环节。
首先,依照设计图纸放出中心线及边线,设置胀缝、缩缝、曲线起止点等桩位。
同时,根据放好的中心线及边线,在现场核对施工图纸的混凝土分块线。
要求分块线距窨井盖及其他公用事业设施适当距离。
三、拉毛工艺1. 拉毛处理拉毛是在基层面上进行砂浆抹面后,立即采用抹子或手接触抹灰面,将抹灰面的砂浆表面带出毛面。
拉毛是混凝土凝固前,采用人工或机械设备在混凝土表面拉动,使混凝土表面达到0.5毫米以上的粗糙度。
2. 拉毛材料拉毛材料通常为水泥砂浆,可根据需要加入石灰、活性掺合料或外加剂。
拉毛时,只需添加墙固和425标号硅酸盐水泥,不掺水或建筑胶水。
嘉宝莉弹性外墙漆旧墙翻新施工方案嘉宝莉建筑外墙产品涂装配套体系为用户提供优异的装饰与保护品质保证,弹性拉毛面漆与高性能专用外墙抗碱底漆的配套更是兼顾艺术特质与解决开裂的完美体现。
适用于各类建筑物外墙装饰。
具有极佳的装饰性,优良的漆膜机械性能,优异的耐气候性,以及非常好的耐污染性欲开裂功能,以及非常好的保光、保色性:施便捷、防藻性能优良、无毒无害、不污染环境。
通过对施工现场以及周边环境进行认真的勘察,施工难度较大、此工程生活区屋面无法安装吊篮,需用吊绳,俩工作人员为一组,施工人员各一条吊绳,中间加一条保险绳,俩工作人员必须把保险扣附加在保险绳上扣死,以防坠下。
屋面上绳子栓住口必须打死结。
现提供3种施工方案,供贵公司参考。
一、第一种方案:1、清洗墙面:用高压水枪对整体墙面进行冲洗,将表面浮灰清理干净.2、墙面找补:将原墙体有破损的地方用外墙装用腻子进行找补,使整体平整。
3、用外墙专用补缝腻子将整体批刮一道,把原有墙体龟裂补刮无缝4、打磨清洁:待腻子干透后用320#砂纸打磨墙面,要求墙面无刀痕,,除去浮灰。
5、涂刷嘉宝莉漆抗碱漆一道,待墙体干透后,用水性透明抗碱底漆涂刷一道,要求无漏刷,均匀涂布。
6、涂刷嘉宝莉漆二道底漆完全干燥后,涂刷弹性外墙漆二道,要求无漏刷,均匀涂布。
二、第一种方案报价:1、吊绳费用:2。
5元/m22、人工费:6元/m23、腻子1。
8元/m24、抗碱底漆:2。
3元/m25、弹性面漆(平涂)13。
3元/m2合计:25。
9元第二种方案1、清洗墙面:用高压水枪对整体墙面进行冲洗,将表面浮灰清理干净。
2、墙面找补:将原墙体破损的地方四周边是否有空鼓现象,清除之实体为主,特别是混凝土与砖墙体结合处,泥工应凿开破裂面,清除之墙底,清除灰尘,用1:1901胶水进行清底,用铁丝网在周边进行加固,后用抗裂砂浆找平,待基底干燥后,应用自来水进行保养,使基层不再开裂。
将原墙体破损的地方用外墙专用腻子进行冲洗,将表面浮灰清洗干净。
外墙复层弹性拉毛涂料施工工艺1、使用范围为了便于施工过程中的管理工作,确保外墙粉饰工程的施工质量,特制订本工艺。
本工艺适用于水泥砂浆、混合砂浆、粉刷石膏、纤维增强水泥板、混凝土预制板、现浇混凝土等室外基层上进行复层拉毛氟碳漆的施工。
2、施工准备2.1 材料准备(1)柔性抗裂腻子:是一种粉状腻子,用于基材的找平,符合JGT229-2007《外墙外保温柔性耐水腻子》标准的规定。
(2)抗碱底漆:是一种水性涂料,用于基层封闭,提高基层本身的强度与密实性,与主涂料要有较好的配套性。
(3)柔性拉毛中涂:作为涂料的主涂层,形成装饰质感,质量应符合GB9779-2005《复层建筑涂料》标准的规定。
(4)罩面漆:应符合GB/T 9755—2001《合成树脂乳液外墙涂料》标准的规定。
2.2工具和用品准备油灰刀、钢丝刷、腻子刮刀或刮板、腻子托板、砂纸、辊筒、排笔、油漆刷、手提式电动搅拌机、匀料板、空压机、尺、粉线包、薄膜胶带、美纹纸、遮挡板、遮盖纸、塑料防护眼镜、口罩、手套、工作服、胶鞋。
2.3技术准备(1)基底检查验收基层抹灰达到要求,表面抹平压实收光,颜色一致,无刷纹、抹痕,抹灰接茬要平整。
无空鼓、裂纹、无空洞、酥粉、起壳,粉化等不良现象。
垂直度、平整度、强度等达到有关验收规范要求:a 、表面无泥土、浮尘、油污等杂物b 、分格缝深浅一致,横平竖直,无缺棱掉角,滴水线顺直、牢固,无表卖弄缺陷,反水坡度按设计要求,基面阴阳角顺直、方正。
c 、墙面上各种构件、预埋件、水暖、电器、空调等均应按设计要求及早安装定位,外露钢铁件须做好除锈、防锈处理。
d 、基层PH值要求小于10,含水率小于10%;基层抹灰干燥期夏季应干燥10天,冬季20天以上。
(2)样板施工面积较大时,应按设计要求做出样板,经设计、建设单位认可后,作为验收依据。
(3)现场脚手架与墙面的距离适宜,架板要有足够的长度,不少于三个支撑点。
这单外窗,避免施工时被涂料沾污。
弹性拉毛漆篇--产品及施工介绍弹性拉毛漆弹性拉毛漆由弹性丙烯酸共聚物,进口助剂等精制而成,是一种立体结构花纹厚浆涂料,具有防水、抗裂缝及易清洗污渍等功能。
弹性拉毛漆具有凹凸质感和纹理,可修补裂缝,饰面效果突出,立体感强,效果抽象,耐污染,耐腐浊。
颜色有金色、银色、珍珠色和普通色(色全),可以根据设计要求确定颜色。
产品特性:弹性拉毛漆绿色环保、不褪色、不起皮、不开裂、耐酸、耐碱、耐擦洗;可营造出人物、山水、卡通等如诗如画的生活空间;装饰效果豪华典雅,图案精美亮丽,色泽丰富柔和如锦似缎,可根据消费者需求随意设计多种图案。
应用范围:弹性拉毛漆适用于外墙上或者内墙装饰如电视背景、沙发背景、床背景、玄关背景、餐厅背景,以及各种商业、娱乐、餐厅、宾馆等场所的墙面装饰。
弹性拉毛涂料施工工艺1、此工艺适用范围为了便于施工过程中的管理工作,确保外墙粉饰工程的施工质量,特制订本工艺。
本工艺适用于水泥砂浆、混合砂浆、粉刷石膏、纤维增强水泥板、混凝土预制板、现浇混凝土等室外基层上进行复层弹性拉毛涂料的施工。
2、施工准备2.1材料准备(1)柔性抗裂腻子:是一种粉状腻子,用于基材的找平,符合JGT229-2007《外墙外保温柔性耐水腻子》标准的规定。
(2)弹性拉毛中涂:作为涂料的主涂层,形成装饰质感,质量应符合GB9779-2005《复层建筑涂料》标准的规定。
(3)抗碱底漆:是一种水性涂料,用于基层封闭,提高基层本身的强度与密实性,与主涂料要有较好的配套性。
(4)弹性面漆:外墙弹性涂料应符合JG/T172—2005《弹性建筑涂料》标准的规定。
2.2工具和用品准备油灰刀、钢丝刷、腻子刮刀或刮板、腻子托板、砂纸、辊筒、排笔、油漆刷、手提式电动搅拌机、匀料板、空压机、尺、粉线包、薄膜胶带、美纹纸、遮挡板、遮盖纸、塑料防护眼镜、口罩、手套、工作服、胶鞋。
2.3技术准备(1)基底检查验收基层抹灰达到要求,表面抹平压实收光,颜色一致,无刷纹、抹痕,抹灰接茬要平整。
外墙拉毛漆工艺流程
一、基层处理
在开始外墙拉毛漆施工前,必须对基层进行妥善处理。
基层应平整、干燥、无油污、无浮灰,且具备一定的强度。
如有裂缝、凹凸不平等问题,应提前修补和找平。
二、腻子层施工
在基层处理完成后,进行腻子层施工。
腻子应均匀涂抹在基层上,并使用抹子或刮板确保表面平整。
腻子层干燥后,应检查表面是否平整、无裂缝,如有必要,进行打磨处理。
三、底漆施工
腻子层干燥后,进行底漆施工。
底漆的主要作用是增强面漆的附着力,提高墙面的耐久性。
底漆应均匀涂刷在基层上,避免出现流挂、漏涂等现象。
四、粘贴分隔线
底漆干燥后,根据设计要求,粘贴分隔线。
分隔线应顺直、间距均匀,确保整体美观。
五、拉毛漆施工
分隔线粘贴完成后,进行拉毛漆施工。
拉毛漆施工的关键在于控制拉毛的密度和长度,以达到预期的纹理效果。
施工时应采用专用的拉毛工具,按照规定的
操作方法进行施工。
六、面漆施工
拉毛漆干燥后,进行面漆施工。
面漆应均匀涂刷在拉毛漆上,确保颜色一致、光泽度良好。
面漆施工完毕后,应检查墙面是否平整、无漏涂、无流挂等现象。
七、局部修补
面漆施工完成后,对整个墙面进行检查,如有局部缺陷,应及时进行修补。
修补时应选择与整体墙面颜色相同的漆料,确保修补后的墙面与整体墙面颜色一致、无痕迹。
通过以上步骤的详细执行,可以完成外墙拉毛漆的施工工艺流程。
在施工过程中,应严格控制每一步骤的质量,确保整体施工效果达到预期要求。
墙面拍浆拉毛工艺流程以下是墙面拍浆拉毛工艺流程的更口语化版本:一、准备工作打扫战场:清理墙面:把墙上的灰、油、旧漆、脱模剂等脏东西都扫干净,让墙面光溜溜的。
湿润墙面:用水喷一喷墙面,让它有点湿但又不能有水珠,这样浆糊才能更好地粘上去。
工具集合:搅拌工具:找个桶、搅拌棒、量杯、铲子什么的。
施工家伙:找块专用的拍浆板(或者毛刷、滚筒也行),再准备个刮刀、抹子。
二、拌浆料选料:主料:用普通的42.5硅酸盐水泥,这是浆料的主力。
辅料:根据需要加点专用建筑胶粉(或者墙固),让浆料更粘、更不容易裂。
调比例:按推荐比例(比如水泥:水:胶粉=1:1:0.08)混在一起,也可以根据实际情况和说明书稍微调整。
搅拌均匀:把材料倒进桶里,用搅拌棒疯狂搅动,直到没有疙瘩、沉底,大概搅个两分钟就行。
注意:搅拌好的浆糊要快点用,一般建议3小时内用完,不然就变硬了。
三、拍浆操作涂浆糊:涂刷:用滚筒或毛刷把浆糊均匀地涂到墙面上,从上往下刷,别漏涂、别流得到处都是。
水分控制:根据不同的要求,有时候浆糊直接涂一层就行了,不需要加水或沙子;有时候则要保持一定的湿度,让浆糊能紧紧贴住墙面。
拍打出毛:拍打:趁浆糊还没干透但已经有点粘稠的时候(大概涂刷后几分钟),用拍浆板用力拍打墙面,让它长出一排排的小刺,刺的长度大概5-8mm。
全面覆盖:拍打要均匀,整个墙面都要拍到,厚度要一样,别有的地方厚有的地方薄。
检查补拍:检查:拍打完后,看看墙面是不是达到预期的效果,有漏拍或拍得不够的地方要及时补拍。
连通性:确保每一根刺都能和其他刺连在一起,形成一个黏糊糊的网,这样才能让后面的装饰材料牢牢粘住。
四、收尾工作晾干:自然晾干:让拍打好的墙面自然晾干,别用手摸、别泼水,否则会破坏小刺。
干燥时间:根据天气和浆糊的特性,可能需要晾个3-6小时,等浆糊完全干透,用手摸上去不粘手就可以了。
后续处理:继续装修:如果还要贴瓷砖、刷漆什么的,那就按照相应的工艺接着干。
拉毛处理施工方案1. 概述拉毛处理是一种常用的施工技术,用于改善混凝土或水泥地面的质量和使用性能。
拉毛处理可以增加地面的防滑性、减少水泥层的收缩和开裂,并且提高地面的均匀性和美观度。
本文档将介绍拉毛处理的施工方案,包括准备工作、材料和工具、施工步骤等内容。
2. 准备工作在进行拉毛处理之前,需要进行一些准备工作,以确保施工顺利进行。
下面是一些准备工作的步骤:2.1 检查基层条件在进行拉毛处理之前,需要对基层进行检查。
确保基层表面平整、干燥、无油污和杂物等。
如果存在坑洼或凹凸不平的情况,需要先进行修补和调整。
2.2 清洁基层表面使用清洁工具,如扫帚或吸尘器,清除基层表面的灰尘和杂物。
确保基层表面干净,以便后续施工。
2.3 准备拉毛工具和材料准备好需要使用的拉毛工具和材料,包括拉毛刀、拉毛板、水泥砂浆等。
确保这些工具和材料的质量良好,并符合相关标准和要求。
3. 施工步骤3.1 铺设水泥砂浆首先,将水泥砂浆均匀铺设在基层表面。
可使用喷涂机、抹灰机或手工等方法进行水泥砂浆的铺设。
3.2 抹平水泥砂浆使用抹灰工具将铺设的水泥砂浆进行抹平。
确保水泥砂浆的厚度均匀,并且表面平整。
3.3 等待水泥砂浆初凝在水泥砂浆铺设和抹平后,需等待水泥砂浆初凝。
初凝时间根据水泥砂浆的种类和气温等因素而定。
一般来说,初凝时间为2-4小时。
3.4 进行拉毛处理在水泥砂浆初凝后,使用拉毛刀和拉毛板进行拉毛处理。
将拉毛刀放置在水泥砂浆表面上,沿着预定的方向进行拉毛。
拉毛时要保持力度均匀和速度一致,以获得均匀且美观的拉毛效果。
3.5 处理边角和坑洼在完成整体拉毛处理后,需要对边角和坑洼等地方进行特殊处理。
使用小型的拉毛工具进行边角和坑洼处的修整,以保证整体的一致性和平整度。
3.6 润湿和养护完成拉毛处理后,需要进行水湿和养护工作。
可以使用喷水器或喷涂机对地面进行润湿,以防止水泥层的干裂。
同时,需进行适当的养护措施,如覆盖塑料薄膜、喷洒养护剂等。
※弹性拉毛乳胶漆施工指南施工方式:滚涂,滚涂时需选用拉毛专用滚筒。
表面处理:被涂表面必须干燥(含水率低于6%)、清洁、无油和其它附着物。
底漆配套:J R207H或J R-807H封闭底漆。
稀释:不能稀释。
※内墙乳胶漆施工指南施工方式:刷涂、锟涂、喷涂。
基面处理:涂装表面要求清洁、平整、干燥、含水率小于10%,P H≤10;基层刮腻子后,打磨平整,清除浮尘,用乳胶封底漆先涂一遍,待干后再涂面漆,末干燥时,请勿与聚氨酯类涂料同地同时施工。
配套系统:底漆:J R207H或J R-807H封闭底漆一层,面漆二层。
稀释:用20%以下的清水稀释至施工粘度。
※外墙乳胶漆施工指南施工方式:刷涂、锟涂、喷涂。
基面处理:基层表面要求平整干净,无油垢。
新墙面必须合理养护,批、嵌好裂缝和连接点。
配套系统:底漆:J R207H或J R-807H封闭底漆一层,面漆二层。
稀释:用20%以下的清水稀释搅拌均匀至施工粘度。
一、原漆储中漆病的解决1、沉淀:颜料沉淀不能再分散可能原因:A、生产过程中过热;B、储存期间搅拌或摇动不足够;C、储存过久;D、储存温度过高;E、稀释过量使比重及漆粘度降低,令颜料不能悬浮;F、用不合适的材料稀释。
防止方法:A、生产过程中控制浆料温度低于55℃B、避免过热或长期储存C、按生产商的提示储存D、按生产商指定的稀释剂稀释2、结皮可能原因:A、容器不密封B、储存在很温暖的条件下防止方法:A、避免不必要的开启漆桶B、保证容器密封C、指示储存在合适条件下。
3、粘度降低(储存期间粘度降低并产生异味)可能原因:结菌降解树酯的蛋白质和其他增稠剂防止方法:丢弃二、内墙漆膜弊病的解决1、粉化产生原因:低湿引起的乳胶无法凝结,涂料过量稀释,涂层太薄,不使用底漆,碱性侵蚀面漆,或底材吸水过快。
解决方法:去除粉化部分,直至露出坚实基面,打底重涂。
2、光泽上升漆膜在受到摩擦,或其它物品刮过后,表面的光泽上升。
产生原因:在走动频繁处,使用了哑光涂料,改用稍有光泽较适宜,频繁的擦洗、物体(如家具)擦过墙面,使用了品质较差的涂料,耐擦洗性能差。
外墙拉毛漆施工工艺流程外墙拉毛漆施工工艺流程外墙拉毛漆施工工艺是一种常用于建筑外墙装饰的工艺,它能够增加墙面的强度和美观度。
下面就介绍一下外墙拉毛漆施工工艺的流程。
首先,准备工作是非常重要的。
施工前需要对墙面进行清洁和修补。
墙面上的细小裂缝需要用腻子进行填平,大裂缝则需要用防水胶进行修补。
墙面上的灰尘和油污需要用水或清洁剂进行清洁,以确保漆面的附着力。
第二步是进行底漆处理。
底漆是保证漆层附着力的重要环节,需要根据不同的墙面材料选择合适的底漆。
在施工前,先用滚筒涂刷底漆,覆盖整个墙面。
底漆需要等待干燥后才能进行下一步的工艺。
第三步是拉毛处理。
拉毛是指用特殊的工具在底漆干燥后在墙面上来回横拉,以产生细小的纵横纹理。
拉毛可以增加墙面的质感,并且能够提升墙面的耐久性。
在拉毛处理时,需要注重力度和方向的统一,使得整个墙面纹理一致。
拉毛完成后需要等待漆面干燥。
第四步是中涂漆处理。
中涂漆是用来增强墙面的色彩饱和度和光泽度的。
根据实际需求选择合适的颜色和品牌的中涂漆,在墙面上均匀涂刷。
中涂漆需要待其干燥后进行下一步的工艺。
最后一步是面涂漆处理。
面涂漆是拉毛漆施工工艺的最后一道工序,它是用来保护中涂漆和墙面的。
面涂漆可以选择有多种效果的漆,如哑光漆、亚光漆、亮光漆等。
在面涂漆时,需注意均匀涂刷,以及防止漆面出现滴落等问题。
面涂漆完成后,整个漆面需要等待一段时间来确保干燥。
总结起来,外墙拉毛漆施工工艺流程包括准备工作、底漆处理、拉毛处理、中涂漆处理和面涂漆处理。
这些步骤都需要仔细操作和耐心等待漆面干燥,才能够保证外墙拉毛漆施工的质量和效果。
只有经过专业的施工工艺流程,才能使得外墙漆面保持持久的美观和保护功能。
墙体拉毛施工工艺流程下载温馨提示:该文档是我店铺精心编制而成,希望大家下载以后,能够帮助大家解决实际的问题。
文档下载后可定制随意修改,请根据实际需要进行相应的调整和使用,谢谢!并且,本店铺为大家提供各种各样类型的实用资料,如教育随笔、日记赏析、句子摘抄、古诗大全、经典美文、话题作文、工作总结、词语解析、文案摘录、其他资料等等,如想了解不同资料格式和写法,敬请关注!Download tips: This document is carefully compiled by theeditor.I hope that after you download them,they can help yousolve practical problems. The document can be customized andmodified after downloading,please adjust and use it according toactual needs, thank you!In addition, our shop provides you with various types ofpractical materials,such as educational essays, diaryappreciation,sentence excerpts,ancient poems,classic articles,topic composition,work summary,word parsing,copy excerpts,other materials and so on,want to know different data formats andwriting methods,please pay attention!墙体拉毛施工工艺流程详解墙体拉毛,又称墙面糙化处理,是一种常见的建筑装饰工艺,主要用于增强墙面的附着力,提高涂料或瓷砖等材料的粘结效果。
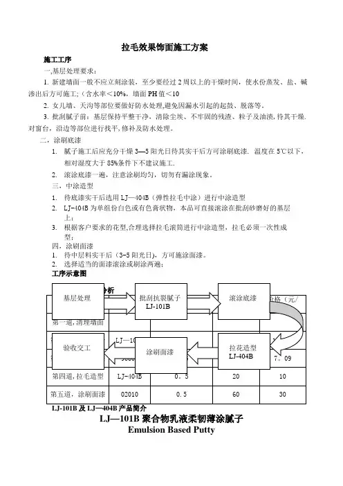
拉毛效果饰面施工方案施工工序一,基层处理要求:1.新建墙面一般不应立刻涂装,至少要经过2周以上的干燥时间,使水份蒸发、盐、碱渗出后方可施工;(含水率<10%,墙面PH值<102.女儿墙、天沟等部位要做好防水处理,避免因漏水引起的起鼓、脱落等。
3.批刮腻子前:基层保持平整干净,清除尘埃、不牢固的残渣、粒子及油渍,待其干燥.对窗台,沿边等部位进行找平,修补及防水处理。
二,涂刷底漆1.腻子施工后应充分干燥3—5阳光日待其实干后方可涂刷底漆. 温度在5℃以下,相对湿度大于85%条件下不建议施工.2.滚涂底漆一遍,注意涂刷均匀,切勿有漏涂现象。
三,中涂造型1.待底漆实干后选用LJ—404B(弹性拉毛中涂)进行中涂造型2.LJ-404B为单组份白色或有色膏状物,本品可直接滚涂在批刮砂磨好的基层上;3.根据客户要求的花型,合理选择拉毛滚筒进行中涂造型,拉毛必须一次性成型;四,涂刷面漆1.待中层料实干后(3-5阳光日),方可施涂面漆。
2.选择适当的面漆滚涂或刷涂两遍;工序示意图LJ—101B聚合物乳液柔韧薄涂腻子Emulsion Based Putty产品特性双向附着(面漆与基层的粘结强度>0。
7MPa)抗拉强度与弹性双重抗裂。
良好耐老化性、抗渗耐水性、耐碱性、透气性施工性好填充找平性好,可一次性批嵌3—5mm,为面层腻子提供良好的基面,且易于施工和打磨,与本公司其他腻子及中涂料产品配套使用效果更佳。
适用于基层平整度差或对平整度要求较高的中高档平涂、外保温、瓷砖面覆涂、金属漆涂装工程基层找平、抗裂处理.使用说明本品为双组份,胶液、粉料配比3:7使用前胶液先倒入容器,粉料缓慢加入、电动搅拌器充分搅拌,均匀静置10mins后可用混合料(腻子)建议3小时内用完,高温天气2小时内,可视实际情况适当加水调节可视实际情况适当加水调节稠度,超时干固的腻子不能再次使用施工墙面必须清洁,无油脂、灰尘、污垢、风化物、泥土等杂物,严重粉化旧墙面用草酸清洗,清水冲净施工墙面含水率<10%, PH值<10每次批嵌厚度不超过3—5mm,用量每遍2.0—3。
华润弹性拉花施工工艺一.施工工艺流程施工流程图如图所示二.施工方法1.基层处理:1)将水泥砂浆基底批刮至整体平整。
2)清除污垢、松散物:将砂浆表面的污垢,包括油污(隔离剂)及其它脏物清除干净,松散物及水泥浆必须铲除。
3)清除泛碱物:用钢丝刷或铲刀,将表面晶化物清除干净后用湿海绵擦去余尘,并测定墙体的PH 值。
如PH 值大于是9,必须进行弱酸处理。
2.外墙专用腻子层施工1)根据外墙专用腻子性能要求配比,将乳液和水按(1:3)比例倒入容器中,一边缓慢加粉料,一边用搅拌器充分搅拌均匀(无粉团即可),静置十分钟后施工。
注意粉料一定要慢慢加入,不能将粉料一次性全部倒入胶液中,胶液和粉料配比为3:7(即一桶乳液配一袋粉料)。
基层处理 批涂平底腻子 涂刷立邦抗碱底漆 批涂细腻子 打磨、腻子层养护滚涂立邦弹性外墙漆(2遍)2)清理墙面:要求墙面必须清洁、无油脂、灰尘、污垢、风化物、泥土等杂物,严重粉化墙面需用草酸清洗,再用清水冲洗干净,保证墙面充分干燥(基层含水量小于10%),墙面pH小于9。
3)用批嵌工具批刮腻子,每次厚度控制在0.7mm左右。
由于基层的不同腻子的用量也不同,一般每遍腻子的用量为0.5-1.0㎏/m²。
待腻子实干后方可进行下一道腻子的批嵌,批嵌最后一道腻子时要避免接茬。
根据墙面平整度,腻子批嵌次数为2-3遍。
4)最后一道腻子表干后立即打磨并除去表面灰尘,打磨可选用240-360目砂纸,刷涂面漆前要辊涂封闭底漆。
且必须待腻子实干后,方能上底漆。
最终效果:整个基面平整、光滑、无污染,用2m长的铝合金靠尺检查,误差在2mm内。
3.华润抗碱底漆的施工配用底漆是华润抗碱底漆,它是以高性能树脂为原料,能有效渗透入墙体微孔,在外墙面形成致密的高耐碱性漆膜,封固性极佳。
另外防霉性强,附着力强,能均衡基层吸水性。
提高面漆质感及手感,使用时按漆:水=100:(20-25)(重量比)稀释,搅拌均匀后,在滚筒上蘸少量底漆后再在被涂墙面上轻缓平稳地来回滚动,直上直下避免歪扭蛇行。
钢结构施工
页脚内容
1
博明弹性拉毛涂料施工工艺
一、外墙基层的要求
1、新的水泥砂浆、混凝土表面须经过一段合理的干燥时间,让其充分干
燥,其含水率≤10%,PH值≤10,在气温≥5℃以上,相对湿度≤85%的条件
下方可施工。
2、基层表面粉刷必须坚实牢固,不应有裂缝、空鼓等缺陷。如有空鼓,
采用切割机对空鼓部位进行切割,把空鼓部位清理干净之后,用界面剂对空
鼓位置进行批刮,干透以后再进行粉刷修补,粉刷修补不能高于其他粉刷墙
面。
3、粉刷每一平面不能出现较大的凹凸波浪形,平整度用2m直尺检查缝
隙在2mm以下,并达到一定的光洁度。
4、粉刷基层阴阳角须垂直、方正,不得缺梭掉角。
5、部分利用脚手架须离墙30公分以上,且不能有铁丝或其他支撑物嵌
入墙体内,且最好去除脚手架外的保护网,增加亮度,便于施工,脚手片预
先翻身铺设,防止涂料完工后的污染。
二、施工前组织基层验收
本工程是在土建完成主体结构及普通粉刷后进行涂料装修施工的,因此,
我公司会同业主方、土建单位有关技术人员及监理工程师一起对墙面基层的
质量情况,进行交接验收。在验收过程中如发现基层质量问题,由土建单位
及时安排整改,待质量认可后,方可进行施工。
三、对基层清理及成品保护
人员进场后,用铲刀、砂皮等对基层的灰尘、浮砂、庇点、堆痕进行清
除、修补,如墙面出现非空鼓产生的细微裂缝,即采用博明腻子嵌实,同时
做好门窗及相关设施的防污保洁工作。
四、腻子批刮
采用博明柔性腻子批刮墙面两遍。腻子的配制方法为:25kg/包的粉料加
钢结构施工
页脚内容
2
6~7 kg的水,用电钻式打浆机搅拌5分钟,确保腻子无结块,批刮时采用60cm
的批板,对墙面进行横竖方向批刮。阴阳角及窗边用25cm的批板进行批刮,
要求腻子层的厚度均匀,无波浪痕。腻子不能一次性批刮太厚,太厚容易出
现开裂并影响腻子的附着力。
腻子批好后最佳的打磨时间在24小时内,打磨后清扫因打磨引起的腻
子尘土,以免下雨使腻子尘土粘接墙面,引起重新打磨。
五、涂刷水性透明底漆
对已经打磨好的墙面,涂上一遍水性透明底漆。水性透明底漆为乳白色
液体,施工时无须加水稀释,采用羊毛滚筒滚涂,门窗边、角墙面、阴阳角用
毛刷涂刷。要求涂刷均匀,做到不流挂,不漏涂,若出现流挂、漏涂的现象,会
直接影响到面涂的平整度,使墙面出现泛碱现象,面涂的附着力不良。
底漆的干燥时间参照下表:
温度 5℃以下 10℃ 20℃以上
表干 不能施工 2小时 40分钟-1小
时
实干 不能施工 24小时 12小时
注意事项:环境温度≤5℃,空气湿度≥85%时不能施工;雨雪天气或在
施工和干燥过程中可能会有雨或雷的情况下不能施工。
六、弹性中层料施工
在底漆完全干透后开始施工弹性中层料。拉毛涂料的工具采用蜂窝状滚
筒,由上而下进行来回滚涂,施工滚筒上的涂料不能太多,应把滚筒上的涂
料均匀的涂刷与墙面,要求墙面上的涂料分布均匀。然后把蜂窝滚筒上的拉
毛涂料清理干净,或者可以另外使用新的滚筒对已涂于墙面的拉毛涂料进行
由上而下的理涂,要求自上而下同一方向滚涂,不能来回滚涂,否则易出现
花纹倒顺。上下层的接头要控制好,即上下层施工时间不能太长,否则易出
现重叠现象,导致拉毛表面不均匀,拉毛点子发尖,最终使面涂颜色不一致,
影响工程质量。最好的方法是上下层的施工人员同时施工,人与人的施工距
钢结构施工
页脚内容
3
离越近越好。在涂料没有表干的情况下接头,可达到最佳效果。一般施工到
每一层的分割线为一个施工阶段。如果没有分割线,上线接口采用1cm宽度
的美纹纸形成隐形的分割线。
拉毛干燥时间参考下表:
温度 10℃ 20℃ 30℃以上
表干 5小时 2分钟 1分钟
实干 48小时以上 24小时 12小时
注意事项:环境温度≤5℃,空气湿度≥85%时不能施工;雨雪天气或在
施工和干燥过程中可能会有雨或雷的情况下不能施工。
七、涂刷三合一弹性涂料
在中层涂料完全干透的墙面上,开始施工三合一弹性面涂。三合一弹性
面漆25kg/桶,采用羊毛滚筒涂刷,涂刷第一遍时可适量加水,加水量不大于
8%,由上而下均匀滚涂,门窗边、阴阳角用毛刷涂刷,对部份墙面要求分色,
用分色涂料涂于指定墙面,要做到涂料不下掉,不得影响已经涂好的墙面,
面涂的干燥时间(常温20摄氏度),表干2小时;实干为24小时。重涂时间
为2小时后,等第一遍面涂全部涂好并干透后开始涂刷第二遍面涂,因考虑
到第二遍面涂是整个工程的最后一遍涂料,如果做不好会直接影响到整个工
程的质量,因此对油漆工的施工要求也比较高,禁止技术差的油漆工操作,
要求做到上下颜色统一。无上下层的滚涂接头(即一定要涂刷均匀)。第二遍
面涂完工后,马上派人对门窗,周边的墙砖进行清理,做到整齐、整洁,确
保外墙的施工质量和工程的美观性。
杭州蓝田涂料有限公司