常用水土保持单元工程质量评定表格(样表)
- 格式:doc
- 大小:615.50 KB
- 文档页数:89
单位工程基本农田整地工程造林种草封禁管理老林整改小型水利水保工程坡面水系工程观测设施分部工程水平梯田水浇地同造林乔木林灌木林经济林果园人工种草以区域或者片划分等高埂(篱)沟头防护塘、堰坝谷坊拦沙坝护岸工程渠系工程截(排)水沟沉沙池蓄水池水蚀观测单元工程以设计每一个图斑为一个单元工程;每一个单元工程面积在5~10hm2,面积大于10hm2 以上的可划分为两个及以上单元工程同水平梯田同造林以设计每一个图斑为一个单元工程;每一个单元工程面积在10~30hm2,不足10hm2 的可单独作为一个单元工程,面积大于30hm2 以上的可划分为两个及以上单元工程同乔木林同乔木林以每一个果园为一个单元工程,每一个单元工程面积在~10hm2,不足1 hm2 的可单独作为一个单元工程,面积大于10hm2 的可划分为两个及以上单元工程同乔木林同生态修复工程,按面积划分单元工程以设计每一个图斑为一个单元工程,每一个单元工程面积在1 ~10 hm2 ,不足1hm2 可作为一个单元工程,大于10 hm2 的可划分为两个以上单元工程。
以每处沟头防护工程作为一个单元工程以每一个塘堰作为一个单元工程以每座谷坊作为一个单元工程以每座拦沙坝作为一个单元工程按长度划分单元工程,每30~50m 划分为一个单元工程,不足30m 的可单独作为一个单元工程,大于50m 的可划分为两个及以上单元工程按长度划分单元工程,每30~50m 划分为一个单元工程,不足30m 的可单独作为一个单元工程,大于50m 的可划分为两个及以上单元工程按长度划分单元工程,每50~100m 划分为一个单元工程,不足50m 的可单独作为一个单元工程,大于100m 的可划分为两个及以上单元工程以每座沉沙池作为一个单元工程以每座蓄水池作为一个单元工程以一个标准小区或者每一个类比小区作为一个单元工程,每一个控制站作为一个单元工程单位工程名称单元工程量分部工程名称检验日期年月日单元工程名称、种类评定日期年月日项次项目名称质量标准检验结果评定1 △梯田布局田面水平、整齐,内排水沟平顺,按设计要求及时配套了沉沙设施、生产路等2 3 梯田施工△田坎石坎砌石外沿整齐,砌缝上下交错,稳定、无松动;清基、表土还原,田坎土中没有石砾、树根、草皮等杂物,坎面拍光土坎梯田埂坎密实、稳定,人从埂坎上来回走一遍,埂坎无坍塌、坎顶无陷坑、埂坎按设计配有植物措施4 土壤无不宜风化大的石块、石砾总测点数合格数合格率1 田坎高度允许偏差:设计高度±10%检测2 田坎坡度项目3 △田面平整度施工单位自评意见主要检查、检测项目全部符合质量标准。
表0.1 工程项目施工质量评定表表0.2 单位工程施工质量评定表水土保持工程表0.2。
1 单位工程施工质量检验与评定资料核查表说明:(1)检测数量全面检查后,抽测25%,且各项不少于10点。
(2)评定等级标准测点中符合质量标准的点数占总测点数的百分率为100%时,为一级。
合格率为90~99。
9%,为二级.合格率为70~89。
9%时,为三级.合格率<70%时,为四级.其下方的百分数为相应于所得标准分的百分数.每项评定得分按下式计算各项评定得分=该项标准分×该项得分百分率(3)表中第13项混凝土表面缺陷指混凝土表面的蜂窝、麻面、挂帘、裙边、小于3cm 的错台、局部凹凸及表面裂缝等。
如无上述缺陷,该项得分率为100%,缺陷面积超过总面积5%者,该项得分为0。
(4)表中带括号的标准分为工作量大时的标准分。
CB17 单元工程施工质量报验单(承包 [ ]质报号)合同名称: 合同编号:说明:本表一式份,由承包人填写,监理机构审签后,承包人2份,监理机构、发包人各1份。
表A.1 沟槽开挖及基础处理单元工程质量评定表隐蔽工程检查记录工程名称、标段:编号:基槽隐蔽工程检查记录表A.2 坝(墙、堤)体浆砌石单元工程质量评定表表A.3 截(排)水沟渠单元工程质量评定表表A。
4 消力池单元工程质量评定表表A。
5 沉沙池单元工程质量评定表表A.12 临时袋装土拦挡单元工程质量评定表表A.13 临时沉沙池单元工程质量评定表表A.14 临时截(排)水沟渠道单元工程质量评定表表A.15 覆盖单元工程质量评定表表A。
16 造林(乔木林、灌木林、经济林)单元工程质量评定表表A.17 人工种草单元工程质量评定表表A.18 铺植草皮护坡单元工程质量评定表表A.19 攀缘、悬挂绿化单元工程质量评定表喷播单元工程施工质量验收评定表喷表1边坡坡面修整与清理工序施工质量验收评定表客土喷播开仓证(承包[]开仓号)施工单位:合同编号:说明:本表填写一式四份报监理机构,签证后返回申报单位二份,作相应单元工程质量评定资料喷表4 客土喷播工序施工质量验收评定表。
工程报验申请表说明:本表一式份,由施工单位填写,监理机构审签后,随同审批意见,施工单位、监理机构各一份各1份。
临时袋装挡土墙单元工程质量评定表填表说明1、单元工程质量检测的数量应符合以下要求:①单个装土袋尺寸采用钢卷尺进行量测。
②按每20m检查1处,长度允许偏差为±20cm,宽度允许偏差为±10cm;按每20~50米量测一次,每次检测点为3个(每层各一个)。
2、单元工程质量评定标准应符合以下规定:合格标准:检查项目全部符合质量标准;检测项目的合格率不小于70%。
优良标准:检查项目全部符合质量标准;检测项目的合格率不小于90%。
3、检查项目质量标准为“符合设计要求”,检查(测)记录或备查资料名称一栏中不能够照写“符合设计要求”,应该填写设计的具体要求。
4、检查(测)记录或备查资料名称一栏,若数据能够全部填写的,全部填写数据,若不能够填写的则在后附的“检测记录表”中填写。
临时袋装挡土墙单元工程质量评定表临时袋装挡土墙单元工程质量检测记录表(自检)注:检测合格率在70%以上为合格,在90%以上为优良。
临时袋装挡土墙单元工程质量检测记录表(抽检)注:检测合格率在70%以上为合格,在90%以上为优良。
C15砼排水沟单元工程质量评定表填表说明1、单元工程质量检测的数量应符合以下要求:①排水沟长度用皮尺丈量,断面尺寸用钢卷尺测定。
②每20~50米取一个横断面,各横断面检测点不少于3个。
2、单元工程质量评定标准应符合以下规定:合格标准:检查项目全部符合质量标准;检测项目的合格率不小于70%。
优良标准:检查项目全部符合质量标准;检测项目的合格率不小于90%。
3、检查项目质量标准为“符合设计要求”,检查(测)记录或备查资料名称一栏中不能够照写“符合设计要求”,应该填写设计的具体要求。
4、检查(测)记录或备查资料名称一栏,若数据能够全部填写的,全部填写数据,若不能够填写的则在后附的“检测记录表”中填写。
水土保持工程表0.1 工程项目施工质量评定表水土保持工程表0.2 单位工程施工质量评定表水土保持工程表0.2.1 单位工程施工质量检验与评定资料核查表水土保持工程表02.2 外观质量评分表表02.3 外观质量评分表说明:(1)检测数量全面检查后,抽测25%,且各项不少于10点。
(2)评定等级标准测点中符合质量标准的点数占总测点数的百分率为100%时,为一级。
合格率为90~99.9%,为二级。
合格率为70~89.9%时,为三级。
合格率<70%时,为四级。
其下方的百分数为相应于所得标准分的百分数。
每项评定得分按下式计算各项评定得分=该项标准分×该项得分百分率(3)表中第13项混凝土表面缺陷指混凝土表面的蜂窝、麻面、挂帘、裙边、小于3cm 的错台、局部凹凸及表面裂缝等。
如无上述缺陷,该项得分率为100%,缺陷面积超过总面积5%者,该项得分为0。
(4)表中带括号的标准分为工作量大时的标准分。
CB17 单元工程施工质量报验单(承包[ ]质报号)合同名称:合同编号:说明:本表一式份,由承包人填写,监理机构审签后,承包人2份,监理机构、发包人各1份。
表A.1 沟槽开挖及基础处理单元工程质量评定表隐蔽工程检查记录工程名称、标段:编号:基槽隐蔽工程检查记录工程名称、标段:编号:表A.2 坝(墙、堤)体浆砌石单元工程质量评定表表A.3 截(排)水沟渠单元工程质量评定表表A.4 消力池单元工程质量评定表表A.5 沉沙池单元工程质量评定表表A.12 临时袋装土拦挡单元工程质量评定表表A.13 临时沉沙池单元工程质量评定表表A.14 临时截(排)水沟渠道单元工程质量评定表表A.15 覆盖单元工程质量评定表表A.16 造林(乔木林、灌木林、经济林)单元工程质量评定表表A.17 人工种草单元工程质量评定表表A.18 铺植草皮护坡单元工程质量评定表表A.19 攀缘、悬挂绿化单元工程质量评定表喷播单元工程施工质量验收评定表喷表1边坡坡面修整与清理工序施工质量验收评定表喷表2 喷播锚杆(包括钻孔)工序施工质量验收评定表喷表3 喷播挂网(包括植生带)工序施工质量验收评定表客土喷播开仓证(承包[ ]开仓号)说明:本表填写一式四份报监理机构,签证后返回申报单位二份,作相应单元工程质量评定资料喷表4 客土喷播工序施工质量验收评定表。
常用水土维持单元工程质量评定表格合同名称:黄河近期防洪工程〔河南段〕濮阳堤防加固和帮宽工程合同编号:YPYDFJGBK2021(补01)讲明:本表一式份,由施工单位填写,监理机构审签后,随同审批意见,施工单位、监理机构、建设单位、设代机构各1份。
临时挡水土埂单元工程质量评定表填表讲明1、单元工程质量检测的数量应符合以下要求:①挡水土埂尺寸采纳钢卷尺进行量测。
②按每20~50米取一个横断面,各横断面检测点许多于3个。
2、单元工程质量评定标准应符合以下:合格标准:检查工程全部符合质量标准;检测工程的合格率不小于70%。
优良标准:检查工程全部符合质量标准;检测工程的合格率不小于90%。
3、检查工程质量标准为“符合设计要求〞,检查〔测〕记录或备查资料名称一栏中不能够照写“符合设计要求〞,应该填写设计的具体要求。
4、检查〔测〕记录或备查资料名称一栏,假设数据能够全部填写的,全部填写数据,假设不能够填写的那么在后附的“检测记录表〞中填写。
注:检测合格率在70%以上为合格,在90%以上为优良。
注:检测合格率在70%以上为合格,在90%以上为优良。
临时袋装土拦挡单元工程质量评定表填表讲明1、单元工程质量检测的数量应符合以下要求:①单个装土袋尺寸采纳钢卷尺进行量测。
②按每20m检查1处,长度准许偏差为±20cm,宽度准许偏差为±10cm;按每20~50米量测一次,每次检测点为3个〔每层各一个〕。
2、单元工程质量评定标准应符合以下:合格标准:检查工程全部符合质量标准;检测工程的合格率不小于70%。
优良标准:检查工程全部符合质量标准;检测工程的合格率不小于90%。
3、检查工程质量标准为“符合设计要求〞,检查〔测〕记录或备查资料名称一栏中不能够照写“符合设计要求〞,应该填写设计的具体要求。
4、检查〔测〕记录或备查资料名称一栏,假设数据能够全部填写的,全部填写数据,假设不能够填写的那么在后附的“检测记录表〞中填写。
For personal use only in study and research; not for commercial use 薁艿1 项目划分表表莀肆芅膀腿2 水平梯田工程单元工程质量评定表表莆莂袂.3 水平阶整地单元工程质量评定表表监理单位名称施工单位名称.4 水平沟整地单元工程质量评定表表5 鱼鳞坑整地单元工程质量评定表表表6 大型果树坑整地单元工程质量评定表7 水土保持林(乔木林、灌木林、经济林)单元工程质量评定表表8 果园单元工程质量评定表表评9 人工种草单元工程质量评定表表10 封禁治理单元工程质量评定表表评11 等高埂(篱)单元工程质量评定表表12 沟头防护单元工程质量评定表表13 谷坊单元工程质量评定表表评14 塘(堰)坝单元工程质量评定表表15 护岸单元工程质量评定表表评16 渠道单元工程质量评定表表17截(排)水沟单元工程质量评定表表18 蓄水池单元工程质量评定表表19 沉沙池单元工程质量评定表表20 标准径流小区单元工程质量评定表表评21 水蚀控制站单元工程质量评定表表仅供个人用于学习、研究;不得用于商业用途。
For personal use only in study and research; not for commercial use.Nur für den pers?nlichen für Studien, Forschung, zu kommerziellen Zwecken verwendet werden.Pour l 'étude et la recherche uniquement àdes fins personnelles; pas àdes fins commerciales.толькодлялюдей, которыеиспользуютсядляобучения, исследованийинедолжныиспользоватьсявкоммерческихцелях.以下无正文仅供个人用于学习、研究;不得用于商业用途。
常用水土保持单元工程质量评定表格常用水土保持单元工程质量评定表目录序号表格名称表格类型及序号1临时挡水土埂单元工程质量评定表ZL1-12临时挡水土埂单元工程质量检测记录表(自检)ZL1-23临时挡水土埂单元工程质量检测记录表(抽检)ZL1-34临时袋装土拦挡单元工程质量评定表ZL2-15临时袋装土拦挡单元工程质量检测记录表(自检)ZL2-26临时袋装土拦挡单元工程质量检测记录表(抽检)ZL2-37临时排水沟单元工程质量评定表ZL3-18临时排水沟单元工程质量检测记录表(自检)ZL3-29临时排水沟单元工程质量检测记录表(抽检)ZL3-310人工植草单元工程质量评定表ZL4-111人工植草单元工程质量检测记录表(自检)ZL4-212人工植草单元工程质量检测记录表(抽检)ZL4-313人工种草单元工程质量评定表ZL5-114人工种草单元工程质量检测记录表(自检)ZL5-215人工种草单元工程质量检测记录表(抽检)ZL5-316土地平整单元工程质量评定表ZL6-117土地平整单元工程质量检测记录表(自检)ZL6-218土地平整单元工程质量检测记录表(抽检)ZL6-319土料场削坡单元工程质量评定表ZL7-120土料场削坡单元工程质量检测记录表(自检)ZL7-221土料场削坡单元工程质量检测记录表(抽检)ZL7-322植树单元工程质量评定表ZL8-123植树单元工程质量检测记录表(自检)ZL8-224植树单元工程质量检测记录表(抽检)ZL8-3SG6工程报验申请表合同名称:黄河近期防洪工程(河南段)濮阳堤防加固和帮宽工程合同编号: YPYDFJGBK2012(补 01)工程地点黄河近期防洪工程(河南段)濮阳堤防加固和帮宽工程127+500-130+800 、 127+500-130+675 、 134+100-138+500致:山东龙信达咨询监理有限公司河南黄河防洪工程施工监理部我方已按施工合同要求完成下列工程或部位的施工工作,经自检合格报请贵方验收。
常用水土保持单元工程质量评定表格ZL1-1 临时挡水土埂单元工程质量评定表ZL1-2 临时挡水土埂单元工程质量检测记录表(自检)注:检测合格率在70%以上为合格,在90%以上为优良。
ZL1-3 临时挡水土埂单元工程质量检测记录表(抽检)注:检测合格率在70%以上为合格,在90%以上为优良。
ZL2-1 临时袋装土拦挡单元工程质量评定表ZL2-2 临时袋装土拦挡单元工程质量检测记录表(自检)注:检测合格率在70%以上为合格,在90%以上为优良。
ZL2-3临时袋装土拦挡单元工程质量检测记录表(抽检)注:检测合格率在70%以上为合格,在90%以上为优良。
ZL3-1 临时排水沟单元工程质量评定表ZL3-2 临时排水沟单元工程质量检测记录表(自检)注:检测合格率在70%以上为合格,在90%以上为优良。
ZL3-3 临时排水沟单元工程质量检测记录表(抽检)注:检测合格率在70%以上为合格,在90%以上为优良。
ZL4-1 人工植草单元工程质量评定表ZL4-2 人工植草单元工程质量检测记录表(自检)注:检测合格率在70%以上为合格,在90%以上为优良。
ZL4-3人工植草单元工程质量检测记录表(抽检)注:检测合格率在70%以上为合格,在90%以上为优良。
ZL5-1人工种草单元工程质量评定表ZL5-2人工种草单元工程质量检测记录表(自检)注:检测合格率在70%以上为合格,在90%以上为优良。
ZL5-3人工种草单元工程质量检测记录表(抽检)注:检测合格率在70%以上为合格,在90%以上为优良。
ZL6-1 土地平整单元工程质量评定表ZL6-2 土地平整单元工程质量检测记录表(自检)注:检测合格率在70%以上为合格,在90%以上为优良。
ZL6-3 土地平整单元工程质量检测记录表(抽检)注:检测合格率在70%以上为合格,在90%以上为优良。
ZL7-1 土料场削坡单元工程质量评定表ZL7-2土料场削坡单元工程质量检测记录表(自检)注:检测合格率在70%以上为合格,在90%以上为优良。
工程报验申请表说明:本表一式份,由施工单位填写,监理机构审签后,随同审批意见,施工单位、监理机构各一份各1份。
临时袋装挡土墙单元工程质量评定表填表说明1、单元工程质量检测的数量应符合以下要求:①单个装土袋尺寸采用钢卷尺进行量测。
②按每20m检查1处,长度允许偏差为±20cm,宽度允许偏差为±10cm;按每20~50米量测一次,每次检测点为3个(每层各一个)。
2、单元工程质量评定标准应符合以下规定:合格标准:检查项目全部符合质量标准;检测项目的合格率不小于70%。
优良标准:检查项目全部符合质量标准;检测项目的合格率不小于90%。
3、检查项目质量标准为“符合设计要求”,检查(测)记录或备查资料名称一栏中不能够照写“符合设计要求”,应该填写设计的具体要求。
4、检查(测)记录或备查资料名称一栏,若数据能够全部填写的,全部填写数据,若不能够填写的则在后附的“检测记录表”中填写。
临时袋装挡土墙单元工程质量评定表临时袋装挡土墙单元工程质量检测记录表(自检)注:检测合格率在70%以上为合格,在90%以上为优良。
临时袋装挡土墙单元工程质量检测记录表(抽检)注:检测合格率在70%以上为合格,在90%以上为优良。
C15砼排水沟单元工程质量评定表填表说明1、单元工程质量检测的数量应符合以下要求:①排水沟长度用皮尺丈量,断面尺寸用钢卷尺测定。
②每20~50米取一个横断面,各横断面检测点不少于3个。
2、单元工程质量评定标准应符合以下规定:合格标准:检查项目全部符合质量标准;检测项目的合格率不小于70%。
优良标准:检查项目全部符合质量标准;检测项目的合格率不小于90%。
3、检查项目质量标准为“符合设计要求”,检查(测)记录或备查资料名称一栏中不能够照写“符合设计要求”,应该填写设计的具体要求。
4、检查(测)记录或备查资料名称一栏,若数据能够全部填写的,全部填写数据,若不能够填写的则在后附的“检测记录表”中填写。
常用水土保持单元工程质量评定表格(样表)
常用水土保持单元工程质量评定表格
SG6 工程报验申请表
合同名称:黄河近期防洪工程(河南段)濮阳堤防加固和帮宽工程
说明:本表一式份,由施工单位填写,监理机构审签后,随同审批意见,施工单位、监理机构、
建设单位、设代机构各1份。
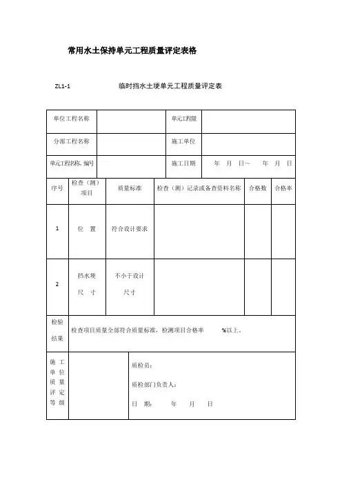
临时挡水土埂单元工程质量评定表填表说明
1、单元工程质量检测的数量应符合以下要求:
①挡水土埂尺寸采用钢卷尺进行量测。
②按每20~50米取一个横断面,各横断面检测点不少于3个。
2、单元工程质量评定标准应符合以下规定:
合格标准:检查项目全部符合质量标准;检测项目的合格率不小于70%。
优良标准:检查项目全部符合质量标准;检测项目的合格率不小于90%。
3、检查项目质量标准为“符合设计要求”,检查(测)记录或备查资料名称一栏中
不能够照写“符合设计要求”,应该填写设计的具体要求。
4、检查(测)记录或备查资料名称一栏,若数据能够全部填写的,全部填写数据,
若不能够填写的则在后附的“检测记录表”中填写。
ZL1-1 临时挡水土埂单元工程质量评定表
上为优良。
ZL1-3 临时挡水土埂单元工程质量检测记录表(抽检)
注:检测合格率在70%以上为合格,在90%以上为优良。
临时袋装土拦挡单元工程质量评定表填表说明
1、单元工程质量检测的数量应符合以下要求:
①单个装土袋尺寸采用钢卷尺进行量测。
②按每20m检查1处,长度允许偏差为±20cm,宽度允许偏差为±10cm;
按每20~50米量测一次,每次检测点为3个(每层各一个)。
2、单元工程质量评定标准应符合以下规定:
合格标准:检查项目全部符合质量标准;检测项目的合格率不小于70%。
优良标准:检查项目全部符合质量标准;检测项目的合格率不小于90%。
3、检查项目质量标准为“符合设计要求”,检查(测)记录或备查资料名称一栏中
不能够照写“符合设计要求”,应该填写设计的具体要求。
4、检查(测)记录或备查资料名称一栏,若数据能够全部填写的,全部填写数据,
若不能够填写的则在后附的“检测记录表”中填写。
ZL2-1 临时袋装土拦挡单元工程质量评定表
ZL2-2 临时袋装土拦挡单元工程质量检测记录表(自检)
注:检测合格率在70%以上为合格,在90%以上为优良。
ZL2-3临时袋装土拦挡单元工程质量检测记录表(抽检)
注:检测合格率在70%以上为合格,在90%以上为优良。
临时排水沟单元工程质量评定表填表说明
1、单元工程质量检测的数量应符合以下要求:
①排水沟长度用皮尺丈量,断面尺寸用钢卷尺测定。
②每20~50米取一个横断面,各横断面检测点不少于3个。
2、单元工程质量评定标准应符合以下规定:
合格标准:检查项目全部符合质量标准;检测项目的合格率不小于70%。
优良标准:检查项目全部符合质量标准;检测项目的合格率不小于90%。
3、检查项目质量标准为“符合设计要求”,检查(测)记录或备查资料名称一栏中
不能够照写“符合设计要求”,应该填写设计的具体要求。
4、检查(测)记录或备查资料名称一栏,若数据能够全部填写的,全部填写数据,
若不能够填写的则在后附的“检测记录表”中填写。
ZL3-1 临时排水沟单元工程质量评定表
ZL3-2 临时排水沟单元工程质量检测记录表(自检)
注:检测合格率在70%以上为合格,在90%以上为优良。
ZL3-3 临时排水沟单元工程质量检测记录表(抽检)
注:检测合格率在70%以上为合格,在90%以上为优良。
人工植草单元工程质量评定表填表说明
1、单元工程质量检测的数量应符合以下要求:
①长度、宽度采用皮尺量测。
②种植范围按每20m检查1处,长度允许偏差为±20cm,宽度允许偏差为±10cm。
③单元工程样地检测数量,根据单元工程面积大小确定,一般为5—10个。
测定样方1m×1m,每个样方不少于3个点。
2、单元工程质量评定标准应符合以下规定:
合格标准:检查项目全部符合质量标准;检测项目的合格率不小于70%。
优良标准:检查项目全部符合质量标准;检测项目的合格率不小于90%。
3、检查项目质量标准为“符合设计要求”,检查(测)记录或备查资料名称一栏中
不能够照写“符合设计要求”,应该填写设计的具体要求。
4、检查(测)记录或备查资料名称一栏,若数据能够全部填写的,全部填写数据,
若不能够填写的则在后附的“检测记录表”中填写。
ZL4-1 人工植草单元工程质量评定表
ZL4-2 人工植草单元工程质量检测记录表(自检)
注:检测合格率在70%以上为合格,在90%以上为优良。
ZL4-3人工植草单元工程质量检测记录表(抽检)
注:检测合格率在70%以上为合格,在90%以上为优良。
人工种草单元工程质量评定表填表说明
1、单元工程质量检测的数量应符合以下要求:
单元工程样地检测数量,根据单元工程面积大小确定,一般为5—10个,成苗数测定样方2m×2m。
2、单元工程质量评定标准应符合以下规定:
合格标准:检查项目全部符合质量标准;检测项目的合格率不小于70%。
优良标准:检查项目全部符合质量标准;检测项目的合格率不小于90%。
3、检查项目质量标准为“符合设计要求”,检查(测)记录或备查资料名称一栏中
不能够照写“符合设计要求”,应该填写设计的具体要求。
4、检查(测)记录或备查资料名称一栏,若数据能够全部填写的,全部填写数据,
若不能够填写的则在后附的“检测记录表”中填写。
ZL5-1人工种草单元工程质量评定表
ZL5-2人工种草单元工程质量检测记录表(自检)
注:检测合格率在70%以上为合格,在90%以上为优良。
ZL5-3人工种草单元工程质量检测记录表(抽检)
注:检测合格率在70%以上为合格,在90%以上为优良。
ZL5-1人工种草单元工程质量评定表
ZL5-2人工种草单元工程质量检测记录表(自检)
注:检测合格率在70%以上为合格,在90%以上为优良。
ZL5-3人工种草单元工程质量检测记录表(抽检)。