测量学计算题及答案
- 格式:doc
- 大小:1.29 MB
- 文档页数:39
《测量学》习题及其参考答案(第1~11章共79题)习题11.什么叫大地水准面?它有什么特点和作用? 2.什么叫绝对高程、相对高程及高差?3.测量上的平面直角坐标系和数学上的平面直角坐标系有什么区别? 4.什么叫高斯投影?高斯平面直角坐标系是怎样建立的?5.已知某点位于高斯投影6°带第20号带,若该点在该投影带高斯平面直角坐标系中的横坐标y =-306579.210m ,写出该点不包含负值且含有带号的横坐标y 及该带的中央子午线经度0L 。
6.什么叫直线定线?标准方向有几种?什么是坐标方位角?7.某宾馆首层室内地面±0.000的绝对高程为45.300m ,室外地面设计高程为-l.500m ,女儿墙设计高程为+88.200m , 问室外地面和女儿墙的绝对高程分别为多少?8.已知地面上A 点的磁偏角为-3°10′,子午线收敛角为+1°05′,由罗盘仪测得直线AB 的磁方位角为为63°45′,试求直线AB 的坐标方位角=AB α? 并绘出关系略图。
答案:1.通过平均海水面的一个水准面,称大地水准面,它的特点是水准面上任意一点铅垂线都垂直于该点的曲面,是一个重力曲面,其作用是测量工作的基准面。
2.地面点到大地水准面的垂直距离,称为该点的绝对高程。
地面点到假设水准面的垂直距离,称为该点的相对高程。
两点高程之差称为高差。
3.测量坐标系的X 轴是南北方向,X 轴朝北,Y 轴是东西方向,Y 轴朝东,另外测量坐标系中的四个象限按顺时针编排,这些正好与数学坐标系相反。
4、假想将一个横椭圆柱体套在椭球外,使横椭圆柱的轴心通过椭球中心,并与椭球面上某投影带的中央子午线相切,将中央子午线附近(即东西边缘子午线范围)椭球面上的点投影到横椭圆柱面上,然后顺着过南北极母线将椭圆柱面展开为平面,这个平面称为高斯投影平面。
所以该投影是正形投影。
在高斯投影平面上,中央子午线投影后为X 轴,赤道投影为Y 轴,两轴交点为坐标原点,构成分带的独立的高斯平面直角坐标系统。
五、计算题5.已知某点位于高斯投影6°带第20号带,若该点在该投影带高斯平面直角坐标系中的横坐标y=,写出该点不包含负值且含有带号的横坐标y及该带的中央子午线经度L。
1.已知某地某点的经度λ=112°47′,试求它所在的6°带与3°的带号及中央子午线的经度是多少2.根据下表中的观测数据完成四等水准测量各测站的计算。
3.完成下表测回法测角记录的计算。
4.试算置仪器于M点,用极坐标法测设A点所需的数据。
已知300°25′17″,XM =,YM=,XA=,YA=,试计五、计算题1.某工程距离丈量容许误差为1/100万,试问多大范围内,可以不考虑地球曲率的影响。
2.调整下列闭合水准路线成果,并计算各点高程。
其中:水准点的高程HBM1=水准测量成果调整表测点测站数高差值高程m备注观测值m改正数mm调整值mBM1N1N2N3N 4BM 1∑实测高差∑h= 已知高差=H 终-H 始=0高差闭合差f h = 容许闭合差f h 容==一个测站的改正数=3. 完成下表竖直角测量记录计算。
测站 目标 竖盘位置 竖盘读数 ° ′ ″半测回角值 ° ′ ″一测回角值 ° ′ ″指标差竖盘形式OM左 81 18 42全圆式顺时针注记右278 41 30N左 124 03 30右235 56 54 4. 一根名义长为30米的钢尺与标准长度比较得实际长为米,用这根钢尺量得两点间距离为米,求经过尺长改正后的距离。
5.已知下列左角和右角,试计算线路的转角α,并说明路线是左转角还是右转角。
1)左角:β1=170°24′30″;2)右角:β2=165°2五、计算题1.丈量两段距离,一段往测为米,返测为米,另一段往测、返测分别为米和米。
问哪一段丈量的结果比较精确为什么两段距离丈量的结果各等于多少2.完成下列附合水准路线的成果调整表。
辅助计算:3.计算下图各边的方位角、反方位角和象限角。
测量学考试题及答案一、选择题(每题2分,共20分)1. 测量学中,用于确定地面点位置的三个基本元素是什么?A. 经度、纬度、高程B. 距离、方位、高程C. 经度、纬度、时间D. 速度、时间、高程答案:A2. 以下哪个不是测量误差的来源?A. 仪器误差B. 观测者误差C. 环境误差D. 测量方法答案:D3. 在测量学中,三角测量法主要用于什么目的?A. 测量距离B. 测量角度C. 测量高差D. 测量面积答案:B4. 什么是测量学中的基准面?A. 地面B. 海平面C. 地球表面D. 地球赤道面答案:B5. 以下哪个是测量学中常用的测量仪器?A. 望远镜B. 显微镜C. 量角器D. 测高仪答案:C二、填空题(每空1分,共10分)6. 测量学中的误差可以分为系统误差和________。
答案:随机误差7. 测量学中,________是用来描述地面点位置的坐标系统。
答案:笛卡尔坐标系8. 在测量学中,________是指测量结果与真实值之间的差异。
答案:误差9. 测量学中,________是用来测量地面点之间距离的方法。
答案:测距仪10. 测量学中,________是用来测量地面点高程的方法。
答案:水准仪三、简答题(每题5分,共20分)11. 简述测量学中的误差分析的重要性。
答案:误差分析在测量学中至关重要,因为它帮助我们评估测量结果的可靠性和精确度。
通过误差分析,我们可以识别和量化误差的来源,从而采取措施减少误差,提高测量结果的准确性。
此外,误差分析还有助于评估测量结果的不确定性,为后续的数据处理和决策提供依据。
12. 描述一下测量学中的三角测量法的基本原理。
答案:三角测量法是一种利用三角形的几何特性来确定地面点位置的方法。
它通常涉及测量两个已知位置的点(基准点)与待测点之间的角度,然后利用三角函数计算出待测点与已知点之间的距离。
通过这种方法,可以确定待测点在平面上的位置。
13. 解释什么是测量学中的水准测量。
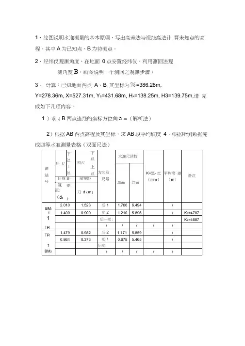
1、绘图说明水准测量的基本原理,写出高差法与视线高法计算未知点的高程,其中A为已知点、B为待测点。
2、经纬仪观测角度,在地面0点安置经纬仪,利用测回法观测角度B,画图说明一个测回之观测步骤。
3、计算:已知地面两点A、B,其坐标为%=386.28m,Y=278.36m, X=527.31m, Y B=431.68m, H A=138.25m, H3=139.75m,请完成如下几项内容。
1 )求A B两点连线的坐标方位角a AB (解析法)2)根据AB两点高程及其坐标,求AB段平均坡度4、根据所测数据完成四等水准测量表格(双面尺法)5、按表计算:水平角观测记录计算(测回法)6根据闭合导线123451所得数据完成闭合导线坐标计算表7、用钢尺丈量一条直线,往测丈量的长度为217.30m,返测为217.38m,今规定其相对误差不应大于1/2000,试问:(1)此测量成果是否满足精度要求?(2)按此规定,若丈量100m往返丈量最大可允许相差多少毫米?8、对某段距离往返丈量结果已记录在距离丈量记录表中,试完成该记录表的计算工作,并求出其丈量精度,见表1。
表19、在对S3型微倾水准议进行角检校时,先将水准仪安置在A和B两立尺点中间,使气泡严格居中,分别读得两尺读数为=1.573m, 5= 1.415m,然后将仪器搬到A尺附近,使气泡居中,读得=1.834m, b2= 1.696m,问(1)正确高差是多少?(2)水准管轴是否平行视准轴?(3)若不平行,应如何校正?10、如图1所示,在水准点BM至BM间进行水准测量,试在水准测量记录表中(见表2)。
进行记录与计算,并做计算校核(已知表2:水准测量记录表11、在水准点B 和之间进行水准测量,所测得的各测段的高差和水准路线长如图2所示。
已知B 的高程为5.612m, 的高程为5.400m。
试将有关数据填在水准测量高差调整表中(见表3),最后计算水准点1和2的高程表3:水准测量高程调整表12、在水准和之间进行普通水准测量,测得各测段的高差及其测站数n i如图3所示。
测量学考试题及答案一、选择题1. 测量学中,用于确定地面点位的三个基本要素是()。
A. 高程、方位角、距离B. 经度、纬度、高程C. 距离、方位、俯仰角D. 经纬度、方位角、高程答案:B2. 测量中,水准测量的主要目的是()。
A. 测量角度B. 测量距离C. 测量高程D. 测量面积答案:C3. 以下哪个不是测量误差的来源?()。
A. 仪器误差B. 观测误差C. 计算误差D. 地质变动答案:D4. 在测量学中,三角测量法主要用于()。
A. 测量小范围的地形B. 测量大范围的地形C. 测量建筑物的对角线D. 测量水下物体的位置答案:B5. 测量中使用的全站仪,其主要功能不包括()。
A. 测量水平角B. 测量竖直角C. 测量高程D. 计算体积答案:D二、填空题1. 在测量学中,________是用来表示地球表面某一点的位置的经纬度坐标系统。
答案:地理坐标系2. 测量学中的视距测量法,通常用于________距离的测量。
答案:较短3. 测量误差分为系统误差和随机误差,其中系统误差可以通过________来消除或减小。
答案:校准4. 在水准测量中,为了消除仪器和观测者的误差,通常采用________的方法。
答案:往返观测5. 测量学中的导线测量是一种常用的平面控制测量方法,它通过________来确定点位。
答案:连续的三角形三、简答题1. 简述测量学中的闭合导线测量的原理及其优点。
答:闭合导线测量是指从一个已知点出发,经过一系列未知点后,最终返回到起点所进行的测量。
其原理是通过测量每一段边长和每一个转折角来确定未知点的位置。
闭合导线的优点在于可以检测和校正测量过程中的误差,提高测量的准确性。
2. 说明水准测量中水准尺的作用及其使用注意事项。
答:水准尺是水准测量中用于读取高程读数的工具。
使用时应注意保持水准尺竖直,避免晃动或倾斜,以确保读数的准确性。
同时,应保证水准尺的刻度清晰可见,避免反光或遮挡。
四、计算题1. 给定两点A和B的坐标分别为A(1km, 2km)和B(4km, 6km),计算这两点之间的水平距离。
测量学试题及答案一、选择题(每题2分,共20分)1. 测量学中最基本的测量元素是:A. 距离B. 方向C. 高程D. 角度2. 测量学中,水准测量的目的是:A. 确定两点的水平距离B. 确定两点的高差C. 确定两点的相对位置D. 确定两点的绝对高度3. 以下哪项不是测量误差的来源?A. 仪器误差B. 观测者误差C. 环境误差D. 计算误差4. 测量学中,三角高程测量的基本原理是:A. 利用三角函数计算高差B. 利用勾股定理计算距离C. 利用相似三角形计算高差D. 利用角度测量确定高差5. 在测量学中,全站仪的主要功能是:A. 测量水平距离B. 测量高程C. 测量角度和距离D. 测量面积二、填空题(每空2分,共20分)6. 测量学中的平面直角坐标系通常采用_________坐标系。
7. 测量学中,测量误差可以分为系统误差和_________误差。
8. 测量学中,测量数据的精度通常用_________来表示。
9. 测量学中,测量的基本方法包括直接测量和_________测量。
10. 测量学中,测量误差的传递规律遵循_________定律。
三、简答题(每题10分,共30分)11. 简述测量学中误差的分类及其特点。
12. 描述水准测量的基本原理及其在实际中的应用。
13. 解释三角测量在地形测量中的应用及其重要性。
四、计算题(每题15分,共30分)14. 给定两个点A和B,已知A点坐标为(100, 200),B点相对于A点的方位角为45°,水平距离为50米。
求B点的坐标。
15. 给定一个三角形ABC,已知A点坐标为(100, 200),B点坐标为(300, 200),C点相对于B点的方位角为120°,且BC边长为100米。
求C点的坐标。
测量学试题答案一、选择题1. 答案:D. 角度2. 答案:B. 确定两点的高差3. 答案:D. 计算误差4. 答案:C. 利用相似三角形计算高差5. 答案:C. 测量角度和距离二、填空题6. 答案:笛卡尔7. 答案:随机8. 答案:中误差9. 答案:间接10. 答案:误差传播三、简答题11. 答案:测量误差可以分为系统误差和随机误差。
计算题库及参考答案1、设A 点高程为15.023m ,欲测设设计高程为16.000m 的B 点,水准仪安置在A 、B 两点之间,读得A 尺读数a=2.340m ,B 尺读数b 为多少时,才能使尺底高程为B 点高程。
【解】水准仪的仪器高为=iH 15.023+2.34=17.363m ,则B 尺的后视读数应为b=17.363-16=1.363m ,此时,B 尺零点的高程为16m 。
2、在1∶2000地形图上,量得一段距离d =23.2cm ,其测量中误差=dm ±0.1cm ,求该段距离的实地长度D 及中误差Dm 。
【解】==dM D 23.2×2000=464m ,==dD Mm m 2000×0.1=200cm=2m 。
3、已知图中AB 的坐标方位角,观测了图中四个水平角,试计算边长B →1,1→2,2→3,3→4的坐标方位角。
【解】=1B α197°15′27″+90°29′25″-180°=107°44′52″=12α107°44′52″+106°16′32″-180°=34°01′24″ =23α34°01′24″+270°52′48″-180°=124°54′12″ =34α124°54′12″+299°35′46″-180°=244°29′58″ 4、在同一观测条件下,对某水平角观测了五测回,观测值分别为:39°40′30″,39°40′48″,39°40′54″,39°40′42″,39°40′36″,试计算:① 该角的算术平均值——39°40′42″; ② 一测回水平角观测中误差——±9.487″;③ 五测回算术平均值的中误差——±4.243″。
测量学考试题及答案一、选择题(每题2分,共20分)1. 测量学中,用来表示地面点位置的坐标是()。
A. 直角坐标系B. 极坐标系C. 球面坐标系D. 地心坐标系答案:B2. 在测量学中,水准仪的主要作用是()。
A. 测量角度B. 测量距离C. 测量高差D. 测量方位答案:C3. 测量学中的“水准”指的是()。
A. 水平面B. 垂直面C. 倾斜面D. 倾斜线答案:A4. 测量学中,用于确定直线方向的仪器是()。
A. 经纬仪B. 水准仪C. 测距仪D. 全站仪5. 测量学中,用于测量两点间距离的仪器是()。
A. 经纬仪B. 水准仪C. 测距仪D. 全站仪答案:C6. 测量学中,用于测量角度的仪器是()。
A. 经纬仪B. 水准仪C. 测距仪D. 全站仪答案:A7. 在测量学中,测量误差的来源不包括()。
A. 仪器误差B. 人为误差C. 环境误差D. 计算误差答案:D8. 测量学中,测量误差的分类不包括()。
A. 系统误差B. 随机误差C. 绝对误差D. 相对误差答案:C9. 测量学中,用于测量点的高程的仪器是()。
B. 水准仪C. 测距仪D. 全站仪答案:B10. 在测量学中,测量误差的分类包括()。
A. 系统误差B. 随机误差C. 绝对误差D. 所有以上选项答案:D二、填空题(每题2分,共20分)1. 测量学中,用于测量角度的仪器是______。
答案:经纬仪2. 测量学中,用于测量距离的仪器是______。
答案:测距仪3. 测量学中,用于测量高程的仪器是______。
答案:水准仪4. 测量学中,用于确定直线方向的仪器是______。
答案:经纬仪5. 测量学中,测量误差的来源包括______、______和______。
答案:仪器误差、人为误差、环境误差6. 测量学中,测量误差的分类包括______和______。
答案:系统误差、随机误差7. 测量学中,用于测量两点间距离的仪器是______。
答案:测距仪8. 测量学中,用于测量角度的仪器是______。
测量测试题及答案一、选择题(每题2分,共10分)1. 下列哪项不是测量学的基本要素?A. 测量对象B. 测量工具C. 测量目的D. 测量时间答案:D2. 测量误差可以分为哪几类?A. 随机误差和系统误差B. 绝对误差和相对误差C. 量度误差和比较误差D. A和B答案:D3. 在测量学中,信度指的是什么?A. 测量结果的准确性B. 测量结果的一致性和稳定性C. 测量工具的精确度D. 测量方法的科学性答案:B4. 下列哪项不是提高测量信度的方法?A. 增加测量次数B. 使用标准化的测量工具C. 随意更改测量标准D. 对测量人员进行培训答案:C5. 效度是指测量结果的什么特性?A. 准确性B. 一致性C. 相关性D. 代表性答案:D二、填空题(每题2分,共10分)6. 测量的基本步骤包括________、________、数据整理和结果分析。
答案:确定测量目的、选择测量工具7. 在进行测量时,为了减少随机误差,常采用的方法是________。
答案:多次测量求平均值8. 测量的基本原则包括准确性、________和可重复性。
答案:完整性9. 测量数据的类型可以分为定性数据和________。
答案:定量数据10. 测量结果的表达通常包括数值和________。
答案:单位三、简答题(每题10分,共20分)11. 简述测量误差的来源及其控制方法。
答案:测量误差的来源包括仪器误差、人为误差、环境误差等。
控制方法包括使用高精度的测量工具、对测量人员进行专业培训、在标准化的环境下进行测量、多次测量后求平均值以减少随机误差等。
12. 描述测量信度和效度的区别及其在实际测量中的应用。
答案:信度指的是测量结果的一致性和稳定性,而效度指的是测量结果的准确性和代表性。
在实际测量中,高信度可以确保测量结果的可靠性,而高效度则确保测量结果能够准确反映被测量的特性。
为了提高信度,可以通过多次测量求平均值、使用标准化的测量工具和程序等方法。
测量考试试题及答案测量学是一门研究地球表面各种自然和人工地貌的形态、位置、大小及其变化规律的科学。
它广泛应用于土地管理、城市规划、土木工程、环境科学等领域。
以下是一套测量学考试试题及答案,供参考。
一、选择题(每题2分,共20分)1. 测量学中最基本的测量方法是:A. 水准测量B. 角度测量C. 距离测量D. 高程测量答案:C2. 以下哪项不是测量误差的来源?A. 仪器误差B. 观测者误差C. 环境误差D. 计算错误答案:D3. 测量中,为了减少误差,常用的方法是:A. 增加测量次数B. 仅使用高精度仪器C. 随意选择测量时间D. 仅依赖单一测量结果答案:A4. 地形图的比例尺表示的是:A. 地图上的距离与实际距离的比值B. 地图上的距离与时间的比值C. 地图上的距离与速度的比值D. 实际距离与时间的比值答案:A5. 以下哪个单位不是用于表示角度的?A. 度(°)B. 分(')C. 秒('')D. 米(m)答案:D...二、填空题(每空1分,共10分)1. 在测量学中,________是用来确定地面点位置的方法。
答案:坐标测量2. 水准仪的主要功能是测量两点之间的________。
答案:高差3. 测量中,为了提高精度,通常采用________的方法。
答案:平均值4. 地形图上,等高线之间的距离表示的是________。
答案:地形起伏5. 测量学中,________是用来描述地形起伏的曲线。
答案:等高线...三、简答题(每题10分,共30分)1. 简述测量学中误差的来源及其控制方法。
答案:测量误差的来源主要包括系统误差和随机误差。
系统误差通常由测量仪器的不完善或测量方法的固有缺陷引起,可以通过校准仪器、改进测量方法等手段来控制。
随机误差则由观测条件的不稳定或观测者的技术差异引起,可以通过增加观测次数、采用统计方法等手段来减少其影响。
2. 描述水准测量的基本原理及其应用场景。
测量学计算题及答案 Company number:【0089WT-8898YT-W8CCB-BUUT-202108】五、计算题5.已知某点位于高斯投影6°带第20号带,若该点在该投影带高斯平面直角坐标系中的L。
横坐标y=,写出该点不包含负值且含有带号的横坐标y及该带的中央子午线经度0 1.已知某地某点的经度λ=112°47′,试求它所在的6°带与3°的带号及中央子午线的经度是多少2.根据下表中的观测数据完成四等水准测量各测站的计算。
3.完成下表测回法测角记录的计算。
测站测回数盘位目标水平度盘读数° ′ ″水平角草图半测回值° ′ ″一测回值° ′ ″平均值° ′ ″O 1左A 0 12 00B 91 45 00右A 180 11 30B 271 45 00 2左A 90 11 48B 181 44 54右A 270 12 12B 1 45 124.试算置仪器于M点,用极坐标法测设A点所需的数据。
已知300°25′17″,X M=,Y M=,X A=,Y A=,试计五、计算题1.某工程距离丈量容许误差为1/100万,试问多大范围内,可以不考虑地球曲率的影响。
2.调整下列闭合水准路线成果,并计算各点高程。
其中:水准点的高程H BM1=水准测量成果调整表测点测站数高差值高程m 备注观测值m 改正数mm调整值mBM1N1N2N3N4BM1∑实测高差∑h= 已知高差=H终-H始=0高差闭合差f h= 容许闭合差f h容== 一个测站的改正数=3.完成下表竖直角测量记录计算。
测站目标竖盘位置竖盘读数° ′ ″半测回角值° ′ ″一测回角值° ′ ″指标差竖盘形式O M左81 18 42 全圆式顺时针注记右278 41 30N左124 03 30右235 56 544.一根名义长为30米的钢尺与标准长度比较得实际长为米,用这根钢尺量得两点间距离为米,求经过尺长改正后的距离。
第一章 绪论7、某点的经度为118°45′ ,试计算它所在6°带及3°带的带号,以及中央子午线的经度是多少?答:N=INT(118°45′/6+1)=20 L=20*6-3=117°n=INT(118°45′/3+1)=40 l=40*3=120°第二章 水准测量1、设A 为后视点,B 为前视点;A 点高程是20.016m 。
当后视读数为1.124m ,前视读数为1.428m ,问A 、B 两点高差是多少?B 点比A 点高还是低?B 点的高程是多少?并绘图说明。
答:m h AB 304.0428.1124.1-=-=m H B 712.19304.0016.20=-= B 点比A 点低 7、调整表2-3中附合路线等外水准测量观测成果,并求出各点的高程。
mv h mv h mv h mv h mv h m v h mm f mf m h mh h h AB AB 820.61833067.0715.3551.65H H 551.65633067.0716.2847.62H H 847.62533067.0263.1594.61H H 594.61433067.0121.3723.64H H 723.64333067.0413.2316.62H H 316.62733067.0363.4967.57H H 6886543712067.0852.3919.3 3.9193.715-716.2263.1121.3413.2363.4852.3967.57819.616656554544343323221211A 1=⨯-+-=++==⨯-++=++==⨯-++=++==⨯-+-=++==⨯-++=++==⨯-++=++=±=+++++±==-==++-+=∑=-= 8、调整图2-40所示的闭合水准路线的观测成果,并求出各点的高程。
测 量 学 试 题 库一、填空题(一)测量学基础知识(1-38题) 1. 地面点到 铅垂距离称为该点的相对高程。
2. 通过 海水面的 称为大地水准面。
3. 测量工作的基本内容是 、 、 。
4. 地面两点间高程之差,称为该两点间的 。
5. 测量工作的基本原则是 、 、 。
6. 直线定向的标准方向有 、 、 。
7. 由 方向顺时针转到测线的水平夹角为直线的坐标方位角。
8. 距离丈量的相对误差的公式为 。
9. 坐标方位角的取值范围是 。
10. 直线的象限角是指直线与标准方向的北端或南端所夹的 角,并要标注所在象限。
11. 某直线的方位角与该直线的反方位角相差 。
12. 地面点的标志,按保存时间长短可分为 和 。
13. 闭和水准路线高差闭和差的计算公式为 。
14. 水准仪的主要轴线有 、 、 、 。
15. 一般工程水准测量高程差允许闭和差为 或 。
16. 一测站的高差 ab h为负值时,表示 高, 低。
17. 水准测量高差闭合的调整方法是将闭合差反其符号,按各测段的__________成比例分配或按_________成比例分配。
18. 水准测量的测站校核,一般用______法或______法。
19. 支水准路线,既不是附合路线,也不是闭合路线,要求进行_______测量,才能求出高差闭合差。
20. 使用测量成果时,对未经_______的成果,不能使用。
21. 从A 到B 进行往返水准测量,其高差为:往测3.625m;返测-3.631m,则A 、B 之间的高差AB h ___.22. 已知B点高程为m000.241,A、B点间的高差mh AB 000.1+=,则A点高程为___.23. A 点在大地水准面上,B 点在高于大地水准面100m 的水准面上,则A 点的绝对高程是______,B 点的绝对高程是______。
24. 已知A点相对高程为m 100,B点相对高程为m 200-,则高差=AB h ___;若A点在大地水准面上,则B点的绝对高程为_____.25.在进行水准测量时,对地面上A、B、C点的水准尺读取读数,其值分别为m 325.1,m m 555.1,005.1,则高差.__________,____,===CA BC BA h h h26. 经纬仪的安置工作包括________、___________。
计算题库及参考答案1、设A 点高程为15.023m ,欲测设设计高程为16.000m 的B 点,水准仪安置在A 、B 两点之间,读得A 尺读数a=2.340m ,B 尺读数b 为多少时,才能使尺底高程为B 点高程。
【解】水准仪的仪器高为=i H 15.023+2.23=17.363m ,则B 尺的后视读数应为b=17.363-16=1.363m ,此时,B 尺零点的高程为16m 。
2、在1∶2000地形图上,量得一段距离d =23.2cm ,其测量中误差=d m ±0.1cm ,求该段距离的实地长度D 及中误差D m 。
【解】==dM D 23.2×2000=464m ,==d D Mm m 2000×0.1=200cm=2m 。
3、已知图中AB 的坐标方位角,观测了图中四个水平角,试计算边长B →1,1→2,2→3,3→4的坐标方位角。
【解】=1B α197°15′27″+90°29′25″-180°=107°44′52″=12α107°44′52″+106°16′32″-180°=34°01′24″=23α34°01′24″+270°52′48″-180°=124°54′12″=34α124°54′12″+299°35′46″-180°=244°29′58″4、在同一观测条件下,对某水平角观测了五测回,观测值分别为:39°40′30″,39°40′48″,39°40′54″,39°40′42″,39°40′36″,试计算:① 该角的算术平均值——39°40′42″; ② 一测回水平角观测中误差——±9.487″; ③ 五测回算术平均值的中误差——±4.243″。
五、计算题5.已知某点位于高斯投影6°带第20号带,若该点在该投影带高斯平面直角坐标系中的横坐标y=,写出该点不包含负值且含有带号的横坐标y及该带的中央子午线经度0L。
1.已知某地某点的经度λ=112°47′,试求它所在的6°带与3°的带号及中央子午线的经度是多少2.根据下表中的观测数据完成四等水准测量各测站的计算。
测点编号@点号后尺下丝前尺下丝方向及尺号~水准尺中丝读数K+黑减红高差中数备)注上丝上丝后视距前视距黑(m)红¥(m)视距差d∑d1BM1》ZD1后5K5=\K6=前6"后—前~`2后6ZD1, A前5后—前。
3.完成下表测回法测角记录的计算。
测站测回数盘位目标水平度盘读数° ′ ″水平角?草图半测回值° ′ ″一测回值° ′ ″^平均值° ′ ″O 1左A0 12 00—B91 45 00右A180 11 30B271 45 00》2左A90 11 48B181 44 54右】A270 12 12B(1 45 124.试算置仪器于M点,用极坐标法测设A点所需的数据。
已知300°25′17″,X M=,Y M=,X A=,Y A=,试计五、计算题1.某工程距离丈量容许误差为1/100万,试问多大范围内,可以不考虑地球曲率的影响。
`2.调整下列闭合水准路线成果,并计算各点高程。
其中:水准点的高程H BM1=水准测量成果调整表¥测站数高差值高程备注测点观测值m:改正数mm 调整值mmBM1(N1]N2…N3、《N4|BM1∑~ 实测高差∑h= 已知高差=H终-H始=0高差闭合差f h= 容许闭合差f h容==一个测站的改正数=3.完成下表竖直角测量记录计算。
测站目标竖盘位置·竖盘读数° ′ ″半测回角值° ′ ″一测回角值° ′ ″指标差竖盘形式4.一根名义长为30米的钢尺与标准长度比较得实际长为米,用这根钢尺量得两点间距离为米,求经过尺长改正后的距离。
测量学试题及答案一、选择题1. 测量学中的“基准面”通常指的是()。
A. 地球表面B. 椭球面C. 地心地固面D. 水平面答案:C2. 以下哪个不是测量工作中常用的仪器?()。
A. 经纬仪B. 水准仪C. 测距仪D. 光谱分析仪答案:D3. 测量中“闭合差”的概念是用来描述()。
A. 测量结果的精确度B. 测量结果的误差范围C. 测量过程中的误差累积D. 测量数据的一致性答案:C4. 在测量学中,水准测量的主要目的是()。
A. 确定点位的高程B. 确定点位的坐标C. 测量两点间的距离D. 测量两点间的方位角答案:A5. 测量中使用的“三角测量法”主要依赖于()原理。
A. 相似三角形B. 勾股定理C. 三角函数D. 平面几何答案:C二、填空题1. 在测量学中,__________是指通过一系列的测量工作,得到的一系列数据,这些数据能够反映出被测对象的几何特征和位置关系。
答案:测量成果2. 测量工作中,__________是一种通过比较已知高程点和未知高程点之间的高差,来确定未知点高程的方法。
答案:水准测量3. 测量误差的来源可以分为系统误差和__________。
答案:随机误差4. 在进行角度测量时,通常需要进行__________,以消除仪器误差和观测误差对测量结果的影响。
答案:归心化5. 测量学中的“坐标转换”是指将__________坐标转换为平面直角坐标系中的坐标。
答案:地理坐标三、简答题1. 简述测量学中的“三角高程测量”方法及其应用。
答:三角高程测量是一种利用三角函数关系,通过测量角度和已知边长来确定未知点高程的方法。
它广泛应用于地形测量、工程建设等领域,特别是在地形起伏较大、直接水准测量困难的情况下,三角高程测量提供了一种有效的高程传递手段。
2. 说明测量学中“误差传播定律”的基本内容及其在测量工作中的应用。
答:误差传播定律是指在测量过程中,各个测量环节的误差会按照一定的数学关系传播到最终的测量结果中。
五、计算题5.已知某点位于高斯投影6°带第20号带,若该点在该投影带高斯平面直角坐标系中的横坐标y=-306579、210m,写出该点不包含负值且含有带号的横坐标y及该带的中央子午线经度L。
1.已知某地某点的经度λ=112°47′,试求它所在的6°带与3°的带号及中央子午线的经度就是多少?2.根据下表中的观测数据完成四等水准测量各测站的计算。
测点编号点号后尺下丝前尺下丝方向及尺号水准尺中丝读数K+黑减红高差中数备注上丝上丝后视距前视距黑(m)红(m)视距差d∑d1BM1ZD1 1、5710、793后51、3846、171K5=4、787K6=4、687 1、1970、417前60、5515、239后—前2ZD1 2、1212、196后61、9346、621 1、7471、821前52、0086、796后—前A3.完成下表测回法测角记录的计算。
测站测回数盘位目标水平度盘读数° ′ ″水平角草图半测回值° ′ ″一测回值° ′ ″平均值° ′ ″O 1左A0 12 00B91 45 00右A180 11 30B271 45 00 2左A90 11 48B181 44 54右A270 12 12B 1 45 124、试算置仪器于M点,用极坐标法测设A点所需的数据。
已知300°25′17″,X M=14、228m,Y M=77、564m,X A=47、337m,Y A=73、556m,试计五、计算题1.某工程距离丈量容许误差为1/100万,试问多大范围内,可以不考虑地球曲率的影响。
2.调整下列闭合水准路线成果,并计算各点高程。
其中:水准点的高程H BM1=44、313m水准测量成果调整表测点测站数高差值高程m 备注观测值m改正数mm调整值mBM1N1N2N3N4BM1∑实测高差∑h= 已知高差=H终-H始=0高差闭合差f h= 容许闭合差f h容== 一个测站的改正数=3.完成下表竖直角测量记录计算。
测站目标竖盘位置竖盘读数° ′ ″半测回角值° ′ ″一测回角值° ′ ″指标差竖盘形式O M左81 18 42全圆式顺时针注记右278 41 30N左124 03 30右235 56 544.一根名义长为30米的钢尺与标准长度比较得实际长为30、012米,用这根钢尺量得两点间距离为264、580米,求经过尺长改正后的距离。
5.已知下列左角与右角,试计算线路的转角α,并说明路线就是左转角还就是右转角。
1)左角:β1=170°24′30″;2)右角:β2=165°2五、计算题1.丈量两段距离,一段往测为126、78米,返测为126、68米,另一段往测、返测分别为357、23米与357、33米。
问哪一段丈量的结果比较精确?为什么?两段距离丈量的结果各等于多少?2.完成下列附合水准路线的成果调整表。
点名测站数实测高差(m) 改正数(mm) 改正后高差(m) 高程(m) A16 +3、33443、564114 -2、41828 -0、389313 -2、053B 41、987∑辅助计算:3.计算下图各边的方位角、反方位角与象限角。
计算结果:α23= α32= R23=α34= α43= R34=α42= α24= R42=4.完成下表中平测量记录的计算。
测点水准尺读数(m) 视线高程(m)高程(m)备注后视中视前视BM51、426 417、628K4+980 0、87K5+000 1、56+020 4、25+040 1、62+060 2、30ZD10、876 2、402+080 2、42+092、4 1、87+100 0、32ZD21、286 2、004+120 3、15+140 3、04+160 0、94+180 1、88+200 2、00ZD32、1865.等精度观测某四边形各内角为,每个角的观测中误差均为,设四边形角度闭合差为,为了消除闭合差,将其平均分配到各角中得改正后的角度为,,与,求角度闭合差的中误差与改正后的角度中误差。
五、计算题1、设丈量了两段距离,结果为:l1=528、46m±0、21m ;l2=517、25m±0、16m 。
试比较这两段距离之与及之差的精度。
2、已知αCB=290°50′10″,如图所示,求αAB 、αED 。
3、闭合导线的观测数据与已知数据如表所示,试求B、C、D三点的坐标。
(取为至㎝)点号坐标方位角距离(m)增量计算值(m)改正后增量(m)坐标值△x△y△x△y x yA125°30′30″105、22500、000500、000 B53°18′43″80、18C306°19′15″129、34D215°53′17″78、16A∑辅助计算: f x=f y= f D= K=XDA d ABCB4、如图,仪器安置在A点,要测定M点的距离与高程,今测得仰角α=17°02′,视距间隔=1、37m,量得仪器高i=1、32m,目标高l=2、00m,已知A点高程为HA=80、643m,试计算两点间的水平距离与M点高程。
五、计算题1、设拟测设AB的水平距离D0=18m,经水准测量得相邻桩之间的高差h=0、115m。
精密丈量时所用钢尺的名义长度L0=30m,实际长度L=29、997m,膨胀系数α=1、25×10-5,检定钢尺时的温度t=20℃。
求在4℃环境下测设时在地面上应量出的长度D。
2、完成下列碎部测量手簿的计算测站高程HO=65、321m 仪器高i=1、542m 指标差x=-1´测站点碎部点视距读数m中丝读数m竖盘读数° ´水平角° ´竖直角° ´水平距离m高差m高程mO P0、3251、23691 0665 24 3、如图,已知αAB=150°30′42 ″,αCD=28°44′02″ ,试计算附合导线各边的方位角。
(fβ容=±40″)4.已知M、N为已知控制点, XM=15、245m,YM=56、356m,XN=34、235m,YN=34、791m,P 点为测设点,XP=43、784m,YP=100、006m,现以M点为测站点,N为后视点,用极坐标法测设P点,试:(1)计算测设所需的元素β、D;(2)简述测设的步骤;五、计算题1、完成下列竖直角测量的计算测站盘位目标竖盘读数°´"半测回角值°´"一测回角值°´"备注O左A112 09 54右A247 50 302、根据下图所示水准路线中的数据,计算P、Q点的高程。
3、如图所示,三角形的三个观测值列于图上,已知:αCB=124°15′,求αBA与αCA。
4、已知交点的里程为K3+182、76,测得转角αy=25°48′,圆曲线半径R=300m,求曲线测设元素及主点里程。
五、计算题1.完成下列附合水准的内业计算测点测站数高差栏高程备注观测值m改正数mm改正后高差mBM156、32473、56419-11、231236、5893113、254485、247BM263、785Σ辅助计算:fh=fh允=±12=精度评定:2.完成下列测回法测水平角的计算测站盘位目标水平方向读数°´"半测回角值°´"一测回角值°´"备注∠AOBO 左A0 01 06B181 09 54右A180 00 54B 1 10 003.视距测量中, 已知测站点HO=65、349m,量得仪器高i=1、457m,测点为P点,观测得:视距读数为0、492m,中丝读数为1、214m,竖盘读数为95°06´(顺时钟注记),竖盘指标差为+1´,计算平距与P点的高程。
4.如图,已知点1(56、241,31、021)m,点2(78、149,69、473)m,D23=112、230m,β2=112°25´06 ",β3=109°24´54 ",β4=89°54´30 ",试求: α23、α34、α45、及点3的坐标。
5.已知M、N为已知控制点, XM=15、245m,YM=56、356m,XN=34、235m,YN=34、791m,P 点为测设点,XP=43、784m,YP=100、006m,现以M点为测站点,N为后视点,用极坐标法测设P点,试:(1)计算测设所需的元素β、D;(2)简述测设的步骤;五、计算题点名路线长度(Km)实测高差(m)改正数(mm)改正后高差(m)高程(m)A8、0+3、33443、56411.完成下列附合水准路线的成果调整表2.完成下列碎部测量手簿的计算测站高程 H O =65、321m 仪器高 i=1、542m 指标差 x=-1´ 测站 点 碎 部 点视距间 隔读数 m中丝 读数 m竖盘读数° ´水平角°´竖直角° ´水平距离m高差m高程mOP 0、325 1、236 91 06 65 24Q0、582 1、513 88 25 98 303.如图所示,已知,,观测角为:,,,求方位角。
7、0-2、41824、0-0、38936、5 -2、053 B 41、987 ∑辅助计算:五、计算题1.下列为测回法观测水平角记录,请完成表中各项计算(计算取到秒)。
测站竖盘位置测点水平度盘读数半测回角值一则回角值各测回平均角值º ′ ″º ′ ″º ′ ″º ′ ″O 左A0 05 30B120 18 24右A180 05 42B300 18 30O 左A90 04 18B210 17 06右A270 04 24B30 17 242.完成下列碎部测量手簿的计算。
测站高程H O=65、321m 仪器高i=1、542m 指标差x=-60″测站点碎部点视距间隔读数m中丝读数m竖盘读数° ´水平角° ´竖直角° ´水平距离m高差m高程m OP0、3251、23691 0665 24Q0、5821、51388 2598 303.已知,请按图中所注观测角值推算BC,CD,DE边方位角。
BCD4.完成下列闭合导线计算表,取位到mm。