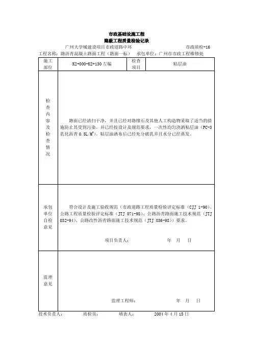
市政基础设施工程隐蔽工程质量检验记录透层油 表格 格式
- 格式:doc
- 大小:16.50 KB
- 文档页数:2
---------------------------------------------------------------最新资料推荐------------------------------------------------------隐蔽工程检查表格(共14张)隐蔽工程检查表格 (共 14 张) 表格目录序号表格名称 1 工程检查[通用隐检工程检查] 2 一般路堤基底处理工程检查 3 路基地基浅层处理工程检查 4 钻(挖) 孔桩成孔检查 5 钻(挖) 孔桩灌注水下混凝土前检查 6 桩基承台基坑检查 7 桥梁明挖基础基底检查 8 涵洞及框架桥明挖基础基底检查 9 桥梁墩台(完工后) 中线、水平、跨度检查 10 隧道衬砌厚度、防水层及背后填塞检查 11 铺轨前路基完成情况检查 12 路基高程及宽度实测与设计对照表 13 地下电缆线埋设检查14 地线埋设工程检查[通用隐检工程检查]工程检查工程项目名称:施工合同段:编号:工程名称施工单位工程地点检查日期年月日经检查认为满足设计要求□ 经整改后满足设计要求□ 决定:准予隐蔽□ 准进入下道工序,。
1、附件:主管工程师年月日施工负责人年月日质检工程师年月日监理工程师年月日一般路堤基底处理工程检查工程项目名1 / 16称:施工合同段:编号:单位名称施工单位工程地点检查日期年月日里程:自至共 m 1、该段设计单位地质勘察文件已提供□:/未提供□:PS= Mpa 地基土类型,水位地表已□/未□进行地质补充勘探,勘探结果:PS= Mpa 或[]= Mpa 地基土类型,地下水距地表 m 2、施工前场地清理情况: 3、地下水处理措施:4、草皮、树根、杂物清理情况:已清除□/未清除,指出后清除□ 5、陡于:1:10 横坡台阶处理情况(请绘制草图说明) 6、挖除深度m ,换填 m 换填材料名称材料检验报告编号。
7、基底平整:合格□/经指出返工合格□ 8、经用法检测---------------------------------------------------------------最新资料推荐------------------------------------------------------个断面共个点。
隐蔽工程检查记录表范本项目信息- 项目名称:- 项目地点:- 检查日期:检查内容1. 建筑结构隐蔽工程- [ ] 混凝土浇筑前检查- [ ] 钢筋绑扎前检查- [ ] 砌体工程隐蔽检查2. 电气隐蔽工程- [ ] 电缆线路敷设前检查- [ ] 插座、开关安装前检查- [ ] 配电盘安装前检查3. 暖通空调隐蔽工程- [ ] 风管敷设前检查- [ ] 管道安装前检查- [ ] 设备安装前检查检查记录建筑结构隐蔽工程- 混凝土浇筑前检查:- [ ] 浇筑前验收合格- [ ] 浇注材料符合要求- 钢筋绑扎前检查:- [ ] 钢筋绑扎符合要求- [ ] 钢筋质量合格- 砌体工程隐蔽检查:- [ ] 砌体垂直度符合要求- [ ] 砌体砂浆接缝质量合格电气隐蔽工程- 电缆线路敷设前检查:- [ ] 线缆规格符合要求- [ ] 接线端子牢固可靠- 插座、开关安装前检查:- [ ] 安装位置符合要求- [ ] 接线正确可靠- 配电盘安装前检查:- [ ] 安装位置符合要求- [ ] 电路接线端子可靠暖通空调隐蔽工程- 风管敷设前检查:- [ ] 风管连接牢固- [ ] 风管不漏风- 管道安装前检查:- [ ] 管子连接紧密- [ ] 管道无渗漏- 设备安装前检查:- [ ] 设备安装位置正确- [ ] 设备配管接头可靠备注(在此处填写需要记录的其他信息)该隐蔽工程检查记录表范本可根据实际项目情况进行调整和补充,并确保所有检查内容得到仔细记录和核查。