二异丙胺MSDS
- 格式:docx
- 大小:30.25 KB
- 文档页数:6
化学品安全技术说明书异丙胺第一部分化学品及企业标识化学品中文名:异丙胺化学品英文名:isopropylamine;2-aminopropane;1-methylethylamine供应商名称:天津****化工有限公司供应商地址:天津市**区**路**号**室供应商电话:4571-5858****邮编:248***供应商传真:4571-5858****电子邮件地址:4527**************产品推荐及限制用途:用作溶剂、有机合成的中间体、乳化剂、表面活性剂、橡胶硫化促进剂。
第二部分危险性概述紧急情况概述:极易燃液体和蒸气。
GHS危险性类别:易燃液体-类别1;皮肤腐蚀/刺激-类别2;严重眼损伤/眼刺激-类别2;特异性靶器官毒性-一次接触-类别3(呼吸道刺激)标签要素:象形图:警示词:危险危险信息:H224:极易燃液体和蒸气H315:造成皮肤刺激H319:造成严重眼刺激H335:可能引起呼吸道刺激防范说明:预防措施:P210:远离热源/火花/明火/热表面。
禁止吸烟。
P233:保持容器密闭。
P240:容器和接收设备接地/等势联接。
P241:使用防爆的电气/通风/照明/设备。
P242:只能使用不产生火花的工具。
P243:采取防止静电放电的措施。
P280:戴防护手套/穿防护服/戴防护眼罩/戴防护面具。
P264:作业后彻底清洗。
P260:不要吸入粉尘/烟/气体/烟雾/蒸气/喷雾。
P271:只能在室外或通风良好之处使用。
应急响应:P303+P361+P353:如皮肤(或头发)沾染:立即脱掉所有沾染的衣服。
用水清洗皮肤/淋浴。
P370+P378:火灾时,使用灭火。
P302+P352:如皮肤沾染:用大量肥皂和水清洗。
P321:具体治疗(见本标签上的)。
P332+P313:如发生皮肤刺激:求医/就诊。
P362+P364:脱掉所有沾染的衣服,清洗后方可重新使用。
P305+P351+P338:如进入眼睛:用水小心冲洗几分钟。
第一部分化学品及企业标识化学品中文名:二异丙醇胺化学品英文名:diisopropanolamine;1,1'-iminodipropan-2-ol化学品别名:2,2'-二羟基二丙胺CAS No.:110-97-4EC No.:203-820-9分子式:C6H15NO2第二部分危险性概述| 紧急情况概述固体。
对眼睛有严重刺激性。
| GHS 危险性类别根据根据《危险化学品分类信息表》(2015)危险性类别判定,该产品分类如下:眼损伤/眼刺激,类别2A。
| 标签要素象形图警示词:警告危险信息:造成严重眼刺激。
防范说明预防措施:作业后彻底清洗。
戴防护手套/穿防护服/戴防护眼罩/戴防护面具。
事故响应:如仍觉眼刺激:求医/就诊。
如进入眼睛:用水小心冲洗几分钟。
如戴隐形眼镜并可方便地取出,取出隐形眼镜。
继续冲洗。
安全储存:不适用。
废弃处置:不适用。
| 危害描述物理化学危险无资料健康危害吸入该物质可能会引起对健康有害的影响或呼吸道不适。
意外食入本品可能对个体健康有害。
通过割伤、擦伤或病变处进入血液,可能产生全身损伤的有害作用。
本品能造成严重眼刺激。
眼睛直接接触可能会造成严重的炎症并伴随有疼痛。
眼睛直接接触本品可导致暂时不适。
环境危害请参阅 SDS 第十二部分。
第三部分成分/组成信息第四部分急救措施| 急救措施描述一般性建议:急救措施通常是需要的,请将本 SDS 出示给到达现场的医生。
皮肤接触:立即脱去污染的衣物。
用大量肥皂水和清水冲洗皮肤。
如有不适,就医。
眼睛接触:用大量水彻底冲洗至少 15 分钟。
如有不适,就医。
吸入:立即将患者移到新鲜空气处,保持呼吸畅通。
如果呼吸困难,给于吸氧。
如患者食入或吸入本物质,不得进行口对口人工呼吸。
如果呼吸停止。
立即进行心肺复苏术。
立即就医。
食入:禁止催吐,切勿给失去知觉者从嘴里喂食任何东西。
立即呼叫医生或中毒控制中心。
对保护施救者的忠告:清除所有火源,增强通风。
第1部分化学品及企业标识化学品中文名:二异丙胺化学品英文名:DiisopropylamineCAS号:108-18-9分子式:C6H15N分子量:101.19产品推荐及限制用途:工业及科研用途。
第2部分危险性概述紧急情况概述:高度易燃液体和蒸气。
吞咽有害。
造成严重皮肤灼伤和眼损伤。
吸入有害。
GHS危险性类别:易燃液体类别2急性经口毒性类别4皮肤腐蚀/刺激类别1B急性吸入毒性类别4标签要素:象形图:警示词:危险危险性说明:H225高度易燃液体和蒸气H302吞咽有害H314造成严重皮肤灼伤和眼损伤H332吸入有害防范说明:•预防措施:——P210远离热源/火花/明火/热表面。
禁止吸烟。
——P233保持容器密闭。
——P240容器和装载设备接地/等势联接。
——P241使用防爆的电气/通风/照明/设备。
——P242只能使用不产生火花的工具。
——P243采取防止静电放电的措施。
——P280戴防护手套/穿防护服/戴防护眼罩/戴防护面具。
——P264作业后彻底清洗。
——P270使用本产品时不要进食、饮水或吸烟。
——P260不要吸入粉尘/烟/气体/烟雾/蒸气/喷雾。
——P261避免吸入粉尘/烟/气体/烟雾/蒸气/喷雾。
——P271只能在室外或通风良好处使用。
•事故响应:——P303+P361+P353如皮肤(或头发)沾染:立即脱掉所有沾染的衣服。
用水清洗皮肤/淋浴。
——P370+P378火灾时:使用灭火器灭火。
——P301+P312如误吞咽:如感觉不适,呼叫解毒中心/医生——P330漱口。
——P301+P330+P331如误吞咽:漱口。
不要诱导呕吐。
——P363沾染的衣服清洗后方可重新使用。
——P304+P340如误吸入:将人转移到空气新鲜处,保持呼吸舒适体位。
——P310立即呼叫解毒中心/医生——P305+P351+P338如进入眼睛:用水小心冲洗几分钟。
如戴隐形眼镜并可方便地取出,取出隐形眼镜。
继续冲洗。
——P312如感觉不适,呼叫解毒中心/医生•安全储存:——P403+P235存放在通风良好的地方。
化学品安全技术说明书化学品中文名:二异丙胺化学品英文名:diisopropylamine; N-(1-methylethyl)-2-propanamine企业名称:生产企业地址:邮编: 传真:企业应急电话:电子邮件地址:技术说明书编码:√纯品混合物有害物成分浓度CAS No.二异丙胺108-18-9危险性类别:第3.2类中闪点液体侵入途径:吸入、食入、经皮吸收健康危害:对呼吸道有刺激性,吸入蒸气可引起肺水肿。
蒸气对眼有刺激性;眼和皮肤接触液体可致灼伤。
口服引起恶心、呕吐、腹泻、腹痛、虚弱和虚脱。
皮肤反复接触可引起变应性皮炎。
环境危害:对水生生物有毒作用。
燃爆危险:易燃,其蒸气与空气混合,能形成爆炸性混合物。
皮肤接触:立即脱去污染的衣着,用大量流动清水冲洗20~30分钟。
如有不适感,就医。
眼睛接触:立即提起眼睑,用大量流动清水或生理盐水彻底冲洗10~15分钟。
如有不适感,就医。
吸入:迅速脱离现场至空气新鲜处。
保持呼吸道通畅。
如呼吸困难,给输氧。
呼吸、心跳停止,立即进行心肺复苏术。
就医。
食入:饮水,禁止催吐。
如有不适感,就医。
危险特性:易燃,其蒸气与空气可形成爆炸性混合物,遇明火、高热能引起燃烧爆炸。
与氧化剂能发生强烈反应。
蒸气比空气重,沿地面扩散并易积存于低洼处,遇火源会着火回燃。
具有腐蚀性。
有害燃烧产物:一氧化碳、氮氧化物。
灭火方法:用抗溶性泡沫、二氧化碳、干粉、砂土灭火。
灭火注意事项及措施:消防人员必须佩戴空气呼吸器、穿全身防火防毒服,在上风向灭火。
喷水冷却容器,可能的话将容器从火场移至空旷处。
处在火场中的容器若已变色或从安全泄压装置中产生声音,必须马上撤离。
用水灭火无效。
应急行动:消除所有点火源。
根据液体流动和蒸气扩散的影响区域划定警戒区,无关人员从侧风、上风向撤离至安全区。
建议应急处理人员戴正压自给式呼吸器,穿防静电、防腐、防毒服。
作业时使用的所有设备应接地。
禁止接触或跨越泄漏物。
尽可能切断泄漏源。
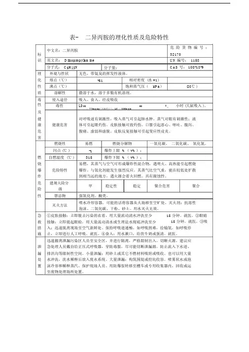
表-二异丙胺的理化性质及危险特性中文名:二异丙胺危险货物编号:标32170识英文名: Diisopropylamine UN 编号: 1158分子式: C6H15N分子量:CAS 号: 108-18-9理外观与性状无色,带氨臭的挥发性液体。
化熔点(℃)-61相对密度 (水 =1)性沸点(℃)饱和蒸气压(kPa)(20℃ )质溶解性微溶于水,溶于多数有机溶剂。
毒侵入途径吸入、食入、经皮吸收性毒性LD50503小时 (大鼠吸入 )。
, 2: 770mg/kg( 大鼠经口 )。
LC :4800mg/m及健对呼吸道有刺激性,吸入蒸气可引起肺水肿。
蒸气对眼有刺激性;液康健康危害体可引起眼灼伤。
皮肤接触可致灼伤。
口服引起恶心、呕吐、腹泻、危腹痛、虚弱和虚脱。
皮肤反复接触可引起变应性皮炎。
害燃烧性易燃燃烧分解物一氧化碳、二氧化碳、氧化氮。
闪点 (℃ )-1爆炸上限 %( v%):燃自燃温度 (℃ )315爆炸下限 %( v%):烧易燃,其蒸气与空气可形成爆炸性混合物,遇明火、高热能引起燃烧爆危险特性爆炸。
与氧化剂能发生强烈反应。
其蒸气比空气重,能在较低处扩散炸到相当远的地方,遇火源会着火回燃。
具有腐蚀性。
危建规火险分甲稳定性稳定聚合危害聚合险级性禁忌物强氧化剂、酸类。
灭火方法喷水冷却容器,可能的话将容器从火场移至空旷处。
灭火剂:抗溶性泡沫、二氧化碳、干粉、砂土。
用水灭火无效。
急①皮肤接触:立即脱去污染的衣着,用大量流动清水冲洗至少15 分钟。
就医。
②眼睛救接触:立即提起眼睑,用大量流动清水或生理盐水彻底冲洗至少15 分钟。
就医。
③吸措入:迅速脱离现场至空气新鲜处。
保持呼吸道通畅。
如呼吸困难,给输氧。
如呼吸停施止,立即进行人工呼吸。
就医。
④食入:用水漱口,给饮牛奶或蛋清。
就医。
迅速撤离泄漏污染区人员至安全区,并进行隔离,严格限制出入。
切断火源。
建议应泄急处理人员戴自给正压式呼吸器,穿防毒服。
尽可能切断泄漏源。
第一部分化学品及企业标识化学品中文名:二异丙胺化学品英文名:diisopropylamine化学品别名:-CAS No.:108-18-9EC No.:203-558-5分子式:C6H15N第二部分危险性概述紧急情况概述:液体。
高度易燃,其蒸气与空气混合,能形成爆炸性混合物。
会引起皮肤烧伤,有严重损害眼睛的危险。
有严重损害眼睛的危险。
对呼吸道有刺激作用。
GHS 危险性类别:根据根据《危险化学品分类信息表》(2015)危险性类别判定,该产品分类如下:易燃液体,类别2;皮肤腐蚀/刺激,类别1B;眼损伤/眼刺激,类别1;特定目标器官毒性-单次接触:呼吸道刺激,类别3。
| 标签要素象形图警示词:危险危险信息:高度易燃液体和蒸气,造成严重皮肤灼伤和眼损伤,造成严重眼损伤,可能造成呼吸道刺激。
防范说明预防措施:远离热源、热表面、火花、明火以及其它点火源。
禁止吸烟。
保持容器密闭。
容器和接收设备接地和等势联接。
使用不产生火花的工具。
采取措施,防止静电放电。
不要吸入粉尘/烟/气体/烟雾/蒸气/喷雾。
作业后彻底清洗。
只能在室外或通风良好之处使用。
戴防护手套/穿防护服/戴防护眼罩/戴防护面具。
事故响应:如感觉不适,呼叫中毒急救中心/医生。
沾染的衣服清洗后方可重新使用。
如误吸入:将受人转移到空气新鲜处,保持呼吸舒适的体位。
如误吞咽:漱口。
不要诱导呕吐。
如皮肤(或头发)沾染:立即去除/脱掉所有沾染的衣服。
用水清洗皮肤或淋浴。
如进入眼睛:用水小心冲洗几分钟。
如戴隐形眼镜并可方便地取出,取出隐形眼镜。
继续冲洗。
安全储存:存放处须加锁。
存放在通风良好的地方。
保持容器密闭。
存放在通风良好的地方。
保持低温。
废弃处置:按照地方/区域/国家/国际规章处置内装物/容器。
| 危害描述物理化学危险高度易燃液体,其蒸气与空气混合,能形成爆炸性混合物。
健康危害吸入蒸气(尤其是长期接触)可能引起呼吸道刺激,偶尔出现呼吸窘迫。
腐蚀物能引起呼吸道刺激,伴有咳嗽、呼吸道阻塞和粘膜损伤。
二异丙胺安全技术说明标识中文名二异丙胺英文名diisopropylamine分子式C6H15N 分子量101.19危规号32170 UN编号1158 RTECS号/ CAS号108-18-9理化性质主要组成≥95.0%性状无色,带氨臭的挥发性液体。
熔点℃-61 溶解性微溶于水,溶于多数有机溶剂。
沸点℃84.1相对水密度(水=1)0.72饱和蒸气压KPa6.67(20℃)相对空气密度(空气=1)3.49临界温度℃无资料燃烧热kJ/mol 无资料临界压力MPa无资料最小引燃能量mJ燃烧爆燃烧性本品易燃,具刺激性。
燃烧分解产物一氧化碳、二氧化碳、氧化氮。
闪点℃-1 聚合危险/炸危险性爆炸极限%1.1~7.1 稳定性/引燃温度℃315 禁忌物强氧化剂、酸类。
危险特性易燃,其蒸气与空气可形成爆炸性混合物,遇明火、高热能引起燃烧爆炸。
与氧化剂能发生强烈反应。
其蒸气比空气重,能在较低处扩散到相当远的地方,遇火源会着火回燃。
具有腐蚀性。
灭火方法喷水冷却容器,可能的话将容器从火场移至空旷处。
灭火剂抗溶性泡沫、二氧化碳、干粉、砂土。
用水灭火无效。
毒性中国MAC(mg/m3):未制定标准TLVTN:OSHA 5ppm,21mg/m3[皮]; ACGIH 5ppm,21mg/m3[皮] LD50:770 mg/kg(大鼠经口) LC50:4800mg/m3,2小时(大鼠吸入)对人体伤害对呼吸道有刺激性,吸入蒸气可引起肺水肿。
蒸气对眼有刺激性;液体可引起眼灼伤。
皮肤接触可致灼伤。
口服引起恶心、呕吐、腹泻、腹痛、虚弱和虚脱。
皮肤反复接触可引起变应性皮炎。
急救皮肤接触:立即脱去污染的衣着,用大量流动清水冲洗至少15分钟。
就医。
眼睛接触:立即提起眼睑,用大量流动清水或生理盐水彻底冲洗至少15分钟。
就医。
吸入:迅速脱离现场至空气新鲜处。
保持呼吸道通畅。
如呼吸困难,给输氧。
如呼吸停止,立即进行人工呼吸。
就医。
食入:用水漱口,给饮牛奶或蛋清。
二异丙胺安全技术说明书标识中文名:二异丙胺英文名:Diisopropylamine分子式:C6H15N 分子量:101.19 CAS号:108-18-9 危规号:32170理化性质性状:无色,带氨臭的挥发性液体。
溶解性:微溶于水,溶于多数有机溶剂。
熔点(℃):-61 沸点(℃): -84.1 相对密度(水=1):0.72临界温度(℃):无资料临界压力(MPa):无资料相对密度(空气=1):3.49燃烧热(KJ/mol):无资料最小点火能(mJ):饱和蒸汽压(KPa):6.67(20℃)燃烧爆炸危险性燃烧性:易燃燃烧分解产物:一氧化碳、二氧化碳、氧化氮。
闪点(℃):-1 聚合危害:不聚合爆炸下限(%):1.1 稳定性:稳定爆炸上限(%):7.1 最大爆炸压力(MPa):自然温度(℃):315 禁忌物:强氧化剂、酸类。
危险特性:其蒸气与空气形成爆炸性混合物,遇明火、高热能引起燃烧爆炸。
与氧化剂能发生强烈反应。
其蒸气比空气重,能在较低处扩散到相当远的地方,遇火源引着回燃。
若遇高热,容器内压增大,有开裂和爆炸的危险。
有腐蚀性。
灭火方法:喷水冷却容器,可能的话将容器从火场移至空旷处。
灭火剂:抗溶性泡沫、二氧化碳、干粉、砂土。
用水灭火无效毒性接触限值:中国MAC(mg/m3)未制定标准前苏联 MAC(mg/m3)5美国TVL-TWA OSHA 5ppm,21mg/m3(皮); ACGIH 5ppm,21mg/m3(皮)美国TLV-STEL 未制定标准急性毒性: LD50:770mg/kg(大鼠经口) LC50:4800mg/m3 2小时(大鼠吸入)对人体危害侵入途径:吸入食入经皮吸收。
健康危害:对呼吸道有刺激性,吸入蒸气可引起肺水肿。
蒸气对眼有刺激性;液体可引起眼灼伤。
皮肤接触可致灼伤。
口服引起恶心、呕吐、腹泻、腹痛、虚弱和虚脱。
长期反复接触可致变应性皮炎急救皮肤接触:脱去污染的衣着,立即用水冲洗至少15分钟。
1、物质的理化常数CA国标编号: 32170S:中文名称: 二异丙胺英文名称: diisopropylanmine 别名:二异丙基胺分子分子式: C6H15N;(CH3)2CHNHCH(CH3)2量:熔点: 密度:-61℃沸点:84.1℃相对密度(水=1)0.72;101.19 108-18-9蒸汽压: -1℃溶解性: 稳定性: 外观与性无色,带氨臭的挥发性液体状:危险标记: 7(易燃液体)用作橡胶促进剂、医药中间体农药除草剂、表面活性用途:剂等微溶于水,溶于多数有机溶剂稳定2.对环境的影响: 一、健康危害侵入途径:吸入、食入、经皮吸收。
健康危害:品对呼吸道有刺激性,吸入蒸气可引起肺水肿。
蒸气对眼有刺激性;液体可引起眼灼伤。
皮肤接触可致灼伤。
口服引起恶心、呕吐、腹泻、腹痛、虚弱和虚脱。
反复皮肤接触可引起变应性皮炎。
二、毒理学资料及环境行为急性毒性:LD50770mg/kg(大鼠经口);LC504800mg/m,2小时(大鼠吸入)亚急性和慢性毒性:大鼠吸入597ppm×7小时×5天,1/2死亡;大鼠吸入261ppm×7小时×2~20日,4/5死亡。
刺激性:750µg,重度刺激。
致突变性;微生物致突变:鼠伤寒沙门氏菌1µg/皿。
3危险特性:易燃,其蒸气与空气混合可形成爆炸性混合物。
遇高热、明火能引起燃烧爆炸。
与氧化剂能发生强烈反应。
其蒸气比空气重,能在较低处扩散到相当远的地方,遇明火会引着回燃。
具有腐蚀性。
燃烧(分解)产物:一氧化碳、二氧化碳、氧化氮。
3.现场应急监测方法:4.实验室监测方法:空气中:样品用装有硫酸溶液的撞击式取样管收集,再用气相色谱法测定或者用比色法测定5.环境标准:6.应急处理处置方法:一、泄漏应急处理迅速撤离泄漏污染区人员至安全区,并进行隔离,严格限制出入。
切断火源。
建议应急处理人员戴自给正压式呼吸器,穿防毒服。
尽可能切断泄漏源,防止进入下水道、排洪沟等限制性空间。
化学品安全技术说明书第一部分化学品及企业标识化学品中文名:二异丙胺化学品英文名:diisopropylamine;N-(1-methylethyl)-2-propanamine企业名称:生产企业地址:邮编: 传真:企业应急电话:电子邮件地址:技术说明书编码:第二部分成分/组成信息√纯品混合物有害物成分浓度CAS No.二异丙胺108-18-9第三部分危险性概述危险性类别:第3.2类中闪点液体侵入途径:吸入、食入、经皮吸收健康危害:对呼吸道有刺激性,吸入蒸气可引起肺水肿。
蒸气对眼有刺激性;眼和皮肤接触液体可致灼伤。
口服引起恶心、呕吐、腹泻、腹痛、虚弱和虚脱。
皮肤反复接触可引起变应性皮炎。
环境危害:对水生生物有毒作用。
燃爆危险:易燃,其蒸气与空气混合,能形成爆炸性混合物。
第四部分急救措施皮肤接触:立即脱去污染的衣着,用大量流动清水冲洗20~30分钟。
如有不适感,就医。
眼睛接触:立即提起眼睑,用大量流动清水或生理盐水彻底冲洗10~15分钟。
如有不适感,就医。
吸入:迅速脱离现场至空气新鲜处。
保持呼吸道通畅。
如呼吸困难,给输氧。
呼吸、心跳停止,立即进行心肺复苏术。
就医。
食入:饮水,禁止催吐。
如有不适感,就医。
第五部分消防措施危险特性:易燃,其蒸气与空气可形成爆炸性混合物,遇明火、高热能引起燃烧爆炸。
与氧化剂能发生强烈反应。
蒸气比空气重,沿地面扩散并易积存于低洼处,遇火源会着火回燃。
具有腐蚀性。
有害燃烧产物:一氧化碳、氮氧化物。
灭火方法:用抗溶性泡沫、二氧化碳、干粉、砂土灭火。
灭火注意事项及措施:消防人员必须佩戴空气呼吸器、穿全身防火防毒服,在上风向灭火。
喷水冷却容器,可能的话将容器从火场移至空旷处。
处在火场中的容器若已变色或从安全泄压装置中产生声音,必须马上撤离。
用水灭火无效。
第六部分泄漏应急处理应急行动:消除所有点火源。
根据液体流动和蒸气扩散的影响区域划定警戒区,无关人员从侧风、上风向撤离至安全区。
建议应急处理人员戴正压自给式呼吸器,穿防静电、防腐、防毒服。
1、物质的理化常数2.对环境的影响:一、健康危害侵入途径:吸入、食入、经皮吸收。
健康危害:品对呼吸道有刺激性,吸入蒸气可引起肺水肿。
蒸气对眼有刺激性;液体可引起眼灼伤。
皮肤接触可致灼伤。
口服引起恶心、呕吐、腹泻、腹痛、虚弱和虚脱。
反复皮肤接触可引起变应性皮炎。
二、毒理学资料及环境行为急性毒性:LD50770mg/kg(大鼠经口);LC504800mg/m3,2小时(大鼠吸入)亚急性和慢性毒性:大鼠吸入597ppm×7小时×5天,1/2死亡;大鼠吸入261ppm×7小时×2~20日,4/5死亡。
刺激性:750µg,重度刺激。
致突变性;微生物致突变:鼠伤寒沙门氏菌1µg/皿。
危险特性:易燃,其蒸气与空气混合可形成爆炸性混合物。
遇高热、明火能引起燃烧爆炸。
与氧化剂能发生强烈反应。
其蒸气比空气重,能在较低处扩散到相当远的地方,遇明火会引着回燃。
具有腐蚀性。
燃烧(分解)产物:一氧化碳、二氧化碳、氧化氮。
3.现场应急监测方法:4.实验室监测方法:空气中:样品用装有硫酸溶液的撞击式取样管收集,再用气相色谱法测定或者用比色法测定5.环境标准:一、泄漏应急处理迅速撤离泄漏污染区人员至安全区,并进行隔离,严格限制出入。
切断火源。
建议应急处理人员戴自给正压式呼吸器,穿防毒服。
尽可能切断泄漏源,防止进入下水道、排洪沟等限制性空间。
小量泄漏:用砂土或其它不燃材料吸附或吸收。
也可以用大量水冲洗,洗水稀释后放入废水系统。
大量泄漏:构筑围堤或挖坑收容。
喷雾状水冷却和稀释蒸气、保护现场人员、把泄漏物稀释成不燃物。
用防爆泵转移至槽车或专用收集器内,回收或运至废物处理场所处置。
废弃物处置方法:用焚烧法。
焚烧炉排出的氮氧化物通过洗涤器或高温装置除去。
二、防护措施呼吸系统防护:可能接触其蒸气时,佩戴自吸过滤式防毒面具(半面罩)。
紧急事态抢救或撤离时,应该佩戴氧气呼吸器或空气呼吸器。
化学品安全技术说明书
第一部分化学品及企业标识
化学品中文名:二异丙胺
化学品英文名:diisopropylamine
第二部分成分/组成信息
纯品√混合物×
有害物成分浓度CAS No.
二异丙胺≥95.0%108-18-9
第三部分危险性概述
危险性类别:第3.2类中闪点易燃液体
侵入途径:吸入、食入、经皮吸收
健康危害:对呼吸道有刺激性,吸入蒸气可引起肺水肿。
蒸气对眼有刺激性;液体可引起眼灼伤。
皮肤接触可致灼伤。
口服引起恶心、呕吐、腹泻、腹痛、虚弱和虚脱。
皮肤反复接触可引起变应性皮炎。
环境危害:
燃爆危险:本品易燃,具刺激性。
第四部分急救措施
皮肤接触:立即脱去污染的衣着,用大量流动清水冲洗至少15分钟。
就医。
眼睛接触:立即提起眼睑,用大量流动清水或生理盐水彻底冲洗至少15分钟。
就医。
吸入:迅速脱离现场至空气新鲜处。
保持呼吸道通畅。
如呼吸困难,给输氧。
如呼吸停止,立即进行人工呼吸。
就医。
食入:用水漱口,给饮牛奶或蛋清。
就医。
第五部分消防措施
危险特性:易燃,其蒸气与空气可形成爆炸性混合物,遇明火、高热能引起燃烧爆炸。
与氧化剂能发生强烈反应。
其蒸气比空气重,能在较低处扩散到相当远的地方,遇火源会着火回燃。
具有腐蚀性。
有害燃烧产物:一氧化碳、二氧化碳、氧化氮。
灭火方法:喷水冷却容器,可能的话将容器从火场移至空旷处。
灭火剂:抗溶性泡沫、二氧化碳、干粉、砂土。
用水灭火无效。
第六部分泄漏应急处理
应急处理:迅速撤离泄漏污染区人员至安全区,并进行隔离,严格限制出入。
切断火源。
建议应急处理人员戴自给正压式呼吸器,穿防毒服。
尽可能切断泄漏源。
防止流入下水道、排洪沟等限制性空间。
小量泄漏:用砂土或其它不燃材料吸附或吸收。
也可以用大量水冲洗,洗水稀释后放入废水系统。
大量泄漏:构筑围堤或挖坑收容。
喷雾状水或泡沫冷却和稀释蒸汽、保护现场人员。
用防爆泵转移至槽车或专用收集器内,回收或运至废物处理场所处置。
第七部分操作处置与储存
操作注意事项:密闭操作,加强通风。
操作人员必须经过专门培训,严格遵守操作规程。
建议操作人员佩戴自吸过滤式防毒面具(半面罩),戴化学安全防护眼镜,穿防毒物渗透工作服,戴橡胶耐油手套。
远离火种、热源,工作场所严禁吸烟。
使用防爆型的通风系统和设备。
防止蒸气泄漏到工作场所空气中。
避免与氧化剂、酸类接触。
充装要控制流速,防止静电积聚。
搬运时要轻装轻卸,防止包装及容器损坏。
配备相应品种和数量的消防器材及泄漏应急处理设备。
倒空的容器可能残留有害物。
储存注意事项:储存于阴凉、通风的库房。
远离火种、热源。
库温不宜超过30℃。
包
装要求密封,不可与空气接触。
应与氧化剂、酸类分开存放,切忌混储。
采用防爆型照明、通风设施。
禁止使用易产生火花的机械设备和工具。
储区应备有泄漏应急处理设备和合适的收容材料。
第八部分接触控制/个体防护
职业接触限值:
MAC(mg/m3):
TWA(mg/m3):
STEL(mg/m3):
监测方法:
工程控制:生产过程密闭,加强通风。
提供安全淋浴和洗眼设备。
呼吸系统防护:可能接触其蒸气时,佩戴自吸过滤式防毒面具(半面罩)。
紧急事态抢救或撤离时,应该佩戴氧气呼吸器、空气呼吸器。
眼睛防护:戴化学安全防护眼镜。
身体防护:穿防毒物渗透工作服。
手防护:戴橡胶耐油手套。
其它防护:工作现场禁止吸烟、进食和饮水。
工作完毕,淋浴更衣。
实行就业前和定期的体检。
第九部分理化特性
外观与性状:无色,带氨臭的挥发性液体。
分子式:C6H15N分子量:101.19
pH值:无意义熔点(℃):-61
相对密度(水=1):0.72沸点(℃):84.1
相对蒸气密度(空气=1):3.49辛醇/水分配系数:无资料
闪点(℃):-1引燃温度(℃):315
爆炸上限[%(V/V)]:7.1爆炸下限[%(V/V)]:1.1燃烧热(kJ/mol):无资料临界温度(℃):无资料
临界压力(MPa):无资料
溶解性:微溶于水,溶于多数有机溶剂。
主要用途:用作橡胶促进剂、医药中间体和农药除草剂、表面活性剂等。
第十部分稳定性和反应活性
稳定性:稳定
禁配物:强氧化剂、酸类。
避免接触的条件:
聚合危害:不聚合
分解产物:
第十一部分毒理学资料
急性毒性:LD
50:770 mg/kg(大鼠经口)
LC50:4800mg/m3,2小时(大鼠吸入)
刺激性:mg/kg/20天, 750μg ,重度刺激。
第十二部分生态学资料
生态毒性:
生物降解性:
非生物降解性:
其它有害作用:该物质对环境可能有危害,对水体应给予特别注意。
第十三部分废弃处置
废弃物性质:
废弃处置方法:用焚烧法处置。
焚烧炉排出的氮氧化物通过洗涤器除去。
废弃注意事项:
第十四部分运输信息
危险货物编号:32170
UN编号:1158
包装标志:易燃液体
包装类别:O52
包装方法:小开口钢桶;安瓿瓶外普通木箱;螺纹口玻璃瓶、铁盖压口玻璃瓶、塑料瓶或金属桶(罐)外普通木箱。
运输注意事项:运输时运输车辆应配备相应品种和数量的消防器材及泄漏应急处理设备。
夏季最好早晚运输。
运输时所用的槽(罐)车应有接地链,槽内可设孔隔板以减少震荡产生静电。
严禁与氧化剂、酸类、食用化学品等混装混运。
运输途中应防曝晒、雨淋,防高温。
中途停留时应远离火种、热源、高温区。
装运该物品的车辆排气管必须配备阻火装置,禁止使用易产生火花的机械设备和工具装卸。
公路运输时要按规定路线行驶,勿在居民区和人口稠密区停留。
铁路运输时要禁止溜放。
严禁用木船、水泥船散装运输。
第十五部分法规信息
法规信息:危险化学物品安全管理条例 (2002年1月26日国务院发布),工作场所安全使用化学品规定 ([1996]劳部发423号)等法规,针对危险化学品的安全使用、生产、储存、运输、装卸等方面均作了相应规定;常用危险化学品的分类及标志 (GB 13690-92)将该物质划为第3.2 类中闪点易燃液体。
第十六部分其它信息
填表时间:
填表部门:
数据审核单位:
修改说明:。