职业技能培训:注水泵工(技能操作)-pdf
- 格式:docx
- 大小:220.32 KB
- 文档页数:43
注水泵培训资料
一、结构特点:高压注水泵主要由动力端、液力端、传动部分、电
动机及其他保护装置组成,安装在同一底座上。
动力端主要由
泵体、曲轴、连杆、十字头等组成。
液力端主要由液缸体、柱
塞、填料函、导向套、进液阀、排液阀等组成。
传动部分由大、小皮带轮组成。
二、工作原理:电动机通过皮带轮带动泵曲轴旋转,曲轴带动连杆、
柱塞做往复运行。
当柱塞向后运动时,泵腔内容积扩大,压力
降低,排出阀关闭,进液阀打开,吸入液体;当柱塞向前运动
时,泵腔内的液体受到挤压,压力升高,进液阀关闭,排出阀
打开,排出液体。
柱塞不停的做往复运动,使泵达到了吸入和
排出的目的。
三、液力端主要零部件的作用:
1、O型密封圈:进、排液阀各两只密封圈,安装于阀底部和中部,
起密封作用,材质一般为------,如果密封圈损坏,将会影响泵
流量。
2、进液阀及阀座:配套使用,一般采用锥形阀,密封性能较好。
如果阀或阀座损坏,泵会打回流,引起吸入管线振动,泵流量
不足,压力表指针摆动过大。
3、进、排液阀弹簧、进、排液阀弹簧压盖:控制进、排液阀起跳
高度,如果损坏。
第二部分初级工技能操作与相关知识第一章 基本操作第一节注水泵启动前、倒泵及停泵后的检查学习目标了解注水泵的工作原理,熟悉注水泵检查的技术要求与规范,掌握注水泵运行的检查内容,会注水泵启泵前的检查、倒泵检查和停泵后检查。
一、准备工作( 1 )穿戴好劳保用品。
( 2 )工用具及仪器仪表:“ F ”扳手一把, 17 ~ 30mm梅花扳手一套, 450mm 与600mm 管钳各一把,撬杠一根, 1 50mm 钢板尺一把,试电笔一把, 2500V 兆欧表一块。
( 3 )材料:接油桶一个,棉纱 6kg ,停泵检修标志牌一个。
二、操作步骤1、注水泵启动前检查( 1 )配合电工按规程,用兆欧表测量注水电动机绝缘阻值,检查电动机是否完好,接地是否良好。
同时,检查电气设备、开关、启动按钮和仪表是否灵活好用,准确可靠。
( 2 )检查机泵各部分紧固螺丝有无松动、缺损。
( 3 )倒通冷却水循环系统流程,启动冷却水泵,检查冷却水循环系统是否畅通,有无渗漏;控制好润滑油冷油器、电动机冷气器、机泵轴瓦和注水泵盘根的冷却水量及压力。
( 4 )倒通润滑油循环系统流程,启动润滑油泵,检查润滑油系统是否畅通,有无渗漏,分油压是否在规定范围内。
检查机泵轴瓦油盒油质是否合格、油位是否达到规定高度,油环位置是否正确。
( 5 )从油箱底部放水阀进行取样化验,检查油箱是否进水。
( 6 )进行空载试验,检查低油压、低水压保护装置及润滑油泵自动切换装置是否灵活好用。
( 7 )按机泵旋转方向盘泵 3 一 5 圈,检查机泵转动是否灵活自如,有无卡阻现象,检查机泵联轴器连接螺栓是否松动,减震胶圈有无损坏。
( 8 )用撬杠轻轻撬动联轴器,检查机泵轴串量是否符合技术要求。
( 9 )检查大罐水位高度是否在规定范围内。
( 10 )关闭泵前过滤器排污阀,打开泵进口阀,打开泵出口放空阀,待排净泵内气体后立即关闭。
( 11 )打开泵进口压力表取压阀、平衡管阀、平衡管压力表取压阀及泵压表取压阀,检查各种压力表是否准确好用。
第七油矿冬训及2015年注水泵工培训教案
第七油矿冬训及2015年注水泵工培训教案
第七油矿冬训及2015年注水泵工培训教案
第七油矿冬训及2015年注水泵工培训教案
第七油矿冬训及2015年注水泵工培训教案
第七油矿冬训及2015年注水泵工培训教案
第七油矿冬训及2015年注水泵工培训教案
第七油矿冬训及2015年注水泵工培训教案
第七油矿冬训及2015年注水泵工培训教案
第七油矿冬训及2015年注水泵工培训教案
第七油矿冬训及2015年注水泵工培训教案
第七油矿冬训及2015年注水泵工培训教案
第七油矿冬训及2015年注水泵工培训教案
第七油矿冬训及2015年注水泵工培训教案
第七油矿冬训及2015年注水泵工培训教案
第七油矿冬训及2015年注水泵工培训教案
第七油矿冬训及2015年注水泵工培训教案
第七油矿冬训及2015年注水泵工培训教案
第七油矿冬训及2015年注水泵工培训教案
第七油矿冬训及2015年注水泵工培训教案
第七油矿冬训及2015年注水泵工培训教案
第七油矿冬训及2015年注水泵工培训教案
第七油矿冬训及2015年注水泵工培训教案
第七油矿冬训及2015年注水泵工培训教案
第七油矿冬训及2015年注水泵工培训教案
第七油矿冬训及2015年注水泵工培训教案
第七油矿冬训及2015年注水泵工培训教案
第七油矿冬训及2015年注水泵工培训教案
第七油矿冬训及2015年注水泵工培训教案。
注水泵工培训教案
第七油矿冬训及2021年注水泵工培训教案
第七油矿冬训及2021年注水泵工培训教案
第七油矿冬训及2021年注水泵工培训教案
第七油矿冬训及2021年注水泵工培训教案
第七油矿冬训及2021年注水泵工培训教案
第七油矿冬训及2021年注水泵工培训教案
第七油矿冬训及2021年注水泵工培训教案
第七油矿冬训及2021年注水泵工培训教案
第七油矿冬训及2021年注水泵工培训教案
第七油矿冬训及2021年注水泵工培训教案
第七油矿冬训及2021年注水泵工培训教案
第七油矿冬训及2021年注水泵工培训教案
第七油矿冬训及2021年注水泵工培训教案
第七油矿冬训及2021年注水泵工培训教案。
2010年职业技能鉴定操作技能考核项目注水泵工初级中国石油大庆职业技能鉴定中心注水泵工初级试题目录试题一、启停离心式注水泵(泵房)试题二、启、停柱塞泵(泵房)试题三、检查清洗过滤器滤网(泵房)试题四、填写注水机泵生产运行报表(教室)试题五、取过滤器进出口水样(阀室)试题六、测算储水罐储水量(教室)试题七、更换安装压力表(四楼1室)试题八、校对安装压力表(四楼1室)试题九、使用板式水平尺(四楼2室)注水泵工初级试题试题组合目录组合一:1、启停离心式注水泵(操作维护设备40%)2、填写注水机泵生产运行报表(管理注水站40%)3、更换安装压力表(操作仪器仪表20%)组合二:1、启、停柱塞泵(操作维护设备40%)2、取过滤器进出口水样(管理注水站40%)3、校对安装压力表(操作仪器仪表20%)组合三:1、检查清洗过滤器滤网(操作维护设备40%)2、测算储水罐储水量(管理注水站40%)3、使用板式水平尺(操作仪器仪表20%)试题一:启、停离心式注水泵1、准备要求(1)材料准备序号名称规格数量备注1 棉纱若干2 润滑油若干(2)设备准备序号名称规格数量备注1 离心泵1台(3)工、用具准备序号名称规格数量备注1 活动扳手200mm,250mm 各1把2 F型扳手1把3 放空桶1个4 运行牌1块5 停运牌1块6 螺丝刀200mm 1个7 温度计0-100度1个2、操作考核规定及说明(1)操作程序说明:1)准备;2)启泵前检查;3)启泵;4)启泵后调整;5)启泵后检查;6)停泵;7)停泵后检查;8)清理场地。
(2)考核规定说明:1)如操作违章或未按操作程序执行操作,将停止考核;2)考核采用百分制,考核项目得分按鉴定比重进行折算。
(3)考核方式说明:该项目为实际操作,考核过程按评分标准及操作过程进行评分。
(4)考核技能说明:本项目主要测量考生掌握对启、停离心泵的熟练程度。
3、考核时限(1)准备时间:1 min(不计入考核时间)。
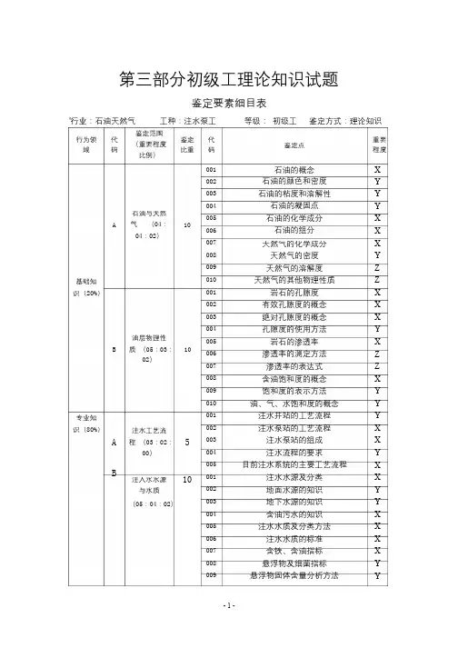
第三部分初级工理论知识试题鉴定要素细目表'行业:石油天然气工种:注水泵工等级: 初级工 鉴定方式:理论知识鉴定范围 (重要程度 比例)行为领 域代 码鉴定 比重代 码 重要 程度鉴定点001 002 003 004005 006 007 008 009 010 001 002 003 004005 006 007 008 009 010 001002003 004 005 001 002 003 004 005 006 007 008 009石油的概念 石油的颜色和密度 石油的粘度和溶解性石油的凝固点 石油的化学成分 石油的组分 X Y Y Y X X X Y Z Z X X X Y X Z Z X Y Y Y X X Y X X Y Y X X X X Y Y石油与天然 气 (04: 04:02)A10天然气的化学成分 天然气的密度 天然气的溶解度 天然气的其他物理性质岩石的孔隙度 有效孔隙度的概念 绝对孔隙度的概念 孔隙度的使用方法 岩石的渗透率 渗透率的测定方法 渗透率的表达式 含油饱和度的概念 饱和度的表示方法 油、气、水饱和度的概念 注水井站的工艺流程 注水泵站的工艺流程 注水泵站的组成 注水流程的要求 目前注水系统的主要工艺流程注水水源及分类 地面水源的知识 地下水源的知识 含油污水的知识 注水水质及分类方法 注水水质的标准 含铁、含油指标 悬浮物及细菌指标 悬浮物固体含量分析方法基础知 识(20%)油层物理性 B质 (05:03: 1002)专业知 识(80%)注水工艺流A B5程 (03:02:00)10注入水水源 与水质 (05:04:02)010 011 001 002 003 004005 006 007 008 009 010 001 002 003 004 005006 007 008 009 010 011 001 002 003 004 005 006007008 009 010 011 012 013 014 001 002 003 004 005 006悬浮物固体含量计算方法 悬浮物粒径分析方法地面水净化流程 沉淀池及作用 过滤罐的种类 过滤的原理 Z Z X Y X X Y Z X Y Y X X Y X Y Z X X Y Z Y X X X Y Z Y X Y X Y X X X Y Z X X Y X X Y水质净化与设备 (05: 04:01)地下浅层水的概念 地下浅层水净化方法 含油污水处理流程 除油罐及分类 粗滤化罐的工作原理 水质处理的方法 注水泵机组选择的原则泵机组的类型 电动离心泵的分类 离心泵型号意义 多级离心泵组成 电动柱塞泵的知识 注水用的电动机注水泵润滑系统 C10注水机泵 D 10(05:04:02)润滑油的保管方法 连续压力润滑的知识 注水泵冷却系统 注水泵启泵前的准备内容 注水泵设备的检查方法 润滑油的检查方法 储水罐的检查方法 闸门、仪表的检查方法 注水泵启泵的程序 泵启动后设备的检查方法倒泵的操作程序 备用泵的检查方法 紧急停泵的要求 停泵的操作程序 泵正常运行时注意事项 启泵时的注意事项 停泵时的注意事项注水泵站操作 E15(07:05:02)F10常用仪器、仪 表知识 (04:02:01)007 001 002 003 004 005 006 007 008 009 010 011 012 001 002 003 004 005 001 002 003 004 005 006 007 008 009 010 011 Z X X X X Y Y X Z Y Y X Z X Y X Z X X Y X X X X Y X Y Y Z安全生产G 7(06:04:02)机械制图基本知识H(03:01:01)常用工具、用具及量具的使用I 10(06:04:01)注:X----核心要素;Y-----一般要素Z----辅助要素理论知识试题一、选择题(每题4 个选项,只有 1 个是正确的,将正确的选项号填入括号里)1 . AA001 石油是以()化合物为主要成分的复杂混合物。
第四部分初级工技能操作试题考核内容层次结构表说明:(1 )技能操作考核内容层次结构表(以下简称“结构表”,在确定了注水泵工的工作领域和考核范围的基础上,将注水泵工的全部考核内容划分为“基本技能、相关技能”两个一级模块,在一级模块下分别设置了“设备操作、维护保养、性能测试、诊断排除、安装调试、制图”等六个二级模块,在每个技术等级所对应的二级模块中又包含了多项三级测量模块,如性能测试中的“资料录取与填写、水质化验”,维护保养中的“更换零部件、一级保养” 等。
在这些模块中,既包含了注水泵工全部的职业活动,又可分别确定不同技术等级的考核内容及考核重点。
(2 )在本结构表中,我们对技术等级的考核范围做了规定:初级考核“设备操作、维护保养、性能测试、制图”四个二级模块;中级工和高级工考核“维护保养、性能测试、诊断排除、制图”四个二级模块;对技师考核“性能测试、诊断排除、安装调试、制图”四个二级模块。
(3 )结构表中的“一项”是指在此模块中只选一个测量模块形成一道试题,如初级工的考核试卷中,应在“设备操作、维护保养、性能测试、制图”中各选一项,共组成四道试题。
(4 )结构表中规定了试题的分值,给出了试题在考核中所规定的考试时间,例如初级工的四道试题分值分别为40分,30分,20分和10分,共100 分,考核时间不超过120min 。
鉴定要素细目表行业:石油天然气工种:注水泵工等级:初级工鉴定方式:技能操作测量模块一、设备运行操作( AAA )1、考核要求(1 )必须穿戴劳保用品;(2 )必要的工具用具准备齐全;(3 )掌握基本操作要领;(4 )按要求完成操作项目,质量符合技术要求;(5 )能够正确使用设备和工具、量具;(6 )操作符合安全文明生产规定。
2、考核时限(1 )准备时间: 3 min ;(2 )操作时间:30 min ;(3 )从正式操作起计时;(4 )在规定时间内完成,每超过lmin ,从总分中扣5分,超过5 min ,停止操作。
3、配分、评分标准评分记录表考评员:二、资料录取与填写(ABA )1、考核要求(1 )必须穿戴劳保用品; (2 )必要的工具用具准备齐全; (3 )掌握基本操作要领;(4 )按要求完成操作项目,质量符合技术要求; (5 )能够正确使用设备和工具、量具; (6 )操作符合安全文明生产规定。
2、考核时限(1 )准备时间: 3 min ; (2 )操作时间: 30 min ; (3 )从正式操作起计时; (4 )在规定时间内完成。
3、配分、评分标准评分记录表考评员: 合计100 记录员:记录员:三、参数测量(ABB)1、考核要求(1 )必须穿戴劳保用品;(2 )必要的工具用具准备齐全;(3 )掌握基本操作要领;(4 )按要求完成操作项目,质量符合技术要求;(5 )能够正确使用设备和工具、量具;(6 )操作符合安全文明生产规定。
2、考核时限(I )准备时间: 3 min ;(2 )操作时间:30 min ;(3 )从开始操作起计时;(4 )在规定时间内完成,每超过1 min ,从总分中扣5分,超过5 min ,停止操作。
3、配分、评分标准评分记录表考评员:记录员:年月日四、水质化验(ABC )1、考核要求(1 )必须穿戴劳保用品;(2 )必要的工具用具准备齐全;(3 )掌握基本操作要领;(4 )按要求完成操作项目,质量符合技术要求;(5 )能够正确使用设备和工具、量具;(6 )操作符合安全文明生产规定。
2、考核时限(1 )准备时间: 3 min ;(2 )操作时间:30 min ;(3 )从正式操作起计时;(4 )在规定时间内完成,每超过1 min ,从总分中扣5分,超过5 min ,停止操作。
3、配分、评分标准评分记录表五、更换零部件 (ACA )1、考核要求(1 )必须穿戴劳保用品;(2 )必要的工具用具准备齐全;(3 )掌握基本操作要领;(4 )按要求完成操作项目,质量符合技术要求;(5 )能够正确使用设备和工具、量具;(6 )操作符合安全文明生产规定。
2、考核时限(1 )准备时间: 3 min ; (2 )操作时间: 30 min ;(3 )从正式操作起计时;评分记录表考评员: 六、设备维护保养(ACB )1 、考核要求(1 )必须穿戴劳保用品; (2 )必要的工具用具准备齐全; (3 )掌握基本操作要领;(4 )按要求完成操作项目,质量符合技术要求; (5 )能够正确使用设备和工具、量具; (6 )操作符合安全文明生产规定。
(4 )在规定时间内完成,每超过 1 min ,从总分中扣 5分,超过5 min ,停止操作。
3、配分、评分标准记录员:2 、考核时限(1 )准备时间:3 min(2 )操作时间:30 min ;(3 )从正式操作起计时;(4 )在规定时间内完成,每超过1 min ,从总分中扣5分,超过5 min ,停止操作。
3 、配分、评分标准评分记录表考评员:记录员:年月日七、流程绘制(BAA )1、考核要求(1 )必须穿戴劳保用品;(2 )必要的工具用具准备齐全;(3 )掌握基本操作要领;(4 )按要求完成操作项目,质量符合技术要求;(5 )能够正确使用设备和工具、量具;(6 )操作符合安全文明生产规定。
2、考核时限(1 )准备时间:3min ;(2 )操作时间:30 min ;(3 )从正式操作起计时。
.(4 )在规定时间内完成。
3、配分、评分标准评分记录表考评员:记录员:技能操作试题一、AAA001 离心泵启动前的检查1、准备要求设备准备:注水泵1台,过滤器1座,冷却系统1套,润滑系统1套。
2、操作程序规定说明(1 )检查有无障碍物;(2 )检查设施是否齐全;(3 )严格按操作程序操作;(4 )按规定完成工作内容,质量符合技术要求。
3、考核时限与测量模块内容相同。
4、配分、评分标准评分记录表考评员:二、AAA002离心泵启动操作1、 准备要求设备准备:注水泵 1台,过滤器1座,冷却系统1套,润滑系统1套。
2、 操作程序规定说明 (1 )合电源开关;(2 )按启动按钮启动离心泵; (3 )严格按操作程序操作;(4 )按规定完成工作内容,质量符合技术要求。
3、 考核时限与测量模块内容相同。
4、 配分、评分标准评分记录表记录员:选择工具启5错选一件扣2分2 3启泵操作启泵前检查15漏一处扣3分倒流程15错、漏一处扣5分按启动按钮,观察电流和泵压变化,开出口闸门15与电工配合不协调扣5分,开闸门迟缓扣10分平稳调整泵压或排量15不平稳操作每次扣5分,达不到调整要求不得分检查机泵运转和润滑冷却情况10错、漏一处扣5分资料录取电录取压力、温度、电流、,压等相关资料,填写报表15取值或读数不准,录取数据错、漏一处各扣3分,报表涂改一次扣2分安全文明生产及其他清理现场,回收工具,挂“运行标牌”5缺、漏不得分在规定时间内完成每超过1 min从总分中扣5分,发生事故取消考核资格,超过5 min停止操作合计100考评员:三、AAA003离心泵停泵操作及检查1、准备要求设备准备:注水泵1台,过滤器1座,冷却系统1套,润滑系统1套。
2、操作程序规定说明(1 )检查有无障碍物;(2 )检查设施是否齐全;(3 )严格按操作程序操作;(4 )按规定完成工作内容,质量符合技术要求。
3、考核时限与测量模块内容相同。
4、配分、评分标准评分记录表记录员:考评员:记录员:年月日四、AAA004离心泵倒泵操作1、准备要求设备准备:注水泵1台。
2、操作程序规定说明(1 )启动备用泵;(2 )停止运行泵;(3 )严格按操作程序操作;(4 )按规定完成工作内容,质量符合技术要求。
3、考核时限与测量模块内容相同。
4、配分、评分标准评分记录表开新启泵出口闸门,关回泵压忽高忽低不得分考评员:记录员:五、AAA005离心泵倒泵检查1、准备要求设备准备:注水泵1台。
2、操作程序规定说明(1 )检查备用离心泵;(2 )检查设施是否齐全;(3 )严格按操作程序操作;(4 )按规定完成工作内容,质量符合技术要求。
3、考核时限与测量模块内容相同。
4、配分、评分标准评分记录表查进口阀是否打开,并放考评员:记录员:年月日六、AAA006柱塞泵启动前的检查1、准备要求设备准备:柱塞泵1台。
2、操作程序规定说明(1 )检查有无障碍物;(2 )检查设施是否齐全;(3 )严格按操作程序操作;(4 )按规定完成工作内容,质量符合技术要求。
3、考核时限与测量模块内容相同。
4、配分、评分标准评分记录表评分记录表考评员:记录员:年月日七、AAA007柱塞泵启动操作1 •准备要求设备准备:柱塞泵1台。
2、操作程序规定说明(1 )检查柱塞泵;(2 )启动柱塞泵;(3 )严格按操作程序操作;(4 )按规定完成工作内容,质量符合技术要求。
3、考核时限与测量模块内容相同。
4、配分、评分标准评分记录表考评员:八、AAA008柱塞泵停泵操作及检查1、 准备要求设备准备:柱塞泵 1台。
2、 操作程序规定说明(1 )切断柱塞泵电源,关闭泵出口闸门; (2 )检查柱塞泵;(3 )严格按操作程序操作;(4 )按规定完成工作内容,质量符合技术要求。
3、 考核时限与测量模块内容相同。
4、配分、评分标准评分记录表考评员:记录员:记录员:九、AAA009柱塞泵倒泵操作1、准备要求设备准备:柱塞泵1台。
2 、操作程序规定说明(1 )启动备用泵:(2 )停止运行泵;(3 )严格按操作程序操作;(4 )按规定完成工作内容,质量符合技术要求。
3 、考核时限与测量模块内容相同。
4 、配分、评分标准评分记录表考评员:记录员:十、AAA0010 柱塞泵倒泵检查1、准备要求设备准备: 柱塞泵2台。
2、操作程序规定说明(1 )备用泵检查;(2 )检查停运泵;(3 )严格按操作程序操作;(4 )按规定完成工作内容,质量符合技术要求;3、考核时限与测量模块内容相同。
4、配分、评分标准评分记录表考评员:记录员:AAA0011过滤罐正常运行操作1 、准备要求设备准备:过滤罐1座。
2 、操作程序规定说明(1 )检查有无障碍物;(2 )检查设施是否齐全;(3 )开过滤罐进、出口闸门;(4 )严格按操作程序操作;(5 )按规定完成工作内容,质量符合技术要求。
3 、考核时限与测量模块内容相同。
4 、配分、评分标准与测量模块内容相同。
+二、AAA0012过滤罐反冲洗操作1、准备要求2、操作规定及说明(1 )反冲洗倒流程;(2 )启泵反冲洗;(3 )检验效果停泵。
3、考核时限(1 )准备时间:3min ;(2 )操作时间:3omin ;(3 )计时从宣布检查开始,至填写报表结束;(4 )规定时间内全部完成,每超lmin 从总分中扣4、配分、评分标准考评员:记录员:年月日十三、AAA0013冷却系统正常运行操作1、准备要求(1 )材料准备:(2 )设备准备:2、操作规定及说明(1 )启动前检查:①检查冷却水泵;②检查冷却水罐;③盘泵;④倒通流程。