MCS-51指令表
- 格式:doc
- 大小:190.50 KB
- 文档页数:6
MCS-51单片机指令表序号__-__-__年__-__序号__-__附录1MCS-51单片机指令表数据传送类指令指令格式指令功能字节MOVA,RnRn内容传送到A1MOVA,direct 直接地址内容传送到A2MOVA,@Ri间接RAM单元内容送A1MOVA,#data立即数送到A2MOVRn,AA内容送到Rn1MOVRn,direct直接地址内容传送到Rn2MOVRn,#data立即数传送到Rn2MOVdirect,AA传送到直接地址2MOVdirect,RnRn传送到直接地址2MOVdirect2,直接地址传送到直接地址3direct1MOVdirect,@Ri间接RAM内容传送到直接地址2MOVdirect,#data立即数传送到直接地址3MOV@Ri,AA内容送间接RAM单元1MOV@Ri,direct直接地址传送到间接__@Ri,#data立即数传送到间接__CA,@A+DPTR代码字节送A(DPTR为基址)1MOVCA,@A+PC代码字节送A(PC为基址)1MOVXA,@Ri外部RAM(8地址)内容传送到A1MOVXA,@DPTR外部RAM内容(16地址)传送到A1__,#data1616位常数加载到数据指针1MOVX@Ri,AA内容传送到外部RAM(8地址)1MOVX@DPTR,AA内容传送到外部RAM(16地址)1PUSHdirect直接地址压入堆栈2POPdirect直接地址弹出堆栈2XCHA,RnRn内容和A交换1XCHA,direct直接地址和A交换2XCHA,@Ri间接RAM内容A交换1XCHDA,@Ri间接RAM内容和A交换低4位字1节算术运算类指令指令格式指令功能字节INCAA加11INCRnRn加11INCdirect直接地址加12INC@Ri间接RAM加11__数据指针加11DECAA减11DECRnRn减11DECdirect直接地址减12周期__-__-__-__1111周期__-____-__年__序号__-__-__年__-__DEC@Ri__DDA,RnADDA,directADDA,@RiADDA,#dataADDCA,RnADDCA,di rectADDCA,@RiADDCA,#dataSUBBA,RnSUBBA,directSUBBA,@RiSUBBA,#d ata间接RAM减1A和BRn相乘A除以BRnA十进制调整Rn与A求和直接地址与A求和间接RAM与A求和立即数与A求和Rn与A求和(带进位)直接地址与A求和(带进位)间接RAM与A求和(带进位)立即数与A 求和(带进位)A减去Rn(带借位)A减去直接地址(带借位)A减去间接RAM(带借位)A减去立即数(带借位)逻辑运算类指令指令格式指令功能ANLA,RnRn“与”到AANLA,direct直接地址“与”到AANLA,@Ri间接RAM“与”到AANLA,#data立即数“与”到AANLdirect,AA“与”到直接地址ANLdirect,#data立即数“与”到直接地址ORLA,RnRn“或”到AORLA,direct直接地址“或”到AORLA,@Ri间接RAM“或”到AORLA,#data 立即数“或”到AORLdirect,AA“或”到直接地址ORLdirect,#data立即数“或”到直接地址XRLA,RnRn“异或”到AXRLA,direct直接地址“异或”到AXRLA,@Ri间接RAM“异或”到AXRLA,#data立即数“异或”到AXRLdirect,AA“异或”到直接地址XRLdirect,#data立即数“异或”到直接地址CLRAA清零CPLAA求反RLAA循环左移RLCA带进位A循环左移RRAA循环右移RRCA带进位A 循环右移SWAPAA高、低4位交换1__-__-__字节__-__-__-__1__周期__-__-__-__1序号__-__-__-__7序号__-__-__-__7指令格式JMP@A+DPTRJZrelJNZrelCJNEA,direct,relCJNEA,#data,relCJNERn,#data,relCJNE@Ri,#data,relDJNZRn,relDJNZdirect,relNOPACALLadd11LCALLadd16__AJMPadd11LJMPadd16SJMPrel指令格式__bit__TBbit__bitANLC,bitANLC,/bitORLC,bitORLC,/bitMOVC,bitMOVbit,CJCrelJNCrelJBbit,relJNBbit,relJBCbit,rel 伪指令控制转移类指令指令功能相对DPTR的无条件间接转移A为0则转移A为1则转移比较直接地址和A,不相等转移比较立即数和A,不相等转移比较Rn和立即数,不相等转移字节__周期__-__-__2周期__-__-__2比较立即数和间接RAM,不相等转3移Rn减1,不为0则转移2直接地址减1,不为0则转移3空操作,用于短暂延时1绝对调用子程序2长调用子程序3从子程序返回1从中断服务子程序返回1无条件绝对转移2无条件长转移3无条件相对转移2 位操作指令指令功能字节清进位位1清直接寻址位2置位进位位1置位直接寻址位2取反进位位1取反直接寻址位2直接寻址位“与”到进位位2直接寻址位的反码“与”到进位位2直接寻址位“或”到进位位2直接寻址位的反码“或”到进位位2直接寻址位传送到进位位2进位位位传送到直接寻址2如果进位位为1则转移2如果进位位为0则转移2如果直接寻址位为1则转移3如果直接寻址位为0则转移3直接寻址位为1则转移并清除该3位指令中的符号标识__TEND$指明程序的开始位置定义数据表定义16位的地址表RnRi@Ri工作寄存器R0-R7工作寄存器R0和R1间接寻址的8位RAM单元地址(00H-FFH)8位常数16位目标地址,范围64KB11位目标地址,范围2KB8位偏移量,范围-128~+127片内RAM中的可寻址位和SFR的可寻址位直接地址,范围片内RAM单元(00H-7FH)和80H-FFH给一个表达式或一个字符串#data8起名给一个8位的内部RAM起名addr16给一个8位的外部RAM起名addr11给一个可位寻址的位单元起。
一个单片机所需执行指令的集合即为单片机的指令系统。
单片机使用的机器语言、汇编语言及高级语言,但不管使用是何种语言,最终还是要“翻译”成为机器码,单片机才能执行之。
现在有很多半导体厂商都推出了自己的单片机,单片机种类繁多,品种数不胜数,值得注意的是不同的单片机它们的指令系统不一定相同,或不完全相同。
但不管是使用机器语言、汇编语言还是高级语言都是使用指令编写程序的。
所谓机器语言即指令的二进制编码,而汇编语言则是指令的表示符号。
在指令的表达式上也不会直接使用二进制机器码,最常用的是十六进制的形式。
但单片机并不能直接执行汇编语言和高级语言,都必须通过汇编器“翻译”成为二进制机器码方能执行,但如果直接使用二进制来编写程序,那将十分不便,也很难记忆和识别,不易编写、难于辨读,极易出错,同时出错了也相当难查找。
所以现在基本上都不会直接使用机器语言来编写单片机的程序。
最好的办法就是使用易于阅读和辨认的指令符号来代替机器码,我们常称这些符号为助记符,用助记符的形式表示的单片机指令就是汇编语言,为便于记忆和阅读,助记符号通常都使用易于理解的英文单词和拼音字母来表示。
每种单片机都有自己独特的指令系统,那么指令系统是开发和生产厂商定义的,如要使用其单片机,用户就必须理解和遵循这些指令标准,要掌握某种(类)单片机,指令系统的学习是必须的。
MCS-51共有111条指令,可分为5类:[1].数据传送类指令(共29条)[2].算数运算类指令(共24条)[3].逻辑运算及移位类指令(共24条)[4].控制转移类指令(共17条)[5].布尔变量操作类指令(共17条)一些特殊符号的意义在介绍指令系统前,我们先了解一些特殊符号的意义,这对今后程序的编写都是相当有用的。
Rn——当前选中的寄存器区的8个工作寄存器R0—R7(n=0-7)。
Ri——当前选中的寄存器区中可作为地址寄存器的两个寄存器R0和R1(i=0,1)direct—内部数据存储单元的8位地址。
MCS-51指令系统所用的符号和含义
addr11 11位地址
addr16 16位地址
bit 位地址
rel 相对偏移量,为8位有符号数(补码形式)
direct 直接地址单元
#data 立即数
Rn 工作寄存器R0~R7
A 累加器
Ri i=0,1,R0或R1
X 片内RAM中的直接地址或寄存器
@ 表示间址寄存器的符号表示直接地址X中的内容;在间接寻址方式中,表示间址寄存器地址X指出的地址单元中的内容
→数据传送方向
∧逻辑与
∨逻辑或
⊕逻辑异或
√对标志产生影响
×不影响标志
算术运算指令
续上表
算术运算指令
逻辑运算指令
数据传送指令
续上表
位操作指令
续上表
控制转移指令。
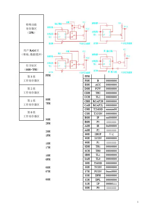
FFHF0H B 00000000 E0H ACC 00000000 D0H PSW 00000000 CDH TH2 00000000 CCHTL200000000CBH RCAP2H 00000000 CAH RCAP2L 00000000 C9H T2MOD xxxxxx00 C8HT2CON 00000000 B8H IP xx000000 B0H P3 11111111 A8H IE 0x000000 A0H P2 11111111 99H SBUF 不定 98H SCON 00000000 90H P1 11111111 8DH TH1 00000000 8CH TH0 00000000 8BH TL1 00000000 8AH TL0 00000000 89H TMOD 00000000 88H TCON 00000000 87H PCON 0xxx0000 83H DPH 00000000 82H DPL 00000000 81H SP 00000111 80HP011111111特殊功能 寄存器区 (SFR )用户RAM 区 (堆栈、数据缓冲)位寻址区 (00H~7FH ) 第3组 工作寄存器区 第2组 工作寄存器区 第1组 工作寄存器区 第0组 工作寄存器区FFH 80H 7FH 30H 2FH 20H 1FH 18H 17H 10H 0FH 08H 07H 00H主要SFR寄存器介绍1.电源控制寄存器D7 D6 D5 D4 D3 D2 D1 D0SMOD ---GF1 GF0 PD IDLSMOD:波特率倍增位。
SMOD=1,波特率提高1倍。
GF1,GF0:通用标志位。
PD:掉电方式位。
当PD=1时,进入掉电方式。
IDL:空闲方式位。
当IDL=1,进入空闲工作方式。
2.定时/计数器控制寄存器TCON(88H)D7 D6 D5 D4 D3 D2 D1 D0TF1 TR1 TF0 TR0 IE1 IT1 IE0 IT0IT0:选择0INT 的中断触发方式:IT0=0,电平触发,低电平有效;IT0=1,边沿触发,下降沿有效。
第3章MCS-51单片机指令系统3.1概述3.1.1指令格式3.1.2指令的三种表示形式3.1.3指令的字节数1. 单字节指令(49条)图3-1 MOVA,Rn指令的格式2单片机原理及其接口技术(第2版)2. 双字节指令(46条)3. 三字节指令(16条)3.1.4指令的分类1. 数据传送指令(28条)2. 算术运算指令(24条)3. 逻辑操作和环移指令(25条)4. 控制转移指令(17条)5. 位操作指令(17条)3.1.5指令系统综述1. 指令系统中所用符号的说明2. 指令对标志位的影响3.2寻址方式3.2.1寄存器寻址图3-2寄存器寻址示意图单片机原理及其接口技术(第2版) 3 3.2.2直接寻址图3-3直接寻址示意图3.2.3立即寻址3.2.4寄存器间址图3-4寄存器间址寻址示意图3.2.5变址寻址图3-5变址寻址示意图4单片机原理及其接口技术(第2版)3.2.6相对寻址图3-6相对寻址示意图3.2.7位寻址3.3数据传送指令3.3.1内部数据传送指令(15条)1. 立即寻址型传送指令2. 直接寻址型传送指令3. 寄存器寻址型传送指令4. 寄存器间址型传送指令5. 内部数据传送指令的使用图3-7 8×C552/8051指令的数据传送方式单片机原理及其接口技术(第2版) 5 3.3.2外部数据传送指令(7条)1. 16位数传送指令2. 外部ROM的字节传送指令图3-8 0~9平方值表3. 外部RAM的字节传送指令3.3.3堆栈操作指令(2条)图3-9例3.8的堆栈变化示意图6单片机原理及其接口技术(第2版)3.3.4数据交换指令(4条)3.4算术与逻辑运算和移位指令3.4.1算术运算指令(24条)1. 加法指令2. 减法指令3. 十进制调整指令4. 乘法和除法指令3.4.2逻辑运算指令(20条)1. 逻辑与运算指令2. 逻辑或指令3. 逻辑异或指令4. 累加器清零和取反指令3.4.3移位指令(5条)单片机原理及其接口技术(第2版)7图3-10例3.26附图3.5控制转移和位操作指令3.5.1控制转移指令(17条)1. 无条件转移指令图3-11 AJMP指令转移范围8单片机原理及其接口技术(第2版)图3-12例3.29附图图3-13带符号数的比较方法3. 子程序调用和返回指令图3-14二级子程序嵌套及断点地址存放单片机原理及其接口技术(第2版)9图3-15例3.33附图10单片机原理及其接口技术(第2版)4. 空操作指令3.5.2位操作指令(17条)1. 位传送指令2. 位置位和位清零指令3. 位运算指令4. 位控制转移指令习题与思考题3.1指令通常有哪三种表示形式?各有什么特点?3. 2 MCS-51指令按功能可以分为哪几类?每类指令的作用是什么?3. 3 MCS-51共有哪七种寻址方式?各有什么特点?3. 4指出下列每条指令源操作数的寻址方式和功能。
MCS-51单片机21个特殊功能寄存器(52系列是26个)不连续地分布在128个字节的SF R存储空间中,地址空间为80H-FFH,在这片SF R空间中,包含有128个位地址空间,地址也是80H-FFH,但只有83个有效位地址,可对11个特殊功能寄存器的某些位作位寻址操作(这里介绍一个技巧:其地址能被8整除的都可以位寻址)。
在51单片机内部有一个CPU用来运算、控制,有四个并行I/O口,分别是P0、P1、P2、P3,有R OM,用来存放程序,有R AM,用来存放中间结果,此外还有定时/计数器,串行I/O口,中断系统,以及一个内部的时钟电路。
在单片机中有一些独立的存储单元是用来控制这些器件的,被称之为特殊功能寄存器(SF R)。
这样的特殊功能寄存器51单片机共有21个并且都是可寻址的列表如下(其中带*号的为52系列所增加的特殊功能寄存器):分别说明如下:1、ACC---是累加器,通常用A表示这是个什么东西,可不能从名字上理解,它是一个寄存器,而不是一个做加法的东西,为什么给它这么一个名字呢?或许是因为在运算器做运算时其中一个数一定是在ACC中的缘故吧。
它的名字特殊,身份也特殊,稍后在中篇中我们将学到指令,可以发现,所有的运算类指令都离不开它。
自身带有全零标志Z,若A=0则Z=1;若A≠0则z=0。
该标志常用作程序分枝转移的判断条件。
2、B--一个寄存器在做乘、除法时放乘数或除数,不做乘除法时,随你怎么用。
3、PSW-----程序状态字。
这是一个很重要的东西,里面放了CPU工作时的很多状态,借此,我们可以了解CPU的当前状态,并作出相应的处理。
它的各位功能请看下表:下面我们逐一介绍各位的用途CY:进位标志。
8051中的运算器是一种8位的运算器,我们知道,8位运算器只能表示到0-255,如果做加法的话,两数相加可能会超过255,这样最高位就会丢失,造成运算的错误,怎么办?最高位就进到这里来。
这样就没事了。
MCS-51单片机常用伪指令及常见出错表一)符号定义伪指令符号定义名用法说明EQU 为常量,符号名等定义符号化常量名符号名不能重名定义= 为常量,符号名等定义符号化常量名符号名不能重名定义DATA 用来为一个字节类型的符号定值符号名不能重名定义BYTE 用来为一个字节类型的符号定值符号名不能重名定义WORD 用来为一个字类型的符号定值符号名不能重名定义BIT 用来定义一个字位类型符号名不能重名定义SET 用来定义整数类型的符号名符号名可重名定义1. EQU(=)指令EQU 指令用于将一个数值或寄存器名赋给一个指定符号名。
指令格式:符号名EQU(=)表达式符号名EQU(=)寄存器名经过EQU 指令赋值的符号可在程序的其它地方使用,以代替其赋值。
例如:MAX EQU 2000则在程序的其它地方出现MAX,就用2000 代替。
2. SET 指令SET 指令类似于EQU 指令,不同的是SET 指令定义过的符号可重定义。
指令格式:符号名SET 表达式符号名SET 寄存器名例如:MAX SET 2000MAX SET 30003. BIT 指令BIT 指令用于将一个位地址赋给指定的符号名。
指令格式:符号名BIT 位地址经BIT 指令定义过的位符号名不能更改。
例如:X_ON BIT 60H ;定义一个绝对位地址X_OFF BIT 24h.2 ;定义一个绝对位地址4. DATA(BYTE)指令DA TA 指令用于将一个内部RAM 的地址赋给指定的符号名指令格式:符号名DATA 表达式数值表达式的值应在0~255 之间,表达式必须是一个简单再定位表达式。
例如:REGBUF DA TA(BYTE)40HPORT0 DATA(BYTE)80HDA TA与BYTE的区别: DATA与BYTE是相类似的伪指令。
当程序运行到DATA伪指令定义的符号名时,该符号名将被显示;而由BYTE定义的符号名不被显示。
5. XDATA 指令XDATA 指令用于将一个外部RAM 的地址赋给指定的符号名。
51单片机汇编指令集一、数据传送类指令(7种助记符)MOV(英文为Move):对内部数据寄存器RAM和特殊功能寄存器SFR的数据进行传送;MOVC(Move Code)读取程序存储器数据表格的数据传送;MOVX (Move External RAM) 对外部RAM的数据传送;XCH (Exchange) 字节交换;XCHD (Exchange low-order Digit) 低半字节交换;PUSH (Push onto Stack) 入栈;POP (Pop from Stack) 出栈;二、算术运算类指令(8种助记符)ADD(Addition) 加法;ADDC(Add with Carry) 带进位加法;SUBB(Subtract with Borrow) 带借位减法;DA(Decimal Adjust) 十进制调整;INC(Increment) 加1;DEC(Decrement) 减1;MUL(Multiplication、Multiply) 乘法;DIV(Division、Divide) 除法;三、逻辑运算类指令(10种助记符)ANL(AND Logic) 逻辑与;ORL(OR Logic) 逻辑或;XRL(Exclusive-OR Logic) 逻辑异或;CLR(Clear) 清零;CPL(Complement) 取反;RL(Rotate left) 循环左移;RLC(Rotate Left throught the Carry flag) 带进位循环左移;RR(Rotate Right) 循环右移;RRC (Rotate Right throught the Carry flag) 带进位循环右移;SWAP (Swap) 低4位与高4位交换;四、控制转移类指令(17种助记符)ACALL(Absolute subroutine Call)子程序绝对调用;LCALL(Long subroutine Call)子程序长调用;RET(Return from subroutine)子程序返回;RETI(Return from Interruption)中断返回;SJMP(Short Jump)短转移;AJMP(Absolute Jump)绝对转移;LJMP(Long Jump)长转移;CJNE (Compare Jump if Not Equal)比较不相等则转移;DJNZ (Decrement Jump if Not Zero)减1后不为0则转移;JZ (Jump if Zero)结果为0则转移;JNZ (Jump if Not Zero) 结果不为0则转移;JC (Jump if the Carry flag is set)有进位则转移;JNC (Jump if Not Carry)无进位则转移;JB (Jump if the Bit is set)位为1则转移;JNB (Jump if the Bit is Not set) 位为0则转移;JBC(Jump if the Bit is set and Clear the bit) 位为1则转移,并清除该位;NOP (No Operation) 空操作;五、位操作指令(1种助记符)CLR 位清零;SETB(Set Bit) 位置1。
MCS-51单片机指令汇总表助记符指令说明字节数周期数(数据传递类指令)MOV A,Rn 寄存器传送到累加器 1 1 MOV A,direct 直接地址传送到累加器 2 1 MOV A,@Ri 累加器传送到外部RAM(8 地址) 1 1 MOV A,#data 立即数传送到累加器 2 1 MOV Rn,A 累加器传送到寄存器 1 1 MOV Rn,direct 直接地址传送到寄存器 2 2 MOV Rn,#data 累加器传送到直接地址 2 1 MOV direct,Rn 寄存器传送到直接地址 2 1 MOV direct,direct 直接地址传送到直接地址 3 2 MOV direct,A 累加器传送到直接地址 2 1 MOV direct,@Ri 间接RAM 传送到直接地址 2 2 MOV direct,#data 立即数传送到直接地址 3 2 MOV @Ri,A 直接地址传送到直接地址 1 2 MOV @Ri,direct 直接地址传送到间接RAM 2 1 MOV @Ri,#data 立即数传送到间接RAM 2 2 MOV DPTR,#data16 16 位常数加载到数据指针 3 1 MOVC A,@A+DPTR 代码字节传送到累加器 1 2 MOVC A,@A+PC 代码字节传送到累加器 1 2 MOVX A,@Ri 外部RAM(8 地址)传送到累加器 1 2 MOVX A,@DPTR 外部RAM(16 地址)传送到累加器 1 2 MOVX @Ri,A 累加器传送到外部RAM(8 地址) 1 2 MOVX @DPTR,A 累加器传送到外部RAM(16 地址) 1 2 PUSH direct 直接地址压入堆栈 2 2 POP direct 直接地址弹出堆栈 2 2 XCH A,Rn 寄存器和累加器交换 1 1 XCH A, direct 直接地址和累加器交换 2 1 XCH A, @Ri 间接RAM 和累加器交换 1 1 XCHD A, @Ri 间接RAM 和累加器交换低4 位字节 1 1(算术运算类指令)INC A 累加器加1 1 1 INC Rn 寄存器加1 1 1 INC direct 直接地址加1 2 1 INC @Ri 间接RAM 加1 1 1 INC DPTR 数据指针加1 1 2 DEC A 累加器减1 1 1 DEC Rn 寄存器减1 1 1DEC direct 直接地址减1 2 2 DEC @Ri 间接RAM 减1 1 1 MUL AB 累加器和B 寄存器相乘 1 4 DIV AB 累加器除以B 寄存器 1 4 DA A 累加器十进制调整 1 1 ADD A,Rn 寄存器与累加器求和 1 1 ADD A,direct 直接地址与累加器求和 2 1 ADD A,@Ri 间接RAM 与累加器求和 1 1 ADD A,#data 立即数与累加器求和 2 1 ADDC A,Rn 寄存器与累加器求和(带进位) 1 1 ADDC A,direct 直接地址与累加器求和(带进位) 2 1 ADDC A,@Ri 间接RAM 与累加器求和(带进位) 1 1 ADDC A,#data 立即数与累加器求和(带进位) 2 1 SUBB A,Rn 累加器减去寄存器(带借位) 1 1 SUBB A,direct 累加器减去直接地址(带借位) 2 1 SUBB A,@Ri 累加器减去间接RAM(带借位) 1 1 SUBB A,#data 累加器减去立即数(带借位) 2 1(逻辑运算类指令)ANL A,Rn 寄存器“与”到累加器 1 1 ANL A,direct 直接地址“与”到累加器 2 1 ANL A,@Ri 间接RAM“与”到累加器 1 1 ANL A,#data 立即数“与”到累加器 2 1 ANL direct,A 累加器“与”到直接地址 2 1 ANL direct, #data 立即数“与”到直接地址 3 2 ORL A,Rn 寄存器“或”到累加器 1 2 ORL A,direct 直接地址“或”到累加器 2 1 ORL A,@Ri 间接RAM“或”到累加器 1 1 ORL A,#data 立即数“或”到累加器 2 1 ORL direct,A 累加器“或”到直接地址 2 1 ORL direct, #data 立即数“或”到直接地址 3 1 XRL A,Rn 寄存器“异或”到累加器 1 2 XRL A,direct 直接地址“异或”到累加器 2 1 XRL A,@Ri 间接RAM“异或”到累加器 1 1 XRL A,#data 立即数“异或”到累加器 2 1 XRL direct,A 累加器“异或”到直接地址 2 1 XRL direct, #data 立即数“异或”到直接地址 3 1 CLR A 累加器清零 1 2 CPL A 累加器求反 1 1 RL A 累加器循环左移 1 1 RLC A 带进位累加器循环左移 1 1RR A 累加器循环右移 1 1 RRC A 带进位累加器循环右移 1 1 SWAP A 累加器高、低4 位交换 1 1(控制转移类指令)JMP @A+DPTR 相对DPTR 的无条件间接转移 1 2 JZ rel 累加器为0 则转移 2 2 JNZ rel 累加器为1 则转移 2 2 CJNE A,direct,rel 比较直接地址和累加器,不相等转移 3 2 CJNE A,#data,rel 比较立即数和累加器,不相等转移 3 2 CJNE Rn,#data,rel 比较寄存器和立即数,不相等转移 2 2 CJNE @Ri,#data,rel 比较立即数和间接RAM,不相等转移 3 2 DJNZ Rn,rel 寄存器减1,不为0 则转移 3 2 DJNZ direct,rel 直接地址减1,不为0 则转移 3 2 NOP 空操作,用于短暂延时 1 1 ACALL add11 绝对调用子程序 2 2 LCALL add16 长调用子程序 3 2 RET 从子程序返回 1 2 RETI 从中断服务子程序返回 1 2 AJMP add11 无条件绝对转移 2 2 LJMP add16 无条件长转移 3 2 SJMP rel 无条件相对转移 2 2(布尔指令)CLR C 清进位位 1 1 CLR bit 清直接寻址位 2 1 SETB C 置位进位位 1 1 SETB bit 置位直接寻址位 2 1 CPL C 取反进位位 1 1 CPL bit 取反直接寻址位 2 1 ANL C,bit 直接寻址位“与”到进位位 2 2 ANL C,/bit 直接寻址位的反码“与”到进位位 2 2 ORL C,bit 直接寻址位“或”到进位位 2 2 ORL C,/bit 直接寻址位的反码“或”到进位位 2 2 MOV C,bit 直接寻址位传送到进位位 2 1 MOV bit, C 进位位位传送到直接寻址 2 2 JC rel 如果进位位为1 则转移 2 2 JNC rel 如果进位位为0 则转移 2 2 JB bit,rel 如果直接寻址位为1 则转移 3 2 JNB bit,rel 如果直接寻址位为0 则转移 3 2 JBC bit,rel 直接寻址位为1 则转移并清除该位 2 2(伪指令)ORG 指明程序的开始位置DB 定义数据表DW 定义16 位的地址表EQU 给一个表达式或一个字符串起名DATA 给一个8 位的内部RAM 起名XDATA 给一个8 位的外部RAM 起名BIT 给一个可位寻址的位单元起名END 指出源程序到此为止(指令中的符号标识)Rn 工作寄存器R0-R7Ri 工作寄存器R0 和R1@Ri 间接寻址的8 位RAM 单元地址(00H-FFH)#data8 8 位常数#data16 16 位常数addr16 16 位目标地址,能转移或调用到64KROM 的任何地方addr11 11 位目标地址,在下条指令的2K 范围内转移或调用Rel 8 位偏移量,用于SJMP 和所有条件转移指令,范围-128~+127Bit 片内RAM 中的可寻址位和SFR 的可寻址位Direct 直接地址,范围片内RAM 单元(00H-7FH)和80H-FFH$ 指本条指令的起始位置MCS-51单片机指令快速记忆法学习单片机,除了搞清单片机内部功能、存储空间分配及I/O接口外,还应掌握其指令系统。
MCS-51共有111条指令,现介绍我们总结出的快速记忆MCS-51指令的方法,供大家参考。
大家都知道,汇编语言指令由操作码、操作数两部分组成。
MCS-51使用汇编语言指令,它共有44个操作码助记符,33种功能,其操作数有#data、direct、Rn、@Ri等。
这里先介绍指令助记符及其相关符号的记忆方法。
一、助记符号的记忆方法1表格列举法把44个指令助记符按功能分为五类,每类列表记忆。
此处从略,请读者自己总结。
2英文还原法单片机的操作码助记符是该指令功能的英文缩写,将缩写还原成英语原文,再对照汉语有助于理解其助记符含义,从而加强记忆。
例如:增量 INC-Incremect 减量 DNC-Decrement短转移 SJMP-Short jump 长转移 LJMP-Long jump比较转移 CJNE-Compare jump not equality绝对转移 AJMP-Absolute jump 空操作 NOP-No operation交换 XCH-Exchange 加法ADD-Addition乘法 MUL-Multiplication 除法 DIV-Division左环移 RL-Rotate left 进位左环移 RLC-Rotateleft carry右环移 RR-Rotate right 进位右环移RRC-Rotateright carry3功能模块记忆法单片机的44个指令助记符,按所属指令功能可分为五大类,每类又可以按功能相似原则为2~3组。
这样,化整为零,各个击破,实现快速记忆。
1)数据传送组。
2)加减运算组MOV 内部数据传送 ADD 加法MOVC 程序存储器传送 ADDC 带进位加法MOVX 外部数据传送 SUBB 带进位减法3)逻辑运算组。
4)子程序调用组。
ANL 逻辑与 LCALL 长调用ORL 逻辑或 ALALL 绝对调用XRL 逻辑异或 RET 子程序返回二、指令的记忆方法1指令操作数的有关符号MCS-51的寻址方式共有六种:立即数寻址、直接寻址、寄存器寻址、寄存器间址、变址寻址、相对寻址。
我们必须掌握其表示的方法。
1)立即数与直接地址。
#data表示八位立即数,#data16表示是十六位立即数,data或direct表示直接地址。