基坑工程危险源辨识与风险评价.docx
- 格式:docx
- 大小:13.28 KB
- 文档页数:5
危险源辨识与风险评价表
1
风险控制的策划
针对以上所辨识出的风险,可以通过采取以下方法对安全风险加以控制:
1、加强制度建设以制度来规范现场的操作行为;
2、加强施工组织设计及作业指导书的编制管理工作,使施工组织设计及作业指导书能够真正起到指导施工的作用。
3、加强安全教育提高职工的安全意识;
4、强化班前交底工作,使职工明白工作的危险源及其防护措施;
5、加强对于安全施工作业票、动火作业票以及试运期间两票三制执行情况的管理工作,保证规范作业。
6、试运期间保持和电厂方面的紧密联系,严格遵守电厂的安全运行规范。
7、强化对机械的维护与检查保证机具使用的安全性;
8、强化安全设施的架设工作,保证职工作业环境的安全性;
9、规范高空作业物料及其工具的管理工作保证物料存放的安全性;
10、对高空作业及其交叉作业进行认真管理,采取搭设防护棚栓挂保险绳等措施,防坠物伤人;
11、加强对运输工作的管理,从装车、物品的固定、车辆的限速行驶方面保证运输安全;
12、加强用电安全检查与维护工作,保证供电线路及其供电设施的安全性;
13、根据工作需要为职工配备适用的安全防护用品、用具,保证作业人员的安全;
14、加强对夜间施工的安全管理工作,保证照明及安全设施的设置满足夜间施工的要求;
15、加强气瓶使用及其焊接作业的安全管理工作,保证施工中消防安全;
16、对施工中使用的大型起重机械进行相应的安全检查,保证机械使用中的安全。
加强对吊车司机及其起重指挥人员配合的管理工作保证作业人员的安全。
17、严格操作程序,保证作业有序进行;
18、强化对习惯性违章的查处工作,保证作业人员的行为安全。
深基坑工程危险源的辨识、风险评价及其防控作者:傅峰来源:《中国高新技术企业》2015年第36期摘要:文章对深基坑工程的重大危险源进行了辨识和风险评价,同时提出了对危险源的预防和控制措施。
深基坑的安全施工可使人们免遭财产损失,并能为后期的建筑施工提供安全保障。
文章列举了深基坑施工过程中常见的重大危险源,并从地下水的监测、基坑支护桩变形的监测以及应急预案等方面提出了相应的事故预防和控制措施。
关键词:深基坑工程;重大危险源;风险评价;风险防控;建筑施工文献标识码:A中图分类号:TU46 文章编号:1009-2374(2015)36-0106-02 DOI:10.13535/ki.11-4406/n.2015.36.0521 概述随着我国基础设施的快速发展,城市人口的急剧膨胀以及建筑用土的大大减少,地下结构建筑的开发利用已得到越来越多专家的重视。
近年来,深基坑工程不断向大面积、大深度发展,对安全生产的需求也越来越高。
然而,基坑安全事故占整个建筑事故的比例高达约20%,由此深基坑安全施工得到越来越多人的重视。
如何做到安全生产,首先我们必须对危险因素心知肚明。
本文通过总结深基坑工程普遍存在的危险因素,并对危险源进行分析归类,最后提出相应的控制措施。
2 荆州地区深基坑工程主要危险源辨识2.1 深基坑工程特点2.1.1 临时性、周期长。
深基坑工程属临时性工程,周期长。
在荆州地区,深基坑工程运用时间一般在6~18个月之间。
由于深基坑为临时工程,会使施工人员和设计人员产生一种临时的想法。
且基坑在运行过程中,会经历季节的更替,将经历多次降雨、周边荷载和车辆振动等不利因素。
2.1.2 面积大、造价高。
近年来,基坑开挖深度随着城市建设用地的减少越来越深,工程规模越来越大,从而导致工程造价越来越高。
而建设方都不愿投入较多资金,深基坑一旦出现问题,将会造成巨大的经济损失。
2.1.3 地质条件复杂。
深基坑工程不同的位置和深度,基底所处的地质条件大多不一样,如土层的结构、力学性质、承压水水位等均不大相同,有时甚至相差很大。
施工现场危险源及环境风险辨识、评价清单和控制措施工程名称:编制单位:审核人:编制人:日期:一、评价目的识别公司、项目在活动、产品或服务中影响职业健康安全的危险源,评价危险源的风险程度,确定重大危险源,并对危险源实施有效的控制。
二、适用范围评价适用于该公司、项目在活动、产品或服务中危险源的识别、风险的评价与风险控制的策划与更新。
三、危险源识别准备收集国家、地方、行业关于职业健康安全方面的法律、法规、文件等资料的现行版本,掌握相关的规定。
四、评价方法:1 、直接经验法,对照有关标准、法规、安全检查表(可以采用《安全性评价表》、《建筑施工安全检查标准(J GJ59-2011)》)或依靠分析人员的观察分析能力,借助于经验和判断能力直观地评价对象危险性和危害性的方法。
经验法是辨识中常用的方法,其优点是简便、易行,其缺点是受辨识人员知识、经验和占有资料的限制,可能出现遗漏。
为弥补个人判断的不足,常采取专家会议的方式来相互启发、交换意见、集思广益,使危险、危害因素的辨识更加细致、具体。
2 、定性评价:这种方法是依据以往的数据分析和经验对危险源进行的直观判断。
对同一危险源,不同的评价人员可能得出不同的评价结果,思想难以统一。
但对防治常见危害和多发事故来说,这种方法比较有效。
施工现场重点防治的“五大伤害”(高处坠落、触电、物体打击、机械伤害、坍塌),就是在对以往安全事故进行统计分析的基础上提出的。
定性评价不是简单“拍脑袋” ,而是一种“基于事实的决策方法” 。
3、定量评价:这种方法是对危险源的构成要进行综合计算,进而确定其风险等级。
常用的一种简单易行定量评价方法是“LEC法” ,即作业条件危险性评价法。
这种方法考虑构成危险源的三种因素——发生事故的可能性(L)、人体暴露在危险环境中的频繁程度(E)和一旦发生事故会产生的后果(C),取三者之积来确定风险值(D),用公式来表示,则为 D=LEC式中 D ——作业条件的危险性。
危险源辨识与风险评价记录(地基基础工程)编号:BXYT/S-JL-4.3.1-01 施工阶段:地基工程编号:危险源辨识与风险评价记录(地基基础工程)编号:BXYT/S-JL-4.3.1-01 施工阶段:地基工程编号:危险源辨识与风险评价记录(地基基础工程)编号:BXYT/S-JL-4.3.1-01 施工阶段:地基工程编号:危险源辨识与风险评价记录(地基基础工程)编号:BXYT/S-JL-4.3.1-01 施工阶段:地基工程编号:危险源辨识与风险评价记录(地基基础工程)编号:编号:BXYT/S-JL-4.3.1-01 施工阶段:地基工程危险源辨识与风险评价记录(地基基础工程)编号:BXYT/S-JL-4.3.1-01 施工阶段:地基工程编号:危险源辨识与风险评价记录(地基基础工程)编号:BXYT/S-JL-4.3.1-01 施工阶段:地基工程编号:危险源辨识与风险评价记录(地基基础工程)编号:BXYT/S-JL-4.3.1-01 施工阶段:地基工程编号:危险源辨识与风险评价记录(地基基础工程)编号:BXYT/S-JL-4.3.1-01 施工阶段:地基工程编号:危险源辨识与风险评价记录(地基基础工程)编号:BXYT/S-JL-4.3.1-01 施工阶段:地基工程编号:危险源辨识与风险评价记录(地基基础工程)编号:BXYT/S-JL-4.3.1-01 施工阶段:地基工程编号:危险源辨识与风险评价记录(地基基础工程)编号:BXYT/S-JL-4.3.1-01 施工阶段:地基工程编号:危险源辨识与风险评价记录(地基基础工程)编号:BXYT/S-JL-4.3.1-01 施工阶段:地基工程编号:。
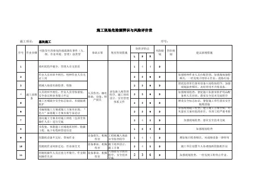
基坑危险源辨识和风险评价清单
简介:基坑是深埋在地下的限定范围内的深井,是施工活动中施工最
困难的成果。
基坑施工中的危险因素主要来自土方工程中的爆破、挖掘和
加固等技术操作,以及施工过程中的设备安全、施工机械、施工组织、环
境危害、施工秩序和基坑支护结构安全等问题,都会导致工程安全的危害。
一、危险源辨识
1.开挖危险源
(1)爆破危险源:爆破过程中,可能发生意外爆破、爆破物品反弹致
人伤亡、爆破影响环境噪声等情况。
(2)洞室支护和拆除危险源:施工过程中可能出现掌子面坠落、支护
物料积存在洞室里引起窒息等危险。
(3)进行开挖和支护危险源:施工期间,由于施工组织不当、施工机
械过载、施工过程中采取的技术措施不当等原因,可能导致支护结构崩塌、落石等危险事故发生。
2.支护工程危险源
(1)施工机械危险源:施工机械不符合安全要求,可能导致机械质量
不合格、安全配备不全、机械故障等情况。
(2)支护工程施工危险源:施工组织不到位、施工质量不合格、支护
技术措施存在缺陷等问题,都会导致基坑支护结构损坏。
危险源辨识与风险评价记录(地基基础工程)编号:BXYT/S-JL-4.3.1-01 施工阶段:地基工程编号:LEC值法事故类别作业活动序号危险源应采取的措施L E C D 风险等级值值值值桩机未定期检验,未取得有关部门的准用证1234桩机进场前应检验合格并取得准用证。
3 6 7 126 3 组装人员、吊装人员、打桩人员未佩戴安全防护用品制定施工现场管理制度,明确凡是进行桩机组装、吊装、打桩人员必须佩戴安全防护用品,并加强监督、检查。
33333333636666111532702724222244 在地下管线未明或未采取措施的情况下进行打桩、挖土作业要求业主提供施工区域地质资料及有关地下管线等布置图,发现不明物立即停止作业,并报告业主和有关部门。
检查桩架搭设单位的资质,人员须经安全培训,确保设备符合桩架搭设要求,人员做到持证上岗。
桩架搭设单位无资质,人员未经专业培训,桩架搭设人员无证上岗151515151515270270270270455 安装桩架的索具不符要求桩架缆风绳松紧不一安装前对索具进行检查,不符要求严禁使用。
缆风对称设置,监控缆风松紧程度。
桩机 6作业机械伤害移动桩架和停止作业时,桩锤未在最低位置专人指挥、监督,必须先将桩锤降到最低位置后,才能移动桩架和停止作业,防止失稳。
78 9组装时未锁住履带或用夹轨钳夹紧轨道组装时重点检查、监督,必须锁住履带或用夹轨钳夹紧轨道。
严格按要求放置桩机配重,交底时重点强调,现场加强检桩机配重放置不稳或配重不合理45查。
起重工持证上岗,且具备相应的专业操作技能,合理设置吊点。
10 吊桩时吊点不正 333 6661515152702702702221112 起吊速度不均匀、过快对起重工、操作工加强教育、交底,过程监控。
桩起吊后人员在桩底下通过吊装区域设立警戒,严禁无关人员进入。
危险源辨识与风险评价记录(地基基础工程)编号: BXYT/S-JL-4.3.1-01 施工阶段:地基工程编号:LEC 值法事故 类别作业 活动序 号危险源应采取的措施L E C D 风险程度值 值 值 值 操作人员用撬棒矫正桩机时用力过猛,偏心捶击13 1415 16 加强桩机使用前、使用中的检查、维修。
深基坑工程危险源的辨识、风险评价及其防控作者:傅峰来源:《中国高新技术企业》2015年第36期摘要:文章对深基坑工程的重大危险源进行了辨识和风险评价,同时提出了对危险源的预防和控制措施。
深基坑的安全施工可使人们免遭财产损失,并能为后期的建筑施工提供安全保障。
文章列举了深基坑施工过程中常见的重大危险源,并从地下水的监测、基坑支护桩变形的监测以及应急预案等方面提出了相应的事故预防和控制措施。
关键词:深基坑工程;重大危险源;风险评价;风险防控;建筑施工文献标识码:A中图分类号:TU46 文章编号:1009-2374(2015)36-0106-02 DOI:10.13535/ki.11-4406/n.2015.36.0521 概述随着我国基础设施的快速发展,城市人口的急剧膨胀以及建筑用土的大大减少,地下结构建筑的开发利用已得到越来越多专家的重视。
近年来,深基坑工程不断向大面积、大深度发展,对安全生产的需求也越来越高。
然而,基坑安全事故占整个建筑事故的比例高达约20%,由此深基坑安全施工得到越来越多人的重视。
如何做到安全生产,首先我们必须对危险因素心知肚明。
本文通过总结深基坑工程普遍存在的危险因素,并对危险源进行分析归类,最后提出相应的控制措施。
2 荆州地区深基坑工程主要危险源辨识2.1 深基坑工程特点2.1.1 临时性、周期长。
深基坑工程属临时性工程,周期长。
在荆州地区,深基坑工程运用时间一般在6~18个月之间。
由于深基坑为临时工程,会使施工人员和设计人员产生一种临时的想法。
且基坑在运行过程中,会经历季节的更替,将经历多次降雨、周边荷载和车辆振动等不利因素。
2.1.2 面积大、造价高。
近年来,基坑开挖深度随着城市建设用地的减少越来越深,工程规模越来越大,从而导致工程造价越来越高。
而建设方都不愿投入较多资金,深基坑一旦出现问题,将会造成巨大的经济损失。
2.1.3 地质条件复杂。
深基坑工程不同的位置和深度,基底所处的地质条件大多不一样,如土层的结构、力学性质、承压水水位等均不大相同,有时甚至相差很大。
危险源辨识与风险评价记录(地基基础工程)
编号:BXYT/S-JL-4.3.1-01 施工阶段:地基工程编号:
危险源辨识与风险评价记录(地基基础工程)
编号:BXYT/S-JL-4.3.1-01 施工阶段:地基工程编号:
危险源辨识与风险评价记录(地基基础工程)
编号:BXYT/S-JL-4.3.1-01 施工阶段:地基工程编号:
危险源辨识与风险评价记录(地基基础工程)
编号:BXYT/S-JL-4.3.1-01 施工阶段:地基工程编号:
危险源辨识与风险评价记录(地基基础工程)
编号:BXYT/S-JL-4.3.1-01 施工阶段:地基工程编号:
危险源辨识与风险评价记录(地基基础工程)
编号:BXYT/S-JL-4.3.1-01 施工阶段:地基工程编号:
危险源辨识与风险评价记录(地基基础工程)
编号:BXYT/S-JL-4.3.1-01 施工阶段:地基工程编号:
危险源辨识与风险评价记录(地基基础工程)
编号:BXYT/S-JL-4.3.1-01 施工阶段:地基工程编号:
危险源辨识与风险评价记录(地基基础工程)
编号:BXYT/S-JL-4.3.1-01 施工阶段:地基工程编号:
危险源辨识与风险评价记录(地基基础工程)
编号:BXYT/S-JL-4.3.1-01 施工阶段:地基工程编号:
危险源辨识与风险评价记录(地基基础工程)
编号:BXYT/S-JL-4.3.1-01 施工阶段:地基工程编号:
危险源辨识与风险评价记录(地基基础工程)
编号:BXYT/S-JL-4.3.1-01 施工阶段:地基工程编号:
危险源辨识与风险评价记录(地基基础工程)
编号:BXYT/S-JL-4.3.1-01 施工阶段:地基工程编号:。
基坑工程危险源辨识与风险评价基坑工程是指为了建造地下工程或者确保地面稳定而开挖的较大的坑洞。
在基坑工程中,存在着各种危险源,如地质条件复杂、土方开挖、支护结构施工、安装设备等。
为了确保基坑工程施工的安全性,需要对危险源进行辨识与风险评价。
风险评价是指对辨识出的危险源进行风险程度的评估。
风险评价一般包括两个方面的内容:风险的可能性和风险的严重程度。
风险的可能性可以通过历史资料、统计数据以及专家意见等来确定,一般分为低、中、高三个等级。
风险的严重程度可以通过预测事故发生后可能造成的人员伤亡和财产损失来评估,同样分为低、中、高三个等级。
综合考虑可能性和严重程度,对每个危险源进行等级评定。
基于对危险源的辨识和风险评价,可以制定相应的安全管理措施。
在土方开挖阶段,可以通过加固边坡、设置防护措施等方式降低坍塌、垮塌等风险。
在支护结构施工阶段,可以选用合适的支护结构材料,确保施工质量,避免结构失稳。
在设备安装和操作阶段,可以加强设备维护和管理,培训操作人员,减少设备事故的发生。
除了制定安全管理措施,还可以对可能发生的事故进行预案编制和应急救援演练,提高应急处置的能力。
此外,还需要加强对施工人员的安全教育和培训,提高他们的安全意识和技能水平。
综上所述,基坑工程中的危险源辨识与风险评价是确保施工安全的重要环节。
通过对危险源进行识别和评估,可以采取相应的安全管理措施,降低事故风险。
同时,还需要做好预案编制和应急救援准备工作,加强施工人员的安全教育培训,提高施工安全水平。