城市化地区输电线路工程造价影响因素
- 格式:doc
- 大小:25.50 KB
- 文档页数:6
对110kV输电线路工程造价控制的影响因素及管理措施探讨发表时间:2020-12-10T02:25:21.346Z 来源:《河南电力》2020年7期作者:何艳玲[导读] 110kv输电线路工程项目管理中的一项重要内容便是造价管理,该管理工作会使工程项目的规划设计、施工建设等各个阶段的项目管理水平受到直接影响。
(深圳供电规划设计院有限公司 518054)摘要:110kv输电线路工程项目管理中的一项重要内容便是造价管理,该管理工作会使工程项目的规划设计、施工建设等各个阶段的项目管理水平受到直接影响。
当前电建公司工程造价管理工作中存在着种种问题且电力设施规划征地等所需成本也不断增加,诸多问题导致输电线路工程项目总体和单位造价不断攀升,本文通过对影响110kV输电线路工程造价控制各阶段的因素进行了分析,之后对110kV输电线路工程提出了一些管理措施。
关键词:110Kv;输电线路;工程造价;影响因素;管理措施由于我国电网工程建设的进度的持续推动,各行各业对电网的可靠性提出了更高的要求。
同时,随着社会经济环境的不断改变以及新技术的普遍运用,我国投入到输电线路工程的资金呈逐年增多的发展趋势。
1对110kV输电线路工程造价控制的影响因素分析输电线路工程造价的影响要素较为多元化,主要包括政策调整、物价上下浮动与工程施工条件等方面,对每一施工阶段都带来较大影响。
所以,输电线路工程造价控制存在一定难度,通过下文对其影响要素的分析,提出相应造价控制措施。
1.1杆塔数量与型式在工程总投资中,由于杆塔工程较为关键,其投资比重占据1/3。
其中,杆塔数量与型式属于杆塔工程质量的关键内容,对输电线路的回路数、电压等级、气象因素、路径与地形等起决定性作用。
(1)铁塔通常应用在110kV以上的线路中。
结合实际用途可以划分为直线塔、转角塔以及耐张塔;其中,直线塔对铁塔的使用最为广泛,钢材耗费量在转角塔的1/2之间;由于转角塔对钢材耗费的程度与造价成本过高,转角塔数量的多少取决于线路的曲折程度,所以在线路选线过程中,要最大程度降低转角塔数量,将其保持在总杆塔数量的30%之间。
110kV电缆送电线路工程造价构成及影响因素分析摘要:随着科学技术的快速发展,110kv电缆送电线路的工程数量也越来越多,其对人们的工作生活所造成的影响也越来越大,开始受到了越来越多人的重视,鉴于这种情况,本文以使用了数理统计的方式对19条110kV电缆送电线路工程造价构成及影响因素进行了深入的分析研究,并进行了横向以及纵向两个方向的数据对比分析,最后得出了相应的研究结论。
希望通过本文的研究能够为我国110kV电缆送电线路工程的建设贡献一定的力量,使其能够为我们国家的建设发展贡献更大的力量。
关键词:110kV电缆;送电线路工程;造价构成;影响因素一、进行110kV电缆送电线路工程造价构成及影响因素分析的目的第一,对110kV电缆送电线路工程造价构成及影响因素进行分析研究的主要目的之一就是充分了解截面相同的送电线路工程存在的投资差异以及存在差异的原因,并以此为依据建立一个全面的造价预估指标体系,从而有一个精确的优化设计工作方向。
第二,110kV电缆送电线路工程造价构成及影响因素进行分析研究是为了全面认识到在不同阶段同一电缆送电工程线路造价产生的区别以及其理由,从而对优化设计的工作方向有一个更清晰的认识,为以后的110kV电缆送电线路工程造价设计工作展开贡献更大的力量。
二、数据选择分析(一)横向比较数据选择本文主要选择了共计19条在不同时期建设的110kV电缆送电线路工程数据作为样本展开了分析工作,根据回路项数量以及截面不同这19条110kV电缆送电线路工程可分为七种。
电缆截面×回路数1600mm2×1的线路数量为2电缆截面×回路数1200m2×2的线路数量为5电缆截面×回路数1200m2×1的线路数量为2电缆截面×回路数1000m2×3的线路数量为1电缆截面×回路数1000m2×2的线路数量为2电缆截面×回路数800m2×2的线路数量为1电缆截面×回路数800m2×1的线路数量为 3。
浅析影响架空电力线路工程造价的若干因素摘要:改革开放后,伴随着中国经济的高速增长,用电需求量急速增加,原有的电力设施和数量已经满足不了高用电量的要求,因此,为了适应经济发展的脚步,跟上社会主义现代化建设的进程,建设一个经济、可靠、安全、放心的电力网络刻不容缓。
担负着电能输送任务的高压、超高压输电线路也如雨后春笋般的耸立在祖国的大江南北。
因此,有必要对影响架空电力线路工程造价的因素进行研究,并给出相应的理论依据。
关键词:架空电力线路工程造价影响因素改革开放后,我国经济快速增长,用电需求迅速增加,原有的电力设施和数量已无法满足高水平的用电需求。
因此,我们要跟上社会主义现代化建设的步伐,建设一个经济、可靠、安全可靠的电网。
高压和超高压输电线路像雨后竹笋一样矗立在中国的北方和南方。
实践和经验表明,由于我国地质地貌众多,经济结构改变了原有环境,输电线路的安装带来了诸多因素。
随着新设计的不断创新,架空线路的建设项目越来越多。
复杂长度是决定项目成本的主要因素,长度与投资分布之间存在较大的离散,说明单个因素的长度是影响项目成本的因素的组成,不能有效反映。
因此,有必要对影响架空接触网造价的因素及其相应的理论依据进行研究,因此,本文主要采用定量研究和定性研究相结合的方法,以确定影响架空发电厂电价的因素,去分析获得更精确的影响技术成本的因素。
1架空电力线路工程的主要成本结构1.1项目成本项目成本是指在整个电力项目组合活动中需要消耗的经济资源,包括工资和机械设备的消耗、原材料的使用、必要的维护费用等,工程造价工作过程的正确发展需要保证一个正确的工程造价体系,这对工程建设的成本有着很好的直接影响。
预算成本是工程造价的重要组成部分,需要事先准备和制作参考资料,只有这样,才能保证施工方案的质量和进度。
工程造价预算能反映工程造价,能反映整个工程对资源的需求,合理设计。
评价工程经济效益的技术方案和技术支持措施,有助于降低工程造价,保证工程进度。
电力工程造价的影响因素和问题分析摘要:造价管理是电力工程管理当中的重要部分,其改革难度较大,而且关系较大,直接影响着电力工程的发展,因而有必要对电力工程的造价影响因素进行分析,对其中存在的问题进行讨论,以期能够不断促进电力工程的发展。
关键词:电力工程;问题分析;影响因素电力企业是国有企业当中的中流砥柱,是关系着国家经济发展的基础和关键,是关系着人民生活的根本,而其电力工程则是电力企业发展当中的重点,而其造价则是直接关系着电力工程建设和经济利益,关系着电力企业的发展,因而应该加强对电力工程造价问题的探讨,以此来不断促进电力工程造价管理水平的不断提升。
一、电力工程造价的影响因素电力工程造价的影响因素是包括很多方面的,其在运作和管理过程中会受到很多内外因素影响,制度方面的、体制方面的、市场方面等等很多因素,具体来说可以从以下几个方面上进行分析。
(一)造价定额制度的影响在我国建国初期,当时的社会物资还很匮乏,想要发展电力工程缺少相应的物质和资金支持,为了能够有效的缓解这种局面,有效管理基本建设资金,当时引入了一种预算定额管理制度,这种定额管理制度在当时的计划经济年代确实起到了重要作用,而经过这么多年的发展,定额制度在这期间也是经过了不断的补充和修改,在人力、资料等各方面都进行了补充,使得其基本符合我国的经济发展实际水平,也是我国多年建设积累的宝贵经验,更是工程造价管理发展和改革的基础。
但是随着我国社会主义市场经济的不断发展和完善,传统的定额制度已经不再适应当前的市场竞争,不能真实反映市场经济本身的发展变化,对于很多新技术、设备等在工程当中的应用比较不利,而且阻碍了电力企业造价管理和工程管理的发展,不利于造价管理人员自身水平的不断提升,因而需要对这种定额制度进行改革。
(二)大件电力设备价格的变化影响在电力工程当中大件电力设备占了非常高的比例,其价格发生变化对于电力工程造价有着重要影响。
近年来,随着我国经济的不断发展,工业生产、人民生活对于用电量的需求在不断上升,电力工程的需求量也在不断增加,我国在这几年的电力工程项目同步增长很快,是的对于电力工程需求的电力设备供求发生了变化,对大件电力设备的需求增加,导致大件电力设备的价格上涨。
架空输电线路工程造价相关影响因素分析摘要:在架空输电线路工程建设中,工程造价管理和控制对整个工程的管理发展有着深刻的影响。
对架空输电线路工程造价的水平、结构变动、影响因素和发展趋势的分析,能有效控制造价,对合理核定输电成本、提高电网投资效益和强化项目投资管理有重大意义。
但是从发展实际情况来看,在输变电工程施工建设中,会存在比较多的外界影响因素。
基于此,本文主要就针对架空输电线路工程造价相关影响因素进行综合分析和探讨。
关键词:架空输电线路;工程造价;影响因素1架空输电线路工程内容架空输电线路工程主要包括以下部分:第一,基础工程,这包括杆塔基础和电缆线路的构筑物,它们共同支撑着架空线路和电缆线路。
杆塔基础通常分为岩石基础、混凝土基础等。
第二,杆塔组立,这是将杆塔按照设计要求进行搭建的过程,包括直线杆塔、终端杆塔、耐张杆塔等。
第三,架线施工及附件安装,这是将导地线、绝缘子等按照设计要求架设到杆塔上,以完成电力传输的过程。
第四,接地施工,这是为了保障架空线路和电缆线路的安全运行,通过将线路与大地相连,以防止电流过大或雷电对线路造成损害。
第五,辅助工程,这包括清理施工现场、修复施工破坏的地形地貌等,以确保线路运行安全可靠。
具体来说,每个部分都有详细的结构和工艺要求。
例如,杆塔组立根据塔型有不同的组立类型,钢管杆等还包括分段组立和整体组立两种方式,需要掌握基础的施工顺序、杆塔的组装顺序等。
架线施工需要对导地线进行展放、连接等,绝缘子也需要进行安装和调整。
接地施工需要选择合适的接地材料、确定接地电阻值等。
辅助工程需要对现场进行清理、修复等,以确保线路运行安全可靠。
此外,架空输电线路工程还包括线路巡检、维护和检修等方面的工作,以确保线路的安全稳定运行。
这些工作都需要对架空输电线路的结构和运行原理有一定的了解和掌握。
2架空输电线路工程造价影响因素2.1影响架线工程费用因素架空输电线路工程中一项十分重要的建设环节就是架线工程,架线工程在实际建设过程中容易受到各种外界因素的影响,包括施工环境、工程建设技术、施工价格等。
人力运距对架空输电线路工程的造价影响发布时间:2022-08-23T05:37:02.168Z 来源:《新型城镇化》2022年17期作者:孙海涛[导读] 由于架空输电线路工程路径长,工程建设外部环境较为复杂,造价影响因素多,建设周期长,使得架空输电线路工程的工程造价难以控制。
架空输电线路工程造价影响因素主要包括技术条件因素、地理与气候因素、环境因素、价格波动及政策调整变化因素,在这些诸多影响因素中,与工程建设地理及环境条件有关的人力运距,其计算过程较为复杂,运距的确定存在随意性。
结合贵州电网精益化管理的要求,有必要对架空输电线路工程人力运距进行研究分析,以便合理有效控制工程造价,确保工程质量和项目顺利实施。
安徽送变电工程有限公司安徽合肥 230022摘要:以贵州地区35~220千伏典型架空输电线路工程的造价为依据,从人力运距的计算、人力运距对工程造价的影响、人力运距对各分部工程投资比例的影响等方面进行分析,得出人力运距对工程造价的影响程度,提出人力运距对造价影响的控制措施,为架空输电线路工程的工程造价控制与管理提供重要指导依据。
关键词:人力运距;架空输电线路工程;造价影响由于架空输电线路工程路径长,工程建设外部环境较为复杂,造价影响因素多,建设周期长,使得架空输电线路工程的工程造价难以控制。
架空输电线路工程造价影响因素主要包括技术条件因素、地理与气候因素、环境因素、价格波动及政策调整变化因素,在这些诸多影响因素中,与工程建设地理及环境条件有关的人力运距,其计算过程较为复杂,运距的确定存在随意性。
结合贵州电网精益化管理的要求,有必要对架空输电线路工程人力运距进行研究分析,以便合理有效控制工程造价,确保工程质量和项目顺利实施。
1架空输电线路工程造价的主要影响因素分析(1)影响架线工程费用的因素架线工程建设费用在架空线路工程发展建设中占据比较大的比例,同时,架线工程在施工建设的过程中还会受外界施工环境、施工价格、施工技术等多个条件的限制影响。
电力工程造价的影响因素出发控制电力工程造价摘要:电力能源是重要的能源资源,在人们日常生活中发挥着至关重要的作用。
电力工程在施工建设的过程中,由于受到各种因素的影响,导致电力工程的造价难以控制,我国的电力工程在确保质量的基础上,融入科学技术对造价成本进行降低,政府机关对电力工程的造价管理工作越来越重视,对我国的电力工程造价进行控制更有效的节约资源,确保可持续发展。
如何降低各种因素对电力工程造价造成的影响,已经成为电力工程施工企业以及社会各界广泛关注的热点。
因此,文章针对电力工程造价影响因素及造价控制措施的研究具有非常重要的现实意义。
关键词:电力工程;造价;影响因素;控制;措施想要对电力工程建设目标进行更好完成,对于工程项目的造价管理就要贯穿于工程施工全过程。
于此,通过对这一方面进行相关内容的研究,以最为科学的方法,从造价影响因素角度出发,对工程造价进行合理科学的管理和控制,并提出一套合理化、科学化、高实用性的解决方式,来提升建造公司在进行施工过程中能够给予相应合理的报价,并能够对造价风险进行合理有效的控制。
1. 影响电力工程造价的主要因素1.1投资评估与可行性分析电力工程项目在投入建设与施工以前需要进行全面的考察,确保工程建设的科学性、合理性以及可行性,因此开展可行性研究是十分必要且重要的。
工作人员根据工程建设的实际情况对估算投资限额,并完善建设方案。
为了保证高质量施工、降低工程造价,参与投资评估与可行性分析的工作人员应充分考虑线性概预算限额。
1.2项目规模在经济发展的带动下,社会生产、生活的用电量越来越大,为了满足供电需要,电力工程的规模也逐步扩大。
此时工程项目建设中需要用到大容量、高参数、超临界的发电机,其优势在于节能效果突出、具有环保特性,然而这种发电机的成本较高,势必会增加电力工程的造价。
1.3项目选址项目选址影响整个工程的造价和项目运营情况。
为了证选址的合理性与有效性,电力企业应全面考察当地的经济发展情况、气象条件、水文地质条件,保证自然条件与人文条件均满足项目建设的实际需要,避免额外的费用支出,使工程造价保持在合理的范围内。
电网工程造价的影响因素及控制措施分析摘要:电网工程造价管理水平高低直接影响着电网工程建设的经济效益,对电网工程建设发展起着至关重要的作用。
为此,电网工程建设单位需要不断加强工程造价管理和分析,不断加强各个阶段的成本管理和控制,努力打造最优化工程造价管理模式,以保障电网工程建设获得经济效益最大化。
关键词:电网工程;造价;控制1 电网工程造价的影响因素工程造价控制是指对工程项目各个阶段的投入资金的控制,保证其在预期的承受能力范围内,如果在这一过程中,资金的投入超出了预期的偏差范围,则应进行及时的调整、控制,从而保证工程项目按照计划稳步进行。
电网工程造价的影响因素很多,主要包括以下方面:(1)对于电网工程项目来说,投资决策阶段对工程造价产生影响的主要因素有建设项目规模(变电容量、线路长度)和建设地点(站址、线路路径)的确定和选择、建设标准(电压等级)和自动化控制要求的确定、电网规划与电源点布局等。
(2)设计阶段对工程造价的影响主要因素是工程设备(材料)选型、选用和采购、设备和构架平面布置方式、基础结构型式、设计深度控制等。
(3)施工阶段对工程造价的影响主要体现在两个方面:一是施工组织设计不合理。
详细的施工计划安排和有效的施工方案制定是施工组织设计中的重点内容,合理的施工组织设计不但能够保证施工安全、施工质量、施工进度,还能有效控制工程造价目标。
然而,在电网基建工程施工过程中,普遍存在施工组织设计不合理的问题,未考虑施工方案的经济性,不详细优化施工方案,这将会直接增加施工实施阶段的成本投入。
二是工程变更混乱。
产生工程变更的因素有很多,包括前期项目设计定位不准确、临时修改设计、设计质量控制不严错误多,图纸会审不认真,工程师自身技术能力不够,不了解工程合同、工程预算和相关规定,对施工现场工程质量的检查不到位,尚未认真核实变更项目情况就随意签字,而部分承包商为谋取更多利润,扭曲合同内容,弄虚作假等等,这很容易出现工程变更混乱现象,严重制约着工程造价控制目标的实施。
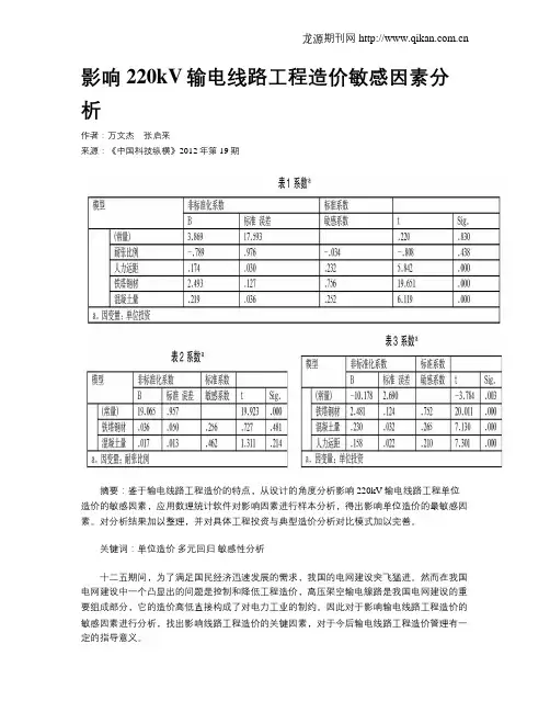
影响220kV输电线路工程造价敏感因素分析作者:万文杰张启来来源:《中国科技纵横》2012年第19期摘要:鉴于输电线路工程造价的特点,从设计的角度分析影响220kV输电线路工程单位造价的敏感因素,应用数理统计软件对影响因素进行样本分析,得出影响单位造价的最敏感因素。
对分析结果加以整理,并对具体工程投资与典型造价分析对比模式加以完善。
关键词:单位造价多元回归敏感性分析十二五期间,为了满足国民经济迅速发展的需求,我国的电网建设突飞猛进。
然而在我国电网建设中一个凸显出的问题是控制和降低工程造价,高压架空输电線路是我国电网建设的重要组成部分,它的造价高低直接构成了对电力工业的制约。
因此对于影响输电线路工程造价的敏感因素进行分析,找出影响线路工程造价的关键因素,对于今后输电线路工程造价管理有一定的指导意义。
输电线路工程造价的概预算具备一般经济系统预测的共同特性:非线性,输电线路工程造价是众多确定性因素和非确定性因素交互作用下的非线性系统;强耦合性,反映输电线路工程造价的各种指标不无密切关联,每一个指标的变化都会导致其它指标的变化。
1、影响输电线路工程的敏感因素长期以来,我国输电线路工程的概预算是以《电网工程建设预算编制与计算标准》(以下简称:预规)和《电力建设工程预算定额》(以下简称:定额)为基础编制的。
而对输电线路工程造价合理性的评价方式,主要是通过将具体工程投资与《国家电网公司输变电工程典型造价》(以下简称:典造)对比分析得到的。
对影响输电线路工程造价的敏感因素进行分析,既能够更准确的找到工程造价超出典型造价的原因,也能够更具体的反馈到其它设计专业中,从而引导输电线路工程,降低工程造价。
1.1 自然因素(1)风速。
在工程技术设计中风速起到了主要影响作用。
在典造中风速以每5m/s为一档,风速每提高一档,杆塔重量就要增加30%以上,会明显影响工程单位造价。
(2)覆冰。
覆冰是一定气象条件下架空线和绝缘子上出现的冰、霜、雨凇和积雪的通称。
输电线路工程三超的原因分析和控制措施摘要:输电线路工程是城市化建设中不可缺少的固定投资项目,为城市提供源源不断的能源,使得城市更加的宜居、方便和快捷。
但由于工程性质和施工特点,造成了输电线路工程中经常出现“三超”现象,加大了财政负担,本文对主要原因进行了剖析。
关键词:输电线路、造价管理、投资控制引言:长期以来,国内大型建设工程,由于工程量大,标段多,工期长,参与方多,“三超”的现象屡见不鲜。
输电线路作为城市化建设中输送能源的血管,也不可避免的存在上述问题。
本人参与了多项输电线路的概预算编制工作,下面就结合目前所遇到的问题谈谈输电线路的三超问题。
线路工程造价控制的目的在于防止投资突破限额,维护业主利益。
通过造价管理控制,既规范项目建设的不同阶段,也使有限的人力、物力、财力资源得到充分的利用,实现成本和质量控制,取得最佳的经济效益和社会效益。
项目决策阶段对工程造价的影响达80%,决策的正确与否直接关系到工程造价的高低。
因此,在设计阶段控制造价,意义尤为重大。
1.线路设计中路径方案选择要遵循以下原则:①根据系统规划原则,综合考虑施工、运行、交通条件等因素、进行多方案比选,使线路走向安全可靠、经济合理。
②尽量靠近现有道路,改善线路交通条件。
③线行尽量取直,避让险恶地形、洪水淹没区及不良地质段地段。
④尽量避让森林密集区、水源保护地、减少森林砍伐、保护自然生态环境。
⑤避让军事设施、开采的矿产及石场、油库及重要通信设施。
⑥尽量避让严重覆冰地区。
⑦尽量避免跨越民房区。
⑧综合协调本线路路径与沿线已建线路及其他设施的矛盾。
2.输电线路工程三超的主要原因很多的电缆线路工程都出现了超可研的情况,加大了工程落实的难度,延长了工程的周期,有的甚至不得不停止项目。
所以做好前期估算,控制好后期的概算,避免出现概算超可研、预算超概算等情况,从技经专业的角度配合设计做好工程的前期工作,是很有必要的。
下面,就这几年做过的输电线路工程造价,谈一下三超的原因。
浅析在设计阶段影响高压架空送电线路工程造价的因素浅析在设计阶段影响高压架空送电线路工程造价的因素摘要:本文尝试从架空送电线路工程建设预算费用和电力工程预算定额(第四册送电线路工程)的分部分项出发,阐述影响架空送电线路工程造价的因素,实现对送电线路工程造价控制的有效措施。
关键词:工程造价;送电线路工程;控制措施中图分类号: TU723.3文献标识码:A 文章编号:电网建设项目工程造价是通过科学控制行为、科学管理方法和先进管理手段,合理地确定和有效地控制项目的投资。
造价控制贯穿于评价决策、设计招标、工程发包、竣工验收等工程建设的全过程,每个阶段都对工程造价有不同程度的影响,而技术与经济相结合是控制工程造价最有效的手段。
本文从送电线路工程建设预算费用及电力工程预算定额的构成分别浅析在设计阶段对工程造价的影响。
一、影响架空送电线路工程造价要素架空送电工程造价包括静态投资和动态投资。
从工程造价的构成可以看出,静态投资是架空送电线路工程造价构成中最主要的要素,是工程建设项目中重要的部分,也是交易行为的主要评定内容,而影响工程静态投资构成的要素主要是架空送电线路本体工程和其他费用。
本体工程费从工程名称上又分为工地运输、土石方工程、基础工程、杆塔工程和附件工程。
影响其他费用的主要因素是建设场地及清理费。
二、架空送电线路工程的造价控制影响架空线路工程总造价的主要因素为静态投资。
本文依据电力工程预算定额(第四册送电线路工程),分别从本体工程和其他费用两个方面分析影响工程总体造价的因素。
(一)架空送电线路本体工程定额的项目排列一般是根据工程结构、施工程序或施工对象等为单位划分,大体划分为工地运输、土石方工程、基础工程、杆塔工程、架线工程和附件安装等6项内容。
本工程中工地运输包括在各个分项工程中。
(1)工地运输是送电线路工程所特有的项目,是指装置性材料自工地集散仓库运至沿线各杆塔位的装卸、运输及空载回程等全部工作。
一般材料运输分场外运输和场内运输,场外运输费用已包括在材料的预算价中,而场内运输不易确定。
影响架空电力线路工程造价的重要因素摘要:近年来,我国经济水平不断提升,我国城市化建设进程逐步加快,城市电力工程建筑数量越来越多,各地区供配电线路架设规模逐步扩大。
实际建设过程中,由于电力施工企业没能有效控制工程造价,直接导致架空电力线路工程成本投入越来越大,为确保电力施工企业经济效益,加强架空电力线路工程造价的管理工作至关重要。
本文主要从架空电力线路工程造价的主要费用类型着手,进一步分析了影响架空电力线路工程造价的主要因素,并对主要影响因素进行了深入分析及检验,望对我国未来架空电力线路工程造价管理工作提供相应借鉴。
关键词:架空电力线路工程造价影响因素改革开放后,伴随着中国经济的高速增长,用电需求量急速增加,原有的电力设施和数量已经满足不了高用电量的要求,因此,为了适应经济发展的脚步,跟上社会主义现代化建设的进程,建设一个经济、可靠、安全、放心的电力网络刻不容缓。
担负着电能输送任务的高压、超高压输电线路也如雨后春笋般的耸立在祖国的大江南北。
事实和经验告诉我们,由于我国地质地貌类型众多,加上经济建设又改变了原有的生成环境,给输电线路的架设带来了诸多的影响因素,工程的施工技术方案存在多变性,且伴随着设计与施工新技术的不断革新,架空线路的施工方案也越来越复杂,以往业内多认为架空线路长度是影响工程造价的主要因素,但是实际线路长度与投资金额离散性较大,因此,单方面考虑线路长度无法有效反映工程造价的影响因素组成。
1 影响架空电力线路工程造价的主要因素1.1 架空电力线路工程造价构成工程造价,主要指用于建设架空电力线路工程的资产投资。
架空电力线路工程所需投资的地方主要包括两方面,分别是静态投资和动态投资,由于最近几年内贷款利率和市场物价变化较为平稳,动态投资没有太大波动,因此,将静态投资中的主要影响工程造价的因素作为主要研究部分。
静态投资,主要参照目前较为主流的定义,静态投资主要包括两部分,分别是本体费用和其他费用,根据其用途再将本体费用具体细分为五点,分别是架线工程成本、杆塔组立成本、基础施工成本、附件安装和运输成本;将其他费用细分为土地相关成本、本体关联费用和其他费用,架线工程成本、杆塔组立成本和本体关联费用在静态投资中所占比重接近八成,属于主要成本类,附件工程成本、基础工程成本在静态投资中所占比重接近一成,属于次要成本类,其余部分属于一般成本类,因此,架空电力线路工程造价成本主要受架线工程成本、杆塔组立成本和本体关联费用影响。
试析影响架空电力线路工程造价的若干因素摘要:改革开放后,随着中国经济的高速增长,电力需求快速增长。
原有的电力设施和数量已经不能满足高耗电的要求。
所以,要适应经济发展的步伐,就要跟上社会主义现代化的步伐。
在建设过程中,建设经济、可靠、安全可靠的电力网络势在必行。
承载着输电任务的输电线路也在祖国的南北方兴起。
事实和经验告诉我们,由于中国地貌类型众多,经济建设改变了原有的发电环境,给输电线路的架设带来了诸多影响因素。
该项目的施工技术是多样化的。
随着新设计和施工技术的不断创新,架空线路的施工方案也越来越复杂,做好架空电力线路工程造价影响因素分析对于承建单位控制工程成本而言至关重要。
本文对架空电力线路工程造价概念进行论述,并分析影响工程造价的主要因素,针对这些因素寻求降低工程造价的措施。
关键词:架空电力线路;工程造价;影响因素1、架空电力线路工程造价管理概述1.1架空电力线路工程造价管理的意义所谓架空电力线工程造价管理是通过一系列总体规划和计划,然后通过组织指挥、协调控制等方式,针对具体的项目建设投资决、,材料招投标和施工其他全过程的施工控制和管理,利用相关的人力、物力、财力等资源,解决项目建设难度大、投入大、项目持续时间长等特点,实现利用最短时间和投资消耗,获得最大的经济效益项目的目的和效果也有助于社会和经济效益。
1.2架空电力线路工程造价的特点分析1.2.1投资金额较大架空电力线路的工程造价,其具体的额度由于一系列电力行业的技术特征决定的,对实际设备的安全性、稳定性以及可靠性都有着极其严格的要求。
因此,对于架空电力线路的工程建设来讲,造价往往会很高,具体的节约空间较大,所以,有效的控制工程造价,意义很明显。
1.2.2不可预测性较强在架空电力线路工程建设中,其具体建设受到一系列不可预测因素的影响,且不确定性也很强。
在中国的电网建设管理体系中,发电企业只负责管理电力供应的稳定。
在实际的架空电力线路中,管理人员通常是电力建设公司。
浅谈城市化地区输电线路工程造价影响因素
【摘要】本文简单分析了现今城市化地区的输电线路的特点,在此基础上对输电线路的成本造价进行了分析,并对城市化地区的输电线路工程造价的构成影响因素进行了对比,从而为如何提高工程效率,节约工程成本作出了有针对性的指引参考,并论述了如何评价工程的成本控制的合理性,为经济发达地区控制输电线路工程造价提供了依据。
【关键词】输电线路工程造价构成;经济发达地区;造价控制输电线路建设的现状
随着中国的城市化发展进程越来越快,越来越多的土地由农村转变为城市,2012年8月17日国家统计局今日发布报告显示,十六大以来城市化水平进一步提高,人口婚姻、家庭状况保持稳定。
报告显示,2011年城镇化率达51.27%。
城市化水平提高的三大标志分别是1、劳动力从第一产业向第二、三产业转移;2、城市人口在总人口中比重上升(最主要标志);3、城市用地规模扩大。
劳动力从第一产业向第二、三产业转移意味着工业用电量和商业用电量的增加,这将远高于农业用电量的减少。
“十一五”时期,国家电网公司累计完成电网投资1.2万亿元,超过新中国成立56年电网投入的总和;投产110千伏及以上输电线路25.4万千米同比增长60% ;在投资规模和电网规模上再造了一个国家电网。
“十一五”期间投产电力工程决算单位造价与“十五”期间相比,交流输电线路工程年均上涨4.2%,交流变电工程年
均下降0.33%。
根据数据显示,输电线路的造价年年上升,而变电工程造价却趋于稳定,那到底是什么因素影响了输电线路的造价呢?
城市化输电线路造价影响因素分析
输电线路工程分为前期决策阶段、设计阶段、招投标阶段、施工阶段和竣工决算阶段等环节,然而各个阶段都存在影响工程造价的因素。
政策、经济和社会自然环境等是工程建设的主要外部影响因素,也是影响工程造价的外在因素。
随着城市化建设,各地电网规模不断扩大,供电可靠性的要求也越来越高,线路建设的技术发展方向及创新,是造价变化的内因。
外因和内因共同作用,影响着工程造价形成。
工程造价可以分为材料费、施工工程费以及其他费用。
以往在非城市地区,输电线路基本采用架空线路形式,架空线路形式的设备材料约占总投资的35-40%,但随着城市化地区范围扩大,越来越多的线路采用了电缆敷设的形式,同长度同电压等级的电缆工程设备材料价格约为架空线路的2-2.5倍左右,占总投资比例也上升到55%-60%,但由于城市里面人口密集,线行紧缺,架空线路跟城市化发展进程不能相适应,所以相信在随着经济发展在往后的时间里面,输电线路电缆敷设也会成为主流趋势。
根据设备材料占工程造价的比例,可以得出控制设备材料造价是控制城市区域输电线路造价的首要关键。
建设单位可以根据实际情况实行物资集中采购,输电设备市场日
趋成熟,规模效益显著提升,也使得物资采购价格不断下降。
另外,设备国产化政策在电力行业中的大力贯彻也有效降低了设备产品
价格水平。
举个例子,2003年以前,广东的高压电缆附件使用多为进口产品,自2003年开始,广东电网公司大力支持国产电缆附件推广使用,截止2010年底,广东电网公司中标的110千伏及以上电缆附件中,选用了国产电缆附件85%,也使电缆的价格大幅度下降,可见设备国产化在打破国外产品技术垄断的同时,也使产品市场价格更加合理。
电网公司还可以根据设备原材料的价格波动特点,对设备进行提前采购和分散时间供货,由于电网建设有明显周期性,往往造成了以铜铝等金属为主要原材料的输电设备在供货集中时期价格上涨,所以可以考虑采用提前统一采购,再分散时间供货,以降低原材料价格波动对工程造价影响。
跟据统计显示,在2006-2010年期间,由于国产化设备和集中招标的影响,电缆等主要输电线路建设物资价格平均下降幅度达38%。
设备价格降低,工程造价也因此得到有效控制。
另一方面,2006年以来,全国城市土地成本大幅上涨,随着和谐社会的建设和城市区规划的约束,各地纷纷出台的房屋拆迁、破路修复赔偿等补偿标准逐年上升,造成工程的赔偿成本的不断攀升,带动线路工程拆迁赔偿费用不断上涨。
以前在线路工程中,材料采购占总投资35%-55%,建筑安装费用约占20%-25%左右。
一般情况
下,征地拆迁赔偿费用约占线路工程总体成本的10%-15%,但随着近年来线路走廊施工补偿费用越来越高,原本份额较小的赔偿费用快速上升占据总成本的50%左右,并有扩大之势。
原水利电力部计划司司长吴敬儒表示,从外部条件来说,现在的征地、拆迁费用越来越高,发电和输变电建设都是如此,但程度大有不同,毕竟一条线比一个点会遇到更多的问题。
从内部条件来说,输变电工程中设备材料成本占工程造价的比重肯定要比发电工程大得多,这是由其产业性质来决定的。
因此,在合理控制工程造价这方面,电网企业比起发电企业来说环境复杂得多,也严格得多,有许多条件是无从控制的。
例如珠三角地区某市建设一条四回路220kv线路,全长20.8km,工程总投资2.86亿元,但是由于线路走廊经过大量居民住宅、厂房及办公场所,场地征用、拆迁赔偿费用高达1.88亿元,竟占总工程投资的70%,每千米征地建场费用超过800万元。
而且,这个案例并不是一个特殊例子,越来越多的拆迁征地赔偿问题成为了线路发展推广的重要障碍。
2006-2010年间,由于全球的经济衰退,国际金融危机等因素影响,导致国内经济增长放缓,国家通过投资4万亿元基础设施建设拉动经济发展,短时间大规模的基建投入不但使得施工原材料价格随之上涨,由于施工人手缺乏,导致很多项目不断提高工资吸引施工人员,施工人力成本也随即上升。
以珠三角地区为例,一个普工成本由2006年的40-50元/工日上升到2011年120-150元/工日,
然而预算定额依然保持着较低的水平,城市化区域输电线路施工很大程度上仍然依赖着大量的人力施工,特别是大型机械不能进入的城市密集区域,没有了机械的协助,人力数量就需要增加,高昂的人力成本也极大地增加了电网工程建设难度。
此外,通货膨胀这个问题对于输电线路工程造价的影响不容小视。
在对工程造价进行分析时,有必要剔除通货膨胀因素,才能反映真实的造价水平。
剔除了通货膨胀这个因素的影响,2010年与2006年相比,线路工程造价水平基本持平,如果再剔除征地拆迁补偿费用的上涨因素,线路工程造价呈下降趋势。
这反映了“十一五”期间,国家电网公司将整体造价水平控制在合理范围内,做到了工程造价稳中有降。
输电线路建设部门作为国家重要的公用事业企业,也必须致力于服务资源节约型、环境友好型社会建设,切实地履行环保节能责任,提升至管理水平。
这就意味着输电线路工程发展既要与经济、社会发展相适应,又要与生态环境相和谐。
例如现在城市线路工程中,很多时候采用高塔跨越,最大限度的减少了对附近环境的影响,减少水土流失;为了满足城市空间美观的需要,更多采用电缆线路,释放城市空间资源。
这些手段和措施在保护环境、节约资源、提高输变电工程正面社会效应等方面成效显著,但同时也不可避免的导致了输电线路工程单位造价的上涨。
在众多内外部因素的影响与作用下,输电线路工程造价控制面临
着巨大的压力。
面对日益复杂的内外部环境,输电线路建设部门应该采取一系列积极有效的策略与措施,消化各种不利因素,将工程造价和投资控制的理念贯穿于工程建设的全过程,有效控制工程成本。
参考文献:
[1] 邵锐王哲赵洋,输电线路工程影响工程造价的风险因素控制浅析[j].现代经济信息,2011.17。