【CN209985217U】一种航空发动机试车台尾气后处理装置【专利】
- 格式:pdf
- 大小:454.41 KB
- 文档页数:11
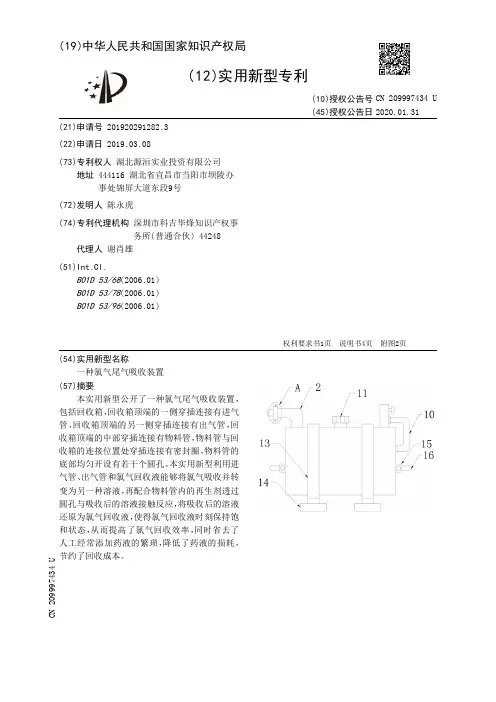
(19)中华人民共和国国家知识产权局(12)实用新型专利(10)授权公告号 (45)授权公告日 (21)申请号 201920291282.3(22)申请日 2019.03.08(73)专利权人 湖北源洹实业投资有限公司地址 444116 湖北省宜昌市当阳市坝陵办事处锦屏大道东段9号(72)发明人 陈永虎 (74)专利代理机构 深圳市科吉华烽知识产权事务所(普通合伙) 44248代理人 谢肖雄(51)Int.Cl.B01D 53/68(2006.01)B01D 53/78(2006.01)B01D 53/96(2006.01)(54)实用新型名称一种氯气尾气吸收装置(57)摘要本实用新型公开了一种氯气尾气吸收装置,包括回收箱,回收箱顶端的一侧穿插连接有进气管,回收箱顶端的另一侧穿插连接有出气管,回收箱顶端的中部穿插连接有物料管,物料管与回收箱的连接位置处穿插连接有密封圈,物料管的底部均匀开设有若干个圆孔。
本实用新型利用进气管、出气管和氯气回收液能够将氯气吸收并转变为另一种溶液,再配合物料管内的再生剂透过圆孔与吸收后的溶液接触反应,将吸收后的溶液还原为氯气回收液,使得氯气回收液时刻保持饱和状态,从而提高了氯气回收效率,同时省去了人工经常添加药液的繁琐,降低了药液的损耗,节约了回收成本。
权利要求书1页 说明书4页 附图2页CN 209997434 U 2020.01.31C N 209997434U权 利 要 求 书1/1页CN 209997434 U1.一种氯气尾气吸收装置,包括回收箱(1),其特征在于:所述回收箱(1)顶端的一侧穿插连接有进气管(2),所述回收箱(1)顶端的另一侧穿插连接有出气管(3),所述回收箱(1)顶端的中部穿插连接有物料管(4),所述物料管(4)与回收箱(1)的连接位置处穿插连接有密封圈(12),所述物料管(4)的底部均匀开设有若干个圆孔(5)。
2.根据权利要求1所述的一种氯气尾气吸收装置,其特征在于:所述进气管(2)的一端固定穿插连接有连接管(7),所述进气管(2)一端的对称设有两个抱箍(8),两个所述抱箍(8)的顶部和底部均穿插连接有紧固螺栓(9)。
(19)中华人民共和国国家知识产权局(12)实用新型专利(10)授权公告号 (45)授权公告日 (21)申请号 201920241926.8(22)申请日 2019.02.26(73)专利权人 康明斯排放处理系统(中国)有限公司地址 100102 北京市大兴区北京经济技术开发区荣昌东街2号(72)发明人 王忠宁 陈凯俊 赵耀 曾金山 李媛媛 (74)专利代理机构 上海一平知识产权代理有限公司 31266代理人 唐雪娇 须一平(51)Int.Cl.F01N 13/18(2010.01)F01N 13/00(2010.01)(54)实用新型名称一种U型后处理系统支架(57)摘要本实用新型公开了一种U型后处理系统支架,所述支架用于固定U型后处理系统,其特征在于,所述支架包括:支架本体,第一组两个卡箍和第二组两个卡箍;所述支架本体包括第一部分、第二部分和第三部分;所述第一组两个卡箍同轴的连接在支架本体第一部分,限定了第一中心轴L1,所述第二组两个卡箍同轴的连接在所述支架本体第二部分,限定第二中心轴L2,且第一中心轴L1和第二中心轴L2平行;所述第三部分将支架本体的第一部分和第二部分连接固定。
所述支架能够多点固定后处理各个模块及整车连接固定一体化设计,又能够安装各种传感器模块,同时集成整个后处理系统的吊装点,且结构简单、轻量化。
权利要求书1页 说明书5页 附图3页CN 209586493 U 2019.11.05C N 209586493U权 利 要 求 书1/1页CN 209586493 U1.一种U型后处理系统支架,所述支架用于固定U型后处理系统,其特征在于,所述支架包括:支架本体,第一组两个卡箍和第二组两个卡箍;所述支架本体包括第一部分、第二部分和第三部分;所述第一组两个卡箍同轴的连接在支架本体第一部分,限定了第一中心轴L1,所述第二组两个卡箍同轴的连接在所述支架本体第二部分,限定第二中心轴L2,且第一中心轴L1和第二中心轴L2平行;所述第三部分将支架本体的第一部分和第二部分连接固定。
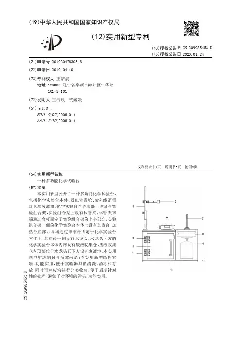
(19)中华人民共和国国家知识产权局(12)实用新型专利(10)授权公告号 (45)授权公告日 (21)申请号 201920476305.8(22)申请日 2019.04.10(73)专利权人 王洁晨地址 123000 辽宁省阜新市海州区中华路101-5-101(72)发明人 王洁晨 贺媛媛 (51)Int.Cl.B01L 9/02(2006.01)A61L 2/10(2006.01)(54)实用新型名称一种多功能化学试验台(57)摘要本实用新型公开了一种多功能化学试验台,包括化学实验台本体、器皿消毒舱、紫外线消毒灯以及废液桶,化学实验台本体顶部一侧设有实验组合架,实验组合架上设有试管夹,试管夹末端通过套杆固定于实验组合架的上半部分,实验组合架一侧的化学实验台本体上设有加热台,加热台底部四周均通过伸缩杆固定于化学实验台本体上,加热台一侧设有水龙头,水龙头下方的化学实验台本体内部设有废液收集仓,废液收集仓内顶部位于水龙头正下方设有废液池,本实用新型所达到的有益效果是:本实用新型结构紧凑,功能实用,便于实验器具的清洗、消毒和存放,同时可将废液进行分类收集,便于后期针对性的处理,避免了对环境的污染,功能实用。
权利要求书1页 说明书3页 附图2页CN 209985453 U 2020.01.24C N 209985453U权 利 要 求 书1/1页CN 209985453 U1.一种多功能化学试验台,其特征在于,包括化学实验台本体(1)、器皿消毒舱(12)、紫外线消毒灯(16)以及废液桶(14),所述化学实验台本体(1)顶部一侧设有实验组合架(4),所述实验组合架(4)上设有试管夹(5),所述试管夹(5)末端通过套杆固定于实验组合架(4)的上半部分,所述实验组合架(4)一侧的化学实验台本体(1)上设有加热台(6),所述加热台(6)底部四周均通过伸缩杆固定于化学实验台本体(1)上,所述加热台(6)一侧设有水龙头(7),所述水龙头(7)下方的化学实验台本体(1)内部设有废液收集仓(9),所述废液收集仓(9)内顶部位于水龙头(7)正下方设有废液池(8),所述废液池(8)底部位于化学实验台本体(1)内部一侧设有废液桶(14),所述化学实验台本体(1)内另一侧设有器皿消毒舱(12),所述器皿消毒舱(12)内部均匀设有若干消毒网架(13),最顶部的所述消毒网架(13)上方设有紫外线消毒灯(16),所述器皿消毒舱(12)外侧位于化学实验台本体(1)正面设有消毒柜柜门(2),所述化学实验台本体(1)底部设有试验台防滑底座(10)。
(19)中华人民共和国国家知识产权局
(12)实用新型专利
(10)授权公告号
(45)授权公告日
(21)申请号 201920431187.9
(22)申请日 2019.04.01
(73)专利权人 华盛企业发展(深圳)有限公司
地址 518131 广东省深圳市龙华新区龙华
街道东环二路48号
(72)发明人 梁敏媛 梁旭豪 周建罗
(74)专利代理机构 深圳市精英专利事务所
44242
代理人 龙丹丹
(51)Int.Cl.
B01D 53/94
(2006.01)
B01D 53/92
(2006.01)
B01D 53/56
(2006.01)
B01D 53/50
(2006.01)
(54)实用新型名称
一种航空发动机试车台尾气后处理装置
(57)摘要
本实用新型公开了一种航空发动机试车台
尾气后处理装置,包括:尾气处理组件,尾气处理
组件的一端连接有发动机排气入口,另一端连接
有排气烟道,尾气处理组件包括催化剂安装段,
靠近发动机排气入口的一侧设置有双层圆锥形
混合器,双层圆锥形混合器连接有冷却水入口和
尿素水入口。该装置处理结构合理、处理效率高,
适用于处理排放量大、温度、流速高的航空发动
机尾气,降低对大气的污染,可广泛应用于涡桨、
涡轴、涡扇、涡喷等航空发动机试车台,以及以燃
油为燃料的燃气轮机试车台和以燃气轮机为动
力的发电机组,用以降低尾气中的有害气体排
放。
权利要求书1页 说明书5页 附图4页
CN 209985217 U
2020.01.24
C
N
2
0
9
9
8
5
2
1
7
U
1.一种航空发动机试车台尾气后处理装置,其特征在于,包括:尾气处理组件,所述尾
气处理组件的一端连接有发动机排气入口,另一端连接有排气烟道,所述尾气处理组件包
括催化剂安装段,所述尾气处理组件靠近发动机排气入口的一侧设置有混合器,所述混合
器连接有冷却水入口和尿素水入口。
2.根据权利要求1所述的航空发动机试车台尾气后处理装置,其特征在于,所述催化剂
安装段包括沿远离所述发动机排气入口方向顺次设置的第一级三元催化剂载体安装段、第
二级三元催化剂载体安装段和脱硫剂载体安装段。
3.根据权利要求2所述的航空发动机试车台尾气后处理装置,其特征在于,所述尾气处
理组件还包括天方地圆进气段和天方地圆出气段,所述天方地圆进气段连接于所述发动机
排气入口,所述天方地圆出气段连接于所述排气烟道,所述催化剂安装段设置于所述天方
地圆进气段和天方地圆出气段之间。
4.根据权利要求3所述的航空发动机试车台尾气后处理装置,其特征在于,所述混合器
为双层圆锥形混合器,所述双层圆锥形混合器壁面分布有通孔,所述双层圆锥形混合器与
所述发动机排气入口连接。
5.根据权利要求4所述的航空发动机试车台尾气后处理装置,其特征在于,所述天方地
圆出气段和排气烟道之间设置有排气过渡段,所述排气过渡段底部设置有排水阀。
6.根据权利要求5所述的航空发动机试车台尾气后处理装置,其特征在于,所述天方地
圆进气段和天方地圆出气段分别安装有温度传感器和压力传感器。
7.根据权利要求6所述的航空发动机试车台尾气后处理装置,其特征在于,所述第一级
三元催化剂载体安装段、第二级三元催化剂载体安装段均包括第一吊挂机构,所述第一吊
挂机构底部顺次连接有护板和载体保护套,所述载体保护套内设置有载体防震棉和三元催
化剂载体。
8.根据权利要求7所述的航空发动机试车台尾气后处理装置,其特征在于,脱硫剂载体
安装段包括第二吊挂机构,所述第二吊挂机构底部设置有吊篮所述吊篮顶部设置有工艺挡
板。
9.根据权利要求8所述的航空发动机试车台尾气后处理装置,其特征在于,所述发动机
排气入口、天方地圆进气段、催化剂安装段、天方地圆出气段顺次通过螺钉连接。
10.根据权利要求9所述的航空发动机试车台尾气后处理装置,其特征在于,所述尿素
水入口连接有尿素泵;所述第一级三元催化剂载体安装段、第二级三元催化剂载体安装段
和脱硫剂载体安装段底部设置有滚轮。
权 利 要 求 书
1/1页
2
CN 209985217 U