浙江省机械制造行业安全生产标准化企业考核评定表
- 格式:doc
- 大小:528.00 KB
- 文档页数:41
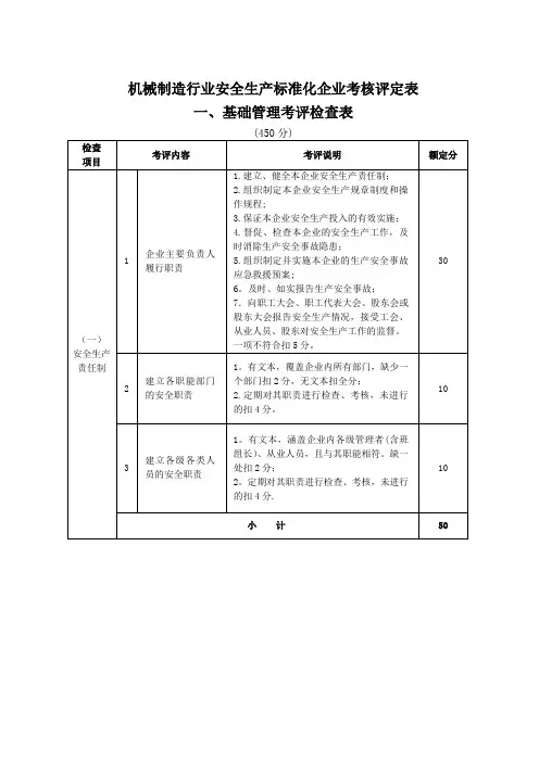
机械制造行业安全生产标准化企业考核评定表一、基础管理考评检查表(450 分)企业主要负责安全生人履行职责产责任制1.建立、健全本企业安全生产责任制;2.组织制定本企业安全生产规章制度和操作规程;3.保证本企业安全生产投入的有效实施;4.督促、检查本企业的安全生产工作,及时消除生产安全事故隐患;5.组织制定并实施本企业的生产安全事故应急救援预案;6.及时、如实报告生产安全事故;7.向职工大会、职工代表大会、股东会或股东大会报告安全生产情况,接受工会、从业人员、股东对安全生产工作的监督。
一项不符合扣5分。
3023检查项目建立各职能部门的安全职责建立各级各类人员的安全职1.有文本,覆盖企业内所有部门,缺少一个部门扣2分,无文本扣全分;102.定期对其职责进行检查、考核,未进行的扣4分。
1.有文本,涵盖企业内各级管理者(含班组长)、从业人员,且与其职能相符。
缺一处扣2 分;2.定期对其职责进行检查、考核,未进行的扣4分。
考评内容考评说明1050额定分安全生 理;产规章 制度 理;征.心、5(8) 理;(9) 企业应建立以下规章制 度:(1)安全生产工作例会; (2)安全生产教育和培训;(3);安全生产检查及事故隐患的整改;(4)设施、设备的维护、保养、检测;危险作业的现场管劳动防护用品的管安全生产责任和奖 安全生产台帐的管应急救援措施;(10)生产安全事故的报告和调查处理。
查看文本,每少一种扣 4分,其中缺(3)扣8分。
35建立其他保障安全生产的查看文本,一处不符合扣2安全生产投入规章制度分。
规章制度符合国家法律法规和标准的要求。
建立安全生产保障制所有规章制度中出现一处不符合扣1分。
一项不符合扣4分。
度,按国家、省、市有关规定提取安全生产专项费用建立安全生产专项费用台帐,做到专款专用依法参加工伤社会保险,为从业人员交纳工伤保险费4515(四)安全生安全生产管理机构和产机构网络与人员1.企业应建立安全生产委员会或领导小组,未建立扣5分,未开展工作扣2分;2.企业应依法设置相应的管理机构及配备安全管理人员,且有管理职能,无机构、人员扣5分,无管理职能扣2分;3.安全管理人员应参加企业内各种涉及安全生产的会议和有关决策决定,查会议记录,不合格扣2 分;4.企业工会应履行监督职能,个部门不合格扣1分。
机械制造企业安全质量标准化考评检查表一、基础管理考评检查表(计230分)安全生产责任制考评检查表评审人员(签名) 黄仙园2015年12月25日职业安全健康规章制度考评检查表评审人员(签名) 黄仙园2015年12月25日规划与年度计划考评检查表机构与人员考评检查表评审人员(签名)黄仙园2015年12月25日职业安全健康教育考评检查表事故管理考评检查表评审人员(签名) 黄仙园2015年12月25日“三同时”管理考评检查表班组安全管理考评检查表注:累计少于80分为不合格班组,发生轻伤以上事故扣全分。
不合格班组数计分方法:实得分=100-⨯1212⨯.0抽查班组数评审人员(签名) 黄仙园2015年12月25日特种设备及人员安全管理考评检查表评审人员(签名) 黄仙园2015年12月25日现场监督检查考评检查表评审人员(签名) 黄仙园2015年12月25日危险源管理考评检查表评审人员(签名) 黄仙园2015年12月25日评审人员(签名) 黄仙园2015年12月25日二、设备设施安全考评检查表(计600分)工业气瓶考评检查表危险化学品库考评检查表评审人员(签名) 黄仙园2015年12月25日油库、油罐考评检查表液化气站考评检查表评审人员(签名) 黄仙园2015年12月25日评审人员(签名) 黄仙园2015年12月25日评审人员(签名) 黄仙园2015年12月25日乙炔发生站考评检查表空压机考评检查表木料场所考评检查表工厂建筑考评检查表评审人员(签名) 黄仙园2015年12月25日涂装作业场所考评检查表No.214序号 考评内容考评说明应得分 实得分 备注 1 电器设施达到防爆要求 一处不合格扣该项目应得分值,多个涂装作业场所取平均值。
3 3 2 作业场所具有良好通风4 4 3 作业场所涂料存量符合要求 2 2 4 消防设施完备、安全标志醒目3 3 5 作业场所有隔离措施,防火间距、地面符合要求3 3 合计1515锻造机械考评检查表No.215序号 考评内容考评说明应得分实得分扣分说明1 上下砧不松动,销、楔坚固 任意一条不合格者,则判该台为不合格。
机械制造行业安全生产标准化企业考核评定表
一、基础管理考评检查表
二、设备设施考评检查表
三、作业环境考评检查表
机械制造企业安全生产标准化达标
自评汇总表单位:
注:汇总表中“考评内容”无此项的,相应记录栏目请填“/"号。
自评得分
日期: 200 年月日注:单元得分=实得分×应得分÷(应得分-空项分)
附件一:
机械制造企业安全生产标准化达标
复评汇总表
注:汇总表中“考评内容”无此项的,相应记录栏目请填“/”号。
评审得分
日期:200 年月日注:单元得分=实得分×应得分÷(应得分-空项分)。
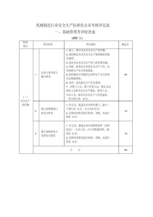
浙江省机械制造行业安全生产标准化企业考核评定表一、基础管理考评检查表(450分)检查项目考评内容考评说明额定分(一)安全生产责任制1 企业主要负责人履行职责1.建立、健全本企业安全生产责任制;2.组织制定本企业安全生产规章制度和操作规程;3.保证本企业安全生产投入的有效实施;4.督促、检查本企业的安全生产工作,及时消除生产安全事故隐患;5.组织制定并实施本企业的生产安全事故应急救援预案;6.及时、如实报告生产安全事故,一项不符合扣5分。
30 2 建立各职能部门的安全职责1.有文本,覆盖企业内所有部门,缺少一个部门扣2分,无文本扣全分;2.定期对其职责进行检查、考核,未进行的扣4分。
10 3建立各级各类人员的安全职责1.有文本,涵盖企业内各级管理者(含班组长)、从业人员,且与其职能相符。
缺一处扣2分;2.定期对其职责进行检查、考核,未进行的扣4分。
10小计50(二)安全生产规章制度1企业应建立以下规章制度:(1)安全生产检查制度(2)安全生产教育培训制度(3)安全生产考核、奖惩制度(4)工伤事故管理制度企业应建立以下规章制度:(5)设备设施安全管理制度(6)现场安全管理制度(7)电气安全管理制度(8)劳动防护用品管理制度(9)安全投入保障制度(10)安全例会制度(11)消防安全管理制度查看文本,每少一种扣4分,扣完本项分为止。
查看文本,每少一种扣4分,其中缺(3)扣8分。
3535 2规章制度符合国家法律法规和标准的要求。
所有规章制度中出现一处不符合扣1分。
5小计40(三)安全生产投入1建立安全生产保障制度,按国家、省、市有关规定提取安全生产专项费用每项5分,未提取安全生产专项费用扣5分。
未建立台账扣3分,未专款专用扣2分。
未参加工伤保险,扣4 分,保险少1人扣1 分,小项分扣完为止。
未提供或提供不符合标准规定扣5分,每少配备1人扣1分,本大项分扣完为止。
20 2 建立安全生产专项费用台帐,做到专款专用3 依法参加工伤社会保险,为从业人员交纳工伤保险费4 为从业人员提供符合国家标准或行业标准的劳动防护用品小计20(四)安全生产机构与人员1 安全生产管理机构和网络1.企业应建立安全生产委员会或领导小组,未建立扣5分,未开展工作扣2分;2.企业应依法设置相应的管理机构及配备安全管理人员,且有管理职能,无机构、人员扣5分,无管理职能扣2分;3.安全管理人员应参加企业内各种涉及安全生产的会议和有关决策决定,查会议记录,不合格扣2分;4.企业工会应履行监督职能,一个车间不合格扣1分。