氨基葡萄糖盐酸盐分析方法比较
- 格式:doc
- 大小:88.00 KB
- 文档页数:5
h t t p ://X B Y Z .c b pt .c n k i .n e t ㊃药物分析㊃盐酸氨基葡萄糖颗粒的含量测定方法研究但晓梦,谢育媛,郭江红*,姜 红*湖北省药品监督检验研究院,国家药品监督管理局血液制品质量控制重点实验室,武汉 430073摘要:目的 分析盐酸氨基葡萄糖颗粒剂中辅料蔗糖㊁乳糖等对主药氨基葡萄糖质量控制的影响,建立测定盐酸氨基葡萄糖颗粒剂含量的高效液相色谱法(h i g h p e r f o r m a n c e l i q u i d c h r o m a t o g r a p h y,H P L C ),并提高其质量标准㊂方法 采用H P L C -紫外检测法㊂色谱柱为C A P C E L L P A K N H 2柱(150mmˑ4.6mm ,3μm );以磷酸盐缓溶液(取磷酸氢二钾3.5g ,加水1000m L 使溶解,加入0.25m L 氨水,用磷酸调节p H 值至7.5)-乙腈(25ʒ75)为流动相;流速为1.5m L ㊃m i n -1;检测波长为195n m ;进样量为20μL ㊂结果 采用优化后的质量控制方法,能有效分离盐酸氨基葡萄糖颗粒中主药氨基葡萄糖与其辅料(蔗糖㊁乳糖㊁聚维酮K 30),盐酸氨基葡萄糖质量浓度在1.46~10.99m g㊃m L -1范围内与峰面积呈良好的线性关系(r =0.9991),平均回收率为100.6%,R S D 值为0.5%,检测下限和定量限为0.4和1.0μg㊂结论 该方法能准确测定盐酸氨基葡萄糖颗粒含量,方法简便㊁准确㊁专属性强㊂关键词:盐酸氨基葡萄糖颗粒;质量控制;含量测定;高效液相色谱法D O I :10.3969/j.i s s n .1004-2407.2022.02.006中图分类号:R 927.2 文献标志码:A 文章编号:1004-2407(2022)02-0027-04S t u d y o f t h e c o n t e n t d e t e r m i n a t i o n m e t h o d o f G l u c o s a m i n e H yd r o c h l o r i de G r a n u l e s D A N X i a o m e n g ,X I E Y u y u a n ,G U O J i a n g h o n g *,J I A N G H o n g*H u b e i I n s t i t u t e f o r D r u g C o n t r o l ,NM P A K e y L a b o r a t o r y f o r Q u a l i t y Co n t r o l o f B l o o d P r o d u c t s ,W u h a n 430073,C h i n a A b s t r a c t :O b j e c t i v e T o a n a l y z e t h e e f f e c t s o f s u c r o s e a n d l a c t o s e e x c i p i e n t s o n t h e q u a l i t y c o n t r o l o f G l u c o s a m i n e H yd r o c h l o r i de G r a n u l e s ,e s t a b l i s h a h i g h p e rf o r m a n c e l i q u i d c h r o m a t og r a ph y (H P L C )m e t h o d f o r d e t e r mi n i n g th e c o n t e n t o f G l u c o s a m i n e H y d r o c h l o r i d e G r a n u l e s ,a n d t o i m p r o v e i t s s t a n d a r d .M e t h o d s H P L C c o u p l e d w i t h u l t r a -v i o l e t s p e c t r o m e t r y w a s u s e d b y u s i n gL u n a N H 2c o l u m n (150mmˑ4.6mm ,3μm ),a n d t h e m o b i l e p h a s e w a s a mm o n i u m p h o s p h a t e b u f f e r (d i s s o l v i n g d i po t a s s i u m p h o s p h a t e 3.5g a n d a mm o n i u m h y d r o x i d e 0.25m L i n t o 1000m L w a t e r ,a d j u s t i n g t h e p H t o 7.5w i t h p h o s ph o r i c a c i d )-a c e t o n i t r i l e (25ʒ75).T h e f l o w r a t e w a s 1.5m L ㊃m i n -1a n d t h e d e t e c t i o n w a v e l e n g t h w a s s e t a t 195n m.T h e i n je c t i o n v o l u m e w a s 20μL .R e s u l t s T h e o p t i m i z e d q u a l i t y c o n t r o l m e t h o d w a s a d o p t e d ,w h i c h c o u l d ef f e c t i v e l y s e p a r a t e t h e m a i n c o m po n e n t s o f G l u c o s a m i n e H y d r o c h l o r i d e G r a n u l e s a n d i t s e x c i p i e n t s ,s u c r o s e ,l a c t o s e a n d K 30.T h e l i n e a r r a n g e o f g l u c o s a m i n e h yd r o c h l o r i de w a s 1.46-10.99m g ㊃m L -1(r =0.9991),a n d t h e a v e r a g e r e c o v e r y wa s 100.6%(R S D=0.5%).T h e d e t e c t i o n l i m i t a n d q u a n t i t a t i v e l i m i t w e r e 0.4a n d 1.0μg ,r e s p e c t i v e l y .C o n c l u s i o n T h e m e t h o d c a n e f f e c t i v e l y de t e r m i n e t h e c o n t e n t of G l u c o s a m i n e H y d r o c h l o r i d e G r a n u l e s ,w h i c h i s s i m pl e ,a c c u r a t e a n d r e l i a b l e .K e y wo r d s :G l u c o s a m i n e H y d r o c h l o r i d e G r a n u l e s ;q u a l i t y c o n t r o l ;c o n t e n t d e t e r m i n a t i o n ;h i g h p e r f o r m a n c e l i q u i d c h r o m a t o g r a -p h y (H P L C )基金项目:国家药典委员会标准提高项目(编号:国药典综发 2016 183号);湖北省药品监督管理局科研项目(编号:20200117)作者简介:但晓梦,女,主管药师*共同通信作者:郭江红,女,副主任药师;姜红,女,主任药师盐酸氨基葡萄糖是人体关节软骨基质合成蛋白聚糖必需的重要成分,主要用于预防和治疗各种类型的骨性关节炎,如膝关节㊁髋关节㊁脊柱㊁肩㊁手腕和踝关节等部位以及全身性的骨性关节炎[1-3]㊂氨基葡萄糖是软骨基质和滑液中合成氨基葡聚糖和蛋白聚糖的组分和首选底物㊂氨基葡萄糖可刺激软骨细胞产生具有正常多聚体结构的糖蛋白,抑制损害关节软骨的酶(如胶原酶和磷脂酶A 2等)的活性,抑制损伤细胞的超氧化物自由基的产生,从而减少损伤细胞内毒素因子的释放㊂又因其属于生物提取物质,故安全性较高,不良反应极少,因而被广泛用于医药及保健食品领域,用于治疗全身各种骨性关节炎[4-6]㊂随着人们对身体健康重视程度的逐年提高,盐酸氨基葡萄糖类药物应用于治疗骨性关节炎的使用量也随之显著增长㊂近年来,盐酸氨基葡萄糖类药物上市剂型由经典的胶囊剂㊁普通片剂衍生出了更多的剂型,如颗粒剂㊁散剂㊁泡腾片剂,提示该类药物的市场需求量较大[7-8]㊂通过检索国家食品药品监督管理局网站上的基础数据库可知,盐酸氨基葡萄糖颗粒在国内有2家生产企业,分别为企业A (企业注册标准Y B H 02202009)和企业B (企业注册标准Y B H 00352014)㊂企业A 生产的盐酸氨基葡萄糖颗粒的辅料为蔗糖㊁聚维酮K 30,企业B 的辅料为蔗糖㊁聚维酮K 30㊁乳糖等㊂现阶段氨基葡萄糖类药物国家质量标准尚未统一[9-13],相关生72西北药学杂志 2022年3月 第37卷 第2期产企业仅凭各自的企业注册标准对氨基葡萄糖类药物进行检测,而其中含量测定等关键项目质量控制方法差异较大且并不适用于盐酸氨基葡萄糖颗粒剂的检测,主要原因在于盐酸氨基葡萄糖颗粒剂的辅料中包含蔗糖㊁乳糖等物质,均为小分子糖类,在企业注册标准中含量测定色谱条件下较难分离,故不能有效控制产品含量[14-16]㊂因此,亟待对盐酸氨基葡萄糖颗粒标准进行深入研究㊂1仪器与试药1.1仪器W a t e r s e2695A l l i a n c e高效液相色谱仪,包括柱温箱㊁在线真空脱气机㊁2489紫外检测器以及E m p o w e r色谱工作站(美国W a t e r s公司);X P205电子天平(梅特勒-托利多公司)㊂1.2试药盐酸氨基葡萄糖颗粒(企业A,批号12A170303㊁12A170304;企业B,批号190202㊁190204㊁190205)㊂盐酸氨基葡萄糖对照品(批号140649-201606,质量分数100%,中国食品药品检定研究院);盐酸氨基葡萄糖原料药(批号1803-2018-H020,浙江诚意药业有限公司);蔗糖(批号20190409,嘉兴市白浪淀粉制品有限公司);聚维酮K30(批号200816,安徽山河药用辅料有限公司);乳糖(批号200801,企业A);氯化钠㊁磷酸氢二钾㊁氨水㊁磷酸(分析纯,国药集团化学试剂有限公司);乙腈(色谱纯,美国T e d i a天地试剂公司);水为超纯水㊂2方法与结果2.1色谱条件色谱柱:C A P C E L L P A K N H2柱(150mmˑ4.6mm,5μm);流动相:磷酸盐溶液(取磷酸氢二钾3.5g,加水1000m L使溶解,加入0.25氨水,用磷酸调p H值至7.5)-乙腈(25ʒ75);流速:1.5m L㊃m i n-1;进样量:20μL;柱温:30ħ;检测波长:195n m㊂2.2溶液的制备2.2.1空白辅料定位溶液蔗糖溶液:精密称取蔗糖213.0m g,置于10m L量瓶中,加水使其溶解并稀释至刻度,摇匀,过滤,取续滤液稀释至质量浓度为10m g㊃m L-1,即得㊂聚维酮K30溶液:精密称取聚维酮K30205.1m g,置于10m L量瓶中,加水使其溶解并稀释至刻度,摇匀,过滤,即得㊂乳糖溶液:精密称取乳糖112.5m g,置于10m L量瓶中,加水使其溶解并稀释至刻度,摇匀,过滤,即得㊂2.2.2氯离子(C l-)溶液精密称取12.8m g氯化钠置于10m L量瓶中,加水使其溶解并稀释至刻度,摇匀,作为C l-定位溶液㊂2.2.3供试品溶液精密称取盐酸氨基葡萄糖颗粒粉末(相当于氨基葡萄糖约200m g),置于50m L量瓶中,加水使其溶解并稀释至刻度,摇匀,过滤,取续滤液作为供试品溶液㊂2.2.4对照品溶液精密称取盐酸氨基葡萄糖对照品,加水使其溶解并定量稀释制成每1m L中约含盐酸氨基葡萄糖4.0m g的溶液㊂2.3专属性实验精密量取2.2.1~2.2.4项下的溶液各20μL,按照2.1项下色谱条件测定,记录色谱图㊂在上述色谱条件下,盐酸氨基葡萄糖颗粒剂中成盐离子氯离子(R t=2.30m i n)㊁辅料蔗糖(R t=11.14m i n)㊁乳糖(R t=15.96m i n,倒峰)及聚维酮K30(R t=1.26m i n)对氨基葡萄糖(R t=13.05m i n)的测定均无干扰㊂结果见图1㊂注:A.溶剂空白;B.盐酸氨基葡萄糖颗粒供试品溶液;C.C l-;D.蔗糖;E.乳糖;F.聚维酮K30;1.氨基葡萄糖;2.C l-;3.蔗糖;4.乳糖;5.聚维酮K30㊂图1盐酸氨基葡萄糖颗粒含量测定系统适用性H P L C图F i g.1H P L C c h r o m a t o g r a m s o f s y s t e m s u i t a b i l i t y t e s t o f t h e c o n t e n t d e t e r m i n a t i o n m e t h o d o fG l u c o s a m i n eH y d r o c h l o r i d e G r a n u l e s 82西北药学杂志2022年3月第37卷第2期h t t p://X B Y Z.c b p t.c n k i.n e t2.4线性关系考察精密称取盐酸氨基葡萄糖对照品146.64m g,置于10m L量瓶中,加水使其溶解并稀释至刻度,摇匀,配制成含盐酸氨基葡萄糖质量浓度为14.6m g㊃m L-1的溶液,作为储备液㊂分别量取储备液适量,用水稀释制成1m L含盐酸氨基葡萄糖1.46㊁3.66㊁5.86㊁7.33㊁8.79㊁10.99m g的溶液,分别吸取上述溶液各20μL 注入液相色谱仪,记录色谱图㊂以峰面积为纵坐标(y)㊁质量浓度为横坐标(x)进行线性回归㊂结果表明,盐酸氨基葡萄糖质量浓度在1.46~10.99m g㊃m L-1范围内时,与峰面积呈良好的线性关系㊂回归方程为y=277074x-12990,R=0.9991㊂2.5检测限与定量限实验精密称取盐酸氨基葡萄糖对照品17.63m g,置于5m L量瓶中,加水使其溶解并稀释至刻度,摇匀;再精密量取上述溶液1m L,置于25m L量瓶中,用水稀释至刻度,摇匀,在H P L C色谱仪检测器稳定操作的条件下进样8μL,所得信噪比(S/N)为13.2,即定量限为1.1 g㊂在高效液相色谱仪检测器稳定操作的条件下进样上述溶液3 L,所得信噪比(S/N)为3.1,即定量限为0.4 g㊂2.6精密度实验取盐酸氨基葡萄糖颗粒适量,用水配制成质量浓度约为4m g㊃m L-1的盐酸氨基葡萄糖溶液,重复进样测定6次,记录其峰面积㊂计算得R S D值为0.2%,表明该方法的精密度良好㊂2.7加样回收率实验取盐酸氨基葡萄糖颗粒(企业B,批号190205) 2.6356g,加水300m L使其溶解并稀释至刻度(盐酸氨基葡萄糖的质量浓度为2.0m g㊃m L-1),摇匀,作为盐酸氨基葡萄糖颗粒回收率本底溶液㊂用于精密配制含盐酸氨基葡萄糖对照品(质量浓度4m g㊃m L-1) 80%㊁100%㊁120%3种不同的9份模拟样品,扣除回收率本底溶液后已知药物的质量浓度分别约为3.2㊁4.0㊁4.8m g㊃m L-1,作为加样回收率供试品溶液㊂按照拟定的含量测定方法测定;另取盐酸氨基葡萄糖对照品104.2m g,置于25m L量瓶中,加水使其溶解并稀释至刻度,摇匀,作为对照品溶液㊂根据盐酸氨基葡萄糖加入量与测得量计算回收率,计算得平均回收率为100.6%,R S D值为0.5%㊂结果见表1㊂2.8重复性实验按照2.2.3项下方法,称取盐酸氨基葡萄糖颗粒样品(企业B,批号190205)适量,制备6份供试品溶液,精密量取20 L注入液相色谱仪,记录色谱图㊂计算得6份供试品溶液的平均含量为99.6%,R S D 值为0.6%,说明该方法的重复性良好㊂表1盐酸氨基葡萄糖颗粒的回收率实验结果T a b.1R e s u l t s o f r e c o v e r y t e s t o f G l u c o s a m i n e H y d r o c h l o r i d eG r a n u l e s编号加入量/m g测得量/m g回收率/%平均回收率/%R S D/% 80%188.889.40100.68284.084.49100.59380.280.68100.60100%1102.4103.99101.552103.5104.14100.623103.3104.30100.97120%1132.9133.06100.122121.9121.6799.813130.3130.87100.44100.60.52.9稳定性实验称取盐酸氨基葡萄糖颗粒适量,用水配制成氨基葡萄糖质量浓度约为4m g㊃m L-1的溶液,分别于0㊁2㊁16㊁37h测定峰面积,考察供试品溶液的稳定性㊂结果表明,供试品溶液在37h内稳定㊂2.10样品测定本实验共收集到5批盐酸氨基葡萄糖颗粒样品,精密称取各批装量差异项下样品(约相当于氨基葡萄糖200m g),按照2.2.3项下供试品溶液配制方法进行配制,以盐酸氨基葡萄糖对照品为外标,结果见表2㊂结果显示,5批样品均符合规定[本品含盐酸氨基葡萄糖(C6H13N O5㊃H C l)应为标示量的90.0% ~110.0%]㊂表25批样品的测定结果T a b.2D e t e r m i n a t i o n r e s u l t s o f5s a m p l e s药物名称生产厂家批号含量/%盐酸氨基葡萄糖颗粒企业A12A17030393.0盐酸氨基葡萄糖颗粒企业A12A17030494.3盐酸氨基葡萄糖颗粒企业B19020299.9盐酸氨基葡萄糖颗粒企业B190204100.8盐酸氨基葡萄糖颗粒企业B19020599.6 3讨论3.1现行标准含量测定方法存在的问题现行质量标准均采用高效液相色谱-紫外检测法(H P L C-U V)测定含量,企业注册标准Y B H02202009采用的流动相体系为p H2.5磷酸二氢钾溶液-乙腈(30ʒ70),企业注册标准Y B H00352014采用的流动相体系为p H7.0的磷酸氢二钾溶液-乙腈(33ʒ67)㊂2种流动相体系p H值差异较大,p H2.5磷酸二氢钾溶液-乙腈体系的p H值较低,会引发氨基柱填料水92西北药学杂志2022年3月第37卷第2期h t t p://X B Y Z.c b p t.c n k i.n e t解;p H7.0的磷酸氢二钾溶液-乙腈体系无法分离氨基葡萄糖峰与其辅料蔗糖峰㊂本文拟采用氨基柱-H P L C-U V法,该方法适用性较强,与柱前衍生等方法相比,操作简单且专属性较强㊂考虑到各企业生产的氨基柱差异较大,拟对氨基柱进行严格的筛选,最终确定以大曹三耀公司生产的氨基柱(C A P C E L L P A K N H2,150m mˑ4.6m m,5μm)为分离色谱柱,以磷酸盐缓溶液(取磷酸氢二钾3.5g,加水1000m L 使溶解,加入0.25m L氨水,用磷酸调节p H值至7.5)-乙腈(25ʒ75)为流动相体系,在该色谱条件下,既能实现氨基葡萄糖与其成盐离子氯离子的较好分离,又能实现盐酸氨基葡萄糖颗粒剂中氨基葡萄糖与其辅料蔗糖㊁乳糖和聚维酮K30的良好分离,从而有效㊁准确地测定其主药成分氨基葡萄糖的含量㊂3.2色谱柱的选择考虑到盐酸氨基葡萄糖颗粒中辅料蔗糖㊁乳糖和聚维酮K30对主药氨基葡萄糖的影响,在拟定的流动相体系下对4个品牌的色谱柱进行了筛选和考察㊂结果显示:①美国P h e n o m e n e x公司生产的氨基柱(L u n a N H2150mmˑ4.6mm,5μm)虽能较好地分离氨基葡萄糖峰与其成盐离子峰,峰形较好,但无法分离辅料蔗糖峰和氨基葡萄糖峰,调整流动相比例后仍无法分离;②纳谱分析氨基柱(250mmˑ4.6mm, 5μm)分离蔗糖峰和氨基葡萄糖峰的能力较弱,且氨基葡萄糖峰与乳糖峰的保留时间相对较近,调整流动相比例后会出现氨基葡萄糖峰与乳糖峰部分重叠的情况;③W a t e r s氨基柱(150mmˑ4.6mm,5μm)能较好地分离氨基葡萄糖峰与其成盐离子峰和辅料乳糖峰㊁聚维酮K30峰,但无法完全分离氨基葡萄糖峰和辅料蔗糖峰;④大曹氨基柱(C A P C E L L P A K N H2, 150m mˑ4.6m m,5μm)能较好地分离主峰氨基葡萄糖与其成盐离子氯离子峰,亦能较好地分离氨基葡萄糖峰与其辅料蔗糖峰㊁乳糖峰㊂在确定选用大曹三耀公司生产的氨基柱后,为了进一步提高氨基葡萄糖与蔗糖的分离度,对色谱柱的使用温度进行了筛选,在柱温30㊁35ħ下分别进样盐酸氨基葡萄糖颗粒供试品溶液,发现在柱温为30ħ时,氨基葡萄糖峰与蔗糖峰能较好分离㊂经实验最终确定将大曹三耀公司的氨基柱(C A P C E L L P A K N H2,150mmˑ4.6mm, 5μm)作为本研究的方法学色谱柱㊂4小结盐酸氨基葡萄糖颗粒现行各质量标准收载的含量测定方法均不一致,流动相体系差异较大,且均无法分离主药氨基葡萄糖与其辅料蔗糖㊁乳糖等,不能有效控制药物含量㊂在本研究建立的含量测定条件下,盐酸氨基葡萄糖颗粒剂中的主药氨基葡萄糖与其成盐离子(C l-)能被较好地分离,同时氨基葡萄糖与其辅料蔗糖㊁乳糖也能被较好地分离㊂结果表明,该方法专属性强㊁重复性好,能较好地满足相关药物生产企业的检测条件,故该含量测定方法能满足准确测定盐酸氨基葡萄糖颗粒含量的要求㊂该研究可为盐酸氨基葡萄糖颗粒剂或其他剂型的后续研究提供参考,为氨基葡萄糖类药物质量标准的提高提供技术支持㊂参考文献:[1] Z HA N G H K,L U Y T,WA N G Y H,e t a l.D-g l u-c o s a m i n e p r od u c t i o n f r o m c h i t o s a n h y d r o l y z a t i o n o ve r ag l u c o s e-d e r i v e d s o l i d a c i d c a t a l y s t[J].R S C A d v a n c e s,2018,8(10):5608-5613.[2] M I T C H E L L A,T H I E R MA N N C.S e l e c t i v i t y o f n o n s t e-r o i d a l a n t i i n f l a m m a t o r a r y d r u g s a s i n h i b i t o r s o f c o n s t i t u t i v ea n d i n d u c ib l ec y c l o x y g e n a s e[J].P r o c N a t l A c ad S c i U S A,1993,90(24):11693-11697.[3]张丽.硫酸氨基葡萄糖治疗膝骨关节炎的临床疗效分析[J].世界最新医学信息文摘,2017,17(11):101-102. [4]姜红,但晓梦,胡远华,等.H P L C-R I D法测定氨基葡萄糖的含量[J].中国药品标准,2013,14(4):259-263.[5] R E G I N S T E R J Y,D E R O I S Y R,R O V A T I L C,e t a l.L o n g-t e r m e f f e c t s o f g l u c o s a m i n e s u l p h a t e o n o s t e o a r-t h r i t i s p r o g r e s s i o n:A r a n d o m i s e d,p l a c e b o-c o n t r o l l e dc l i n i c a l t r i a l[J].L a n c e t,2001,357(9252):251-256.[6] N O Y S Z E W S K I E A,W R O B L E W S K I K,D O D G E G R,e ta l.P r e f e r e n t i a l i n c o r p o r a t i o n o f g l u c o s a m i n e i n t o t h e g a l a c-t o s a m i n e m o i e t i e s o f c h o n d r o i t i n s u l f a t e s i n a r t i c u l a r c a r t i l a g ee x p l a n t s[J].A r t h R h e u m,2001,44(5):1089-1095.[7] S A N D Y J,G A M E T T D,T H O M P S O N V,e t a l.C h o n d r o-c y t e-m ed i a te d c a t a b o l i s m of ag g r e c a n:A g g r e c a n a s e-d e p e n d e n tc l e a v a g e i nd u ce d b y i n t e r l e u k i n-1o r r e t i n o i c a c i d c a n b e i n h i b-i t e d b y g l u c o s a m i n e[J].B i o c h e m J,1998,335(1):59-66.[8]吴文坚,曾炳芳.硫酸氨基葡萄糖治疗骨关节炎新进展[J].国外医学骨科学分册,2005,26(1):22-24. [9] Y B H02202009,国家食品药品监督管理局标准(试行)[S].[10]Y B H00352014,国家食品药品监督管理局标准(试行)[S].[11]T h e U n i t e d S t a t e s P h a r m a c o p i e i a l C o n v e n t i o n.T h e U n i t e dS t a t e s P h a r m a c o p e i a[S].N o r d l i n g e n:D r u c k e r e i C.H.B e c k,2017.[12]E u r o p e a n D i e c t o r a t e f o r t h e Q u a l i t y o f M e d i c i n e s&H e a l t h C a r e.E u r o p e a n P h a r m a c o p o e i a[S].B a l t i m o r e:U n i t e d B o o k P r e s s,I n c,2017.[13]李霞,杨海霞,赵国敏,等.盐酸氨基葡萄糖含量测定研究进展[J].食品与药品,2020,22(5):18-21. [14]但晓梦,郭江红,姜红.H P L C法测定氨基葡萄糖类药物的有关物质[J].中国药师,2019,22(7):1370-1374.[15]张德柱,宋愿智,沈登林.盐酸氨基葡萄糖胶囊有关物质测定方法研究[J].西北药学杂志,2014,29(3):252-255. [16]沈丹丹,曾杰,王玥,等.H P L C测定盐酸氨基葡萄糖有关物质与含量[J].中国药学杂志,2017,52(4):315-317.(收稿日期:2021-10-14)03西北药学杂志2022年3月第37卷第2期h t t p://X B Y Z.c b p t.c n k i.n e t。
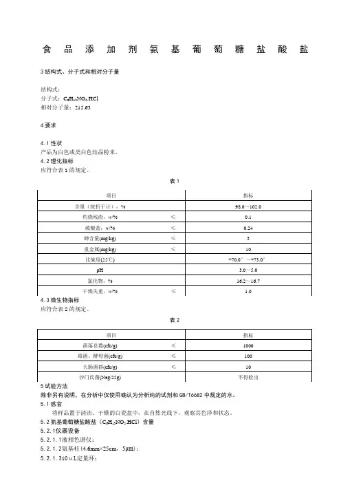
食品添加剂氨基葡萄糖盐酸盐3结构式、分子式和相对分子量结构式:分子式:C6H13NO5.HCl相对分子量:215.634要求4.1性状产品为白色或类白色结晶粉末。
4.2理化指标应符合表1的规定。
表14.3微生物指标应符合表2的规定。
表25试验方法除非另有说明,在分析中仅使用确认为分析纯的试剂和GB/T6682中规定的水。
5.1感官将样品置于清洁、干燥的白瓷盘中,在自然光线下,观察其色泽和状态。
5.2氨基葡萄糖盐酸盐(C6H13NO5.HCl)含量5.2.1仪器设备5.2.1.1液相色谱仪;5.2.1.2氨基柱(4.6mm×25cm,5μm);5.2.1.310μL定量环;5.2.1.4电子分析天平(万分之一)。
5.2.2分析要求5.2.2.1鉴别:在含量测定项下记录色谱图,对照品溶液的主峰保留时间与样品溶液的主峰保留时间应一致;5.2.2.2系统适应性:拖尾因子≤2,理论塔板数≥1500,RSD≤2%。
5.2.3色谱条件5.2.3.1流速:1.5mL/min;5.2.3.2色谱柱温度:35℃;5.2.3.3检测器:紫外检测器;5.2.3.4检测器波长:195nm;5.2.3.5进样量:10μL;5.2.3.6运行时间:20分钟;5.2.4溶液制备5.2.4.1流动相溶液制备流动相A:乙腈;流动相B:称取3.5g磷酸氢二钾,加入0.25ml的氨水,用水定容至1L,混匀,用磷酸调节PH至7.5;流动相A:流动相B=75:25。
蒸馏水和所用试剂均使用色谱级,流动相要用0.45μm的有机相滤膜过滤后并超声15分钟,待用。
5.2.4.2稀释液的配制乙腈:水=50:50,蒸馏水和乙腈均使用色谱级,流动相要用0.45μm的有机相滤膜过滤后并超声15分钟,待用。
5.2.4.3对照品液精确称取对照品三份0.38g(精确至0.0002g)置于100mL容量瓶中,用稀释液溶解并定容至刻度,摇匀待用。
5.2.4.4供试品液精确称取烘干的供试品两份0.38g(精确至0.0002g)置于100mL容量瓶中,用稀释液溶解并定容至刻度,摇匀待用。
盐酸氨基葡萄糖与氨糖软骨素的区别盐酸氨基葡萄糖与氨糖软骨素是两种常见的关节保健品成分。
它们在舒缓关节疼痛、改善关节活动和预防关节退化方面都有一定的作用。
然而,很多人对于这两种成分之间的区别并不清楚。
本文将从深度和广度两方面,全面评估盐酸氨基葡萄糖与氨糖软骨素的区别,并据此撰写一篇有价值的文章。
1. 盐酸氨基葡萄糖盐酸氨基葡萄糖是一种氨基糖,是由葡萄糖和氨基乙醇组成的共轭物。
它是软骨和关节液的重要成分,能够刺激软骨细胞的新陈代谢,促进软骨的再生和修复。
盐酸氨基葡萄糖被广泛用于治疗关节炎和其他关节问题。
它具有抗炎作用,可缓解关节疼痛、改善关节活动,并且对软骨具有保护作用。
2. 氨糖软骨素氨糖软骨素是一种天然存在于软骨中的多糖类物质,主要由氨基葡萄糖和半乳糖组成。
它可以刺激软骨细胞的增殖和合成软骨基质,有助于维持软骨的结构和功能。
氨糖软骨素常用于治疗骨关节炎、骨质增生等疾病,能够减轻关节疼痛、改善关节活动,并且对软骨有一定的滋养作用。
3. 盐酸氨基葡萄糖与氨糖软骨素的区别从成分上来说,盐酸氨基葡萄糖是氨基葡萄糖的盐酸盐形式,而氨糖软骨素则是一种含有氨基葡萄糖和半乳糖的多糖类物质。
在作用上,盐酸氨基葡萄糖主要发挥促进软骨修复和保护软骨的作用,而氨糖软骨素则更多地注重于滋养软骨和维持软骨的健康。
总结回顾通过对盐酸氨基葡萄糖与氨糖软骨素的全面评估,我们可以看出,尽管它们都对关节健康有着重要的作用,但在具体的功效和作用机制上有所不同。
盐酸氨基葡萄糖更注重于软骨的修复和保护,而氨糖软骨素则更多地关注于软骨的滋养和保健。
在使用时,我们应该根据自身情况和需求,选择合适的产品来维护关节健康。
个人观点与理解在我看来,盐酸氨基葡萄糖与氨糖软骨素都是非常重要的关节保健品成分。
它们可以在一定程度上缓解关节疼痛,改善关节活动,并且对软骨有一定的保护作用。
在日常生活中,通过饮食或补充保健品的方式摄入足够的盐酸氨基葡萄糖和氨糖软骨素,有助于预防关节问题的发生,维护关节的健康。
氨基葡萄糖盐酸盐和氨基葡萄糖硫酸盐氨基葡萄糖盐酸盐和氨基葡萄糖硫酸盐,这两个名字听上去就像是化学课上那些让人抓狂的词,实际上,它们可是一对很好的“朋友”,专门为我们的关节出谋划策。
你知道吗?这两种东西在我们的日常生活中,尤其是对那些关节有点“小脆弱”的朋友们,简直是“救命稻草”。
没错,咱们今天就来聊聊它们。
氨基葡萄糖盐酸盐,听上去像是个高大上的名字,其实它就是我们身体里一种天然的糖类物质,常常被用来制作关节补充剂。
想想看,关节就像是个大机器,每天都在使劲儿工作。
如果没有点润滑油,它可就“嘎吱嘎吱”响了。
这时候,氨基葡萄糖盐酸盐就像是那种超级润滑油,帮助关节保持灵活,缓解那些让人心烦的疼痛。
很多人一开始可能觉得,这玩意儿能有啥用?结果吃了几个月,哇,感觉整个身体都轻松多了,关节活动起来就像小鸟一样,轻盈自在。
然后呢,咱们再说说氨基葡萄糖硫酸盐。
这个名字是不是又让你有点眩晕?别怕,听我说。
氨基葡萄糖硫酸盐和它的“兄弟”差不多,但它多了一点“硫酸盐”的成分。
你可以把它想象成一款升级版的润滑油,特别是在对付关节疼痛方面,它表现得特别给力。
很多人用了之后,觉得这个比盐酸盐要更有效,关节就像换了个新轮子,嗖嗖地动起来,真是羡煞旁人。
说到这里,可能你会问,那到底选哪个比较好呢?这个问题其实有点像在问“吃水果的时候是喜欢苹果还是香蕉”。
每个人的体质不一样,有的人吃盐酸盐觉得效果杠杠的,有的人则对硫酸盐情有独钟。
最重要的还是要根据自己的身体状况去选择。
试着吃一段时间,听听身体的声音,别让那些小疼痛给你搅了心情。
当然了,吃这些补充剂可不是吃“万能药”,它们的效果还是需要时间来显现。
你不能指望一吃就立马见效,就像减肥一样,不是一朝一夕的事。
耐心点,给自己点时间,慢慢享受身体的变化。
再加上合理的饮食和适度的运动,哇,那效果真的是杠杠的。
你会发现,关节活动自如,整个人也变得神清气爽,简直是“重获新生”。
不过,也有朋友问,吃这些东西有没有副作用呢?好吧,这个问题很重要。
微生物发酵法生产氨基葡萄糖工艺技术D-氨基葡萄糖(D-glucosamine,GlcN)盐酸盐,又称盐酸氨基葡萄糖,是生物细胞内许多重要多糖的基本组成单位,是合成双歧因子的重要前体,在生物体内具有许多重要生理功能,主要用于临床增强人体免疫系统的功能,抑制癌细胞或纤维细胞的过度生长,对癌症和恶性肿瘤起到抑制和治疗作用;对于各种炎症,也能起到有效的治疗作用。
另外,由于氨基葡萄糖可防止人体胆固醇的蓄积,长期使用可达到抗衰老的保健目的。
目前,D-氨基葡萄糖盐酸盐是壳多糖保健食品系列中最新的第三代保健功能性食品添加剂,可用作食品抗氧化剂、婴幼儿食品添加剂、糖尿病患者低热量甜味剂,也可作为抗癌、防癌、降血脂、降血压的食品添加剂;同时也应用于医药行业,如作为生化试剂用于药物合成以及用作抗细菌感染及免疫佐剂,是人体抗流感病毒的活化剂。
1,生产工艺目前,国内外氨基葡萄糖盐酸盐的传统生产方法有生物提取法和化学合成法两种,其中生物提取法为主要生产方法。
生物提取法是指先从虾蟹壳中提取甲壳素或壳聚糖,再经盐酸水解而成氨基葡萄糖盐酸盐。
该生产方法的缺陷主要包括: 第一、来自水产品壳提取的氨基葡萄糖盐酸盐对许多有水产品过敏反应的患者不适用;第二、纯化工艺复杂,产品有鱼腥味,不稳定;第三、受环境污染影响,从虾蟹壳中提取氨基葡萄糖盐酸盐,不可避免地受到重金属污染。
相比较而言,微生物发酵法生产氨基葡萄糖盐酸盐是一条更好的工艺路线。
微生物发酵法生产的产品无鱼腥味,生产资源不受限制;利用代谢工程进行菌种改良,可得到产量极高的工程菌,具有工业化大生产的潜力。
我们在菌种构建基础上,以葡萄糖等为原料,经发酵、酸化、过滤、浓缩等工艺制成,具有转化效率高、产品质量稳定、生产成本低等特点,技术处于国内领先水平。
本项目中试装置已成功运行。
2007年11月,产品经江苏省理化测试中心检测,全部指标符合WS1-XG-028-2001国家药品标准要求,质量达到国外同类产品先进水平,具备批量生产条件。
原料药氨基葡萄糖盐酸盐
原料药氨基葡萄糖盐酸盐是一种常用于制药工艺中的重要化合物。
它是氨基葡萄糖与盐酸反应生成的盐酸盐形式,具有许多医药和生物制药领域的广泛应用。
氨基葡萄糖盐酸盐具有很好的药物耐受性和相对较低的毒性,因此在临床上广泛应用于治疗关节炎、软骨病和其他与关节和骨骼系统相关的疾病。
它可以通过注射、口服或外用等途径使用。
氨基葡萄糖盐酸盐还被用作一些生物制药领域中的重要原料。
例如,它可用作生产软骨修复药物和关节润滑剂的原料。
此外,它还常被用作培养细胞和生物材料的培养基中的添加剂。
氨基葡萄糖盐酸盐的生产通常通过将氨基葡萄糖与盐酸反应而得到。
该反应可以在氢氧化钠存在下进行,生成氯化氨基葡萄糖,然后通过盐酸中和生成氨基葡萄糖盐酸盐。
生产过程中需要严格控制反应条件和纯度,以确保最终产品的质量和效力。
总的来说,原料药氨基葡萄糖盐酸盐在医药和生物制药领域具有广泛的应用。
它是一种重要的化合物,可用于治疗关节和骨骼相关疾病,以及作为生物制药领域的原料。
在生产过程中,需要严格控制反应条件和纯度,以确保产品的质量和效果。
氨基葡萄糖硫酸盐与盐酸盐的区别如下:
现在市场上氨糖主要分为氨糖盐酸盐与氨糖硫酸盐两种,在中国的临床试验中,氨糖硫酸盐与盐酸盐治疗效果相似,但是就对身体副作用来说,氨糖盐酸盐身体有不适的一组较多,主要体现在胃部疼痛,好转反应多,效果相对不明显。
在国际上,众多知名氨糖产品如如爱尔兰罗德制药厂的维固力、美国登喜健(鲨鱼软骨素氨糖片)、倍健等品牌都选用性能优越的硫酸氨糖。
研究表明:盐酸氨糖的临床效果并不明显。
科学家们观察了盐酸氨基葡萄糖对膝关节炎病人疼痛及功能障碍的治疗,结果发现8周后WOMAC疼痛指数与治疗前及安慰组没有明显区别。
为什么硫酸型氨基葡萄糖更易吸收?
人体软骨对氨糖的吸收主要是靠“硫酸根”介导的,硫酸氨糖则具有这种“硫酸根”;而盐酸氨糖则是不容易被人体吸收差的“盐酸根”。
人的关节重要成分含有“硫酸根”(如硫酸软骨素等)对于同含有“硫酸根”的氨糖,会显得更为“亲近”,吸收更好。
此外硫酸氨糖的氨糖比例高,纯度高,杂质极少,这无疑更提高了硫酸氨糖对关节炎的治疗作用。
“临床上,氨基葡萄糖的非硫酸盐疗效不佳,有学者推测GS 的治疗作用可能是硫酸根而不是氨基葡萄糖介导的。
”——摘自中国新药与临床杂志(Chin J New Drugs Clin Rem)《氨基葡萄糖治疗骨关节炎的现状》2004年7月,第23卷,第7期。
由上述材料可得知,硫酸氨基葡萄糖胶囊的作用效果比盐酸氨基葡萄糖胶囊的好。
在生物化学领域,盐酸氨基葡萄糖和氨糖软骨素是两种常见的化学物质,它们在关节保健和治疗上都有重要作用。
在本文中,我们将就这两种物质进行全面评估,探讨它们的区别和应用。
1. 盐酸氨基葡萄糖盐酸氨基葡萄糖是氨基葡萄糖的盐酸盐形式,是一种葡萄糖胺,是葡萄糖和氨基酸的结合物。
盐酸氨基葡萄糖可通过人工合成,也可从甲壳质来源(例如虾壳)中提取。
盐酸氨基葡萄糖在药物和保健品中广泛应用,常见于关节保健产品中。
2. 氨糖软骨素氨糖软骨素是一种葡萄糖胺聚糖,是软骨组织中的重要成分。
它主要来自海洋动物的软骨,例如鲨鱼和鳐鱼。
氨糖软骨素具有保护软骨组织、减缓关节炎进程的作用,因此在关节炎治疗和保健中被广泛使用。
3. 盐酸氨基葡萄糖与氨糖软骨素的区别- 来源:盐酸氨基葡萄糖主要来自虾壳等甲壳质,而氨糖软骨素主要来自海洋动物的软骨。
- 成分:盐酸氨基葡萄糖是氨基葡萄糖的盐酸盐形式,而氨糖软骨素是一种葡萄糖胺聚糖。
- 应用:盐酸氨基葡萄糖常用于关节保健产品中,而氨糖软骨素可用于关节炎治疗和软骨保健。
4. 个人观点和理解在我看来,盐酸氨基葡萄糖和氨糖软骨素都是在关节保健和治疗中非常重要的物质。
通过深入了解它们的区别和应用,我们可以更好地选择适合自己需求的保健品或药物,并更有效地维护关节健康。
总结回顾盐酸氨基葡萄糖和氨糖软骨素虽然在成分和来源上有所不同,但都在关节保健和治疗中发挥着重要作用。
我们可以根据自己的需求和医生的建议,选择适合自己的产品,并在日常生活中多注意关节健康。
通过对盐酸氨基葡萄糖和氨糖软骨素的深入探讨,相信读者已经对这两种物质有了更清晰的认识,希望本文能对大家有所帮助。
以上内容仅供参考。
盐酸氨基葡萄糖和氨糖软骨素是两种常见的化学物质,它们在生物化学领域中具有重要的药用和保健功能。
在本文中,我们将进一步深入了解这两种物质的作用机制、临床应用以及未来的发展前景。
盐酸氨基葡萄糖(Glucosamine Hydrochloride)是氨基葡萄糖的盐酸盐形式,在体内可以被人体吸收利用。
d-氨基葡萄糖盐酸盐和氨基葡萄糖盐酸盐
氨基葡萄糖盐酸盐和氨基葡萄糖盐酸盐是两种药物。
它们的主要成分都是氨基葡萄糖,但它们的盐酸盐形式略有不同。
氨基葡萄糖是一种天然存在于人体中的物质,具有保护软骨和关节组织的作用。
氨基葡萄糖盐酸盐是将氨基葡萄糖与盐酸反应生成的盐酸盐形式。
盐酸盐形式常见于药物中,可以提高药物的稳定性和溶解度,从而增强其药效。
这两种药物常用于治疗骨关节疾病,如骨关节炎和类风湿性关节炎。
它们可以通过改善关节润滑度和减轻关节炎炎症来缓解疼痛和改善关节功能。
此外,它们还可以促进软骨组织的修复和再生,有助于恢复关节的正常功能。
氨基葡萄糖盐酸盐和氨基葡萄糖盐酸盐可以以片剂、胶囊或液体剂型供应,常见剂量为每天服用2-3次。
然而,具体的用药剂量和用药方案应该根据医生的建议和个体情况进行调整。
d氨基葡萄糖盐酸盐与氨基葡萄糖硫酸钾盐1. 引言嘿,朋友们,今天咱们聊聊两个“药界明星”:d氨基葡萄糖盐酸盐和氨基葡萄糖硫酸钾盐。
这俩家伙可不是普通的补品,它们在关节健康方面可是大有作为,简直是“养生界的隐形冠军”。
所以,快把你的饮料放下,咱们来一场轻松愉快的“化学派对”!2. d氨基葡萄糖盐酸盐2.1. 什么是d氨基葡萄糖盐酸盐?首先,得给大家普及一下,这个d氨基葡萄糖盐酸盐究竟是什么东西。
听起来是不是有点复杂?其实,它就是个小小的糖分子,专门为我们的关节“护航”。
就像一个好朋友,总是在你需要的时候出现。
它能够帮助生成关节软骨和滑液,简直是给关节加了个保护壳。
2.2. 作用与效果使用d氨基葡萄糖盐酸盐的好处可多着呢!研究表明,它可以缓解关节疼痛,改善活动能力,真的是“有口皆碑”。
很多人吃了之后,关节活动起来就像润滑了的机器,轻松自如。
不过,有一点得提醒大家,这可不是一朝一夕就能见效的,需要坚持使用,才能看到明显的变化。
正所谓:“欲速则不达”,慢慢来,才是王道!3. 氨基葡萄糖硫酸钾盐3.1. 什么是氨基葡萄糖硫酸钾盐?接下来,我们来看看氨基葡萄糖硫酸钾盐。
它听上去是不是像是个高大上的化学名词?但实际上,它也是一个给关节保驾护航的好帮手。
与d氨基葡萄糖盐酸盐不同的是,这家伙里面还加入了硫酸钾,增加了它的抗炎效果,简直是个“多面手”。
3.2. 作用与效果这个氨基葡萄糖硫酸钾盐也同样能帮助缓解关节疼痛,尤其是对于那些关节炎患者来说,它的效果可以说是相当不错。
有研究显示,使用这个补品的人,关节活动度提高,走路的时候感觉也没那么费劲,真的是“如释重负”。
不过,有个小小的建议,使用前最好咨询一下医生,毕竟身体状况因人而异。
4. d氨基葡萄糖与氨基葡萄糖的比较4.1. 相同之处好了,现在咱们来个横向比较,看看这两位“药界明星”有什么共同之处。
首先,它们都是由氨基葡萄糖衍生而来的,作用都是为了增强关节的健康。
氨基葡萄糖硫酸盐或氨基葡萄糖盐酸盐哎呀,今天小智就来给大家聊聊一个特别神奇的东西——氨基葡萄糖硫酸盐或氨基葡萄糖盐酸盐。
别看它名字有点长,但是它的用处可大了!听我慢慢道来。
我们来说说氨基葡萄糖硫酸盐。
这可不是什么普通的盐哦,它是由氨基葡萄糖和硫酸反应而成的。
你知道吗,氨基葡萄糖是一种非常重要的营养素,它可以帮助我们的关节保持灵活,预防关节炎。
而硫酸呢,虽然听起来有点可怕,但它其实是一种很好的化学物质,可以帮助我们的身体吸收氨基葡萄糖。
所以,氨基葡萄糖硫酸盐就变成了一种非常好的保健品,尤其适合那些经常需要长时间站立、走动的人。
接下来,我们再来说说氨基葡萄糖盐酸盐。
这个名字可能有点让人摸不着头脑,但是它的原理和氨基葡萄糖硫酸盐是一样的。
氨基葡萄糖盐酸盐也是由氨基葡萄糖和盐酸反应而成的,它同样可以帮助我们的关节保持灵活,预防关节炎。
而且,氨基葡萄糖盐酸盐还可以帮助我们增强免疫力,让我们的身体更加健康。
那么,氨基葡萄糖硫酸盐和氨基葡萄糖盐酸盐有什么区别呢?其实,它们的区别就在于硫酸和盐酸这两个化学物质。
硫酸是一种强酸,而盐酸则相对温和一些。
所以,如果你对硫酸过敏的话,那么你可以选择氨基葡萄糖盐酸盐。
当然啦,这两种药物都是非处方药,大家可以放心使用。
好了,现在我们已经知道了氨基葡萄糖硫酸盐和氨基葡萄糖盐酸盐的作用和区别。
那么,它们应该怎么用呢?其实,它们的用法非常简单。
大家只需要按照说明书上的剂量来服用就可以了。
一般来说,每次服用一粒或者两粒,每天服用两次或者三次。
当然啦,具体的剂量还是要根据自己的身体状况来定。
氨基葡萄糖硫酸盐和氨基葡萄糖盐酸盐是非常好的保健品,它们可以帮助我们的关节保持灵活,预防关节炎,增强免疫力等等。
而且,它们的用法也非常简单,大家只需要按照说明书上的剂量来服用就可以了。
所以,如果你觉得自己的关节有些不舒服啊,或者想要增强一下免疫力的话,那么不妨试试氨基葡萄糖硫酸盐或氨基葡萄糖盐酸盐吧!。
1,最佳制备条件及盐酸量的优劣。
最佳工艺条件为: 投料比为甲壳素 酸= 1:7( 重量比) ; 盐酸浓度为30%; 水解温度为80 ; 水解时间为3. 0~ 3. 5h; 洗脱溶剂为乙醇; 活性炭脱色, 脱色温度为85 ; 脱色时间为0. 8h甲壳素的制备:从龙虾壳制甲壳素, 以鲜龙虾壳为原料, 其收率为3. 5% ~ 4. 0%; 以干龙虾壳为原料, 其收率为10. 5% ~ 11. 5% .产品含量99. 2% 99. 5% 99. 6% 99. 4%甲壳素经盐酸水解得到D- 氨基葡萄糖盐酸盐, 如果用工业级36% 浓盐酸, 水解非常完全, 但得到的水解液颜色很深, 脱色困难, 设备腐蚀严重, 杂质较多, 废水处理困难, 并且产率较低. 如果盐酸的浓度小于20%, 水解不完全, 产率非常低, 产品的纯度差. 通过大量的实验研究表明, 甲壳素和盐酸的重量比为1:7, 盐酸浓度30% 为最佳水解条件, 同时废酸可以继续使用,污染少、成本低.(D- 氨基葡萄糖盐酸盐的研制/仇立干/( 盐城师范学院化学系, 江苏盐城224002) 最佳反应条件: 盐酸浓度30% ( 一般工业盐酸浓度) ,原料与盐酸投料比为18, 反应温度95 , 反应时间5 h。
按上述工艺流程制备, 制得粗产品得率可达60%以上,盐酸浓度低于25% 时, 反应液呈胶状 GAH 生成量很少, 而随着浓度的增大或温度的增高, 水解加快。
盐酸浓度为30%时, 得到产品的颜色最白。
酸的比例增加, 有利于反应的进行; 用量若过高,给后处理带来困难, 且明显增加成本; 盐酸用量过少, 则体系黏度增大, 不能充分反应, 且易造成粘壁,增加副反应, 降低得率。
D 基葡萄糖盐酸盐的制备及工艺条件优化/王延松李红霞张朝晖/江苏大学药学院 ( 镇江 212001)2.制备的影响因素最佳生产条件为: 水解时间3 h ,盐酸浓度30% ,水解温度95。
用36% HCl进行水解时, 甲壳素即使在较低温度也极易发生聚合等反应,粗品色泽深。
氨基葡萄糖盐酸盐分析方法比较
摘 要:分别采用高效液相色谱-蒸发光散射检测法(HPLC-ELSD)、高效液相色谱-示差折
光检测法(HPLC-RID)和高效离子色谱-脉冲安培检测法(HPIC-PAD)检测氨基葡萄糖盐
酸盐,确定了几种方法的检测限和线性范围,考察了方法的精密度,测定了氨基葡萄糖盐酸
盐的加标回收率。结果显示,在三种方法中HPIC-PAD方法能测定到最低浓度的氨基葡萄糖
盐酸盐,且具有最高的精密度;HPLC-RID方法检测限最高,精密度最差。
关键词:高效液相色谱,高效离子色谱,蒸发光散射,示差折光,脉冲安培检测
前言:
氨基葡萄糖类物质具有重要的生理活性,Elson-Morgan法[1]是此类物质测定的经典方
法,由于其只能测定总的糖类而使其应用受到限制。多种色谱方法在糖类的分析中发挥着重
要作用,如气相色谱法[2](GC)、凝胶色谱法[3](GPC)、高效毛细管电泳法[4](HPCE)、高
效液相色谱法[5,,,678](HPLC)、高效离子色谱法[9,10](HPIC)等。这些检测方法对不同糖类
化合物的检测分析各有不同的优势。最常用的糖类化合物的分析方法为高效液相色谱法,近
年来离子色谱技术在糖类化合物分析中的应用也越来越广泛。
本文对几种糖类物质测定方法在氨基葡萄糖盐酸盐分析中的应用进行了比较,为氨基葡
萄糖类物质分析的方法选择提供指导。
1、实验仪器和材料
1.1试剂和样品
乙腈(TEDIA,HPLC级),超纯水(Milli-Q),氨水(西陇化工,分析纯)
氨基葡萄糖盐酸盐标准样品(国家海洋局第三海洋研究所),氨基葡萄糖盐酸盐对照品
(中国药品生物制品检定所),硫酸氨基葡萄糖胶囊(由厦门蓝湾科技有限公司提供)
准确称取、精确定容的浓度为40.00mg/mL和1.00mg/mL的氨基葡萄糖盐酸盐标准储备
液。
1.2仪器和条件
电子天平(Sartorius BP211D),Milli-Q Biocel A10超纯水机(Millipore)
HPLC-ELSD法:Waters-Alliance 2695型高效液相色谱仪,Alltech ELSD800蒸发光散
射检测器,Waters Carbohydrate柱(250 mm×4.6 mm,4μm);流动相为乙腈:水=70:30;
流速:1.0 mL/min;柱温:28oC;ELSD参数:载气流速为3.00L/min,蒸发管温度为80oC。
HPLC-RID法:高效液相色谱仪(Waters),K-2401 RI 检测器(诺尔KNAUER),氨基
柱Asahipak NH2P-50 4E;流动相(其中氨水浓度为0.05%)乙腈比水为80:20,流速为
1.2mL/min,柱温25oC。
HPIC-PAD法:ICS-3000型离子色谱仪(Dionex):ED3000电化学检测器,Au工作电
极,Ti对电极,pH/ Ag/ AgCl复合参比电极,糖类分析柱CarboPac PA10(250mm×4mm);
NaOH浓度为20mmol/L,流速:0.6mL/min,柱温和检测池温度均为30oC。
2、结果与讨论
2.1方法检测限实验
2.1.1 HPLC-ELSD法
精密量取氨基葡萄糖盐酸盐标准储备溶液(40.00mg/mL),稀释不同浓度进样,直到检
测获得的氨基葡萄糖盐酸盐主峰信号为检测器噪声水平的3倍为止,得氨基葡萄糖盐酸盐的
最低检测限为0.2 μg。
2.1.2 HPLC-RID方法
精密量取氨基葡萄糖盐酸盐标准储备溶液(40.00mg/mL),稀释不同浓度进样,直到检
测获得的氨基葡萄糖盐酸盐主峰信号为检测器噪音水平的3倍为止,得氨基葡萄糖盐酸盐最
低检测限为10.66μg。
2.1.3 HPAEC-PAD方法
精密量取氨基葡萄糖盐酸盐标准储备溶液(1.00mg/mL),稀释不同浓度进样,直到检
测获得的氨基葡萄糖盐酸盐主峰信号为检测器噪音水平的3倍为止,得氨基葡萄糖盐酸盐最
低检测限为0.125ng 。
对比三种方法的结果可以看出,三种方法中HPIC-PAD方法能够检测最低浓度的氨基葡
萄糖盐酸盐,可用于极低浓度下的样品检测。HPLC-RID方法效果最差。
2.2标准曲线
2.2.1 HPLC-ELSD法
分别精密吸取氨基葡萄糖标准储备溶液(40.00mg/mL)稀释成0.24、0.40、0.60、0.80、
1.00、1.20mg/mL各不同浓度。过滤取10μL进样,以测得面积y对进样量x(μg)进行
线性回归,得线性回归方程为:y=2.0786×106x-1.3639×106,r2=0.9991。本方法在2.4~12.0
μg范围内,线性良好。
2.2.2 HPLC-RID方法
分别精密移取氨基葡萄糖盐酸盐储备液(40.00mg/mL)稀释成8.00、16.00、24.00、
32.00mg/mL各不同浓度。过滤取20μL进样,以测得面积y对进样量x(μg)进行线性回
归,得回归方程为y = 5800.9x – 48329, r2=0.9984。本方法在160.0~640.0 μg范围内,
线性良好。
2.2.3 HPAEC-PAD方法
取氨基葡萄糖盐酸盐标准储备液(1.00mg/mL)稀释成1.00、2.00、4.00、8.00、10.00、
12.00、15.00 μg/mL各不同浓度。过滤取25μL进样,以测得面积y对进样量x(ng)进
行线性回归,得到的回归方程为y = 0.3406x + 0.6255, r2 = 0.9999。本方法在25.0~375.0ng
范围内,线性良好。 中国色谱网www.sepu.net
对比三种方法的结果可以看出,HPIC-PAD方法有最高的相关系数(r),HPLC-RID方
法的相关系数最小。
2.3方法精密度实验
2.3.1 HPLC-ELSD法
在线性浓度范围内,精密吸取氨基葡萄糖盐酸盐溶液,进样量10μL,连续进样6次,
以峰面积考察进样精密度。实验结果显示峰面积的相对标准偏差为1.64%。
2.3.2 HPLC-RID方法
在线性浓度范围内,精密吸取氨基葡萄糖盐酸盐溶液,进样量20μL,连续进样6次,
以峰面积考察进样精密度。实验结果显示峰面积的相对标准偏差为2.89%。
2.3.3 HPAEC-PAD方法
在线性浓度范围内,精密吸取氨基葡萄糖盐酸盐溶液,进样量25μL,连续进样6次,
以峰面积考察进样精密度。实验结果显示峰面积的相对标准偏差为0.12%。
对比三种方法的结果可以看出,HPIC-PAD方法具有最高的精密度,HPLC-RID方法精
密度最低。
2.4方法回收率实验
2.4.1 HPLC-ELSD法
精密称取硫酸氨基葡萄糖样品71.60mg,定容到200mL容量瓶,按0%、60%、120%、
250%的比例添加D-氨基葡萄糖盐酸盐对照品,再进行定值测定,连续进样6次测定加标回
收率,平均回收率为96.8%,结果见
表 1 HPLC-ELSD法测定氨基葡萄糖盐酸盐加标回收率
2.4.2 HPIC-PAD方法
精密称取氨基葡萄糖对照品50.80mg,定容到50mL容量瓶,分别移取1mL溶液到4个
200mL容量瓶,按0%、80%、100%、120%的比例添加氨基葡萄糖盐酸盐标准样品,再进行定
值测定,连续进样6次测定加标回收率,平均回收率为101.5%,结果见表 2。
表 2 HPIC-PAD法测定氨基葡萄糖盐酸盐加标回收率
3、结论:
本文比较了氨基葡萄糖盐酸盐测定的HPLC-RID、HPLC-ELSD和HPIC-PAD方法,结
果表明,高效离子色谱法具有快速、简便的优点,精密度高,尤其在低浓度糖类化合物的检
测方面独具优势。
参考文献
[1] Elson LA, Morgan WTJ, Biochemistry Journal, 1933, 27: 1824
[2] 李俊,王英瑛,医药导报,2009,28(3):359~361
[3] W Schwald, R Concin, G Bonn et al., Chromatographia, 1985, 20(1): 35~40
[4] 郭建敏,田长平,王超等,山东农业科学,2009,4:109~100
[5] 郑春英,平文祥,刘松梅等,植物研究,2007,27(3):376~379
[6] Liang ZM, Leslie J, Adebowale A et al., Journal of Pharmaceutical and Biomedical Analysis,
1999, 20 (5): 807
[7] El-Saharty YS, Bary AA. Analytica Chimica Acta, 2002, 462 (1):125
[8] 陈琴鸣,刘文英,中草药,2008,39(6):955~957
[9] 郑德敏,于泓,赵焕敏,哈尔滨师范大学自然科学学报,2003,19(3):61~63
[10] 张思维,郑波,邹晓莉等,色谱,2009,27(1):117~119