急救保健箱产品技术要求xiangyu
- 格式:docx
- 大小:14.22 KB
- 文档页数:2
急救箱(包)/出诊箱/医药箱1范围本标准规定了急救箱(包)/出诊箱/医药箱的产品分类、要求、试验方法、检验规则、标志、标签、包装、运输及贮存。
本标准适用于急救箱(包)/出诊箱/医药箱的生产、检测及销售。
2规范性引用文件下列文件中的条款通过本标准的引用而成为本标准的条款。
凡是注日期的引用文件,仅注日期的版本适用于本标准。
凡是不注日期的引用文件,其最新版本(包括所有的修改单)适用于本标准。
GB/T191包装储运图示标志GB/T2828.1计数抽样检验程序第1部分:按接收质量限(AQL)检索的逐批检验抽样计划GB/T2829周期检验计数抽样程序及表适用于对过程稳定性的检验QB/T2155-2018旅行箱包QB/T1333-2018背提包GB/T231.1-2018金属材料布氏硬度试验第一部分3产品分类本品可按实际不同用途,采用高分子材料、皮具、铝合金、纺织布等材料构成。
本品属于日用品,不含药械。
4要求4.1外观质量产品形体端正,摆放平稳,无高低不平、歪斜、裂纹、变形、划伤等缺陷;箱口紧密,对口箱底、盖口缝隙不大于5mm;配件(若有)把手、锁、扣钉、环钩表面光滑、无毛刺划痕,无生锈腐蚀,涂层色泽均匀无起皮皱褶。
4.2物理性能箱铝口硬度不小于40HBW;震荡冲击性能测试后,试验箱体不变形,无开裂损坏;跌落性能测试,试验后箱体不开裂,可有凹陷;锁耐用测试,箱锁可正常开关,无异常;箱体耐静压测试,试验后箱体、箱口不开裂,可有凹陷。
5试验方法5.1外观质量在自然光线下,用目测、感官及结合尺具检验,应符合4.1的规定。
5.2物理性能箱铝口硬度按GB/T231.1进行检验;震荡冲击性能测试,将5KG负重物均匀摆放在箱内,正提把100次;跌落性能测试,将释放台高度调节到箱底部冲击平面50mm处,将正把手朝上跌落3次;锁耐用测试,正常开启和关闭锁具100次;箱体耐静压测试,将空箱平方,箱面测试区距离箱面四边各10mm,将5KG负重物均匀放置(使整个箱面均匀受力)在箱面上,连续受压4h。
医疗急救箱参数设置标准
医疗急救箱的参数设置标准包括以下几方面:
1.外观和尺寸:医疗急救箱应具有明显的标识,易于辨认和识别。
箱体应坚固耐用,具备防水和防尘功能。
尺寸和重量应适中,方便携带和存放。
2.结构和分隔:急救箱的结构应便于携带和打开使用。
箱内应具备
合适的空间和分隔,以便于存放各种急救设备和药品,同时要具备防水、防震等功能。
3.标识和说明:急救箱内应具备清晰的标识和说明,以便用户能够
迅速找到所需的急救设备和药品,并正确使用。
4.急救设备:急救箱应配备以下基本急救设备,例如一次性手套、
消毒剂、止血带、缝合包、无菌纱布、医用剪刀、医用镊子、医用针头、医用胶带、医用酒精、止痛药等。
5.药品清单:急救箱内应包含一份详细的药品清单,包括药品名称、
用量、用法和注意事项等。
清单应定期更新以确保药品的及时补充和更新。
6.使用指南:急救箱应附带一份使用指南,包括如何正确使用各种
急救设备和药品的说明,以及在紧急情况下如何进行初步处理和寻求帮助的建议。
紧急联系方式:急救箱内应提供紧急联系方式,以便在需要时能够快速联系到相关人员或机构。
定期检查和维护:医疗急救箱应定期进行检查和维护,以确保其处于良好的工作状态。
检查和维护应包括清洁、消毒、更新药品和设备等。
以上是医疗急救箱参数设置标准的主要内容,具体参数可能因实际需求和使用场景的不同而有所差异。
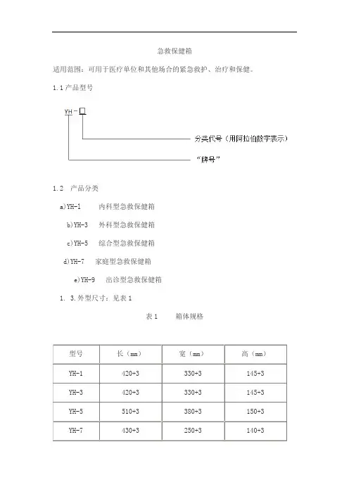
急救保健箱
适用范围:可用于医疗单位和其他场合的紧急救护、治疗和保健。
1.1产品型号
1.2 产品分类
a)YH-l 内科型急救保健箱
b)YH-3 外科型急救保健箱
c)YH-5 综合型急救保健箱
d)YH-7 家庭型急救保健箱
e)YH-9 出诊型急救保健箱
1. 3.外型尺寸:见表1
表1 箱体规格
2.1保健箱体应按设计图及技术要求制造,外形尺寸应符合表1的规定。
2.2保健箱所装产品型号、规格、数量及产品注册证要求见附录A1。
2.3保健箱所装物品见附录A(规范性附录中表A1的规定)其中属于医疗器械类的应具有产品注册证,非医疗器械类的应具有出厂检验合格证。
2.4外观
2.4.1箱体外观应光滑、整洁、无明显损伤或划痕。
2.4.2箱内金属器械的镀层应符合YY0076的有关规定。
2.4.3箱内敷料产品不应有霉点、污渍和异物。
急救药箱是出现意外情况时急救使用的,它的配置有一定的标准要求:
1、急救药箱配置可按(国标M281745)购置,急救箱要求:携带方便、抢救设备齐全,轻便小巧,并放在靠近工作场所的地方。
2、每个急救箱都要贴上标签,列出必备的用品及其数量,以方便检查和补充。
3、所有的急救箱都要按指定清单备足用品。
4、急救箱里要有一张工厂里所有受过正规急救培训的人员名单,用于急救的准则是每100位员工配备一个急救箱和在每100位员工中培训一位急救人员,或者一个车间培训两名:最好男女各一名。
(急救员培训可向当地红十字会进行咨询)。
5、指定的人员有责任定期检查和补充急救箱用品。
6、有危险的操作如压底或裁断,应该在该工作区配备急救箱。
7、急救箱不可锁死。
如果工具箱上锁,钥匙必须存放在容易拿到的地方,不能由某位可能需要离开生产区的人员掌管钥匙。
同样,夜班人员也必须能够打开急救箱。
8、不含有内服药。
以上是急救药箱配置标准,希望能帮到你。
急救箱(包)适用范围:适用于医疗现场的紧急救护、病人的急救处理及家庭医疗保健。
1.1 型号名称为:RCB-1-内科型、RCB-2-外科型、RCB-3-综合型、RCB-4家用型、RCB-5出诊型、RCB-6拉杆型、RCB-7车辆型、RCB-8便携型。
具体规格及配置详见表1、表2和表3。
表1 采用箱体包装提供急救保健箱型号规格表2 采用包进行包装提供急救保健包型号规格表3 配置单1.2 划分说明:型号配置的划分依据,主要是根据客户差异性需求而定。
2.1 箱(包)的要求2.1.1箱2.1.1.1 外观:急救箱外观光滑整洁、连接处应无缝隙、毛刺。
2.1.1.2 尺寸:应符合表1的要求。
2.1.1.3 抗压:正上面承重20kg持续10min应无损坏。
2.1.1.4 坠落:1m高度做平地坠落试验应无损坏。
2.1.2 包2.1.2.1 外观:急救包外观应光洁干净,缝线应均匀无跳线。
2.1.2.2 尺寸:应符合表1的要求。
2.1.2.3 牢固:急救包及提带应缝纫牢固。
2.2 产品配置要求2.2.1金属器械a )不应含有防锈油。
b )不应有锈点和镀层脱落现象2.2 .2敷料产品:不应有霉点、污渍和异物。
2.2.3 有效期产品:应在有效期内。
2.2.4 配置单里面属于医疗器械的产品(除医用供氧器):必须具有医疗器械注册证书或医疗器械备案凭证。
2.2.5 数量及规格:应符合配置单的要求。
2.3 医用供氧器的要求(规格型号见表4)表42.3.1 供氧器的要求2.3.1.1贮存压力:最大贮存压力不超过15MPa。
2.3.1.2流量a)医用供氧器的最大供氧流量应不低于5L/min。
b)流量从0~5L可调。
2.3.1.3气密性:医用供氧器各阀门、接口的气密性应良好,当贮存压力不低于出厂压力时,医用供氧器处于关闭和任意开启状态下各部位应无泄露。
2.3.1.4使用性能:流量与压力调节应灵活、可靠,调节旋钮上应有调节方向标记。
2.3.1.5外观:医用供氧器的外观应整齐美观,表面清洁无污渍、色泽均匀,不得有伤斑、裂纹等缺陷。
急救箱(包)适用范围:适用于医疗现场的紧急救护、病人的急救处理及家庭医疗保健。
1.1 型号名称为:RCB-1-内科型、RCB-2-外科型、RCB-3-综合型、RCB-4家用型、RCB-5出诊型、RCB-6拉杆型、RCB-7车辆型、RCB-8便携型。
具体规格及配置详见表1、表2和表3。
表1 采用箱体包装提供急救保健箱型号规格表2 采用包进行包装提供急救保健包型号规格表3 配置单1.2 划分说明:型号配置的划分依据,主要是根据客户差异性需求而定。
2.1 箱(包)的要求2.1.1箱2.1.1.1 外观:急救箱外观光滑整洁、连接处应无缝隙、毛刺。
2.1.1.2 尺寸:应符合表1的要求。
2.1.1.3 抗压:正上面承重20kg持续10min应无损坏。
2.1.1.4 坠落:1m高度做平地坠落试验应无损坏。
2.1.2 包2.1.2.1 外观:急救包外观应光洁干净,缝线应均匀无跳线。
2.1.2.2 尺寸:应符合表1的要求。
2.1.2.3 牢固:急救包及提带应缝纫牢固。
2.2 产品配置要求2.2.1金属器械a )不应含有防锈油。
b )不应有锈点和镀层脱落现象2.2 .2敷料产品:不应有霉点、污渍和异物。
2.2.3 有效期产品:应在有效期内。
2.2.4 配置单里面属于医疗器械的产品(除医用供氧器):必须具有医疗器械注册证书或医疗器械备案凭证。
2.2.5 数量及规格:应符合配置单的要求。
2.3 医用供氧器的要求(规格型号见表4)表42.3.1 供氧器的要求2.3.1.1贮存压力:最大贮存压力不超过15MPa。
2.3.1.2流量a)医用供氧器的最大供氧流量应不低于5L/min。
b)流量从0~5L可调。
2.3.1.3气密性:医用供氧器各阀门、接口的气密性应良好,当贮存压力不低于出厂压力时,医用供氧器处于关闭和任意开启状态下各部位应无泄露。
2.3.1.4使用性能:流量与压力调节应灵活、可靠,调节旋钮上应有调节方向标记。
2.3.1.5外观:医用供氧器的外观应整齐美观,表面清洁无污渍、色泽均匀,不得有伤斑、裂纹等缺陷。
智能医用急救箱1 范围本标准规定了智能医用急救箱的要求、检验规则、试验方法及标志、标签、使用说明书、包装、运输与贮存的要求。
本标准适用于智能医用急救箱,智能医用急救箱主要由弹性绷带、纱布块、医用透气胶带、卡扣式止血带、创可贴、三角绷带、急救毯、一次性使用医用橡胶检查手套、一次性速冷冰袋、医用固定夹板、压舌板、电子体温计、纱布剪刀、塑料镊子、等产品组成。
智能医用急救箱供意外受伤时伤口临时紧急处理用。
本标准适用于智能医用急救箱。
2 规范性引用文件下列文件对于本文件的应用是必不可少的。
凡是注日期的引用文件,仅注日期的版本适用于本文件。
凡是不注日期的引用文件,其最新版本(包括所有的修改单)适用于本文件。
GB/T191-2008 包装储运图示标志的名称、图形符号、尺寸、颜色及应用方法。
本标准适用于各种货物的运输包装。
GB/T 2828.1-2012计数抽样检验程序第1部分: 按接收质量限(AQL)检索的逐批检验抽样计划GB/T 2829-2002 周期检验计数抽样程序及表(适用于对过程稳定性的检验)YY 0331-2006 医用脱脂纱布、脱脂棉粘胶混纺纱布的性能要求和试验方法3 术语和定义下列术语和定义适用于本文件。
3.1 智能医用急救箱应符合本标准的要求,并按经规定程序所批准的图样及技术文件制造。
3.2 智能医用急救箱配置尺寸及组成详细见表1的规定。
表 1 智能医用急救箱的配置清单序号名称规格数量材料用途1 弹性绷带7.5cm×450cm1卷脱脂棉线和氨纶包芯纱供外伤包扎使用,起固定敷料的作用2 纱布块10cm×10cm×8层1片纱布用于包扎伤口、固定止血。
3 医用透气胶带1.25cm×910cm1卷无纺布用于固定绷带4 卡扣式止血带/ 1个卡扣ABS 材质;松紧带棉质病人上肢或下肢出血时的捆扎止血。
5 创可贴7.0cm×1.8cm1袋弹性布、吸水垫、防粘纸小创伤、擦伤等患处的外敷止血、护创用。
急救箱配备标准急救箱是一种应急设备,用于处理突发状况下的伤病情况。
为了确保急救箱的有效性和适用性,制定一套标准的配备要求是非常重要的。
本文将详细介绍急救箱配备标准的内容和要求。
1. 急救箱的基本要求急救箱应具备以下基本要求:1.1 容器:急救箱应采用耐用、防水、易于清洁的材料制成,以确保内部的急救物品不受损害。
1.2 尺寸:急救箱的尺寸应根据实际使用需求进行选择,一般应能容纳常用的急救物品和设备。
1.3 可移动性:急救箱应设计为便于携带和移动,方便在紧急情况下进行急救操作。
1.4 标识:急救箱应有明显的标识,以便在紧急情况下快速识别和取用。
2. 基本急救物品急救箱应配备以下基本急救物品:2.1 创可贴:用于处理小伤口和擦伤。
2.2 纱布和绷带:用于包扎伤口和止血。
2.3 消毒剂:如酒精棉球或碘伏,用于清洁和消毒伤口。
2.4 医用手套:用于保护急救人员和患者的安全。
2.5 呼吸道保护装置:如面罩或呼吸囊,用于进行人工呼吸。
2.6 温度计:用于测量体温。
2.7 剪刀和镊子:用于处理伤口和取出异物。
2.8 眼药水:用于处理眼部伤害。
2.9 急救手册:提供急救指导和操作步骤。
3. 高级急救物品除了基本急救物品外,急救箱还应配备以下高级急救物品:3.1 呼吸道管理设备:如气管插管和喉罩,用于维持患者呼吸道通畅。
3.2 自动体外除颤器(AED):用于心脏骤停患者的紧急除颤。
3.3 缝合针线包:用于处理较深的伤口和创口。
3.4 糖尿病急救物品:如血糖仪、胰岛素和葡萄糖胶囊,用于处理糖尿病急症。
3.5 抗过敏药物:如抗组胺药物和肾上腺素注射剂,用于处理过敏反应。
3.6 烧伤敷料:用于处理烧伤和烫伤。
3.7 骨折固定设备:如夹板和绷带,用于固定骨折。
4. 急救箱的维护和更新为确保急救箱的有效性,应定期进行维护和更新:4.1 检查:定期检查急救箱内物品的有效期和完整性,如有过期或损坏的物品应及时更换。
4.2 补充:根据实际使用情况,及时补充急救箱中缺失的物品。
急救药箱配置标准(国标M281745)用于急救的准则是每100位员工配备一个急救箱和在每100位员工中培训一位急救人员。
第一、医护人员要求工厂遵守有关在工作时间内雇佣和使用受过培训的医护人员的所有法律和规定。
在有医护人员的工厂里,必须规定员工要求看病的手续。
如果由管理人员决定是否获准看病,工厂必须说明如何保证管理人员不滥用权力、拒绝员工看病。
每个工作区都应有管理人员或员工受过紧急救护和血液携带病的专业培训,包括夜班人员在内。
血液携带病原体的培训对急救员十分重要。
这使他们能了解到接触人体血液的危险,如艾滋病病毒(HIV)和乙肝病毒,并且知道紧急救助病人时必须采取适当的保护措施。
医疗急救受训人员必须接受防乙肝病毒疫苗接种。
受训人员应该获得培训证书,并保留复印件。
第二、急救箱的配置要求急救箱特征:携带方便、抢救设备齐全,轻便小巧急救箱的内容手电筒,水,火柴,压缩饼干,记时用具(如手表),创口贴,条件允许应有通讯工具。
一般工厂用这个:急救箱配置(按国标M281745),如果生产产品有化学有害物质,需向当地卫生部门咨询。
急救箱配置的国家标准是按照红十字急救箱药品配置,北京中西科技标准M281745红十字急救箱药品配置清单名称规格数量单位1 纯棉弹性绷带台湾材质10×100cm 1 盒2 网状弹力绷带台湾材质3#(1m)1 盒3 不粘伤口无菌敷料9×10cm 2 盒4 防水创可贴8片1 袋5 压缩脱脂棉10克×1包2 包6 三角巾96×96×136cm 1 包7 酒精棉片1×10片10 片8 强力典伤口消毒棉签10只×2包2 盒9 医用剪刀不锈钢1 把10 医用塑胶手套塑胶1 副11 记事本A5 1 本12 多功能固定铅笔Hb 1 支13 人工呼吸隔离面罩Cpr 1 个14 速效救心丸1 盒后面第三到第五是与急救箱有关,必需知道的。
希望你也看下。
急救箱(包)产品技术要求honglifang急救箱(包)适用范围:适用于医疗现场的紧急救护、病人的急救处理及家庭医疗保健。
1.1 型号名称为:RCB-1-内科型、RCB-2-外科型、RCB-3-综合型、RCB-4家用型、RCB-5出诊型、RCB-6拉杆型、RCB-7车辆型、RCB-8便携型。
具体规格及配置详见表1、表2和表3。
表1 采用箱体包装提供急救保健箱型号规格表2 采用包进行包装提供急救保健包型号规格表3 配置单1.2 划分说明:型号配置的划分依据,主要是根据客户差异性需求而定。
2.1 箱(包)的要求2.1.1箱2.1.1.1 外观:急救箱外观光滑整洁、连接处应无缝隙、毛刺。
2.1.1.2 尺寸:应符合表1的要求。
2.1.1.3 抗压:正上面承重20kg持续10min应无损坏。
2.1.1.4 坠落:1m高度做平地坠落试验应无损坏。
2.1.2 包2.1.2.1 外观:急救包外观应光洁干净,缝线应均匀无跳线。
2.1.2.2 尺寸:应符合表1的要求。
2.1.2.3 牢固:急救包及提带应缝纫牢固。
2.2 产品配置要求2.2.1金属器械a )不应含有防锈油。
b )不应有锈点和镀层脱落现象2.2 .2敷料产品:不应有霉点、污渍和异物。
2.2.3 有效期产品:应在有效期内。
2.2.4 配置单里面属于医疗器械的产品(除医用供氧器):必须具有医疗器械注册证书或医疗器械备案凭证。
2.2.5 数量及规格:应符合配置单的要求。
2.3 医用供氧器的要求(规格型号见表4)表42.3.1 供氧器的要求2.3.1.1贮存压力:最大贮存压力不超过15MPa。
2.3.1.2流量a)医用供氧器的最大供氧流量应不低于5L/min。
b)流量从0~5L可调。
2.3.1.3气密性:医用供氧器各阀门、接口的气密性应良好,当贮存压力不低于出厂压力时,医用供氧器处于关闭和任意开启状态下各部位应无泄露。
2.3.1.4使用性能:流量与压力调节应灵活、可靠,调节旋钮上应有调节方向标记。
急救保健箱
适用范围:主要用于医疗现场、公共场所的紧急救护和紧急处置,亦可用于家庭医疗保健。
1.1规格
保健箱以医用供氧器为主要装备,根据抢救场合不同配置物品分为:内科型a、外科型b、家庭型c、家庭型c1、家庭型c2、出诊型d,出诊型d1,出诊型d2,综合型e。
保健箱内物品配置见附录A。
2.1保健箱内所配置的自制产品为医用胶带和医用供氧器。
2.1.1医用供氧器
a)保健箱内配置的医用供氧器容积为1.4L或2L,具有医疗器械注册证。
b) b)保健箱内配置的医用供氧器,其压力控制应在10MPa~14.7MPa范围内。
c) c)钢质气瓶应符合GB5099-1994《钢质无缝气瓶》的要求,铝合金气瓶应符合 GB11640-2011《铝合金无缝气瓶》的要求,有压力容器合格证书,其他材质的气瓶应符合其适用的相关标准及规定.
2.1.2医用胶带保健箱内配置的医用胶带应有备案凭证。
2.2外购产品
a)保健箱中外购产品压力表、流量表应符合计量器具制造要求,应有计量器具标志及编号。
b)保健箱外购产品吸氧管、面罩应符合医疗器械产品的相关要求,应具有医疗器械注册证书。
c)保健箱内外购金属器械不应有锈点和镀层脱落现象。
d)保健箱内外购敷料类产品不应有霉点、污渍和异物。
2.3外观保健箱内物品的单包装应无破损、包装内应清洁、无杂质和油污;保健
箱内物品表面应光滑、不得有变形、变色、裂纹等缺陷。
2.4保健箱内物品配置见附录A。
智能医用急救箱1 范围本标准规定了智能医用急救箱的要求、检验规则、试验方法及标志、标签、使用说明书、包装、运输与贮存的要求。
本标准适用于智能医用急救箱,智能医用急救箱主要由弹性绷带、纱布块、医用透气胶带、卡扣式止血带、创可贴、三角绷带、急救毯、一次性使用医用橡胶检查手套、一次性速冷冰袋、医用固定夹板、压舌板、电子体温计、纱布剪刀、塑料镊子、等产品组成。
智能医用急救箱供意外受伤时伤口临时紧急处理用。
本标准适用于智能医用急救箱。
2 规范性引用文件下列文件对于本文件的应用是必不可少的。
凡是注日期的引用文件,仅注日期的版本适用于本文件。
凡是不注日期的引用文件,其最新版本(包括所有的修改单)适用于本文件。
GB/T191-2008 包装储运图示标志的名称、图形符号、尺寸、颜色及应用方法。
本标准适用于各种货物的运输包装。
GB/T 2828.1-2012计数抽样检验程序第1部分: 按接收质量限(AQL)检索的逐批检验抽样计划GB/T 2829-2002 周期检验计数抽样程序及表(适用于对过程稳定性的检验)YY 0331-2006 医用脱脂纱布、脱脂棉粘胶混纺纱布的性能要求和试验方法3 术语和定义下列术语和定义适用于本文件。
3.1 智能医用急救箱应符合本标准的要求,并按经规定程序所批准的图样及技术文件制造。
3.2 智能医用急救箱配置尺寸及组成详细见表1的规定。
表 1 智能医用急救箱的配置清单序号名称规格数量材料用途1 弹性绷带7.5cm×450cm1卷脱脂棉线和氨纶包芯纱供外伤包扎使用,起固定敷料的作用2 纱布块10cm×10cm×8层1片纱布用于包扎伤口、固定止血。
3 医用透气胶带1.25cm×910cm1卷无纺布用于固定绷带4 卡扣式止血带/ 1个卡扣ABS 材质;松紧带棉质病人上肢或下肢出血时的捆扎止血。
5 创可贴7.0cm×1.8cm1袋弹性布、吸水垫、防粘纸小创伤、擦伤等患处的外敷止血、护创用。
医用供氧器适用范围:充氧后可用于为家庭和医疗机构提供医疗保健或急救用氧。
1. 产品型号/规格及其划分说明1.1产品型号:YB型、YBJ型1.2产品规格:1.4L、2.0L、3.2L、4.0L、7.0L、10.0L1.3划分说明:YB型:阀体只装有氧气压力表;YBJ型:阀体装有氧气压力表和氧气流量表且带有减压装置。
产品结构示意图见附录2.1最大储氧压力≤14.7Mpa2.2供氧流量2.2.1YB型储氧压力处于1 Mpa~10 Mpa时,开启供氧开关,供氧流量为0~20L/min(±1 L/min)连续可调。
2.2.2YB型储氧压力处于1 Mpa时,开启供氧开关,最小供氧流量≥1 L/min。
2.2.3 YBJ型储氧压力处于1 Mpa~10 Mpa时,开启减压阀,供氧流量为0~7L/min(±1 L/min) 连续可调。
2.3气密性医用供氧器阀体与氧气瓶连接处气密性良好,无泄漏。
2.4减压阀当医用供氧器YBJ型处于10Mpa压力时,阀门开启,减压阀开启流量从0起连续可调至7L/min(±1 L/min)。
2.5使用性能压力与流量调节手轮应感觉阻尼均匀、灵活可调,手轮上应有调节/开关方向指示标记。
2.6外观医用供氧器外观应整洁无污渍,瓶体漆色为天蓝色,漆色均匀,瓶体无明显划痕和变形等缺陷。
2.7氧气瓶钢质气瓶应符合GB5099-1994《钢质无缝气瓶》的要求;铝合金气瓶应符合GB11640-2011《铝合金无缝气瓶》的要求,生产厂家应提供压力容器生产许可证、气瓶检验合格证。
2.8压力表、流量表压力表、流量表生产厂家应具有制造计量器具许可证。
2.9一次性使用鼻氧管、面罩选用有医疗器械生产许可证、产品注册证、营业执照等资质齐全且在有效期限内的生产厂家的产品。
急救包急救箱配备标准一、引言急救包急救箱是应急情况下必备的医疗设备,用于提供紧急医疗救助。
为了确保急救包急救箱的有效性和适用性,制定相应的配备标准对于各类组织和个人都具有重要意义。
本文将详细介绍急救包急救箱的配备标准,包括标准内容、物品清单和存放要求。
二、标准内容1. 急救包急救箱的种类根据使用场景和应急需求,急救包急救箱可分为基本型、专业型和特殊型。
基本型适用于日常生活中的常见伤病急救,专业型适用于特定行业和职业的急救需求,特殊型适用于特殊环境和特殊人群的急救需求。
2. 急救包急救箱的容量和尺寸急救包急救箱的容量和尺寸应根据使用场景和应急需求确定。
基本型应具备足够的容量,能够容纳基本的急救物品,且尺寸适中,便于携带和存放。
专业型和特殊型应根据具体需求确定容量和尺寸,确保能够满足相应的急救需求。
3. 急救包急救箱的材质和结构急救包急救箱应采用耐磨、防水、防震的材质制作,确保在应急情况下能够保护内部物品的完整性和安全性。
结构上应具备合理的分隔和固定装置,以便于物品的分类存放和固定,减少在移动过程中的摩擦和碰撞。
4. 急救包急救箱的标识和识别急救包急救箱应具备明显的标识和识别标志,以便于在应急情况下快速找到和识别。
标识上应包含急救包急救箱的用途、使用方法和注意事项等信息,便于使用者正确使用和维护。
三、物品清单急救包急救箱应根据不同类型的急救需求配备相应的物品。
以下为基本型急救包急救箱的物品清单示例:1. 基本药品- 一次性口罩- 纱布- 绷带- 创可贴- 消毒棉球- 碘酒- 温度计- 镊子- 剪刀- 手套2. 救援工具- 救命绳- 急救手册- 电筒- 救生衣- 救生圈- 救生带3. 其他物品- 饮用水- 食品- 毛毯- 救护车呼叫器- 紧急联系人名单- 急救箱使用说明书四、存放要求急救包急救箱的存放要求对于保证急救物品的质量和有效性至关重要。
以下是存放要求的一些建议:1. 存放环境急救包急救箱应存放在干燥、通风、温度适宜的环境中,避免阳光直射和高温潮湿的场所。
急救箱配备标准急救箱是一种常见的医疗设备,用于在紧急情况下提供初步的医疗援助。
为了确保急救箱能够有效地应对各种紧急情况,制定一套标准的配备要求是非常重要的。
以下是急救箱配备的标准格式文本,详细描述了急救箱所需的各种医疗设备和药品。
1. 急救箱的基本要求急救箱应具备以下基本要求:- 外观:急救箱应具备明显的标识,易于识别和辨认。
- 结构:急救箱应具备合理的结构设计,方便存放和取用急救物品。
- 耐用性:急救箱应由耐用的材料制成,能够承受常见的物理和环境压力。
- 防潮性:急救箱应具备防潮性能,以保护内部药品和设备的质量。
- 可清洁性:急救箱应易于清洁和消毒,以确保内部物品的卫生。
2. 急救箱的医疗设备急救箱应配备以下医疗设备,以提供基本的急救援助:- 呼吸道管理设备:包括喉镜、气管插管器、面罩、气囊等,用于维持患者的呼吸道通畅。
- 心肺复苏设备:包括心电监护仪、除颤器、呼吸机等,用于处理心脏骤停和呼吸衰竭等紧急情况。
- 血压测量设备:包括血压计、听诊器等,用于监测患者的血压情况。
- 体温测量设备:包括体温计、红外线测温仪等,用于监测患者的体温。
- 创伤处理设备:包括止血带、绷带、敷料等,用于处理各种创伤和出血情况。
- 灭菌器和消毒设备:用于对急救器械进行灭菌和消毒,以确保使用安全和卫生。
3. 急救箱的药品配备急救箱应配备以下常用药品,以应对各种紧急情况:- 呼吸道药品:包括氧气瓶、吸入剂等,用于处理呼吸道紧急情况。
- 心血管药品:包括肾上腺素、硝酸甘油等,用于处理心脏骤停和心脏病等紧急情况。
- 镇痛药品:包括吗啡、布洛芬等,用于缓解疼痛和不适。
- 抗过敏药品:包括肾上腺素、抗组胺药等,用于处理过敏反应和过敏性休克等紧急情况。
- 抗生素和消炎药品:包括头孢菌素、红霉素等,用于处理感染和炎症情况。
- 解毒药品:包括解毒剂、洗胃剂等,用于处理中毒和过量药物摄入等紧急情况。
4. 急救箱的维护和管理为了确保急救箱的有效性和可靠性,需要进行定期的维护和管理:- 定期检查:定期检查急救箱内的设备和药品,确保其完好无损和有效期限。
急救箱
适用范围:用于医疗单位及家庭急救。
1. 产品规格型号: HS
箱体由箱盖、隔垫、中层及箱底四部分组成,其外形尺寸和重量为:
箱长:41cm 箱宽:31cm
箱高:16cm 总重:5kg
2.性能指标
2.1急救箱内所装外购产品应具有有效的医疗器械注册证。
2.2急救箱外观
2.2.1急救箱外形应整齐美观,无磕碰、无裂纹等缺陷。
2.2.2产品铭牌、标志应符合YY/T0083的规定。
2.2.3急救箱锁扣易开启易关闭,关闭时有有效锁紧。
2.2.4急救箱尺寸应符合1.1要求
2. 3内放物品应符合下列要求
产品内放物品为:
供氧器、血压表、听诊器、敷料镊、手术剪、压舌板、玻璃注射器(20ml)、开口器、舌钳及体温表各一件,共记10件物品(详情请见表1)。
表1急救箱内放物品明细。
急救药箱配置标准(国标M281745)急救药箱配置标准(国标M281745) 参考用于急救的准则是每100位员工配备一个急救箱和在每100位员工中培训一位急救人员。
第一、医护人员要求工厂遵守有关在工作时间内雇佣和使用受过培训的医护人员的所有法律和规定。
在有医护人员的工厂里,必须规定员工要求看病的手续。
如果由管理人员决定是否获准看病,工厂必须说明如何保证管理人员不滥用权力、拒绝员工看病。
每个工作区都应有管理人员或员工受过紧急救护和血液携带病的专业培训,包括夜班人员在内。
血液携带病原体的培训对急救员十分重要。
这使他们能了解到接触人体血液的危险,如艾滋病病毒(HIV)和乙肝病毒,并且知道紧急救助病人时必须采取适当的保护措施。
医疗急救受训人员必须接受防乙肝病毒疫苗接种。
受训人员应该获得培训证书,并保留复印件。
第二、急救箱的配置要求急救箱特征:携带方便、抢救设备齐全,轻便小巧急救箱的内容:手电筒,水,火柴,压缩饼干,记时用具(如手表),创口贴,条件允许应有通讯工具。
一般工厂用这个:急救箱配置(按国标M281745),如果生产产品有化学有害物质,需向当地卫生部门咨询。
急救箱配置的国家标准是按照红十字急救箱药品配置,北京中西科技标准M281745红十字急救箱药品配置清单名称规格数量单位1 纯棉弹性绷带台湾材质10×100cm 1 盒2 网状弹力绷带台湾材质3#(1m) 1 盒3 不粘伤口无菌敷料9×10cm 2 盒4 防水创可贴 8片 1 袋5 压缩脱脂棉 10克×1包 2 包6 三角巾96×96×136cm 1 包7 酒精棉片1×10片 10 片8 强力典伤口消毒棉签 10只×2包 2 盒9 医用剪刀不锈钢 1 把10 医用塑胶手套塑胶 1 副11 记事本 A5 1 本12 多功能固定铅笔 Hb 1 支13 人工呼吸隔离面罩 Cpr 1 个14 速效救心丸 1 盒后面第三到第五是与急救箱有关,必需知道的。
急救保健箱
适用范围:适用于抢救治疗、紧急处置和家庭保健。
1.1产品型号规格:综合型、外科型、内科型、出诊型。
1.2划分说明:根据使用用途而配置与产品型号/规格相适应的医用物品和器具。
2.1箱体
2.1.1综合箱体尺寸:(520×370×150)mm±20mm
2.1.2外科、内科、出诊箱体尺寸:(440×350×150)mm±20mm
2.2箱体承重:30kg
2.3提手承重:30kg
2.4医用供氧器
2.4.1资质:产品具有注册证。
2.4.2性能指标基本参数
2.5夹板:材料为ABS工程塑料,外表光滑,分大号和小号。
2.5.1大号尺寸:长×宽×高(285mm±5mm)×(60mm±5mm)×(5mm±2mm)2.5.2小号尺寸:长×宽×高(195mm±5mm)×(60mm±5mm)×(5mm±2mm)
2.6外购件:选购有医疗器械产品注册证或备案表且在有效期内的产品。