常用高分子絮凝剂规格及性能
- 格式:doc
- 大小:107.00 KB
- 文档页数:4
聚丙烯酰胺(cpolyacrylamids)简称PAM,是一种线型高分子聚合物,是水溶性高分子化合物中应用最为广泛的品种之一,聚丙烯酰胺和它的衍生物可以用作有效的絮凝剂,增稠剂,纸张增强剂,以及液体的减阻剂等,广泛应用于水处理、造纸、石油、煤矿、矿冶、地质、轻纺,建筑等工业部门。
一、产品规格及主要技术指标技术指标名称 PAM 阴离子PAM 非离子PAM 阳离子PAM 复合离子外观白色或微黄色粉末粒径,mm < 2固含量(%) ≥ 88溶速(mim) ≤ 1.5不溶物(%) ≤ 2分子量(万) 500-2400 300-600 300-800 800-1500水解度(%) 13-30 5-15 离子度5-50 10-20注:根据用户要求,分子量控制在表格所定指标的范围内根据市场价格面议二、PAM物理性质及使用特性1、物理性质:分子式(CH2CHCONH2)r结构式(CH2-CH0)nPAM是一种线型高分子聚合物,它易溶于水,几乎不溶于苯、乙醚、酯类、丙酮等一般有机溶剂,其水溶液几近透明的粘稠液体,属非危险品,无毒,无腐蚀性,固体PAM有吸湿性,吸温性随离子度的增加而增加,PAM热稳定性好,加热到100oC稳定性良好,但在150oC以上时易分解产生氮气,在分子间发生亚胺化作用而不溶于水,密度(克)毫升23oC1.302。
玻璃化温度在153oC,PAM在应力作用下表现出非牛顿流动性。
2、使用特性1)絮凝性:PAM能使悬浮物质通过电中和,架桥吸附作用,起絮凝作用。
2)粘合性:通通过机械的,物理的、化学的作用,起粘合作用。
3)降阻性:PAM能有效地降低流体的磨擦阻力,水中加入微量PAM就能降阻50-80%4)增稠性:PAM在中性和酸性条件下均有增稠作用,当PH值在10oC以上PAM易水解。
呈半网状结构时增稠将更明显。
3、PAM的作用原理简介1)PAM用于絮凝时,与被絮凝物种类表面性质,特别是动电位,粘度、浊度及悬浮液的PH值有关,颗粒表面的动电位,是颗粒阻聚的原因加入表面电荷相反的PAM,能速动电位降低而凝聚。
常用无机高分子絮凝剂的类别和品种无机高分子絮凝剂的特点有哪些?Al(Ⅲ)、Fe(Ⅲ)、Si(Ⅳ)的羟基和氧基聚合物都会进一步结合为聚集体,在一定条件下保持在水溶液中,其粒度大致在纳米级范围,以此发挥凝聚—絮凝作用会得到低投加量高效果的结果。
若比较它们的反应聚合速度,由Al→Fe→Si是趋于强烈的,同时由羟基桥联转为氧基桥联的趋势也按此顺序。
因此,铝聚合物的反应较缓和,形态较稳定,铁的水解聚合物则反应迅速,容易失去稳定而发生沉淀,硅聚合物则更趋于生成溶胶及凝胶颗粒。
IPF的优点反映在它比传统絮凝剂如硫酸铝、氯化铁的效能更优异,而比有机高分子絮凝剂(OPF)价格低廉。
现在它成功地应用在给水、工业废水以及城市污水的各种处理流程,包括预处理、中间处理和深度处理中,逐渐成为主流絮凝剂。
但是,在形态、聚合度及相应的凝聚—絮凝效果方面,无机高分子絮凝剂仍处于传统金属盐絮凝剂与有机高分子絮凝剂之间的位置。
其分子量和粒度大小以及絮凝架桥能力仍比有机絮凝剂差很多,而且还存在对进一步水解反应的不稳定性问题。
IPF的这些弱点促进了各种复合型无机高分子絮凝剂的研究和开发。
聚合氯化铝的特点有哪些?聚合氯化铝(PAC),又称碱式氯化铝,化学式为ALn(OH)mCL3n-m。
PAC是一种多价电解质,能显著地降低水中粘土类杂质(多带负电荷)的胶体电荷。
由于相对分子质量大,吸附能力强,形成的絮凝体较大,絮凝沉淀性能优于其他絮凝剂。
PAC聚合度较高,投加后快速搅拌,可以大大缩短絮凝体形成时间。
PAC受水温影响较小,低水温时使用效果也很好。
它对水的pH值降低较少,适用的pH范围宽(可在pH=5~9范围内使用),故可不投加碱剂。
PAC的投加量少,产泥量也少,且使用、管理、操作都较方便,对设备、管道等腐蚀性也小。
因此,PAC在水处理领域有逐步替代硫酸铝的趋势,其缺点是价格较高。
另外,从溶液化学的角度看,PAC是铝盐水解—聚合—沉淀反应过程的动力学中间产物,热力学上是不稳定的,一般液体PAC产品均应在半年内使用。
煤矿洗煤专用絮凝剂PAM聚丙烯酰胺絮凝剂主要用于煤矿洗煤剂,各种污水处理、城市处理、各种工业污水、废水处理、污泥脱水剂、增稠剂等各种水处理,也称“百业助剂”、“万能助剂”等。
PAM聚丙烯酰胺絮凝剂(Polyscrylamide)简称PAM,俗称絮凝剂或凝聚剂,分子式为:+CH2-CHn是线状高分子聚合物,分子量在300-2600万之间,固体产品外观为白色或略带黄色粉末,液态为无色粘稠胶体状,易溶于水,温度超过120℃时易分解。
PAM聚丙烯酰胺絮凝剂分子中具有阳性基团(-CONH2),能与分散于溶液中的悬浮粒子吸附和架桥,有着极强的絮凝作用,因此广泛用于水处理以及冶金、造纸、石油、化工、纺织、选矿等领域。
PAM聚丙烯酰胺絮凝剂符合GB17514-2008标准。
PAM聚丙烯酰胺絮凝剂特性:PAM为水溶性高分子聚合物,不溶于大多数有机溶剂,具有良好的絮凝性,增稠性,可以降低液体之间的磨擦阻力,按离子特性分可分为非离子、阴离子、阳离子和两性型四种类型。
阴离子型主要用于生活生产用水,工业和城市污水处理。
亦适用于氧化铝制备过程中赤泥的絮凝沉淀及泥液分离。
阳离子型分子量偏高,主要用于水悬浊液和悬浊物的絮凝沉淀,酸性和偏酸性溶液含有有机悬浊物时絮凝是很困难的。
在这种情况下,阳离子型PAM聚丙烯酰胺絮凝剂能有效的进行絮凝沉淀,显示其突出的性能。
使用形态为0.1-0.2%水溶液,必须用PH≤7的水配制,配成稀溶液后极易水解。
应随配随用或在当天用完,不宜长时间存放。
PAM聚丙烯酰胺絮凝剂应用范围:(PAM的应用性很强)1、在造纸过程中作助留剂,补强剂。
2、水处理中作助凝剂、絮凝剂、污泥脱水剂。
3、石油钻采中作降水剂,驱油剂。
4、PAM还广泛应用于增稠、稳定胶体、减阻、粘结、成膜、生物医学材料等方面。
PAM聚丙烯酰胺絮凝剂使用方法及注意事项:1、通过小试,确定最佳的型号,以及该产品的最佳用量。
2、产品配制成0.1%(指固含量)浓度的水溶液,以不含盐的中性水为宜。
生物蛋白絮凝剂产品介绍一、产品概述生物蛋白絮凝剂生物蛋白絮凝剂是以动植物蛋白为原料,在生物工程提取的蛋白酶的催化作用下,经过酶催化合成、分级提纯,最终形成的有机高分子聚合物。
产品纯度高、分子量大、分子量分布均匀,相比微生物絮凝剂,其可大大降低了生产成本,填补了国内外工业化生产生物絮凝剂的空白。
动力粘度(25℃) 2000-12000cps,分子链线性程度≥95%,化学性质稳定,耐酸碱(pH5-11),适用温度范围广(0-50℃),极易溶于水,可生物降解。
分子链上有大量活性功能团,能有效与废水中的胶体颗粒表面产生氢键和范德华力,具有极强的吸附、架桥和网捕能力。
生物蛋白絮凝剂还可与聚铝或聚铁产品协同使用,降低聚铝或聚铁的使用量,减少上清液中铁离子或铝离子的残留。
二、产品优势1、高效广谱生物絮凝剂系列产品分子量高,分子链上携带大量活性功能基团,絮凝效果佳,不仅能大幅降低水体浊度和COD,还具有优越的除臭、除磷和降NH-N等功能。
产品广泛应用于水处理行3业的各个领域,对城市生活污水、工业废水、养殖废水、饮用水原水及河道污水处理等领域均具有良好的处理效果。
除此之外,产品在活性污泥和煤泥水浓缩、尾矿处理、有色金属浮选等方面也具有显著效果。
2、环境友好生物絮凝剂性质稳定、不挥发、无毒无害,具有极好的生物降解性,使用在水中不存在二次污染。
污水经絮凝沉淀后,上清液中基本无残留,上清可循环使用,属于环境友好型产品。
3、成层沉降在絮凝沉淀时,PAM一般与水体中的胶体形成大颗粒而进行抱团沉降,压缩性较差,底泥含水率高,不利于污泥深度处理。
生物絮凝剂产品通过电荷中和、吸附、架桥和卷扫作用与水中胶体颗粒形成紧密均匀的絮体,进行成层沉降,压缩性好,泥水分离界面清晰,能更大程度去除水中污染物。
三、生物絮凝剂的应用范围1、污水处理污水处理可分为三级,一级处理主要去除污水中的悬浮固体污染物,一般采用格栅法或混凝沉淀法。
二级处理主要去除污水中呈胶体和溶解状态的有机污染物(BOD、COD物质),大多采用生化处理法,COD去除率可达90%以上。
不同类型高分子絮凝剂处理高浊度水的沉淀浓缩性能的比较近年来,高分子絮凝剂越来越多地用于水处理领域。
由于投加高分子絮凝剂后,絮体的沉速较大,所产生污泥比较密实且投药量较无机混凝剂少,因此在高浊度水处理中,采用高分子絮凝剂已得到了大家的公认。
高分子絮凝剂按其基团带电性可分为:非离子型、阳离子型和阴离子型三类。
国内对于非离子型和阴离子型高分子絮凝剂(如聚丙烯酰胺(PAM)等)的应用研究已开展了很多年,PAM已成功地用于黄河高浊度水的处理,但新近投入市场的阳离子型则处于实验阶段。
本项研究通过不同类型高分子絮凝剂对高浊度水沉淀浓缩性能的比较,拟探讨分子量、基团带电性及投药量对沉速、浓缩污泥浓度、余浊的影响,同时结合以前的工作及本次实验结果,探求在一定条件高分子絮凝剂投药量与浑液面自然沉速的相关性。
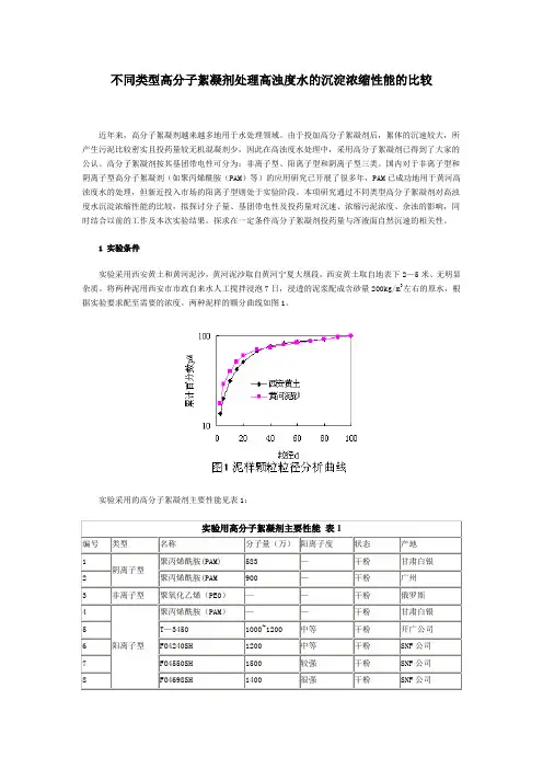
1 实验条件实验采用西安黄土和黄河泥沙,黄河泥沙取自黄河宁夏大坝段,西安黄土取自地表下2—5米、无明显杂质。
将两种泥用西安市市政自来水人工搅拌浸泡7日,浸透的泥浆配成含砂量200kg/m3左右的原水,根据实验要求配至需要的浓度。
两种泥样的颗分曲线如图1。
实验采用的高分子絮凝剂主要性能见表1:采用沉降筒实验,检测数据包括:浑液面自然沉速及絮凝沉速(mm/s),90分钟后上清液余浊(NTU),由沉降曲线根据肯奇理论计算沉降90min后的沉泥浓度(kg/m3)。
2 实验结果及分析2.1 阴离子絮凝剂的沉降性能比较不同品种阴离子絮凝剂的沉降性能如表2:由表2中的结果可知,在相同条件下,投加低分子量的PAM时絮体沉速较大,浓缩污泥密实,且上清液余浊较小。
2.2 阳离子度的影响阳离子度反映了合成絮凝剂的单体上正电荷的电性强弱。
采用不同阳离子度的阳离子絮凝剂,用西安黄土配成的水样进行沉降筒实验,结果如表3:从实验结果可以看出,随阳离子度的增大,阳离子絮凝剂的沉降性能愈好,但增加到一定程度后,阳离子度对沉降性能的影响变得比较迟缓,因此在实际生产中,没有必要一味追求高的阳离子度。
絮凝剂性能参数絮凝剂是甘蔗糖厂普遍使用的药剂,用以加速蔗汁沉降和提高清汁质量。
近年来,国内外糖业界籍助于现代絮凝剂的良好性能,研究开发了多种新的气浮清净工艺流程,显著地提高了制糖工业的科技水平。
絮凝剂的品种和性能也有很大的发展与提高,它在制糖工业中发挥着越来越重要的作用。
1、絮凝剂的种类絮凝剂有不少品种,其共通特点是能够将溶液中的悬浮微粒聚集联结形成粗大的絮状团粒或团块。
它们都是含有大量活性基团的高分子有机物,主要有三大类:1、以天然的高分子有机物为基础,经过化学处理增加它的活性基团含量而制成。
2、用现代的有机化工方法合成的聚丙烯酰胺系列产品。
3、用天然原料和聚丙烯酰胺接枝(或共聚)制成。
某些天然的高分子有机物例如含羧基较多的多聚糖和含磷酸基较多的淀粉都有絮凝性能。
用化学方法在大分子中引入活性基团可提高这种性能,如将一种天然多糖进行醚化反应引入羧基、酰胺基等活性基团后,絮凝性能较好,可加速蔗汁沉降。
将天然的高分子物质如淀粉、纤维素、壳聚糖等与丙烯酰胺进行接枝共聚,聚合物有良好的絮凝性能,或兼有某些特殊的性能。
国内研制的一些产品,曾在几个糖厂试用,有较好效果。
目前在国内外糖厂使用最广泛的絮凝剂,是合成的聚丙烯酰胺系列产品,它们的发展提高较快,在制糖工业的多种流程中普遍使用。
聚丙烯酰胺(polyacrylamide),常简写为pam(过去亦有简写为php)。
糖厂近年使用的各种pam,实质上是用一定比例的丙烯酰胺和丙烯酸钠经过共聚反应生成的高分子产物,有一系列的产品。
丙烯酰胺的分子式为:ch2 = ch-conh2丙烯酸钠的分子式为:ch2 = ch-coona聚合物的分子式为:conh2coona——ch2-ch————ch2-ch————m n式中的m与n分别代表丙烯酰胺与丙烯酸钠的相对数量。
它们的比例对聚合物的性质有很大的影响。
通常将n对(m+n)的百分比称为阴离子度或羧基比率,以前通常称它为水解度:n阴离子度=× 100%n + m因为-coona基团在水溶液中容易离解出na+而留下负电基-cooˉ,使大分子带负电,它们亦称为阴离子聚合电解质。
P A M物理性质及使用特性This model paper was revised by the Standardization Office on December 10, 2020聚丙烯酰胺(cpolyacrylamids)简称PAM,是一种线型高分子聚合物,是水溶性高分子化合物中应用最为广泛的品种之一,聚丙烯酰胺和它的衍生物可以用作有效的絮凝剂,增稠剂,纸张增强剂,以及液体的减阻剂等,广泛应用于水处理、造纸、石油、煤矿、矿冶、地质、轻纺,建筑等工业部门。
一、产品规格及主要技术指标技术指标名称PAM 阴离子 PAM 非离子 PAM 阳离子 PAM 复合离子外观白色或微黄色粉末粒径,mm < 2固含量(%) ≥ 88溶速(mim) ≤不溶物(%) ≤ 2分子量(万) 500-2400 300-600 300-800 800-1500水解度(%) 13-30 5-15 离子度5-50 10-20注:根据用户要求,分子量控制在表格所定指标的范围内根据市场价格面议二、PAM物理性质及使用特性1、物理性质:分子式(CH2CHCONH2)r结构式(CH2-CH0)nPAM是一种线型高分子聚合物,它易溶于水,几乎不溶于苯、乙醚、酯类、丙酮等一般有机溶剂,其水溶液几近透明的粘稠液体,属非危险品,无毒,无腐蚀性,固体PAM有吸湿性,吸温性随离子度的增加而增加,PAM热稳定性好,加热到100oC稳定性良好,但在150oC以上时易分解产生氮气,在分子间发生亚胺化作用而不溶于水,密度(克)毫升。
玻璃化温度在153oC,PAM在应力作用下表现出非牛顿流动性。
2、使用特性1)絮凝性:PAM能使悬浮物质通过电中和,架桥吸附作用,起絮凝作用。
2)粘合性:通通过机械的,物理的、化学的作用,起粘合作用。
3)降阻性:PAM能有效地降低流体的磨擦阻力,水中加入微量PAM就能降阻50-80%4)增稠性:PAM在中性和酸性条件下均有增稠作用,当PH值在10oC以上PAM易水解。
1、无机絮凝剂:
铁、铝等金属盐类,硫酸亚铁,氯化铁等。
2、有机高分子絮凝剂(阳离子)聚丙烯酰胺pam;阴离子聚丙烯酰胺apam;非离字型聚丙烯酰胺npam。
特性:具有除浊、脱色、吸附、粘合等功能。
使用范围:用于工业废水处理如印染厂废水,皮革废水,含氟废水处理及造纸施胶沉淀等工艺中作助留剂和助滤作用;还可用于饮用水澄清和给水净化用途广泛的水质净化产品。
3、复合型高效水处理絮凝剂(聚合硫酸铁),是采用先进的技术与工艺精制而成的复合型高分子混凝沉降药剂.它集多种功效于一体而优于单一性品种的特点.广泛用于生活饮用水的净化处理和高纯制药生产过程中固液分离过程以及湿法冶金选矿过程中的湿式氧化分解工序等方面.其性能优异于传统硫酸铝及其它无机混凝剂产品.对高浊度水的净化效果特别显著。
应用领域:主要用于生活饮用水的净水净化的预处理和深度处理,自来水厂的过滤和消毒用水中作凝聚剂和助沉剂的添加物及污水厂的污泥脱水用沉淀剂和污泥脱水上机的辅助材料等等。
4、改性有机聚合物-阳离子聚合硅酸盐水泥缓释促凝剂:
产品简介:本品是由天然海藻提取物经特殊加工后复配而成的新型绿色水处理药剂,具有独特的生物活性功能。
该品能快速有效地捕捉水体中的氨氮、硫化氢、亚硝酸盐、有机物等多种有毒有害的污染物并加以消除或降解,从而改善水质,提高鱼虾成活率。
同时还能有效防止水体缺氧造成的浮头现象发生;在养殖池塘中可降低池底耗氧量,促进鱼类生长和提高产量;在水产饲料中加入本品可以明显地增加鱼的食欲和减少发病几率。
SHENGYU 药品说明污水处理药品使用说明一、药品编号C为阳离子,A为阴离子,N为非离子二、药品配比浓度1、阴离子、非离子由于阴、非离子分子量较高,粘度较强,故阴离子配比浓度标准为1‰(可以依据污水浊度适当调整浓度。
浊度高,浓度降低;浊度低,一般可以提高其药量,但不改变其浓度为佳,否则易影响管道畅通)2、阳离子阳离子较阴离子分子量偏低,因而粘度也较阴离子弱,故阳离子配比浓度标准定在2‰(同样可以依据污水浊度适当调整浓度。
浊度高,浓度低;浊度低,可以适当增加浓度,但不要超过4‰,否则易影响管道畅通)3、PAC(聚合氯化铝)PAC由于是无机絮凝剂,故没有严格的配比浓度限制,一般正常是以30%浓度为标准,可以随意调整浓度。
三、配药注意事项1. 有机絮凝剂(阴阳离子)由于有机絮凝剂粘度较高,因此配药时应注意不要将药品一次性投入水中,否则易结块,搅拌不均匀。
在加药时,应采取渐次性加药方式(即慢慢投入水中。
)SHENGYU 药品说明SHENGYU 药品说明2. 无机絮凝剂(PAC聚合氯化铝)无机絮凝剂由于溶解较快,故溶解时没有严格限制,关键观察搅拌是否均匀。
3.配药时间1)有机絮凝剂:一般有机絮凝剂搅拌时间会较长,因为粘度高,约30-50分钟。
根据观察药品是否完全溶解定论。
2) 无机絮凝剂:无机絮凝剂由于有溶解快的优点,故溶解时间只需3-5分钟即可,也可根据溶解程度定论。
4.配药材料1、搅拌机2、电子秤(精度在0.1以上)以上列举简单配药材料,具体根据各厂现有设备和要求精度来定。
四、药品试验1. 试验材料1)烧杯2)5ml注射针筒3)玻璃棒2. 试验过程试验时,应注意加药量和污水的变化,为求准确,应多次试验。
加药时应采取渐性加药方式,由少到多,做到沉淀快,污泥少,药量省为最佳。
3. 药品的选取1)、染色废水:先加脱色剂,再加PAC,最后加POLYMER的方式。
SHENGYU 药品说明SHENGYU 药品说明2)、一般废水:先加PAC,再加POLYMER。
常用絮凝剂介绍1、概念絮凝指通过搅拌使失去电荷的颗粒互相接触聚集在一起,导致形成絮状物(絮体)的过程。
依工艺不同,该过程一般为几分钟.凝聚指胶体被压缩双电层而脱稳的过程。
这个过程时间很短,一般不到1秒钟。
一般情况下,凝聚和絮凝的过程很难截然分开,一般统称其为混凝过程。
将能使水溶液中的溶质、胶体或悬浮颗粒产生絮状物沉淀的物质都叫做絮凝剂.2、絮凝剂简介2。
1金属盐类絮凝剂2.1。
1硫酸铝应用硫酸铝进行污水的处理,它对水的有效pH范围较窄,约5.5~8。
0。
硫酸铝是历史最悠久,使用最广泛的一种无机絮凝剂,化学式Al2(SO4)3•nH2O,n最常见为14或18.工业固体产品为白色或灰色粉末或块状结晶,在空气中易吸潮结块.一般认为硫酸铝以两种方式对水体中的胶体颗粒起凝聚作用:一是吸附脱稳(吸附絮凝),当铝盐带正电的水解产物吸附在带负电的胶体颗粒表面,部分或全部中和胶体颗粒表面电荷,使胶体脱稳并相互碰撞粘结生长为大颗粒的絮凝过程;二是卷扫沉淀作用(沉淀型絮凝),当铝盐的各种水解产物包裹在水中胶体颗粒表面,并可通过这些水解物种连接胶体颗粒物形成较大的絮体,在絮体的沉降过程中卷扫水中其他胶体颗粒后共同沉淀的过程。
这两种作用形式通常认为可能会交互发生,宏观上可认为是混凝作用.硫酸铝的使用范围较广泛,可应用于饮用水净化,温度在25~40℃之间,低温条件下,硫酸铝水解困难,絮粒较轻而疏松,处理效果较差,同时,硫酸铝还存在诸如成本高,腐蚀性大,在某些场合处理效果不理想等缺点.因此,近年来在许多场合正逐渐被新的絮凝剂(如聚合氯化铝)所取代。
2.1。
2三氯化铁三氯化铁,化学式FeCl3•6H2O,为黄褐色晶体,极易吸潮,易溶于水,具强腐蚀性。
三氯化铁的混凝机理与硫酸铝相类似,最佳使用pH为5。
0~6。
0。
与硫酸铝相比较,三氯化铁处理低温水时性能较好,絮状物强度较大,适用盐类范围较宽,除色能力强,消耗量较少.不足之处是Fe3+与某些有机物形成很强的有色可溶络合物,有可能增大水体的色度。
季铵盐复合型高分子絮凝剂
季铵盐复合型高分子絮凝剂是一种重要的水处理化学品,它通过分散聚合的方法制备而成。
分散聚合方法是将单体分散在水溶液中,然后加入引发剂进行聚合反应。
在聚合过程中,通过调控引发剂的浓度、溶液pH值和温度等参数,可以控制聚合反应的速率和分子量分布,从而得到具有不同性质的絮凝剂。
季铵盐复合型高分子絮凝剂具有很强的絮凝性能和高分子量,能够有效地去除水中的悬浮颗粒和胶体物质,使水体澄清。
同时,它还具有很好的稳定性和溶解性,在不同水质条件下都能够发挥较好的絮凝效果。
这种絮凝剂广泛应用于水处理领域,包括饮用水、工业用水和污水处理等方面。
在饮用水处理中,它可以去除水中的悬浮颗粒和有机物质,改善水质。
在工业用水处理中,它可以去除水中的沉淀物和溶解物质,防止设备堵塞和腐蚀。
在污水处理中,它可以促进悬浮物的沉降和固液分离。
季铵盐复合型高分子絮凝剂的制备方法包括聚合、复配等步骤。
聚合方法可以采用本体聚合、悬浮聚合、乳液聚合等,根据需要选择不同的聚合方法。
复配时可以将季铵盐与其他药剂复配,以提高絮凝效果。
在使用季铵盐复合型高分子絮凝剂时,需要注意用药量和水质条件等因素,避免产生副作用。
同时,还要注意絮凝剂的质量和性能指标的检测和控制,确保使用效果符合要求。
总之,季铵盐复合型高分子絮凝剂是一种重要的水处理化学品,具有广泛的应用前景和市场前景。
未来还需要不断研究新的制备方法和应用技术,以提高絮凝剂的性能和效果,为水处理领域的发展做出更大的贡献。
高分子絮凝剂FX-1800产品说明书
◊产品介绍
1.FX-1800高分子絮凝剂是一种高分子聚合物,又名聚丙烯酰胺;
2.FX-1800高分子絮凝剂可以通过中和水中悬浮颗粒表面的电荷来促进颗粒絮凝,
形成絮团;
3.FX-1800高分子絮凝剂为阴离子型高分子絮凝剂;
4.FX-1800高分子絮凝剂适用于城市污水处理、工业污水处理、饮用水处理等。
◊
◊使用说明
稀释方法:FX-1800先用常温的纯水溶解,通常溶解浓度为0. l%-0. 5%,提高温度可稍微促进溶解,但水温不宜超过50度,水温过高会使FXT800产生热降解,从而影响使用效果。
搅拌速度:理想的搅拌转速为每分钟200至400转。
如转速太快可能会破坏FX-1800 分子式。
溶解时间:FX-1800通常需要约一小时的搅拌时间才能使粉末充分溶解。
FX-1800混合不充分或者结团可能影响其它的使用性能,甚至可能产生沉积、阻塞管道和加药泵。
加药点:FXT800作为助凝剂,一般加在聚合氯化铝、三氯化铁等絮凝剂之后。
◊包装
产品包装为25KG/袋。
◊保存期
室温25C,阴凉、干燥下保存12个月。
Tel:
Fax:。
聚丙烯酰胺聚丙烯酰胺【英文名称】Polyacrylamide【缩写】PAMPAM是国内常用的非离子型高分子絮凝剂,分子量150万-2000万,商品浓度一般为8%。
有机高分子絮凝剂具有在颗粒间形成更大的絮体由此产生的巨大表面吸附作用。
产品名称:[中文名称] 聚丙烯酰胺絮凝剂3号; 聚丙烯酰胺胶体Ⅰ型; 聚丙烯酰胺胶体Ⅱ型 [英文名称]Polyacrylamide缩写PAM. [分子式]C3H5NO产品特性PAM全名为聚丙烯酰胺,该产品的分子能与分散于溶液中的悬浮粒子架桥吸附,有着极强的絮凝作用。
密度=1.3 。
PAM在50-60°C下溶于水,水解度为5%-35%,也溶于乙酸、丙酸、氯代乙酸、乙二醇、甘油和胺等有机溶剂。
聚丙烯酰胺产品选型注意事项:①絮凝剂的选择必须充分考虑到工艺和设备的要求。
②可以通过提高絮凝剂的分子量来提高絮体的强度。
③絮凝剂的电荷值必须通过实验进行筛选。
④气候变化(温度)影响絮凝剂的选型。
⑤根据处理工艺要求的絮体大小选择絮凝剂的分子量。
⑥处理前絮凝剂必须和污泥充分混合溶解。
主要用途:该产品具有高分子化合物的水溶性以及其主链上活泼的酰基,因而在石油开采、水处理、纺织印染、造纸、选矿、洗煤、医药、制糖、养殖、建材、农业等行业具有广泛的应用,有“百业助剂”、“万能产品”之称。
PAM在水处理工业中的应用主要包括原水处理、污水处理和工业水处理3个方面。
在原水处理中,PAM与活性炭等配合使用,可用于生活水中悬浮颗粒的凝聚和澄清;在污水处理中,PAM可用于污泥脱水;在工业水处理中,主要用作配方药剂。
在原水处理中,用有机絮凝剂PAM代替无机絮凝剂,即使不改造沉降池,净水能力也可提高20%以。
大中城市在供水紧张或水质较差时都采用PAM作为补充。
在污水处理中,采用PAM可以增加水回用循环的使用率。
2 石油采油领域在石油开采中,主要用于钻井泥浆材料以及提高采油率等方面,广泛应用于钻井、完井、固井、压裂、强化采油等油田开采作业中,具有增粘、降滤失、流变调节、胶凝、分流、剖面调整等功能。
絮凝剂性能参数范文絮凝剂是水处理过程中常用的一种化学药剂,它可以聚集水中的悬浮物,使其凝聚成较大的颗粒并沉淀下来,以便容易分离和去除。
一个好的絮凝剂需要有一系列的性能参数来评估其效果和适用范围。
下面是一些常用的絮凝剂性能参数。
1.结晶度:絮凝剂的结晶度是指其分子链的展开程度和链间连接的密度。
结晶度越高,絮凝剂的分子链越容易展开,聚合能力越强,絮凝效果越好。
2.分子量:絮凝剂的分子量决定了其单个分子的活性尺寸和覆盖悬浮物颗粒的能力。
分子量越大,单个分子覆盖的颗粒越多,絮凝效果越好。
3.离解性:絮凝剂的离解性是指其在水中的离解能力。
离解性好的絮凝剂可以释放出更多的带电离子,增加絮凝剂与悬浮物颗粒之间的吸引力,提高絮凝效果。
4.pH适应范围:絮凝剂的pH适应范围决定了其在不同水质条件下的絮凝效果。
一般来说,絮凝剂的pH适应范围应覆盖常见的自然水体pH范围。
5.电荷密度:絮凝剂的电荷密度是指单位面积上电荷的数量。
电荷密度越大,絮凝剂与悬浮物颗粒之间的吸引力越强,絮凝效果越好。
6.沉降速度:絮凝剂的沉降速度是指其使悬浮物颗粒沉降的速度。
沉降速度快的絮凝剂可以更快地将悬浮物颗粒从水中去除。
7.稳定性:絮凝剂的稳定性是指其在长时间储存和在不同水质条件下的稳定性。
稳定性好的絮凝剂可以长时间保持其絮凝性能,并适用于不同的水体环境。
8.适用范围:絮凝剂的适用范围包括其能够处理的水质类型、处理工艺和应用场景等。
一个好的絮凝剂应具有较宽的适用范围,以满足不同水处理需求。
绮凝剂的性能参数对于选择合适的絮凝剂和调整絮凝剂的投加量都非常重要。
在实际应用中,根据水质特点和处理需求,可以综合考虑这些性能参数,选择合适的絮凝剂,并通过实验和工程应用不断优化和调整絮凝剂的使用效果。
PAM,为Polyacrylamide的缩写,中文名字聚丙烯酰胺,是国内常用的非离子型高分子絮凝剂,分子量150万-2000万,商品浓度一般为8%。
具有高分子化合物的水溶性以及其主链上活泼的酰基,因而在石油开采、水处理、纺织印染、造纸、选矿、洗煤、医药、制糖、养殖、建材、农业等行业具有广泛的应用,并有“百业助剂”、“万能产品”之称。
使用方法:
1、溶解方法
使用前先将固体颗粒溶解成1‰---5‰浓度的水溶液,以便迅速发挥效力。
在加药时,应采取渐次性加药方式,慢慢的投入水中,使之均匀的在水中分散,溶解。
2、溶解液的添加
通常是添加约0.5‰---1‰的水溶液,但在悬浊液的高浓度和高粘度的场合,建议将水溶液进一步,稀释成为0.1‰,则将容易混合而发挥充分的效果。
3、阳离子较阴离子分子量偏低因而粘度也较阴离子弱,故阳离子,非离子
配比浓度标准要比阴离子略高。
(视情况而定,同样可以依据水浓度适当调整浓度浊度高、浓度低、浊度低可以以适当增加浓度)。
建议浓度为5‰--1%。
以上就是有关pac---絮凝剂的一些简单介绍,相信大家通过以上内容对其也有了进一步的了解。
但由于该产品在不良条件下会导致絮凝性能下降,因此,在使用时必须要重视这个问题,否则再好的絮凝剂也不能取得良好效果。
有机高分子絮凝剂的种类和性质介绍2020年6月15日有机高分子絮凝剂出现于20世纪50年代,它们应用前途广阔,发展非常迅速。
已用于给水净化,水/油体系破乳,含油废水处理,废水再资源化及污泥脱水等方面;还可用作油田开发过程的泥浆处理剂,选择性堵水剂,注水增稠剂,纺织印染过程的柔软剂,静电防止剂及通用的杀菌、消毒剂等。
有机高分子高效絮凝剂有天然高分子和合成高分子两大类。
从化学结构上可以分为以下3种类型:(1)聚胺型-低分子量阳离子型电解质;(2)季铵型-分子量变化范围大,并具有较高的阳离子性;(3)高效絮凝剂丙烯酰胺的共聚物-分子量较高,可以几十万到几百万、几千万,均以乳状或粉状的剂型出售,使用上较不方便,但絮凝性能好。
根据含有不同的官能团离解后粒子的带电情况可以分为阳离子型、阴离子型、非离子型3大类。
有机高分子絮凝剂大分子中可以带-COO-、-NH-、-SO3、-OH等亲水基团,具有链状、环状等多种结构。
因其活性基团多,分子量高,具有用量少,浮渣产量少,絮凝能力强,絮体容易分离,除油及除悬浮物效果好等特点,在处理炼油废水,其它工业废水,高悬浮物废水及固液分离中阳离子型絮凝剂有着广泛的用途。
特别是丙烯酰胺系列有机高分子絮凝剂以其分子量高,絮凝架桥能力强而显示出在水处理中的优越性。
非离子型有机高分子絮凝剂:非离子型有机高分子絮凝剂主要是聚丙烯酰胺。
它由丙烯酰胺聚合而得。
阴离子型有机高分子絮凝剂:(1)阴离子型有机高分子絮凝剂主要有聚丙烯酸、聚丙烯酸钠、聚丙烯酸钙以及聚丙烯酰胺的加碱水解物等聚合物。
(2)丙烯酰胺和苯乙烯磺酸盐、木质磺酸盐、丙烯酸、甲基丙烯酸等共聚物。
阳离子型有机高分子絮凝剂:1、季铵化的聚丙烯酰胺:季铵化的聚丙烯酰胺阳离子均是将-NH2经过羟甲基化和季铵化而得,可以分为聚丙烯酰胺阳离子化和阳离子化丙烯酰胺聚合。
(1)由聚丙烯酰胺季铵化:聚丙烯酰胺(PAM)先与甲醛水溶液反应,酰胺基部分羟甲基化,其次与仲胺反应进行烷胺基化,然后与盐酸或胺基化试剂反应使叔胺季铵化。