金融保险业营业税纳税申报表(doc 41页)
- 格式:doc
- 大小:1.01 MB
- 文档页数:42
金融服务业案例及申报表填写2021年7月,某金融机构,一般纳税人,发生如下经济业务:1、出售股票取得600万元,结转股票成本800万元。
2、融资融券利息收入1400万元;3、同业贷款利息收入1000万元,线下交易;4、接到票据利息收入1600万元;5、金融经纪业务,收入3200万元;6、金融机构转回票据利息收入800万元。
7、购入办公设备40万元;其中10万元的设备专用于金融机构转贴现;8、购得办公楼一栋,所有办公人员均采用,1400万元;9、支付非贷款服务的综合咨询费80万元;10、缴付金融机构转回票据财务费用600万元。
上述业务,在无相反规定的情形下,均为不含税价,并都按适用税率取得了或者开具了增值税专用发票,除购入办公楼外,取得20份增值税专用发票,上述取得的专票当月均认证通过。
(一)纳税人拒绝接受贷款服务向贷款方缴付的与该笔贷款轻易有关的投融资顾问费、手续费、咨询费等费用,其进项税额严禁从销项税额中减免。
(二)金融机构转贴现利息收入为免税收入。
三、排序过程:1、业务1:金融商品转让销售额=600-800=-2002、业务2,3,4:属于贷款服务,销售额=1400+1000+1600=4000,销项税=4000*6%=2403、业务5:经纪业务收入=3200,销项税额=3200*6%=1924、业务6:接到金融机构转回票据利息收入,800万元(退税)5、业务7:办公设备进项税=40*17%=6.8,需作进项税额转出=10*17%=1.76、业务8:办公楼进项税=1400*11%=154本期可抵扣进项税=154*60%=92.4本期盼减免进项税=154*40%=61.67、业务9:咨询费进项税=80*6%=4.88、业务10:缴付金融机构转回补助财务费用,对方退税,并无进项。
销项税额=240+192=432可抵扣进项税=6.8+92.4+4.8=104进项税额转出=1.7万元。
应纳税额=432-104+1.7==329.72021年8月申报所属期2021年7月增值税通常纳税人申报表:附表一第5栏第1列“一般计税方法6%税率”应填写7200万元。
国家税务总局关于印发《金融保险业营业税申报管理办法》的通知字体:〔大中小〕文号:国税发[2002]9号状态:部分失效发文单位:国家税务总局发文日期:2002-01-30各省、自治区、直辖市和计划单列市国家税务局、地方税务局:现将《金融保险业营业税申报管理办法》印发给你们,自2002年2月1日起执行,国税发[2000]15号《国家税务总局关于印发〈金融保险业营业税申报管理试行办法〉的通知》同时废止。
鉴于各地国家税务局(北京市国家税务局除外)对金融保险业营业税征管工作将于2002年底结束,《金融保险业营业税申报管理办法》由各地地方税务局负责实施,各地国家税务局给予配合。
颁发《金融保险业营业税申报管理办法》是加强营业税管理,推进营业税管理信息化、现代化,保证营业税收入,确保完成2002年税收任务的重大措施,各地税务机关必须高度重视,采取坚决有力的措施保证此项政策落实到位。
金融保险业营业税申报管理办法第一章总则第一条根据《中华人民共和国税收征收管理法》(以下简称征管法)、《中华人民共和国营业税暂行条例》(以下简称条例)、《中华人民共和国营业税暂行条例实施细则》(以下简称实施细则)、财政部、国家税务总局《关于金融业征收营业税有关问题的通知》(财税字[1995]79号)等有关规定,制定本办法。
第二章适用范围第二条本办法适用于金融保险业营业税的纳税人和扣缴义务人。
第三条金融保险业纳税人是指:(一)银行:包括人民银行、商业银行、政策性银行。
(二)信用合作社。
(三)证券公司。
(四)金融租赁公司、证券基金管理公司、财务公司、信托投资公司、证券投资基金。
(五)保险公司。
(六)其他经中国人民银行、中国证监会、中国保监会批准成立且经营金融保险业务的机构等。
第四条扣缴义务人是受托发放贷款的金融机构。
第三章金融保险业征税范围第五条贷款是指将资金有偿贷与他人使用(包括以贴现、押汇方式)的业务。
以货币资金投资但收取固定利润或保底利润的行为,也属于这里所称的贷款业务。
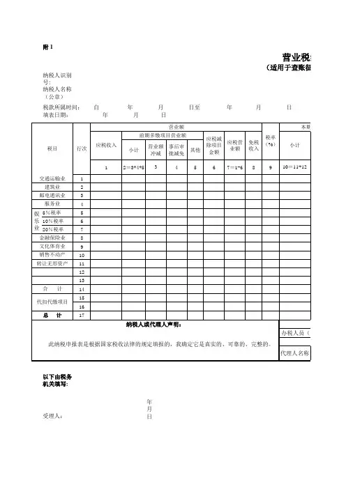
营业税纳税申报表精编 Document number:WTT-LKK-GBB-08921-EIGG-22986营业税纳税申报表(适用于查账征收的营业税纳税人)纳税人识别号: 电脑代码:纳税人名称(公章)税款所属时间:自年月日至年月日填表日期:年月日金额单位:元(列至角分)以下由税务机关填写:受理人:受理日期:年月日受理税务机关(签章)本表为A3横式一式三份,一份纳税人留存,一份主管税务机关留存,一份征收部门留存。
《营业税纳税申报表》填表说明1.根据《中华人民共和国税收征收管理法》及其实施细则、《中华人民共和国营业税暂行条例》的有关规定,制定本表。
2.本表适用于除经主管税务机关核准实行简易申报方式以外的所有营业税纳税人(以下简称纳税人)。
3.本表“纳税人识别号”栏,填写税务机关为纳税人确定的识别号,即:税务登记证号码。
4.本表“电脑代码”栏,填写税务机关为纳税人确定的电脑编码。
5.本表“纳税人名称”栏,填写纳税人单位名称全称,并加盖公章,不得填写简称。
6.本表“税款所属时间”填写纳税人申报的营业税应纳税额的所属时间,应填写具体的起止年、月、日。
7.本表“填表日期”填写纳税人填写本表的具体日期。
8.本表“建筑业”行应按营业税纳税地点的规定,填报本期在本市缴纳营业税税款所应申报的事项。
以下除特别指明外,本表“建筑业”行各栏目数据为《建筑业营业税纳税申报表》“本地提供建筑业应税劳务申报事项”中“合计”行各相应栏数据。
9.本表“娱乐业”行应区分不同的娱乐业税率填报申报事项。
10.本表“代扣代缴项目”行应填报纳税人本期按照现行规定因在本市发生代扣代缴行为所应申报的事项,分不同税率填报。
11.本表所有栏次数据均不包括本期纳税人经税务机关、财政、审计部门检查发生的相关数据。
12.纳税人自查发现的问题,如属于应税营业额计算错误、应税项目适用错误等而多缴的税款,通过退税申请受理解决,不在本表填列;如属于纳税人因未申报而补充申报的事项,仍利用此表,其所属时期应为纳税人自查发现问题的当期。
金税三期网上申报操作指南【说明:该操作指南来源于山东各市、纳税人提交问题,由上线保障组特色软件系统运行支持人员进行答疑,并结合群内企业提出的问题汇总而成,问题答疑基于问题提交时的金税三期网上报税系统,实际操作以系统运行中的情况为准。
在申报过程中如果涉及税务登记信息修改、税种认定、财务报表种类修改等涉税问题请与办税大厅或税收管理处管理人员沟通确定】一、登陆地址问题描述:部分纳税人登录网报系统()时,系统报错,无法进入网报系统主界面。
问题定位:网上报税系统安全设臵所致。
解决方法:因国家税务总局对网报系统的安全设臵,部分浏览器登录网上报税系统时,可能会出现如下提示:请按上图提示点击“继续浏览此网站”,即可进入网上报税系统主界面:二、控件下载不论初次登录是否出现上述提示,进入主界面后,请务必点击‚办税服务厅一键设臵工具下载‛,下载安装‚网上办税服务厅一键设臵工具1.0‛。
安装后:1、再次登录系统就不再出现上述错误提示;2、安装后才能办理网上申报业务。
相关延伸:不安装‚网上办税服务厅一键设臵工具1.0‛,可能导致以下业务无法办理:1、纳税人登录时,提示验证失败或用户不存在等;2、无法打开申报模块或者打开后不能填写数值;3、网上申报成功后,划款时提示纳税人识别号不能为空三、浏览器设臵现在IE10浏览器的兼容性有点问题,建议尽量卸载换成IE8或IE9.浏览器。
常见错误:‚通用申报‛填写了计税依据,没有自动计算出税额等信息。
问题定位:确认下纳税人本地机器的浏览器是否使用的是IE10。
四、登陆系统(一)账号:纳税人识别号(二)密码:Sdds+签约银行账号的后4位,其中第一个字母为大写。
如Sdds0215问题描述:部分原网报户使用初始化密码(Sdds+签约账号后四位)登录时,系统提示:验证失败或者密码错误或者用户不存在。
问题定位:未安装‚网上办税服务厅一键设臵工具1.0‛;后台批量处理初始化密码时出现遗漏;密码输入错误。
营业税纳税申报表(适用于查账征收的营业税纳税人)纳税人识别号: 电脑代码:纳税人名称(公章)税款所属时间:自年月日至年月日填表日期:年月日金额单位:元(列至角分)以下由税务机关填写:受理人:受理日期:年月日受理税务机关(签章)本表为A3横式一式三份,一份纳税人留存,一份主管税务机关留存,一份征收部门留存。
《营业税纳税申报表》填表说明1.根据《中华人民共和国税收征收管理法》及其实施细则、《中华人民共和国营业税暂行条例》的有关规定,制定本表。
2.本表适用于除经主管税务机关核准实行简易申报方式以外的所有营业税纳税人(以下简称纳税人)。
3.本表“纳税人识别号”栏,填写税务机关为纳税人确定的识别号,即:税务登记证号码。
4.本表“电脑代码”栏,填写税务机关为纳税人确定的电脑编码。
5.本表“纳税人名称”栏,填写纳税人单位名称全称,并加盖公章,不得填写简称。
6.本表“税款所属时间”填写纳税人申报的营业税应纳税额的所属时间,应填写具体的起止年、月、日。
7.本表“填表日期”填写纳税人填写本表的具体日期。
8.本表“建筑业”行应按营业税纳税地点的规定,填报本期在本市缴纳营业税税款所应申报的事项。
以下除特别指明外,本表“建筑业”行各栏目数据为《建筑业营业税纳税申报表》“本地提供建筑业应税劳务申报事项”中“合计”行各相应栏数据。
9.本表“娱乐业”行应区分不同的娱乐业税率填报申报事项。
10.本表“代扣代缴项目”行应填报纳税人本期按照现行规定因在本市发生代扣代缴行为所应申报的事项,分不同税率填报。
11.本表所有栏次数据均不包括本期纳税人经税务机关、财政、审计部门检查发生的相关数据。
12.纳税人自查发现的问题,如属于应税营业额计算错误、应税项目适用错误等而多缴的税款,通过退税申请受理解决,不在本表填列;如属于纳税人因未申报而补充申报的事项,仍利用此表,其所属时期应为纳税人自查发现问题的当期。
13.本表第1栏“应税收入”填写纳税人本期因提供营业税应税劳务、转让无形资产或者销售不动产所取得的全部价款和价外费用(不包括免税收入),分营业税税目填报,本栏数据为各相应税目营业税纳税申报表中“应税收入”栏的“合计”数。
表5-2 营业税纳税申报表填表日期:2011 年6月 8 日纳税人识别号:320100006507436 金额单位:元(列至角分)填表说明:1.本表适用于营业税纳税义务人填报;2.“全部收入”系指纳税人的全部收入;3.“不征税收入”系指科法规定不属于营业税征税范围的营业4.“减除项目”系指科法规定允许从营业收入中扣除的项目的营业额;5.“减免税项目”系指税法规定的减免税项目增值税改革营业税一、改革试点的主要内容(一)改革试点的范围与时间1.试点地区。
综合考虑服务业发展状况、财政承受能力、征管基础条件等因素,先期选择经济辐射效应明显、改革示范作用较强的地区开展试点。
目前正在上海试点,逐步营业税改增值税的改革将推广至全国。
据报导:目前,北京等地区也上报了参加试点的申请,相关部门将密切跟踪上海市试点运行情况,总结试点经验,逐步扩大试点范围,争取在“十二五”期间将改革逐步推广到全国范围。
2.试点行业。
试点地区先在交通运输业、部分现代服务业等生产性服务业开展试点逐步推广至其他行业。
条件成熟时,可选择部分行业在全国范围内进行全行业试点。
3.试点时间。
2012年1月1日开始试点,并根据情况及时完善方案,择机扩大试点范围。
(二)改革试点的主要税制安排1.税率。
在现行增值税17%标准税率和13%低税率基础上,新增11%和6%两档低税率。
租赁有形动产等适用17%税率,交通运输业、建筑业等适用11%税率,其他部分现代服务业适用6%税率。
2.计税方式。
交通运输业、建筑业、邮电通信业、现代服务业、文化体育业、销售不动产和转让无形资产,原则上适用增值税一般计税方法。
金融保险业和生活性服务业,原则上适用增值税简易计税方法。
3.计税依据。
纳税人计税依据原则上为发生应税交易取得的全部收入。
对一些存在大量代收转付或代垫资金的行业,其代收代垫金额可予以合理扣除。
4.服务贸易进出口。
服务贸易进口在国内环节征收增值税,出口实行零税率或免税制度。
金融保险业营业税纳税申报表(doc 41页) 附件:《金融保险业营业税纳税申报表》及其附表 填表说明: 1、本申报表适用于金融保险业企业填报。 2、“税款所属时间”是指纳税人申报的金融保险业营业税应纳税额的所属期间,应填写具体的起止年、月、日。 3、“填表日期”指纳税人填写本表的具体日期。 4、“纳税人识别号”,填写税务机关为纳税人确定的识别号。 5、“纳税人名称”,填写纳税人单位名称全称,不得填写简称。 6、第2栏“应税全部收入”系指税法规定的营业税征收范围内的全部应税营业收入。根据不同的应税项目填写该应税项目的全部收入,包括该应税项目中的减除项目。融资租赁业务应填写包括出租货物价款(相当于贷款本金)在内的全部租金收入。 7、第3栏“应税减除项目额”系指税法规定的可以从应税收入中减除的部分。例如,纳税人从事外汇转贷业务所支付的借款利息支出额;又如纳税人从事融资租赁业务所支出的购置货物的价款等等。对于外汇转贷业务,只有贷出部分的本金的 利息支出才允许减除,贷入但未贷出部分的本金所支出的利息不允许减除。 8、第4栏“应税营业额”系指税法规定的营业税征收范围内的应税营业额。即全部收入减去减除项目的收入额。 9、第5栏“免税全部收入”系指税法规定的营业税征收范围内的允许免税的项目的全部收入,包括该免税项目中的减除项目。 10、第6栏“免税减除项目额”系指税法规定的可以从免税全部收入中减除的部分。 11、第7栏“免税项目额”系指税法规定的营业税征收范围内的允许免税的项目的营业额,即免税全部收入减去免税减除项目额的收入额。 12、第8栏“税率”根据申报税务机关的不同(国税和地税)填写相应的税率。如地税应填5%;国税原则上应填2%。但如有税法规定减税的,如政策性银行,税率减按5%执行,则国税在税率栏填写0%;又如农村信用社目前税率为6%,则国税在税率栏填写1%。 13、本表中的“保险业务”均不含储金类保险业务的保费收入。 附表1 贷款(含贴现、押汇、透支等)利息收入明细表
纳税人名称(章) 填表日期: 年 月 日 金额单位:元 原币折人民币原币折人民币原币折人民币原币折人民币
合计——————————————————备注本期应税利息收入本期期初冲减利息本期应税利息收入总计识别号起讫日期货币名称折合率 本期冲减利息贷款本金月利率本期本金产生利息收入本期实收表外利息收入是否逾期 填表人: 审核人: 单位负责人: 填表说明 1、本税款所属期所有产生了应税利息收入的贷款(含贴现、押汇、透支等)都应填入本表,包括正常贷款、逾期贷款、催收贷款等。个人贷款并且贷款本金在100万元(含100万元)以下的贷款,可以按照贷款的种类(如:个人住房贷款、个人助学贷款、个人教育贷款、扶贫贷款、其他等)汇总填写,同时应在“备注”栏填写汇总的贷款的笔数。其他的贷款需逐笔填写。 2、“识别号”填写能唯一识别此笔贷款的编号,如:贷款合同号、借据号、帐号等。无识别号的贷款在“识别号”一栏填写“无”。汇总填写的贷款在“识别号”一栏填写贷款的种类。 3、“起讫日期”填写此笔贷款本纳税期计息的起始日期和终止日期。 4、“货币名称”填写此笔贷款的货币名称,例如,美元贷款即填写“美元”,日元贷款即填写“日元”,人民币贷款即填写“人民币”等等。 5、“折合率”是指此笔业务的原币与人民币的折合率。如果此笔业务的原币为人民币,在本栏填写1;如果原币为外币,金融业按其收到的外汇的当天或当季季末中国人民银行公布的基准汇价为折合率,保险业按其收到的外汇的当天或当月月末中国人民银行公布的基准汇价为折合率。纳税人选择何种折合率确定后,一年之内不得变动。套算公式为:某种货币对人民币的汇价=美元对人民币的基准汇价/纽约外汇市场美元对该种货币的汇价。 6、“贷款本金”填写此笔业务本纳税期期初的贷款本金。其中“原币”一栏按原币填写,例如“货币名称”为美元时,“原币”一栏也应填写此笔业务本纳税期期初的贷款本金的美元数,然后根据折合率换算成人民币,填入“折人民币”一栏中。 7、“月利率”填写此笔业务本纳税期期初的月利率。 8、“本期本金产生利息收入”填写此笔业务本纳税期的本金产生的利息收入,即本金*利率*时期。其中“原币”一栏按原币填写,例如“货币名称”为美元时,“原币”一栏也应填 写本期本金产生利息收入的美元数,然后根据折合率换算成人民币,填入“折人民币”一栏中。 9、“是否逾期”填写此笔业务的贷款本金或应收利息是否已经逾期超过180天(不含180天),如果已经逾期超过180天,则填“是”,否则填“否”。 10、“本期实收表外利息收入”填写此笔业务本纳税期实际收到的在表外核算的应收未收利息和应收未收利息的复利。其中“原币”一栏按原币填写,例如“货币名称”为美元时,“原币”一栏也应填写本期实收表外利息收入的美元数,然后根据折合率换算成人民币,填入“折人民币”一栏中。 11、“本期冲减利息”填写此笔业务本纳税期冲减的利息。即此笔业务已经纳入损益的应收未收利息,并且贷款本金或应收利息逾期超过180天(不含180天)以后,在本期相应作冲利息收入处理的利息。其中“原币”一栏按原币填写,例如“货币名称”为美元时,“原币”一栏也应填写本期冲减利息的美元数,然后根据折合率换算成人民币,填入“折人民币”一栏中。 12、“本期应税利息收入”填写此笔贷款业务本期的应税利息收入。 13、“备注”栏填写需要说明的情况。如:此笔贷款业务在本期期中质量发生变化(例如:从“正常”变化为“逾期”),需填写“质量变化”;此笔贷款业务在本期期中利率发生变化,需填写“利率变化”。对于汇总填写的贷款,应填写汇总的贷款的笔数。 14、“合计”填写各项的合计值。 15、“本期期初冲减利息”填写2000年12月31日以前纳入损益的应收未收利息在本纳税期冲减的利息部分,只在“合计”栏填写。 16、“本期应税利息收入总计”填写本期的应税利息收入总计。 17、逻辑关系 表内逻辑关系: 每行逻辑关系 如果“是否逾期”为“是”: 本期应税利息收入=本期实收表外利息收入-本期冲减利息 如果“是否逾期”为“否”: 本期应税利息收入=本期本金产生利息收入+本期实收表外利息收入 最后一行逻辑关系 本期应税利息收入总计=(合计栏)本期应税利息收入-本期期初冲减利息 与主表第一行逻辑关系: 主表“应税全部收入”=本期应税利息收入总计 附表2 外汇转贷利息收入明细表 纳税人名称(章) 填表日期: 年 月 日 金额单位:元
填表人: 审核人: 单位负责人: 原币折人民币原币折人民币原币折人民币原币折人民币原币折人民币
合计——————————————————————备注本期应税利息收入是否逾期识别号起讫日期货币名称折合率 本期冲减利息贷款本金贷出月利率本期本金产生利息收入本期实收表外利息收入贷入月利率
本期转贷利息支出
本期期初冲减利息本期应税利息收入总计 填表说明 1、本税款所属期所有产生了应税利息收入的外汇转贷业务都应填入本表,包括正常贷款、逾期贷款、催收贷款等。 2、“识别号”填写能唯一识别此笔贷款的编号,如:贷款合同号、借据号、帐号等。无识别号的贷款在识别号一栏填写“无”。 3、“起讫日期”填写此笔贷款本期计息的起始日期和终止日期。 4、“货币名称”填写此笔贷款的货币名称,例如,美元贷款即填写“美元”,日元贷款即填写“日元”,人民币贷款即填写“人民币”等等。 5、“折合率”是指此笔贷款的原币与人民币的折合率。如果此笔业务的原币为人民币,在本栏填写1;如果原币为外币,金融业按其收到的外汇的当天或当季季末中国人民银行公布的基准汇价为折合率,保险业按其收到的外汇的当天或当月月末中国人民银行公布的基准汇价为折合率。纳税人选择何种折合率确定后,一年之内不得变动。套算公式为:某种货币对人民 币的汇价=美元对人民币的基准汇价/纽约外汇市场美元对该种货币的汇价。 6、“贷款本金”填写此笔贷款本期期初的贷款本金。其中“原币”一栏按原币填写,例如“货币名称”为美元时,“原币”一栏也应填写此笔业务本期期初贷款本金的美元数,然后根据折合率换算成人民币,填入“折人民币”一栏中。 7、“贷出月利率”填写此笔贷款业务贷给客户的本期期初的月利率 8、“本期本金产生利息收入”填写此笔业务本纳税期的本金产生的利息收入,即本金*利率*时期。其中“原币”一栏按原币填写,例如“货币名称”为美元时,“原币”一栏也应填写本期本金产生利息收入的美元数,然后根据折合率换算成人民币,填入“折人民币”一栏中。 9、“是否逾期”填写此笔业务的贷款本金或应收利息是否已经逾期超过180天(不含180天),如果已经逾期超过180天,则填“是”,否则填“否”。 10、“本期实收表外利息收入”填写此笔业务本纳税期实际收到的在表外核算的应收未收利息和应收未收利息的复利。