节能自控系统技术参数(最新整理)
- 格式:pdf
- 大小:210.79 KB
- 文档页数:11
空调自控方案目录1. 空调自控方案概述 (2)1.1 方案背景 (2)1.2 方案目标 (3)1.3 方案原则 (4)2. 空调系统概述 (5)2.1 系统构成 (6)2.2 系统功能 (7)2.3 系统布局 (8)3. 自控系统要求 (9)3.1 控制系统要求 (10)3.2 通信要求 (11)3.3 安全要求 (12)4. 自控方案设计 (13)4.1.1 控制器选择 (16)4.1.2 数据采集与传输 (18)4.2 通信系统设计 (19)4.2.1 网络架构 (20)4.2.2 通信协议 (21)4.3 人机交互设计 (22)4.3.1 用户界面 (24)4.3.2 操作流程 (25)5. 系统实现 (26)5.1 硬件安装 (28)5.2 软件配置 (29)5.3 现场调试 (30)6. 自控方案优化 (32)6.1 能耗分析 (33)7. 系统维护与升级 (35)7.1 日常维护 (36)7.2 故障处理 (38)7.3 系统升级 (38)8. 案例分析 (40)8.1 成功案例 (41)8.2 故障案例 (42)1. 空调自控方案概述随着技术的不断进步,现代建筑中对空调系统的智能化需求也越来越高。
本空调自控方案旨在通过先进的控制技术,提高建筑的能源使用效率,同时创造出更舒适的环境。
该方案运用了集成化的控制平台,汇集了多种传感器与执行器,不仅能够实时监测室内外环境参数,还能根据预设条件自动调整空调系统的运行模式。
通过运用智能算法,本方案可以有效平衡舒适度与能效之间的关系,体现出“节能减排”的时代要求。
结合自学习能力的控制系统,该方案具有高度的适应性与自我优化能力,能够在用户行为模式改变的情况下,自动更新最佳运行策略。
这不仅减少了对人工干预的依赖,还大大提高了空调系统在日常运行中的自主性和智能化水平。
本空调自控方案强调动态、高效并兼具人机交互的现代空调控制系统设计理念,力求通过先进的技术与创新的设计,为建筑带来最优质的舒适空气体验,也能显著地为业主单位节省能源开支,实现节能环保的双重价值。
换热站节能控制柜参数
换热站节能控制柜的参数包括:
1. 外观尺寸:根据实际需求定制,一般为宽度1800mm、深度600mm和高度2200mm左右。
2. 控制方式:可选PLC、PID、伺服等多种控制方式,确保控制精度和稳定性。
3. 控制电压:一般为AC220V或AC380V。
4. 控制功率:根据实际需求定制,一般在5kW到20kW之间。
5. 压降控制方式:可选PID控制、频率变化控制、定时控制等多种方式。
6. 热负荷调节方式:可选PID调节、温度控制器调节等多种方式。
7. 排水方式:可选自动排水、手动排水等多种方式。
8. 通讯接口:支持RS485、MODBUS等多种通讯接口,方便接入上位机或其他设备。
9. 温控方式:可选单回路或多回路调节方式,确保温度精度和稳定性。
10. 控制精度:控制温度精度可达到±1℃,压差控制精度可达到±0.1MPa。
以上就是换热站节能控制柜的主要参数。
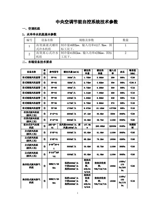
中央空调节能自控系统技术参数一、空调机组1、水冷冷水机组基本参数二、末端设备技术要求三、楼宇自控系统5.1 系统概述本系统主要监测和控制医院内各机电设备的运行状况、安全状况、能源使用状况等,实现综合自动监测、通讯、控制与管理,并使之达到最佳运行状态、起到节能作用。
系统管理工作站具备与其它系统通信联网和联动控制的硬件接口和软件接口,并提供简洁的图形化界面,并可以及时获取各种设备的运行状态、运行参数、故障及报警信息。
分布在现场各处的直接数字控制器采用对等型通讯方式,可独立运行,即使局部网络连接发生中断,也可以根据事先编制的程序自动进行操作,同时,仍与网络连接的控制器依然可以正常的交换数据。
5.2 系统设置1、系统架构系统采用集散控制方式的两层网络结构----管理层、控制层,1)管理层即管理工作站,管理工作站设置在一层消防控制室,实现对整个建筑内相关设备的集中控制和管理。
2)控制层主要为前端DDC控制器,主要设置在冷冻机房、送排风机房、新风机房等位置。
3)管理工作站通过网络控制器与各DDC控制器之间进行通讯。
管理工作站与网络控制器之间采用TCP/IP通讯方式(基于智能化控制网),网络控制器与DDC控制器之间则采用RS485总线实现点对点通讯,可在线增减设备,便于系统扩展。
2、监控内容本系统监控内容包括:冷热源系统、空调新风系统(净化空调系统及洁净排风系统的控制,由专业净化公司进行专项深化设计施工,不包含在本次设计范围内。
)、送排风机(其中,双速排烟风机只控低速;消防专用的正压送风机、排烟风机不纳入自控范围)、给排水系统等建筑机电设备。
1)冷热源系统系统检测冷冻水供、回水温度、流量等参数,计算空调系统的实际冷负荷,对冷源系统各机组、水泵进行顺序启停,并与单台机组制冷量进行比较,确定机组运行台数;同时监测各机组、水泵手自动状态、故障状态,并通过水流开关监测其运行状态;检测冷却水供回水温度,根据冷却水供回水温度对冷却塔风机运行台数风机频率控制,并监测其频率反馈状态。
最新版大金自控产品详细参数及介绍大金是一家在全球范围内领先的空调和厨电制造商,以其高品质和先进的技术而闻名。
最新版的大金自控产品是该公司的一项重要创新,它提供了更高的智能化和自动化功能,以满足用户对舒适和便利的需求。
下面是对最新版大金自控产品的详细参数和介绍。
1.设备名称:最新版大金自控产品2.功能特点:-智能温控:最新版的大金自控产品配备了智能温控功能,可以根据用户的需求和环境的变化,自动调整温度,保持室内的舒适度。
-远程控制:用户可以通过手机应用或互联网远程控制设备,无论身在何处,都能轻松控制室内温度和其他设备功能。
-定时开关机:用户可以根据自己的日常生活习惯,预先设定设备的开关机时间,实现自动化的温度控制,提高能源利用效率。
-能耗监测:最新版大金自控产品还具有能耗监测功能,可以实时监测设备的能耗情况,帮助用户更好地管理能源消耗,降低能源开支。
-学习模式:设备能够学习用户的习惯和喜好,根据用户的行为模式和喜好进行智能化的温度调整,提供个性化的舒适体验。
3.技术规格:-温度范围:最新版大金自控产品的温度范围为5℃至30℃,可以满足不同季节和环境温度的需求。
- 尺寸:设备的尺寸为100mm x 100mm x 30mm,小巧精致,便于安装和携带。
-无线连接方式:设备采用Wi-Fi或蓝牙等无线连接方式,方便用户与设备进行远程控制和监测。
-电源:设备使用电池供电,节能环保,无需频繁更换电池。
-兼容性:最新版大金自控产品兼容多种空调和厨电设备,可以与其他厂家的设备无缝连接和配合使用。
4.使用场景:-家庭:最新版大金自控产品适用于各种家庭场景,可以实现家庭内空调和厨电设备的便捷控制,提高生活品质。
-办公室:设备也适用于办公室和商业场所,可以实现智能化的温控管理,提高工作效率和员工的舒适感。
-酒店和旅游业:最新版大金自控产品可以满足酒店和旅游业对温控管理的特殊需求,提供个性化的服务和舒适的住宿体验。
总结:最新版的大金自控产品是一款集智能化、便利性和节能性于一体的创新产品。
科技成果——集中空调节能自控信息系统技术类别能效提高技术适用范围适用于集中空调末端能耗监测和能源中心的节能自控成果简介通过对中央空调系统末端设备、冷水机组等相关耗能设备进行综合自动控制,实现实时监测并有效地控制上述各设备运行状态。
主要包括两大部分:中央空调末端监控系统和能源中心监控系统。
中央空调末端监控系统主要实现对中央空调末端能耗的实时监测,采集能耗数据,存入数据库,并能够对末端温度进行控制,限制温度夏季过低或冬季过高,解决了国务院办公厅《关于严格执行公共建筑空调温度控制标准的通知》(国办发〔2007〕42号)中的要求“室内空气相对湿度低于70%的情况下,公共建筑内夏季室内空调温度设置不得低于26℃,冬季室内空调温度设置不得高于20℃。
”实施的技术难题。
能源中心监控系统主要实现依据末端能耗的实时数据,对能源中心设备进行监测和控制,及时调节能源中心各设备的运行状态,使能源中心处于最佳启动设备台数和最佳运行状态。
技术效果充分利用“负荷随动”技术实时检测空调末端能耗需求量,从而达到同步调节、供需平衡,能效能提高20%以上;通过冷冻泵节能控制器、冷却泵节能控制器、冷却塔节能控制器和换热器节能控制器等监控设备进行监测控制,自动决定水泵的启停组合和台数,可节能20%;通过主机接口控制器来自动控制主机的启停及组合,实现节能。
综合评估节能效果在20%-40%左右,提高了能效使用效率。
应用情况集中空调节能自控信息系统已完成产品中试,并投入项目运行,已承建示范工程项目3个。
1、河南汉威产业园三期中央空调节能自控系统。
经过一个制冷季和一个采暖季的运行,系统运行稳定,自动控制科学合理,达到对中央空高调的精细化管理,主机和未端均得到高效运行,系统节能在30%以上。
2、太康县公安局技术装备中心中央空调节能自控系统。
预计2014年试运行,预期节能效果可达34%以上。
3、中原艺术学院办公楼中央空调节能自控系统。
项目计划2014年建设完工,预计2014年冬季试运行,预期节能效果可达30%以上。
技术要求-中央空调节能控制系统1.一般要求1)须按施工图纸内相关技术参数,选取及配置合适的设备,满足本工程的使用功能。
(图纸中各设备数量为暂定,最终投标时以施工图纸及机电安装的合同为准)2)厂商须根据图纸进行深化设计。
3)须保证所提供设备为原厂生产的全新合格产品。
4)有关设备,无论在运送、储存及施工安装期间,应采取正确的保护设施,以确保设备在任何情况下不受破损。
5)相关设备及配件上须附有原厂标志铭牌、指示、警告标识等,所有标识必须具有中文表示,内容应符合国家有关规定,材料应为耐腐蚀、耐磨的金属材料,且须牢固附着于货物显著位置处。
2.质量保证1)制造厂家须具有生产及安装同类型设备的经验,且所提供的设备必须为常规定型产品,技术成熟,运行可靠,并具有五年到十年或以上成功运行的记录。
2)供货商须在本工程所在地有售后服务中心,保证及时为用户提供完善的技术和售后服务。
3)所提供设备要求为厂家自有系列产品,不接受厂家收购或并购系列产品。
4)设备设计、制造、安装、调试和验收须符合相符的中国或国际认可的规范及标准。
如规范/规程/标准之间存在不同之处,应选择较严格或标准较高者;有更新的标准规范版本,当采用最新的版本。
当技术要求与图纸出现矛盾时,应遵守较高标准要求,最终解释权归业主所有。
3.资料呈审1)应提供完整的产品技术说明书及相关技术资料。
包括但不局限于:◆设备及管线平面图;◆系统控制原理图;◆控制柜系统图;◆电路图;◆装配图;2)厂商应真实有效地提供技术偏离表,附于报价文件中。
3)如业主认为所提供的技术资料不能满足需要时,业主有权提出补充要求,厂商应按要求免费提供所要补充的技术资料。
4、产品要求中标人必须按本技术要求完成系统项目的工程承包,其中应包括:1)控制系统方案设计、软件的编程和组态;2)控制系统所包括的全部成套设备及工程材料、器件等的供应、运输及仓储;3)安装的计划、组织及实施。
4)仪表和控制系统的调试、验收及培训服务,并按上述顺序提交资料。
大功率节能系统技术参数随着能源资源的日益减少和环境污染的日益严重,节能已经成为现代社会发展的重要方向。
在大功率系统中,如电力系统、工业制造系统等,节能尤为关键。
下面将介绍一些大功率节能系统的主要技术参数。
1.效率:大功率节能系统的效率是衡量其节能性能的重要参数。
效率是指输入能量与输出能量之间的比值,通常以百分比表示。
能源转化的过程中,会有一部分能量损失,而高效的节能系统能够最大限度地减少这些能量损失。
2.节能比:节能比是指节能系统使用的能源与传统系统使用的能源相比较的比值。
节能比越大,系统节能效果越明显。
通常,节能比可通过实验或理论计算确定。
3.传输损耗:大功率系统中,能源的传输过程中会有一定的能量损耗,称为传输损耗。
减少传输损耗是提高大功率系统节能性能的重要手段之一、传输损耗通常以电阻或摩擦损耗等方式发生。
4.负载适应能力:大功率节能系统应具备较好的负载适应能力,即在不同负载情况下仍能保持较高的效率。
这是因为大功率系统在运行过程中,负载会发生变化,如果系统能够适应负载的变化,能够避免不必要的能量损耗。
5.智能控制:大功率节能系统应具备智能控制能力。
通过引入先进的控制算法和传感器技术,可以实现对系统的实时监测和自动调节,从而最大限度地减少能量损耗。
智能控制系统还能够根据用户的需求,灵活调节系统的工作模式。
6.安全性:大功率节能系统的安全性是至关重要的。
大功率系统中,能量传输和转换的过程中,可能涉及高温、高压等危险因素。
因此,大功率节能系统应采用可靠的安全措施,确保系统在运行过程中不会发生事故。
7.维护成本:大功率节能系统的维护成本也是需要考虑的因素。
高效的节能系统通常需要更复杂的设备和更高的技术要求,这可能增加系统的维护成本。
因此,在设计大功率节能系统时,需要综合考虑维护成本与节能效果之间的平衡。
总结起来,大功率节能系统的技术参数包括效率、节能比、传输损耗、负载适应能力、智能控制、安全性和维护成本等。
谷力电控系统参数表摘要:1.引言2.谷力电控系统概述3.系统参数表内容详解4.参数表的应用和意义5.结论正文:1.引言在当今社会,科技日新月异,电子产品和设备已经成为我们生活和工作中不可或缺的一部分。
电子设备的正常运行离不开控制系统,而电控系统参数表则是记录和调整系统参数的重要工具。
本文将以谷力电控系统参数表为例,详细介绍电控系统参数表的内容和意义。
2.谷力电控系统概述谷力电控系统是一款应用于工业自动化领域的控制系统,具有较高的稳定性和可靠性。
该系统可实现对各种工业设备的自动控制,优化生产流程,提高生产效率。
谷力电控系统参数表是该系统的核心组成部分,用于记录和调整系统的各项参数。
3.系统参数表内容详解谷力电控系统参数表主要包括以下几个方面的内容:(1)基本参数:包括设备型号、生产厂家、生产日期等,用于区分和识别设备。
(2)电气参数:包括电源电压、频率、功率等,用于保证设备正常运行的电气条件。
(3)机械参数:包括电机转速、扭矩、工件尺寸等,用于描述设备的机械性能。
(4)传感器参数:包括传感器类型、量程、分辨率等,用于实现对设备运行状态的监测。
(5)控制器参数:包括控制器型号、程序号、通讯方式等,用于实现设备与控制系统之间的信息交流。
(6)其他参数:包括安全防护、故障诊断等,用于保证设备运行的安全可靠。
4.参数表的应用和意义谷力电控系统参数表在实际应用中具有重要意义:(1)方便调试:通过参数表,工程师可以快速了解设备的各项参数,便于设备的调试和故障排查。
(2)保证设备安全运行:参数表中的安全防护措施和故障诊断功能,有助于防止设备故障和事故的发生。
(3)优化生产过程:通过对参数表的调整,可以实现对设备运行状态的优化,提高生产效率和产品质量。
(4)便于维护和升级:参数表详细记录了设备的各项参数,有利于设备的维护和升级。
5.结论总之,谷力电控系统参数表是记录和调整电控系统参数的重要工具,对于保证设备正常运行、优化生产过程具有重要意义。
产品手册产品系列名 称机 型功 率油/气田专用智能节能控制系统能量回馈型变频控制一体柜风冷4kW 5.5kW 7.5kW 11kW15kW22kW 30kW 37kW45kW 55kW75kW风能产品全功率风电变频器永磁、电励磁、高速异步850kW-6.0MW 双馈风电变频器风冷、水冷1.0MW-6.0MW 光伏产品集散式智能光伏系统集散式逆变器、光伏控制器1MW、8/12/16路集中式逆变器无变压器(大型电站)含变压器(中小型电站)无变压器:500kW-630kW 含变压器:500kW-630kW兆瓦级光伏逆变房无变压器 1.0MW-2.5MW 690V 变频器产品6脉波不控整流变频器风冷500kW-1MW 四象限变频器风冷500kW-1MW 水冷1.5MW-2.5MWhopeView TM 智能监控系统深圳市禾望电气股份有限公司是一家专注于新能源和工控传动研发、制造、销售和服务的高新技术企业,公司拥有完整的大功率变流器及监控系统的自主开发平台。
通过技术和服务上的自主创新,不断为客户创造超额价值,现已成为国内新能源领域领先的电气企业。
在新能源领域,禾望产品系列覆盖国内850kW~7.0MW风电变流器、50kW~1.0MW光伏逆变器及1.0MW~2.5MW光伏并网逆变房等主流机型;在工业传动领域,禾望提供0.4kW~60MW的传动成套解决方公司简介业内领先技术完全自主知识产权卓越品质业绩领先抽油/气机提取原油/天然气是油/气田生产的主要手段,约占油/气田总用电量的40%,抽油/气机生产过程中能耗的降低是油/气田生产节能减排的关键所在,实际运行表明变频控制技术在实际应用中体现出了良好的节能效果。
凭借在大功率变频器领域的丰富经验和坚实的市场份额,针对油/气田应用工况,禾望电气推出了拥有专利技术的油/气田专用“能量回馈型变频控制一体柜”。
该产品的功率覆盖包括4kW到75kW,涵盖抽油/气机主要功率段。
一、自控设备招标清单十里丰加压泵站自控设备清单二、设备技术要求(一)、硬件总体要求1、监控系统应为工业级设备,系统的MTBF优于20000小时。
2、提供的软/硬件应为设备在工厂试验时,市场供货的最新版本和型号的原装产品。
并写明产品及主要零部件的生产产地。
3、所有的设备应有可在 24小时内到位的服务和修理的保证,使整个工程能连续运转。
4、电源:所有的系统组件(包括监视器)应能在以下电源条件下工作:220(380)V±lO% AC,47Hz~63Hz,电压的谐波失真值最大到5%。
通用数据的保护等级符合IEC536。
现场电力供应:额定电压为380V/220V,额定频率为50Hz。
5、防雷及过电压保护:需电源保护、网络保护和信号保护。
6、所有的硬件应能在其环境条件下工作。
7、监控设备应为高级别的标准化产品,设计成模块化结构,方便系统的扩展。
8、继电器:用于引出开关量触点容量扩大或保护,继电器应是插入式,DIN导轨安装,并配置透明的保护罩。
应提供清晰的继电器状态和手动测试操作方式指示装置。
9、状态和故障信号应引自无源触点。
10、应提供对电磁干扰的全面保护。
11、应用软件开发必须遵守中华人民共和国国家标准GB8566-88“计算机软件开发规范”。
(二)、软件总体要求系统监控软件应该是一套应用程序套装软件,运行在Windows中文版操作系统上,应具有高可靠性、开放性特点。
人机界面(HMI)所使用的HMI/SCADA监控软件应在Intouch最新中文版平台上开发。
计算机操作系统软件采用Windows XP professional 中文版。
服务器操作系统软件采用WINDOWS 2008 SERVER(及以上)。
组态监控软件采用Intouch最新中文版。
办公软件采用OFFICE 最新中文版。
(三)、主要自控设备的技术要求1、电磁流量计电磁流量测量传感器、变送器(分体型)应为管道式电磁流量计,且带有先进的微处理器信号处理系统。
恒温恒湿自控系统技术要求一、总体要求。
1. 精准控制。
这系统得像个超细心的小管家,不管外界环境怎么变,室内的温度和湿度都得稳稳当当的。
温度的波动范围啊,最好能控制在正负0.5摄氏度以内,湿度波动范围呢,要在正负3%以内。
就像走钢丝的杂技演员,得保持超级好的平衡。
2. 兼容性。
它得是个合群的家伙,能和各种设备友好相处。
不管是咱常见的空调、加湿器、除湿器这些,都得能轻松对接上,就像大家手拉手一起工作一样,不能挑三拣四。
3. 稳定性。
这个系统要像个老黄牛一样可靠,不能动不动就出故障。
长时间运行的时候,不能突然就撂挑子不干了。
至少得连续稳定运行个几年,中间不能有太多小毛病,不然就像个调皮捣蛋的小孩,太让人操心了。
二、传感器相关要求。
1. 精度。
传感器可是这个系统的眼睛和鼻子,温度传感器测量精度要高,误差不能超过0.2摄氏度。
湿度传感器也不能含糊,误差得在2%以内。
要是精度不够,就像个近视眼的人在雾里看花,根本没法准确判断室内的温湿度情况。
2. 响应速度。
传感器得是个反应敏捷的家伙,一旦温湿度有变化,要能快速察觉。
温度传感器在温湿度变化后的反应时间不能超过30秒,湿度传感器也不能超过1分钟。
要是反应太慢,就像等蜗牛送信一样,系统就不能及时调整了。
3. 耐用性。
传感器要禁得住折腾,不能是个娇弱的小花朵。
要能在不同的环境下正常工作,不管是有点灰尘啊,还是偶尔温度湿度有点极端的情况,至少得能用个三五年,不能用几个月就坏掉了。
三、控制器要求。
1. 智能控制算法。
控制器得像个聪明的大脑,要有一套厉害的控制算法。
能够根据传感器传来的信息,快速算出怎么调整设备才能让温湿度达到设定值。
不能是那种笨笨的算法,像走迷宫老是碰壁的那种,得又快又准地找到最佳的控制方案。
2. 操作方便。
这控制器的操作界面得是那种一看就懂的,就像手机上简单的APP一样。
不需要专门去培训个好几天才能上手,普通工作人员看两眼就能知道怎么设置温度湿度的数值,怎么查看系统运行状态。
XX中电节能节电产品技术简介一、“SHHZD”-100系统类节电器:(一):“SHHZD”-100系统类节电器节电主要原理:系统节电器利用当今最先进的电工原理进行节电,它靠专利的技术的分流系统,由高科技的特殊材料经特别缠绕,平行卷缠而组成,它以每个相位产生的磁力耦合为目的,增强交流(AC)波形,使它符合用于电感性负荷的要求.实践证明,根据电网需要,在配电系统适当点安装单台和多台SHHZD--L100型、SHHZD-L50型、SHHZD-820大功率型系统节电器,可使其形成一个电力调节系统,节电和保护效果最佳.该产品主要通过压扁电流波形.缓冲吸收.冷却电机.无功能量转化为有功能量四大节电原理的综合运用而最终达到节电目的.它能帮助用电设备达到:降低尖峰电力需求;减少电量消耗;保护用电设备;抑制电压浪涌;降低用电设备运行温度;减少电流;过滤瞬流、净化电力;提高功率因素;压扁电流波形;吸收电源中的湝波、瞬流、浪涌、脉冲等有害物质。
SHHZD系统节电器并联在电网线路中,在保证负载设备转速.转矩不变的情况下,可以节省电费5%-25%.(二)系统节电器的类型:根据节电市场的特点和需要,SHHZD系统节电器共分为三个型号:分别是SHHZD--L50型、SHHZD--L100型、SHHZD--810型。
其中SHHZD--L50型适用于用电设施负载在50KW以下的工况,SHHZD--L100型适用于用电设施负载在100KW以下的工况,SHHZD-820型适用于用电设施负载小于50KW和大于100KW的工况。
(三)系统节电器的适用X围:工厂、车间、冶金、矿山、煤炭、石油、纺织、食品加工、制药、等所有用电场所。
系统节电器的最大优势就是使用X围广,在应用上根本不受末端设备的局限和系统大小的影响。
产品设计使用寿命20年。
(四):主要成功案例:1:小峪煤矿选煤厂节能改造节电率18%2:永靖硅铁厂磁选机等设备节能改造综合节电率16%3:白山铜矿节能改造节电率13.5%4:徐川铁矿节能改造节电率13%5:兰鑫钢铁公司节能改造节电率11%6:南山水泥厂节能改造节电率12.7%二、“SHHZD”电博士电机自动调速和跟踪专用节电器(专利技术)(一):各类电机电能浪费的主要原因:1:在工厂建厂初期设计的各类电机拖动系数中,XX人员往往以最高负载量加上裕量来设计电机参数及选择电机型号,而在电机的实际的运行中,相当部分的电动机并非满载运行,而是工作于满电压、满速度但是负载却较小的状态之中;2:对于变负载运行的各类电机,在正常工作的同时,也会有较大的节电空间。
目次1 范围 (1)2 规范性引用文件 (1)3 术语和定义 (1)4 总体要求 (3)5 主要系统性能指标 (4)6 硬件配置要求 (4)7 软件功能要求 (12)8 配电要求 (15)9 接口要求 (15)10 系统调适、检测与验收 (16)11 运行维护 (18)12 标志、包装、运输和贮存 (18)城市轨道交通车站通风空调节能控制系统通用技术条件1范围本文件规定了城市轨道交通车站通风空调节能控制系统的术语和定义、总体要求、主要系统性能指标、硬件配置要求、软件功能要求、配电要求、接口要求、系统调试检测与验收、运行维护、标志、包装、运输和贮存等。
本文件适用于城市轨道交通车站,城市轨道交通控制中心、车辆基地等可以参照执行。
2规范性引用文件下列文件中的内容通过文中的规范性引用而构成本文件必不可少的条款。
其中,注日期的引用文件,仅该日期对应的版本适用于本文件;不注日期的引用文件,其最新版本(包括所有的修改单)适用于本文件。
GB/T 7424.22 光缆总规范第22部分:光缆基本试验方法环境性能试验方法GB/T 14048.11 低压开关设备和控制设备第6-1部分:多功能电器转换开关电器GB/T 14549 电能质量公用电网谐波GB/T 17215.301 多功能电能表特殊要求GB/T 17215.321 电测量设备(交流)特殊要求第21部分:静止式有功电能表(A级、B级、C级、D级和E级)GB/T 17215.322 交流电测量设备特殊要求第22部分:静止式有功电能表 (0.2S级和0.5S级) GB/T 17215.323 电测量设备(交流)特殊要求第23部分:静止式无功电能表(2级和3级)GB 17625.1 电磁兼容限值电磁兼容限值谐波电流发射限值(设备每相输入电流≤16A)GB/T 17626(所有部分)电磁兼容试验和测量技术GB/T 20840.8 互感器第8部分:电子式电流互感器GB 50093 自动化仪表工程施工及质量验收规范GB 50339 智能建筑工程质量验收规范GB 51348 民用建筑电气设计标准JGJ/T 177 公共建筑节能检测标准JJG 846 粉尘浓度测量仪检定规程3术语和定义下列术语和定义适用于本文件。
节能电机及控制系统技术要求新疆油田公司二0一三年九月编制单位:工程技术研究院审核人员:杜文军、张犁、夏玮、李纲要、姜传方、张洪海、葛苏鞍、赵立新、帕尔哈提、薛兴昌、周勇、胡政梅、张武、王浩洋、王景审定人:冉蜀勇1、节能控制装置机采节能控制柜是针对油田在用抽油机存在系统效率低、功率因数低、“大马拉小车”、电流冲击大、耗能高等问题,以提高抽油机单井系统效率、降低网损、节约电能为目的而设计的控制装置。
本指南中涉及的机采节能控制柜包括油田常用的变频类、调压类和间抽类3种。
1.1节能控制柜柜体要求(1)尺寸(cm):变频、间抽控制不大于160× 80×60,铁皮厚度不小于1.5mm,颜色为浅灰;(2)装置进行防雨、防风沙设计,满足夏季高温、冬季高寒、风沙大的环境要求(-45~+70℃),装置体密封,门边设置密封槽,内侧突起和镶入软胶皮;(3)柜门选用外置式压紧把手,不设锁;(4)铭牌、警示牌和标识牌要求醒目;(5)装置高低压电源线、控制线应设置区分标识,经过门边的控制和信号线须采取保护措施;(6)装置内元器件更换方便,设计、布局、安装符合电器规范。
1.2 技术指标1.2.1 变频控制柜技术性能指标(1)变频器性能稳定,频率设定操作简便;(2)具有冲次任意调节、谐波抑制功能(电压谐波小于5%);(3)对电机提供短路、过载等保护;(4)显示频率、电流和电压;(5)具有旁路功能;(6)使用寿命不低于7年;(7)产液量不减的条件下,节电率≥15%,加权平均功率因数≥0.85;(8)损耗电阻外置。
1.2.2 调压控制柜技术性能指标(按照设备处规定的尺寸执行)(1)具备普通配电箱所具备的过流、过载、缺相等保护功能,小电流软启动、电子式综合保护等功能,性能稳定;(2)谐波抑制功能(电压谐波小于5%);(3)显示电流和电压;(4)调压范围220V~380V;(5)具备旁路功能;(6)使用寿命不低于7年;(7)节电率≥10%,加权平均功率因数≥0.75。
中央空调节能自控系统技术参数一、空调机组1、水冷冷水机组基本参数二、末端设备技术要求三、楼宇自控系统5.1 系统概述本系统主要监测和控制医院内各机电设备的运行状况、安全状况、能源使用状况等,实现综合自动监测、通讯、控制与管理,并使之达到最佳运行状态、起到节能作用。
系统管理工作站具备与其它系统通信联网和联动控制的硬件接口和软件接口,并提供简洁的图形化界面,并可以及时获取各种设备的运行状态、运行参数、故障及报警信息。
分布在现场各处的直接数字控制器采用对等型通讯方式,可独立运行,即使局部网络连接发生中断,也可以根据事先编制的程序自动进行操作,同时,仍与网络连接的控制器依然可以正常的交换数据。
5.2 系统设置1、系统架构系统采用集散控制方式的两层网络结构----管理层、控制层,1)管理层即管理工作站,管理工作站设置在一层消防控制室,实现对整个建筑内相关设备的集中控制和管理。
2)控制层主要为前端DDC控制器,主要设置在冷冻机房、送排风机房、新风机房等位置。
3)管理工作站通过网络控制器与各DDC控制器之间进行通讯。
管理工作站与网络控制器之间采用TCP/IP通讯方式(基于智能化控制网),网络控制器与DDC控制器之间则采用RS485总线实现点对点通讯,可在线增减设备,便于系统扩展。
2、监控内容本系统监控内容包括:冷热源系统、空调新风系统(净化空调系统及洁净排风系统的控制,由专业净化公司进行专项深化设计施工,不包含在本次设计范围内。
)、送排风机(其中,双速排烟风机只控低速;消防专用的正压送风机、排烟风机不纳入自控范围)、给排水系统等建筑机电设备。
1)冷热源系统系统检测冷冻水供、回水温度、流量等参数,计算空调系统的实际冷负荷,对冷源系统各机组、水泵进行顺序启停,并与单台机组制冷量进行比较,确定机组运行台数;同时监测各机组、水泵手自动状态、故障状态,并通过水流开关监测其运行状态;检测冷却水供回水温度,根据冷却水供回水温度对冷却塔风机运行台数风机频率控制,并监测其频率反馈状态。