压片成型机课程设计
- 格式:pdf
- 大小:2.68 MB
- 文档页数:14
压片成形机设计题目机械设计是根据使用要求对机械的工作原理、结构、运动方式、力和能量的传递方式、各个零件的材料和形状尺寸以及润滑方式等进行构思、分析和计算,并将其转化成为制造依据的工作过程。
机械设计是机械产品生产的第一步,是决定机械产品性能的最主要环节,整个过程蕴含着创新和发明。
为了综合运用机械原理课程的理论知识,分析和解决与本课程有关的实际问题,使所学的知识进一步巩固和加强,我们参加了此次的机械原理课程设计。
(1)总功能要求设计自动压片成形机,将具有一定湿度的粉状原料(如陶瓷干粉或药粉)定量送入压形位置,经压制成后脱离该位置。
机器的整个工作过程(送料-压形- 脱离)均自动完成。
该机器可以压制陶瓷圆形片坯和药剂(片)等。
(2)工作原理1、压片成型机工艺动作分解:⑴ 干粉料均匀筛入圆筒形型腔(图1.2.2a)⑵下冲头下沉3mm预防上冲头进入型腔时粉料扑出(图122b )⑶ 上和下冲头同时加压(图1.2.2c),并保持一段时间。
⑷ 上冲头退出,下冲头随后顶出压好的片坯(图1.2.2d )。
⑸料筛推出片坯(图1.2.2a )。
1、冲头压力100 000N 150 000N2、生产率15 片/min 20 片/min3、机器运转不均匀系数0.08 0.104、电机转速970r/mi n 1450r/min(1 )设计要求⑴ 压片成形机一般至少包括连杆机构和凸轮机构和齿轮机构在内的三种机构。
⑵ 画出机器的运动方案简图与运动循环图。
拟订运动循环图时,执行构件的动作起止位置可根据具体情况重叠安排,但必须满足工艺上各个动作的配合,在时间和空间上不能出现干涉。
⑶ 设计凸轮机构,自行确定运动规律,选择基圆半径,校核最大压力角与最小曲率半径,计算凸轮轮廓线。
⑷ 设计计算齿轮机构,确定传动比,选择适当的摸数。
⑸ 对连杆机构进行运动设计。
并进行连杆机构的运动分析,绘出运动线图。
如果是采用连杆机构作为下冲压机构,还应该进行连杆机构的动态静力分析,计算飞轮转动惯量。
压片成形机机械原理课设计书一、.设计题目1.压片成形机介绍设计自动压片成形机,将具有一定湿度的粉状原料(如瓷干粉、药粉)定量送入压形位置,经圧制成形后脱离位置。
机器的整个工作过程(送料、压形、脱离)均自动完成。
该机器可以压制瓷圆形片坯、药剂(片)等。
2.压片成形机的工艺动作(1) 干粉料均匀筛入圆筒形型腔。
(2) 下冲头下沉3mm ,预防上冲头进入型腔是粉料扑出。
(3) 上、下冲头同时加压,并保持一段时间。
(4) 上冲头退出,下冲头随后顶出压好的片坯。
(5) 料筛推出片坯。
料型下冲头 粉23 片下下上冲5下冲头上冲头8 片坯2133.压片成形机设计数据电动机转速/(r/min):1450;生产率/(片/min):10;冲头压力/N:150 000;机器运转不均匀系数/δ:0.10;二、设计要求1.上冲头完成往复直移运动(铅垂上下),下移至终点后有短时间的停歇,起保压作用,保压时间为0.4s左右。
因冲头上升后要留有料筛进入的空间,故冲头行程为100mm。
因冲头压力较大,因而加压机构应有增力能力。
2.下冲头先下沉3mm,然后上升8mm,加压后停歇保压,继而上升16mm,将成形片坯顶到与台面平齐后停歇,待料筛将片坯推离冲头后,再下移21mm,到待料位置。
3.料筛在模具型腔上方往复振动筛料,然后向左退回。
待坯料成型并被推出型腔后,料筛在台面上右移约45~50mm,推卸片坯。
三.运动方案评估上冲头设计方案方案1说明:杆1带动杆2运动,杆2使滑块往复运动,同时带动杆3运动,从而达到所要求的上冲头的运动。
此方案可以满足保压要求,但是上冲头机构制作工艺复杂,磨损较大,且需要加润滑油,工作过程中污损比较严重。
方案2说明:凸轮旋转带动滚子运动,使杆1与杆2运动,使上冲头上下往复运动,完全能达到保压要求。
但上冲头行程要求有90~100mm,凸轮机构尺寸将会变得很大很笨重。
压片机的设计方案3:说明:此方案使用曲柄摇杆机构和摇杆滑块机构串接而成,结构简单、轻盈,能满足保压要求,并能够轻松达到上冲头的行程要求。
自动压片成形机一、工作原理及工艺动作过程自动压片成形机是将具有一定湿度的粉状原料(如陶瓷干粉、药粉)压制成适当厚度的圆片(如压制陶瓷圆形片坯、药片等)。
压片成形机由电动机驱动,经减速装置减速后,再经由传动机构带动执行构件运动,完成自动压片的功能。
执行构件主要完成以下工艺动作:1、送料。
将粉料输送到型腔内。
2、压形。
送料完成后,冲头将型腔中的粉料压制成片。
3、顶出。
将压好的片坯顶出型腔。
4、送出成品。
将片坯送离型腔口位置。
各动作均由机器自动完成。
设计数据及要求设计数据见表1。
表1压片成形机设计数据方案号电动机转速/rpm生产率/ 片 /min成品尺寸直径©X厚度h/mmx mm冲头压力/N机器运转不均匀系数冲头质量/kg各杆质量/kgA 1450 10 80X 5 150000 12 5B 970 15 60X 5 100000 10 4C 970 20 40X 5 100000 9 3设计要求:1、为保证成型质量,粉料在压制成形后有约秒的保压时间。
2、冲头压力较大,故要求压片机构具有增力功能,以减小速度波动、减小原动机功率。
3、机械运动方案力求简单。
设计方案提示压片机组成机构参见图1。
各执行机构大至包括:实现上冲头运动的主体加压机构、实现下冲头运动的辅助加压机构以及实现料筛运动的上下料机构。
各执行机构必须满足工艺上的运动要求,可有多种不同形式的机构供选择。
执行构件的工艺动作分解见图2。
1、传动系统I驱动料筛往复运动,完成上料和卸料。
上料时料筛移动到型腔口上方,同时将已压制成形的片坯推离(图2a),然后通过往复振动将粉料筛入圆筒形型腔(图2b)。
2、压形可采用上下两个冲头在型腔内相对冲压使粉料成形。
移动移动移动图1压片机机构组成传动系统n作为主体机构驱动上冲头往复运动;传动系统川作为辅助加压机构驱动下冲头往复运动, 与上冲头配合共同完成压形(图2d)。
为防止上冲头进入型腔时粉料扑出,在上料完成后、上冲头进入型腔前,下冲头先下沉 3mm (图2c )。
目录1.课题概述 (2)2.方案对比及优选 (3)3.机构参数计算 (8)4.ProE三维建模 (12)5.凸轮设计 (13)6.连杆运动学分析 (14)7.总结 (16)8.附录 (17)9.参考文献 (26)压片成型机一、.课题概述1.压片成形机介绍设计自动压片成形机,将具有一定湿度的粉状原料(如陶瓷干粉、药粉)定量送入压形位置,经圧制成形后脱离位置。
机器的整个工作过程(送料、压形、脱离)均自动完成。
该机器可以压制陶瓷圆形片坯、药剂(片)等。
2.压片成形机的工艺动作(1)干粉料均匀筛入圆筒形型腔。
(2)下冲头下沉3mm,预防上冲头进入型腔是粉料扑出。
(3)上冲头退出,下冲头随后顶出压好的片坯。
(4)料筛推出片坯。
3.设计要求(1).上冲头完成往复直移运动(铅垂上下)。
因冲头上升后要留有料筛进入的空间,故冲头行程为100mm。
因冲头压力较大,因而加压机构应有增力能力。
(2).下冲头先下沉3mm,然后上升8mm,加压后停歇保压,继而上升16mm,将成形片坯顶到与台面平齐后停歇,待料筛将片坯推离冲头后,再下移21mm,到待料位置。
(3).料筛在模具型腔上方往复振动筛料,然后向左退回。
待坯料成型并被推出型腔后,料筛在台面上右移约45~50mm,推卸片坯。
二.方案对比及优选上冲头方案设计与分析:方案1说明:杆1带动杆2运动,杆2使滑块往复运动,同时带动杆3运动,从而达到所要求的上冲头的运动。
此方案可以满足保压要求,但是上冲头机构制作工艺复杂,磨损较大,且需要加润滑油,工作过程中污损比较严重。
方案2说明:六杆机构(由摇杆滑块和曲柄摇杆组成)评估:可计算机构自由度F=3*5-2*7=1,此机构是一个六杆机构,曲柄为主动件,带动摇杆摇动及滑块上下运动,其有增力功能,机构简单。
综合以上两个方案的优缺点,认为是使用方案二进行设计是比较好的选择。
送料机构方案设计与分析:主要作用是将坯料送至加工位置,且能实现往复运动要求,故有以下方案可供选择。
压片成形机课程设计说明书课程设计说明书:压片成形机1. 项目背景压片成形机是一种工业设备,用于将粉状或颗粒状的原料通过一定的压力与形状模具相互作用,使其成形为片状或块状产品。
这种机器广泛应用于制药、食品、化工等行业中的片剂制造过程中。
对于制药行业来说,压片成形机是生产药物片剂的关键设备之一,其性能稳定性和成型效果的好坏直接影响到药物质量和生产效率。
2. 设计目标本次课程设计的目标是设计一台小型压片成形机,要求具备以下性能和功能:- 实现连续自动压片的功能,降低人工操作成本。
- 保证压片过程中的压力和速度的可调性,以适应不同类型的原料和成型要求。
- 具备良好的控制系统,能实时调整和监控压片工艺参数,确保成品质量的合格。
- 具备预警和故障检测功能,保证设备的稳定性和安全性。
- 设备结构紧凑,易于操作和维护。
3. 设计内容课程设计主要包括以下内容:- 设备总体结构设计:包括机身、压力系统、电气控制系统等部分的布局和选择。
- 压力系统设计:选择合适的液压或气压系统,确保提供稳定的压力和速度。
同时考虑安全性和能效性。
- 控制系统设计:设计合适的控制系统,包括传感器选择和位置布置、数据采集和处理、参数调整和监控等。
- 系统集成和调试:将机身、压力系统和控制系统进行集成,进行系统调试和性能验证。
- 课程设计报告撰写:撰写设计报告,包括设备方案、设计参数和过程、调试结果、总结和展望等内容。
4. 设计要求- 设计要符合工程设计规范和相关标准,确保设备的稳定性、安全性和可靠性。
- 设计过程中考虑设备的可制造性和可维修性,尽量选择常见和易获得的零部件和材料。
- 设计过程中要实时跟进和了解相关技术发展和市场情况,以确保设计方案的前瞻性和竞争力。
- 设计报告应详细记录设计过程和思路,包括设计依据、假设和约束条件、设计过程和参数选择、验证和调试结果等。
5. 课程设计成果- 设备的总体设计方案及参数;- 控制系统的设计方案和工艺参数;- 设备的3D模型和工程图纸;- 设备的控制系统程序和调试结果;- 设备的性能测试结果和评价。
机械原理课程设计-压片成形机一、设计背景压片成形机是一种常见的机械设备,广泛应用于制药、化工、食品等领域中,用于将各种粉状、颗粒状的原料通过机械压缩成为各种板状、球状或其他形状的制品。
压片成形机主要由进料系统、压制系统、出料系统和控制系统组成。
其中压制系统是压片成形机的核心部分,其设计与性能直接影响着成品质量和生产效率。
本计划设计的压片成形机是一种卧式压片机,其进料方式为自动进料,压制方式为双辊压制。
压制过程中,通过调整辊速、辊距等参数,实现对原料的最佳成形压缩,从而制成各类产品。
为使该设备能够满足不同用户的需求,设备还具有良好的操作性、可靠性、保养性和安全性。
二、设计目标本设计的压片成形机,要求在保证强度和刚度的前提下,具有以下主要技术指标:1.最大压制力:100kN2.最大压制厚度:15mm3.最大压制直径:25mm4.压制速度:0.2-10mm/s5.控制精度:±0.2mm6.电机功率:3kW7.设备外形尺寸:1800×800×1500mm8.设备净重:500kg三、设计方案1. 压制系统设计压制系统是该成形机的核心部分,它由压制辊、强制进料装置、可调式辊距机构、压力调节机构等部件组成。
压制辊为该系统的主要工作部分,其主要由钢材制成,并表面经过热处理,具有很强的耐磨性和抗压弯强度。
强制进料装置为该系统的进料部分,它采用自动进料方式,通过调整强制进料机构的进出角度,使原料经过强制进料后压入两辊压制辊之间进行压制。
可调式辊距机构则为该系统的压制调整部分,通过调整辊距大小,实现对各种原料的最佳压制效果。
压力调节机构为该系统的压力调节部分,通过调整调压阀,实现对压制力大小的精确调节。
2. 设备控制系统设备控制系统采用单片机控制方式,通过脉冲信号和电气信号实现对压制过程的控制。
系统包括压制力传感器、速度检测器、温度传感器等器件,并通过统一的控制接口与压制系统等部件连接。
《机械原理》课程设计任务书学生姓名:专业班级:指导教师:李刚炎工作单位:机电工程学院一、设计题目:压片成形机设计自动压片成形机,将具有一定湿度的粉状原料(如陶瓷干粉、药粉)定量送入压形位置,经压制成形后脱离该位置。
机器的整个工作过程(送料、压形、脱离)均自动完成。
该机器可以压制陶瓷圆形片坯、药剂(片)等。
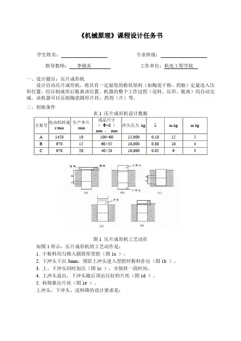
二、初始条件方案号电动机转速r/min生产率片/min成品尺寸(Φ×d )mm ,mm冲头压力kg δ m kg m kgA 1450 10 100×60 15,000 0.10 12 5B 970 15 60×35 10,000 0.08 10 4C 970 20 40×20 10,000 0.05 9 3图1 压片成形机工艺动作如图1所示,压片成形机的工艺动作是:1. 干粉料均匀筛入圆筒形型腔(图1a )。
2. 下冲头下沉3mm,预防上冲头进入型腔时粉料扑出(图1b )。
3. 上、下冲头同时加压(图1c ),并保持一段时间。
4. 上冲头退出,下冲头随后顶出压好的片坯(图1d )。
5. 料筛推出片坯(图1e )。
上冲头、下冲头、送料筛的设计要求是:1. 上冲头完成往复直移运动(铅锤上下),下移至终点后有短时间的停歇,起保压作用,保压时间为0.4秒左右。
因冲头上升后要留有料筛进入的空间,故冲头行程为90~100mm 。
因冲头压力较大,因而加压机构应有增力功能(图2a )。
2. 下冲头先下沉3mm,然后上升8mm,加压后停歇保压,继而上升16mm,将成型片坯顶到与台面平齐后停歇,待料筛将片坯推离冲头后,再下移21mm,到待料位置(图2b)。
3. 料筛在模具型腔上方往复振动筛料,然后向左退回。
待批料成型并被推出型腔后,料筛在台面上右移约45~50mm,推卸片坯(2c)。
图2 设计要求上冲头、下冲头与送料筛的动作关系见表2。
上冲头进退送料筛退近休进远休下冲头退近休进远休三、设计要求1. 压片成形机一般至少包括凸轮机构、齿轮机构和连杆机构在内的三种机构;至少设计出三种能实现该分类机运动形式要求的机构,绘制所选机构的机构示意图(绘制在说明书上),比较其优缺点,并最终选出一个自己认为最合适的机构进行机构综合设计,绘制出其机构运动简图。
设计题目:压片成型机学院专业班号设计者:指导老师:年月日目录1.设计题目--------------------------------------------------------- P1 1.1设计条件---------------------------------------------------- P11.2原始数据---------------------------------------------------- P32.设计要求--------------------------------------------------------- P33.上冲头设计方案评估------------------------------------------ P44.运动循环图设计------------------------------------------------ P55.连杆机构尺寸计算--------------------------------------------- P6 5.1设计要求---------------------------------------------------- P7 5.2设计过程---------------------------------------------------- P75.3设计校核---------------------------------------------------- P86.凸轮机构尺寸计算--------------------------------------------- P8 6.1基圆半径的确定------------------------------------------- P86.2滚子直径的确定------------------------------------------- P97.设计心得--------------------------------------------------------- P9 附录:附录1:机构运动循环图附录2:上冲头机构运动简图附录3:下冲头凸轮轮廓图1. 设计题目设计自动压片成型机,将具有一定湿度的粉状原料(如干粉,药粉等)定量送入压形位置,经压制成型后脱离该位置。
压片成型机课程设计说明书一、引言压片成型机是一种用于加工固体粉末材料的设备,通过将粉末材料经过预处理后放入模具中进行压制,在一定温度和压力条件下,使粉末颗粒间形成互相结合的静电力和摩擦力作用,从而得到具有一定形状和尺寸的成型件。
本课程设计旨在让学生了解压片成型机的工作原理及操作流程,并通过实际操作来掌握机械设备的运行和调试方法。
二、课程设计目标1.了解压片成型机的工作原理及相关技术指标;2.掌握压片成型机的操作流程及注意事项;3.学会运行和调试压片成型机,实现一定的成型要求;4.培养学生的实践操作能力和解决问题的能力。
三、课程设计内容及安排1.理论学习阶段:(1)压片成型机的工作原理及分类;(2)压片成型机的结构及主要部件介绍;(3)压片成型机的运行要求及操作流程。
2.实践操作阶段:(1)熟悉压片成型机的操作界面及相关控制系统;(2)模具的安装及调试;(3)制定成型工艺参数和成型件的设计;(4)进行压制实验,并调整参数以获得符合要求的成型件;(5)对成型件进行评估和测试。
四、课程设计要求1.机械知识方面:(1)了解压片成型机的结构和工作原理;(2)掌握压片成型机主要部件的功能和相互关系;(3)了解压片成型机的操作流程及注意事项。
2.工艺技能方面:(1)掌握模具的安装和调试方法;(2)熟悉成型工艺参数的确定和调整方法;(3)能够根据要求进行成型实验,并对成型件进行评估。
3.实践操作能力方面:(1)培养学生实际操作的技能,包括机械设备的运行和调试;(2)能够解决常见的机械故障和操作问题。
五、课程设计评估方法1.理论学习阶段:以课堂测验的形式进行,考查学生对压片成型机的工作原理和相关知识的理解情况。
2.实践操作阶段:以成型件的质量和成型效果为评估指标,包括成型件的尺寸精度、表面光洁度和成型缺陷等。
六、课程设计评估标准1.理论学习:(1)对压片成型机的工作原理和相关知识的理解正确、清晰;(2)对压片成型机的分类、结构和主要部件有一定的了解;(3)对压片成型机的运行要求和操作流程掌握熟练度较高。
机械原理课程设计–压片成形机1. 引言压片成形机是一种用于制造工程材料和零部件的机械设备。
其原理基于压力和温度对材料进行塑性变形,使其在特定形状和尺寸范围内得以成型。
在机械原理课程设计中,我们将研究和设计一种压片成形机,旨在学习和应用机械原理的相关知识,并加深对机械成形工艺的理解。
2. 设计目标本次课程设计的目标是设计一台压片成形机,具有以下特点和功能:•高精度成型:机器能够保证成形后零部件的尺寸和形状精度,满足工程需求。
•可调节压力:机器应具备调节压力的功能,以适应不同材料和成形工艺的要求。
•高效率生产:机器应具备较高的生产效率,以提高生产效益。
•安全可靠:机器应具备安全防护措施,确保操作人员的安全。
3. 设计原理3.1 压片成形工艺压片成形是一种通过将材料置于模具中,并施加压力和温度来使其变形的工艺。
压片成形可以用于制造各种复杂形状的零部件,如齿轮、轴承等。
3.2 压片成形机构本设计的压片成形机主要包含以下几个主要机构:•液压系统:用于提供压力给压片机构,控制工作台的运动速度和压力大小。
•压片机构:由机械结构和压片头组成,通过压力和温度对材料进行塑性变形。
•加热系统:用于加热材料,以改变其塑性和流动性。
•控制系统:用于控制整个机器的运行和各个机构的动作。
4. 设计步骤4.1 确定工作台尺寸和形状根据所需成品的尺寸和形状,确定压片机的工作台尺寸和形状。
可以使用CAD软件进行设计和模拟,以确保工作台满足要求。
4.2 设计液压系统设计液压系统,包括选型液压泵和液压缸,并确定所需压力和流量。
根据设计原则,选择合适的液压元件,并进行液压回路的设计和布置。
4.3 设计压片机构根据成形工艺要求和工作台尺寸,设计压片机构,包括压片头的结构、材料和加热方式。
使用CAD软件进行模拟和优化,确保结构合理和稳定。
4.4 设计加热系统根据压片材料的特性和成形温度要求,设计加热系统。
可以选择电加热、燃气加热或其他适合的加热方式,并进行加热功率的计算和布置。
压片成型机课程设计说明书以下是一个压片成型机课程设计说明书的简要示例:课程名称: 压片成型机操作与维护课程目标:1. 了解压片成型机的基本原理和工作过程。
2. 掌握正确的操作技巧和安全注意事项。
3. 学习压片成型机的常见故障排除和维护方法。
课程内容:1. 导论-介绍压片成型机的定义和用途。
-说明压片成型机在制药行业中的重要性。
2. 压片成型机的工作原理-解释压片成型机的主要组成部分和功能。
-描述压片成型机的工作过程及其在固体制剂生产中的作用。
3. 压片成型机的操作技巧-详细说明正确的操作步骤。
-演示如何调整和设置压片成型机的参数。
-强调操作时的安全注意事项。
4. 压片成型机的故障排除与维护-列举常见的故障情况和可能的原因。
-解释如何识别和解决这些故障。
-介绍常规维护程序和清洁方法。
5. 汇报和实践-学员通过小组讨论或个人研究报告分享对压片成型机的深入了解。
-组织操作实践,让学员亲自操作压片成型机,加强实践能力。
课程资源:1. PowerPoint演示文稿或讲义,详细介绍压片成型机的原理、操作步骤和故障排除。
2. 操作手册或说明书样本,展示学员正确操作和维护压片成型机的指导。
3. 视频示范,演示正确的操作过程和故障排除方法。
4. 实际压片成型机设备和工具供学员实践操作。
评估与考核:1. 理论知识测试,包括选择题、判断题、填空题等。
2. 操作实践考核,要求学员按要求正确操作压片成型机并排除故障。
这只是一个示例,实际课程设计可以根据培训的具体需求和目标进行调整和定制。
同时,还可以根据学员的背景和实际情况,添加其他相关的内容和学习资源。
目录1.课题概述 (2)2.方案对比及优选 (3)3.机构参数计算 (8)4.ProE三维建模 (12)5.凸轮设计 (13)6.连杆运动学分析 (14)7.总结 (16)8.附录 (17)9.参考文献 (26)压片成型机一、.课题概述1.压片成形机介绍设计自动压片成形机,将具有一定湿度的粉状原料(如陶瓷干粉、药粉)定量送入压形位置,经圧制成形后脱离位置。
机器的整个工作过程(送料、压形、脱离)均自动完成。
该机器可以压制陶瓷圆形片坯、药剂(片)等。
2.压片成形机的工艺动作(1)干粉料均匀筛入圆筒形型腔。
(2)下冲头下沉3mm,预防上冲头进入型腔是粉料扑出。
(3)上冲头退出,下冲头随后顶出压好的片坯。
(4)料筛推出片坯。
3.设计要求(1).上冲头完成往复直移运动(铅垂上下)。
因冲头上升后要留有料筛进入的空间,故冲头行程为100mm。
因冲头压力较大,因而加压机构应有增力能力。
(2).下冲头先下沉3mm,然后上升8mm,加压后停歇保压,继而上升16mm,将成形片坯顶到与台面平齐后停歇,待料筛将片坯推离冲头后,再下移21mm,到待料位置。
(3).料筛在模具型腔上方往复振动筛料,然后向左退回。
待坯料成型并被推出型腔后,料筛在台面上右移约45~50mm,推卸片坯。
二.方案对比及优选上冲头方案设计与分析:方案1说明:杆1带动杆2运动,杆2使滑块往复运动,同时带动杆3运动,从而达到所要求的上冲头的运动。
此方案可以满足保压要求,但是上冲头机构制作工艺复杂,磨损较大,且需要加润滑油,工作过程中污损比较严重。
方案2说明:六杆机构(由摇杆滑块和曲柄摇杆组成)评估:可计算机构自由度F=3*5-2*7=1,此机构是一个六杆机构,曲柄为主动件,带动摇杆摇动及滑块上下运动,其有增力功能,机构简单。
综合以上两个方案的优缺点,认为是使用方案二进行设计是比较好的选择。
送料机构方案设计与分析:主要作用是将坯料送至加工位置,且能实现往复运动要求,故有以下方案可供选择。
机械原理课程设计—压片机文档编制序号:[KK8UY-LL9IO69-TTO6M3-MTOL89-FTT688]机械原理课程设计课程设计说明书压片成型机2020年10月18日 姓 名:学 号:指导教师:目录一、设计题目:1.压片成型机介绍设计自动压片成形机,将具有一定湿度的粉状原料(如陶瓷干粉、药粉)定量送入压形位置,经圧制成形后脱离位置。
机器的整个工作过程(送料、压形、脱离)均自动完成。
该机器可以压制陶瓷圆形片坯、药剂(片)等。
2.设计说明1)压片成形机一般至少包括连杆机构和凸轮机构和齿轮机构在内的三种机构。
2)画出机器的运动方案简图与运动循环图。
拟订运动循环图时,执行构件的动作起止位置可根据具体情况重叠安排,但必须满足工艺上各个动作的配合,在时间和空间上不能出现干涉。
3)设计凸轮机构,自行确定运动规律,选择基圆半径,校核最大压力角与最小曲率半径,计算凸轮轮廓线。
4)设计计算齿轮机构,确定传动比,选择适当的摸数。
5)对连杆机构进行运动设计。
并进行连杆机构的运动分析,绘出运动线图。
如果是采用连杆机构作为下冲压机构,还应该进行连杆机构的动态静力分析,计算飞轮转动惯量。
6)编写设计计算说明书。
7)学生可进一步完成机器的计算机演示验证和凸轮的数控加工等。
3.压片成形机的工艺动作①干粉料均匀筛入圆筒形型腔。
②下冲头下沉3mm,预防上冲头进入型腔是粉料扑出。
③上、下冲头同时加压,并保持一段时间。
④上冲头退出,下冲头随后顶出压好的片坯。
⑤料筛推出片坯。
4.上冲头、下冲头与送料筛的动作关系5.压片成型机的设计原始数据6.设计要求1)上冲头完成往复直移运动(铅锤上下),下移至终点后有短时间的停歇,起保压作用,保压时间为左右。
因冲头上升后要留有料筛进入的空间,故冲头行程为90~100mm。
因冲头压力较大,因而加压机构应有增力功能(如下图a所示)2)下冲头先下沉3mm,然后上升8mm,加压后停歇保压,继而上升16mm,将成形片坯顶到与台面平齐后停歇,待料筛将片坯推离冲头后,再下移21mm,到待料位置(如下图b所示)。
机械原理课程设计课程设计说明书压片成型机2019年7月9日目录目录 (1)一、设计题目: (3)1. 压片成型机介绍 (3)2. 设计说明 (3)3. 压片成形机的工艺动作 (4)4. 上冲头、下冲头与送料筛的动作关系 (5)5. 压片成型机的设计原始数据 (5)6. 设计要求 (6)7. 设计提示 (7)二、机构设计方案 (9)1.上冲头设计 (9)2.送料筛设计 (10)3.下冲头设计 (11)4.机构选择 (12)5.运动协调设计 (13)三、运动循环图设计 (14)四、设计步骤 (15)1. 上冲头摇杆滑块机构尺寸设计: (15)2. 下冲头凸轮设计 (16)3. 传动比设计 (18)五、课程设计小结 (19)六、参考书目 (20)七、附录 (20)一、设计题目:1. 压片成型机介绍设计自动压片成形机,将具有一定湿度的粉状原料(如陶瓷干粉、药粉)定量送入压形位置,经圧制成形后脱离位置。
机器的整个工作过程(送料、压形、脱离)均自动完成。
该机器可以压制陶瓷圆形片坯、药剂(片)等。
2. 设计说明1)压片成形机一般至少包括连杆机构和凸轮机构和齿轮机构在内的三种机构。
2)画出机器的运动方案简图与运动循环图。
拟订运动循环图时,执行构件的动作起止位置可根据具体情况重叠安排,但必须满足工艺上各个动作的配合,在时间和空间上不能出现干涉。
3)设计凸轮机构,自行确定运动规律,选择基圆半径,校核最大压力角与最小曲率半径,计算凸轮轮廓线。
4)设计计算齿轮机构,确定传动比,选择适当的摸数。
5)对连杆机构进行运动设计。
并进行连杆机构的运动分析,绘出运动线图。
如果是采用连杆机构作为下冲压机构,还应该进行连杆机构的动态静力分析,计算飞轮转动惯量。
6)编写设计计算说明书。
7)学生可进一步完成机器的计算机演示验证和凸轮的数控加工等。
3. 压片成形机的工艺动作①干粉料均匀筛入圆筒形型腔。
②下冲头下沉3mm,预防上冲头进入型腔是粉料扑出。
机械原理课程设计压片成型机一、引言压片成型机是一种常见的机械设备,用于将粉末状原料通过压力和模具的作用进行成型。
本文将介绍机械原理课程设计的压片成型机的设计要求、工作原理、结构设计以及相关参数的计算等内容。
二、设计要求1. 成型压力:根据成型材料的特性和要求,确定合适的成型压力范围。
2. 成型速度:根据成型材料的流动性和成型过程的要求,确定合适的成型速度。
3. 成型精度:根据产品的要求,确定合适的成型精度,包括尺寸精度和形状精度。
4. 自动化程度:考虑到生产效率和操作便捷性,设计具有一定自动化程度的压片成型机。
5. 安全性:设计符合相关安全标准,保证操作人员的安全。
三、工作原理压片成型机通过电机驱动传动装置,将动力传递给压力机构,使其产生一定的压力。
同时,通过控制系统控制压力机构的运动,使压力机构按照一定的速度和路径进行运动。
在成型过程中,粉末状原料被放置在模具中,当压力机构施加压力时,原料受到压力的作用,逐渐变形,最终成型为所需的产品。
四、结构设计1. 机架:选择坚固的机架材料,确保机架具有足够的强度和刚度。
2. 传动装置:选择合适的电机和传动装置,确保成型过程中的动力传递稳定可靠。
3. 压力机构:设计合适的压力机构,包括压力传感器、活塞和压力调节装置等,以实现精确的压力控制。
4. 模具:设计适用于不同产品的模具,确保成型过程中的尺寸和形状精度。
5. 控制系统:设计合理的控制系统,包括压力控制、速度控制和路径控制等,以实现自动化生产。
五、参数计算1. 成型压力计算:根据成型材料的特性和要求,结合模具设计,计算所需的成型压力。
2. 传动装置计算:根据所选电机的功率和转速,结合传动装置的传动比,计算所需的传动装置参数。
3. 压力机构计算:根据成型压力和工作面积,计算所需的活塞面积和压力传感器的量程。
4. 控制系统计算:根据成型速度和路径要求,选择合适的控制器和传感器,计算所需的控制系统参数。
六、结论本文详细介绍了机械原理课程设计的压片成型机的设计要求、工作原理、结构设计以及相关参数的计算。
成型压片机课程设计一、课程目标知识目标:1. 学生能够理解成型压片机的基本结构、工作原理及其在制药工业中的应用。
2. 学生能够掌握成型压片机操作流程、参数调整方法,了解不同参数对压片质量的影响。
3. 学生能够了解成型压片机的维护保养知识,确保设备正常运行。
技能目标:1. 学生能够独立操作成型压片机,完成压片工艺流程,制作出符合质量标准的药片。
2. 学生能够分析并解决压片过程中出现的问题,如片重差异、裂片等,提高压片质量。
3. 学生能够运用所学知识,对成型压片机进行简单的故障排查和维护保养。
情感态度价值观目标:1. 培养学生严谨、细致的工作态度,提高他们在实际操作中的安全意识。
2. 增强学生的团队协作能力,培养他们在实际生产过程中的沟通与协作精神。
3. 激发学生对制药设备及其应用的兴趣,提高他们投身制药行业的热情。
本课程针对中职或高职制药专业学生设计,结合学生特点,注重实践操作能力的培养。
课程内容紧密联系制药工业实际,旨在帮助学生掌握成型压片机的操作技能,为将来从事制药行业工作打下坚实基础。
在教学过程中,教师需关注学生个体差异,因材施教,确保课程目标的实现。
通过本课程的学习,学生将具备独立操作成型压片机的能力,为我国制药行业的发展贡献力量。
二、教学内容1. 成型压片机的基本结构- 介绍各部件名称、功能及其相互关系。
- 分析各部件在压片过程中的作用。
2. 成型压片机的工作原理- 深入讲解压片机的工作流程和原理。
- 探讨压片机在制药工艺中的应用。
3. 成型压片机的操作流程- 按照教材章节内容,讲解操作步骤和注意事项。
- 强调安全操作规范,培养学生安全意识。
4. 参数调整与压片质量- 介绍不同参数对压片质量的影响。
- 指导学生如何调整参数以优化压片质量。
5. 故障排查与维护保养- 讲解成型压片机常见故障及其原因。
- 介绍维护保养方法,延长设备使用寿命。
6. 实践操作- 安排学生进行压片机操作实践,巩固所学知识。