麻醉深度多参数监护仪技术参数要求
- 格式:doc
- 大小:28.00 KB
- 文档页数:2
呼吸机技术参数一、基本要求:1、国际知名品牌;2、整机原装进口,外置空压机或内置涡轮机供气;3、能很好满足成人、小儿的机械通气治疗;4、备用电源可以在意外断电时保持呼吸机正常工作≥1小时。
二、设备技术参数要求:1、屏幕及显示1.1内置式高亮液晶屏幕显示,中文操作界面,报警信息以中文显示,有中文操作提示1.2操作简单,方便,操作界面可以个性化配置2、呼吸模式:IPPV (CMV)间歇正压通气/IPPV Assist (Assist Control)同步间歇正压通气/SIMV 同步间歇指令通气/SIMV ASB (SIMV/PS)同步间歇指令通气+压力支持/CPAP持续气道正压/CPAP ASB (CPAP/PS)持续气道正压+压力支持/叹息功能/窒息通气配无创通气模式:无创通气可在任何通气模式(容控、压控)下选择使用。
3、呼吸机参数:1.1潮气量输送精确:容控模式下最小潮气量范围≤50 ml非压差式流量传感器,监测精准,测量误差率≤10%;1.2传感器方便日常拆卸清洁和消毒,防止交叉感染。
1.3氧浓度精确可调:21-100%1.4具有叹息功能,间断性复张肺1.5 敏感的流速触发方式:1-15升/分, 流速触发值必须能直接设定并显示数值.4、监测参数要求:1.1监测参数:压力(峰压、平台压、平均压、PEEP),容量(吸入和呼出潮气量;自主呼吸分钟通气量和总分钟通气量;),通气频率(可以区别监测自主呼吸频率和总频率);氧浓度;波形显示(压力和流速波形);1.2 肺力学监测:实时动态监测气道阻力R和肺顺应性C三、设备配置要求无特殊麻醉深度或BIS检测仪技术参数一、基本要求:1、国际知名品牌;2、适用于包括婴幼儿和老年人在内的各个年龄组全麻手术病人。
二、设备技术参数要求:1.一体机或模块插件式,显示器≥12英寸;2.意识以数字显示,麻醉深度意识指数0—100;3.监测SQI功能;4.监测EMG功能;5.监测ESR功能;6.趋势图:实时观察脑镇定程度的量化指数,显示整个麻醉过程中患者镇静、催眠程度的动态变化。
麻醉机相关技术参数
1麻醉系统可控性强,适用人群广。
婴幼儿及成人通用(两台),经久耐用。
2供气系统要求氧气、空气双气源。
支持供氧压力低时自动报警,具有后备氧气接口,中心供氧故障后能转换氧气瓶供氧。
3具有大容量挥发罐,输出浓度准确,范围广,出厂一次性定标完成。
4呼吸回路要求死腔量小,密闭性好,输送准确新鲜潮气量,不受新鲜气流影响,泄露量少。
手动模式设置压力限制,防止气压伤,钠石灰更换方便。
呼吸机要求不产生内源性PEEPo
5经久耐用,应具有SIMV>IPPV及P1V、PCV模式,潮气量范围20-1400m1,以便于使用小儿及肺部复张需求,I:E可选1:4-4:1°
6支持机控、手控、自主呼吸时显示屏显示:潮气量,氧浓度,呼吸频率,PEEP,平均气道压等。
7警示系统,灵敏可靠,超出设定报警界限(压力、吸气氧、分钟通气量),及时警示,延时小。
8电源故障时后备电池储备90分钟以上。
9自检系统简单快捷以利于急诊抢救使用。
10原机屏幕》12英寸彩色外置可触摸显示屏幕,手动可调。
高端麻醉机技术参数1、基本要求:具有新鲜气体及麻药混合控制系统、呼吸系统和呼吸力学监测系统。
对新生儿,小儿和成人实施安全有效的麻醉,可升级增加新的功能2、数量:1台3、技术规格:3.1工作条件3.1.1操作环境,温度:10°至40°C,湿度:15至95%,大气压:500至800mmHg4.1.2电源:220V(±10%),50Hz(±2%)5.1.3后备电池使用时间:>90分钟6.1.4*机架:带推车,三个大抽屉,前轮脚刹7.1.5工作台双层灯光亮度可调8.1.6选配侧工作台板9.1.7*标配气体模块侧插槽3.1.8标配RS232接口,以太网络接口,投影仪分屏接口。
3.2气源3.2.1氧气:具备安全保护装置,在供氧压低于252KPa时报警3.2.2具有空气气源及接口3.2.3快速充氧范围225-751∕min3.3流量计3.3.1电子流量计,氧气、空气,流量通过呼吸机屏幕电子显示;流量范围0.1-151/min3.3.2具备备用机械流量管,流量范围1-101/min,保证在停电时能正常工作3.4挥发罐3.4.1两个挥发罐的位置,标配一个七氟酸挥发罐,可选配原厂同品牌地氟酸挥发罐。
3.4.2快速加药器式挥发罐,既保证快速加药,又保证无药物泄漏造成的浪费和环境污染3.5呼吸回路1. 5.1模块化呼吸回路,所有传感器及连接电缆内置在回路内;所有回路模块不用任何工具可以拆卸、安装3.5.2所有模块可耐受134C高温高压消毒避免院内交叉感染4.5.3标配内置二氧化碳旁路功能,支持术中更换钠石灰5.5.4内置冷凝功能,采用物理方式解决回路积水问题6.5.5智能回路系统,能识别和显示:正在使用呼吸模式以及C02吸收罐状态7.5.6*吸收罐采用双层设计,水气自动分离,避免吸收剂进水,延长吸收剂使用时间3.6呼吸机3.6.1*气动电控呼吸机,支持中英文界面,外置彩色触摸屏4.6.2应用范围:新生儿、儿童及成人等所有病人通气5.6.3*原机屏幕215英寸彩色可触摸显示屏幕,具备双分屏显示功能.当触屏失灵,手动可调..6.6.4用户可选择的全自检或部分自检功能,既能保证安全的使用,又能保证紧急抢救时的快速启动,可无限次跳过自检7.6.5自动检测挥发罐状态,提示低压漏气情况8.6.6提供辅助/控制/支持通气模式,标配:VCV,手动通气、电子PEEP9.6.7*标配PCV>压力控制容量保证(PCV-VG)>SIMVPCV.SIMVVCV>PSVPro10.6.8潮气量范围:5-150On1111.6.9呼吸频率:4-100次/分钟12..10*吸呼比:2:1到1:813..11最大吸气流速:21201/min14.6.12压力范围(压力模式):5到60cmH2015..13压力限制范围:12到100cmH2016..14*标配具备窒息保护的PSVPro模式:流速触发;终末吸气流速调节吸、呼转换:0%-60%峰值流速;压力范围:0,2-40cmH20;窒息发生后10—30秒范围内可调启动SIMV-PCV安全模式,在病人复苏阶段无需医护值守,减少医护劳动强度17. 6.15PEEP范围:关,4到30cmH2018. 6.16具备流量静态以及动态实时自动补偿功能,补偿新鲜气体变化、气体压缩、回路顺应性变化以及小的回路泄漏造成的吸入潮气量和设置潮气量的误差;19..17智能化呼吸机,有防止错误设置功能,保证麻醉安全20.6.18标配三种工作模式:通气模式、待机模式和心脏手术模式21.6.1930分钟迷你趋势,可手术中与其他呼吸机参数同屏分屏显示22.6.20标配被动排污系统,可选配主动排污3.7数字和波形监测3.7.1监测参数:吸入氧、笑气或空气流量、呼吸频率、潮气量、分钟通气量、气道压(峰压、平台压、平均压、PEEP);实时压力时间、流速时间呼吸波形描记并同屏显示3.7.2标配回路呼吸环监测功能,独立窗口监测描记:压力容量环、流量容量环和压力流量环,回路顺应性,分钟吸入呼出潮气量、气道压力、气体流速等3.7.3*可选配气体监测模块,可热插拔,无需关机重启,开机状态下即可插拔。
麻醉机技术参数麻醉、监护一体机技术参数使用地点:冉家坝院区门诊中心手术室麻醉机技术参数数量:1台(附带麻醉监护仪及七氟醚麻药挥发罐)一、主机部分1、模式:紧闭、半紧闭、半开放2、气源:氧气、笑气(压力0.3-0.5Mpa)3、流量计:采用氧气、笑气每种气体均采用电子流量计设计4、快速供氧:35L/min~75L/min;具有笑氧比例控制阀,保证新鲜气体中的最小氧浓度不低于25%5、低气源报警:氧气气源压力过低时大于7秒的气动声音报警6、采用潮气量补偿技术,确保潮气量不受新鲜气体的影响7、内置锂电池:保证断电情况下≥2小时。
二、麻醉呼吸机部分1、驱动:气动电控或电动电控2、适用范围:成人、儿童、新生儿(小儿、新生儿手术无需更换风箱)3、通气模式:可具有手动模式、容量控制通气模式(VCV),并可支持压力控制通气模式(PCV)以及同步间歇指令模式(SIMV);4、潮气量调节:容量控制通气模式(VCV)下20-1500ml; 吸呼比调节范围:4:1~1:45、呼吸频率:4bpm~100bpm6、吸气暂停时间调节范围:OFF,吸气时间的5%-60%7、压力控制调节范围:(5 cmH2O~60 cmH2O)8、电子PEEP调节范围:OFF,4 cmH2O~30cmH2O三、呼吸回路及麻药蒸发器1、集成回路设计,系统容积量≦3L(包含钠石灰罐容量),可134度以上高温、高压消毒;2、配置可变孔径流量传感器3、具备快速更换钠石灰装置,更换钠石灰时不会有任何泄露四、麻药挥发罐部分:原装进口七氟醚麻药挥发罐;具有温度、流量、压力补偿功能,温度:15°C~35°C;流量:200ml/min~1500ml/min,保证输出浓度精确稳定。
五、麻醉监测功能1、显示方式:同机同屏彩色TFT液晶显示,具有压力-时间、流速-时间、容量-时间波形显示并且能够显示氧气和笑气电子流量计2、监测参数:分钟通气量、潮气量、气道压力(峰压、平台压、呼气末正压)、呼吸频率3、报警参数:低压驱动报警、气道高低压报警、潮气量报警、呼吸频率、吸呼比设置报警、电池不足报警、机器自身故障报警、断电报警;4、具有气道阻力和顺应性监测5、★能够支持插件式模块化的呼末二氧化碳监测以及麻醉气体监测模块的升级功能,并具备同屏CO2波形显示。
医疗器械产品技术要求编号:多参数监护仪1.产品型号/规格及划分说明1.1型号1.2基本参数表1产品基本参数表1.3产品功能表2产品功能注:“*”为本机型含此功能。
1.4配件信息表3配件信息该产品适用于医院ICU、CCU、康复病房、一般病房对成人患者无创血压、血氧饱和度、心电(心率)、脉搏、体温的连续监测。
1.4产品储存条件及有效期(体外诊断试剂适用)2℃~8℃避光贮存,有效期为12个月。
2.性能指标2.1工作条件a)环境温度:10℃~40℃b)相对湿度:≤80%c)大气压力:860hPa~1060hPad)电源: a.c220V50Hz,d.c12V可充电镍-氢电池2.2性能指标2.2.1血压测量2.2.1.1寿命应符合YY0670-2008《无创自动测量血压计》中4.3的要求2.2.1.2最大袖带压当袖带内压力值超过40kPa(300mmHg),控制阀应泄放气压;袖带内压力处于2kPa(15mmHg)以上的时间应不超过3min,另外设备应保证袖带压处在0.67kPa(5mmHg)以上的时间不超过90s。
2.2.1.3泄气应符合YY0670-2008《无创自动测量血压计》中4.4.1.2的成人要求2.2.1.4量程应符合YY0670-2008《无创自动测量血压计》中4.5.1的要求。
应为0kPa(0mmHg)~40kPa(300mmHg)2.2.1.5分辨率应为:0.1kPa或者1mmHg2.2.1.6可重复性应符合YY0670-2008《无创自动测量血压计》中4.5.3的要求2.2.1.7压力传感器准确性应符合YY0670-2008《无创自动测量血压计》中4.5.4的要求2.2.1.8充气源应符合YY0670-2008《无创自动测量血压计》中4.6.1的要求。
2.2.1.9自动气阀a)漏气:应符合YY0670-2008《无创自动测量血压计》中4.6.3.1的要求b)气阀/袖带放气率:应符合YY0670-2008《无创自动测量血压计》中4.6.3.2的要求c)泄气:应符合YY0670-2008《无创自动测量血压计》中4.6.3.3的成人要求2.2.1.10带气囊的袖带a)尺寸:应符合YY0670-2008《无创自动测量血压计》中4.7.3.1的要求b)耐压力:应符合YY0670-2008《无创自动测量血压计》中4.7.3.2的要求c)袖带接口/结构:应符合YY0670-2008《无创自动测量血压计》中4.7.3.3的要求。
2.性能指标2.1电气安全要求应符合GB9706.1-2007《医用电气设备安全通用要求》、YY0784-2010《医用电气设备医用脉搏血氧仪设备基本安全和主要性能专用要求》标准的要求。
2.2电磁兼容2.2.1应符合YY0505-2012《医用电气设备第1-2 部分:安全通用要求并列标准:电磁兼容要求和试验》、YY0784-2010《医用电气设备医用脉搏血氧仪设备基本安全和主要性能专用要求》的要求。
2.3外观与结构2.3.1多参数生命体征监测仪的外观应整洁美观,表面色泽均匀,无明显划痕、破损、锋棱、毛刺及变形;2.3.2多参数生命体征监测仪的控制和调节机构动作应可靠、灵活,紧固件无松动现象;2.3.3多参数生命体征监测仪的文字和标记应清晰、准确、牢固。
多参数生命体征监测仪的控制按键应灵活可靠,紧固部位无松动。
2.4无创血压功能2.4.1无创血压模块应符合YY0670-2008《无创自动测量血压计》标准的要求。
2.4.2性能要求2.4.2.1量程血压量程为0mmHg(0kPa)~295mmHg(39.3kPa)。
2.4.2.2脉率血压模块应有脉率测试功能,脉率测量范围应不窄于(40~180)次/min,显示分辨率应为 1 次/min,测量误差应为±5%。
2.4.2.3分辨率显示分辨率应为1mmHg(0.1kPa)。
2.4.2.4压力传感器准确性无论升压还是降压,在量程中的任何测量点上,袖带内压力测量的最大误差应是0.4kPa(±3mmHg)。
2.4.3提示功能血压功能界面应有下列提示功能:a)血压模块未能正确的测量时,均有故障提示;b)血压模块的显示屏应能显示收缩压、舒张压和脉率三行数据。
2.5脉搏血氧饱和度2.5.1测量范围、精度和分辨率a)测量范围为0%~100%;在70%~100%范围内,测量精度为±2%;b)在其他范围内,测量精度不予定义;c)分辨率:1% 。
麻醉机参数及报价要求
一、主要参数
适用范围:成人及儿童
驱动方式:气动电控
显示方式:7寸高亮度、LCD显示、带触摸屏
呼吸模式:A/C、SIMV、MAN、stanbay
图形显示波形:压力-时间、流速-时间、压力-变量环、流速-变量环
流量计:氧笑四管流量计,O2 、N2O四管流量0-10L/min,带联动装置,保证氧浓度产低于25%。
快速供氧:25L/min-75L/min。
顶灯照明功能
电源:AC100-240V、50/60HZ
备用电池:锂电池,至少120分钟。
二、设置参数
潮气量:20-1500ml
呼吸频率:0-100bpm
SIMV呼吸频率:4-20bpm
SIMV吸气时间:0.5-5S
A/C呼吸比:10:1∽1:10
压力上限:1-99cmH 2O可调气道压力超过设定上限时报警,并由吸气相转到呼气
相。
压力下限:1-98cmH 2O可调Pmax:20-70H 2O可调
PEEP:选配、OFF、4-70H 2O
压力触发:0-20H 2O
流速触发:0-20L/min。
三、监测参数
呼吸潮气量、吸入潮气量
呼吸频率、自主呼吸频率
分钟通气量、自主分钟通气量
气道峰压、气道平均压力、PEEP
氧浓度监测
四、报警参数
气道压力高报警,气道压力低报警
潮气量高报警、潮气量低报警
呼吸频率高报警、呼吸频率低报警
分钟通气量高报警、分钟通气量低报警氧浓度高报警、氧浓度低报警
窒息报警
交流电报警
低气源报警
报警静音:不大于120秒
五、报价
限最高报价不超9万元,超过此报价视为无效投标。
多功能麻醉机性能参数要求1、供气系统(1)两气源(氧气、空气,空氧混合,可调节氧浓度),氧气、为双流量管、空气单流量管;氧气流量管调节范围:细管:关闭、0.02-0.55L/min,粗管0.55-12L/min (2)快速充氧35-75L/min不经过挥发罐, 断电情况下,供气不受限制(3)具有S-ORC高灵敏度氧空比例控制,使氧浓度不小于21%(4)麻醉系统适用于低流量或高流量的重复吸入或非重复吸入麻醉,适用于成人到婴儿2.麻醉呼吸机(1)呼吸机采用电动电控技术,无需气体驱动,进行小儿麻醉时不需要更换风箱。
停电、停气均可工作。
(2)通气模式容量控制通气、压力限制通气、手动/自主★(3)潮气量设置范围 20-1400ml(VCV设定值)(4)呼吸频率 4-60次/分(5)吸气流速 10-75升/分(容量控制和压力控制)(6)压力限制 15-70 cmH2O(7)吸呼比 4:1-1:4(8) PEEP设置范围 0-20cmH2O无级可调(9)带新鲜气体隔离技术,保证潮气量输送不受新鲜气体流量影响、且潮气量输送精度不依赖于流量传感器是否损坏。
(10)具备泄露和顺应性检测功能,并能数字化显示3.呼吸监护★(1)10.4寸彩色显示屏,能直接监视潮气量、分钟通气量、呼吸频率、气道峰压和PEEP、以及平均压或平台压(2)潮气量测量范围:0-1500 mL(3)压力测量范围:0-99cmH2O(带有波形显示)(4)报警采用声光报警,中文显示★(5)流量监测采用热丝技术(监测误差≤8%),传感器不因天气湿度等原因产生冷凝水4.蒸发罐(1)须与麻醉机同一品牌,具有防倾斜装置且出厂一次标定,终身免检(2)具备压力、流量、温度自动补偿功能(3)输出精度误差≤0.01%(4)容量:≥300ML(5)可使用氨氟醚、异氟醚、七氟醚、地氟醚、氟烷;成人、婴幼儿共用5.集成病人回路:(1) 集成回路带加热功能(2) 所有与病人气体接触部位均可进行拆装和高温高压消毒(3) 气体传输系统及呼吸机之间一体化通讯(4) 一体模块化设计,完全免工具拆装(5) 钠石灰罐单罐容量≥1.5 升★(6) 总的集成呼吸回路容量:≤ 1.7升+手动皮囊6.其它(1)后备电池满充电后使用时间≥90分钟(2)自检快速开机,自检时间≤15秒(3)全球知名品牌,提供CE或FDA认证证书★重庆市三甲医院同品牌麻醉机100台以上安装量,以确保零配件的供应和及时的维修。
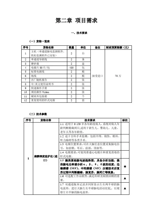
第二章 项目需求 一、技术要求 (一)货物一览表 序号 货物名称 数量 单位 备注 财政预算限额(元) 1 主机(单通道脑电监测软件、肌松监测软件已安装) 2 台
接受进口 70万 2 单通道导联线 2 条 3 磨砂膏 2 盒 4 电极片50片/包 480 包 5 标准电源线 2 根 6 地线 2 根 7 出厂随机报告 2 张 8 中/英文使用说明书 2 张 9 快速操作手册 2 张 10 规范操作Video 2 张 11 硬质外包装箱 2 个 12 重复使用的针式电极 2 套
(二)技术参数 序号 货物名称 技术要求 标注
1 麻醉深度监护仪(进口)
1.1 适用于0-150岁各年龄段病人,系统对病人年龄判断精确到日,适用于新生儿、婴幼儿、儿童、老年人等各年龄组。 1.2 适于全科手术监测,包括开颅、烧伤、眼科、听力障碍等各类手术。 1.3 电极位置要求:可在大脑任意位置采集脑电信号,如前额、耳后、前部、顶部等。 1.4 电极要求:可使用普通心电极片和重复消毒的针式电极。 1.5 提供原始脑电波趋势图,具备分析功能,提供脑电功率谱分析α、β、θ、δ波的活度、边缘频谱(SEF)、中间频谱(MF),以辅助术后复苏过程中判断癫痫、脑复苏、脑死亡等现象。
★
1.6 可选配工作站软件,满足科研及病情回顾的需要。 ▲
1.7 双通道版本记录并同屏显示左右两半球的脑电波形,进行大脑左右半球脑电活动比较,,以观察左右半脑的脑电波形。 ▲ 深圳龙达招标有限公司政府采购货物招标文件 1 1.8 根据原始脑电信号对脑电意识/麻醉深度进行自动分级,指数范围0-100,分为6个阶段15个亚级,用于监测麻醉/脑电意识深度。
1.9 仪器接口:EMA连接口(EEG测量信号接收单元),2个RS-232串口,1个并行口,PS2键盘接口,以太网接口。 1.10 内置可充电电池,工作时间大于1小时。 1.11 可储存1000小时以上病人原始脑电资料,并可导入电脑储存统计。 1.12 输入信号:输入阻抗>10MΩ采集通道,脑电波幅:-500μV~+500μV。 1.13 安全标准:病人漏电流<50μA,病人输入电路全悬浮和隔离,有除颤保护。 1.14 主机可直接外接普通打印机打印监测数据报告。 1.15 屏幕≧10.4英寸TFT彩色阻抗式触摸屏。 1.16 信号采集:可选一通道,二通道导联线进行脑电信号采集。 1.17 每台主机随机附带不小于1200个专用电极片。 1.18 在中国具有国家级医学会认可的专业培训中心,可提供由专业医师授课的相关临床培训。 1.19 提供耗材、备件价格清单(必须为招标当前的全市最低价)。
麻醉机技术参数及要求
一、适用范围:成人、小儿。
二、控制方式:气动电控,性能稳定,安全可靠并符合国家安全通用标准。
三、技术参数最低要求:
1、潮气量:20 mL -1200mL,呼吸比:1 : 3 〜3: 1
2、流量控制:氧气:0.1L/min —10.0L/min
3、呼吸频率:10〜30次/min
4、通气方式:机控、手控互换
5、快速供氧:0—35L/min —75L/min
6、分钟通气量:》18L/min
7、最大安全压力:v 6KPa
8、挥发罐为原装进口七氟醚单罐,并保证七氟醚的长期供应9、各
项参数均设有上、下限报警装置安全设备
10 、配置电池可满足停电后麻醉机继续工作6 小时以上
11、液晶显示屏不小于5.7 寸(亮度高、颜色正、数据及波形图像清晰)
12、具有氧气浓度监测功能
13、麻醉机是原装进口呼吸回路
14、提供进口部件报关单
15、符合国家规定的麻醉机使用安全标准。
个人资料整理,仅供个人学习使用
麻醉机技术参数
一、技术规格
1、适用范围:对患者麻醉进行控制呼吸或辅助呼吸以及监控和显示病人的通气
参数。
2、控制模式:气动电控
3、电源:交流220V+10%,50Hz+2%,并配有内置电池,保证交流电断电后,机器仍能工作60min以上。
4、气源压力:0.28Mpa~0.6Mpa
5、麻醉机主机:
5.1流量计:O2:0.1L/min~10L/min
5.3快速供氧:35L/min~75L/min
5.4 APL阀:0-75cmH2O
5.5呼吸回路工作方式:紧闭、半紧闭、半开放
5.6、集成式呼吸回路,二氧化碳吸收器单罐结构,容量≥2000克
6、麻醉呼吸机:
6.2通气模式:IPPV、手控模式
6.3潮气量调节范围:50ml~1500ml
6.4呼吸频率调节范围:6/min~60/min
6.5吸呼比:2:1~1:6
6.6触发显示:压力:-20~0L(基于PEEP)
流速:2~30L(选配)
6.7参数监测:潮气量、呼吸频率、吸呼比、分钟通气量、气道压力、时间—
压力波形等
6.8报警装置:无潮气量、气道压力上下限、通气量超限、交流电断电、窒息、
供气不足。
备注:招标商要求携带营业执照、组织机构代码证、税务登记证、等有关复印件。
1 / 1。
麻醉科麻醉机技术参数
1、本次2台招标麻醉机的主要性能不得低于岳阳中心医院麻醉科目前使用的最新GE Carestation ,机(工作站除外)。
2、氧电池标配免维护的顺磁氧电池。
3、麻醉机的后备电池时间工作90分钟以上,显示屏大于15英寸触摸屏。
4、全电子流量计,带5种麻醉气体检测、呼吸末二氧化碳监测、肺功能监测、肌松监测、体外循环模式。
5、双罐位,标配七氟酸,双氧流量计。
6、回路水汽处理系统和废气排放系统
7、与现有手麻系统无缝对接。
8、通气模式:PCV>VCV>电子PEEP>SIMV、PSV等,配置只能增加。
9、整机质保三年。
罗湖区人民医院技术需求 单位:万元 设备名称 除颤及监护设备 国别 不限 合计金额 16
项目需求 序号 项目 单价 数量 总价 备注 1 除颤监护仪 10 1 10 体检保健科 2 自动体外除颤仪(AED) 3 2 6 体检保健科 合计 3 16
项目一: 除颤监护仪 主要技术参数: 1. ▲具备手动除颤、心电、呼吸、自动体外除颤(AED)功能,可升级无创血压、血氧饱和度监测、有创血压监测、呼末二氧化碳监测功能。 2. ▲除颤采用双相波技术,最大除颤能量≥360J,具备自动阻抗补偿功能。 3. 心电波形扫描时间>10s,扫描长度>100mm。 4. CPR辅助功能,可指导CPR操作,符合2010国际CPR指南要求。 5. ▲除颤充电迅速,充电至200J≤5s,充电至360J≤8s。 6. 可升级体外起搏功能,起搏分为固定和按需两种模式。 7. ▲手动除颤分为同步和非同步两种方式,能量分≥21档以上,可通过体外电极板进行能量选择。 8. 整机重量≤6kg。 9. ▲具有≥23种心律失常分析功能。 10. 主机屏幕以条状图直观显示病人接触阻抗情况。 11. 可选配两块外置锂电池,配备 1块电池可支持200J除颤100次以上。 12. 成人、小儿一体化电极板,可选用除颤起搏监护多功能电极片。 13. 具备生理报警和技术报警功能,通过声音、灯光等多种方式进行报警. 14. 支持中文操作界面、AED中文语音提示。 15. ▲彩色TFT显示屏≥8”, 分辨率≥640×480,最多可显示4通道监护参数波形,有高对比度显示界面,具备外接屏幕显示功能。 16. 50mm记录仪,自动打印除颤记录,可延迟打印心电,延迟时间>10s。 17. 可存储24小时连续ECG波形,数据可导出至电脑查看。 18. ▲支持接入同品牌中央监护系统。 19. 关机状态下设备可自动运行自检,支持大能量自检(不低于150J)、屏幕、按键检测。 20. 可在-10ºC环境正常工作,存储温度-30~70ºC。 21. 符合除颤国际专用安全标准IEC60601-2-4:2002。 22. 符合欧盟救护车标准EN1789:2007。 23. 具备良好的防水性能,防水级别IPX4,具备优异的抗跌落性能,裸机可 承受0.75m跌落冲击。
麻醉深度多参数监护仪技术参数
1.系统组成:由主机.导连线.电源线.电源适配器等组成,无需外挂子机。
2.注册证产品名称:麻醉深度多参数监护仪。
3.供电及散热:220V交流电,内置电源可交替使用(内置电源11.1V 2.6AH)
4.麻醉深度指数CSI(Cerebral State Index):贯穿整个麻醉手术的全过程,实时监测和反映
临床麻醉中手术病人的意思状态——镇静程度和麻醉深度。
CSI的范围为0-100(从无脑电信号—完全清醒),40-60为最佳外科手术麻醉状态。
5.采样率:2000次/秒。
6.CSI计算时间:传感器连接后,2-6S内,实时计算并显示CSI的值。
7.肌电信号指数EMG:范围0-100,表示肌电活动的总功率,间接反映了患者的肌松程度。
8.爆发抑制比BS:范围0-100%,可以给麻醉师对术中用药过量实时提升,保证手术的安全
性。
9.信号质量指数:SQI:范围0-100,反映EEG脑电信号的质量,包括EEG信号的采集和传
输过程。
10.CSI趋势图:实时意识镇静深度指数展示,同时展示CSI值得变化曲线图。
显示整个麻醉
过程患者诱导.维持.恢复的意识镇静水平。
11.同屏脑电波显示:8寸高亮液晶触摸屏,实时脑电波形及波形趋势显示。
12.抗干扰:有效肌电过滤.抗工频干扰.抗高频电刀干扰,抗肌电干扰。
13.数据存储:数据达2000小时存储空间,可无限扩展。
有网路接口,可连接中央监护系
统,另可通过USB线导出数据。
14.打印功能:可将数据导出打印,打印波段可选,可打印出特定时段的曲线。
15.事件设置:可设置记录当前手术的状态,如诱导.Induction,插管Intubation,手术Surgery
等事件。
并可对各手术状态进行标记。
16.报警功能:设置高.低限报警数值可调,具备声光报警功能。
17.时间/日期:显示时间和日期。
18.配件要求:使用专用一次性传感器,集成采集芯片,高保真采集。
一次性传感器具有独
立的医疗器械注册证。
19.单机软件升级:软件版本升级.具有功能拓展功能。
20.输入阻抗:≥2.5MΩ.
21.CSI与更新:数值范围0-100,6-42Hz每秒更新。
22.EMG与更新:数值范围0-100,75-85Hz,每秒更新。
23.BS与更新:数值范围0-100%,每秒更新。
24.伪差排除:自动。
25.安全等级:内部供电II类,BF型。
26.功率:90VA。
27.显示:8寸高清液晶显示屏,全中文界面显示,全中文触摸屏操作界面。
可中英文切换。
28.导联线:导联线采用十芯导联,屏蔽效果好,传输稳定,前端连接读卡器,保证数据读
取顺畅。
线长≥2.5米。
29.机器配备连续无创血红蛋白实时监测功能:同屏显示PI(血流灌注指数).PVI(灌注变
异指数).SpHb(总血红蛋白).SpO2(血氧饱和度).PR(脉搏率)五大参数.。