长节段钢箱梁吊装施工技术研究
- 格式:pdf
- 大小:2.27 MB
- 文档页数:57
城市立交桥钢箱梁节段吊装施工技术摘要:钢箱梁结构自重轻,跨越能力大,现场施工周期短,施工对城市交通及周围环境影响小,在城市桥梁建设中具有巨大优势。
本文以某立交匝道钢箱梁安装为实例,对跨越既有道路的钢箱梁节段吊装施工技术进行分析研究。
关键词:钢箱梁、节段吊装、施工技术中图分类号:U445.4; U441+.5 文献标志码:A1工程概况梅家山立交分为主线高架桥以及A、B、C、D、E五座匝道桥。
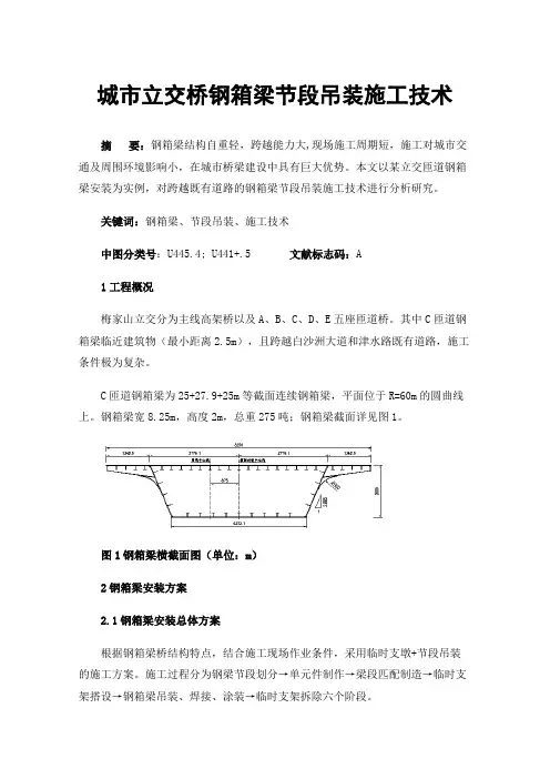
其中C匝道钢箱梁临近建筑物(最小距离2.5m),且跨越白沙洲大道和津水路既有道路,施工条件极为复杂。
C匝道钢箱梁为25+27.9+25m等截面连续钢箱梁,平面位于R=60m的圆曲线上。
钢箱梁宽8.25m,高度2m,总重275吨;钢箱梁截面详见图1。
图1钢箱梁横截面图(单位:m)2钢箱梁安装方案2.1钢箱梁安装总体方案根据钢箱梁桥结构特点,结合施工现场作业条件,采用临时支墩+节段吊装的施工方案。
施工过程分为钢梁节段划分→单元件制作→梁段匹配制造→临时支架搭设→钢箱梁吊装、焊接、涂装→临时支架拆除六个阶段。
由于施工场地狭小、交通繁忙,地下管线复杂,施工前需对钢梁进出场道路进行仔细考察,确定运输线路、运梁车、起重设备及临时支架方案[1]。
对沿线管线、绿化带、地基等不满足要求部位进行必要的加固处理,确保施工顺利实施。
2.2钢梁运输方案钢箱梁梁段进场需要经过主城区,部分钢箱梁分段运输属超限运输构件,要做好运输线路选择和超限申报工作[2]。
钢箱梁施工前组织相关技术、安全人员及卡车司机对运输线路实地考察,对沿线桥梁、收费站等影响运输的隘口及障碍物进行详细调查。
对超限运输车辆,依照规定向公路管理机构提出超限运输申请,对运输路线进行勘测,选定运输路线,计算公路、桥梁承载能力,制定通行与加固方案。
现场安装时按安装顺序运输构件,合理安排运输时间及临时停放,减少大件运输对市区交通的影响。
做好钢梁运输备选方案,如遇城市市政施工等其他情况,需要改道的,以便对运输路线做适当调整。
钢箱梁吊装方案武汉军山长江公路大桥钢箱梁吊装及挂索施工方案交通部第二公路工程局二OOO年六月施工负责人:杨应科技术负责人:任回兴编制:潘中明复核:杨应科审核:任回兴钢箱梁吊装方案一、工程概况:武汉军山长江公路大桥主桥为(48+204+460+204+48)m五跨连续半漂浮体系钢箱梁斜拉桥。
桥面双向横坡2%,纵坡为3%,位于半径R=20000m、切线长T=600m、外矢距E=9m的圆弧竖曲线上。
主梁为全焊流线形扁平钢箱梁,梁高3.0m顶板宽33.8m,底板宽30.28m,总宽度38.8m,横隔板间距3m,纵隔板间距18m。
钢箱梁分节段在工厂制造,驳船运输到位,现场吊装、焊接成桥。
全桥共分87个梁段,总共分为十三类。
其中A标段由二公局架设安装的梁段43块(不计中跨合拢段)。
其中A梁段22块,梁长12m,重195.8t;B梁段8块,梁长12m,重199.9t;C梁段2块,梁长10.2m,重176.1t;D梁段1块,梁长6.8m,重127.1t;E梁段2块,梁长9m,重158.1t; G梁段1块,梁长8.46m,重155.1t;H梁段2块,梁长8m,重125.8t; I梁段1块,梁长6.2m,重154.3t;J梁段1块,梁长9.3m,重189.6t;K梁段1块,梁长10.3m,重207.6t;L梁段1块,梁长10.2m,重207.1t;M梁段1块,梁长12m,重211.8t;F梁段为中跨合拢段,梁长7.1m,重105.4t。
其中最重梁段为M梁段,重211.8t。
每块钢箱梁临时吊点横向间距为18m,纵向间距为6m、4m、5.3m、5.6m四种。
二、施工方案:(1)、主5#墩0#块钢箱梁安装及悬拼:1.1概述。
主5#墩0#块钢箱梁共3块。
按安装顺序和梁段编号,分别为1#(D梁段)一块、2#(E梁段)二块。
其中1#块长6.8m,断面宽34.8m,高3.0m,重127.1t;2#块长9m,断面宽38.8m,高3.0m,重158.1t,0#块钢箱梁沿桥轴线双向横坡为2%,纵坡为3%。
石板坡长江大桥复线桥大节段钢箱梁吊装、合拢技术敬阳【摘要】Reinforced concrete bridges of continuous steel structure are numerous in Chongqing, whose span is usually within 300m. To tackle the prob-lem that the single span of the multiple tracked bridge of the Yangtze River in Shibanpo reaches 330m, the combination technology of reinforced con-crete girder and steel box girder is applied and the problem of bridge's self-weight is resolved, thus, the successful construction of the bridge is ensured. Many mature technologies are applied in the construction process and many specific problems are settled. It offers some references for future situation.%钢筋混凝土连续刚构桥在重庆已很多,跨径一般在300m以内,为解决石板坡长江大桥复线桥单跨达330m问题,采用了钢筋混凝土梁和钢箱梁相结合的技术,有效减少了桥梁梁体的自重问题,保证了石板坡长江大桥复线桥顺利实施,具体实施过程中运用了许多成熟技术,解决了诸多具体问题,为以后超大跨径混凝土连续刚构桥的实施提供了许多可供参考的依据。
【期刊名称】《重庆建筑》【年(卷),期】2014(000)003【总页数】3页(P53-55)【关键词】钢筋混凝土连续刚构桥;大节段钢箱梁;吊装;合拢;技术【作者】敬阳【作者单位】重庆市城市建设投资集团有限公司,重庆 400015【正文语种】中文【中图分类】U445.4重庆石板坡长江大桥加宽改造工程是并列于旧桥的新建桥梁工程,是重庆主城区连接两江三区大通道上面的拓宽改造关键工程。
钢箱梁桥的施工方法和关键技术分析摘要:钢箱梁桥面板施工技术具有优良性能,能够有效提升公路桥梁工程施工质量,因此,在路桥工程施工中的应用十分普遍。
建筑施工企业应重视钢箱梁桥面板技术应用,并在实践中不断完善和发展这一技术,提高公路工程施工水平和施工质量,确保公路运行安全稳定,促进交通工程建设行业健康、稳定发展。
关键词:钢箱梁桥;施工方法;关键技术进行钢箱梁桥施工阶段,需应用合理的施工方法,以保证工程施工质量和使用功能。
所以,需将钢箱梁桥自身的特征和桥梁结构实行有效的结合,明确施工的关键技术,且基于施工现场的具体状况应用对应的控制方式,力求为我国桥梁建筑行业的发展提供助力。
1试件的设计和制造针对试件而言,其能够对正交异性钢桥面板以及恒载所引发的弯曲效应进行计算,同时还能够对钢桥面板的有效宽度以及纵肋间距进行较为准确的计算。
钢箱梁工地接头处桥面板对单面焊双面成型的焊接工艺进行了选用,这一工艺在实施的过程中需要将陶瓷衬垫贴在钢桥面板的内侧,从而使得焊缝下面的U形肋侧壁在实现开口后有利于衬垫的通过。
与此同时,需要注意的是要保证缺口的宽度,如果缺口的宽度相对较小,则会在一定程度上影响施工;如果缺口的宽度相对较大,则会在一定程度上增加附近局部的应力。
日本在对钢箱梁桥的构造细节进行设计时,对宽度为75mm和宽度为120mm的缺口进行了采用。
2钢箱梁桥的施工方法分析2.1分段吊装施工方法工程施工流程是首先于地面胎架上把制作构件熔焊为分段吊装构件,然后应用起重器械将其吊装到工程预定部位,吊装部分结束之后,采用熔焊的方式将结构与嵌补分段,最终将单元拼接成总体钢箱梁。
主要的特征为:工程技术性不高,操作简便,箱梁结构的安装准确,有效保证安装质量,且应用的工程吊装器械较小。
但这种施工方法需较大的胎架,较多的高空作业,保证工作人员的人身安全相对困难,安全保障环节产生的成本较多。
技术难点为:分段单元分割、明确分段吊装次序以及高空熔焊环节。
建筑钢结构吊装施工技术研究摘要:钢结构建筑作为一种新型结构形式,它具有绿色环保、施工效率高、抗震能力强等诸多优点,应用范围越来越广。
钢结构建筑施工涉及多个环节,其中钢结构吊装施工风险大、专业能力强。
为提高建筑钢结构吊装施工技术水平,文章通过对钢结构优势、吊装施工现状的分析,明确钢结构吊装技术的具体应用过程,提出优化吊装施工过程的管理办法,最终实现顺利安全地建设高质量的钢结构建筑产品。
关键词:建筑工程;钢结构;吊装施工引言大型建筑工程项目离不开钢结构吊装施工技术。
钢结构基础造价不高且施工周期较短,并具有较强的抗震性能,因此只需要借助吊装技术就可以将各个构件紧密连接在一起,组成建筑工程项目框架。
尤其是高层建筑施工中钢结构被广泛应用,为了最大程度体现钢结构的优势就需要施工人员不断优化钢结构吊装技术,提高建筑工程项目的安全性和稳定性。
1建筑钢结构吊装施工技术要点1.1做好充分的准备工作做好充分的准备工作是建筑钢结构吊装施工所要注意的问题。
钢结构吊装作业中需要根据工程实际情况对施工人员和机械设备进行确定。
一般情况下,放线测量人员至少为两名,且要确保放线测量人员具备较强的专业技术水平和施工经验。
在测量作业中选用最佳的测量仪器,如经纬仪、水准仪、钢卷尺等。
测量工作开展之前放线测量人员需要对测量设备进行检查,保证测量设备精准度。
1.2提高主体工程和钢结构测量轴线的配合度提高主体工程和钢结构测量轴线的配合度可确保钢结构吊装施工作业满足施工要求,能进一步提高钢结构吊装施工质量。
在测量中一旦发现误差需要立即采取措施加以修正,对吊装位置进行调整,确保钢结构主体的安全性。
1.3规范放线操作根据钢柱安装位置对垂直控制线和水平控制线进行设计,标记清楚各个钢柱的编号,将误差控制到最小,提高钢柱安装的可靠性。
一般情况下垂直方向误差要在5mm之内,以免误差较大降低钢结构的稳定性。
1.4落实验线工作,检查构件质量施工人员在放线之前需要对钢结构各个构件尺寸仔细检查,明确安装步骤,确保放线操作严格按照设计图纸进行。
钢箱梁吊装施工技术及质量控制的研究发布时间:2021-11-28T15:43:03.235Z 来源:《新型城镇化》2021年22期作者:李建1 杜克全2 曾春玉3[导读] 已经无法满足低温环境下钢箱梁桥吊装施工需求,为此提出低温环境下钢箱梁桥吊装施工技术研究。
1成都天府新区建设投资有限公司四川成都 6100952四川省兴旺建设工程项目管理有限公司四川成都 6100953成都华阳建筑股份有限公司四川成都 610095摘要:在主塔吊装涉及诸多环节,如在吊装过程中未能进行科学合理的施工,会对工程项目质量造成严重影响,因此,在建设过程中,需要进行有效的质量把控。
关键词:钢箱梁桥;吊装施工;单箱室引言:钢箱桥梁主要由底板、顶板以及腹板三部分组成,各个结构通过焊接技术连接在一起,特别适用于大跨度桥梁项目中。
同时,钢箱桥梁中所使用到的钢材量比较少,因此钢箱桥梁还具有制作成本和施工成本低的优点。
虽然钢箱桥梁具有多个优点,并且在桥梁建筑领域具有良好的应用前景,但是,由于其体积比较大,内部结构比较复杂,在其安装施工方面具有较高的难度,尤其是在低温环境中。
低温环境会对钢箱桥梁中的钢材造成一定影响,部分桥梁参数会受到低温影响而发生变化,从而导致低温环境下钢箱桥梁安装施工比较困难。
目前,桥梁安装主要采取的是吊装施工形式,原有的钢箱桥梁吊装施工技术在实际应用中受到环境因素的影响导致具有较大的安装误差,已经无法满足低温环境下钢箱梁桥吊装施工需求,为此提出低温环境下钢箱梁桥吊装施工技术研究。
1工程概况:青岛路立交节点位于成都市双流县正兴镇,邻天府大道南沿线。
为苜蓿叶式立交匝道,使下穿道路青岛路西段、青岛路东段与天府大道实行交通转换,其中ABG匝道为桥,A匝道桥上部结构采用(18.45+19.76)m等高钢箱梁,下部结构采用门式墩、扩大基础、U台、肋板台扩大基础,全桥总长38.21m。
B匝道桥上部结构采用(2x22.5+3x20)m等高钢箱梁,下部结构采用门式墩、扩大基础、U台、肋板台扩大基础,全桥总长111.08m。
大跨度钢箱梁桥的整体大节段吊装当今ZG正处于飞速进展期,交通事业随着城市现代化迅猛进展,大跨径桥梁在公路和城市道路中越来越重要。
薄壁钢箱梁桥集合了箱型截面抗弯刚度大、抗扭刚度大、美观等优点,同时又具有钢结构强度高、自重轻等优点,已经成为了大跨径桥梁的主要结构形式.大跨度钢箱梁桥的吊装方法很多,根据结构特点,现场条件以及施工技术,常用的吊装方法主要有分段吊装法、整体吊装法、顶推法、整体提升法、整体顶升法、悬臂拼装法、高空滑移法等。
采纳何种安装方法,应根据结构特点、场地要求、施工水平、工程进度要求、经济性等方面综合考虑再进行确定。
一、整体大节段吊装的优势大节段吊装法施工是将钢箱梁梁段划分为比较长的节段,在工厂完成钢箱梁的制造,利用大型运输船将大节段运输到梁段架设位置,利用海上大型浮吊,将梁段直接吊装到要求位置。
它具有如下优势:(一)灵活、适应性强,减少恶劣环境影响。
整体吊装法是结合复杂施工条件,在传统钢箱梁施工方法的基础建立的,是一种复杂环境下的钢箱梁施工组织治理、吊装安全分析、安装精度操纵的技术体系。
由于海上浮吊的起吊能力可达数千吨以上,省去了满堂支架施工时贝雷架等临时结构,大大减少了复杂环境如海上的施工作业时间,降低了施工风险,提高了施工质量。
(二)施工效率高,大幅减少了工期。
一次吊装整跨钢梁,在地面胎架上拼接,减少了中间块传统在临时支墩上拼接的工序,吊装后只需焊接在两端即完成安装。
以往需在临时支墩上焊接每节箱体,分块越多,焊接过程越长,在复杂环境如海上施工增加的不安全因素越大,改在地面临时胎架上拼接箱体,既减少这种不安全因素,又方便组织流水施工,加快施工进度。
(三)安全性较高。
整体吊装法由于减少在中间临时连接钢梁的步骤,幸免钢梁每节在吊装过程中的水平撞击,从而提高了安装的稳定性。
目前,在国外,已采纳大节段吊装技术完成了许多特大桥。
二、吊装的施工流程(一)钢箱梁起吊钢箱梁制造分为3个阶段:板单元制造、小节段制作和大节段拼装,这些阶段均在工厂完成。
钢箱梁分段吊装施工技术及线型控制技术措施摘要:钢箱梁分段吊装施工在桥梁施工中是一种应用非常广泛的施工技术,其施工工序繁杂且对于精度要求极高。
文章以马练营路的道排工程为例,详细分析了钢箱梁分段吊装的施工技术及钢箱梁线型控制技术措施,最终取得了良好的施工效果。
关键词:钢箱梁分段吊装线型控制1.工程概况与整体施工方案文章以马练营路的道排工程为背景,工程全长约为5500m,预设车速为50km/h,全线工程共有五座跨线桥,其中南环高速跨线桥在上跨南环高速路处采用29m+42m+29m等截面钢结构连续箱梁,桥梁宽度23.5m。
本桥钢箱梁整体施工方案的选择主要依据自身的施工能力、设计构造、运输方式、安装方式、施工现场条件、交通组织等因素来确定,钢箱梁采用横向分八大块、纵向分段、支座处横向分段的方式,采用公路运输方式,在施工现场采用大型起重设备吊装到临时支架及桥墩上,再焊接现场焊缝,探伤合格后进行工地涂装。
钢箱梁具体分段方式见图1。
2.钢箱梁分段吊装施工技术2.1钢箱梁厂内加工钢箱梁厂内加工的构件可分为如下几种:桥面(底)板、桥内(外)侧腹板、隔舱板、U型肋、I型肋及其肋板等。
制作上述部件的胎架为现场地面拼接而成的,之后安排专人负责组装和焊接施工,使之呈流水线作业。
在胎架上,操作人员将组合而成的钢箱梁进行焊接,并及时矫正弯曲之处。
采用数控化的设备生产钢箱梁零部件,避免了使用传统人工加工零部件所产生的误差,提高了部件加工的精准性。
另外,使用机械设备加工还能提高生产零部件的稳定性。
待所有的构件加工完成时,对其进行严格的检验,之后可运输到现场。
2.2构件运输在对钢箱梁构件进行运输时应该确保两个基本原则,首先应该确保构件在运输阶段的安全性,其次则应该保证构件的运输次序科学合理,避免造成由于构件运输顺序混乱导致的工期延误。
在构件运输的准备阶段应该合理选择待运构件的搁置地点,保证其环境干燥并且必须对构件进行覆盖处理,避免生锈,同时还要确保放置地点可以提供足够的支撑力,杜绝下沉。
钢箱梁分段吊装施工技术及线型控制技术措施摘要:在我国钢结构施工技术的发展中,钢箱梁广泛分布于桥梁中,钢箱梁具有断面能力强,桥梁施工美观,施工时间相对较短,抗扭刚度和整体性好,对施工环境影响较小。
由于施工技术在长大桥梁中的广泛应用,使得钢箱梁的运输、吊装、施工环境等诸多因素综合考虑,为了提高施工质量,提高施工进度,采用分段吊装进行施工,分段吊装是为钢箱梁服务的,它将钢箱梁的整个截面分割成一个开放的不对称界面,在应力因素的影响下,在吊装和施工中会产生一些重大的结构变形问题。
将钢箱梁交叉缠绕变形,导致较大的竖向变形,直接降低其使用准备度,造成严重的不利影响。
因此,有必要加强钢箱梁系统设计过程中的关键技术分析,加强线形控制,了解变形规律,原则上了解钢箱梁的施工质量。
本文针对钢箱梁分段吊装的关键问题,对线性控制技术进行了研究和分析。
关键词:钢箱梁;分段吊装;施工技术;线型控制技术1钢箱梁分段吊装施工技术要点在设计中,应综合考虑钢箱梁的施工能力、生产、运输、安装的类型和状态以及地面运输条件,对钢箱梁的关键点进行综合分析。
1.1钢箱梁制造根据钢材选用技术标准,在设计中应尽量选择大规格的尺寸,并以上板的上表面尺寸为基准,有效减少装配截面,以适当的方式进行联合处理。
为有效提高整体抗疲劳性能,适当调整钢板之间的U形刚度,并检查U形刚度与顶板间隙在0.5mm以下及弯曲,确保焊缝端部符合标准,做好打磨工作。
为保证辐射端在设计中能得到有效焊接,可采用变形小的焊接收缩工艺二氧化碳气体保护进行焊接。
1.2分段吊装及焊接经计算并符合规范要求后,可在施工中进行局部吊装,通过计算将整个钢箱分为若干节段进行分块加工,然后对各节段进行焊接、吊装和组装。
在实践中要做好底格的焊接和分段吊装的划分。
在以机组为主体的情况下,要按设计要求做好手工焊补工艺,以保证钢箱梁的整体施工质量。
1.3桥面板的施工桥面是以超高韧性混凝土为主体的建筑材料。
根据要求,合理校核水泥强度,保证其至少为42.5级。
钢箱梁分段吊装施工技术及线型控制技术措施作者:李泽光来源:《珠江水运》2019年第10期摘要:钢箱梁分段吊装施工在桥梁施工中是一种应用非常广泛的施工技术,其施工工序繁杂且对于精度要求极高。
文章以马练营路的道排工程为例,详细分析了钢箱梁分段吊装的施工技术及钢箱梁线型控制技术措施,最终取得了良好的施工效果。
关键词:钢箱梁分段吊装线型控制1.工程概况与整体施工方案文章以马练营路的道排工程为背景,工程全长约为5500m,预设车速为50km/h,全线工程共有五座跨线桥,其中南环高速跨线桥在上跨南环高速路处采用29m+42m+29m等截面钢结构连续箱梁,桥梁宽度23.5m。
本桥钢箱梁整体施工方案的选择主要依据自身的施工能力、设计构造、运输方式、安装方式、施工现场条件、交通组织等因素来确定,钢箱梁采用横向分八大块、纵向分段、支座处横向分段的方式,采用公路运输方式,在施工现场采用大型起重设备吊装到临时支架及桥墩上,再焊接现场焊缝,探伤合格后进行工地涂装。
钢箱梁具体分段方式见图1。
2.钢箱梁分段吊装施工技术2.1钢箱梁厂内加工钢箱梁厂内加工的构件可分为如下几种:桥面(底)板、桥内(外)侧腹板、隔舱板、U 型肋、I型肋及其肋板等。
制作上述部件的胎架为现场地面拼接而成的,之后安排专人负责组装和焊接施工,使之呈流水线作业。
在胎架上,操作人员将组合而成的钢箱梁进行焊接,并及时矫正弯曲之处。
采用数控化的设备生产钢箱梁零部件,避免了使用传统人工加工零部件所产生的误差,提高了部件加工的精准性。
另外,使用机械设备加工还能提高生产零部件的稳定性。
待所有的构件加工完成时,对其进行严格的检验,之后可运输到现场。
2.2构件运输在对钢箱梁构件进行运输时应该确保两个基本原则,首先应该确保构件在运输阶段的安全性,其次则应该保证构件的运输次序科学合理,避免造成由于构件运输顺序混乱导致的工期延误。
在构件运输的准备阶段应该合理选择待运构件的搁置地点,保证其环境干燥并且必须对构件进行覆盖处理,避免生锈,同时还要确保放置地点可以提供足够的支撑力,杜绝下沉。
钢箱梁分段吊装施工方案1. 简介钢箱梁是桥梁中常用的构件之一,它具有结构稳定、使用寿命长等特点,广泛应用于公路、铁路等交通设施建设中。
钢箱梁的安装一般采用分段吊装的方法进行,以确保安全、高效地完成工程施工。
本文将介绍钢箱梁分段吊装的施工方案。
2. 施工准备在开始进行钢箱梁分段吊装施工前,需要做好以下准备工作:•详细分析和评估吊装现场的地形、地貌特征以及气候条件•制定详细的吊装方案,包括吊装设备的选择、钢箱梁的分段方案等•确定施工期限,并安排好工作人员的工作计划和任务分工•准备好必要的施工工具和安全设备•与相关部门和单位沟通,确保施工过程中的协调配合3. 吊装设备的选择钢箱梁分段吊装需要选择适用的吊装设备,以确保吊装工作的安全、高效进行。
通常,选择的设备应满足以下要求:•吊装能力足够,能够满足钢箱梁的重量和尺寸要求•能够适应地形条件和作业环境•具备良好的操控性和稳定性•经过检测和维修保养,保证设备的正常运行和安全性能4. 钢箱梁的分段方案钢箱梁的分段方案应根据具体的工程要求进行制定。
常见的分段方案有以下几种:4.1 等分分段方案该方案将钢箱梁等分为若干个段落进行吊装。
每段长度相等,便于控制吊装过程中的重心和平衡。
该方案适用于钢箱梁长度较短的情况。
4.2 不等分分段方案该方案将钢箱梁按照设计要求进行不同长度的分段,根据桥梁的需求进行吊装安装。
这种分段方案可以最大限度地减少钢箱梁吊装过程中的变形和扭曲,提高施工效率和质量。
4.3 桁架支撑分段方案该方案采用桁架支撑结构进行钢箱梁的分段。
通过在施工现场搭设桁架支撑结构,可以将钢箱梁分段支撑,方便吊装人员进行安装。
该方案适用于钢箱梁较长或需要跨越障碍物的情况。
5. 吊装过程钢箱梁的分段吊装过程一般包括以下几个步骤:5.1 搭设吊装设备根据吊装方案,搭设好吊装设备,包括吊车、起重机、绞车等。
确保设备的安全可靠,并经过测试和检验。
5.2 吊装准备工作为了保证吊装过程的安全和顺利进行,需要进行吊装准备工作,包括:•清理施工现场,确保吊装区域没有杂物和障碍物•安装钢箱梁的吊装扣具和防滑设备•检查吊装设备和安全设备的运行状况•制定详细的吊装作业指导书,明确各工作环节的任务和责任范围5.3 分段吊装根据分段方案,逐段进行钢箱梁的吊装。
绿色环保建材D 0l :10.16767/j .cnki .10-1213/tu .2021.03.057高速公路钢箱梁吊装施工技术齐凯中铁十四局集团第四工程有限公司摘要:钢箱梁因其结构自重小,且为工厂制作现场安装, 质量易于保证的优势,广泛应用于大跨度桥梁及上跨既有通行 道路的梁体施工。
本文详细总结阐述了钢箱梁节段划分、施工 的临时支架设计、支架验算、吊装步骤、焊接涂装等施工技术,对 同类钢箱梁施工具体一定的借鉴意义。
关键词:钢箱梁;节段划分;临时支架;吊装;焊接1桥梁结构概况某高速公路跨既有通行道路主线桥为钢箱梁,采用全焊接 单箱两室结构,道路中心线与箱梁中心线重合;主梁顶宽12.75m ,底宽8.81m ;钢箱梁两侧挑臂根部高0.5m ,端部高0.2m , 悬挑长度为2.014m ,箱室总宽度12.75m ;箱梁道路中心向处高度 为2.03m ;主线桥长87m ,跨径结构为41+46m ,总重量595.361。
2方案选择及施工流程2.1钢箱梁节段划分主线桥纵向按 14500mm 、10300mm 、14000mm 、16000mm 、 16200mm 、16000mm 的长度划分为6个单元;横向按图1所示,划 分为5个单元,单幅箱梁划分为30个吊装节段,单节段钢箱梁最 大重量不超过36t 。
图1钢箱梁横向吊装单元划分图2.2钢箱梁安装步骤钢箱梁的安装分为:施工准备、钢箱梁吊装及校正、钢箱梁 焊接及检测•、临时支架拆除、最后一道面漆涂装,共计五个阶段:(1)施工准备阶段:开展桥墩支座标高及定位点的复测工作,搭设围挡及安装临时支架,提前完成各类机具的准备工作, 主吊机提前进场完成吊装前的各项准备。
(2) 钢箱梁吊装及校正阶段:按照顺序吊装钢箱梁的各节 段,并开展校正定位工作。
(3) 钢箱梁焊接及检测阶段:需严格做好遮挡防护措施,严禁焊接火花落地。
现场焊接完成后,按要求进行焊缝的无损探伤检测。
(4) 临时支架拆除阶段:本阶段首先对钢箱梁进行整体卸 载,随后完成临时支架拆除。
浅谈预制钢箱梁吊装施工技术方案预制钢箱梁是在工厂中,对钢板经过加工成型而成的预制梁,它的优点是生产、安装快速,能够减少施工现场的压力,简化施工工序,减少施工周期,达到快速和高效的施工效果,现在逐渐成为桥梁工程中的主流。
预制钢箱梁吊装施工是预制钢箱梁施工的核心内容,下面将从相应的技术方案入手,浅谈预制钢箱梁吊装施工技术方案。
一、施工条件及施工准备在开展预制钢箱梁的吊装施工之前,必须在现场考察施工地点,并进行现场勘探,确定吊装作业时的承重能力,灌注混凝土强度及当地天气状况等,确认是否符合安全施工的条件。
然后,需要对吊装机械进行检查,包括起重机、吊车、升降机等,确保机械的完整性和正常工作状态。
二、施工方案确定1、施工方案制定根据现场情况以及工程要求对钢箱梁的吊装方案进行详细评估和制定。
进行吊装前,需要准确的测量出梁体的几何尺寸及质量数据,然后按照吊装图纸进行零部件拆装、吊装顺序编排等,确定合理的吊装方案,制定吊装计划。
2、吊装具准备准备好基础立柱、悬挂绳索、吊装夹具,钢丝绳、试验绳、制动器等吊装具,以及必要的连接件和安全保护措施。
需要对吊装具进行交接记录,实现定期检查和保养,确保操作安全。
三、现场指挥1、指挥人员确定吊装现场负责人和指挥员需要对所使用的吊装设备和吊装操作人员进行全面的调度和安排,确保施工过程平稳有序,确保施工质量符合要求。
2、现场安全保障在吊装现场需要统筹安排安全设备、管线的保护等各种必要措施,同时在吊装训练、操作流程中,要注意加强对安全红线的警示教育,严密检查吊装现场的安全措施,防止因安全漏洞导致的施工意外。
四、吊装操作1、装置悬挂在装置吊杆悬挂时,首先要确认钢箱梁的上下两个表面平稳无毛刺、油污、坑槽等缺陷,防止吊装杆变形或瞬间断裂。
对于需要悬挂吊杆的钢箱梁,应根据设计要求进行专门加固和调整,再进行挂装,确保整个吊装系统平衡、平稳并处于安全状态。
2、缆绳调整钢丝绳是吊装系统中非常重要的部分,其调整和检查是吊装前的必要工作。