烟气有关参数的测定
- 格式:ppt
- 大小:2.27 MB
- 文档页数:38
烟气基本参数的测定烟气基本参数的测定是指对工业燃烧过程中产生的烟气中的各项关键参数进行测试和监测。
这些参数的测量可以对燃烧过程以及环境污染情况进行评估,有助于改进燃烧设备的设计和运行,减少对环境的污染。
以下是一些常见的烟气基本参数及其测定方法。
1.烟气温度:烟气温度是指燃烧过程中产生的烟气的温度,通常以摄氏度或华氏度表示。
烟气温度的测量可以通过接触测温法或非接触测温法来实现,如热电偶、红外线辐射测温仪或烟气温度计等。
2.烟气湿度:烟气湿度用于描述烟气中水蒸汽的含量,一般以相对湿度或绝对湿度表示。
烟气湿度的测量可以通过湿度传感器或化学分析法来进行。
3.烟气压力:烟气压力是指燃烧过程中烟气的压力,一般以毫巴或帕斯卡表示。
烟气压力的测量可以通过差压传感器或压力传感器来实现。
4.烟气流速:烟气流速是指烟气在管道中的流动速度,一般以米/秒表示。
烟气流速的测量可以通过烟气流量计、烟气风速计或超声波流量计等设备来实现。
5.烟气成分:烟气的成分分析是通过燃烧后产生的烟气中各种气体的含量比例来评估燃烧过程的完全性和环境污染情况。
常见的烟气成分包括二氧化碳、一氧化碳、氧气、氮氧化物和硫氧化物等。
烟气成分的测量可以通过气体分析仪或化学分析法来实现。
6.烟气流量:烟气流量是指单位时间内通过管道或烟囱的烟气体积,一般以立方米/小时或立方英尺/分钟表示。
烟气流量的测量可以通过烟气流量计来实现,如热式烟气流量计、超声波流量计或旋翼流量计等。
7.烟气颗粒物浓度:烟气中的颗粒物是指燃烧过程中形成的微小固体或液体颗粒,它们对环境和人体健康都可能造成不良影响。
烟气颗粒物浓度的测量可以通过颗粒物采集器和颗粒物分析仪来实现。
8.烟气露点:烟气露点是指在给定温度和湿度条件下,烟气中的水蒸汽开始凝结成液态水的温度。
烟气露点的测量可以通过露点计或露点仪来实现。
总之,烟气基本参数的测定对于评估燃烧过程和环境污染情况具有重要意义。
通过准确地测量这些参数,可以优化燃烧设备的设计和运行,降低对环境的影响,实现绿色、低碳的生产过程。
烟气排放连续检测主要技术参数及配置要求1.1 项目内容:固定污染源排气在线自动监测系统供货、安装、调试。
1.2 技术标准和使用要求:所提供的固定污染源排气在线自动监测系统应符合国家环境保护行业标准(HJ/T75-2007)、(HJ/T76-2007)的要求,能准确、连续的监测固定污染源颗粒物和气态污染物的排放,并可以进行数据采集处理、通讯、统计、查询、打印和联网。
有三年以上的实绩和多个工程案例,不得选用没有实践经验的仪表和控制设备。
设备使用的技术和方法要是国内外市场的主流、成熟、先进技术。
1.3 所提供的固定污染源排气在线自动监测系统的监测项目和监测方法(1)颗粒物——采用激光后向散射;(2)二氧化硫——非色散红外吸收;(3)含氧量——顺磁法或电化学法(4)烟气流速——皮托管法(5)烟道压力——直接测量法(6)烟气温度——热电偶或热电阻温度传感器法。
1.4 系统参数及技术要求1.4.1 SO、NOx气体分析仪的基本技术要求:2系统采样方法:限定采用直接抽取法分析方法:采用红外线吸收法测量范围量程: 0~3000ppm.零点漂移:≤±2.5%FS/24h量程(全幅、跨度)漂移: ≤±2.5%FS/24h响应时间: ≤200s线性误差(%):≤±5%含量分析仪的基本技术要求:1.4.2 O2采样方法:直接抽取分析方法:采用顺磁法或电化学法测量范围:0~25%零点漂移:≤±2.5%FS/24h量程(全幅、跨度)漂移: ≤±2.5%FS/24h相对准确度:≤15%响应时间: ≤90s线性误差(%):≤±3%1.4.3 颗粒物分析仪的基本技术要求:分析方法:采用激光后向散射测量范围:0~1000 mg/Nm3零点漂移:≤±2.0%FS/24h量程(全幅、跨度)漂移:≤±2.0%FS/24h准确度:±15%FS1.4.4烟气流速分析仪的基本技术要求:监测方法:皮托管法测量范围:5~30m/s检出下限: 5m/s分辨率:0.1m/s相对误差:≤±12%1.4.5 烟气温度分析仪的基本技术要求:监测方法:热电偶或热电阻温度传感器法测量范围:0~300℃检出下限:0.1℃精密度:≤±3℃分辨率:0.1℃1.4.6 烟气压力分析仪的基本技术要求:监测方法:直接测量法测量范围(KPa):-4KPa~4KPa精密度:±3%1.5在线监测系统应具有自动对压力和温度进行补偿的功能。
烟气压力、流速及流量的测定[技巧] 烟气压力、流速及流量的测定一、实验目的通过本实验,掌握气化净化系统中测量烟气压力的方法,并通过压力计算烟气流速及流量。
二、实验原理在一个气体净化系统安装完成后,正是投入运行前,不许进行试运行和测试调整。
对于已经运转但效果不好的净化系统,则需通过测试等方法查明原因,找出解决问题的方法。
在正常运行中,也需连续或定期地检测净化装置的操作参数,如温度、压力、流量及排放浓度等。
1、测定位置的选择和测点的确定在测定管道中气体的温度、湿度、压力、流速及污染物浓度之前,都需要先选择好合适的测定断面位置,确定适宜的测点数目。
这对于测试结构是否准确,是否有代表性,并耗用尽可能少的人力和时间,是一项非常重要的准备工作。
(1) 测点位置的选择测定断面的位置,应尽可能选在气流分布均匀稳定的直管段,避开产生涡流的局部阻力构件(如弯头、三通、变径管及阀门等)。
若测定断面之前有局部阻力构件时,则测定断面局部阻力构件时,则两者相距最好大于3D。
测定断面距局部阻力构件的距离,原则上至少在1.5D以上,同时要求管道中气流速度在5m/s以上。
此外,由于水平管道中的气流速度分布和污染物浓度分布一般不如垂直管道内均匀,所以在选择测定断面位置时应优先考虑垂直管段。
确定断面位置附近要有足够的空间,便于安放测试仪器和进行操作,同时便于接通电源等因素,也是需要考虑的问题。
(2)测点的确定测定位置选定后,还应根据管道截面形状和大小等因素确定测点的数目。
当管道较大且其中气流和污染物分布不均匀时,测点数目适当多些,但也不宜过多,以免测定工作量加大。
通常是将管道断面划分成若干个等面积圆环(或矩形),各个等面积圆环(或矩形)的中心作为测点。
对于圆形管道和矩形管道内测点的确定方法分别介绍如下。
A 圆形管道对于圆形断面的管道,采用划分为若干等面积同心圆环的方法。
圆环数目取决于管道直径的大小,一般可按表1的规则确定。
但管道直径大于5m时,应按每个圆环面积不超过1m2来划分。
烟气流量及含尘浓度的测定一、测试的意义和项目大气污染的主要来源是工业污染源排出的废气,其中烟气造成的危害极为严重。
因此,烟气含尘测试是大气污染源监测的主要内容之一。
测定烟气的流量和含尘浓度对于评价烟气排放的环境影响,检验除尘装置的功效有重要意义。
测试项目如下:(1)除尘设备处理烟气量(2)烟气温度、压力、含湿量等参数和烟气流速流量(3)测试除尘设备运行时烟气的排放浓度二、测试原理(一)采样位置的选择正确的选择采样位置和确定采样点数目并符合测试要求是非常重要的。
采样位置应选取气流平稳的管段,距弯头、变径管等其他干扰源,下游方向大于6 倍当量直径,上游方向大于3倍当量直径。
选择时应优先考虑垂直管段,当位置有限不能满足上述要求时,可根据实际情况选取相对比较适宜的管段做为采样位置。
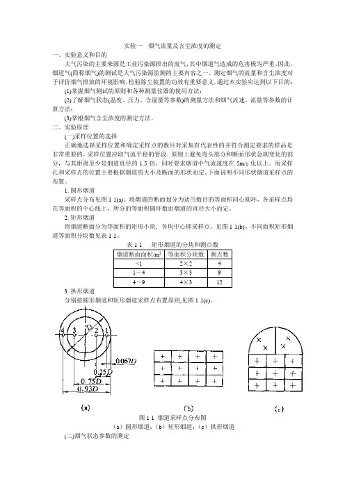
下面说明不同形状烟道采样点的布置。
1、圆形烟道:在选定的测试断面上,设置相互垂直的两个采样孔,再把烟道分成一定数量的同心等面积圆环,通过采样孔沿该断面的直径方向,在每个等面积圆环上各取两个点作为采样点,如图1所示。
采样点数按表1确定。
图1圆形烟道采样点(此图依照5环一测点共10点设计)表1圆形烟道等面积圆环和采样点数各采样点距烟道中心的距离按式(1)计算:(1)式中:R.——采样点距烟道中心的距离,m;R-—-烟道半径,m;i——自烟道中心算起的采样点顺序号;n——划分环数。
为了方便起见,采样点的位置可用采样点距烟道的内壁距离表示。
采样孔入口端至各采样点烟道直径倍数见表2表2采样点距烟道内壁的烟道直径倍数2、矩形烟道将烟道断面分成若干个等面积小矩形,使小矩形相邻两边之比接近于1,每个小矩形中心即为采样点(见图2)。
采样点数见表3图2矩形烟道采样点位置(N,n分别为采样点排数和列数)表3矩形烟道采样点数(二)烟气状态参数的测定烟气状态参数包括压力、温度、相对湿度和密度。
1、压力测量烟气压力:多功能取样管测端有测量压力的相反开口,如图3所示,测定时将多功能取样管与测试仪器用橡皮管连好,一个开口面向气流,测得全压; 另一个背向气流,测得静压;两者之差便是动压。
烟气有关讲义参数的测定烟气是指燃烧产生的气体中含有颗粒物和气态污染物的混合物。
测定烟气中的参数对于环境保护和工业安全具有重要意义。
下面将介绍烟气中一些常见参数的测定方法。
1.烟尘浓度测定:烟尘是燃烧后产生的固体颗粒物,其浓度的高低代表了燃烧过程的完全程度和排放的有害物质的多少。
常用的测定方法有滤膜法、激光散射法等。
滤膜法通过将烟气通过滤膜,然后称量滤膜前后的质量差来计算烟尘浓度;激光散射法则利用激光的散射特性来测定烟尘的浓度。
2.烟气温度测定:烟气温度是烟气排放后的温度,其直接影响着气态污染物的相对含量和稳定性。
常用的测定方法有热电偶法和红外线辐射法等。
热电偶法是通过将热电偶置于烟道中,根据热电偶产生的电压信号来测定温度;红外线辐射法则是利用红外线传感器来测量烟气辐射的温度。
3.烟气流速测定:烟气流速是指烟气在烟道内的流动速度,其大小对烟气混合和污染物传输有重要影响。
常用的测定方法有热式风速计法和超声波法等。
热式风速计法是利用热线膨胀原理来测定烟气的流速;超声波法则是通过超声波传感器测定烟气中的雾滴或颗粒物的运动速度来计算烟气流速。
4.烟气湿度测定:烟气湿度是指烟气中水汽的含量,其大小对颗粒物的形成和气态污染物的传输有影响。
常用的测定方法有干湿温度计法和化学吸湿器法等。
干湿温度计法是利用干湿温度计测量湿球温度和干球温度来计算湿度;化学吸湿器法则是利用吸湿剂吸附水汽来测定湿度。
5.烟气成分测定:烟气中的气态污染物成分是了解燃烧过程和排放物种类的关键。
常用的测定方法有气相色谱法、质谱法、红外吸收法等。
气相色谱法通过气相色谱仪将烟气中的气态污染物分离并测定其浓度;质谱法则是利用质谱仪对烟气中的质谱图谱进行分析;红外吸收法则是根据气态污染物的红外吸收特性来测定其浓度。
总之,烟气参数的测定对于环境保护和工业安全具有重要意义,准确测定烟气中的参数可以帮助我们评估燃烧过程的效率和排放物的含量,从而制定相应的控制措施和政策。
2.仪器①标准型皮托管。
标准型皮托管的构造如图5-2-7所示。
它是一个弯成90°的双层同心圆管,前端呈半圆形,正前方有一开孔,与内管相通,用来测定全压。
在距前端6倍直径出外管壁上开有一圈孔径为1mm 的小孔,通至后端的侧出口,用于测定排气静压。
按照上述尺寸制作的皮托管其修正系数为1.99 ±0.01,如果未经标定,使用时可取修正系数K p 为0.99。
标准型皮托管的侧孔很小当烟道内颗粒物浓度大时,易被堵塞。
它是用于测量较清洁的排气。
②S 型皮托管。
S 型皮托管的结构见图5-2-8.它是由两根相同的金属管并联组成。
测量端有方向相反的两个开口,测定时,面向气流的开口测得的压力为全压,背向气流的开口测得的压力小于静压。
按照图5-2-8设计要求制作的S 型皮托管,其修正系数K p 为0.84 ±0.01。
制作尺寸与上述要求有差别S 型皮托管的修正系数需进行校正。
其正,反方向的修正系数相差应不大于0.01。
S 型皮托管的测压孔开口较大,不易被颗粒物堵塞额,且便于在厚壁烟道中使用。
S 型皮托管在使用前用标准皮托管在风洞中进行校正。
S 型皮托管的速度校正系数按下式计算:PS K K = 式中:PS K 、PN K ——分别为标准皮托管和S 型皮托管的速度校正系数; dN P 、dS P ——分别为标准皮托管和S 型皮托管测得的动压值,Pa 。
③U 形压力计。
U 形压力计用于测定排气的全压和静压,其最小分度值应不大于10Pa 。
压力计由U 形玻璃管制成,内装测压也挺i ,常用测压液体有水,乙醇和汞,视被测压力范围选用。
压力P 按下式计算:P g h ρ=⋅⋅式中:P ——压力,Pa ; h ——液柱差,mm ; ρ——液体密度,g/cm 3;在实际工作中,常用mmH 2O 表示压力,这样压力P=ρ*h U 形压力计的误差较大,不适宜测量微小压力。
④斜管微压计,斜管微压计用于测定排气的动压,测量范围0~2000Pa ,其精确度应不低于2%,最小分度值应不大于2Pa 。
烟气密度简介烟气密度是指在特定条件下烟气的密度。
烟气是指在燃烧或其他化学反应中产生的气体,常见的烟气包括燃煤电厂的废气、车辆尾气、工业废气等。
烟气密度的测量对于环境监测、工业安全等方面至关重要。
本文将介绍烟气密度的定义、测量方法以及应用。
烟气密度的定义烟气密度是指单位体积(通常为立方米)的烟气所具有的质量。
由于烟气是由各种气体混合组成的,因此烟气密度的计算通常涉及对烟气成分的分析和计算。
烟气密度的测量方法烟气密度的测量方法多样,常用的方法主要包括静态法和动态法两种。
静态法静态法是一种常用的烟气密度测量方法。
该方法是通过在特定条件下对烟气进行样品采集,然后对采样气体进行质量和体积的测量,从而计算出烟气密度。
静态法的步骤如下:1.选择适当的采样装置,保证采样过程中烟气的温度、压力等参数不发生变化。
2.进行烟气的样品采集,通常采用硅胶吸附管或冷凝法等方法。
3.对采集的烟气样品进行质量和体积的测量,可以使用天平、密度计等仪器设备。
4.根据测量结果计算出烟气的密度,常用的计算公式有:烟气密度 = 烟气质量 / 烟气体积。
动态法动态法是另一种常用的烟气密度测量方法。
该方法是通过在管道或孔隙中通过烟气流动,测量烟气在单位时间内通过特定截面积的质量或体积,从而计算出烟气密度。
动态法的步骤如下:1.在烟气流动路径上设置流量计,用于测量烟气的流量。
2.测量烟气的温度、压力等参数,通常使用温度计、压力计等仪器设备。
3.根据测量的流量和参数值,计算出烟气的质量或体积。
4.根据计算结果,得出烟气的密度。
烟气密度的应用烟气密度的测量在环境监测、工业安全等方面具有重要的应用价值。
环境监测烟气密度的测量对于环境监测非常重要。
烟气中的一些有害物质如二氧化硫、氮氧化物等对环境和人类健康有较大影响,因此需要对这些有害物质进行监测和控制。
烟气密度的测量可以帮助监测人员了解烟气中的成分和浓度,从而评估烟气的环境影响。
工业安全烟气密度的测量在工业安全方面也具有重要意义。
固定污染源烟气CEMS主要技术指标调试检测1 适用范围本方法适用于固定污染源烟气CEMS主要技术指标调试检测。
2 一般事项依照国家环境保护局HJ/T 75-2007“固定污染源烟气排放连续监测技术规范”中有关规定。
3 方法要点固定污染源烟气CEMS在现场安装运行以后,在接受验收前,应进行技术性能指标的调试。
4 标准气体与装置4.1 TH-880IV型烟尘平行采样仪4.2 Horiba PG-2504.3 CO、NO、SO2标准气体5.颗粒物CEMS相关校准技术指标的调试检测5.1 检测期间,通过调节颗粒物控制装置,使颗粒物CEMS在高、中、低不同排放浓度条件下进行测试。
每个排放浓度至少有5个参比数据。
5.2 参比方法与颗粒物CEMS监测同时段进行,颗粒物CEMS 每分钟记录一次仪表显示值,取与参比方法同时段显示值的平均值与参比方法测定的断面浓度平均值组成一个数据对,至少获得15个有效数据对。
但应报告所有的数据,包括舍去的数据对。
5.3 将由参比方法测定的标准状态下颗粒物断面浓度平均值转换为实际烟气状况下颗粒物断面浓度平均值。
5.4 以颗粒物CEMS显示值为很坐标(X),参比方法测定的已转换为实际烟气状况下的颗粒物断面浓度为纵坐标(Y),由最小二乘法建立两变量之间的关系。
5.5 校验颗粒物CEMS将建立的手工采样参比方法测定结果与颗粒物CEMS测定的专一经验式的斜率和截距输入到烟气CEMS的数据采集处理系统,将颗粒物CEMS的测定显示值校验到与手工采样参比方法一致的颗粒物浓度(mg/m3)。
手工采样断面排气流速应≥5m/s,当不能满足要求时:5.5.1 在2.5-5m/s之间时,取实测平均流速计算采样流量进行恒流采样,校验方法仍采用一元线性回归方程;5.5.2 低于2.5m/s时,取2.5m/s流速计算采样流量进行恒流采样。
至少取9个有效数据对计算k系数,即手工方法平均值/CEMS显示值平均值,然后将k系数输入到CEMS的数据采集处理系统,校验后的颗粒物浓度=k·CEMS颗粒物显示值5.5.3 当无法调节颗粒物控制装置或燃烧清洁能源时,也可采用K系数的方法。
XXXX有限公司
新项目方法验证能力确认报告
项目名称:固定污染源排气烟气参数的测定
HJ/T 397-2007
项目负责人:
项目审核人:
项目批准人:
批准日期:年月日
HJ/T 397-2007烟气参数方法验证能力确认报告
固定污染源排气烟气参数的测定
HJ/T 397-2007
方法验证能力确认报告
1. 方法依据及适用范围
本方法依据是《固定源废气监测技术规范》(HJ/T 397-2007),本方法能力验证应随标准更新而更新。
本方法适用于固定污染源排气中的烟气参数(包括排气温度、含湿量、含氧量、压力、流速和流量)的监测。
2. 主要仪器、设备
3.1全自动烟气参数测试仪及配件,1台,型号:XXXX,编号:XXXXXX XX,检定证书编号:XXXX,检定有效期限,XXXX年XX月XX日。
3.2洁净空气,氧含量为20.9%。
4.步骤
4.1监测位置
监测位置须符合HJ/T 298的要求:
4.1.1监测位置应避开对测试人员操作有危险的场所。
4.1.2监测位置应优先选择在垂直管段,应避开烟道弯头和断面急剧变化的部位。
监测位置应设置在距弯头、阀门、变径管下游方向不小于 6 倍直径,和距上述部件上游方向不小于 3 倍直径处。
对矩形烟道,其当量直径D=2AB/(A+B),式中A、B 为边长。
采样断面的气流速度最好在5m/s。
实验一烟气流量及含尘浓度的测定一、实验意义和目的大气污染的主要来源是工业污染源排出的废气,其中烟道气造成的危害极为严重。
因此,烟道气(简称烟气)的测试是大气污染源监测的主要内容之一。
测定烟气的流量和含尘浓度对于评价烟气排放的环境影响、检验除尘装置的功效有重要意义。
通过本实验应达到以下目的:(1)掌握烟气测试的原则和各种测量仪器的使用方法;(2)了解烟气状态(温度、压力、含湿量等参数)的测量方法和烟气流速、流量等参数的计算方法;(3)掌根烟气含尘浓度的测定方法。
二、实验原理(一)采样位置的选择正确地选择采样位置和确定采样点的数目对采集有代表性的并符合测定要求的样品是非常重要的。
采样位置应取气流平稳的管段.原则上避免弯头部分和断面形状急剧变化的部分,与其距离至少是烟道直径的1.5倍,同时要求烟道中气流速度在5m/s化以上。
而采样孔和采样点的位置主要根据烟道的大小及断面的形状而定。
下面说明不同形状烟道采样点的布置。
1.圆形烟道采样点分布见图1-1(a)。
将烟道的断面划分为适当数目的等面积同心圆环,各采样点均在等面积的中心线上,所分的等面积圆环数由烟道的直径大小而定。
2.矩形烟道将烟道断面分为等面积的矩形小块.各块中心即采样点,见图1-1(b)。
不同面积矩形烟道等面积分块数见表1-1。
3.拱形烟道分别按圆形烟道和矩形烟道采样点布置原则,见图1-1(c)。
图1-1 烟道采样点分布图(a)圆形烟道;(b)矩形烟道;(c)拱形烟道(二)烟气状态参数的测定烟气状态参数包括压力、温度、相对湿度和密度。
1.压力测量烟气压力的仪器为s形毕托管和倾斜压力计。
s形毕托管适用于含尘浓度较大的烟道中。
毕托管是由两根不锈钢管组成,测端做成方向相反的两个相互平行的开口,如图1-2所示,测定时将毕托管与倾斜压力汁用橡皮管连好.一个开口面向气流,测得全压;另一个背向气流,测得静压;两者之差便是动压,由于背向气流的开口上吸力影响,所得静压与实际值有一定误差,因而事先要加以校正。
实验五 烟气分析一、实验目的熟悉奥氏气体分析器的构造和作用原理;掌握烟气中CO 2、O 2、CO 和N 2含量的测定方法;分析一个烟气样,测定其组成并计算空气过剩系数。
二、实验原理奥氏气体分析器是利用化学吸收法按容积测定气体成分的仪器。
测定时,使一定容积的气样依次与不同的化学吸收剂相接触,分别吸收气中的各组分,根据每次吸收前后气样体积的变化,从而得出各组分的含量。
1、CO 2的测定首先使气样与KOH 溶液相作用,以吸收其中的CO 2。
2KOH+CO 2=K 2CO 3+H 2O经吸收,气体体积的减少量即为CO 2的体积。
烟气中如有SO 2,也同时被吸收,这时测定结果实际上是CO 2与SO 2的和量。
2、O 2的测定然后,使吸收除去CO 2的气样与碱性焦性没食子酸(1,2,3三羟基苯)相作用,以吸收O 2。
C 6H 3(OH)3+3KOH=C 6H 3(OK)3+3H 2O2 C 6H 3(OK)3+21O2=(OK)3-C 6H 2-C 6H 2-(OK)3+H 2O (1,2,3三羟基苯) (六氧基联苯钾)经这次吸收,气样减少的体积即为O 2的体积。
3、CO 的测定最后,使吸收除去了CO 2和O 2的气样与氨性氯化亚铜溶液相作用,以吸收CO 。
Cu 2Cl 2+2CO= Cu 2Cl 2·2COCu 2Cl 2·2CO+4NH 3+2H 2O=2NH 3Cl+2Cu+(NH 4)2C 2O 4经吸收,气样所减少的体积即为CO 的体积。
最后剩下的即为N 2的体积。
由于碱性焦性没食酸溶液也能吸收CO 2,氨性氯化亚铜溶液也能吸收CO 2和O 2,所以分析时应先分析CO 2,然后依次分析O 2和CO ,次序不可颠倒。
测定CO所延续的时间不宜过长,否则已被氯化亚铜溶液吸收的CO又会重新放出来,使结果不准,当烟气中CO含量比较高(15%~20%)时,一个吸瓶吸收CO很慢,且不容易吸收完全,可再增加一个装有氨性氯化亚铜溶液的吸收瓶,用以第二次吸收CO。
卷烟烟气pH测定研究进展发布时间:2022-08-17T06:12:00.061Z 来源:《中国科技信息》2022年第4月第7期作者:宗兆齐[导读] 卷烟烟气pH是反映卷烟质量的综合指标之一,可反映烟气化学成分的酸碱平衡关系和烟气烟碱宗兆齐山东中烟工业有限责任公司技术中心滕州技术工作站山东滕州 277599摘要:卷烟烟气pH是反映卷烟质量的综合指标之一,可反映烟气化学成分的酸碱平衡关系和烟气烟碱的存在形态,因此卷烟烟气pH测定具有重要的现实意义,本文就卷烟烟气pH的测定方法回顾,并对测定方法及应用提出展望。
近几十年来的卷烟烟气pH测定方法可以归纳为以下几种方法,一是pH计直接测定主流烟气pH值法,二是溶液吸收主流烟气后测定溶液pH值法,三是溶液萃取粒相物后测定溶液pH值法。
关键词:卷烟烟气pH;直接测试;溶液吸收测试;溶液萃取测试卷烟烟气pH是反映卷烟质量的综合指标之一,可反映烟气化学成分的酸碱平衡关系和烟气烟碱的存在形态[1],因此卷烟烟气pH测定具有重要的现实意义,本文就卷烟烟气pH的测定方法回顾,并对测定方法及应用提出展望。
近几十年来的卷烟烟气pH测定方法可以归纳为以下几种方法,一是pH计直接测定主流烟气pH值法,二是溶液吸收主流烟气后测定溶液pH值法,三是溶液萃取粒相物后测定溶液pH值法。
1 pH计直接测定主流烟气pH值直接测定法,将主流烟气直接导向pH电极表面,此方法可以直接测定每一口烟气的pH值,方便、快捷,但需对吸烟机进行改造,直接测定法国内研究鲜有报到,国外对相应内容研究较多。
文献2-3所介绍的测定方法为直接测定法。
文献2同时还讨论了如下内容,烟气pH值与主流烟气的生物活性,烟气pH值与吸烟行为习惯的相互作用,烟气pH值与烟气有关参数的关系,烟气pH值与主流烟气化学方面的内容,烟草氨化对烟气pH值及其他主流烟气特性的影响。
2 溶液吸收主流烟气后测定溶液pH值溶液吸收主流烟气后测定溶液pH值法,主流烟气导入某种溶液中进行吸收,然后测定此吸收液的pH值作为主流烟气的pH值,但是卷烟抽吸过程中抽吸流量图、抽吸容量均会发生一定的变化。
图1 圆形管道的测点烟气压力、流速及流量的测定一、 实验目的通过本实验,掌握气化净化系统中测量烟气压力的方法,并通过压力计算烟气流速及流量。
二、 实验原理在一个气体净化系统安装完成后,正是投入运行前,不许进行试运行和测试调整。
对于已经运转但效果不好的净化系统,则需通过测试等方法查明原因,找出解决问题的方法。
在正常运行中,也需连续或定期地检测净化装置的操作参数,如温度、压力、流量及排放浓度等。
1、测定位置的选择和测点的确定在测定管道中气体的温度、湿度、压力、流速及污染物浓度之前,都需要先选择好合适的测定断面位置,确定适宜的测点数目。
这对于测试结构是否准确,是否有代表性,并耗用尽可能少的人力和时间,是一项非常重要的准备工作。
(1) 测点位置的选择测定断面的位置,应尽可能选在气流分布均匀稳定的直管段,避开产生涡流的局部阻力构件(如弯头、三通、变径管及阀门等)。
若测定断面之前有局部阻力构件时,则测定断面局部阻力构件时,则两者相距最好大于3D 。
测定断面距局部阻力构件的距离,原则上至少在1.5D 以上,同时要求管道中气流速度在5m/s 以上。
此外,由于水平管道中的气流速度分布和污染物浓度分布一般不如垂直管道内均匀,所以在选择测定断面位置时应优先考虑垂直管段。
确定断面位置附近要有足够的空间,便于安放测试仪器和进行操作,同时便于接通电源等因素,也是需要考虑的问题。
(2)测点的确定测定位置选定后,还应根据管道截面形状和大小等因素确定测点的数目。
当管道较大且其中气流和污染物分布不均匀时,测点数目适当多些,但也不宜过多,以免测定工作量加大。
通常是将管道断面划分成若干个等面积圆环(或矩形),各个等面积圆环(或矩形)的中心作为测点。
对于圆形管道和矩形管道内测点的确定方法分别介绍如下。
A 圆形管道对于圆形断面的管道,采用划分为若干等面积同心圆环的方法。
圆环数目取决于管道直径的大小,一般可按表1的规则确定。
但管道直径大于5m 时,应按每个圆环面积不超过1m2来划分。
烟气基本参数的测定
烟气基本参数的测定是对烟气排放进行评估和监测的重要手段之一。
下面是一份关于
烟气基本参数测定的方法。
1. 设备准备
- 监测仪器:烟气分析仪、颗粒物采样器等。
- 校准气体:根据监测仪器要求选择合适的校准气体,并校准仪器。
- 样品采集设备:根据需要选择适当的颗粒物采样器。
2. 采样操作
- 根据监测要求选择合适的采样点位,并确保采样点位的代表性。
- 按照仪器使用说明进行烟气样品采集,确保采样过程中无干扰和损失。
3. 参数测定
- 使用烟气分析仪进行烟气参数测定。
常见的烟气参数包括:SO2、NOx、CO、CO2、
O2、温度和压力等。
- 使用颗粒物采样器进行颗粒物浓度的采集和测定。
常见的颗粒物参数包括:PM2.5、PM10等。
4. 数据处理与分析
- 将采集到的参数测定结果进行记录,包括日期、时间、采样点位等信息。
- 根据监测要求和相关标准,对参数测定结果进行分析和评估。
以上是一份关于烟气基本参数测定的简要步骤。
具体的操作细节和要求应根据实际情
况和监测要求进行进一步调整和完善。
烟尘烟气综合测试仪的技术参数
1.测量范围:
烟尘浓度:0-1000mg/m³
烟气温度:0-600°C
烟气湿度:0-100%
烟气流速:0-20m/s
烟气压力:0-5000Pa
2.测量原理:
烟尘浓度:采用光散射测量原理,通过激光或LED发射器发射光束,烟气中的烟尘颗粒散射光束被接收器接收,根据接收到的散射光强度计算烟尘浓度。
烟气温度:采用热电偶或红外线测温原理,通过测量烟气中的热量转化为温度值。
烟气湿度:通过湿度传感器测量烟气中的水分含量。
烟气流速:通过感应器或超声波测速仪测量烟气流动速度。
烟气压力:通过差压传感器测量烟气差压。
3.分辨率和准确度:
烟尘浓度:分辨率为0.01mg/m³,准确度为±1%。
烟气温度:分辨率为0.1°C,准确度为±0.5°C。
烟气湿度:分辨率为0.1%,准确度为±2%。
烟气流速:分辨率为0.1m/s,准确度为±1%。
烟气压力:分辨率为1Pa,准确度为±1%。
4.数据存储和传输:
5.显示和操作界面:
6.电源和工作环境要求:
7.附件和可选配置:
总结:
烟尘烟气综合测试仪是一种用于测量和分析空气中烟尘和烟气污染物
含量的设备,具有广泛的应用领域。
其技术参数包括测量范围、测量原理、分辨率、准确度、数据存储和传输、显示和操作界面、电源和工作环境要
求等。
通过了解这些技术参数,可以选择适合实际需求的烟尘烟气综合测
试仪。
一、实验背景随着人们对吸烟危害的认识日益加深,香烟烟雾成分分析成为了烟草行业、公共卫生领域以及相关研究的重要课题。
香烟烟雾中含有多种有害物质,包括尼古丁、焦油、一氧化碳等,这些物质对人体健康造成严重危害。
为了研究香烟烟雾的成分及其对人体健康的影响,本研究采用国产半自动香烟烟气发生装置ASG-C进行实验,分析香烟烟雾的成分。
二、实验目的1. 熟悉烟气发生装置ASG-C的操作方法;2. 分析香烟烟雾的成分,为香烟烟雾对人体健康的影响研究提供数据支持;3. 探讨烟气发生装置ASG-C在香烟烟雾成分分析中的应用前景。
三、实验原理烟气发生装置ASG-C是一种可定制的半自动香烟发生器,能够模拟吸烟过程,产生稳定的香烟烟雾。
通过检测香烟烟雾中的各种成分,可以了解香烟烟雾的成分组成,为相关研究提供数据支持。
四、实验仪器与试剂1. 实验仪器:烟气发生装置ASG-C、香烟、气相色谱仪、色谱柱、检测器、电子天平、移液器等;2. 实验试剂:甲醇、乙酸乙酯、丙酮等。
五、实验步骤1. 准备实验材料:将香烟按照要求装填到烟气发生装置ASG-C的烟嘴中,并确保香烟燃烧稳定;2. 设置实验参数:根据实验需求,设置烟气发生装置ASG-C的吸烟参数,如吸烟速率、吸烟时间等;3. 吸烟过程:开启烟气发生装置ASG-C,进行吸烟过程,收集香烟烟雾;4. 检测过程:将收集到的香烟烟雾通过气相色谱仪进行分析,检测香烟烟雾中的各种成分;5. 数据处理:对实验数据进行整理和分析,得出香烟烟雾的成分组成。
六、实验结果与分析1. 香烟烟雾成分分析结果通过气相色谱仪检测,香烟烟雾中含有尼古丁、焦油、一氧化碳、醛类、酮类等多种成分。
其中,尼古丁、焦油和一氧化碳的含量较高,对人体健康危害较大。
2. 实验结果分析实验结果表明,烟气发生装置ASG-C能够稳定地产生香烟烟雾,为香烟烟雾成分分析提供了可靠的实验数据。
通过对比不同品牌、不同类型的香烟,可以了解不同香烟烟雾成分的差异,为相关研究提供参考。