锚固系统施工方案及主要工艺
- 格式:doc
- 大小:46.50 KB
- 文档页数:13
第四节预应力锚杆施工方案1工艺流程本工程锚孔施工采用机械成孔作业施工准备(施工用电、杆体制作等)→定孔位→校正孔位及角度→成孔→插送杆件→压灌水泥浆、补浆→杆体养护→安装钢梁、锚具→张拉、锁定→拆除2施工工序1)施工准备(1)组织施工人员熟悉相关规范、施工方案和作业参数。
(2)按规范安装施工配电系统,连接施工用电线路。
(3)制定材料计划,提前准备材料并按要求进行原材复试、检验,保证使用合格材料。
2)锚杆杆体制作(1)杆体采用1860级钢绞线,其表面应清洁,无污物、铁锈、油污或其他有害物质。
(2)严格根据设计尺寸下料,杆体长度=锚杆设计长度+1.0m预留段,下料尺寸误差应不大于10cm。
(3)杆体制作应在平坦、坚实的地面上进行,杆体应保持顺直,不得发生明显弯曲、变形。
(4)杆体轴线方向每2.00m设置一个隔离架,并用22#火烧丝将钢绞线与隔离架绑扎牢固;非锚固段套Ф20塑料软管,两端用铅丝扎紧并密封,软管套入前应将钢绞线尾端缠裹防水胶布,避免划破软管;将注浆管(6"塑料管)和排气管插入隔离架中心孔至杆端30-50cm处;杆端用编织袋扎紧,以使顺利下入孔底。
3)插送杆件(1)成孔后应及时插送预制杆件,保持杆件顺直、平稳插送,不得发生明显扭转。
(2)中途遇阻时,可适当调整提动杆件再重新插入;处理无效时,应将杆件提出孔外,重新清孔。
(3)插入杆件后,孔外预留段长度约为1.0m。
4)压灌水泥浆(注浆)(1)注浆是锚杆施工的一道重要工序,是决定锚杆质量的关键;本锚杆工程施工进行常压注浆,注浆管与杆体一同插至孔底,注浆开始2-3min后随注随缓慢抽出注浆管,直至注满锚孔,孔口返出水泥浆;间隔10-15min后应及时补浆,补浆时注浆管尽量插入锚孔,补浆次数宜为2-3次,保证全孔注满。
(2)注浆前检查注浆管、排气管是否畅通,注浆机是否完好,杆件制作是否符合要求。
(3)注浆材料采用水灰比0.45~0.50的纯水泥浆,用P·O42.5水泥加净水搅拌而成。
抗浮锚杆施工技术方案编号:编制单位:编制日期:二〇一五年十月目录1 工程概况 (1)2 设计简介 (1)3 施工方案 (1)3.1 施工工艺流程图 (1)3.2 施工方法 (2)3.3 杆体质量要求 (3)3.4 杆体运输与安装 (3)3.5 M30水泥砂浆配置与灌注工艺 (3)3.6抗浮锚杆施工技术要求 (3)4 施工准备及资源配置 (3)4.1 技术准备 (3)4.2 现场准备 (4)4.3 材料准备 (4)4.4 施工人员准备 (4)4.5 施工设备准备 (5)5 质量措施 (5)5.1 检测原材料 (5)5.2 检查钻孔 (5)5.3 检查注浆设备 (5)5.4 检查浆液配合比 (6)5.5 检查注浆质量 (6)5.6记录和养护 (6)6 工期保证措施 (6)7 安全管理保证措施 (7)7.1安全管理措施 (7)8 文明施工保证措施 (7)9 冬季、雨期施工措施 (8)10成品保护措施 (8)1 工程概况xxxxxxx建设项目施工2标工程位于xxx科技新城。
该项目共包括10栋高层单体、一个地下室车库、部分商业房等内容,地下室车库为单层和双层结构,建筑单体为二至三层地下室结构建筑,规划总用地面积254939.05平方米,可建设用地面积228280.25平方米,总建筑面积603514.35平方米,计容建筑面积434408.30平方米。
本工程共有抗浮锚杆1277个。
本项目由xxx置业投资有限公司投资建设,xxx土建工程咨询有限公司设计,勘察单位为xx地质工程勘察院,监理单位为xxx项目管理有限责任公司,中国xx集团有限公司总承包施工。
锚杆工程工期18天,工程量4341.8米,每天完成240米。
2 设计简介根据《基础结构平面布置图(五)》设计要求:1 通过现场抗拔试验来确定锚杆的抗拔力特征值。
2 锚杆采用M30水泥砂浆灌注,水泥标号≥42.5R。
3 施工方案3.1 施工工艺流程图3.2 施工方法1 测量放孔根据甲方提供的控制点现场定位放线,把控制点转侧到场区周围,并设多出固定点加以保护,作为施工控制依据。
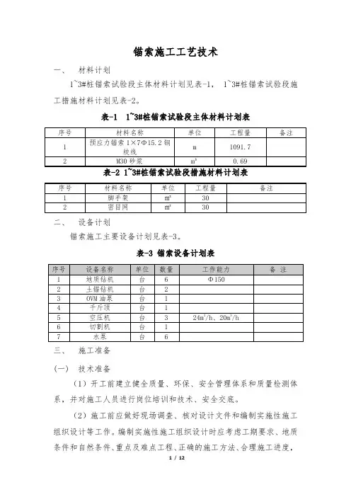
锚索施工工艺技术一、材料计划1~3#桩锚索试验段主体材料计划见表-1, 1~3#桩锚索试验段施工措施材料计划见表-2。
表-1 1~3#桩锚索试验段主体材料计划表二、设备计划锚索施工主要设备计划见表-3。
表-3 锚索设备计划表三、施工准备(一)技术准备(1)开工前建立健全质量、环保、安全管理体系和质量检测体系,并对施工人员进行岗位培训和技术、安全交底。
(2)施工前应做好现场调查、核对设计文件和编制实施性施工组织设计等工作。
编制实施性施工组织设计时应考虑工期要求、地质条件和自然条件、重点及难点工程、正确的施工方法、合理施工进度,配备足够的施工机械,组织均衡生产,提高劳动生产效率。
(3)在施工调查和设计文件核对完成后,应将结果及存在的问题以书面形式呈送业主管理部门,并会同设计单位及时进行处理。
(二)材料准备根据施工图纸,对施工中所需的各种物质资源的生产和供应情况、价格、质量品种及运输路线等进行详细调查。
根据施工组织设计的施工网络图和施工预算中的工料分析,编制工程所需的材料用量计划及材料进场计划,作为备料、供料工作和确定仓库、堆场面积及组织运输的依据。
根据材料需求计划和进场计划,做好材料的申请、订货和采购工作,使计划得到落实。
根据材料需求计划做好构配件的加工、翻样工作,并按施工平面布置图的要求做好堆放和保管工作。
(三)试验准备各种原材料如砂、水泥、钢绞线等,试验人员及时做好自检委托试验工作,并配合监理工程师作好抽检送检工作;提前完成各种配合比,报监理工程师审批后方可用于程施工。
对施工过程中需用的各项试验设备提前配置到位,并各试验设备进行检测标定,评定合格后方可进场使用。
四、施工参数1~4#、12~13#桩直径2m,设计锚索2排;5~11#桩直径2.5m,其中5~10#桩设计锚索4排,11#桩设计锚索3排。
本次选取1~3#桩第1排作为试验段,1~3#桩锚索设计参数见表4。
表4 1~3#桩锚索试验段参数表五、 工艺流程锚索施工工艺流程如图-1所示。
锚杆及土钉墙施工工艺标准3.2.1 总则3.2.1.1 适用范围1.锚杆支护结构是挡土结构与外拉系统相结合的一种深基坑组合式支护结构。
其挡土结构与悬臂式或内撑式支护结构相同,诸如:钻孔灌注桩、钢板桩、预制混凝土桩、地下连续墙等。
适用于较密实的砂土、粉土、硬塑到坚硬的黏性土层或岩层中的大型、较深、邻近有建(构)筑物而不允许有较大变形的基坑和不允许设内支撑的基坑。
存在有地下埋设物而不允许损坏的场地不宜采用。
2.土钉墙适用于地下水位以上或经人工降低地下水位后的人工填土、黏性土和弱胶结砂土的基坑支护或边坡加固。
土钉墙宜用于深度不大于12m 的基坑支护或边坡加固,当土钉墙与有限放坡、预应力锚杆联合使用时,深度可增加;不宜用于含水丰富的粉细砂层、砂砾卵石层和淤泥质土;不得用于没有自稳能力的淤泥和饱和软弱土层.3.2.1.2 编制参考标准及规范1.中华人民共和国国家标准《建筑工程施工质量验收统一标准》(GB 50300-2001);2.中华人民共和国国家标准《建筑地基基础工程施工质量验收规范》(GB 50202-2002);3.中华人民共和国行业标准《建筑基坑支护技术规程》(JGJ 120—99);4.中华人民共和国国家标准《建筑边坡工程技术规范》(GB 50330-2002).3.2.2 术语1.锚杆:由锚固段、自由段、锚头组成的,一端与支护挡土结构相连,一端与土层相锚固的细长杆件。
依靠其锚固段与土体的摩阻力,加固或锚固现场土体。
一般采取先在土层中钻孔,后置入钢筋、在锚固段注浆、锚头紧固的方法制成。
亦可采用置入钢管、角钢、钢绞线,在锚固段注浆的方法制成。
2.锚杆支护结构:锚杆支护结构包括挡土支护结构、腰梁和锚杆三部分组成。
挡土支护结构可以是钢板桩、排桩墙、连续墙等各种挡土结构;当挡土结构为非连续体时,在锚拉点标高处应加腰梁,使之形成整体共同受力.3.锚固体:土层锚杆的锚固段全长即为锚固体。
锚固体是由水泥砂浆或水泥浆将拉杆(预应力筋)与土体黏结在一起形成的,通常呈近似圆柱体状。
锚杆框格梁护坡施工技术方案(大全五篇)第一篇:锚杆框格梁护坡施工技术方案一、锚杆的施工1、锚杆孔测量放线按设计立面图要求,在锚杆施工范围内,起止点用仪器设置固定桩,中间视条件加密,并应保证在施工阶段不得损坏。
其它孔位以固定桩为准钢尺丈量,全段统一放样,孔位误差不得超过±50 mm。
测定的孔位点,埋设半永久性标志,严禁边施工边放样。
竖梁的具体长度可根据实际边坡高度确定,但锚杆的位置须按等分坡面的长度进行放样,其间距可适当调整。
如遇既有刷方坡面不平顺或特殊困难场地时,需经设计监理单位认可,在确保坡体稳定和结构安全的前提下,适当放宽定位精度或调整锚孔定位。
2、钻孔设备钻孔机具的选择,根据锚固地层的类别、锚杆孔径、锚杆深度、以及施工场地条件等来选择钻孔设备。
岩层中采用MG-50锚杆钻机钻孔成孔;在岩层破碎或松软饱水等易于塌缩孔和卡钻埋钻的地层中采用跟管钻进技术。
3、钻机就位利用φ50mm脚手架杆搭设平台,平台用锚杆与坡面固定,钻机用三脚支架提升到平台上。
锚杆孔钻进施工,搭设满足相应承载能力和稳固条件的脚手架,根据坡面测放孔位,准确安装固定钻机,并严格认真进行机位调整,确保锚杆孔开钻就位纵横误差不得超过±50mm,高程误差不得超过±100mm,钻孔倾角和方向符合设计要求,倾角允许误差位±1.0°,方位允许误差±2.0°。
锚杆与水平面的交角z不大于45°,一般在15°~20°之间。
4、钻进方式钻进过程中对每个孔的地层变化,钻进状态(钻压、钻速)、地下水及一些特殊情况作好现场施工记录。
如遇塌孔缩孔等不良钻进现象时,须立即停钻,及时进行固壁灌浆处理(灌浆压力0.1~0.2MPa),待水泥砂浆初凝后,重新扫孔钻进。
5、钻进过程钻进过程中对每个孔的地层变化,钻进状态(钻压、钻速)、地下水及一些特殊情况作好现场施工记录。
锚杆挂网锚喷边坡施工专项方案Chapter 1: n ns1.n basis2.n scope3.Standards。
norms。
and technical documents usedChapter 2: Project OverviewXXX of the project.Chapter 3: Project Characteristics and DifficultiesThis chapter discusses the unique characteristics and difficulties of the project.Chapter 4: n XXX1.n n and management2.Job responsibilities3.n XXX4.Overall plan5.n XXXChapter 5: n XXX1.n process flow.Chapter 1: n1.1 Basis for nXXX anchoring。
netting。
spraying。
and sloping is based on the design XXX'an XXX。
XXX.Chapter 2: XXXXXX。
netting。
spraying。
and sloping are described in this chapter.Chapter 3: n SafetyXXX project.Chapter 4: Dust ControlXXX.Chapter 5: Safety Goals and MeasuresXXX the safety of workers and the public. Chapter 6: Quality Goals and MeasuresXXX the quality of the project.Chapter 7: Civilized n and XXXXXX.XXX Anchoring。
抗浮锚杆施工方案第1篇抗浮锚杆施工方案一、项目背景随着我国城市化进程的加快,地下空间的开发和利用日益增多,深基坑工程中抗浮问题愈发突出。
为确保工程安全、提高工程质量,本项目采用抗浮锚杆技术来解决这一问题。
本方案旨在规范抗浮锚杆的施工流程,确保施工质量,满足设计要求。
二、工程概况1. 工程名称:XX项目抗浮锚杆工程2. 工程地点:XX市XX区3. 建筑面积:XX平方米4. 基坑深度:XX米5. 抗浮锚杆数量:XX根三、施工目标1. 确保抗浮锚杆施工质量,满足设计要求;2. 严格遵循国家及地方相关法律法规,确保施工安全、环保;3. 提高施工效率,缩短施工周期。
四、施工方案1. 施工准备(1)收集工程地质、水文地质、设计文件等相关资料;(2)编制施工组织设计,报请相关部门审批;(3)组织施工人员进行技术培训,掌握抗浮锚杆施工技术;(4)采购合格的施工材料、设备,确保施工质量。
2. 施工工艺(1)锚杆制作:按照设计要求,采用高强度钢材制作锚杆,锚杆杆体长度、直径、间距等参数应符合设计要求;(2)钻孔:采用旋挖钻机进行钻孔,孔径、孔深、孔斜等参数应符合设计要求;(3)锚固:采用高强度水泥砂浆进行锚固,锚固长度、强度等参数应符合设计要求;(4)张拉:待锚固砂浆达到一定强度后,进行锚杆的张拉,张拉力、锁定力等参数应符合设计要求;(5)防腐:锚杆杆体及锚固段应进行防腐处理,确保锚杆使用寿命。
3. 施工顺序(1)施工前,进行现场踏勘,了解地质、水文地质情况;(2)按照设计要求,确定锚杆位置,进行钻孔;(3)锚杆制作、安装;(4)锚固砂浆浇筑;(5)养护,达到一定强度后进行张拉;(6)防腐处理;(7)验收。
4. 质量控制(1)严格遵循国家及地方相关法律法规,确保施工质量;(2)施工过程中,对关键工序进行旁站监督,确保施工质量;(3)对施工人员进行技术培训,提高施工技能;(4)定期对施工材料、设备进行检查,确保合格;(5)严格按照设计要求进行施工,及时处理施工过程中的质量问题。
二期边坡及基坑护壁(号楼)施工专项方案编制:审核:审批:年月目录一、工程概况 ------------------------------------------------------------------------------- 2二、施工资源配置 ------------------------------------------------------------------------- 21、材料 ---------------------------------------------------------------------------------- 22、施工机械设备 ---------------------------------------------------------------------- 33、施工人员配置 ---------------------------------------------------------------------- 3二、施工组织方案 ------------------------------------------------------------------------- 31、总体施工组织安排 ---------------------------------------------------------------- 32、材料来源和机械、人员组织 ---------------------------------------------------- 43、技术准备工作 ---------------------------------------------------------------------- 4三、施工方法与施工工艺 ---------------------------------------------------------------- 52.1、准备工作 -------------------------------------------------------------------------- 52。
锚杆锚索格梁首件工程施工方案文件编码(008-TTIG-UTITD-GKBTT-PUUTI-WYTUI-8256)广东省龙川至怀集公路T J17合同段(K127+~K141+000)锚杆、锚索框格梁首件工程施工方案编制:复核:审核:中国铁建港航局集团有限公司广东省龙川至怀集公路TJ17合同段项目经理部2016年7月目录第一章、编制依据1、《广东省龙川至怀集公路TJ17合同段工程招标文件》及施工合同;2、广东省龙川至怀集公路TJ17合同《两阶段施工图设计》;3、广东省龙川至怀集公路TJ17合同段工程地质详细勘察报告;4、交通运输部《高速公路路堑高边坡工程施工安全风险评估技术指南》(交安监发〔2014〕266 号);5、《公路工程施工安全技术规范》(JTG F90-2015);6、《公路工程质量检验评定标准(JTGF80/1-2004)》;7、《广东省高速公路建设标准化管理规定》;8、《建筑边坡工程技术规范》(GB50330-2002);9、《建筑施工土石方工程安全技术规范》(JGJ/T 180-2009);10、《公路路基施工技术规范》(JTG F10-2006);11、《建筑机械使用安全技术规程》(JGJ 33-2012);12、《钢筋混凝土用钢第2部分:热轧带肋钢筋》(GB );13、《钢筋砼用热轧光圆钢筋》()14、《预应力混凝土用钢绞线》(GB/T5224-2003);15、《预应力筋用锚具、夹具和连接器应用技术规程》(JGJ85-2010);16、《混凝土结构工程施工质量验收规范》(GB50204-2011);17、《施工现场临时用电安全技术规范》(JGJ 46-2005);18、广东省龙川至怀集公路连平至英德段工程建设标准化管理指南;19、连英管理处《深路堑施工管理办法》;20、广东省龙川至怀集公路TJ17-TJ22 合同段路堑高边坡施工安全总体风险评估报告和专项风险评估报告;21、TJ17合同段《实施性施工组织设计》;22、TJ17合同段路堑高边坡施工安全专项风险评估报告;23、我公司积累的成熟技术、科技成果、同类工程施工经验及可调用到本项目的各类资源及现场踏勘调查获取的资料。
锚杆挂网砼喷射施工1. 引言1.1 背景介绍锚杆挂网砼喷射施工技术,作为一种先进的岩土工程施工方法,自20世纪中叶以来,在全球范围内得到了广泛的应用和发展。
该技术将锚杆、挂网和混凝土喷射三者有机结合,显著提高了施工效率和工程质量,尤其在隧道、边坡、基础等工程中发挥了重要作用。
1.2 研究目的与意义通过对锚杆挂网砼喷射施工技术的研究,旨在进一步提高施工效率,保障工程质量,降低工程成本,为我国基础设施建设提供有力支持。
此外,探讨这一技术的原理和应用,对推动我国岩土工程施工技术的发展具有重要的现实意义。
1.3 文档结构概述本文将从锚杆挂网砼喷射施工技术原理、工艺流程、质量控制、安全与环保等方面进行详细阐述,并通过工程案例分析,总结研究成果,为行业发展提供参考。
以下是本文的章节结构概述:•第二章:锚杆挂网砼喷射施工技术原理•第三章:锚杆挂网砼喷射施工工艺流程•第四章:锚杆挂网砼喷射施工质量控制•第五章:锚杆挂网砼喷射施工安全与环保•第六章:工程案例分析•第七章:结论本文将力求严谨、详实,为读者提供关于锚杆挂网砼喷射施工的全面认识。
二、锚杆挂网砼喷射施工技术原理2.1 锚杆挂网技术锚杆挂网技术是在岩土工程中常用的一种加固技术,主要是通过锚杆与挂网相结合,提高岩土体的稳定性和承载能力。
锚杆根据材质、施工方法及功能的不同,可以分为多种类型。
种类: - 钢筋锚杆:常用的有预应力钢筋和普通钢筋。
- 高强度钢丝:具有一定的抗拉强度和抗剪强度。
- 粗钢筋:直径较大,承载能力较强。
功能: - 增强岩土体的整体稳定性。
- 分散应力,减小岩土体变形。
- 防止岩土体产生滑动和倾覆。
施工方法: - 钻孔:根据设计要求,在岩土体中钻孔。
- 锚固:将锚杆插入孔中,采用粘结剂或压力注浆进行锚固。
- 张拉:预应力锚杆需进行张拉,以达到设计预应力值。
- 挂网:将钢筋网固定于锚杆上,形成整体结构。
2.2 砼喷射技术砼喷射技术是一种将砼材料通过喷射设备高速喷射至岩土体表面的施工方法,以提高岩土体的强度和稳定性。
预应力锚杆施工方案随着地下空间开发利用的迅速发展,基坑支护成为重要的分项工程,预应力锚杆应用日趋广泛。
该技术可有效的限制基坑土壁侧位移,能保证紧临基坑建筑物的安全。
工艺流程:定位——注浆管制作——钻孔——锚杆安设——一次注浆——二次注浆——锚具安装——张拉与锁定——锚头保护一、工程内容1、锚杆成孔直径为Ф110mm,长度15米,倾角为100,采用回转锚杆钻机成孔,对于难成孔地段须采用168mm套管跟管成孔。
2、锚杆主筋为2Ф25钢筋。
3、锚杆钢筋表面不应有污物或其它有害物质,并按尺寸下料。
锚杆体在安放前应妥善保护,以免腐蚀或弯曲。
4、锚杆体制作及安放时,应按每2米安放船形对中架,以保证锚杆对中。
5、灌浆采用二次灌浆法。
首次灌浆材料可采用水灰比为0.4~0.6的水泥砂浆,灰砂比为1.5:1;二次灌浆为纯水泥浆,水灰比为0.4~0.6。
水泥宜采用强度为32.5Mpa的普通硅酸盐水泥,黄砂为粉细砂。
灌浆体材料M25。
168mm套管成孔部位,采用150mmPVC 管止浆。
6、钻孔深度超过锚杆设计长度500mm。
7、锚头制作8、锚杆需加预应力,预应力设计值为80~100KN。
9、土层锚杆在立面上呈梅花型布置,按桩间距布置。
二、预应力锚索施工1、锚索材料拟采用ASTmA416-94钢绞线,强度级别为1860mpa,直径为Ф15.24mm,截面积s=140mm2,钢铰线必经取样作力学性能检测,其检测参数有破坏负荷、屈服负荷、抗拉强度、弹性模量等。
2、锚索根据张拉吨位分两种:即2000KN与1500KN,暂定2000KN锚索用13根钢绞线组装成束,1500KN锚索用10根钢绞线组装成束。
3、锚具暂定采用HVm锚具体系,锚具型号为HVml5A一19与HVml5A一7。
4、锚固承压垫板的垫层规格暂定:2000KN者混凝上厚40cm,底部尺寸为90x90cm,锚索孔口承压钢板规格400mm×400mm×40mm,中心孔孔径为Ф150mm,1500KN者混凝土厚30cm,底部尺寸为80×80cm,铺索孔口承压钢板规格300mm×300mm×40mm,中心孔孔径为Ф130mm,均呈正四棱台形状。
抗浮锚杆施工方案XXX贵安新区大坝安置点建设项目施工2标,是一项重要的工程,我们将用心铸造世界。
本文旨在介绍抗浮锚杆的施工技术方案。
1.工程概况本工程旨在建设一座大坝安置点,以确保该区域的安全和稳定。
其中,抗浮锚杆是本工程的重要组成部分。
2.设计简介抗浮锚杆是为了防止坝体浮起而设计的。
其结构包括杆体、锚具和锚固点。
在本工程中,我们采用了M30水泥砂浆配置与灌注工艺。
3.施工方案3.1 施工工艺流程图我们在施工过程中,需要按照以下流程进行:杆体制作、杆体质量检验、杆体运输、杆体安装、灌注水泥砂浆、锚具安装、锚固点安装。
3.2 施工方法我们采用了“先制作,后安装”的施工方法。
具体来说,就是先制作好抗浮锚杆,然后再进行安装。
3.3 杆体质量要求我们对杆体的质量有严格的要求,包括外观质量、尺寸偏差、壁厚、材质等方面。
3.4 杆体运输与安装在运输和安装过程中,我们需要特别注意杆体的防护和稳定性,以确保其安全。
3.5 M30水泥砂浆配置与灌注工艺我们采用了M30水泥砂浆进行灌注。
具体的配比和灌注工艺需要根据实际情况进行调整。
3.6 抗浮锚杆施工技术要求在施工过程中,我们需要注意以下技术要求:杆体的制作和安装要符合相关标准;灌注水泥砂浆时,要注意均匀性和密实性;锚具和锚固点的安装要牢固可靠。
4.施工准备及资源配置4.1 技术准备我们需要准备好相关的工具和设备,包括起重机、钻机、焊接设备等。
4.2 现场准备在现场,我们需要进行场地平整、测量等工作,以确保施工的顺利进行。
4.3 材料准备我们需要准备好各种材料,包括钢筋、水泥、砂子等。
在材料的选择和使用上,我们需要符合相关标准和规定。
以上是本工程抗浮锚杆施工技术方案的相关内容。
我们将按照以上方案进行施工,以确保工程的质量和安全。
4.4 施工人员准备在施工前,我们将对所有参与施工的人员进行培训和安全教育,确保他们了解施工过程中的安全措施和操作规范。
同时,我们将组织人员进行健康检查,确保他们身体健康,适合参与施工。
隧道锚杆后注浆施工工艺流程下载温馨提示:该文档是我店铺精心编制而成,希望大家下载以后,能够帮助大家解决实际的问题。
文档下载后可定制随意修改,请根据实际需要进行相应的调整和使用,谢谢!并且,本店铺为大家提供各种各样类型的实用资料,如教育随笔、日记赏析、句子摘抄、古诗大全、经典美文、话题作文、工作总结、词语解析、文案摘录、其他资料等等,如想了解不同资料格式和写法,敬请关注!Download tips: This document is carefully compiled by theeditor.I hope that after you download them,they can help yousolve practical problems. The document can be customized andmodified after downloading,please adjust and use it according toactual needs, thank you!In addition, our shop provides you with various types ofpractical materials,such as educational essays, diaryappreciation,sentence excerpts,ancient poems,classic articles,topic composition,work summary,word parsing,copy excerpts,other materials and so on,want to know different data formats andwriting methods,please pay attention!隧道锚杆后注浆施工工艺流程详解在隧道工程中,锚杆后注浆施工是一种常见的加固技术,它对于保证隧道的安全稳定起着至关重要的作用。
锚固系统施工方案及主要工艺1.项目概况本桥桥跨布置采用(15.5+150+15.5)m 地锚式单跨双铰悬索桥。
桥梁宽度4.5m, 桥面净宽3.5m,主桥桥位平面位于直线上,纵断面为双向1%纵坡,设半径为8000m 的竖曲线。
吊索间距采用2.0m,充分考虑了山区横纵梁的吊装与架设,主梁通过竖向支座支承于主塔横梁上,主梁与主塔间竖向设置普通板式橡胶支座,横向设置橡胶减震块。
主塔采用钢筋混凝土结构。
塔柱采用矩形截面,顺桥向长度1.5m,横桥向宽度1.2m,为保证主缆与吊索在同一平面内,塔柱采用内缩构造;索塔柱设置上横梁,宽1.5m,高1.2m,下塔柱设置矩形中横梁,宽1.5m,高1.5m,中横梁为主桥和引桥的端支撑。
根据桥位处的地质条件,主塔采用二级扩大基础。
2.基坑开挖2.1锚碇基坑开挖施工锚碇基坑采用地面直接开挖方法施工,主要内容包括:场地清理、临时道路工程、基坑开挖、基坑边坡防护、出渣通道施工、基坑截水沟、排水系统施工、垫层砼浇筑等。
2.1.1截、排水施工开挖之前,首先应沿着开挖线5 米以外修筑挡水墙和截水沟,布置排水系统,以防止地表水汇入基坑。
随着锚坑开挖深度的加大,每个作业层按周边高,中部低的原则设置,这样坑中部就自然形成积水点,利用潜水泵抽出,即可排水。
2.1.2出渣通道锚碇开挖土石方总量较大,工期紧,开挖前认真察看地形条件和施工实际情况,确定出渣速度快、经济效益高的施工方法。
现拟采用运输通道出渣方法。
出渣通道开挖采用机械开挖、人工开挖和爆破相结合,反铲挖掘机挖运,自卸汽车运输出渣。
出渣通道从基坑内一直延伸到地面,再与施工道路相连至指定的弃土场。
随着开挖工作的不断进行,基坑深度逐渐增加,出渣通道也需进行相应的开挖,其坡度也随着发生变化。
2.1.3基坑开挖根据设计和边坡防护要求,为保证施工安全,在开挖的同时进行边坡防护,且分层开挖基坑。
每大层开挖时,可根据实际情况,分为若干小层,每小层层厚2.5m,以方便开挖,同时还应注意边坡岩质不均匀或地质突变的影响。
在开挖过程中,如发现异常情况,立即停止施工并报工程师,采取应急措施。
基坑开挖时,对不同深度不同风化程度的岩石选择适当的开挖方式。
基坑开挖采用爆破作业时,只许采用小药量爆破,以防止扰动基岩岩体及锚区周围岩体。
表层土体开挖:基坑开挖前应先清理开挖区范围内场地,树木、植被等均应按相关规定处理。
采用机械和人工挖掘方式进行作业,当基岩强度较大时,也可根据实际情况采取小药量爆破开挖。
表层土体开挖坡度按1:0.5考虑,开挖后,应同时进行边坡防护作业。
下层土体开挖:该层土体主要为白云质灰岩、泥质灰岩,开挖采用机械和爆破为主的方式进行。
施工时,该层可分成2.5m一层的若干小层。
在开挖时,需要通过出渣通道出渣。
随着基坑的不断开挖,出渣通道也应进行相应的开挖,其纵坡要求不大于25%,以保证运输车辆能正常出入基坑。
开挖过程中,出渣通道防护与基坑边坡防护同步进行,且出渣通道开挖边坡应与基坑坡度相同,均按1:0.5开挖。
基层岩体开挖:基层岩体开挖顺序按照从锚前到出渣口的顺序倒退开挖。
开挖时采取2台挖掘机在基坑中双层接力的施工方法,两层施工平面的高差保持在2.5m左右,以使两层施工平面挖土速度保持平衡,同时保持挖运土之间的平衡。
运土车在位置较高的反铲挖掘机处装载土石方,然后运至弃土区。
基层岩体开挖时,一般岩石强度较高,可根据岩层风化情况及强度,分别采用机械、爆破、人工等方式开挖,但须避免大药量爆破作业,以免影响边坡和岩体稳定性。
在到达设计基底1m以内时,禁止采用爆破方式开挖,以免影响地基强度,开挖采取机械和人工开挖方式。
基底岩面应留0.5m厚岩层到浇筑砼前人工突击开挖,严禁基岩裸露、泡水。
开挖完毕后,随即浇筑垫层砼,避免基底泡水降低承载力。
2.1.4爆破作业开挖过程中,对于基础存在强度较高的岩层,需进行爆破施工。
为了减小爆破对边坡稳定性的影响,保证不扰动边坡和破坏基坑周围及基底需保留的岩层,锚碇基坑开挖均采用小药量爆破法进行土石方施工。
在重点坡段和基坑开挖时采用预裂爆破技术。
预裂爆破是专门用于处理边坡开挖的特种爆破技术,采用小孔距和弱性装药结构,起爆后沿炮孔形成一条裂缝,把开挖区和保留区分开,并能使边坡保持原有的强度特性,从而达到保证边坡完好的目的。
爆破所需的钻孔直径为105mm、孔与孔间距及限装用药量等通过计算确定。
2.1.5基坑边坡防护由于基坑开挖的深度大、面积广,易造成坑壁局部坍塌,甚至导致坑壁失稳,因此边坡开挖须按设计要求,确保施工安全,采取全面防护与重点防护结合、边开挖边防护等措施,一般按以下方法进行基坑开挖边坡的防护。
该边坡采用分层开挖分层防护法,边坡防护亦逐层采用锚杆方式,以加强边坡岩体的锚固和稳定。
随着锚碇的逐渐向下开挖,出渣通道也需逐层开挖逐层防护。
锚杆施工:锚杆孔距误差不大于±15mm,孔深误差不大于0.5cm,孔径不小于设计。
锚杆应平直、除锈、除油。
由试验决定砂浆配合比,注浆时要求注浆管插至孔底5~10厘米,随砂浆的注入缓慢匀速拔出注浆管,随即插入锚杆。
若孔口无砂浆溢出应及时补注,锚杆插入长度不小于设计深度的95%,锚杆安装后,不得随意敲击,3 天内不得悬挂重物。
2.1.6基坑基底承载力和摩擦系数试验根据设计要求,基坑开挖至接近基底时,采用风镐凿挖至基底,随即进行基岩承载力和摩擦系数试验,如不能满足设计要求,报工程师并在其指导下继续开挖。
2.1.7基坑开挖施工监测锚碇基坑开挖规模大,基坑深度较深,由于基坑在开挖施工过程中的受力情况和边坡稳定情况直接关系着施工的质量和安全,因此需对基坑开挖全过程进行施工监测,通过对设置在施工场地的观测点进行周期性的测量,求得各观测点坐标和高程的变化量,为支挡结构和地基的稳定性提供技术参数。
以便及时发现不稳定因素,采取防范措施,以基坑监测结果指导基坑开挖施工。
3.锚碇混凝土块体锚碇设计为重力式锚碇,其结构分别是由锚体、基础及支墩、前锚室、后浇段等。
其中锚块、基础及散索鞍支墩等部分砼为大体积砼结构,加强大体积砼的施工控制,是确保锚碇施工成败的关键。
3.2.1大体积砼施工控制1)概述该桥锚碇为重力式锚碇结构,砼浇筑方量大,为典型的超大体积砼块体,具有一系列大体积砼的施工问题,如:温度应力控制、水平施工缝和竖向后浇段的处理、砼输送浇筑过程中离析度和坍落度的控制等问题。
2)大体积砼施工为了很好地解决本工程大体积砼的施工问题,应根据以往工程施工经验和大量的相关资料,制定大体积砼施工方案,严格安照方案及施工技术规范进行施工。
4.锚锭系统制作与安装a、钢筋制作与安装钢筋加工采用在加工场下料、加工成型,现场焊接、绑扎的方法施工。
当钢筋运往施工现场后,利用塔吊分类将钢筋吊运至适当位置焊接、绑扎成型。
b、模板安装锚体模板由锚块模板、散索鞍墩模板、后锚面侧墙模板、前后锚面模板及后浇段模板等组成,其中锚块、散索鞍墩、前后锚面外侧墙模板采用结构刚度大、变形小的整体式大平面模板。
前、后锚面部位:前锚面为缆索预应力锚固面,为确保预力管道及张拉槽口模板安装牢靠准确,前锚面模板与预应力锚固系密切联系,张拉槽口模板固定在前锚面模板上。
后锚面为一斜面,因施工荷载较大,且考虑到该面为预应力锚固面,精度要求高,后锚面模板采用“倒挂篮”支撑体系,既是承重结构,又是施工平台。
“倒挂篮”体系主要由贝雷桁架和锚固系统组成,其中贝雷桁架为承重结构,锚固系统是防止浇筑砼贝雷桁架倾覆失稳。
为了保证砼外观质量,在锚体施工时采用现场制作的钢模板。
其它部位:对于后锚室内部和散索鞍墩等部位的模板,采用现场加工制作的刚度比较大的钢模板。
c、预应力锚固系统施工锚碇锚固系统由索股锚固拉杆和预应力钢束锚固构造组成。
预应力钢管定位安装:锚碇主缆锚固系统预应力钢管定位是锚体施工中的一个重要环节,采取定位钢支架并通过设置在其片架上的定位板实现预应力钢管精确定位,因此,钢支架的加工及安装精度,尤其是片架的加工和安装精度直接影响钢管的定位精度。
①定位钢支架的结构:预应力钢管的定位安装是锚体施工的重点和难点,根据我们以往的锚碇施工经验,按照“锚体分层浇筑、预应力钢管分节支撑、管道分段接长”的原则设计预应力钢管定位支架系统。
定位钢支架由基础、骨架、片架三大部分组成。
②定位钢支架加工:定位钢支架采用钢桁架结构,由于是预应力管道定位的关键部件,因此其结构尺寸要求较严,需选择专业加工队伍进行加工。
③定位钢支架安装就位:定位钢支架主要分为三个部分:基架、骨架和片架。
在安装施工时,定位钢支架应先在地面预拼校核,根据锚体砼分层浇筑速度分成基架、骨架和片架的顺序进行,每安装一层定位支架,都要进行反复调整。
基架定位的关键在于控制基架顶面位置,以便于精确安装骨架。
首先计算出基架四角点坐标,在浇筑基架底层混凝土时,在基架底面四个角点预埋角钢,在安装前,把角钢调整至设计高程,在其顶面用角钢把四角连成一个整体框架,再复测并准确放出四个角点位置。
调整基架顶位位置利用底面四角的四个调位螺栓来调节。
顶面精度:X 方向水平偏位值不大于5mm,高程偏差不大于5mm,Y方向可以利用片架左右调节,得到控制。
骨架安装于基架之上,并逐步接长安装,骨架定位是支架定位中最关键的环节,其安装质量将直接影响到片架的定位精度。
骨架安装好后,便可安装相应的片架,先计算出各片架的定位坐标,然后通过螺栓连接片架与骨架,调整后焊牢。
支架安装,不可一次安装多节,支架运输、安装过程中,要避免碰撞变形。
为了方便钢支架安装施工,其采取分节段由塔吊配合进行吊装定位。
为保证定位支架安装质量,支架施工过程中严格控制好几何尺寸,加工好后及时进行验收,不合格的支架返工重新加工。
支架在运输过程中,要避免支架碰撞变形,要保证测量定位精度,对控制点及定位基线要经常进行复测,要保证仪器精度及定位数正确。
随时进行自检,总结分析误差来源,及时采取相应措施,提高安装精度。
支架安装完毕,内部质检工程师先进行检查验收,合格后再提交资料,报请监理工程师验收。
④预应力钢管定位安装:预应力管道采用5mm无缝钢管,管道的连接采用直径大于预应力管道5mm 的接头管焊接连接,接头管长度为20cm。
预应力管道的安装总原则是随定位钢支架的接高而逐渐接长。
后锚面锚垫板及槽口定位安装:构件定位前预先将锚垫板和槽口模板用螺栓固定在一起,根据在后锚面木模板上定出的锚点位置,将槽口模板放置到位。
调整槽口,测量槽口底面与预应力钢管垂直度合格后,将槽口模板用铁钉固定在模板上,然后套上螺旋钢筋,把预应力钢管插入锚头中。
封好接头后,将钢管与定位片架焊牢。
前锚面锚垫板及槽口定位安装:前锚面锚头及槽口采用在锚体外搭设支撑骨架的方法定位,骨架根据前锚面砼分层浇筑顺序分层布置,可重复利用。