电气原理图及电子电路
- 格式:docx
- 大小:146.79 KB
- 文档页数:43
电气原理图设计规范目录●电器原理图及其构成●设计制图的一般规则●电原理图的幅面及其格式●简图的绘制步骤●电原理图设计的基本要求●电路图的组成要素●元器件的标注方法●电路原理图的设计●图纸的更改●文件名及图号编号规则●对电原理图的审核电器原理图及其构成电器电路图有原理图、方框图、元件装配以及符号标记图等:●原理图电器原理图是用来表明设备的工作原理及各电器元件间的作用,一般由主电路、控制执行电路、检测与保护电路、配电电路等几大部分组成。
这种图,由于它直接体现了电子电路与电气结构以及其相互间的逻辑关系,所以一般用在设计、分析电路中。
分析电路时,通过识别图纸上所画各种电路元件符号,以及它们之间的连接方式,就可以了解电路的实际工作时情况。
电原理图又可分为整机原理图,单元部分电路原理图,整机原理图是指所有电路集合在一起的分部电路图。
●方框图(框图)方框图是一种用方框和连线来表示电路工作原理和构成概况的电路图。
从某种程度上说,它也是一种原理图,不过在这种图纸中,除了方框和连线,几乎就没有别的符号了。
它和上面的原理图主要的区别就在于原理图上具体地绘制了电路的全部的元器件和它们的连接方式,而方框图只是简朴地将电路按照功能划分为几个部分,将每一个部分描绘成一个方框,在方框中加上简朴的文字说明,在方框间用连线(有时用带箭头的连线)说明各个方框之间的关系。
所以方框图只能用来体现电路的大致工作原理,而原理图除了具体地表明电路的工作原理之外,还可以用来作为采集元件、制作电路的依据。
●元件装配以及符号标记图它是为了进行电路装配而采用的一种图纸,图上的符号往往是电路元件的实物的形状图。
这种电路图一般是供原理和实物对照时使用的。
印刷电路板是在一块绝缘板上先覆上一层金属箔,再将电路不需要的金属箔腐蚀掉,剩下的部分金属箔作为电路元器件之间的连接线,然后将电路中的元器件安装在这块绝缘板上,利用板上剩余的导电金属箔作为元器件之间导电的连线,完成电路的连接。
C画电气原理图方法Company Document number:WTUT-WT88Y-W8BBGB-BWYTT-19998CAD快速绘制电路图的方法和技巧计算机辅助绘图与设计技术已广泛应用于工程中的各个领域,如机械、电子、建筑等、目前广泛使用的CAD软件,不仅适用于机械图样的绘制与编辑,绘制电子、电路图也是非常方便适用的。
电路分析的一个重要方法就是把实际的电路系统抽象为电路模型,用理想元件或者理想元件的组合去代替实际电路系统中的实际元件。
这样就构成了与实际电路相对应的电路模型,建立电路模型能使电路的分析大大简化,是电路计算的基础。
电路图是用规定的电路符号表示各种理想元件而画出的电路模型图样。
电路图只反映各种理想元件在电路中的作用及其相互连接方式,并不反应实际元件的内部结构。
掌握电路图绘制方法是电子电路设计中一项十分重要的工作,是电子技术人员进行电子设计的基本功。
电路是由各种电子元件或电气设备按一定方式连接起来的一个整体,如电源、电压、电流、电阻、导线等,可以实现有用的多种功能。
如图1所示的电路图。
用CAD 软件中提供的二维图形绘制与编辑命令,并掌握一定的技巧,能方便、准确、快速地完成。
下面以图1所示电路图为例描述其应用CAD的绘制过程。
1 图块的使用在电路图中,有各种电子元件,它在各类电子产品中占有十分重要的位置。
电路图中用到的几种电子元件的图形符号。
在使用AutoCAD绘图时,会遇到图形中有大量相同或相似的内容,这时可以把重复绘制的图形创建成块,在需要时直接插入。
例如在CAD中,通过块创建制成的各种专业图形符号库,标准零件库,常见结构库等,通过块的调用进行图形的拼合,从而提高绘图效率。
在绘制电路图时将常用的电子元件定义成为块,用插入块的方法插入到电路图中,就能大大提高绘图速度。
1.1 绘制要定义为图块的图形电阻的图形符号用CAD中的矩形命令绘制出。
电压的图形符号用CAD中的圆命令绘制出。
定义块执行绘图→块→创建→出现块定义对话框,在块定义对话框中定义块名为电阻,指定块的基点,选择矩形图形内部的中点,选择对象是将矩形图形选中。
资深电梯人讲解默纳克3000电气原理图这次找的图纸是一份黙纳克3000的电气图,因为现在新时达和黙纳克的系统比较常用,所以这份图纸可能更有代表性一些吧,不过这个图纸我也是第二次看到,我本人擅长的不是黙纳克的系统,所以也算是和大家一起慢慢的琢磨着看,也就是说对于这份图纸来说我也是一个新人,所以难免有讲错的地方,还请大家多指正,让我一起跟着进步。
之所以不讲我擅长的图纸是因为那种品牌更多的人不熟悉,系统又不像莫纳克新时达这样直观,对于广大新手来说更难理解。
言归正传,拿到一份图纸,先翻看第一页,看右下角,右下角这个小表格里面一般注明这个图纸有多少页,是什么品牌,这一是画的什么。
这样我们对这一本图纸有个大概的了解。
然后看正文,左边的文字是莫纳克3000的技术标准,画图的原则,右边是一个目录,那一页画的什么,方便我们去找。
如果是第一次接触一个电梯的图纸,肯定是很多原件看不懂的,不知道是干什么的,我们应该首先看元件代码表,我们看目录,第二页是电气代号说明,也就是元件代码表。
现在先翻到第二页这一页密密麻麻,都是符号,我们从上往下看,第一行,最左边1BFS 他的含义是缓冲器开关1,也就是说只要再图纸上看到BFS就是缓冲器开关,他的位置在哪呢?HTW ,这是什么意思?看右下角,HTW是井道,也就是说缓冲器开关是在井道里,在这里说一下,这个图纸等于是把底坑也划到井道里了,因为在右下角我们只能看到四个位置说明,轿厢,控制柜,主机,井道。
然后再看第三行,AB,就是警铃,在轿厢安装。
看图就是这样看,对着元件代码,能找到所有的东西第三就是正经的图纸了,先看右下角,380电源供电回路,这就说明这一页画的是电源回路,看最后边,标的有ABNDEF,最上面标的12345678,这就是图纸的坐标,在整页图纸上找一个东西,只要把坐标横纵坐标对起来就知道在那一块了,比如说2B,写的QF1(10A)对照第二页的代码表,我们知道这是一个380的空开,最大的允许电流是10A,也就是说这个空开上电流如果超过10A空开就会动作,切断电路。
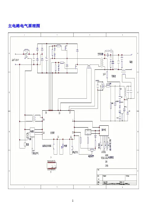
主电路电气原理图主控制板电器原理图:逆变触发电路图:脉冲及时序板原理图:本机采用三相交流380V电压经三相桥式整流、滤波后供给以新型IGBT为功率开关器件的逆变器进行变频(20KC)处理后,由中频变压器降压,再经整流输出可供焊接所需的电源,通过集成电路构成的逻辑控制电路对电压、电流信号的反馈进行处理,实现整机闭环控制,采用脉宽调制PWM为核心的控制技术,从而获得快速脉宽调制的恒流特性和优异的焊接工艺效果。
IGBT逆变电焊机工作原理及输出特性这里介绍的逆变器(见图)主要由MOS 场效应管,普通电源变压器构成。
其输出功率取决于MOS 场效应管和电源变压器的功率,免除了烦琐的变压器绕制,适合电子爱好者业余制作中采用。
下面介绍该逆变器的工作原理及制作过程。
--拓普电子1.电路图2.工作原理这里我们将详细介绍这个逆变器的工作原理。
方波信号发生器(见图3)这里采用六反相器CD4069构成方波信号发生器。
电路中R1是补偿电阻,用于改善图3由于电源电压的变化而引起的振荡频率不稳。
电路的振荡是通过电容C1充放电完成的。
其振荡频率为f=1/2.2RC 。
图示电路的最大频率为:fmax=1/2.2×3.3×103×2.2×10-6=62.6Hz;最小频率fmin=1/2.2×4.3×103×2.2×10-6=48.0Hz 。
由于元件的误差,实际值会略有差异。
其它多余的反相器,输入端接地避免影响其它电路。
场效应管驱动电路。
由于方波信号发生器输出的振荡信号电压最大振幅为0~5V ,为充分驱动电源开关电路,这里用TR1、TR2将振荡信号电压放大至0~12V 。
如图4所示。
MOS 场效应管电源开关电路。
这是该装置的核心,在介绍该部分工作原理之前,先简单解释一下MOS场效应管的工作原理。
MOS 场效应管也被称为MOS FET , 既Metal Oxide Semiconductor FieldEffect Transistor (金属氧化物半导体场效应管)的缩写。
主电路电气原理图主控制板电器原理图:逆变触发电路图:脉冲及时序板原理图:本机采用三相交流380V电压经三相桥式整流、滤波后供应以新型IGBT为功率开关器件的逆变器进行变频〔20KC〕处理后,由中频变压器降压,再经整流输出可供焊接所需的电源,通过集成电路构成的逻辑控制电路对电压、电流信号的反馈进行处理,实现整机闭环控制,采用脉宽调制PWM为核心的控制技术,从而获得快速脉宽调制的恒流特性和优异的焊接工艺效果。
IGBT逆变电焊机工作原理及输出特性这里介绍的逆变器〔见图〕主要由MOS 场效应管,普通电源变压器构成。
其输出功率取决于MOS 场效应管和电源变压器的功率,免除了烦琐的变压器绕制,适合电子爱好者业余制作中采用。
下面介绍该逆变器的工作原理及制作过程。
--拓普电子这里我们将详细介绍这个逆变器的工作原理。
方波信号发生器〔见图3〕这里采用六反相器CD4069构成方波信号发生器。
电路中R1是补偿电阻,用于改善图3由于电源电压的变化而引起的振荡频率不稳。
电路的振荡是通过电容C1充放电完成的。
其振荡频率为f=1/2.2RC 。
图示电路的最大频率为:fmax=1/2.2×3.3×103×2.2×10-6=62.6Hz;最小频率fmin=1/2.2×4.3×103×2.2×10-6=48.0Hz 。
由于元件的误差,实际值会略有差异。
其它多余的反相器,输入端接地防止影响其它电路。
场效应管驱动电路。
由于方波信号发生器输出的振荡信号电压最大振幅为0~5V ,为充分驱动电源开关电路,这里用TR1、TR2将振荡信号电压放大至0~12V 。
如图4所示。
MOS 场效应管电源开关电路。
这是该装置的核心,在介绍该部分工作原理之前,先简单解释一下MOS场效应管的工作原理。
MOS 场效应管也被称为MOS FET , 既Metal Oxide Semiconductor FieldEffect Transistor 〔金属氧化物半导体场效应管〕的缩写。
电动机控制原理图和实物接线图及直流电动机其线圈绕线方法大连安大制冷设备服务有限公司热继电器负载大连安大制冷设备服务有限公司熔断器漏电断路器负载大连安大制冷设备服务有限公司负载大连安大制冷设备服务有限公司大连安大制冷设备服务有限公司 负载停止按钮启动按钮接触器负载大连安大制冷设备服务有限公司负载大连安大制冷设备服务有限公司员载大连安大制冷设备服务有限公司停止按钮芝器• • 0 • •IIBI CJ20-63负载大连安大制冷设备服务有限公司熔断器隔离变压器220V翻・。
热继电器负载停止按钮启动按钮]■大连安大制冷设备服务有限公司顺逆转控制电路 顺启动 逆启动 ■ 111 r K液位继电器自动控制泵水水泵电机JY&7KAMAC r 必三三逆启动行徂开关电机运行限位自动回程昕路器停止按钮启动按钮CJ10-10接触器顺启动顺点动停止顺点动逆点动延时断电停机UIVIW!•MuAjr©,f-!=]~~]m ))4^ w 9・•—* ■ N 屮rtf。
mi⑷・••• FU2 四MH * '币戸r■ 'r i-i U MFL'IT TT®]hMI ® 9$ ® TTT11c d KM2KMKMI KM3KMIiiE 电动机反接制动控制电路lill HI®fKMJTKM4rre 华eeQKM3□KAI KM 33KMiB〒〒〒KMI KM2KM5器卿枫速电动机髓瞬FU2| »<•!TioTI ® a i◎OD DFLUFL2l i ViWtWAiCjc620辅萌黠一:2极电机。
转速2950转4极电机。
转速1470转6极电机。
转速750转8极电机。
转速500转-:1、电机的级数实际上反映的就是电机的同步转数,如级数为2级的电机,同步转数为290(kpm,4级的为1450rpm, 6级则为1000rpm, 8级为750rpm □2、对于电机级数的选择,主要根据电机驱动机械设备对电机输出转数的要求:如减速机输入转数的要求、皮带转动主动轮的转数要求等。
电气工程师的好东东工程师应该掌握的20个模拟电路对模拟电路的掌握分为三个层次。
初级层次是熟练记住这二十个电路,清楚这二十个电路的作用。
只要是电子爱好者,只要是学习自动化、电子等电控类专业的人士都应该且能够记住这二十个基本模拟电路。
中级层次是能分析这二十个电路中的关键元器件的作用,每个元器件出现故障时电路的功能受到什么影响,测量时参数的变化规律,掌握对故障元器件的处理方法;定性分析电路信号的流向,相位变化;定性分析信号波形的变化过程;定性了解电路输入输出阻抗的大小,信号与阻抗的关系。
有了这些电路知识,您极有可能成长为电子产品和工业控制设备的出色的维修维护技师。
高级层次是能定量计算这二十个电路的输入输出阻抗、输出信号与输入信号的比值、电路中信号电流或电压与电路参数的关系、电路中信号的幅度与频率关系特性、相位与频率关系特性、电路中元器件参数的选择等。
达到高级层次后,只要您愿意,受人尊敬的高薪职业--电子产品和工业控制设备的开发设计工程师将是您的首选职业。
一、桥式整流电路1、二极管的单向导电性:2、桥式整流电流流向过程:输入输出波形:3、计算:Vo, Io,二极管反向电压。
二、电源滤波器1、电源滤波的过程分析:波形形成过程:2、计算:滤波电容的容量和耐压值选择。
三、信号滤波器1、信号滤波器的作用:与电源滤波器的区别和相同点:2、LC串联和并联电路的阻抗计算,幅频关系和相频关系曲线。
3、画出通频带曲线。
计算谐振频率。
一、微分和积分电路1、电路的作用,与滤波器的区别和相同点。
2、微分和积分电路电压变化过程分析,画出电压变化波形图。
3、计算:时间常数,电压变化方程,电阻和电容参数的选择。
二、共射极放大电路1、三极管的结构、三极管各极电流关系、特性曲线、放大条件。
2、元器件的作用、电路的用途、电压放大倍数、输入和输出的信号电压相位关系、交流和直流等效电路图。
3、静态工作点的计算、电压放大倍数的计算。
三、分压偏置式共射极放大电路1、元器件的作用、电路的用途、电压放大倍数、输入和输出的信号电压相位关系、交流和直流等效电路图。
桥式整流电路图及工作原理介绍桥式整流电路如图1所示,图(a)、(b)、(c)是桥式整流电路的三种不同画法。
由电源变压器、四只整流二极管D1~4 和负载电阻RL组成。
四只整流二极管接成电桥形式,故称桥式整流。
图1 桥式整流电路图桥式整流电路的工作原理如图2所示。
在u2的正半周,D1、D3导通,D2、D4截止,电流由TR次级上端经D1→ RL →D3回到TR 次级下端,在负载RL上得到一半波整流电压在u2的负半周,D1、D3截止,D2、D4导通,电流由Tr次级的下端经D2→ RL →D4 回到Tr次级上端,在负载RL 上得到另一半波整流电压。
这样就在负载RL上得到一个与全波整流相同的电压波形,其电流的计算与全波整流相同,即UL = 0.9U2IL = 0.9U2/RL流过每个二极管的平均电流为ID = IL/2 = 0.45 U2/RL每个二极管所承受的最高反向电压为什么叫硅桥,什么叫桥堆目前,小功率桥式整流电路的四只整流二极管,被接成桥路后封装成一个整流器件,称"硅桥"或"桥堆",使用方便,整流电路也常简化为图Z图1(c)的形式。
桥式整流电路克服了全波整流电路要求变压器次级有中心抽头和二极管承受反压大的缺点,但多用了两只二极管。
在半导体器件发展快,成本较低的今天,此缺点并不突出,因而桥式整流电路在实际中应用较为广泛。
二极管整流电路原理与分析半波整流二极管半波整流电路实际上利用了二极管的单向导电特性。
当输入电压处于交流电压的正半周时,二极管导通,输出电压v o=v i-v d。
当输入电压处于交流电压的负半周时,二极管截止,输出电压v o=0。
半波整流电路输入和输出电压的波形如图所示。
二极管半波整流电路对于使用直流电源的电动机等功率型的电气设备,半波整流输出的脉动电压就足够了。
但对于电子电路,这种电压则不能直接作为半导体器件的电源,还必须经过平滑(滤波)处理。
平滑处理电路实际上就是在半波整流的输出端接一个电容,在交流电压正半周时,交流电源在通过二极管向负载提供电源的同时对电容充电,在交流电压负半周时,电容通过负载电阻放电。
电路图工作原理
电路图是一种图形化表示电子元件和连接方式的工具,用于描述电路的结构和工作原理。
在电路图中,电子元件通过线段和连接点进行连接,表示它们之间的电气连接关系。
电路图的工作原理是将电路中的元件和连接关系以图形的方式表达出来,使得人们能够直观地理解电路的结构和功能。
通过电路图,我们可以清楚地看到电子元件之间的连接方式,以及它们的相互作用和功能。
电路图一般包括电源、电子元件(如电阻、电容、电感、二极管、晶体管等)、连接线和连接点等要素。
电源提供电路所需的电能,电子元件根据其特性和连接方式实现不同的功能,连接线用于连接电子元件,连接点表示元件之间的电气连接关系。
电路图可以分为原理图和布局图两种类型。
原理图主要描述电路的逻辑结构和工作原理,不考虑元件的物理位置和布局情况;布局图则考虑元件的物理位置和布局情况,用于实际的电路设计和制造。
通过仔细观察电路图,我们可以理解电流、电压、电阻、电容、电感等参数在电路中的传递和变化规律,进而推导出电路的功能和性能。
电路图是电子技术领域中非常重要的工具,广泛应用于电路设计、电路分析和故障排除等方面。
【高效】电感线圈电气原理图1. 概述电感线圈是一种使用电流通过导线产生磁场的器件。
它由绕组和磁性材料组成,常用于电路中的能量存储和信号传输。
本文将介绍电感线圈的电气原理图及其工作原理。
2. 电感线圈电气原理图以下是电感线圈的电气原理图:3. 电感线圈工作原理电感线圈基于法拉第电磁感应定律,当通过绕组的电流变化时,会产生磁场。
这个磁场会随着电流的变化而变化,从而产生感应电动势。
电感线圈的主要工作原理如下:- 当通过电感线圈的电流以增加的方式变化时,会在绕组周围产生一个磁场。
磁场的强度正比于电流的变化率。
- 当磁场的强度增加时,会在线圈中产生一个电动势,该电动势会试图抵抗磁场的变化。
- 当通过电感线圈的电流以减小的方式变化时,磁场的强度也会减小,从而在线圈中产生一定的电动势。
4. 电感线圈的应用电感线圈在电路中有广泛的应用。
以下是一些常见的应用示例:- 滤波器:电感线圈可以用于滤波电路中,用于滤除高频噪声或波动。
- 能量存储:电感线圈可以存储电能,用于电路中的脉冲或稳定电源。
- 变压器:电感线圈可以用于变压器中,改变电压的大小和方向。
- RF电感:电感线圈在射频电路中起到重要的作用,用于调谐和匹配电路。
5. 结论电感线圈是一种重要的电子器件,在电路中发挥着重要的作用。
本文介绍了电感线圈的电气原理图和工作原理,同时提及了一些常见的应用。
通过深入了解电感线圈,我们可以更好地应用它们,并设计出更高效的电子电路。
请注意:以上只是电感线圈的基本原理和应用示例,在实际应用中还需要结合具体的电路设计和需求进行深入研究和实践。
电气原理图及接线图识读方法VS画图技巧2016-11-11 07:30识图方法电气图纸一般可分为两大类,一类为电力电气图,它主要是表述电能的传输、分配和转换,如电网电气图、电厂电气控制图等。
另一类为电子电气图,它主要表述电子信息的传递、处理;如电视机电气原理图。
本文主要谈电力电气图的识读。
电力电气图分一次回路图、二次回路图。
一次回路图表示一次电气设备(主设备)连接顺序。
一次电气设备主要包括发电机、变压器、断路器、电动机、电抗器、电力电缆、电力母线、输电线等。
为对一次设备及其电路进行控制、测量、保护而设计安装的各类电气设备,如测量仪表、控制开关、继电器、信号装置、自动装置等称二次设备。
表示二次设备之间连接顺序的电气图称二次回路图。
一、电气图的种类电气图主要有系统原理图、电路原理图、安装接线图。
1.系统原理图(方框图)用较简单的符号或带有文字的方框,简单明了地表示电路系统的最基本结构和组成,直观表述电路中最基本的构成单元和主要特征及相互间关系。
2.电路原理图电路原理图又分为集中式、展开式两种。
集中式电路图中各元器件等均以整体形式集中画出,说明元件的结构原理和工作原理。
识读时需清楚了解图中继电器相关线圈、触点属于什么回路,在什么情况下动作,动作后各相关部分触点发生什么样变化。
展开式电路图在表明各元件、继电器动作原理、动作顺序方面,较集中式电路图有其独特的优点。
展开式电路图按元件的线圈、触点划分为各自独立的交流电流、交流电压、直流信号等回路.凡属于同一元件或继电器的电流、电压线圈及触点采用相同的文字。
展开式电路图中对每个独立回路,交流按U、V、W相序;直流按继电器动作顺序依次排列。
识读展开式电路图时,对照每一回路右侧的文字说明,先交流后直流,由上而下,由左至右逐行识读。
集中式、展开式电路图互相补充、互相对照来识读更易理解。
3.安装接线图安装接线图是以电路原理为依据绘制而成,是现场维修中不可缺少的重要资料。
安装图中各元件图形、位置及相互间连接关系与元件的实际形状、实际安装位置及实际连接关系相一致。
图中连接关系采用相对标号法来表示。
二、识读电气图须知1.学习掌握一定的电子、电工技术基本知识,了解各类电气设备的性能、工作原理,并清楚有关触点动作前后状态的变化关系。
2.对常用常见的典型电路,如过流、欠压、过负荷、控制、信号电路的工作原理和动作顺序有一定的了解。
3.熟悉国家统一规定的电力设备的图形符号、文字符号、数字符号、回路编号规定通则及相关的国标。
了解常见常用的外围电气图形符号、文字符号、数字符号、回路编号及国际电工委员会(IEC)规定的通用符号和物理量符号(相关资料附后)。
4.了解绘制二次回路图的基本方法。
电气图中一次回路用粗实线,二次回路用细实线画出。
一次回路画在图纸左侧,二次回路画在图纸右侧。
由上而下先画交流回路,再画直流回路。
同一电器中不同部分(如线圈、触点)不画在一起时用同一文字符号标注。
对接在不同回路中的相同电器,在相同文字符号后面标注数字来区别。
5.电路中开关、触点位置均在"平常状态"绘制。
所谓"平常状态"是指开关、继电器线圈在没有电流通过及无任何外力作用时触点的状态。
通常说的动合、动断触点都指开关电器在线圈无电、无外力作用时它们是断开或闭合的,一旦通电或有外力作用时触点状态随之改变。
三、识读电气图方法1.仔细阅读设备说明书、操作手册,了解设备动作方式、顺序,有关设备元件在电路中的作用。
2.对照图纸和图纸说明大体了解电气系统的结构,并结合主标题的内容对整个图纸所表述的电路类型、性质、作用有较明确认识。
3.识读系统原理图要先看图纸说明。
结合说明内容看图纸,进而了解整个电路系统的大概状况,组成元件动作顺序及控制方式,为识读详细电路原理图作好必要准备。
4.识读集中式、展开式电路图要本着先看一次电路,再看二次电路,先交流后直流的顺序,由上而下,由左至右逐步顺序渐进的原则,看各个回路,并对各回路设备元件的状况及对主要电路的控制,进行全面分析,从而了解整个电气系统的工作原理。
5.识读安装接线图要对照电气原理图,先一次回路,再二次回路顺序识读。
识读安装接线图要结合电路原理图详细了解其端子标志意义、回路符号。
对一次电路要从电源端顺次识读,了解线路连接和走向.直至用电设备端。
对二次回路要从电源一端识读直至电源另一端。
接线图中所有相同线号的导线.原则上都可以连接在一起。
四、常用电气图形符号表2—1 部分常用电气图形符号和文字符号的新旧对照表一、图形符号图形符号通常用于图样或其他文件,用以表示一个设备或概念的图形、标记或字符。
图形符号含有符号要素、一般符号和限定符号。
常用图形符号见表2—1。
1.符号要素它是一种具有确定意义的简单图形,必须同其他图形结合才构成一个设备或概念的完整符号。
如常开主触电的符号就由接触器触点功能符号和常开触点符号组合而成。
2.一般符号用以表示一类产品和此类产品特征的一种简单的符号。
如电动机可用一个圆圈表示。
3.限定符号是一种加在其他符号上提供附加信息的符号。
运用图形符号绘制电气图时应注意:①符号尺寸大小、线条粗细依国家标准可放大与缩小,但在同一张图样中,统一符号的尺寸应保持一致,各符号之间及符号本身比例应保持不变。
②标准中示出的符号方位,在不改变符号含义的前提下,可根据图面布置的需要旋转,或成镜像位置,但是文字和指示方向不得到置。
③大多数符号都可以附加上补充说明标记。
④对标准中没有规定的符号,可选取GB4728《电气图常用图形符号》中给定的符号要素、一般符号和限定符号,按其中规定的原则进行组合。
二、文字符号文字符号用于电气技术领域中技术文件的编制,也可以标注在电气设备、装置和元器件上或近旁,以表示电气设备、装置和元器件的名称、功能、状态和特性。
文字符号分为基本文字符号和辅助文字符号,常用文字符号见表2—1。
1.基本文字符号基本文字符号有单字母符号与双字母符号两种。
单字母符号按拉丁字母顺序将各种电气设备、装置和元器件划分为23大类,每一类用一个专用单字母符号表示,如“C”表示电容器类,“R”表示电阻器类等。
双字母符号由一个表示种类的单字母符号与另一个字母组成,且以单字母符号在前,另一个字母在后的次序排列,如“F”表示保护器件类,则“FU”表示为熔断器,“FR”表示为热继电器。
2.辅助文字符号辅助文字符号用来表示电气设备、装置和元器件以及电路的功能、状态和特征。
如“L”表示限制,“RD”表示红色等。
辅助文字符号也可以放在表示种类的单字母符号之后组成双字母符号,如“YB”表示,“SP”表示等。
辅助字母还可以单独使用,如“ON”表示接通,“M”表示中间线,“PE”表示保护接地等。
三、接线端子标记1.三相交流电路引入线采用L1、L2、L3、N、PE标记,直流系统的正、负线分别用L+、L―标记。
2.分级三相交流电源主电路采用三相文字代号U、V、W的前面加上阿拉伯数字1、2、3等来标记。
如1U、1V、1W、2U、2V、2W 等。
3.各电动机分支电路各接点标记采用三相文字代号后面加数字来表示,数字中的个位数表示电动机代号,十位数字表示该支路各结点的代号,从上到下按数值大小顺序标记。
如U11表示M1电动机的第一相的第一个节点代号,U21表示M1电动机的第一相的第二个节点代号,以此类推。
4.三相电动机定子绕组首端分别用U1、V1、W1标记,绕组尾端分别用U2、V2、W2标记,电动机绕组中间抽头分别用U3、V3、W3标记。
5.控制电路采用阿拉伯数字编号。
标注方法按“等电位”原则进行,在垂直绘制的电路中,标号顺序一般按自上而下、从左至右的规律编号。
凡是被线圈、触点等元件所间隔的接线端点,都应标以不同的线号。
五、常用基本文字符号一、电气设备常用文字符号(二)设备、装置和元、器件种类名称举例基本文字符号测量设备试验设备指示器件记录器件积算测量器件信号发生器P电流表PA (脉冲)计数器PC 电度表PJ 记录仪表PS时钟PT操作时间表电压表PV电力电路的开关器件Q 断路器QF电动机保护开关QM隔离开关QS电阻器电阻器R变阻器电位器RP测量分流器RS热敏电阻器RT压敏电阻器RV控制、记忆、信号电路的开关器件选择器拨号接触器连接级机电式有或无传感器(单级数字传感器)S控制开关选择开关SA 按钮开关SB 液体标高传感器SL 压力传感器SP 位置传感器(包括接近传感器)SQ 转速传感器SR 温度传感器ST变压器T 电流互感器TA控制电路电源用变压器TC电力变压器TM磁稳压器TS电压互感器TV调制器变换器鉴频器解调器变频器编码器变流器逆变器整流器电报译码器U电子管晶体管气体放电管二极管晶体管晶闸管V电子管VE 控制电路用电源的整流器VC传输通导波导天线导线电缆母线波导波导定向耦合器偶极天线抛物面天线W端子插头插座连接插头和插座接线柱X电缆封端和接头焊接端子板连接片XB测试插孔XJ插头XP插座XS端子板XT电气操作的机械器件气阀Y 电磁铁YA电磁制动器YB电磁离合器YC电磁吸盘YH电动阀YM 电磁阀YV 终端设备混合变压器滤波器均衡器限幅器电缆平衡网络压缩扩展器晶体滤波器网络电气设备常用文字符号—基本文字符号(一)辅助文字符号名称辅助文字符号名称A电流M主A模拟M中AC交流M中间线A自动M手动AUT MANACC加速N中性线ADD附加OFF 断开ADJ可调ON 接通(闭合)AUX辅助OUT输出ASY异步P压力B制动P 保护BRKPE 保护接地BK黑PEN保护接地与中性线共用BL蓝PU不接地保护BW向后R记录C控制R右CW顺时针R反CCW逆时针RD红色R复位D延时(延迟)RSTD差动RES备用D数字RUN运转D降S信号DC直流ST启动S置位、定位DEC减SETE接地SAT饱和EM紧急STE步进F快速STP停止FB反馈SYN同步FW正,向前T温度GN绿T时间H高TE无噪音(防干扰)接地IN输入V真空INC增V速度IND感应V电压L左WH白L限制YE黄L低LA闭锁六、电缆线规格型号一览表一、电线电缆产品主要分为五大类:1、裸电线及裸导体制品本类产品的主要特征是:纯的导体金属,无绝缘及护套层,如钢芯铝绞线、铜铝汇流排、电力机车线等;加工工艺主要是压力加工,如熔炼、压延、拉制、绞合/紧压绞合等;产品主要用在城郊、农村、用户主线、开关柜等。
2、电力电缆本类产品主要特征是:在导体外挤(绕)包绝缘层,如架空绝缘电缆,或几芯绞合(对应电力系统的相线、零线和地线),如二芯以上架空绝缘电缆,或再增加护套层,如塑料/橡套电线电缆。
主要的工艺技术有拉制、绞合、绝缘挤出(绕包)、成缆、铠装、护层挤出等,各种产品的不同工序组合有一定区别。
产品主要用在发、配、输、变、供电线路中的强电电能传输,通过的电流大(几十安至几千安)、电压高(220V至500kV及以上)。