余热锅炉价格
- 格式:docx
- 大小:723.58 KB
- 文档页数:2
附件:浙江省特种设备检验等收费标准一、锅炉检验收费标准最新精品资料整理推荐,更新于二〇二一年一月二十三日2021年1月23日星期六20:12:03二、锅炉介质化验分析及水处理设备调试收费标准最新精品资料整理推荐,更新于二〇二一年一月二十三日2021年1月23日星期六20:12:03三、固定式压力容器检验收费标准最新精品资料整理推荐,更新于二〇二一年一月二十三日2021年1月23日星期六20:12:03四、B类压力容器检验收费标准五、C类压力容器检验收费标准最新精品资料整理推荐,更新于二〇二一年一月二十三日2021年1月23日星期六20:12:03六、压力管道收费标准七、安全阀校验(含铅封)收费标准最新精品资料整理推荐,更新于二〇二一年一月二十三日2021年1月23日星期六20:12:03八、电梯及升降机收费标准九、起重机械收费标准1.桥(门)式等起重机收费标准最新精品资料整理推荐,更新于二〇二一年一月二十三日2021年1月23日星期六20:12:032、臂架起重机收费标准3.1制造过程监督检验收费标准为按产品出厂价的0.7%收取;安装过程监督检验费按产品出厂价的0.9%收取,且不低于定期检验费的150%;改造或重大维修过程监督检验费按该设备定期检验费的1.5倍收取。
3.2 机械式停车设备定期检验按100元/车位收取。
其它类型起重机按上述相似类别收取。
十、厂内机动车辆定期检验收费标准最新精品资料整理推荐,更新于二〇二一年一月二十三日2021年1月23日星期六20:12:03十一、大型游乐设施检验收费标准最新精品资料整理推荐,更新于二〇二一年一月二十三日2021年1月23日星期六20:12:03十二、试验、检测收费标准1、理化、金相2、无损检测、测速、垂直度等最新精品资料整理推荐,更新于二〇二一年一月二十三日2021年1月23日星期六20:12:03十三、锅炉技术资料审查收费标准十四、说明1、除特殊注明外,特种设备检验过程中进行的测定厚度与硬度、无损检测、压力试验、金相、理化、安全附件校验、测速、介质化验、水处理设备调试等试验、检测费用及其它动用仪器设备的费用均按标准规定另行收取。
安徽省物价局、财政厅关于重新核定特种设备检验检测收费标准的通知正文:---------------------------------------------------------------------------------------------------------------------------------------------------- 安徽省物价局、财政厅关于重新核定特种设备检验检测收费标准的通知(皖价费〔2008〕86号)省质量技术监督局:你局《关于请示修订特种设备检验检测收费标准的函》(皖质函〔2007〕248号)悉。
经研究,现就特种设备检验检测收费标准及有关事项通知如下:一、2005年,省物价局、财政厅核定的《关于修订特种设备检测检验收费标准的通知》(皖价费〔2005〕321号)执行以来,对加强特种设备安全使用管理,规范收费行为,起到了积极的作用。
根据国家对特种设备扩大安全检验项目范围的要求,参考对原特种设备检验检测收费标准认证结果,本着既有利于特种设备检验检测工作的正常开展,又兼顾企业承受能力的原则,决定对我省特种设备检验检测收费进行重新修订,具体详见附件。
二、检验机构对锅炉、压力容器、压力管道、起重机械(人用电梯、货运电梯)、游乐设施等特种设备安装与维修(改造)检验费计费单位,不包括被安装和维修(改造)设备的本体费用;三、对第一次检验检测不合格的设备进行复检时,应按复检设备部件检验费标准的20%收取。
四、凡液化气体汽车罐车、铁路罐车、气瓶(移动式压力容器)等的修理、零部件更换和除锈、打磨、喷漆、刷漆所用材料及工时费用,由各地物价部门按照成本补偿的原则核定。
检验机构提供上述服务,必须坚持用户自愿的原则,不得利用定期检验检测之机搭车强行服务,强行收费。
五、特种设备安全监督管理部门在核发特种设备证照时,除按规定收取证照工本费外,不得收取其它任何费用。
实施从业人员的培训,必须以法律法规为依据,并按规定的收费标准收取费用。
余热锅炉的分类1. 什么是余热锅炉?余热锅炉是一种利用工业过程中的废热来产生蒸汽或热水的设备。
它可以将废热通过换热器和管道传递给水来加热,使之转化为蒸汽或热水,并将其用于加热或发电等工业生产过程中。
相比于传统的燃煤锅炉,余热锅炉具有节能、环保、成本低等优点。
2. 余热锅炉的分类根据余热锅炉的工作原理和烟气排放方式,余热锅炉可以分为多种类型。
2.1 烟气余热锅炉烟气余热锅炉是将工业过程中的高温废气通过管道带入锅炉中,在锅炉中进行热交换,使其升温升压,转化为蒸汽或热水。
烟气余热锅炉根据燃料的不同又可以分为油烟余热锅炉、煤烟余热锅炉、天然气烟余热锅炉等。
烟气余热锅炉适用于大部分工业生产过程中的高温废气,如水泥,钢铁,化工和玻璃等行业。
2.2 溶液余热锅炉溶液余热锅炉是将工业过程中的废料水或废液通过管道输送到锅炉中,在锅炉中进行换热,使之产生蒸汽或热水。
溶液余热锅炉在食品生产、医药等生产工艺里得到了广泛的应用。
2.3 蒸气余热锅炉蒸气余热锅炉是将工业过程中的高温蒸汽通过管道输送到锅炉中,在锅炉中进行热交换,使蒸汽降温和升压,并通过冷却系统实现余热回收利用。
蒸气余热锅炉适用于钢铁、水泥、制药、化工合成、纺织印染、电力等行业。
2.4 热油余热锅炉热油余热锅炉通常由导热油炉、余热回收器和冷却器三部分组成。
它是将工业过程中的高温导热油通过管道输送到锅炉中,在锅炉中进行热交换,使导热油升温和升压,并通过冷却系统实现余热回收利用。
热油余热锅炉适用于化学、化肥、纺织、造纸、食品、印染等行业。
3. 总结余热锅炉是一种利用工业过程中废热回收利用的环保节能设备。
不同的余热锅炉适用于不同的工业生产过程,可以根据不同的要求和条件进行选择。
在今后的工业生产过程中,余热锅炉的应用会越来越广泛,为环保事业做出积极的贡献。
2024年燃气轮机余热锅炉市场调研报告1. 引言燃气轮机余热锅炉是一种能够利用燃气轮机系统产生的高温燃烧废气余热的设备,通过回收利用余热,可以提高能源利用效率,降低能源消耗,减少环境污染。
本报告将对燃气轮机余热锅炉市场进行调研,并分析市场现状、竞争形势以及未来发展趋势。
2. 市场现状燃气轮机余热锅炉市场目前呈稳定增长趋势。
主要驱动因素包括国家对能源节约减排的政策支持,燃气轮机系统的广泛应用以及工业领域对能源利用效率的要求增加。
根据统计数据显示,市场规模在过去5年内年均增长率达到10%以上。
3. 市场竞争分析目前燃气轮机余热锅炉市场竞争较为激烈,主要竞争者包括国内外厂商。
国内厂商在技术研发、制造工艺以及售后服务方面具有一定优势,同时价格更具竞争力。
然而,国外厂商在产品质量、技术创新以及品牌影响力方面具备一定优势。
随着市场的不断发展,竞争将会进一步加剧。
4. 市场前景与发展趋势在未来几年内,燃气轮机余热锅炉市场将会保持良好发展态势。
以下是未来市场发展的趋势:•政策支持:随着国家对能源节约减排的政策支持力度加大,燃气轮机余热锅炉市场将受到更多政策支持,推动市场规模扩大。
•技术创新:燃气轮机余热锅炉技术将持续创新,以提高能源利用效率、降低设备成本以及减少对环境的影响,提高产品竞争力。
•行业需求增加:随着工业领域对能源利用效率要求的提高,燃气轮机余热锅炉的需求将会增加。
•新兴市场的潜力:在一些新兴市场,如亚洲和中东地区,燃气轮机余热锅炉市场潜力巨大,预计在未来几年内将成为市场的重要增长点。
5. 总结燃气轮机余热锅炉市场具有良好的发展前景,随着政策支持、技术创新以及市场需求的推动,市场规模将会不断扩大。
同时,厂商之间的竞争也会日益加剧。
在未来的发展中,企业应不断提高自身技术实力,加大创新力度,以适应市场变化,并利用市场机遇实现持续发展。
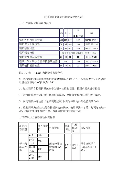
江苏省锅炉压力容器检验收费标准(一)在用锅炉检验收费标准注:1、表中(T/H)为锅炉蒸发量单位.2、热水锅炉和有机载热体炉按0.7MW(60*104Kcol/h)折算为1T/H,余热锅炉以受热面积每30m2折算为1T/H。
3、燃油锅炉自控保护系统应作为强制性检验项目,按用户要求进行检查.4、对检验发现的缺陷进行修理后需复验,复验收费按相应项目另行收取。
5、在用锅炉外部检查(包括现场监察)收费为停炉内外部检验费的50%。
6、检验周期为:安全性能合格锅炉房的锅炉,使用不满十年的,每两年检验一次,超过十年每年检验一次;水压试验每六年进行一次.(二)在用压力容器检验收费标准注:1、V——容积(m3),P-—压力(Mpa)2、第二类压力容器内外部检验收费为同容积第一类容器的1.5倍.3、第三类压力容器内外部检验收费为同容积第一类容器的1。
7倍,塔器、球罐以及超高压容器为同容积第一类容器收费的2倍。
4、不停止运行下的外部检查包括现场监察时进行的检查。
5、对检验出缺陷进行处理,需要再进行检验时,复验收费按相应项目另行收费。
6、安全状况等级1-3级者,每3—6年检验一次,安全状况等级为4级者,每年检验一次;第三类压力容器投用一年后应进行一次检验。
(二)锅炉压力容器产品监督检验收费标准注:1、余热锅炉中产生蒸汽锅炉收费,产生热水的按热水锅炉收费;有机载热体炉中气相炉按蒸汽锅炉收费。
液相炉按热水锅炉收费。
2、产品出厂价格应扣除随锅炉本体供应的送风机、引风机、烟囱等。
3、对散装锅炉产品出厂价格还应扣除平台扶梯、炉排等。
4、锅炉安装监督检验费:散装锅炉按锅炉造价的1-1.5%,组装锅炉按锅炉造价0.3-1%,整装锅炉按锅炉造价的0。
5-0。
8%收取.5、锅炉压力容器受元件修理、改造监督检验按修理、改造总费用的1—1。
5%收取。
6、大型压力容器现场组装安全质量监督检验费按压力容器造价的1—1。
2%收取。
7、对进口锅炉压力容器按规定需到制造国现场监督检验的,按监检设备总造价的1—1.5%收取.(四)在用液化气体汽车槽车检验收费标准注:1、外部检验按内外部检验费的50%收取。
燃气轮机余热锅炉安装造价预算清单燃气轮机余热锅炉是当今环保、节能锅炉中具有重要地位的一种设备,它可以将机舱余热利用起来,不仅减少了空气污染物排放,同时还可以节约能源,提高烧水效率,因此越来越受到消费者青睐。
那么,安装燃气轮机余热锅炉需要投入多少资金呢?下面就给大家介绍一下燃气轮机余热锅炉的安装造价预算清单,供大家参考。
一、锅炉主体造价预算燃气轮机余热锅炉的主体包括机舱、烟道、活塞系统、水箱、传动系统、控制系统等部件,在这里我们把它们分为以下三部分计算造价:1、机舱和烟道:主要涉及材料费用、技术费用、安装费用等,其中主要的费用是材料费用,平均每吨材料大约需要投入1000元左右。
2、活塞系统:主要涉及活塞、活塞销、活塞环、活塞套等的安装费用,根据不同的型号,每一套活塞系统的安装费用大约需要投入1500元左右。
3、水箱:主要涉及水箱的材料费用和安装费用,一般情况下,每一套水箱的材料费用和安装费用约为2000元左右。
4、传动系统:主要涉及传动轴、轴套、轴承等部件的安装费用,每一套传动系统的安装费用大约需要投入1000元。
二、控制系统安装造价预算燃气轮机余热锅炉的控制系统主要包括燃烧控制器、安全阀、气动调节阀、温度控制器以及湿度控制器等,每一套控制系统安装费用大约在3000元左右。
三、安装费用总预算清单以上就是燃气轮机余热锅炉的安装造价预算清单,根据不同的型号,安装费用可能有所不同,但大致数目还是在以上范围之内。
具体而言,如果是一台燃气轮机余热锅炉,则总计需要投入9000元左右的安装费用,其中机舱和烟道投入1000元,活塞系统投入1500元,水箱投入2000元,传动系统投入1000元,控制系统投入3000元。
总之,燃气轮机余热锅炉的安装造价预算清单已经介绍完毕,希望能够给大家带来帮助,让我们更好地安装燃气轮机余热锅炉,为消费者节省开支,节约能源。
余热锅炉套定额子目余热锅炉套定额子目,说白了就是给那种余热锅炉定个“价码”,让你知道搞这个工程要花多少钱,工时怎么算,材料怎么搭配。
其实嘛,说到余热锅炉,它就是个“大能量”的小机器。
别看它小,能把废气的热量重新利用起来,给其他机器提供热能,真是个“节能大王”。
一旦给它加上定额子目,就好比给它套上了“手铐脚镣”,它的价格、工期、费用都得有个明确的标准,不然就乱套了。
很多人可能会觉得,这种锅炉定个价,弄个标准不就是个小事儿嘛。
但实际情况可没那么简单。
你想啊,余热锅炉这东西,它的工作环境可是严苛得很,哪儿都得是高温高压的状态,稍微不注意,锅炉里的那些热气就能让你烫成个“饺子”。
所以定额子目其实是在保证这玩意儿既能发挥最大的效能,又能保证工期和成本在一个合理的范围内。
要知道,搞工程的朋友们可是常常“有求必应”,可是这定额子目一弄错,麻烦可就大了。
说到这个定额子目,你别以为它就是个简单的数字游戏。
其实它是个集合体,里面包括了好多具体的内容。
比如说,锅炉的安装、设备调试、管道铺设,还有一些相关的辅助设备都得细分到一个个“零件”里。
而且啊,这些内容得严格按照施工规范和质量标准来,不能马虎。
这就好比你要盖房子,虽然你知道自己需要砖、瓦、钢筋水泥,但是每一块砖、每一根钢筋都得量得准确,不能让工人随便拿块砖就砌上去,不然最后出了问题,谁来负责?“定额”这个事儿嘛,说白了就跟买东西砍价差不多。
你拿着一个标准子目单,这上面列得清清楚楚,哪个环节要花多少钱,哪个部分需要多少人力、多少材料。
那些“计价员”根据这些子目,就能算出一个合理的价格,防止乱收费,避免有人借着不透明的项目设置把价格抬高。
你想想,如果没有这些定额子目,工人、材料供应商都可以随便标价,谁能受得了?到时候吃亏的可不是别人,正是咱们这些“吃瓜群众”。
定额子目的制定其实也是一种“艺术”。
你看,锅炉这个东西,有点复杂。
除了考虑到安装和调试的难度,还有好多隐形的成本也得算进去。
中国余热锅炉行业概况研究-行业壁垒、行业技术、行业特征、行业关联性7、行业壁垒(1)许可证制度中国对锅炉、压力容器行业实行特种设备设计、制造及安装行政许可制度,许可证主要包括:《特种设备制造许可证(锅炉)》、《特种设备设计许可证(压力容器)》和《特种设备制造许可证(压力容器)》、《特种设备安装改造许可证(锅炉)》等。
近年来,中国政府不断加强对特种设备安全监察,加强锅炉、压力容器的制造监督检验和锅炉设计文件鉴定工作,已初步形成了持证设计、持证制造、持证安装、持证检验的制度环境,不具备资质的企业无法进入锅炉、压力容器制造行业。
(2)技术壁垒余热锅炉需长期在高温、高压、腐蚀性气体中运行,对产品的可靠性、稳定性、安全性要求高。
因此,余热锅炉生产工艺复杂,产品设计、材料检测、工艺制造及产品检验等环节的控制要求高,产品和技术更新难度较大。
此外,余热锅炉企业在长期的生产过程中,还积累形成了专利和专有技术,形成有效的行业进入壁垒。
(3)非标准化产品壁垒余热锅炉为非标准化产品,由于不同特点的烟气条件和工业生产过程,各类余热锅炉的布置和结构也不同,余热锅炉企业需根据不同行业、不同企业、不同生产线而设计可行的余热利用方案。
余热锅炉的行业特点要求余热锅炉企业需具备较高的产品设计能力,产品设计方案需要由经验丰富、专业化的团队执行。
非标准化的产品和个性化的设计构成了对行业新进入者的较大障碍。
(4)品牌认知度壁垒与普通锅炉产品相比,余热锅炉结构特征和热力特性复杂,工艺原理及设计具有特殊性。
余热锅炉设备一旦发生故障,在通常情况下客户无法将余热锅炉退货,而只能进行维修改造。
因此,客户对余热锅炉安全运行性能的要求高,客户在选择供应商时比较谨慎,市场声誉良好的余热锅炉企业更受客户认可,较高的品牌认知度和客户忠诚度是余热锅炉行业的有效进入壁垒。
(5)资金壁垒作为装备制造业的大中型锅炉制造企业具有投资规模大、设备价值高、厂房建筑多等特点。
余热锅炉余热锅炉是利用各种工业过程中的废气、废料或废液中的显热或(和)其可燃物质燃烧后产生的热量的锅炉。
或在燃油(或燃气)的联合循环机组中,利用从燃气轮机排出的高温烟气热量的锅炉。
科技名词定义折叠中文名称:余热锅炉英文名称:heat recovery boiler其他名称:废热锅炉(waste heat boiler)定义:利用各种工业过程中的废气、废料或废液中的显热或(和)其可燃物质燃烧后产生的热量的锅炉。
或在燃油(或燃气)的联合循环机组中,利用从燃气轮机排出的高温烟气热量的锅炉。
应用学科:电力(一级学科);锅炉(二级学科)余热锅炉由锅筒、活动烟罩、炉口段烟道、斜1段烟道、斜2段烟道、末1段烟道、末2段烟道、加料管(下料溜)槽、氧枪口、氮封装置及氮封塞、人孔、微差压取压装置、烟道的支座和吊架等组成。
余热锅炉共分为六个循环回路,每个循环回路由下降管和上升管组成,各段烟道给水从锅筒通过下降管引入到各个烟道的下集箱后进入各受热面,水通过受热面后产生蒸汽进入进口集箱,再由上升管引入锅筒。
各个烟道之间均用法兰连接。
简介折叠余热锅炉,顾名思义是指利用各种工业过程中的废气、废料或废液中的余热及其可燃物质燃烧后产生的热量把水加热到一定工质的锅炉。
具有烟箱、烟道余热回收利用的燃油锅炉、燃气锅炉、燃煤锅炉也称为余热锅炉,余热锅炉通过余热回收可以生产热水或蒸汽来供给其它工段使用。
工作原理折叠燃油、燃气、燃煤经过燃烧产生高温烟气释放热量,高温烟气先进入炉膛,再进入前烟箱的余热回收装置,接着进入烟火管,最后进入后烟箱烟道内的余热回收装置,高温烟气变成低温烟气经烟囱排入大气。
由于余热锅炉大大地提高了燃料燃烧释放的热量的利用率,所以这种锅炉十分节能。
分类折叠余热锅炉按燃料分为燃油余热锅炉、燃气余热锅炉、燃煤余热锅炉及外媒余热锅炉等。
按用途分为余热热水锅炉、余热蒸汽锅炉、余热有机热载体锅炉等。
特点折叠燃煤燃烧释放出来的高温烟气经烟道输送至余热锅炉入口,再流经过热器、蒸发器和省煤器,最后经烟囱排入大气,排烟温度一般为150~180℃,烟气温度从高温降到排烟温度所释放出的热量用来使水变成蒸汽。
在节能环保的背景下,目前各地针对燃煤锅炉的拆改淘汰已经进入了尾声,“煤改气”也成为今后数年锅炉更新换代的必然趋势,作为燃煤锅炉的替代品,天然气锅炉销量也迎来迅猛增长。
那么,企业要选择适合的天然气锅炉公司,一定会对该锅炉制造厂家的规模、产品质量、售后、价格等进行综合比较,最好是实地考察,再进行决定购买。
270m长现代化三联跨钢结构第一联合厂房★主要产品系列有:1.低氮、超低氮燃油燃气锅炉:WNS型2~20t/h燃油(气)蒸汽锅炉; 1.4~14MW热水锅炉;SZS型6~80t/h燃油(气)蒸汽锅炉; 4.2~58MW热水锅炉;2.导热油炉:YYW系列燃油燃气卧式有机热载体锅炉120KW~7000KW;3.环保生物质锅炉:2~130t/h;4.循环流化床锅炉:10~220t/h;5.余热锅炉: 6-130t/h化工三废、水泥窑、碳素窑、冶金行业余热锅炉、煤气化余热、固体余热锅炉。
6.燃煤链条炉排锅炉:新型DZL型2~20t/h快、组装蒸汽锅炉;SZL型4~25t/h快、组装蒸汽锅炉;7-18MW热水锅炉;7. I、II类压力容器及锅炉辅机常压燃气热水锅炉结构及特点:(1)产品结构:常压燃气热水锅炉在我国已有几十年的运行历史,产品其容量分别为:1.4~14MW 热水锅炉我公司CWNS型常压燃气热水锅炉是一种全自动卧式内燃三回程燃油气快装锅炉,采用湿背式结构,波形炉胆为第一回程,由螺纹烟管形成第二回程,光烟管形成第三回程,锅炉配备有完善的全自动控制装置,还配有多种安全保护装置,实现水位自动控制调节,低水位报警,锅炉自动点火,燃烧器火力自动调节和中途熄火保护,保证锅炉的安全运行。
CWNS常压热水锅炉组装成整体出厂。
到使用现场后,只要安装上配套辅机,安装好阀门及仪表、管道及水电等即可投入运行,安装移动方便,周期短,基建投资省。
燃气锅炉炉胆制作、筒体自动焊台车间一角30m行程超厚板数控等离子切割生产线(2)产品设计特点:(1)为保证常压锅炉无压运行,在锅炉人孔装置上开设直通大气的通气孔。
2023年余热锅炉行业市场分析现状余热锅炉是一种节能设备,它可以将工业生产过程中产生的废热转化为能量,从而降低企业的能源消耗和生产成本,同时还能减少对环境的污染。
在当前推进绿色、低碳、节能和环保的大背景下,余热锅炉市场需求逐步扩大。
一、行业市场分析1. 市场规模目前,我国余热锅炉总市场规模已经超过了数百亿元。
随着国家对环保产业的不断加大扶持力度,余热锅炉市场呈现出增长的趋势。
预计到2025年,我国余热锅炉市场规模将达到千亿元以上。
2. 市场潜力随着国家的环保政策不断加码,企业对环保设备的需求也越来越迫切。
而余热锅炉正是这一领域的一个重要组成部分。
可以预见,未来几年余热锅炉市场将会继续保持高速增长,年复合增长率有望超过20%。
3. 市场竞争当前我国余热锅炉市场的竞争格局比较复杂,主要有国内外品牌和一些小型的本土企业。
国内品牌包括华电、哈电、上海电力等大型企业;国外品牌则有GE、西门子、阿尔斯通等。
同时,一些新的企业也在不断涌现,市场的竞争越来越激烈。
二、现状分析1. 行业发展趋势随着环保政策的逐渐加强以及人们对环境保护要求的提高,余热锅炉行业市场需求将会不断增长。
同时,随着技术的进步和成本的降低,余热锅炉设备的应用范围也将进一步扩大。
2. 技术瓶颈目前我国余热锅炉行业虽然已经具备一定的生产制造技术和操作经验,但与国际先进水平相比,还存在一定的技术瓶颈。
其中,技术成熟度、产品性能、安全等是目前需要突破的难点。
3. 市场机遇随着国家经济的不断发展,工业生产的规模不断扩大,废热的产生也越来越多,而余热锅炉正是将废热转换为能源的理想设备。
同时随着新能源与环保设备市场的开发和完善,余热锅炉市场也将具备更大的发展空间。
三、发展趋势1. 开发新产品如何开发符合国际标准的新型余热锅炉设备,是行业发展的关键之一。
新型设备需要具备更高的能源利用率、更低的能源消耗量以及更好的环保性能等特点。
这些优点不仅可以提高企业的生产效益,也符合国家加强环保措施的战略需要。
河钢乐亭烧结环冷余热锅炉招标公告嘿,各位相关的小伙伴们!河钢乐亭现在要对烧结环冷余热锅炉进行招标啦!这可是个挺重要的事儿,我得给大家好好说一说,让你们都清楚这其中的门道。
一、招标背景介绍话说回来,为啥要进行这次招标呢?河钢乐亭一直都很注重环保和能源的有效利用。
烧结环冷余热锅炉这玩意儿,那可是能把生产过程中产生的余热给回收利用起来,既能节约能源,又能减少对环境的影响,多好的事儿啊!以前可能在这方面的设备不是特别完善,或者说随着技术的发展,需要更先进、更高效的设备来满足生产需求啦。
所以呢,就决定通过招标的方式,找到一家靠谱的供应商,给咱提供一台优质的烧结环冷余热锅炉。
二、招标目的目标咱这次招标的目的,那就是要找到一家有实力、有信誉的企业,提供高质量的烧结环冷余热锅炉。
具体目标呢,这锅炉得具备高效的余热回收能力,能稳定运行,减少故障发生的概率。
而且啊,在节能环保方面得达到国家相关标准,不能因为生产就忽视了对环境的保护。
同时呢,价格也得合理,咱得讲究性价比嘛,不能花冤枉钱。
三、招标时间与地点时间可是很关键的哟!本次招标的报名时间从[具体开始日期]开始,到[具体结束日期]截止。
投标文件递交的截止时间是[截止日期],地点就在河钢乐亭的[具体地址]。
大家可一定要记清楚时间和地点,别错过了这个好机会,错过了可就太可惜啦!四、招标内容概述这次招标的主要内容就是烧结环冷余热锅炉的采购。
具体要求呢,这锅炉的设计得科学合理,要根据河钢乐亭的实际生产情况来量身定制。
在材质方面,得选用优质的材料,保证锅炉的使用寿命。
还有啊,它的控制系统得智能化,方便操作和管理。
另外,供应商还得提供完善的售后服务,包括安装调试、培训、维修保养等等,不能卖完设备就不管啦。
五、招标流程安排1. 报名阶段有意向的供应商得在规定的报名时间内,提交相关的报名资料,像企业营业执照、资质证书、业绩证明这些,让我们了解一下你们的实力。
2. 资格审查我们会对报名的供应商进行资格审查,看看你们是否符合我们的要求。
余热锅炉是指利用各种工业过程中的废气、废料或废液中的余热及其可燃物质燃烧后产生的热量把水加热到一定温度的锅炉。
除此之外,具有烟箱、烟道余热回收利用的燃油锅炉、燃气锅炉、燃煤锅炉也称为余热锅炉。
那这种锅炉的价格是多少呢?
该种锅炉按余热的性质可分为以下几大类,每一种的价格都不一样,大概在十几万到几十万元之间,消费者可以根据自己的实际需求进行选择。
1.高温烟气余热:它是常见的一种形式,其特点是产量大、产点集中,连续性强,便于回收和利用,其带走热量占总热量的40~50%,该余热锅炉回收热量,可用于生产或生活用热及发电。
2.高温炉渣余热:如高炉炉渣、转炉炉渣、电炉炉渣等,该炉渣温度在1000℃以上,它带走的热量占总热量的20%。
3.高温产品余热:如焦炉焦碳、钢锭钢坯、高温锻件等,它一般温度.很高,含有大量余热。
4.可燃废气、废液的余热:如高炉煤气、炼油厂的催化裂化再生废气、造纸厂的黑液等,它们都可以被利用。
5.化学反应余热:如冶金、硫酸、磷酸、化肥、化纤、油漆等工业部门,都产生大量的化学反应余热。
6.冷却介质余热:如工业炉窑的水套等冷却装置排出的大量冷却水,各种汽化冷却装置产出的蒸汽都含有大量的余热,它们都可以被合理利用。
7.冷凝水余热:各工业部门生产过程用汽在工业过程后冷凝减小时所具有的物理显热。
以上就是今天分享的全部内容,感谢大家一直以来的阅读与支持。