博物馆的消防设计
- 格式:doc
- 大小:43.50 KB
- 文档页数:7
泉州市博物馆建筑设计方案说明一、工程概况:泉州市博物馆位于泉州市总体规划中的北峰、丰州组团.北靠清源山、后厝山,南临西湖公园和305省道,区位条件优越,交通便捷,总用地约34.6273公顷,实际用地约为27。
4554公顷.泉州市博物馆规划建筑面积约5万平方米,博物馆区35000m2,文娱服务区5000m2,辅助设施区10000m2及城市广场区,共四部分。
其中博物馆区将分期建设,一期征地80余亩,一期主馆建筑控制面积1.5万m2左右。
二、设计依据:1、《泉州市博物馆区规划设计方案国内招标设计竞赛文件》(泉州市城乡规划局、泉州市文化局,2001。
5)。
2、《泉州市博物馆新馆设计任务书》.3、《泉州市博物馆区规划设计研究与建设》。
4、泉州市城乡规划局批准的用地红线及地形图电子文件.5、《博物馆建筑设计规范》(JGJ66—91)。
6、博物馆方案评审会议意见。
三、总平面规划设计:1、设计宗旨:(1)寓教于乐:力求将博物馆规划为以博物馆为主体的文化区及市民广场休闲区.(2)绿色环保:充分利用其珍贵的自然生态环境资源,协调基地及周边环境的内部联系,突显生态主题,将馆区与清源山风景区整合为一个有机的生态整体. (3)承前启后:注重从当地深厚的人文史沉淀中提炼出其精华,将文化、自然的魅力融入到功能的建筑环境中,创造一个再现历史的新的人文景观。
2、设计构思:辉煌的历史与飞腾发展的现代泉州是中国历史文化名城,泉州博物馆的建筑定位是泉州城市丰厚文化形象的窗口。
本方案所创构泉州博物馆,要体现出泉州绚丽悠厚的“泉州文化",即“泉州性”,或“泉州特色".现代“泉州文化”的历史背景及现代背景.一是她有着辉煌的东、西方交流溶合的历史。
二是她在当今改革开放,极具强旺的经济发展活力,在新的历史时期,正在开创现代,更新更高的辉煌未来。
“泉博”的文化组构:(1)泉州文化的底蕴:在工艺上有举世惊赞的石雕技艺;在戏曲方面有我国南戏艺术瑰宝——泉州木偶戏、歌仔戏等戏派;在商贸方面唐、宋、元时代,泉州就是世界著名的商贸海航巨港,是我国古代海上丝绸之路的起点。
第1篇一、实验背景随着城市化进程的加快,高层建筑、大型综合体等公共建筑数量不断增加,火灾风险也随之增大。
为了提高建筑消防设计的科学性和实用性,确保在火灾发生时能够有效控制火势蔓延,保障人员生命财产安全,我单位于2023年5月8日在上海博物馆东馆中庭组织了消防热烟实验。
本次实验得到了应急管理部上海消防研究所的大力支持,市建设工程勘察设计管理事务中心莅临现场观摩指导。
二、实验目的1. 了解中庭高大空间在不同排烟方式下的竖向温度分布特征。
2. 分析烟气蔓延特征,为消防设计提供依据。
3. 评估烟气控制效果及其影响因素。
4. 为实验空间的人员疏散预案、消防救援预案的编制提供数据支撑和建议。
5. 为类似项目排烟补风等消防设计提供优化建议。
三、实验方法1. 实验场地:上海博物馆东馆中庭。
2. 实验设备:热烟发生器、温度计、风速仪、烟气分析仪等。
3. 实验步骤:(1)搭建实验平台,确保实验设备正常运行。
(2)在中庭空间内设置温度计、风速仪、烟气分析仪等检测设备。
(3)启动热烟发生器,模拟火灾发生时的烟气蔓延情况。
(4)记录不同排烟方式下的竖向温度分布、烟气蔓延特征、烟气控制效果等数据。
(5)分析实验数据,评估不同排烟方式的效果。
四、实验结果与分析1. 竖向温度分布特征实验结果表明,在机械排烟和备用自然排烟两种方式下,中庭空间的竖向温度分布存在明显差异。
机械排烟方式下,烟气在上升过程中温度逐渐升高,且上升速度较快;备用自然排烟方式下,烟气上升速度较慢,温度上升相对平缓。
2. 烟气蔓延特征实验数据显示,在火灾发生初期,烟气主要向建筑内部蔓延,随着火势扩大,烟气逐渐向上蔓延至中庭空间。
在机械排烟和备用自然排烟两种方式下,烟气蔓延速度存在差异,机械排烟方式下烟气蔓延速度较快。
3. 烟气控制效果通过实验数据对比分析,机械排烟方式在烟气控制方面具有明显优势。
在火灾发生初期,机械排烟可以有效降低烟气在中庭空间的浓度,减少对人员的危害;备用自然排烟方式在烟气控制方面效果较差,容易导致烟气在中庭空间蔓延,增加人员疏散难度。
建筑消防级别建筑消防级别是指根据建筑物的火灾危险性和消防设施的配备程度进行分类评定的等级。
通过对建筑消防级别的确定,可以更好地指导建筑物的设计与施工,确保人员的生命安全和财产的保护。
一、建筑消防级别的分类根据我国《建筑法》和国家标准,建筑消防级别分为六个等级,分别是特级、一级、二级、三级、四级和五级。
具体的分类标准如下:1. 特级:主要适用于重点国家机关、科研机构、重要军事设施等,具有特殊要求的重要建筑。
2. 一级:主要适用于大型商场、超市、酒店、剧院、体育馆等人员密集、建筑面积大、火灾危险较高的建筑。
3. 二级:主要适用于中型商场、写字楼、宾馆、医院等,火灾危险性较一级建筑较低的建筑。
4. 三级:主要适用于学校、幼儿园、小型写字楼、小型餐饮店等,火灾危险性较二级建筑较低的建筑。
5. 四级:主要适用于住宅小区、多层住宅楼、办公楼等,火灾危险性较三级建筑较低的建筑。
6. 五级:主要适用于农村居民房、小型仓库、小型车辆修理厂等,火灾危险性最低的建筑。
二、建筑消防级别的确定建筑消防级别的确定主要依据以下几点:1. 建筑物用途:根据建筑物的用途和功能,判断其所属的消防级别。
例如,会堂、博物馆等应属于一级消防级别。
2. 建筑物规模:建筑物的面积、高度等规模参数是确定消防级别的重要指标。
通常而言,建筑规模较大的将属于较高级别的消防级别。
3. 火灾危险性评估:根据建筑物的结构、用材、用电设备等方面的评估,判断其火灾危险性,从而确定消防级别。
4. 消防设施配备:消防设施的配备程度也是确定消防级别的重要依据。
例如,一级消防级别的建筑应配备自动喷水灭火系统、防烟排烟系统等高级消防设施。
三、建筑消防级别的意义建筑消防级别的确定对于保障人员的生命安全、预防火灾事故的发生具有重要意义:1. 指导设计与施工:消防级别的确定为建筑物的设计与施工提供了指导,确保消防设施的合理布局和安装,提高建筑物的整体消防安全性。
2. 辅助消防检验:消防级别是对建筑物消防设备的一种评估,有助于消防部门进行日常巡查和定期检验,及时发现和解决潜在的火灾隐患。
博物馆安防设计方案一、系统概述本安防设计方案旨在构建一个多层次、全方位、智能化的安防体系,涵盖了入侵报警、视频监控、门禁控制、消防报警、应急通讯等多个子系统,通过整合这些系统,实现对博物馆的实时监控、预警和应急响应。
二、需求分析(一)文物保护需求博物馆内收藏了大量具有历史、艺术和科学价值的文物,这些文物是不可再生的文化遗产,需要得到最高级别的保护。
因此,安防系统必须能够有效防范盗窃、抢劫、破坏等行为,同时具备对文物环境参数(如温度、湿度、光照等)的监测和调控功能,以确保文物的保存条件稳定。
(二)人员安全需求博物馆每天接待大量游客,保障游客的人身安全是安防工作的重要任务之一。
安防系统应能够及时发现和处理人员拥挤、踩踏、突发疾病等紧急情况,并提供清晰的疏散指示和应急救援通道。
(三)运营管理需求博物馆的日常运营需要高效、便捷的管理手段。
安防系统应与博物馆的票务管理、展品管理、人员考勤等系统进行集成,实现信息共享和协同工作,提高博物馆的管理效率和服务质量。
三、系统设计原则(一)可靠性安防系统应具备高度的可靠性,能够在各种复杂环境和恶劣条件下稳定运行,确保不间断地保护博物馆的安全。
(二)先进性采用先进的技术和设备,使安防系统具有较高的性能和功能,能够适应未来发展的需求。
(三)兼容性各子系统之间应具备良好的兼容性和互操作性,能够实现无缝集成和协同工作。
(四)可扩展性系统应具有良好的可扩展性,能够方便地进行升级和扩充,以满足博物馆不断发展的安全需求。
(五)易用性操作界面应简洁、直观,易于管理人员和操作人员使用和维护。
四、入侵报警系统(一)前端探测器在博物馆的周界、展厅、库房等重要区域安装红外对射探测器、微波探测器、振动探测器等多种类型的前端探测器,实现对入侵行为的实时监测。
(二)报警主机选用高性能的报警主机,能够接收和处理来自前端探测器的报警信号,并及时发出声光报警。
报警主机应具备防误报、防破坏等功能,确保报警的准确性和可靠性。
公共娱乐场所消防安全管理规定文章属性•【制定机关】公安部•【公布日期】1999.05.25•【文号】公安部令[第39号]•【施行日期】1999.05.25•【效力等级】部门规章•【时效性】现行有效•【主题分类】消防管理正文中华人民共和国公安部令(第39号)《公共娱乐场所消防安全管理规定》已经1999年5月11日公安部部长办公会议通过,现予发布实行。
1995年1月26日公安部第22号令发布的《公共娱乐场所消防安全管理规定》同时废止。
公安部部长贾春旺一九九九年五月二十五日公共娱乐场所消防安全管理规定第一条为了预防火灾,保障公共安全,依据《中华人民共和国消防法》制定本规定。
第二条本规定所称公共娱乐场所,是指向公众开放的下列室内场所:(一)影剧院、录像厅、礼堂等演出、放映场所;(二)舞厅、卡拉OK厅等歌舞娱乐场所;(三)具有娱乐功能的夜总会、音乐茶座和餐饮场所;(四)游艺、游乐场所;(五)保龄球馆、旱冰场、桑拿浴室等营业性健身、休闲场所。
第三条公共娱乐场所应当在法定代表人或者主要负责人中确定一名本单位的消防安全责任人。
在消防安全责任人确定或者变更时,应当向当地公安消防机构备案。
消防安全责任人应当依照《消防法》第十四条和第十六条规定履行消防安全职责,负责检查和落实本单位防火措施、灭火预案的制定和演练以及建筑消防设施、消防通道、电源和火源管理等。
公共娱乐场所的房产所有者在与其他单位、个人发生租赁、承包等关系后,公共娱乐场所的消防安全由经营者负责。
第四条新建、改建、扩建公共娱乐场所或者变更公共娱乐场所内部装修的,其消防设计应当符合国家有关建筑消防技术标准的规定。
第五条新建、改建、扩建公共娱乐场所或者变更公共娱乐场所内部装修的,建设或者经营单位应当依法将消防设计图纸报送当地公安消防机构审核,经审核同意方可施工;工程竣工时,必须经公安消防机构进行消防验收;未经验收或者经验收不合格的,不得投入使用。
第六条公众聚集的娱乐场所在使用或者开业前,必须具备消防安全条件,依法向当地公安消防机构申报检查,经消防安全检查合格后,发给《消防安全检查意见书》,方可使用或者开业。
歌舞娱乐场所消防设计随着我国经济建设的快速发展,人民生活水平的不断提高,人们对生活质量的要求越来越高,休闲、享受欲望越来越强,歌舞厅、卡拉OK厅(含具有卡拉OK功能的餐厅)、夜总会、录像厅、放映厅、桑拿浴室(除洗浴部分外)、游艺厅(含电子游艺厅)、网吧等歌舞娱乐放映游艺场所(以下简称歌舞娱乐放映游艺场所)也如雨后春笋般迅猛发展。
这类场所室内装饰、装修使用大量可燃材料,火灾荷载比较大;电气设备、线路比较复杂,用电负荷比较大、着火源多,不易控制;人员相对集中,疏散比较困难,一旦发生火灾,火灾蔓延速度快、扑救困难,极易造成严重后果。
为防止和减少歌舞娱乐放映游艺场所群死群伤火灾事故的发生,公安部于2001年4月30日对《人民防空工程设计防火规范》、《建筑设计防火规范》(以下简称《建规》)、《高层民用建筑设计防火规范》(以下简称《高规》)进行了局部修订,2006年12月1日开始实施的《建规》GB50016-2006也对此类场所的防火设计进行了详细的修订。
下面笔者对耐火等级一、二级的歌舞娱乐放映游艺场所的防火设计进行进一步阐述并对近几年来实践过程中所遇到的问题提几点个人的看法和做法,以供设计、施工和消防监督人员参考。
一、歌舞娱乐放映游艺场所与公共娱乐场所的区别歌舞娱乐放映游艺场所明确指歌舞厅、录像厅、夜总会、放映厅、卡拉OK厅(含具有卡拉OK功能的餐厅)、游艺厅(含电子游艺厅)、桑拿浴室(除洗浴部分外)、网吧等场所,公共娱乐场所则包含歌舞娱乐放映游艺场所.日常消防监督审核验收过程中经常遇到酒吧、美容中心、中医按摩、音乐茶座、美体中心、保龄球馆、旱冰场、氧吧、健身房之类的新型娱乐场所,根据规范中关于歌舞娱乐放映游艺场所的定义,笔者认为此类场所可不按照歌舞娱乐放映游艺场所的规定执行,但应按照公共娱乐场所的要求按公安部第39号令《公共娱乐场所消防安全管理规定》进行防火设计,但对于足浴、足疗类的场所其使用性质等同于桑拿浴室,笔者认为应按歌舞娱乐放映游艺场要求执行。
一、对具有下列情形之一的人员密集场所,建设单位应当向公安机关消防机构申请消防设计审核:(一)建筑总面积大于20000平方米的体育场馆、会堂,公共展览馆、博物馆的展示厅;(二)建筑总面积大于15000平方米的民用机场航站楼、客运车站候车室、客运码头候船厅;(三)建筑总面积大于10000平方米的宾馆、饭店、商场、市场;(四)建筑总面积大于2500平方米的影剧院,公共图书馆的阅览室,营业性室内健身、休闲场馆,医院的门诊楼,大学的教学楼、图书馆、食堂,劳动密集型企业的生产加工车间,寺庙、教堂;(五)建筑总面积大于1000平方米的托儿所、幼儿园的儿童用房,儿童游乐厅等室内儿童活动场所,养老院、福利院,医院、疗养院的病房楼,中小学校的教学楼、图书馆、食堂,学校的集体宿舍,劳动密集型企业的员工集体宿舍;(六)建筑总面积大于500平方米的歌舞厅、录像厅、放映厅、卡拉OK厅、夜总会、游艺厅、桑拿浴室、网吧、酒吧,具有娱乐功能的餐馆、茶馆、咖啡厅。
二、对具有下列情形之一的特殊建设工程,建设单位应当向公安机关消防机构申请消防设计审核:(一)设有第一条所列的人员密集场所的建设工程;(二)国家机关办公楼、电力调度楼、电信楼、邮政楼、防灾指挥调度楼、广播电视楼、档案楼;(三)本条第一项、第二项规定以外的单体建筑面积大于40000平方米或者建筑高度超过50米的其他公共建筑;(四)城市轨道交通、隧道工程,大型发电、变配电工程;(五)生产、储存、装卸易燃易爆危险物品的工厂、仓库和专用车站、码头,易燃易爆气体和液体的充装站、供应站、调压站。
《中华人民共和国消防法》;《建设工程消防监督管理规定》等消防法规;国家工程建设消防技术标准强制性要求。
(一)建设工程消防设计审核申报表;(二)建设单位的工商营业执照等合法身份证明文件;(三)新建、扩建工程的建设工程规划许可证明文件;(四)设计单位资质证明文件;(五)消防设计文件。
具有下列情形之一的,建设单位应当同时提供特殊消防设计的技术方案及说明,或者设计采用的国际标准、境外消防技术标准的中文文本,以及其他有关消防设计的应用实例、产品说明等技术资料:(一)国家工程建设消防技术标准没有规定的;(二)消防设计文件拟采用的新技术、新工艺、新材料可能影响建设工程消防安全,不符合国家标准规定的;(三)拟采用国际标准或者境外消防技术标准的。
公共娱乐场所消防安全管理规定(1999年5月25日中华人民共和国公安部令第39号发布施行)第一条预防火灾,保障公共安全,依据《中华人民共和国消防法》制定本规定。
第二条本规定所称公共场所,是指向公众开放的下列室内场所:(一)影剧院、录象厅、礼堂等演出、放映场所;(二)舞厅、卡拉OK厅等歌舞娱乐场所;(三)具有娱乐功能的夜总会、音乐茶座和餐饮场所;(四)游艺、游乐场所;(五)保龄球馆、旱冰场、桑拿浴室等营业性健身、休闲场所。
第三条公共娱乐场所应当在法定代表人或者主要负责人中确定一名本单位的消防安全责任人。
在消防安全责任人确定或者变更时,应当向当地公安消防机构备案。
消防安全责任人应当依照《中华人民共和国消防法》第十四条和第十六条规定履行消防安全职责,负责检查和落实本单位防火措施、灭火预案的制订和演练以及建筑消防设施、先锋通道、电源和火源管理等。
公共娱乐场所的房产所有者在与其他单位、个人发生租赁、承包等关系后,公共娱乐场所的消防安全由经营者负责。
第四条新建、改建、扩建公共娱乐场所或者变更公共娱乐场所内部装修的,其消防设计应当符合国家有关建筑消防技术标准的规定。
第五条新建、改建、扩建公共娱乐场所或者变更公共娱乐场所内部装修的,建设和经营单位应当依法将消防设计图纸报送当地公安消防机构审核,经审核同意方可施工;工程竣工时,必须经公安消防机构进行消防验收;未经验收或者经验收不合格的,不得投入使用。
第六条公众聚集的娱乐场所在使用或者开业前,必须具备消防安全条件,依法向当地公安消防机构申报检查,经消防安全检查合格后,发给《消防安全检查意见书》,方可使用或者开业。
第七条公共娱乐场所宜设置在耐火等级不低于二级的建筑物内;已经核准设置在三级耐火等级建筑内的公共娱乐场所,应当符合特定的防火安全要求。
公共娱乐场所不得设置在文物古建筑和博物馆、图书馆建筑内,不得毗连重要仓库或者危险物品仓库;不得在居民住宅楼内改建公共娱乐场所。
消防设计审查验收的受理范围附件1:消防设计审查验收的受理范围《建设⼯程消防监督管理规定》(公安部令第106号,第119号令修改):第⼗三条对具有下列情形之⼀的⼈员密集场所,建设单位应当向公安机关消防机构申请消防设计审核,并在建设⼯程竣⼯后向出具消防设计审核意见的公安机关消防机构申请消防验收:(⼀)建筑总⾯积⼤于2万平⽅⽶的体育场馆、会堂,公共展览馆、博物馆的展⽰厅;(⼆)建筑总⾯积⼤于1.5万平⽅⽶的民⽤机场航站楼、客运车站候车室、客运码头候船厅;(三)建筑总⾯积⼤于1万平⽅⽶的宾馆、饭店、商场、市场;(四)建筑总⾯积⼤于2500平⽅⽶的影剧院,公共图书馆的阅览室,营业性室内健⾝、休闲场馆,医院的门诊楼,⼤学的教学楼、图书馆、⾷堂,劳动密集型企业的⽣产加⼯车间,寺庙、教堂;(五)建筑总⾯积⼤于1000平⽅⽶的托⼉所、幼⼉园的⼉童⽤房,⼉童游乐厅等室内⼉童活动场所,养⽼院、福利院,医院、疗养院的病房楼,中⼩学校的教学楼、图书馆、⾷堂,学校的集体宿舍,劳动密集型企业的员⼯集体宿舍;(六)建筑总⾯积⼤于500平⽅⽶的歌舞厅、录像厅、放映厅、卡拉OK厅、夜总会、游艺厅、桑拿浴室、⽹吧、酒吧,具有娱乐功能的餐馆、茶馆、咖啡厅。
第⼗四条对具有下列情形之⼀的特殊建设⼯程,建设单位应当向公安机关消防机构申请消防设计审核,并在建设⼯程竣⼯后向出具消防设计审核意见的公安机关消防机构申请消防验收:(⼀)设有本规定第⼗三条所列的⼈员密集场所的建设⼯程;(⼆)国家机关办公楼、电⼒调度楼、电信楼、邮政楼、防灾指挥调度楼、⼴播电视楼、档案楼;(三)本条第⼀项、第⼆项规定以外的单体建筑⾯积⼤于4万平⽅⽶或者建筑⾼度超过50⽶的公共建筑;(四)国家标准规定的⼀类⾼层住宅建筑;(五)城市轨道交通、隧道⼯程,⼤型发电、变配电⼯程;(六)⽣产、储存、装卸易燃易爆危险物品的⼯⼚、仓库和专⽤车站、码头,易燃易爆⽓体和液体的充装站、供应站、调压站。
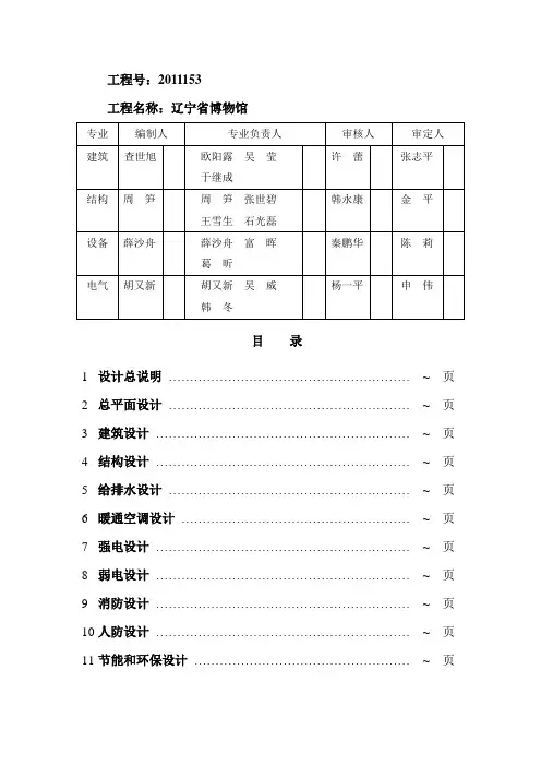
工程号:2011153工程名称:辽宁省博物馆目录1设计总说明………………………………………………… ~ 页2总平面设计………………………………………………… ~ 页3建筑设计…………………………………………………… ~ 页4结构设计…………………………………………………… ~ 页5给排水设计………………………………………………… ~ 页6暖通空调设计……………………………………………… ~ 页7强电设计…………………………………………………… ~ 页8弱电设计…………………………………………………… ~ 页9消防设计…………………………………………………… ~ 页10人防设计…………………………………………………… ~ 页11节能和环保设计…………………………………………… ~ 页辽宁省博物馆工程初步设计说明1 设计总说明1.1 设计依据1)第十二届全运会文化场馆设计招标招标文件2)辽宁省博物馆新馆建设项目设计任务书3)建设用地红线图及现状地形图4)有关市政公用设施(道路、管网等)资料5)国家现行规范、规定(详见各专业说明)1.2 工程概况1)工程名称:辽宁省博物馆工程2)建设单位:辽宁省博物馆3)建设地点:沈阳浑南新城中心广场北侧4)总用地面积:9.0591公顷5)建筑主要功能:博物馆及配套用房6)建筑面积:101184m²7)建筑特征:地下1层,地上3层,建筑高度23.9米,框架剪力墙结构形式地下室采用框架剪力墙结构形式8)基础形式:地下室部分库区及设备机房采用梁板式筏基;地下室部分汽车库采用柱下条形基础加抗水板;无地下室部分采用柱下条形基础。
9)建筑使用年限根据《建筑结构可靠度设计统一标准》GB50068-2001,本工程合理使用年限为100年。
10)工程概况辽宁省博物馆工程位于沈阳浑南新城中心广场北侧区域,周边城市基础配套设施完善,交通便利,无污染性项目,该区域是沈阳浑南新城核心地带。
论文名称:博物馆的消防设计及启示 作者:heroproxy
摘要:阐述了博物馆建筑防火安全的特殊性。分别对该工程的消火栓系统、自动喷水灭火系统、水喷雾灭火系统、智能消防水炮系统、气体消防系统进行了介绍。并就其中的一些技术问题进行了探讨。 关键字:博物馆 防火安全 消防水炮 水喷雾灭火
1 工程概况 博物馆规划建设用地面积24133.7㎡,总建筑面积63390㎡。建筑高度(檐口)36.4m,地上5层,地下2层,地下3层为2.2m层高的设备夹层。工程性质为大型综合性博物馆建筑。其中地上各层和地下1层南区为展陈、社教、科研、办公、保安、综合服务等功能区,由三大部分组成:椭圆斜展厅、矩形基本展厅、行政办公区(见图)
1)地下1,2层北区为地下车库,地下2层南区为藏品库、设备机房、人防等。 博物馆是一座全面反映中国悠久历史、灿烂文化、革命传统和现代化建设成就,展示国际大都市风貌的博物馆。馆内展示和珍藏着代表中华民族五千年历史的重要文物。消防系统的设计不但要重在防,而且要重在灭。除设有普通的消火栓系统和自动喷水灭火系统外,还设有水喷雾灭火系统、智能消防水炮系统、气体灭火系统等特殊的消防措施。
2 消防总水量的确定 消防水池容积按所有水消防系统同时作用来计算,显然是不经济也是不可能的,消火栓系统和自动喷水灭火系统是全方位保护,任何一处着火,两个系统都要发挥作用。水喷雾系统为锅炉房服务,水炮系统为礼仪大厅服务,两系统都是局部保护。很明显,水喷雾系统和水炮系统不可能同时作用,但两系统是否会与自动喷水灭火系统同时作用呢?笔者认为,可从两方面来考虑:一是从一处着火考虑。锅炉房是一个独立的防火分区,内部只是水喷雾系统。一旦着火,除水喷雾系统作用外,锅炉房以外的消火栓系统协助灭火。这种情况,水喷雾系统不与自动喷水灭火系统和水炮系统同时作用。二是从安全角度出发。锅炉房着火,不排除波及邻近区域的可能性,邻近区域的自动喷水灭火系统将作用。所以,可以认为水喷雾系统与自动喷水灭火系统和消火栓系统同时作用。两种可能性都是存在的。礼仪大厅也同此考虑。针对博物馆的重要性,消防水量的确定还是要保守一些。所以,有两种同时作用的系统组合,一种组合是水喷雾系统、自动喷水灭火系统、消火栓系统;另一种组合是水炮系统、自动喷水灭火系统、消火栓系统。消防水量按上述两种组合的较大值确定为650m3,计算见表1。
3 消火栓系统 室内消火栓水量30L/s,延续时间3h。系统为稳高压制,竖向不分区。系统示意见图2。馆内防火分区的分隔,多处设置了防火卷帘,防火卷帘的种类与水消防系统密切相关。根据“高规”第5.4.4条的条文说明,如采用无机复合特级防火卷帘,则不需水冷却。但此种防火卷帘轨道较宽,建筑空间美观受到影响,为此建筑要求采用汽雾式特级防火卷帘 (“高规”条文说明第5.4.4条将此种卷帘纳入了特级防火卷帘之列)。其作用机理是:当火灾发生时,感温阀开启,帘节内充水,水满外溢形成“水帘”,火场高温致使部分水汽化,在水汽双重作用下,把帘面的温升始终限制在一个极低的水平,进而有效阻断火灾蔓延。既然是特级防火卷帘,就意味着不设置独立的喷水灭火系统。所以,汽雾式特级防火卷帘所需要的3 h冷却水从附近的消火栓管道接至卷帘,由68℃感温阀控制水路开启。消防水池的容积和消火栓加压泵均考虑了这部分水量。由于水量很小,不但对消火栓系统影响不大,而且简化了系统。 4 自动喷水灭火系统 4.1 设计流量的确定(表2) (简称“自规”)第9.1.3条要求设计流量按作用面积内的喷头实际流量之和计算,喷头布置疏密影响设计流量的大小,这与喷水强度与作用面积的乘积是有出入的。精确计算应经水力计算算出每个喷头的流量。而往往在喷头布置之前就要确定设计流量,我们就按喷水强度乘作用面积,再乘一个1.3的安全系数确定设计流量,本工程自动喷水灭火系统设计流量按表1各部位的最大值确定为28 L/s。施工图完成后,经水力计算复核每个喷头流量,与设计流量基本吻合。
4.2 系统的选择 系统为稳高压制,竖向不分区,见图3。展厅和汽车库为预作用系统,其它部位为湿式系统。预作用系统平时管内充有低压气体,烟、温感探头感应到火灾信号(此时还没有达到喷头的感应温度)后,打开预作用阀,系统排气充水并启动加压泵。在喷头动作之前,如发现是误报警,手动停泵。这样,有效地防止了系统误喷所造成的损失。所以,预作用系统适用于能用水消防并绝对防止误喷的场所及有冰冻危险的场所,用来代替干式系统。展厅是博物馆的重要区域。展出的展品虽不一定遇水就会完全损坏,如青铜器、古代兵器等,但这些历代保存下来的精品都是经多工序修复而成的。如果浸水,或多或少对文物都是不利的。而展厅又是人流密集的地方,为防止产生误喷,所以除精品展厅以外的所有展厅都采甩了预作用系统。车库内没有采暖系统,为满足防冻要求,可为干式系统或预作用系统。但为了使系统具有一致性,车库内也采用预作用系统。只是两者的目的不一样,前者是防止误喷,在电气控制上设置了烟、温感双路探测器;后者是防冻,只设置了单路火灾探测器控制系统的启动,从而节省了一半的探测器。
4.3 预作用系统的几点探讨 4.3.1 充水时间的控制 “自规”第8.0.9条"充水时间不宜大于2min"。这个时间如何控制呢?目前没有精确的计算方法,设计者往往也不太重视,审图者也无从考证。笔者认为,只能从控制管道容积入手。一套预作用报警阀所带的喷头数是一个因素,最重要的是管道容积不能太大。预作用系统的充水过程首先是靠屋顶消防水箱重力向管道充水,再反映到报警阀的压力开关报警,启动加压泵向系统充水。从电磁阀打开充水,到加压泵启动,这个过程是非常短暂的,可以认为充水过程是由加压泵来完成的。加压泵在设计工况下运行,流量30L/s,2 min内的水容积为3 600 L (假定管内气体全部排尽,其实是不可能的,这个问题在4,3.2中探讨)。所以,一套预作用报警阀后的管道容积小于3 600l,才能保证充水时间小于2rain。当然,要逐段计算管道容积比较繁琐,一种较为简捷的方法供大家参考:支管均按平均管径DN40计,干管按DNl00计,量出支管总长和干管总长,即可算出管道容积,表3是预作用系统在不同喷水强度下要保证充水时间所要求的最大管道容积。
4.3.2 排气阀的设置 “自规”中只要求预作用系统应设排气阀,但设在何处、设几个都没有规定,致使设计中排气阀的设置五花八门。下面以图4为例分析一下预作用系统只设置一个排气阀的充水过程。
探测器感应到火情,同时打开预作用阀上电磁阀和排气阀前的电磁阀,充水和排气是同时进行的。如着火区没有排气阀,则在充水时,着火区的喷头未打开之前,气体排不走。管内的低压气体在高压水作用下受压缩,着火区管网内充不进水或充水缓慢,致使火情扩大;温度达到喷头的温级,喷头才爆裂排气。这就失去了预作用系统的功能。所以,笔者认为排气阀应多设,每个支干管的末端设一个。但排气阀越多,电气控制点也越多,成本也提高。关于排气阀的设置,在此只是抛砖引玉地提出来。如何设置才能充分发挥预作用系统的功能,有待同行商榷。
4.4 大流量喷头的采用 本馆内有一个10m高的展厅,标准喷头在大于8m的场合已不起作用。但对于这样重要的场所,又不能没有任何防火措施。在设计中,参照“自规”中用于高架仓库的快速响应早期抑制喷头的有关要求,选用了流量系数K=360的大流量喷头用于10m高的展厅内,一个喷头钓流量为8.7 L/s。如按标准喷头的间距布置喷头,作用面积内的流量就远远大于设计流量,显然是不合适的,但“自规”中又没有这种特殊喷头的间距要求。为此,我们根据喷水强度和流量系数计算出喷头的最大间距。
喷水强度6L/(min·m2),流量系数K=360,最大保护高度10.7m,喷头最小压力0.21 MPa。 4.5 机械停车位的喷头布置 (汽车库、修车库、停车库设计防火规范)(GB50067—97)第7.2.3.2条要求:“机械停车位的托板位置分层设喷头。”怎样使喷头既不影响托板的升降,又能直接喷向车位呢?见图5。喷头数量是按上下两层计算,还是按单层计算,也是众说纷纭。笔者认为:机械停车位的托板是满足耐火极限的钢制材料,如果下部车位着火,火焰在上升的过程中受托板的阻挡,向两边蔓延,感应托板下的侧喷头动作,由于室内车库不受风向的作用,火焰继续向临近车位的上方蔓延,波及临近车位的上部喷头动作。如果上部某一车位着火,火势向上蔓延,下层喷头更不可能动作。由此可见,机械车位的上、下喷头不是同时动作的,所以报警阀所带喷头数按单层计算,水量也按单层动作计算是可行的。
5 水喷雾灭火系统 “高规”第7.6.6条强制规定:高层建筑内燃气锅炉房应设水喷雾灭火系统%。系统设计根据灭火系统设计规范>(GB50219—95)(简称“雾规”)进行。
5.1 设计参数的确定 “雾规”中对锅炉房的设计喷雾强度与持续喷雾时间没有作出具体规定,表3.1.2只有可燃气体生产、输送、……的防护冷却的喷雾强度9U(min m2)比较接近于燃气锅炉的条件,但冷却时间为6h。在当时没有其它依据的情况下,设计取用了该参数。新近发行的地方标准(DBJ01—614—2002)中第5.2.3条明确规定:燃气锅炉房的水喷雾灭火系统应按防护冷却设计,喷雾强度为9L/(mln·m2),喷雾时间为1 h。前者与后者的喷雾强度完全吻合,喷雾时间相差甚大,则消防水量就相差5倍。这样一来,设计人员就很难掌握,导致设计结果多种多样。笔者认为:“国标”与“地标”有矛盾的地方,理应按“国标”执行。但“国标”对某一对象没有明确规定的情况下,可以参照 “地标”执行。所以在以后的设计中,锅炉房的水喷雾系统设计参数按“地标”取值是可行的。当然,尽快完善统一各种法律、法规,使设计取值有据可依,是广大设计人员所希望的。
5.2 喷头的选用和布置 按体积保护法布置喷头,一台锅炉的长、宽、高分别为4.5 m,2.5 m,2.5 m,则表面积S为46.25m2(取50m2)。