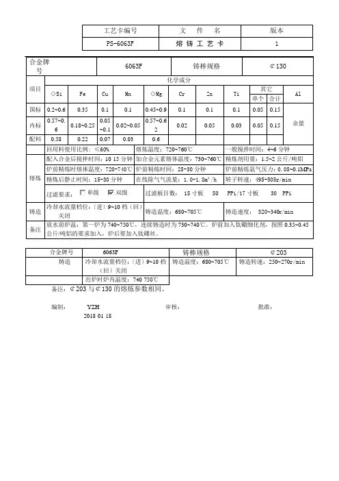
6063铝合金铸锭的生产工艺及详细流程
- 格式:docx
- 大小:23.27 KB
- 文档页数:6
铝合金熔铸工艺及常见的缺陷一、铸造概论在铸造合金中,铸造铝合金的应用最为广泛,是其他合金所无法比拟的,铝合金铸造的种类如下:由于铝合金各组元不同,从而表现出合金的物理、化学性能均有所不同,结晶过程也不尽相同。
故必须针对铝合金特性,合理选择铸造方法,才能防止或在许可范围内减少铸造缺陷的产生,从而优化铸件。
1、铝合金铸造工艺性能铝合金铸造工艺性能,通常理解为在充满铸型、结晶和冷却过程中表现最为突出的那些性能的综合。
流动性、收缩性、气密性、铸造应力、吸气性。
铝合金这些特性取决于合金的成分,但也与铸造因素、合金加热温度、铸型的复杂程度、浇冒口系统、浇口形状等有关。
(1) 流动性流动性是指合金液体充填铸型的能力。
流动性的大小决定合金能否铸造复杂的铸件。
在铝合金中共晶合金的流动性最好。
影响流动性的因素很多,主要是成分、温度以及合金液体中存在金属氧化物、金属化合物及其他污染物的固相颗粒,但外在的根本因素为浇注温度及浇注压力(俗称浇注压头)的高低。
实际生产中,在合金已确定的情况下,除了强化熔炼工艺(精炼与除渣)外,还必须改善铸型工艺性(砂模透气性、金属型模具排气及温度),并在不影响铸件质量的前提下提高浇注温度,保证合金的流动性。
(2) 收缩性收缩性是铸造铝合金的主要特征之一。
一般讲,合金从液体浇注到凝固,直至冷到室温,共分为三个阶段,分别为液态收缩、凝固收缩和固态收缩。
合金的收缩性对铸件质量有决定性的影响,它影响着铸件的缩孔大小、应力的产生、裂纹的形成及尺寸的变化。
通常铸件收缩又分为体收缩和线收缩,在实际生产中一般应用线收缩来衡量合金的收缩性。
铝合金收缩大小,通常以百分数来表示,称为收缩率。
①体收缩体收缩包括液体收缩与凝固收缩。
铸造合金液从浇注到凝固,在最后凝固的地方会出现宏观或显微收缩,这种因收缩引起的宏观缩孔肉眼可见,并分为集中缩孔和分散性缩孔。
集中缩孔的孔径大而集中,并分布在铸件顶部或截面厚大的热节处。
分散性缩孔形貌分散而细小,大部分分布在铸件轴心和热节部位。
6063铝合金熔炼生产工艺手册本文由全球铝业网() 编辑,转载请注明出处,十分感谢!一.Al-Mg-Si系合金的基本特点:6063铝合金的化学成份在GB/T5237-93标准中为0.2-0.6%的硅、0.45-0.9%的镁、铁的最高限量为0.35%,其余杂质元素(Cu、Mn、Zr、Cr等)均小于0.1%。
这个成份范围很宽,它还有很大选择余地。
6063铝合金是属铝-镁-硅系列可热处理强化型铝合金,在AL-Mg-Si组成的三元系中,没有三元化合物,只有两个二元化合物Mg2Si和Mg2Al3,以α(Al)-Mg2Si伪二元截面为分界,构成两个三元系,α(Al)-Mg2Si-(Si)和α(Al)-Mg2Si-Mg2Al3,如图一、田二所示:在Al-Mg-Si系合金中,主要强化相是Mg2Si,合金在淬火时,固溶于基体中的Mg2Si 越多,时效后的合金强度就越高,反之,则越低,如图2所示,在α(Al)-Mg2Si伪二元相图上,共晶温度为595℃,Mg2Si的最大溶解度是1.85%,在500℃时为1.05%,由此可见,温度对Mg2Si在Al中的固溶度影响很大,淬火温度越高,时效后的强度越高,反之,淬火温度越低,时效后的强度就越低。
有些铝型材厂生产的型材化学成份合格,强度却达不到要求,原因就是铝捧加热温度不够或外热内冷,造成型材淬火温度太低所致。
在Al-Mg-Si合金系列中,强化相Mg2Si的镁硅重量比为1.73,如果合金中有过剩的镁(即Mg:Si>1.73),镁会降低Mg2Si在铝中的固溶度,从而降低Mg2Si在合金中的强化效果。
如果合金中存在过剩的硅,即Mg:Si<1.73,则硅对Mg2Si在铝中的固溶度没有影响,由此可见,要得到较高强度的合金,必须Mg:Si<1.73。
二.合金成份的选择1.合金元素含量的选择6063合金成份有一个很宽的范围,具体成份除了要考虑机械性能、加工性能外,还要考虑表面处理性能,即型材如何进行表面处理和要得到什么样的表面。
铝合金生产工艺流程铝合金是一种具有高强度、轻质、耐腐蚀性和良好导电性能的金属材料,广泛应用于航空航天、汽车制造、电子设备等领域。
以下是一个典型的铝合金生产工艺流程。
1. 材料准备:铝合金生产的首要材料是铝精矿,通过矿石选矿、碱法提取等步骤获得高纯度的铝。
同时还需要添加适量的合金元素,如铜、锌、镁等,以提高合金的性能。
2. 熔炼:将铝和合金元素按照一定比例加入炉中,采用电解或燃烧炉熔炼,使其达到液态状态。
通过对炉内温度、压力和气氛的控制,确保铝合金的化学成分和纯度。
3. 铸型设计:根据产品的要求,设计铸型,选择适当的形状和尺寸。
常见的铸造方法有压铸、重力铸造和砂模铸造等,每种方法有其特定的工艺要求。
4. 铸造:将熔化的铝合金倒入铸型中,等待其自然冷却凝固。
在铸造过程中,需要监测铸态铝液的温度和流动性,以确保铸件的质量和完整性。
5. 温控处理:铝合金铸件具有一定的硬度和韧性,通常需要经过一系列的热处理工艺,如时效处理、回火、固溶处理等,以调整其组织结构和物理性能。
6. 机械加工:对铝合金铸件进行切削、磨削、铣削、钻孔等机械加工工艺,以使其形状和尺寸符合产品的要求。
此外,还可以通过冷挤压、拉伸等工艺增加铸件的强度和韧性。
7. 表面处理:对铝合金产品表面进行物理或化学处理,以增强其耐腐蚀性、润滑性和美观性。
常用的表面处理方法有阳极氧化、喷砂、喷涂、镀膜等。
8. 检验和包装:对成品进行质量检验,包括外观、尺寸、力学性能等指标的检测。
合格的产品经过清洁、防腐处理后,进行包装、标识和存放。
以上是一般铝合金生产的工艺流程,具体的工艺要根据产品的要求、合金种类和工艺设备的不同而有所差异。
随着科学技术的进步,铝合金的生产工艺也在不断创新,以提高产品的质量和效率。
铝合金的冶炼方法及工艺流程下载温馨提示:该文档是我店铺精心编制而成,希望大家下载以后,能够帮助大家解决实际的问题。
文档下载后可定制随意修改,请根据实际需要进行相应的调整和使用,谢谢!并且,本店铺为大家提供各种各样类型的实用资料,如教育随笔、日记赏析、句子摘抄、古诗大全、经典美文、话题作文、工作总结、词语解析、文案摘录、其他资料等等,如想了解不同资料格式和写法,敬请关注!Download tips: This document is carefully compiled by theeditor. I hope that after you download them,they can help yousolve practical problems. The document can be customized andmodified after downloading,please adjust and use it according toactual needs, thank you!In addition, our shop provides you with various types ofpractical materials,such as educational essays, diaryappreciation,sentence excerpts,ancient poems,classic articles,topic composition,work summary,word parsing,copy excerpts,other materials and so on,want to know different data formats andwriting methods,please pay attention!铝合金的冶炼是铝生产和加工的重要环节,它关系到铝合金的性能和质量。
6063型铝合金型材标准摘要:I.引言- 介绍6063 型铝合金型材的背景和应用领域II.6063 型铝合金型材的特点- 概述6063 型铝合金型材的主要特性III.6063 型铝合金型材的生产工艺- 介绍6063 型铝合金型材的生产流程和工艺IV.6063 型铝合金型材的性能与用途- 分析6063 型铝合金型材的力学性能和用途V.6063 型铝合金型材的缺陷及解决方法- 探讨6063 型铝合金型材生产过程中可能出现的缺陷及其解决方法VI.结论- 总结6063 型铝合金型材的优势和应用前景正文:I.引言6063 型铝合金型材是一种广泛应用于建筑、交通、电子等领域的轻质高强材料。
由于其具有优良的力学性能、良好的焊接性能和阳极氧化处理后华丽的表面色泽等特点,6063 型铝合金型材在市场上受到了广泛关注和青睐。
本文将围绕6063 型铝合金型材的特点、生产工艺、性能与用途以及缺陷及解决方法等方面进行详细阐述。
II.6063 型铝合金型材的特点6063 型铝合金型材的主要特点如下:1.良好的塑性:6063 型铝合金型材具有较好的延展性和可锻性,容易加工成各种形状。
2.适中的热处理强度:经过合理的热处理工艺,6063 型铝合金型材可获得较高的力学性能。
3.良好的焊接性能:6063 型铝合金型材易于焊接,可采用多种焊接方法进行连接。
4.阳极氧化处理后表面色泽华丽:经阳极氧化处理后,6063 型铝合金型材表面可形成一层保护膜,具有美观、耐腐蚀等特点。
III.6063 型铝合金型材的生产工艺6063 型铝合金型材的生产工艺主要包括熔炼、铸造、挤压、热处理和表面处理等环节。
其中,熔炼是保证合金元素含量和铸锭质量的关键工序;挤压是实现型材成形的主要方法,通过挤压可获得具有较高力学性能的型材;热处理是为了提高型材的力学性能,通常采用淬火、时效等热处理工艺;表面处理主要包括阳极氧化、喷涂等,用于提高型材的美观性和耐腐蚀性。
6063铝合金铸锭的生产工艺及详细流程 • 一.Al-Mg-Si系合金的基本特点:
6063铝合金的化学成份在GB/T5237-93标准中为0.2-0.6%的硅、0.45-0.9%的镁、铁的最高限量为0. 35%,其余杂质元素(Cu、Mn、Zr、Cr等)均小于0.1%。这个成份范围很宽,它还有很大选择余地。 6063铝合金是属铝-镁-硅系列可热处理强化型铝合金,在AL-Mg-Si组成的三元系中,没有三元化合物,只有两个二元化合物Mg2Si和Mg2Al3,以α(Al)-Mg2Si伪二元截面为分界,构成两个三元系,α(Al)-Mg2Si-(Si)和α(Al)-Mg2Si-Mg2Al3,如图一、田二所示: 在Al-Mg-Si系合金中,主要强化相是Mg2Si,合金在淬火时,固溶于基体中的Mg2Si越多,时效后的合金强度就越高,反之,则越低,如图2所示,在α(Al)-Mg2Si伪二元相图上,共晶温度为595℃,Mg2Si的最大溶解度是1.85%,在500℃时为1. 05%,由此可见,温度对Mg2Si在Al中的固溶度影响很大,淬火温度越高,时效后的强度越高,反之,淬火温度越低,时效后的强度就越低。有些铝型材厂生产的型材化学成份合格,强度却达不到要求,原因就是铝捧加热温度不够或外热内冷,造成型材淬火温度太低所致。 在Al-Mg-Si合金系列中,强化相Mg2Si的镁硅重量比为1.73,如果合金中有过剩的镁(即Mg:Si>1. 73),镁会降低Mg2Si在铝中的固溶度,从而降低Mg2Si在合金中的强化效果。如果合金中存在过剩的硅,即Mg:Si<1.73,则硅对Mg2Si在铝中的固溶度没有影响,由此可见,要得到较高强度的合金,必须Mg:Si<1.73。 二.合金成份的选择 1.合金元素含量的选择 6063合金成份有一个很宽的范围,具体成份除了要考虑机械性能、加工性能外,还要考虑表面处理性能,即型材如何进行表面处理和要得到什么样的表面。例如,要生产磨砂料,Mg/Si应小一些为好,一般选择在Mg/Si=1-1.3范围,这是因为有较多相对过剩的Si,有利于型材得到砂状表面;若生产光亮材、着色材和电泳涂漆材,Mg/Si在1.5-1.7范围为好,这是因为有较少过剩硅,型材抗蚀性好,容易得到光亮的表面。 另外,铝型材的挤压温度一般选在480℃左右,因此,合金元素镁硅总量应在1.0%左右,因为在500℃时,Mg2Si在铝中的固溶度只有1.05%,过高的合金元素含量会导致在淬火时Mg2Si不能全部溶入基体,有较多的末溶解Mg2Si相,这些Mg2Si相对合金的强度没有多少作用,反而会影响型材表面处理性能,给型材的氧化、着色(或涂漆)造成麻烦。 2.杂质元素的影响 ①铁,铁是铝合金中的主要杂质元素,在6063合金中,国家标准中规定不大于0.35,如果生产中用一级工业铝锭,一般铁含量可控制在0.25以下,但如果为了降低生产成本,大量使用回收废铝或等外铝,铁就根容易超标。Fe在铝中的存在形态有两种,一种是针状(或称片状)结构的β相(Al9Fe2Si2),一种为粒状结构的α相(Al12Fe3Si),不同的相结构,对铝合金有不同的影响,片状结构的β相要比粒状结构α相破坏性大的多,β相可使铝型材表面粗糙、机械性能、抗蚀性能变差,氧化后的型材表面发青,光泽下降,着色后得不到纯正色调,因此,铁含量必须加以控制。 为了减少铁的有害影响可采取如下措施。 a)熔炼、铸造用所有工具在使用前涂涮涂料,尽可能减少铁溶人铝液。 b)细化晶粒,使铁相变细,变小,减少其有害作用。 c)加入适量的锶,使β相转变成α相,减少其有害作用。 d)对废杂料细心挑选,尽可能的减少铁丝、铁钉、铁屑等杂物进入熔铝炉造成铁含量升高。 ②其它杂质元素 其它杂质元素在电解铝锭中都很少,远远低于国家标准,在使用回收废杂铝时就可能超过标准;在生产中,不但要控制每个元素不能超标,而且要控制杂质元素总量也不能超标,当单个元素含量不超标,但总量超标时,这些杂质元素同样对型材质量有很大影响。特别需要提出强调的是,实践证明,锌含量到0.05时(国标中不大于0.1)型材氧化后表面就出现白色斑点,因此锌含量要控制到0.05以下。
• 三.6063铝合金的熔炼 1.控制好熔炼温度 铝合金熔炼是生产优质铸棒的最重要工艺环节之一,若工艺控制不当,会在铸捧中产生夹渣、气孔,晶粒粗大,羽毛晶等多种铸造缺陷,因此必须严加控制。 6063铝合金的熔炼温度控制在750-760℃之间为佳,过低会增大夹渣的产生,过高会增大吸氢、氧化、氮化烧损。研究表明,铝液中氢气的溶解度在760℃以上急剧上升,当热减少吸氢的途径还有许多,如烘干溶炼炉和熔炼工具,防止使用熔剂受潮变质等。但熔炼温度是最敏感因素之一,过离的熔炼温度不但浪费能源,增加成本,而且是造成气孔,晶粒粗大,羽毛晶等缺陷的直接成因。 2.选用优良的熔剂和适当的精炼工艺 熔剂是铝合金熔炼中使用的重要辅助材料,目前市场上所售熔剂中主要成份为氯化物,氟化物,其中氯化物吸水性强,容易受潮,因此,熔剂的生产中必须烘干所用原料,彻底除去水份,包装要密封,运输、保管中要防止破损,还要注意生产日期,如保管日期过长,同样会发生吸潮现象,在6063铝合金的熔炼中,使用的除渣剂、精炼剂、覆盖剂等熔剂如果吸潮,都会使铝液产生不同程度的吸氢。 选择好的精炼剂,选择合适的精练工艺也是非常重要的,目前6063铝合金的精炼绝大多数采用喷粉精炼,这种精炼方法能使精炼剂与铝液充分接触,可使精炼剂发挥最大效能。虽然这个特点是显而易见的,但是精炼工艺也必须注意,否则得不到应有效果,喷粉精炼中所用氮气压力以小为好,能满足吹出粉剂为佳,精炼中如果使用的氮气不是高纯氯(99.99%N2),吹入铝液的氮气越多,氟气中的水份使铝液产生的氧化和吸氢越多。另外,氟气压力高,侣液产生的翻卷波浪大,增大产生氧化夹渣的可能性。如果精炼中使用的是高纯氮,精炼压力大,产生的气泡大,大气泡在铝液中的浮力大,气泡迅速上浮,在铝液中的停留时间短,除氢效果并不好,浪费氮气,增加成本。因此氮气应少用,精炼剂应多用,多用精炼剂只有好处,没有坏处。喷粉精炼的工艺要点是用尽可能少的气体,喷进铝液尽可能多的精炼剂。 3.晶粒细化 晶粒细化是铝合金熔铸中晕重要的工艺之一,也是解决气孔、晶粒粗大、光亮晶、羽毛晶、裂纹等铸造缺陷的最有效措施之一。在合金铸造中,均是非平衡结晶,所有的杂质元素(当然也包括合金元素)绝大部分集中分布在晶界,晶粒越小,晶界面积就越大,杂质元素(或合金元素)的均匀度就越高。对杂质元素而言,均匀度高,可减少它的有害作用,甚至将少量杂质元素的有害变为有益;对合金元素面言,均匀度高,可发挥合金元素更大的合金化艘能,达到充分利用资源的目的。 细化晶粒、增大晶界面积、增大元素均匀度的作用可通过下面的计算加以说明。 假设金属块1与2有同样的体积V,均由立方体晶粒构成,金属块1的晶粒边长为2a,2的边长为a,那么金属块1的晶界面积为: 金属块2的晶界面积为: 金属块2的晶界面积是金属块1的2倍。 由此可见合金晶粒直径减小一倍,晶界面积就要增大—倍,晶界单位面积上的杂质元素将减少一倍。 在6063铝合金的生产中,对磨砂料来说,由于要通过腐蚀使型材产生均匀砂面,那么合金元素及杂质元素的均匀分布就显得尤为重要。晶粒越细,合金元素(杂质元素)的分布越均匀,腐蚀后得到的砂面就越均匀。 四.6063铝合金的浇铸 1.选择合理的浇铸温度 合理的浇铸温度也是生产出优质铝棒的重要因素,温度过低,易产生夹渣、针孔等铸造缺陷。温度过高,易产生晶粒粗大、羽毛晶等铸造缺陷。 做了晶粒细化处理后的6063铝合金液,铸造温度可适当提高,一般可控制在720-740℃之间,这是因为:①铝液经晶粒细化处理后变粘,容易凝固结晶。②铝棒在铸造中结晶前沿有一个液固两相过度带,较高的铸造温度有较窄的过度带,过度带窄有利于结晶前沿排出的气体逸出,当然温度不可过高,过高的铸造温度会缩短晶粒细化剂的有效时间,使晶粒变得相对较大。
• • • • 2.有条件时,充分预热,烘干流槽、分流盘等浇铸系统,防止水分
与铝液反应造成吸氢。 3.铸造中,尽可能的避免铝液的紊流和翻卷,不要轻易用工具搅动流槽及分流盘中的铝液,让铝液在表面氧化膜的保护下平稳流人结晶器结晶,这是因为工具搅动铝液和液流翻卷都会使铝液表面氧化膜破裂,造成新的氧化,同时将氧化膜卷入铝液。经研究表明,氧化膜有极强的吸附能力,它含有2%的水份,当氧化膜卷入铝液后,氧化膜中的水份与铝液反应,造成吸氢和夹渣。 4.对铝液进行过滤,过滤是除去铝液中非金属夹渣最有效的方法,在6063铝合金的铸造中,一般用多层玻璃丝布过滤或陶瓷过滤板过滤,无论是采取何种过滤方法,为了保证铝液能正常的过滤,铝液在过滤前应除去表面浮渣,因为表面浮渣易堵塞过滤材料的过滤网孔,使过滤不能正常进行,除去铝液表面浮渣的最简单方法是在流槽中设置一挡渣板,使铝液在过滤前除去浮渣。 五.6063铝合金的均化处理 1.非平衡结晶 如图三所示,是由A、B两种元素构成的二元相图的一部分,成份为F的合金凝固结晶,当温度下降到T1时,固相平衡成份应为G,实际成份为G’,这是因为在铸造生产中,冷却凝固速度快,合金元素的扩散速度小于结晶速度,即固相成份不是按CD变化,而是按CD’变化,从而产生了晶粒内化学成份的不平衡现象,造成了非平衡结晶。 2.非平衡结晶产生的问题 铸造生产出的铝合金棒其内部组织存在两方面的问题:①晶粒间存在铸造应力;②非平衡结晶引起的晶粒内化学成份的不平衡。由于这两个问题的存在,会使挤压变得困难,同时,挤压出的产品在机械性能、表面处理性能方面都有所下降。因此,铝棒在挤压前必须进行均匀化处理,消除铸造应力和晶粒内化学成份不平衡。 3.均匀化处理 均匀化处理就是铝棒在高温(低于过烧温度)下通过保温,消除铸造应力和晶粒内化学成份不平衡的热处理。Al-Mg-Si系列的合金过烧温度应该是595℃,但由于杂质元素的存在,实际的6063铝合金不是三元系,而是一个多元系,因此,实际的过烧温度要比595℃低一些,6063铝合金的均匀化温度可选在530-550℃之间,温度高,可缩短保温时间,节约能源,提高炉子的生产率。 4.晶粒大小对均匀化处理的影响 由于固体原子之间的结合力很大,均匀化处理是在高温下合金元素从晶界(或边沿)扩散到晶内的过程,这个过程是很慢的。容易理解,粗大晶粒的均化时间要比细晶粒的均匀化时间长得多,因而晶粒越细,均匀化时间就越短。 5.均匀化处理的节能措施 均匀化处理需要在高温下通过较长时间保温,对能源需求大,处理成本高,因此,目前绝大多数型材厂对铝棒未进行均匀化处理。其最重要的原因就是均匀化处理需要较高成本所致。降低均匀化处理成本的主要措施有: ①细化晶粒 细化晶粒可有效的缩短保温时间,晶粒越细越好。 ②加长铝棒加热炉,按均匀化和挤压温度分段控制,满足不同工艺要求。这一工艺主要好处是: a)不增加均匀化处理炉。 b)充分利用铝捧均匀化后的热能,避免挤压时再次加热铝棒。 c)铝捧加热保温时间长,内外温度均匀,有利于挤压和随后的热处理。 综上所述,生产出优质6063铝合金铸棒,首先是根据生产的型材选择合理的成分,其次是严格控制熔炼温度、浇铸温度,做好晶粒细化处理、合金液的精炼、过滤等工艺措施,细心操作,避免氧化膜的破裂与卷入。最后,对铝棒进行均匀化处理,这样就可生产出优质铝棒,