QC小组活动论文
- 格式:doc
- 大小:34.50 KB
- 文档页数:6
企业管理论文QC小组活动论文【摘要】质量是企业的生命,质量改进是企业活动的永恒主题。
多年来持续开展群众性质量管理的实践活动,使许多企业体会到了QC的重要性。
QC活动的课题广泛存在于企业管理的各项活动中。
QC小组的活动效应,将伴随一个又一个现场质量和管理问题的解决,在稳定和提高产品质量、改善管理和服务、增强企业竞争力的同时,也促进企业健康发展发挥其独具特色的作用。
我们将继续推进QC小组活动,把它作为一项重要工作长抓不懈,在实践中坚持与时俱进,开拓创新,深入研究推进QC小组活动的新方法,将QC小组活动提高到一个新的水平。
QC小组是职工参与企业管理的一种组织形式,深入开展QC小组活动,能够调动全体员工参与质量管理、质量改进的积极性和创造性,能够为企业提高质量、降低成本、创造效益。
通过成员的共同学习、互相切磋,有助于提高员工的整体素质,营造和谐内部氛围,提升企业竞争力和外部形象。
QC小组活动有利于发掘企业员工的潜能、增强员工的凝聚力。
QC小组的成员在针对一个质量问题进行改进之前,一般都要进行专项的全面质量管理的理论知识和分析方法的培训、学习,在培训和学习的过程中,员工智力可以得到充分开发,通过不断发掘员工的潜能,来提高员工的质量管理素质。
通过小组团队的团结合作,也增加了员工之间的凝聚力。
QC小组活动有利于预防企业质量问题和改进质量。
小组建立的目的,是为了通过选题来从小的方面、从精细的方面来改善工程的质量问题。
其实工程所呈现出来大的质量问题,有可能只是一个工序或一个步骤的问题所引起的。
QC小组的改进质量的方向也正是针对着一个工序或一个步骤的问题,通过PDCA循环,找出其主要原因,并针对主要原因进行改善,从而达到改进企业质量管理工作的目的。
QC小组活动有利于提高企业的经济效益。
QC小组活动,其实质精神是利用科学方法发动群众解决产品或管理上存在的问题,从而达到稳定提高工程质量、管理效率的目的。
这与企业的质量方针以及提高经济效益的目标是绝对统一的。
QC小组质量改善活动TCL光电科技(惠州)有限公司,马迪伽,516006摘要:阐述QC改善小组针对驱动类不良的持续改善活动,改善活动中运用了鱼骨图和柏拉图等统计方法,改善成效显著,驱动类不良率下降46%。
关键词:QC改善小组;持续改善;鱼骨图;柏拉图1. 引言持续的质量改进是质量管理的基本特点,也是ISO/TS16949标准中质量管理的八项基本原则之一,就是致力于增强满足质量要求的能力。
质量改进与通常所说的质量控制不同,质量控制是使产品质量维持在一定的水平,而质量改进的目的是通过不断采取纠正和预防措施来增强企业的质量管理水平,使产品的质量不断提高,从而不断提高顾客满意度。
现在我们企业要发展,仅仅是靠加强过程控制是不够的,必须对现有的质量水平在控制的基础上加以提高,才能使质量达到一个新的水平、新的高度。
也只有通过不断的质量改进,才能减少资源的浪费与消耗、降低成本、提高产品质量,使顾客满意,从而增强企业信誉,扩大市场占有率,提高企业的竞争力,在激烈的市场竞争环境中生存并发展壮大。
2. 背景公司产量日渐增大,生产速度越来越快,驱动类不良率也随之上升,尤其在产品组装工段频频出现。
由于对驱动类的不良品进行维修要花费大量的人力物力和时间,这大大地降低了公司的生产效率,公司的利润也受到影响。
针对这种情况,品质部成立了专项改善小组,成员涉及制造、工程、品质三大部门,目的是通过三大部门联袂解决该问题。
成员任务分配情况如表1所示。
姓名职位任务马迪伽PQC工程师组长王家兴PQC工程师改善推荐,阶段性报告宋延波工程部组装段工程师工艺标准改进,不良品分析,数据分析李浩制造部组装段工程师组装作业规范化表1,成员任务分配情况3. 改善活动前期准备3.1 鱼骨图分析影响因素3.1.1 鱼骨图简介问题的特性总是受到一些因素的影响,我们通过头脑风暴法找出这些因素,并将它们与特性值一起,按相互关联性整理而成的层次分明、条理清楚,并标出重要因素的图形就叫特性要因图。
120792 企业研究论文QC小组活动在企业管理中的创新发展1 前言在从事各种生产工作岗位上的职工通过开展“头脑风暴”,围绕企业经营方针目标、战略计划以及当前现场实践中存在的问题自主开展小组活动,进行改进,并以降低消耗、提高经济效益和工作素质为最终目标的活动即称为QC小组活动。
QC小组活动主要运动持续质量改进管理理论展开,在当今市场经济高速发展的背景下,越来越多的企业意识到唯有以质量取胜方能保证自身的经济利益和长远发展,同时也是提高企业创造力和竞争力的基础手段。
因此探究QC小组活动在企业管理中的作用和创新发展对提高管理质量、明确理论指导意义具有重要作用。
2 QC小组活动作用分析2.1 提高职工素质,发挥其积极性和创造性企业职工是现代企业管理的中心和基本对象,必须依靠企业全体员工共同的努力,充分发挥其积极性和创造性才能保证企业方针目标的良好??施,进而获取更高的经济效益。
QC小组活动能够吸引全体企业职工的积极参与,存在群众性、科学性和自发性特征。
通过实施该活动,QC小组能够为企业职工提供更多的沟通交流机会,锻炼工作、管理、沟通和组织能力,在提高职工素质的同时充分发挥其积极性和创造性,为增强企业竞争力、促进其健康长远发展做出应有的贡献。
2.2 提高管理水平管理工作通过QC小组活动的开展能够保证严密性、规范性和科学性。
在企业QC小组活动开展过程中,基本遵循计划(P)-执行(D)-检查(C)-处理(A)流程,属于一种理想的持续性质量改进管理方案。
通过对既往工作经验进行细致总结分析,并查阅文献资料,企业员工能够深入发掘当前工作中存在的问题及不足之处,据此制定详细的、具有针对性的盖方案能够有效提高企业的管理水平。
当改进措施实施后,QC小组再次开展“头脑风暴”讨论仍需改进的问题及措施,再次提高管理水平。
3 QC小组活动在企业管理中的创新发展企业只有拥有高素质的员工和高水平的管理方案,才能拥有核心的竞争力,保证健康持续快速发展。
提高沉管灌注桩的成桩合格率建筑路桥施工处桩基项目部QC小组江汉油田建设工程公司二零零七年九月目录一、小组概况二、选择课题三、现状调查四、活动目标五、分析原因六、要因验证七、制定对策八、实施九、效果检查十、巩固措施前言如何控制沉管灌注桩的成桩合格率,是沉管灌注桩施工工艺中最为关键的一步,我路桥施工处桩基项目部在06年初至今共承揽沉管灌注桩基施工任务10项,总进尺达15万米,通常桩基成桩后要经质量检测站检测单桩竖向抗压静载试验、低应变值,竖向抗压静载试验主要是检测单桩的竖向抗压承载力,低应变法主要是检测桩身的完整性,这两种检测均是由桩基的成桩合格率决定的,所以,如何提高沉管灌注桩成桩合格率,确保项目一次性交工,已成为QC小组的攻关重点。
一、小组概况二、选题理由图(1)制图:李通时间:2007.3.25 2006年全年桩基项目成桩合格率调查三、现状调查在06年至今的桩基施工项目中,沉管灌注桩成桩主要存在以下问题:1、断桩2、蜂窝、夹泥3、缩颈调查一对于断桩的形成,主要原因有:1、拔管速度过快2、钢筋笼制作不规范,与管壁卡死造成骨料灌入不流畅3、粗骨料(碎石)粒径过大,部分卡在钢筋笼与管壁之间,阻止其它骨料顺利下落4、设备故障造成停机时间过长(超过2h),后灌入砼与前期砼结合不好5、地下水比较喘急,造成部分骨料流失6、桩距过小,小于4d(d为桩直径),在邻桩沉管过程中,土体受到挤压产生水平推力使桩断裂调查二对于蜂窝、夹泥桩的形成,主要原因有:1、拔管速度过快2、施工砼坍落度过小,小于规范中规定的挤土桩的坍落度8~12cm3、砼在运输过程中就已经造成离析现象调查三对于缩颈的形成,主要原因有:1、拔管速度过快2、桩距过小,小于4d(d为桩直径),在邻桩沉管过程中,土体受到挤压产生水平推力使桩缩颈四、目标值确定1、目标值设立提高沉管灌注桩的成桩合格率,达到100%2、目标值可行性分析由上调查可得知,成桩合格率取主要决于人为因素,加强施工管理可达到目标值。
浅析如何提高QC小组活动质量【前言】在现代市场竞争中,各个企业越来越重视自身的发展、发展途径的选择、以及发展途径的有效力。
于是,“QC”即质量管理,便成为各企业追逐的新宠。
如何引导管理才能提高QC小组的活动质量?怎样将QC小组活动的过程转变为参与安全生产、技术攻关、节能降耗等工作的有机载体?成为现代企业管理面临的一个重要课题。
【关键词】QC小组;提高质量;管理Abstract: In the modern market competition, businesses are more and more pay attention to their own development, the choice of development path and the development of effective way. Thus, quality management will become the new darling of the corporate chase. How to guide management in order to improve the quality of the QC group activities? How the process of transformation of the QC group activities to participate in safety in production, technical research, the organic carrier of energy saving work? Become an important issue facing the modern enterprise management.Key words:QC group; improve quality; management在如何提升QC小组的活动水平,更好的达到预期成效的研究中,除去现阶段QC小组活动中已经做的很好的方面,如:领导足够的重视和支持、发布标准的规范、研究流程的界定清晰外,本文的观点是应从以下八个方面来提高QC小组的活动水平和管理水平:1.组员严格审定;2.组员全面培训;3.流程严格执行;4.分工清晰明确;5.经验积极交流; 6.成果足够重视;7.意见及时反馈;8.活动全面总结。
qc小组活动记录范文近期,我们qc小组开展了一次精彩的活动,为了记录这次活动的内容和成果,特此整理成文档,以便后续的总结和回顾。
活动的主题是“团队合作与沟通”,我们选择了一个室外的场地,进行了一系列的团队合作游戏和沟通训练。
在游戏中,我们分成了几个小队,每个小队都有不同的任务和挑战。
通过这些游戏,我们加强了团队协作能力,提高了沟通效率,增进了彼此之间的了解和信任。
首先,我们进行了一个名为“蜘蛛网”的游戏。
这个游戏需要团队成员一起合作,穿越一个由绳子编织而成的“蜘蛛网”,在不触碰绳子的情况下通过。
这个游戏考验了我们的团队协作能力和沟通技巧,每个人都需要积极参与,才能顺利完成任务。
接着,我们进行了一场“盲人接力”游戏。
在这个游戏中,每个小队选择一名队员进行盲目,其他队员则负责引导盲目的队员通过一系列障碍。
这个游戏考验了我们的沟通能力和信任度,只有通过清晰的指示和有效的沟通,才能让盲目的队员安全地通过障碍。
除了团队合作游戏,我们还进行了一些沟通训练。
我们分成了几个小组,每个小组都需要完成一个任务,但是每个小组只有部分信息,需要通过沟通来获取其他小组的信息,从而完成任务。
这个训练不仅考验了我们的沟通能力,也锻炼了我们的信息收集和整合能力。
通过这次活动,我们深刻体会到团队合作和沟通的重要性。
在工作中,团队合作是必不可少的,只有团结一致,才能更好地完成工作。
而良好的沟通则是团队合作的基础,只有通过有效的沟通,才能让团队成员们明白彼此的意图和需求,从而更好地协作。
总的来说,这次活动不仅增强了我们的团队协作能力和沟通技巧,也增进了团队成员之间的情感交流。
我们相信,在今后的工作中,这些提升都会对我们的工作效率和团队凝聚力产生积极的影响。
通过这次活动的记录,我们可以清晰地看到我们的成长和进步,也可以在今后的工作中不断回顾和总结,以便更好地改进和提高。
我们期待着下一次的活动,继续在团队合作和沟通方面不断突破和进步。
企业qc活动论文报告范文1. 引言近年来,随着全球市场的激烈竞争,企业为了保持竞争力和提高产品质量,开始关注并广泛应用质量控制(QC)活动。
企业QC活动的实施,旨在通过全面管理和不断改进的方法,促进产品质量的提升和生产效率的提高,从而实现长期稳定的发展。
本论文将重点分析我公司在过去一年内所进行的QC活动,并对其效果和可持续性进行评估。
通过总结和分享我们的经验和教训,旨在为其他企业的QC活动提供借鉴和参考。
2. QC活动背景我公司是一家制造业企业,主要生产电子产品。
在市场上的竞争压力下,我们意识到质量控制的重要性,并决定开展企业QC活动。
我们制定的QC活动的目标是提高产品质量,减少产品缺陷率,并持续提高生产效率。
我们通过引入QC小组、制定QC流程和标准作业流程(SOP)以及改进生产线布局等方式来实施QC活动。
3. QC活动的实施在过去一年内,我们经历了以下主要的QC活动的实施过程:3.1 QC小组的建立为了有效管理QC活动,我们成立了一支专门的QC小组,由管理层和员工自愿组成。
QC小组的任务是负责制定QC计划、监督QC过程并总结QC结果。
他们还与各个部门合作,收集并分析与质量相关的数据,以便改进QC流程。
3.2 QC流程和SOP的制定我们对公司的核心生产流程进行了全面的分析,并根据相关标准制定了QC流程和SOP。
以保证每一个生产环节都能按照规定和标准进行操作,并使得各部门之间的工作交接更加顺畅。
3.3 生产线布局的改进通过对生产线的布局进行改进,我们使得从原材料采购到成品出库的整个生产流程变得更加高效。
我们优化了不同工序之间的协调与协作,减少了传统生产线上可能存在的缺陷点。
3.4 质量培训和意识提升为了提高员工的质量意识和技能,我们组织了一系列的质量培训和意识提升活动。
这些活动包括质量知识讲座、质量问题解决案例研讨和质量奖励制度的设立等。
4. QC活动效果评估4.1 产品质量的提升通过一年的QC活动的实施,我们的产品质量得到了显著的提升。
提高QC小组活动培训的实效性摘要:本文从探讨qc小组活动培训的难点出发,按照闭环管理模式提出问题解决的思路,着重阐述提高qc小组活动培训实效性的方法和途径。
关键词:qc小组培训实效性在qc小组活动中,培训是非常重要的一个环节,提高培训的实效性,是推动qc小组活动深入开展的关键所在。
1.qc小组活动中培训的难点1.1培训没有系统性。
培训内容随意性较大。
1.2培训没有针对性。
企业在开展qc小组培训时往往忽视了qc 小组成员知识的差异性。
1.3培训没有创新性。
应用新媒体、新方法不足,造成新入职员工对此敬而远之。
2.问题解决的思路根据体系贯标的经验,qc小组活动的培训也是要遵循闭环管理模式进行,按照“培训有计划、计划有实施、实施有评价”进行落实。
3.提高培训实效性的方法3.1培训有计划企业要对qc小组成员掌握及运用活动程序、统计方法的情况进行调查,可以采用问卷调查法和头脑风暴法,结合各部门上报的培训需求,汇总做好企业qc小组的年度培训计划(包括内培和外培计划)。
年度培训计划内容主要由如下几部分组成(下表是一份内培训计划表):(1)项目名称年度培训计划应该将培训的项目加以区分,分为常识性培训课程、提升类培训课程和专业类培训课程三类。
常识性培训课程主要针对新入职员工,重点在于普及qc小组活动的基础知识;提升类培训主要针对的是已经有开展qc小组活动经验的员工,他们需要在熟练掌握qc小组活动程序的基础上,重点学习统计方法在工作中的应用;专业类培训主要针对的是市、省和国家级别的诊断师,这类人的培训一般是纳入外培计划,他们能力的持续提升是推动企业qc小组活动有效开展的动力所在。
(2)培训内容需要对员工进行分层次培训。
针对基层员工要侧重于全面专业技能,全面质量管理基础知识的培训;针对qc小组活动骨干侧重于qc小组的基本理论、qc工具方法和程序、qc成果的编制及发布的培训,尤其是在qc小组活动骨干普遍会用“两图一表”的基础上,更要教会多种统计技术方法的应用,例如正交试验技术、可靠性技术、水平对比、回归分析以及pdpc法、矩阵图、亲和图、控制图等工具,从而提高活动的严密性、科学性和有效性;针对其他管理人员侧重于qc小组的目的、重要意义和基本理论的培训。
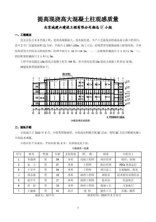
提高现浇高大混凝土柱观感质量北京城建六建设工程有限公司励志QC 小组一、工程概况北京京东方8.5代线工程,是国内规模最大、技术最先进、生产工艺最复杂的液晶显示器工程项目,其中2号厂房建筑面积21万㎡。
平面尺寸303×180m ,地上4层,结构类型为钢筋混凝土框架结构。
主体结构采用大空间及大跨度柱网,柱网平面尺寸16.2×16.2m ,一、二层框架柱截面尺寸1.3×1.3m ,三、四层框架柱截面尺寸1.0×1.0m 。
工程中净高超过10m 的高大混凝土柱共486根,其中净高达到13m 的高大混凝土柱多达42根。
2#建筑典型剖面图如下:2#建筑典型坡面图二、团队介绍小组成立于2010年3月,小组类型现场型,小组成员积极开展QC 活动,利用QC 方法不断解决施工中的技术难题。
小组共有7名成员,平均年龄31.5岁。
具体情况见下表。
小组成员一览表序号 姓名 性别 年龄 文化程度 职 称 职务 小组分工 1 李强国 男 39 本科 高级工程师 项目经理 组织、协调 2 宋 玉 男 37 本科 工程师 执行经理 PDCA 体系运行 3 王宝全 男 36 本科 工程师 项目总工 方案编制、落实 4 周志强 男 25 本科 助理工程师 质检员 技术指导反馈信息5 赵中军 男 27 本科 助理工程师 技术员 信息统计6 肖 彭 男 25 本科 助理工程师 现场工长 方案执行 7王建政男32高中技 师操作工人实施、操作制表人:赵中军 制表时间:2010年3月5日三、选择课题活动初期,小组成员抽查了本工程中先期施工的部分混凝土构件,统计了观感质量差的构件数量。
序号构件名称抽查构件数量问题构件数量问题百分率1 梁130 12 9.2%2 板50 4 8%3 柱(h≤6m)110 10 9.1%4 柱(h>6m)50 14 28%制表人:赵中军制表时间:2010年3月5日由上表可以明显看出,已施工的混凝土构件中,当柱高度大于6m时,出现观感质量问题的百分率急剧增高,将严重影响工程的整体质量。
降低10kV 配电网线路损耗郓城县供电公司发展策划部QC 小组一、小组概况 1、小组介绍制表:王猛 2011.3 2、活动概况制表:张帅 2011.3二、选题理由理由一:国家节能政策要求节能是国家目前一项十分重要的基本国策。
作为电力企业来说,节能管理主要是降损。
降低输变电线路及售电过程中的电能损耗是供电企业节能工作的重点内容。
理由二:全年经济技术指标要求2011年与市公司签订的业绩考核责任书中要求高低压综合线损率2011年完成5.85%以下,比2010年考核指标下降0.15个百分点。
为保证2011年全年指标能够顺利完成,要求降低各电压等级线损。
6.005.955.905.855.805.75制图:吴玮 2011.03理由三:10kV 线损在各电压等级线损中所占比重最大2010年全年线损电量比重中,10kV 线损所占比重达到46.24%,在各电压等级线损电量中所占比例是最大的。
因此降损工作的重点是10kV 线损管理。
2010年各电压等级线损电量所占比重统计32.88%15.63%制图:王猛 2011.03理由四:供电企业经济效益的需要线损作为供电企业最重要的经济技术指标之一。
它和供电企业的经济效益息息相关,密不可分。
降低线损就等于直接提高供电企业的经济效益。
因而选择降低10kV 配电网线路损耗作为课题,这是十分重要的原因。
理由五:提高管理水平的要求国家电网公司和省集团公司在县级供电企业之间开展同业对标、创建一流企业等工作,这就要求各县级供电企业努力提高综合实力和管理水平。
而10kV 线损管理是县级供电企业各项管理工作中的一项重点内容。
因而选择降低10kV 配电网线路损耗,提高管理水平作为课题研究的主要内容。
基于以上五条理由,我们最后选定本次QC 活动的课题为:降低10kV 配电网线路损耗。
三、现状调查 1、现状调查一:郓城县处于经济欠发达地区,基础设施相对薄弱,经济发展相对滞后于全省水平。
目前公司拥有23个供电所、所辖10kV 线路138条,共计2107公里,10kV 配变5000余台。
论文与综述Q C 小组活动G提高造纸法再造烟叶成品出柜合格率卓治非,叶文新(福建金闽再造烟叶发展有限公司,福建罗源350600)[摘㊀要]㊀本研究通过对影响造纸法再造烟叶成品出柜合格率的原因进行分析,确定影响造纸法再造烟叶成品出柜合格率症结为出柜水分合格率,进而对症结 出柜水分合格率 进行要因分析,确定要因为环境湿度变化.通过烘片后水分与进柜水分仪连锁控制,实现成品出柜合格率94.58%,较改造前提升8.98%.[关键词]㊀再造烟叶;成品出柜合格率;水分收稿日期:2020-05-07作者简介:卓治非,男,工程师,主要从事造纸法再造烟叶研究.㊀㊀目前,国内造纸法再造烟叶生产工艺是烟梗㊁烟末提取,提取后固液分离,固体部分制浆后抄造成片基,液体部分浓缩后回涂到片基上,回填的片基经干燥㊁切片及烘片后成为成品[1].再造烟叶成品出柜主要检测水分㊁连片粘连率㊁含末率㊁白片率等,其合格率直接影响产品一次合格率.本研究成立Q C 小组,通过现状调查㊁原因分析㊁要因确认㊁对策实施等过程,提高造纸法再造烟叶成品出柜合格率.1㊀选题理由㊀㊀成品出柜合格率直接影响产品一次合格率,是表征产品质量的重要指标.小组成员调查了技改调试期间各牌号出柜合格率,成品出柜合格率偏低,平均为85.8%.因此,提高成品出柜合格率势在必行.2㊀现状调查2.1㊀调查一:成品出柜合格率小组成员对技改调试期间成品出柜合格率进行统计,所得结果如图1.由图1可知,成品出柜合格率最低79%,最高86.5%,平均85.6%,均低于技改前实现值94.92%.2.2㊀调查二:成品出柜合格率偏低的原因导致成品出柜不合格主要原因包括出柜水分㊁图1㊀成品出柜合格率表1㊀成品出柜不合格情况统计表项目频数/次累计频数/次累计百分比/%出柜水分434386连片粘连率34692含末率24896白片率14998其他150100图2㊀成品出柜不合格频数分布情况连片粘连率㊁含末率㊁白片率等.小组成员对成品出柜50次的不合格进行统计分析,所得结果如表1㊁图2.由图2可知,出柜水分引起成品出柜合格率5偏低的比例高达86%,因此可判断引起成品出柜合格率偏低的主要症结为成品出柜水分不合格.2.3㊀调查三:产品出柜水分合格率低小组成员对技改调试期间5组出柜水分合格率进行统计,每组收集三天数据,所得结果如图3.由图3可知,产品出柜水分合格率偏低,均值为87.2%,较技改前下降8.1%.图3㊀产品出柜水分合格率2.4㊀调查四:目标设定的依据分析表2㊀技改前各月产品出柜合格率月份合格率/%1月99.532月97.843月94.444月90.465月95.087月93.909月98.5410月95.92平均值94.92图4㊀技改前各月产品出柜合格率㊀㊀小组成员对技改前产品出柜合格率实现情况进行统计分析,所得结果如表2㊁图4.由图可知,技改前各月生产过程出柜合格率均可实现ȡ90%.3㊀设定目标㊀㊀根据调查研究结果,技改前各月生产过程出柜合格率均可实现ȡ90%.小组成员有信心将产品出柜合格率提升至ȡ90%.因此项目组成员一致确定课题目标为产品出柜合格率ȡ90%.4㊀原因分析㊀㊀小组成员根据再造烟叶烘干的工艺流程及主要症结,运用头脑风暴法对影响产品出柜水分的末端因素进行分析,并绘制出关联图,如图5.小组分析出影响产品出柜水分合格率的7个末端因素分别是:操作人员业务水平不足;水分仪未校准;水分控制活板不正常;来料水分波动大;烘筒工艺参数设定不合理;环境湿度变化;检测方法不准确.5㊀要因确认㊀㊀小组成员对7个末端因素进行验证,所得结果如表3.对烘干工序操作人员进行理论与实操摸底考试,理论成绩与实操成绩均ȡ85分以上,因此操作人员不存在操作不熟练问题.跟踪烘筒后控制活板运行情况,不符合设定要求水分时,活板自动开启,响应时间约5s ,符合程序设定时间.查看水分仪校准记录,水分仪有按照«仪器仪表校准规范»要求进行校准.跟踪烘筒前来料水分,均控制在工艺指标范围内,不存在明显的波动.对烘筒工艺参数进行正交试验,所得最佳工艺参数与工艺质量指标单相一致,烘筒工艺参数设定合理.对烘片区域环境湿度进行跟踪,湿度受外界天气影响,在48%~71%范围波动,且湿度对产品水分影响较大.对出柜在线水分仪检测水分值与经典烘箱法检测值进行比对,偏差在ʃ0.1%内,符合要求.综上所述,环境湿度变化为要因,其余均为非要因.6图5㊀末端因素分析关联图表3㊀要因确认统计表序号末端因素确认内容确认方法确认标准或依据结论1操作人员业务水平不足1.烘筒操作员培训情况2.烘筒操作人员对产品水分手感判断情况1.理论考试2.实操考试1.«作业指导书»内容2.工序工艺卡非要因2水分控制活板不正常水分控制活板运行情况现场试验1.工序工艺卡:出烘片机水分不符合工艺要求时,控制活板自动开启,不符合要求的产品自动接出2.程序设定:响应时间为5s非要因3水分仪未校准水分仪校准情况抽查水分仪校准记录表«仪器仪表校准规范»非要因4来料水分波动大1.来料水分稳定性情况2.来料水分对成品水分的影响进烘筒前水分曲线图㊁来料水分对烘筒后水分的影响工艺质量指标单中分切后水分及烘筒后水分要求非要因5烘筒工艺参数设定不合理烘筒工艺参数设定是否合理现场试验跟踪工艺质量指标单中薄板温度及热风温度要求非要因6环境湿度变化1.烘筒环境湿度变化情况2.贮片房湿度变化情况3.湿度对产品水分的影响1.烘筒环境湿度跟踪2.贮片房环境湿度跟踪3.湿度对产品水分影响试验工艺质量指标单中贮片房湿度要求;湿度对成品水分的影响要因7检测方法不准确检测方法是否准确试验验证经典烘干法非要因76㊀对策实施及效果验证6.1㊀烘片后水分与进柜水分仪连锁控制通过进柜水分仪数据修正烘片后水分仪数据,实现烘片后水分与进柜水分仪连锁控制.6.2㊀目标完成情况对比改造前后出柜合格率,如图6.由图可知,成品出柜合格率达到94.58%,较改造前提升8.98%.图6㊀改进前后出柜平均合格率6.3㊀问题症结解决程度检查各措施完成后,小组成员对成品出柜水分合格率进行统计分析,得出以下数据,如图7.结果表明,各项措施完成后,成品出柜水分合格率达到95.5%,较改造前提升8.3%,问题症结得到有效解决.图7㊀改进前后出柜水分合格率7㊀结束语㊀㊀通过此次改造,成品出柜合格率达到94.58%,较改造前提升8.98%.在活动开展过程中,小组成员运用了过程能力分析㊁正交试验等多种工具来分析,解决实际问题,提高了分析问题㊁解决问题的能力.[参㊀考㊀文㊀献][1]㊀吴亦集,沈光林,陶红,等.造纸法再造烟叶原料的加酶萃取[J].烟草化学,2011(7):33G36.Q CG r o u p A c t i v i t yGR a i s e t h eP a s sR a t e o f F i n i s h e dT o b a c c oL e a v e s b y t h eP a p e rGm a k i n g M e t h o dZ H U OZ h iGf e i,Y E W e nGx i n(F u j i a nJ i n m i nR e c o n s t i t u t e dT o b a c c oD e v e l o p m e n tC O.L T D,L u o y u a n350600,C h i n a)A b s t r a c t:I n t h i s s t u d y,b y a n a l y z i n g t h e r e a s o n s t h a t a f f e c t t h e q u a l i f i e dr a t eo f t h e f i n i s h e d p a p e rGm a d e r e m a n u f a c t u r e d t o b a c c o l e a v e s,w ed e t e r m i n e dt h a t t h ec r u xo f t h e q u a l i f i e dr a t eo f t h ef i n i s h e d p a p e rGm a d e r e m a n u f a c t u r e d t o b a c c o l e a v e sw a s t h e o u tGo fGb o xm o i s t u r e q u a l i f i e d r a t e,a n d t h e n t h em a i n r e a s o n f o r t h e c r u xo f t h e o u tGo fGb o xm o i s t u r e q u a l i f i e d r a t e T h e a n a l y s i s d e t e r m i n e d t h a t i tw a s d u e t o c h a n g e s i ne n v i r o n m e n t a l h u m i d i t y.T h r o u g h t h e i n t e r l o c k i n g c o n t r o l o f t h em o i s t u r e a f t e r b a k i n g a n d t h em o i s t u r e m e t e r i n t h e c a b i n e t,t h e q u a l i f i e d r a t e o f f i n i s h e d p r o d u c t s o u t o f t h e c a b i n e t i s94.58%,w h i c h i s8.98%h i g h e r t h a n t h a t b e f o r e t h e t r a n s f o r m a t i o n.K e y w o r d s。
* *大学本科毕业论文题目:QC小组活动的应用及发展对策姓名:****专业: **** 学院: **** 学号: **** 指导教师: **** 职称: ****2019年04月10日***本科毕业论文(设计)诚信声明本人郑重声明:所呈交的毕业论文(设计),题目《QC小组活动的应用及发展对策》是本人在指导教师的指导下,独立进行研究工作所取得的成果。
对本文的研究做出重要贡献的个人和集体,均已在文中以明确方式注明。
除此之外,本论文不包含任何其他个人或集体已经发表或撰写过的作品成果。
本人完全意识到本声明的法律结果。
毕业论文(设计)作者签名:***日期:2019年04月10日任务书学生姓名:*** 学院:***学院指导教师:*** 专业年级:*****一、论文题目:QC小组活动的应用及发展对策二、基本内容和要求:◆结合自己知识背景和兴趣,确定写作质量管理方面,加工制造行业QC小组活动的应用及发展对策。
◆文献检索、阅读(近3-5年的资料,图书馆、资料室、电子期刊、学术期刊等)。
◆进一步深化论文写作方向,确定论文题目。
◆根据写作提纲进一步搜集、整理、分析资料,撰写完整的论文初稿。
◆论文基本结构:绪论(提出QCC定义、活动方法、步聚,结合加工制造企业开展此活动的各步聚出现的问题描述、现有方法、不足之处),以相关理论基础,提出解决对策(结合实际体会及经验,说明理论方法各步聚注意事项及进一步发展对策)供大家进行QC活动时借鉴。
三、参考资料或原始数据(略)四、指定参考文献:◆参考文献至少10篇(书籍不超过2部),至少2篇英文文献。
◆翻译:文献与论文选题领域相关,最好为近3年发表的,最好为参考文献中任意一篇英文文献的部分内容,中文3000字左右。
五、指导教师签字:年月日六、审核者(学院领导或论文指导小组组长)签字:年月日目录一、 QC小组活动简介 (1)二、 QC小组活动实施的目的、好处、程序及步骤 (2)三、 QC小组活动的类型 (3)四、 QC小组活动的宗旨思想和作用 (4)五、 QC小组活动推进的常用工具及方法 (5)六、 QC小组活动推进的基本步聚及应用要点 (7)七、目前加工制造业QC小组活动存在的主要问题及发展对策 (10)QC小组活动的应用及发展对策——加工制造业***专业学号:****************指导教师:****【内容摘要】随着经济全球化的迅猛发展,国际竞争日益激烈,人们生活水平的逐步改善提高,人们的品质要求及期望不断提高,加工制造企业的产品质量,客户满意度必须不断的提升。
浅谈QC小组活动与企业质量管理创新姓名:崔万海单位:云南省第二建筑工程公司十一直管部
摘要:本文介绍了在工程施工中扎实开展QC小组活动的收获、经验,认为成功的QC小组活动是企业质量管理创新的基础,并重点阐述了QC小组活动是怎样促进企业质量管理创新的。
关键词:QC活动质量管理创新学习型企业文化
质量管理(QC)小组活动是推行全面质量一体化管理非常重要的一种组织形式和活动。
通过本人在工程施工的实践证明,扎实开展QC小组活动,推进企业质量管理创新,是企业质量进步的必由之路。
一、推进QC小组活动的收获和经验
1.一分耕耘,一分收获
我司坚持开展QC小组活动已经有几年了,取得了较好的成果,也造就了一批优秀的质量管理人才,为公司积累丰富的施工经验及树立品牌质量做出了较大的贡献,推动了公司质量管理体系的建立。
目前,重视QC小组活动的趋势有增无减,几年来,我们直管部的每一个项目经理部也都相继成立了QC活动小组。
在工程项目管理活动中,QC小组活动的作用也是明显的。
宜良县2012年保障房建设项目(二期),我们在住宅楼施工过程中,针对重要分项工程成立QC小组,结合PDCA循环,利用质量管理工具开展
多项QC活动,克服和预防质量通病,研讨最优施工工法。
如针对新型墙体材料容易渗水,成立外墙防渗漏QC小组;在昭通市昭阳区2012年保障性住房建设项目施工过程中,我们针对铝模板和爬架新技术的推广及应用成立了铝模板和爬架技术型QC小组,通过QC小组活动、调查、分析、采取措施,攻克了施工难点,提升了质量水准,保证施工全过程的安全及质量优良,取得了良好的施工效果。
QC小组活动还能够促进企业降低成本、减少浪费,创造良好的经济效益。
许多工程,因为QC小组活动开展得比较好,在保修期内几乎没有出现投诉,大大减少了维修费用,顺利向建设单位收回保修金。
2.总结经验,夯实质量管理基础
(1)遵守质量管理八大原则,树立质量品牌意识
随着经济技术的不断创新及蓬勃发展,随来越多的建筑企业进入了建筑市场领域,无论是国有企业还是民营企业,都面临着同一个问题——谁会得到认可。
企业面对的是竞争对手和合作伙伴,每个对手和伙伴都在追求质量,谁是赢家?“全面质量”的领先者才是真正的赢家。
所以,必须尽快掌握“全面质量”新概念,遵守ISO9001:2000质量管理八大原则,铸造起坚固的“质量价值链”,形成竞争基础。
质量管理八大原则是“以顾客为中心,领导作用,全员参与,过程控制,系统管理,持续改进,以事实为决策依据,互利的供方关系”。
(2)广泛开展QC小组活动的培训教育
建筑产品,它不同于其它产品,其本身具有项目的单件复杂性,
管理过程的一次性,施工队伍的流动性,生产周期的长期性及施工环境的复杂性。
因此,动态的、新的队伍需要提供新的、持续的培训,无形中增加了成本。
这在建筑成本控制越来越严的市场经济条件下,流动和松散的缺少培训的工人队伍还没有得到有效的管理的今天,给推进QC小组活动增添了不少困难。
前几年从事QC小组活动,我们直管部主要是在管理人员中推动进行,下一步我们的目标是协同班组工人一起进行活动。
这就需要抓好质量教育和培训工作。
我们计划通过生动的讲课和案例演示启发包括工人在内的质量意识,同时通过岗位技能培训、考核、奖励等方式,规范操作工艺,保证QC小组活动的有效开展。
落实年度培训计划,及时组织学习相关知识。
接下来,我们计划一个项目经理部每月至少组织一次培训,每一个季度至少组织一次系统的培训,培训学习前,由技术质量组提出合理的培训方案,做到有准备、有计划、有目的,将项目的QC培训费用纳入项目管理成本,使QC小组活动有经济保障。
同时,加紧对操作工人进行职业技能教育,完善上岗前培训,提高QC活动的成效。
每一年组织一次工人职业技能比赛,对优秀的职工给予奖励并鼓励其继续学习。
每一个项目经理部之间的QC小组经常组织交流讨论,互相学习进步,不断提高自己的质量意识及质量管理工作。
通过某种渠道聘请公司及集团内部优秀的QC小组活动诊断师对直管部的QC小组进行讲演,使知识及时更新。
(3)结合质量管理体系,形成企业的QC小组活动制度
我们企业已经取得了质量管理体系、环境管理体系、职业安全健康管理体系认证,QC小组活动在此基础上推进,应该是锦上添花,有一个比较完善的平台。
因此我直管部决定顺理成章,借助公司的平台,将QC小组活动制度化,每年根据实际工地情况,指导所有项目经理部制订可行的QC小组活动制度、QC小组活动计划制度、QC小组活动过程考核制度、QC小组活动激励制度。
(4)兑现激励,激发员工的质量管理积极性和创造力通过建立健全激励机制,形成公平竞争的环境,注重发挥示范效应,奖励获得优秀QC成果奖及相关荣誉奖的员工,逐步使全面质量管理迈上新台阶,改变QC活动相对落后的局面。
确保QC小组活动不断发展。
建立健全激励机制是调动广大职工参与和QC小组成员积极性的有力措施,它包括物质和精神两方面的奖励。
QC小组活动创造了价值理所当然的应受到表彰奖励。
许多QC小组活动开展得比较好的单位逐步加大了奖金额度,还做出了优先晋级晋职的规定等,我们要吸取他人丰富的管理经验,极大限度地调动广大职工参与QC小组活动的积极性,而且使这些职工能自觉地投身到各项抓管理、上水平、增效益的质量管理活动中,把参与QC小组活动作为履行自身职责,展示自身价值,体现自身追求和维护自身利益的义务。
二、通过QC小组活动促进企业质量管理创新
1. 将公司优秀的QC成果转化为直管部管理标准、作业指导书和质量法则,提升质量管理水平
将我公司及集团内部历年来优秀的QC成果经过收集、整理、升华,逐步形成我直管部的宝贵财富。
根据各自成果的性质进行分类,属于有独到管理经验的纳入直管部管理标准,属于作业程序、技术指引类的纳入企业作业指导书,属于独到工艺操作规范的(尤其是带工艺参数的)纳入质量法则。
经过历年的积累,我们已经初步形成了直管部管理标准汇编、作业指导书,也开始通过内部评审形成直管部工法,具体数量见下表:
QC成果转化为质量标准数量统计表
同时,优秀的QC成果中的许多技术措施,被应用到投标技术方案中,良好的闪光点能解决许多针对性的实践问题,也无形中促进了直管部承接大量的工程任务,形成了质量管理创新促效益提高、效益提高促QC小组活动的良性循环。
近年来承接的工程任务一年比一年增加,就是最好的体现。
QC成果被纳入直管部质量标准,便是直管部的知识产权和宝贵财富,不随人才流失而消失。
这些就是直管部质量管理创新的具体体现。
2.坚持“细实活新”,重点在“实”和“新”上下功夫
求实创新是QC小组活动持续健康发展的源泉,“实”是“新”的基础,“新”是“实”的动力,QC小组活动首先要求实,然后才去创新。
QC小组活动必须从本项目的实际出发,围绕目标和存在的实际问题,运用科学的理论和方法开展活动,决不能死搬硬套,事后编造,
要做到活动全过程都是实实在在的,记录要真实,材料要详实,成果要扎实,效益要实在,这样才能得到领导的认可和支持。
否则小组活动也就没有开展的必要。
QC小组活动要与企业质量管理体系、环境管理体系、职业安全健康管理体系得运作相结合,这样QC小组活动的开展才能生机勃勃。
求实之余,还要紧跟时代的脉搏,不断创新,不能老一套、旧模式,成果上要体现科技含量、技术进步。
“细”和“活”是QC小组活动主题,对创新构成了铺垫作用。
“细”可以更专注,从而在短期内相对容易激发群众的创造力,产生宝贵的QC成果。
细节决定成败,在工程管理中也是一样的。
现如今,工程项目管理越来越规范,细节上更应该注意。
例如,我直管部曾经通过QC小组活动注重管理过程中落地灰的严格控制,应用收效非常明显,大大减少了材料的浪费,在短期内体会到QC活动成果的价值。
“活”就是灵活,主要包括思维灵活变化,可以不拘一格,激发应变思维,上面所说的QC发布形式的灵活变化也在其中之列。
又例如电梯井防护,防护有很多种做法,如何防护最经济安全就值得我们去思考,为了充分利用资源和节约成本,最佳的途径首先提出防护方案,在实践中我们开展对传统防护进行改造的QC小组活动,使传统的防护安全经济,节约了成本,发挥了效益,体现了“活”的意义。