安全带未系提示电路
- 格式:docx
- 大小:552.70 KB
- 文档页数:25
河南省永城市2025届物理九上期中综合测试模拟试题注意事项:1.答卷前,考生务必将自己的姓名、准考证号填写在答题卡上。
2.回答选择题时,选出每小题答案后,用铅笔把答题卡上对应题目的答案标号涂黑,如需改动,用橡皮擦干净后,再选涂其它答案标号。
回答非选择题时,将答案写在答题卡上,写在本试卷上无效。
3.考试结束后,将本试卷和答题卡一并交回。
一、选择题(每题1.5分,共30题,45分)1.如图,两个铅块磨平并挤压后就能“吸”在一起,下列实例与它原理相同的是A.用胶水把两张纸粘在一起B.磁铁吸引铁块C.穿着化纤的衣服在操场上跑步后容易“粘”上灰尘D.炒菜时闻到香味2.为保证司乘人员的安全,轿车上设有安全带未系提示系统.当乘客坐在座椅上时,座椅下的开关S1闭合,若未系安全带,则开关S2断开,仪表盘上的指示灯亮起;若系上安全带,则开关S2闭合,指示灯熄灭.下列设计最合理的电路图是()A.B.C.D.3.估测在实际生活中的应用十分广泛,下列所估测的数据中最接近实际的是()A.一个鸡蛋的质量约为500gB.普通家庭房间门的高度一般大于3mC.教室中使用的普通日光灯管的长度约为2mD.完整播放一遍中华人民共和国国歌所需的时间约为50s4.在如图所示的各电路中,开关S闭合后,小灯泡L1、L2都能发光的是A.B.C.D.5.选取一根自动铅笔芯,连接如图所示的电路.铅笔芯一端的夹子固定,移动另一端的夹子.通过观察小灯泡的亮度来反映电流的变化的方法称作()A.控制变量法B.替代法C.转换法D.放大法6.如图是一个电子门铃,当两个导线夹子相接触时,电子门铃有音乐声,小明利用它检测以下物品是否导电,将下列物品分别接入两夹子之间,能使门铃发出音乐声的是A.塑料尺B.干报纸C.石墨D.橡皮7.利用如图所示的电路探究影响电阻大小的因素,则说法中正确的是A.该实验运用了转换法和控制变量法B.利用该电路只能探究电阻与长度的关系C.将电流表换成小灯泡,实验效果会更明显D.用电流表示数反映电阻大小,说明电阻大小与电流有关8.有一人用一滑轮组分别将1 000 N和2 000 N的物体匀速提高相同的高度,动滑轮重200 N,绳重及摩擦都不计,则在上述两种情况中A.人做的额外功相等B.滑轮组的机械效率相等C.人做的总功相等D.人做功的功率相等9.某学生用两个相同的热源分别对质量为m1,比热为c1的甲物质和质量为m1、比热为c1的乙物质加热,并根据实验测得的数据分别画出甲、乙两物质的温度随加热时间变化的图线,如图所示.根据图线情况,作出如下推断,其中错误的是A.若m1=m1,则c1<c1;B.若m1<m1,则c1>c1;C.若c1=c1,则m1<m1;D.若c1>c1,则m1<m1.10.如图是第30届潍坊国际风筝会吉祥物﹣﹣“绿色花蛇”,它在竖直放置的平面镜中的像是下图中的哪一个()A.B.C.D.11.关于温度、热量、内能和比热容,下列说法正确的是A.温度高的物体,内能大B.物体温度升高,可能是吸收了热量C.水和食用油升高相同的温度,水吸收的热量多D.比热容是物质的一种属性,只与物质的种类有关12.一杯香浓的豆浆可以让我们早上有一个精力充沛的开始.电动豆浆机在工作过程中,转动的叶轮将豆子打磨研碎,加热体将豆浆加热至煮熟.下面说法中正确的是A.通电后叶轮转动,电动机将机械能转化为电能B.从开始加热到豆浆煮熟的过程中,豆浆的内能不变C.煮好的豆浆香气四溢的原因是分子在不停地做无规则运动D.喝刚刚煮好的豆浆时,在它表面吹气可以加快豆浆的升华,使它凉得快些13.对下列常见现象的解释,正确的是A.热胀冷缩,是因为分子的大小随温度的变化而变化B.破镜难圆,是因为分子间有斥力C.花香四溢,是因为分子在不停地做无规则运动D.尘土飞扬,是因为分子在不停地做无规则运动14.在1个标准大气压下,把一小块正在熔化的冰放进一大桶0℃的水中,经过一段时间后A.冰和水的质量都不变B.冰全部熔化成水C.有少量水凝固成冰D.有少量冰熔化成水15.以下几组材料或物品中,通常情况下都是绝缘体的是()A.橡胶、玻璃、空气B.玻璃、大地、干木材C.人体、塑料、石墨D.食盐水溶液、铁丝、水16.高空抛物现象被称为“悬在城市上空的痛”,是一种不文明的行为,而且会带来很大的社会危害,因为高处的物体具有较大的()A.弹性势能B.重力势能C.质量D.重力17.下列关于电压的说法不正确的是()A.电压是形成电流的原因B.电路两端有电压,则电路中一定有电流C.电源是提供电压的装置D.电路中有电流,则电路两端一定有电压18.如图所示电路中,当开关S1、S2均闭合后,则A.1L、2L都能发光B.1L、2L都不能发光C.l L能发光,2L不能发光D.l L不能发光,2L能发光19.甲铜块的质量是乙铜块质量的2倍,若两铜块吸收相同热量,则甲、乙两铜块升高温度之比是A.1:2 B.2:1 C.1:4 D.1:120.如图所示的电路先闭合S1、S2,两灯均正常发光,断开S2后,下列说法正确的是()A.电压表示数变小,电流表示数变大B.电压表示数不变,电流表示数变小C.电压表示数不变,电流表示数不变D.电压表示数变大,电流表示数变小21.小华想用滑动变阻器控制小灯泡的亮度,设计了如图所示的4种电路,其中正确的是()A.②③B.③④C.①③D.①②22.如图所示,将同一密度计分别放入a、b两种液体中,下列说法中正确的是()A.a液体的密度较大B.b液体的密度较大C.密度计在a液体中受到的浮力较大D.密度计在b液体中受到的浮力较大23.固体、液体很难被压缩的原因是A.分子之间有空隙B.分子在不停地运动着C.分子之间有引力D.分子之间有斥力24.如图所示的电路,“〇”内的1、2、3 可能是电流表,也可能是电压表,当开关S 闭合后,两灯都亮,且三个电表都有正常示数,那么下列判断正确的是A.①、③是电流表,②是电压表B.①是电压表,②、③是电流表C.①、②是电流表,③是电压表D.①、②是电压表,③是电流表25.导线接头处往往容易发热的主要原因是A.接触处电阻小电流变大,相同时间产热多B.接触处电阻大电流变小,相同时间产热多C.接触处电阻大电流相同,相同时间产热多D.以上说法都不对26.如图是汽车、摩托车油量表原理示意图,R0是定值电阻,R是滑动变阻器,则()A.电流表的示数越大,油箱里的油量越多B.电压表的示数越大,油箱里的油量越少C.该装置中可以用电流表表盘改装成油量表D.该装置中只能用电压表表盘改装成油量表27.如图所示,在一个配有活塞的厚玻璃筒内放一小团硝化棉,迅速下压活塞,硝化棉燃烧.下列说法正确的是()A.迅速向上抽活塞,硝化棉也能燃烧B.此实验只通过热传递改变筒内空气的内能C.下压活塞的过程,空气的内能转化为活塞的机械能D.硝化棉燃烧,是因为玻璃筒内空气的温度升高,内能增大28.如图所示,甲、乙是两个用绝缘丝线悬挂的轻质小球,让乙球靠近甲球,在下列几种情况中,两球互相排斥的是A.甲球带正电,乙球带负电B.甲球带正电,乙球不带电C.甲球不带电,乙球带负电D.甲乙两球都带负电29.小明设计了一种停车位是否被占用的模拟提醒装置:用指示灯L发光的亮和暗分别表示车位被占用和未被占用,车位被占用时控制开关S闭合,下列能实现此功能的电路是()A.B.C.D.30.在如图所示电路中,电源电压不变,当滑动变阻器的滑片P由中点向右端移动时,下列说法正确的是()A.电流表的示数变小B.电压表的示数变小C.灯泡消耗的功率变大D.电路消耗的总功率减小二、填空题(每空1分,共10题,20分)31.如图所示,电压U=8V,定值电阻R0=2Ω,R是滑动变阻器,其电阻调节范围是0Ω≤R≤8Ω,则R0上消耗的电功率最小值是____W,最大值是____W。
2021-2022学年人教版物理九年级进阶训练第十五章第3节串联和并联一、单选题1.小强把台灯的插头插在如图所示的插座上,插座上有一个开关S1和一个指示灯L1(相当于电阻很大的灯泡)。
台灯开关和灯泡用S2、L2表示。
当只闭合S2时,台灯不发光,当闭合S1时,指示灯发光,再闭合S2时,台灯发光;如果指示灯损坏,S1和S2时都闭合,台灯也能发光,图中设计的电路符合要求的是()A.B.CD.2.下列说法中错误的是()A.电冰箱的压缩机跟冰箱内的照明灯泡之间是并联的B.夜晚成千只点亮的灯泡映出高大建筑物的轮廓,这些灯泡都是并联的C.一条大街上的路灯总是同时亮,同时灭,它们一定都是串联的D.一电路中的两盏灯原本都发光,其中一盏灯的灯丝断后,另一盏灯也无法点亮,这两盏灯一定是串联的3.新冠病毒疫情防控期间,为了严格控制区分外来车辆出入小区,很多小区装备了门禁系统,内部车辆可以被自动识别,横杆启动;外部车辆不能被识别,需要门卫人员按动按钮才能将门打开。
若将门禁系统看作一个自动开关,按钮看作一个手动开关,其内部电路最接近下图中的()A.B.C.D.4.将两只灯泡分别接在甲、乙两个电路中,比较串、并联电路的特点.以下实验现象不可能的是()A.在甲电路中,当L1和L2都发光时,取下L1后,L2会熄灭B.在甲电路中,将电池的正、负两极调换,开关闭合后,L1和L2仍亮C.在乙电路中,当L1和L2都发光时,取下L1后,L2不会熄灭D.在乙电路中,将电池的正、负极调换,开关闭合后,只有一只灯泡亮5.关于如图所示电路的判断,正确的是()A.闭合2S,断开1S、3S,灯1L、2L并联B.闭合1S、3S,断开2S,灯1L、2L串联C.闭合2S、3S,断开1S,只有灯1L亮D.闭合1S、2S,断开3S,只有灯1L亮6.抽油烟机装有照明灯和排气扇。
使用中,有时需要它们单独工作,有时需要它们同时工作,如图所示的四个电路中,你认为符合上述要求的是()7.某同学在洗浴时发现卫生间的排气扇、照明灯L1和采暖灯L2都可以单独工作,下列电路图中符合要求的是()8.2020年4月,“一盔一带”安全守护行动在全国各地开展。
专题20 电学之电路故障分析一、选择题1.(2014·赤峰)如图所示电路中,电源电压保持不变,闭合开关S,电路正常工作.过了一会儿,灯L熄灭,有一个电表示数变小,另一个电表示数变大.则下列判断正确的是()A.电阻R断路B.电阻R短路C.灯L断路D.灯L短路2.(2014·揭阳)下图中的电路图和实物图相对应的是()3.(2014·铁岭)对下列现象及其解释正确的是()A.教室里的日光灯同时亮、同时灭,是因为各个灯之间是串联的B.遥控器能实现对电视机的遥控,是因为遥控器能发出紫外线C.厨房里的抽油烟机能把油烟吸走,是利用了浮力D.打开醋瓶能闻到酸味是因为分子在不停地做无规则运动4.(2014·抚顺)如图,当开关S闭合后,灯泡L1,L2都发光,两个电表都有示数,工作一段时间后,突然灯泡L2熄灭,L1仍然发光,两个电表都无示数,该电路可能出现的故障是()A.电流表断路B.L2断路C.电压表短路D.L2短路5.(2014·鞍山)如图所示电路,下列分析正确的是:A.只闭合S1时,L2发光、L1不发光,A2测L2电流B.只闭合S2时,L1发光、L2不发光,A1测L1电流C.闭合S1、S2时,L1、L2并联,A2测L2电流D.闭合S1、S2时,L1、L2串联,A1、A2示数相等6.(2014·锦州)如图所示的电路中,电源两端的电压保持不变,当开关S闭合后,灯L不发光,电压表指针有明显偏转.若电路中只有一处故障,对于此电路可能故障的判断,下列说法中不正确的是()A.灯L短路B.灯L断路C.滑动变阻器R2断路D.定值电阻R1断路7.(2014·黔西南州)如图所示电路图中,闭合开关S后灯泡L1、L2不亮电压表无示数,用一导线分别接在灯L1、L2开关S两端,发现接到L2两端时L1亮,其故障是()A、L1断路B、L2断路C、L1短路D、L2短路8.(2014·兰州)在如图所示的电路中,电源电压保持不变,灯泡或中有一个发生了短路故障。
中考物理电学专题复习(四)电路设计问题学校:___________姓名:___________班级:___________考号:___________一、单选题1.如图所示是某品牌榨汁机。
为保障安全,该榨汁机设置了双重开关——电源开关和安全开关。
当杯体倒扣在主机上时,自动闭合,此时再闭合,电动机才能启动,开始榨汁。
下列电路图中符合上述要求的是( )A.B.C.D.2.如图所示是某种USB键盘清洁器,它有两个开关,开关S1只控制照明用的小灯泡L,开关S2只控制吸尘用的电动机。
在选项所示四个电路图中符合上述设计要求的是( )A.B.C.D.3.小飞同学在物理活动课上设计了一种可以在地下车库使用的电路,帮助司机得知远处的停车位是否被占用。
用指示灯L亮和不亮分别表示车位上无车和有车,若有车停入该车位时控制开关S闭合。
下列能实现此功能的电路是( )A.B.C.D.4.火车某节车厢有两间洗手间,每扇门的插销都相当于一个开关,只有当两间洗手间的门都关上时,车厢中的指示灯才会发光提示旅客“洗手间有人”。
能实现上述设计的电路图是图中的( )A.B.C.D.5.市政府为有效控制新冠疫情,在政务大厅等地安装了口罩自动售卖机,购买时既可以扫描“微信支付”(相当于闭合“开关S1”),也可以扫描“支付宝”(相当于闭合“开关S2”),获取口罩。
光线较暗时“光控开关S3”会自动闭合,接通灯泡提供照明。
以下简化电路符合要求的是( )A.B.C.D.6.为持续巩固全国文明城市创建成果,有效减少交通违法行为,偃师区交警大队加大了对电动车交通违法行为管理力度,骑电动自行车也要求带头盔。
学生发明了一款智能头盔,只有戴上头盔扣上卡扣后,头盔上的信号发射器才能发出信号,当电动车上的信号接收器(S1)接收到信号,再转动电动车钥匙(S2),车才能正常启动,下列电路符合要求的是( )A.B.C.D.7.保密局的档管室有把指纹锁(相当于2个开关),只有当两个负责人同时到场开锁,门才能打开,图中符合要求的电路是( )A.B.C.D.8.常用家庭智能指纹锁是通过密码开关S1或指纹开关S2来解锁的,若其中任一方式解锁失败后,锁定开关S3会断开而暂停指纹锁解锁功能,S3将在一段时间后自动闭合而恢复解锁功能。
一、选择题1.如图所示,小明用与丝绸摩擦过的玻璃棒接触不带电的验电器的金属球,观察到验电器的金属箔片张开。
下列说法正确的是( )A .用丝绸摩擦过的玻璃棒得到电子带上负电B .金属箔片张开是由于两金属箔片带正电荷而互相排斥C .金属箔片张开的瞬间,玻璃棒上的正电荷移动到金属箔片上D .金属箔片张开的瞬间,产生的电流方向是从金属箔片流向玻璃棒2.关于生活中的一些电路连接,下列判断不正确的是( )A .教室里的日光灯与控制它的开关是串联的B .道路两旁的路灯,晚上同时亮,早上同时灭,但它们还是并联的C .家里的电视与电饭煲在使用时互不影响,所以它们是并联的D .只有在光线不足且有人走动发出声音时,居民楼楼道里的自动控制灯才会发光,故使用的声控开关和光控开关有可能是并联的3.如图所示电路,探究并联电路中电流的关系。
1L 与2L 是两个不同规格的小灯泡,闭合开关后,用电流表测得通过a 、b 、c 、d 四处电流的大小分别为a I 、b I 、c I 、d I 。
则电流大小关系正确的是( )A .a b I I =B .a c I I =C .b c I I =D .a d I I = 4.如图所示是自制的水果电池,插入橙子中的两个薄片可以是( )A .两个都是铜片B .两个都是铁片C .一个铜片,一个塑料片D .一个铜片,一个铁片5.下列说法正确的是( )A .橡胶棒不易导电,因为它缺少电荷B .铜导线导电过程中,自由电子定向移动的方向不是电流的方向C .三个轻质小球靠近后如图甲所示,则a 、b 一定带同种电荷,b 、c 一定带异种电荷D .如图乙所示,将带正电的玻璃棒接触验电器的金属球,正电荷会从玻璃棒传递到金属箔6.如图所示电路,电源电压恒定,各元件位置不变。
下列说法正确的是( )A .只闭合开关S 时,灯L 1与L 2串联,电流表A 1可测出通过灯L 1的电流B .只闭合开关S 时,只有灯L 1工作,电压表无示数C .闭合开关S 、S 1时,电压表能测出L 2两端电压,不能测出L 1两端电压D .闭合开关S 、S 1时,若灯L 2短路,灯L 1仍然能继续工作7.如图电路中两个小灯泡阻值不相等。
教科版九年级物理(上册)期末试题(附参考答案)(时间:60分钟分数:100分)班级:姓名:分数:一、选择题(每题2分,共30分)1、甲、乙两个小灯泡上分别标有“6V 3W”和“4V 2W”字样,现在把它们按不同方式接在不同电路中(不考虑灯丝电阻的变化),下列判断错误的是()A.若把它们并联在4V电路中,乙灯正常发光B.若把它们并联在4V电路中,甲灯比乙灯亮C.若把它们串联在10V电路中,两灯都可以正常发光D.若把它们串联在10V电路中,甲灯比乙灯亮2、如图,图甲是小车甲运动的s-t图像,图乙是小车乙运动的v-t图像,由图像可知()A.甲、乙都由静止开始运动B.甲、乙都以2m/s的速度匀速运动C.甲、乙两车经过5s一定相遇D.甲车速度越来越大, 乙车速度不变3、为保证司乘人员的安全,轿车上设有安全带未系提示系统.当人坐在座椅上时,开关S自动闭合.若未系安全带,则开关断开,仪表盘上的指示灯亮;若系上安全带,则开关闭合,指示灯灭.图中设计最合理的电路图是()A. B.C. D.4、如图所示,R0为定值电阻,R1为滑动变阻器,A1,A2为实验室用电流表(接线柱上标有“﹣”,“0.6”,“3”),闭合开关后,调节滑片P.使两电流表指针所指位置相同.下列说法正确的是()A.电流表A1与A2的示数之比为1:4 B.通过R与R1的电流之比为4:1C.R0与R1两端的电压之比为1:4 D.R与R1的阻值之比为4:15、一个阻值为1 Ω的电阻与一个阻值为5 Ω的电阻并联后,其总电阻()A.大于5 Ω B.大于1 Ω、小于5 ΩC.等于1 Ω D.小于1 Ω6、如图是用刻度尺测长度的实验,所记录的测量结果正确的是()A.5.3cm B.5.25cm C.3.25cm D.3.3cm7、某用电器正常工作时通过的电流大约为4 A,该用电器可能是()A.手机B.节能灯C.遥控器D.电饭锅8、如图所示为一种常用核桃夹,用大小相同的力垂直作用在B点比A点更易夹碎核桃,这说明力的作用效果与()A.力的大小有关 B.力的方向有关 C.力的作用点有关 D.受力面积有关9、如图所示,F1=4N,F2=3N,此时物体A相对于地面静止,物体B以0.1m/s 的速度在物体A表面向左做匀速直线运动(不计弹簧测力计、滑轮和绳子的自重及滑轮和绳子之间的摩擦).下列说法错误的是()A.F2的功率为0.6W B.弹簧测力计读数为9NC.物体A和地面之间有摩擦力 D.如果增大F2,物体A可能向左运动10、关于相互平衡的两个力的说法,不正确的是()A.方向相同B.作用点在同一物体上C.大小相等D.作用在同一直线上11、我国是严重缺水的国家.水资源人均占有量是世界的25%,是世界上人均水资源最贫乏的国家之一.了解地球的水循环知识,提高节水意识,培养良好的用水习惯,是我们每个公民的义务和责任.关于地球的水循环,下列说法正确的是()A.海水吸热,汽化成水蒸气B.水蒸气与冷空气接触,熔化成水滴C.小水滴遇到更冷的气流,凝华成小冰珠D.小冰珠在降落过程,液化成雨水12、某汽车在平直公路上行驶,其s-t图象如图所示,下列描述正确的是()A.0~t1做加速直线运动B.t1~t2做匀速直线运动C.0~t1比t2~t3运动的路程长D.0~t1比t2~t3运动的速度大13、某班同学在“探究凸透镜成像规律”的实验中,记录并绘制了物体到凸透镜的距离u跟像到凸透镜的距离v之间关系的图象,如图所示,下列判断正确的是()A.该凸透镜的焦距是20cmB.当u=15cm时,在光屏上能得到一个缩小的像C.当u=25cm时成放大的像,投影仪就是根据这一原理制成的D.把物体从距凸透镜10cm处移动到30cm处的过程中,像逐渐变小14、未煮过的汤圆沉在水底,煮熟后漂浮在水面上,则此时汤圆( )A .受到的浮力等于重力,排开水的体积比未煮过的小B .受到的浮力大于重力,排开水的体积比未煮过的小C .受到的浮力大于重力,排开水的体积比未煮过的大D .受到的浮力等于重力,排开水的体积比未煮过的大15、甲、乙两物体从同一地点同时向相同方向做直线运动,其s-t 图像如图所示,由图像可知( )A .两物体在0~10s 内都做匀速运动,且v v <甲乙B .两物体在15~20s 内都做匀速运动,且v v <甲乙C .两物体在15 s 相遇,且0~15s 内通过的路程相等D .两物体在20 s 相遇,且0~20s 内通过的路程相等二、填空题(每题2分,共10分)1、一辆行驶的汽车车厢里挂着一个小球.当出现了如图所示的情景时,汽车在做__(选填“加速”、“匀速”或“减速’)运动.此时绳子对球的拉力和球受到的重力__(选填“是”、“不是”或“可能是”)一对平衡力.2、如图甲所示,完全相同的木块A 和B 叠放在水平桌面上,在12N 的水平拉力F1作用下,A 、B 一起作匀速直线运动,此时木块B 所受的摩擦力为______N ;若将A 、B 紧靠着放在水平桌面上,用水平力F2推A 使它们一起匀速运动(如图乙所示),则推力F2=______N 。
一、选择题1.如图所示,用丝绸摩擦过的玻璃棒接触验电器的金属球,金属箔张开。
在这个过程中()A.金属箔上产生了电荷B.玻璃棒带正电,验电器带负电C.金属箔张开是因为同种电荷相互排斥D.金属箔张开瞬间,电流方向是由金属箔到玻璃棒C解析:CABC.丝绸摩擦过的玻璃棒带的电荷是正电荷,玻璃棒去接触验电器的金属球,使金属箔带上正电荷,同种电荷相互排斥,金属箔张开。
故AB错误,C正确;D.当玻璃棒和金属球接触后,金属箔上的自由电子就会转移到玻璃棒上,自由电子定向移动的方向为金属箔到玻璃棒,所以瞬时电流的方向是玻璃棒到金属箔,故D错误。
故选C。
2.两只不同规格的灯泡按如图方式连接,将开关S1和S2闭合,两灯都发光,则()A.两灯泡是串联的B.电流表A2测灯泡L2的电流C.电流表A1的示数比A2的示数大D.将2S打开,两灯都会熄灭C解析:CAB.由图可知,电流从电源正极出来流经S1、A1后分支,一支经L2、S2回负极,另一支经L1、A2回负极。
所以两灯泡是并联的,电流表A2测灯泡L1的电流。
故AB错误,不符合题意;C.电流表A1测干路电流,根据并联电路干路电流等于各支路电流之和可知,电流表A1的示数比A2的示数大,故C正确,符合题意;D.开关S2只控制L2支路,将 S2打开,只是L2熄灭,故D错误,不符合题意。
故选C。
3.如图为自动电压力锅的内部电路图,当自动电压力锅压强过大或温度过高时,发热器都会停止工作。
压强过大时开关K过压自动断开,温度过高时开关K过热自动断开。
下列图中能正确反映自动电压力锅内部电路的是()A.B.C.D. A解析:A当自动电压力锅压强过大或温度过高时,发热器都会停止工作,说明只要有一个开关断开,就停止工作,说明两开关串联,故A选项正确。
故选A。
4.如图所示,电动独轮车是新一代化步工具,它体形小巧、携带方便,而且依靠电力驱动,低碳环保,越来越受到年轻人的喜爱。
某品牌独轮车工作原理:当电源开关S1闭合时指示灯亮起,人站在独轮车上开关S2自动闭合,电动机才能启动,开始运动。
初中物理教育教案5篇初中物理教育教案篇1教学目标:1、知识与技能目标:(1)知道温度表示物体的冷热程度,知道摄氏温度的规定。
(2)了解液体温度计的工作原理,会使用温度计测量温度。
(3)培养学生的动手能力和自学能力。
2、过程与方法目标:(1)培养学生的观察分析、提出问题的能力。
(2)初步培养学生的创造性思维和创造能力。
3、情感态度和价值观目标:(1)培养学生严谨的科学态度及相互协作、友好相处的健康心态。
(2)培养学生爱护环境的意识。
(说明:教学目标的设置充分体现了《物理课程标准》的概念。
在本节教学中,不仅要让学生了解温度计的原理和构造,掌握温度计的正确使用等基本知识和技能,更为重要的是这节课以以上知识为载体来培养学生乐于探索、勇于创新的科学态度及相互协作、友好相处的健康心理,培养学生学习物理的兴趣。
)教学重点:1、以自制演示温度计为器材,通过学生观察、分析、创造,自己得出液体温度计的原理和构造。
2、通过学生自己动手实验,阅读教材,相互讨论,总结出如何正确使用温度计。
教学难点:教学过程中如何逐步培养起后进生自主性学习的意识。
(说明:教学重点、难点的确立重在培养学生动手、自学、观察、分析、创造的能力,及在学习中相互协作、主动参与学习的意识。
)教学方法:观察实验,自学讨论,探究学习。
教学过程:一、引入1、出示幻灯片,学生观察图片学生观察后说说感受,引入课题《温度》二、新授第一节温度学生实验一学生用手触摸热水杯和冷水杯,并说出自己的感觉。
引导学生总结出温度的概念:物理学中把物体的冷热程度叫做温度。
(冷的物体温度低、热的物体温度高)再让少数同学触摸两杯水。
老师:凭感觉判断温度准确吗要想准确的知道物体的温度应该怎么办(一):温度计原理及构造老师:你们知道的有哪些温度计它的构造是什么(说明:培养学生观察、思考、提出问题的能力。
)学生分组讨论,提出问题。
(说明:老师板书学生提出的本节课重点解决的问题;对积极提出问题的学生给予表扬,某些学生可能提出与本节内容不太相符的问题,老师不要置之不理,要给予合理的解释,不要挫伤学生爱思考、爱发言的积极性老师演示自制温度计。
第三章综合测试一、单项选择题(共20小题;共40分)1.在如图所示电路中,正确的是()A.B.C.D.2.电视机的荧光屏表面经常有很多灰尘,其主要原因是()A.荧光屏有吸附灰尘的能力B.屋子里灰尘的自然堆积C.电视机工作时,荧光屏表面温度较高D.电视机工作时,荧光屏表面有静电S闭3.为保障司乘人员的安全,轿车上设有安全带未系提示系统。
当乘客坐在座椅上时,座椅下面的开关1S断开),仪表盘上的指示灯L将亮起;若系上安全带时,安全带控合,若未系安全带(安全带控制开关2S闭合,指示灯L熄灭。
如图所示设计的四个电路图中最合理的是()制开关2A.B.C.D.4.如图所示的电路中,开关S闭合后,两个灯泡属于串联的是()A.B.C .D .5.甲、乙、丙三个轻质小球用绝缘细绳悬挂,如图所示,已知丙带正电,则( )A .甲、乙均带正电B .甲、乙均带负电C .乙带正电,甲一定带负电D .乙带正电,甲可能不带电6.如图所示的电路中,闭合开关后两盏灯都能发光的是( ) A .B .C .D .7.甲、乙两种干燥的绝缘物体,甲的原子核对核外电子的束缚能力较弱。
将它们相互摩擦后分开。
下列叙述中错误的是( ) A .乙得到了电子带负电B .甲失去了电子带正电C .甲、乙靠近会相互吸引D .摩擦产生了电荷,使甲乙带电8.如图所示电路中,要使两灯并联,下列做法正确的是( )A .12S S 、断开,3S 闭合B .12S S 、闭合,3S 断开C .123S S S 、、闭合D .1S 断开,23S S 、闭合9.左边的粒子由右边的例子构成,下列选项中正确描述物质结构的是( ) A .B .C .D .、间应接入下列物品中的()10.如图所示,要使开关S闭合后小灯泡能够发光,在金属夹A BA.橡皮B.钢直尺C.塑料尺D.干燥的小木棍11.如图为一实物电路连接图,同学们画出的与其对应的电路图,其中正确的是()A.B.C.D.、、金属球连接起来12.如图甲所示,验电器A带负电,B不带电。
串联和并联专项练习及答案一、单选题1.为保证司乘人员的安全,轿车上设有安全带未系提示系统.当乘客坐在座椅上时,座椅下的开关S1闭合,若未系安全带,则开关S2断开,仪表盘上的指示灯亮起;若系上安全带,则开关S2闭合,指示灯熄灭.下列设计最合理的电路图是()A. B.C. D.2.如图所示的电路中,下列说法不正确的是()A. 只闭合开关S1,灯L2发光B. 只闭合开关S2,两个灯泡串联C. 开关S1、S2、S3可以都闭合D. 闭合开关S1、S3两个灯泡并联3.为了提高行车的安全性,有的汽车装有日间行车灯,如图所示。
当汽车启动时,S1闭合,日间行车灯L1,立即亮起,再闭合S2,车前大灯L2也亮起。
图所示的电路图中符合这一情况的是()A. B.C. D.二、填空题4如图所示电路中,只闭合S1、S2时,灯L1、L2是______ ,只闭合S3时,灯L1、L2是______ (选填“串联”或“并联”),同时闭合开关______ 会造成电源短路.三、作图题5试根据实物图画出它的电路图,并在图上标出S1、S2、S3、L1、L2。
6根据电路图画出实物图,注意连线不要交叉.7根据图甲所示的电路图,用笔画线代替导线,连接实物电路(要求导线不能交叉)。
请在方框内画出如图所示的实物电路的电路图.答案和解析1.【答案】D【解析】【分析】此题考查串、并联电路的设计。
由题意知,只有坐在座椅上时,指示灯才亮,故S1可控制灯,当开关S2闭合时,灯又不亮了,说明指示灯被S2短路了.对用电器短路时,用电器将不工作设计电路,注意不能出现对电源短路的情况,电阻是保护电源,可使电路对电源不被短路.【解答】A.指示灯与S1串联后与S2并联,乘客坐下时指示灯亮,系上安全带时,指示灯被短路熄灭,但出现电源短路,故A不符合题意;B.两开关并联,无论乘客坐下,还是系上安全带,指示灯都会发光,故B不符合题意;C.两开关串联,只有乘客坐下,系上安全带时指示灯才会发光,故C不符合题意;D.指示灯与S1串联,与S2并联,乘客坐下时指示灯亮,系上安全带时,指示灯被短路熄灭,并且不会出现电源短路,故D符合题意。
一、选择题1.小明在研究并联电路电流特点时,根据如图所示电路图连接好电路,并闭合开关S和S1。
当他再闭合开关S2时,电流表示数变化正确的是(电源电压不变)()A.A1示数变大B.A1示数变小C.A2示数变大D.A2示数变小2.有两只滑动电阻器,分别标有“10Ω1A”和“5Ω2A”的字样,若把它们串联起来使用,则电路中允许通过的最大电流为()A.1A B.2A C.3A D.无法确定3.某种新型防一氧化碳中毒报警器的节能灯工作原理是:当室内一氧化碳浓度超标时,气敏开关自动闭合发出警报声;当需要照明时,闭合开关S照明灯工作。
下列符合该报警节能灯工作要求的电路是()A.B.C.D.4.关于电现象,下列说法中正确的是()A.玻璃棒在丝绸上摩擦后,玻璃棒带负电B.验电器是根据同种电荷互相排斥的原理来工作的C.物理学中规定,正由荷移动的方向为电流的方向D.电池有正、负两个极,电流总是从电池的负极流出,从正极流回电池5.把餐巾纸摩擦过的塑料吸管放在支架上,吸管能在水平面自由转动如图所示,手持带负电的橡胶棒,靠近吸管B端,B端会远离橡胶棒,实验中()A.摩擦时,吸管失去了电子B.与吸管摩擦的餐巾纸一直不带电C.吸管带负电D.吸管不带电6.下列物体通常情况下都属于导体的是()A.汽油和盐水B.铅笔芯和橡皮C.瓷碗和塑料尺D.人体和大地7.如图所示,下列说法正确的是()①只闭合S1时,R1、R2串联②只闭合S3时,R1、R2串联③只闭合S2、S3时,电源短路④只闭合S1、S2时,R1、R2并联A.只有②④正确B.只有①②正确C.只有②③④正确D.只有①②③正确8.下列为小华同学的物理笔记,说法不合理的是()A.物体吸收了热量,内能增加,温度一定升高B.丝绸摩擦玻璃棒的过程中丝绸得到电子C.用水冷却汽车发动机,利用了水比热容大的性质D.使燃料燃烧更充分可提高热机的效率9.用毛皮摩擦过的塑料尺能吸引纸屑,此现象说明()A.物质是由分子组成的B.带电体能吸引轻小物体C.分子是带电的粒子D.分子间存在着吸引力10.下列说法正确的是()A.自由电子定向移动会形成电流B.导体能够导电是因为导体内有大量的自由电子C.规定负电荷定向移动的方向为电流的方向D.摩擦起电的过程中创造了电荷11.为保证司乘人员的安全,轿车上设有安全带未系提示系统。
2021辽宁省中考物理复习专练(沈阳专版)(9)——电路基础一.选择题(共9小题)1.(2019秋•沈河区校级期中)汽车上设置了“安全带指示灯”,提醒驾驶员系好安全带。
当安全带系好时,相当于闭合开关,指示灯不亮;安全带未系时,相当于断开开关,指示灯发光提示,图中符合上述要求的电路图是()A.B.C.D.2.(2018秋•大东区期末)如图甲为某可调亮度的台灯,如图乙为其用于调光的电位器结构图,a、b、c是它的三个接线柱,a、c分别与弧形电阻丝的两端相连,b与金属片相连。
当转动电灯旋钮时,滑片会在弧形电阻丝上同向滑动,即可调节灯泡亮度。
下列分析正确的是()A.若只将b、c接入电路,顺时针转动旋钮时灯泡变暗B.若只将a、b接入电路逆时针转动旋钮时,灯泡变亮C.若只将a、c接入电路,顺时针转动旋钮时灯泡变亮D.若将a、b电路接入同一点,c接入电路的另一点时,旋动旋钮时不能改变灯泡亮度3.(2018秋•沈阳期末)电子体温计由温度传感器、液晶显示器、纽扣电池、专用集成电路及其他电子元器件组成,通过感温头中电流的大小来反映人的体温。
感温头是用半导体材料制成的,这是应用了半导体的()A.良好的绝缘特性B.单向导电特性C.电阻随压力变化而变化的特性D.电阻随温度变化而变化的特性4.(2020秋•铁西区期末)如图所示的电路中,闭合开关S1、S2,电流表、灯泡L1和L2均能正常工作。
则下列说法正确的是()A.开关S1闭合,S2断开,电源外部电流流向为a→b→c→dB.开关S1、S2都闭合,通过灯泡L1的电流一定大于通过灯泡L2的电流C.开关S1、S2都闭合,灯泡L1和L2并联D.闭合S1、S2中任意一个开关,都会有灯泡发光5.(2020秋•沈阳月考)如图所示,取两个相同的不带电的验电器A和B,用丝绸摩擦过的玻璃棒与验电器A的金属球接触后,再用带有绝缘手柄的金属棒把A和B连接起来。
下列说法正确的是()A.与玻璃棒摩擦过的丝绸带正电B.验电器两片金属箔分别带有异种电荷,由于互相排斥而张开C.用金属棒把A和B连接起来后,验电器B由于少电子而带负电D.用金属棒把A和B连接起来后,金属棒中瞬间电流向是从左到右6.(2020秋•大东区期中)如图甲所示,取两个相同的验电器A和B,使A带上负电荷,B不带电,可以看到A的金属箔张开,B的金属箔闭合。
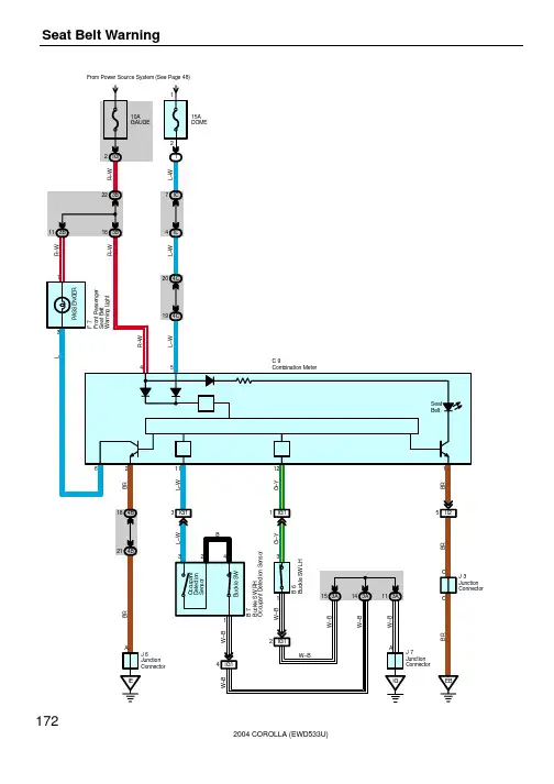
安全带未系提示电路精品管理制度、管理方案、合同、协议、一起学习进步轿车安全带未系提示电路设计学生姓名:学生学号:院(系):年级专业:指导教师:助理指导教师:二O一七年五月摘要当车辆在紧急制动或高速行驶时发生碰撞时,巨大的惯性会使车内乘员与挡风玻璃盘造成对乘员的严重伤害。
安全带能将人约束在座位上,它的缓冲作用会抵消一大部分动能,大量减少乘员的受伤害程度。
因为观点的滞后,很多人都怀着侥幸心理,以为在市内行车,时速不会太高,所以没什么时候能用得着安全带。
其实,当车仅以每小时40公里的速度行驶产生碰撞时,人体前冲的力量就相当于从4层楼上扔下一袋50公斤重的水泥块,其冲力之大可想而知考察数据显示:在一次可能招致死亡的车祸中,使用安全带可使车内人员生还的几率上升60%,发生正面撞车时,系了安全带可降低57%死亡率;侧面撞车时可降低死亡率44%;翻车时可降低死亡率80%。
所以为告诫意识不良或粗心大意的车主(乘客)。
本设计研讨了一种基于单片机技术的安全带未系提醒报警器。
该报警器以AT89C52单片机为控制处理器核心,外接速度传感器、安全带开关,可以提示机动车驾驶人员佩戴安全带安全行驶,同时能有效的抑制在出现剧烈碰撞的交通事故中,造成对人体的二次伤伤害,平时传感器输出低电平,当汽车启动后切未检测到安全带时出低电平变为高电平,此高电平输入单片机,作为单片机的外部触发信号处理,经单片机内部软件程序处理后,单片机输出控制信号,驱动声光报警电路开始报警。
该报警器的最大特点就是使用户能够操作简单、易懂、灵活;且安装方便、智能性高、误报率低。
随着现代人安全意识的增强以及科学技术的快速发展,相信报警器必将在更广阔的的领域得到更深层次的应用。
即为乘员不系安全带发动机不能起动和自动报警灯亮、蜂鸣器响的强制系安全带的系统。
关键词自动报警灯亮,蜂鸣器响,安全带未系提示目录摘要 (I)1 绪论 (1)1.1课题背景 (1)1.2课题要求 (1)1.3安全带未系提示系统组成及工作原理 (1)1.3.1系统组成: (1)1.3.2系统工作原理: (2)2硬件电路设计 (3)2.1电路总体方案 (3)2.2 闪光报警 (4)2.3鸣音报警 (5)2.4单片机概述 (5)2.4.1 STC89C52单片机简介 (5)2.4.2单片机最小系统 (7)2.5复位电路 (8)2.6晶振电路 (8)2.7指示灯和报警电路 (9)3软件部分设计 (10)3.1总体结构 (10)3.2主程序 (10)3.3安全带未系提示子程序 (11)3.4蜂鸣器报警子程序 (12)4系统调试 (13)4.1 Keil编译器软件简介 (13)4.2 使用Keil软件建立一个工程 (13)4.3 使用Debug进行调试 (17)4.4 硬件调试及调试中遇到的问题 (19)5总结 (20)参考文献 (21)致谢 (22)1 绪论1.1课题背景随着人们生活水平的逐步提高,汽车已成为很多家庭必不可少的出行交通工具。
人教版九年级物理期末考点专练(7)电路连接1.汽车安全带未系提示器是由压力传感器和开关设计而成。
当乘客坐上去,满足设置的压力条件时,座椅下的开关S1闭合,若未系安全带(安全带控制开关S2断开)则语音提示:“请系好安全带”,系上安全带后,安全带控制开关S2闭合,语音提示器不工作。
下图中R是限流电阻,能够满足要求的是()A. B.C. D.2. 某种电子测温枪测靠近被测者额头,闭合测温开关S1,只有热敏电阻R工作,测温枪显示被测者额头温度。
在环境看不清示数时,再闭合开关S2,显示屏补光灯泡L发光;测温开关S1断开S2闭合时灯泡L不发光。
关于热敏电阻R与补光灯泡L在电路中的连接方式,图中的电路符合要求的是()A. B.C. D.3. 电冰箱的压缩机和冷藏室内的照明灯工作时互不影响,温控开关S1控制压缩机M,与冰箱门联动的开关S2控制照明灯L。
为此,小丽设计了图中的四种电路,其中正确的是()A. B. C. D.4. 如图所示的电路中,将开关S 闭合,灯L1和灯L2均发光,并且L1比L2更亮。
下列说法中正确的是()A. 灯L1和灯L2并联B. 灯L1和灯L2 两端的电压一定相等C. 通过灯L1的电流与通过灯L2的电流一定相等D. 通过灯L1的电流一定比通过灯L2 的电流大5. 电扇中有一个自动断电的安全装置,如图所示,当电扇倒立时,它是________路;当电扇正立时,它是________路。
6.小刚和小强在组成串并联电路的实验中(1)小刚连接了如图所示电路,如果合上开关,两个灯泡都将________(选填“不会发光”或“会被烧坏”),出现________(选填“断路”、“短路”或“通路”)现象。
(2)小刚想将电路全部拆散,重新连接。
小强认为只需拆除________这一根导线,就能成为串联电路。
(3)小刚发现做眼保健操时,各教室的有线扬声器是同时开播,也是同时停播的。
它们的连接方式是________联,原因是它们________ (选填“能”或“不能”)独立工作。
中学物理教学方法5篇课程重难点要清楚地出现出来,并在训练中得到强化,形成能力,并在进一步的训练中得到迁移。
下面给大家分享一些关于中学物理教学方法范文5篇,期望能够对大家有所帮助。
中学物理教学方法范文1一、教学目的1、通过本课教学,使学生认识滑轮,知道滑轮的作用及在实际中的运用。
2、培养学生的实验能力和分析综合能力。
3、使学生体会到自然事物是有规律的,只有掌控了自然规律,才能更好地利用自然和改造自然。
二、教学准备分组实验材料:滑轮二个、铁架台、细绳、钩码、测力计。
演示材料:同分组材料一套。
大滑轮一个、粗麻绳二根(组装动滑轮、拔河用)。
挂图或幻灯片三张(旗杆上定滑轮图;吊车上定滑轮、动滑轮图;滑轮组示意图)。
三、教学进程(一)教学引入谈话:你知道旗杆上有个什么装置,能帮我们比较容易地把旗子升上去?(二)学习新课1、指导学生认识滑轮的构造及种类(1)讲授:安装在旗杆顶上的这种边沿酒囊饭袋有槽,能环绕轴转动的轮子叫滑轮。
(出示滑轮、讲授)滑轮也是一种简单机械。
(板书课题)滑轮有二种,(出示滑轮组示意图)固定在支架上的滑轮叫定滑轮。
不固定被套在槽里的绳子拉着,与重物上下移动的滑轮叫动滑轮。
(2)提问,你还在什么地方看到过滑轮?2、指导学生认识定滑轮的作用(1)讨论:你认为旗杆顶上的定滑轮有什么作用?(2)实验1(定滑轮不省力)。
①演示介绍实验装置及实验方法。
②学生分组实验(绳子两端各挂钩码)③学生装汇报实验结果。
(绳子两端各挂1个钩码,保持安稳)④讨论:说明什么?(说明不省力,也不费力)(3)讨论谈话:既然定滑轮没有省力的作用,那么高高的旗杆顶上安装它必定会有其它作用,你知道什么?(分组讨论后汇报)向下用力,旗子向上升。
工作方便。
(4)教师小结:通过以上的实验和讨论,我们知道定滑轮虽然没有省力的作用,但它可以必变用力的方向,使工作方便。
3、指导学生认识动滑轮的作用(1)讨论:动滑轮有什么作用?(教师期望学生能提出动滑轮工作不方便,动滑轮能省力。
轿车安全带未系提示电路设计学生姓名:学生学号:院(系):年级专业:指导教师:助理指导教师:二O一七年五月攀枝花学院专科毕业设计(论文)摘要摘要当车辆在紧急制动或高速行驶时发生碰撞时,巨大的惯性会使车内乘员与挡风玻璃盘造成对乘员的严重伤害。
安全带能将人约束在座位上,它的缓冲作用会抵消一大部分动能,大量减少乘员的受伤害程度。
因为观点的滞后,很多人都怀着侥幸心理,以为在市内行车,时速不会太高,所以没什么时候能用得着安全带。
其实,当车仅以每小时40公里的速度行驶产生碰撞时,人体前冲的力量就相当于从4层楼上扔下一袋50公斤重的水泥块,其冲力之大可想而知考察数据显示:在一次可能招致死亡的车祸中,使用安全带可使车内人员生还的几率上升60%,发生正面撞车时,系了安全带可降低57%死亡率;侧面撞车时可降低死亡率44%;翻车时可降低死亡率80%。
所以为告诫意识不良或粗心大意的车主(乘客)。
本设计研讨了一种基于单片机技术的安全带未系提醒报警器。
该报警器以AT89C52单片机为控制处理器核心,外接速度传感器、安全带开关,可以提示机动车驾驶人员佩戴安全带安全行驶,同时能有效的抑制在出现剧烈碰撞的交通事故中,造成对人体的二次伤伤害,平时传感器输出低电平,当汽车启动后切未检测到安全带时出低电平变为高电平,此高电平输入单片机,作为单片机的外部触发信号处理,经单片机内部软件程序处理后,单片机输出控制信号,驱动声光报警电路开始报警。
该报警器的最大特点就是使用户能够操作简单、易懂、灵活;且安装方便、智能性高、误报率低。
随着现代人安全意识的增强以及科学技术的快速发展,相信报警器必将在更广阔的的领域得到更深层次的应用。
即为乘员不系安全带发动机不能起动和自动报警灯亮、蜂鸣器响的强制系安全带的系统。
关键词自动报警灯亮,蜂鸣器响,安全带未系提示攀枝花学院专科毕业设计(论文)目录目录摘要 (I)1绪论 (1)1.1课题背景 (1)1.2课题要求 (1)1.3安全带未系提示系统组成及工作原理 (1)1.3.1系统组成 (1)1.3.2系统工作原理 (2)2硬件电路设计 (3)2.1电路总体方案 (3)2.2闪光报警 (4)2.3鸣音报警 (5)2.4单片机概述 (5)2.4.1 STC89C52单片机简介 (5)2.4.2单片机最小系统 (7)2.5复位电路 (8)2.6晶振电路 (8)2.7指示灯和报警电路 (9)3 软件部分设计 (10)3.1总体结构 (10)3.2主程序 (10)3.3安全带未系提示子程序 (11)3.4蜂鸣器报警子程序 (12)4系统调试 (13)4.1 Keil编译器软件简介 (13)4.2使用Keil软件建立一个工程 (13)4.3使用Debug进行调试 (17)4.4硬件调试及调试中遇到的问题 (18)5 结论 (20)参考文献 (21)致谢 (22)1 绪论1.1课题背景随着人们生活水平的逐步提高,汽车已成为很多家庭必不可少的出行交通工具。
在人们享受汽车带来便利生活的同时,因安全带未系而引发的碰撞问题日益突显。
当车辆在高速行驶时发生碰撞或紧急制动时,巨大的惯性会使车内乘员与方向盘、挡风玻璃等发生二次碰撞,从而造成对乘员的严重伤害。
安全带能将人束缚在座位上,它的缓冲作用会吸收大量动能,极大地减轻乘员的受伤害程度。
安全带未系提示报警器,当车启动时,安全带检测装置,车速传感器将检测的信号传输到主控制,控制器根据信号判断当前车辆是否处于行驶状态且有未乘系安全带,当车辆处于行驶状态且未系安全带时,安全带提示灯闪烁,蜂鸣器报警,从而提醒驾驶人员乘系安全带,主动减轻汽车碰撞给人体带来的伤害。
1.2课题要求安全带未系报警控制器要求实现如下功能:安全带未系时具有声音及灯光报警功能,同时考虑车速;当车速为<l0Km/h时,安全带报警灯常亮,此声音报警;当车速≥10Km/h,声光同步报警,声光同步报警3次,频率为0.5Hz,3次后,声音停止,报警灯常亮;在等待60s后如速度仍≥10Km/h,且安全带未系,则开始下一个循环;安全带系好时,报警即刻解除。
1.3安全带未系提示系统组成及工作原理1.3.1系统组成:传感器、安全带卡扣/锁扣(可用开关代替)报警灯、电源、主控制器、蜂鸣器。
图1.1连接图1.3.2系统工作原理:当车启动时,安全带检测装置,车速传感器将检测的信号传输到主控制,控制器根据信号判断当前车辆是否处于行驶状态且有未乘系安全带,当车辆处于行驶状态且未系安全带时,安全带提示灯闪烁,蜂鸣器报警。
图1.2工作原理图2硬件电路设计2.1电路总体方案本设计包括硬件和软件设计两个部分。
模块划分为数据采集、报警提示模块,电路结构可划分为:安全带传感器、报警器、单片机控制电路、LED控制电路及相关的控制管理软件组成。
用户终端完成信息采集、处理、数据传送、功能设定、本地报警等功能。
就此设计的核心模块来说,单片机就是设计的中心单元,所以此系统也是单片机应用系统的一种应用。
单片机应用系统也是有硬件和软件组成的。
硬件包括单片机、输入/输出设备、以及外围应用电路等组成的系统,软件是各种工作程序的总称。
单片机应用系统的研制过程包括总体设计、硬件设计、软件设计等几个阶段。
驱动电路经控制信号放大并推动声光报警设备完成相应的动作。
图2.1是电路总体框图,包括51单片机最小系统,安全带开关,速度传感器,报警指示灯报警,蜂鸣器,,电源电路。
图2.1电路总体框图2.2闪光报警闪光报警时最简单,也是最常用的一种报警方式,单片机应用系统中的闪光报警就是在控制指示灯的程序中加入定时程序,按一定的时间间隔来交替点亮与熄灭指示灯。
闪光报警在硬件连接上也是非常简单,通常利用AT89C52的I/O口直接驱动发光二极管实现。
电路中的发光二极管一般反向连接,其正端接5V,负端通过限流电阻与I/O 口线相连。
限流电阻的阻值的选择要同时考虑发光二极管的驱动电流及I/O口的负载能力,一般可选择330或360殴,如使某发光二极管点亮,则只需相应的输出口输出低电平。
由4个发光二极管接上电阻后连上单片的RXD的引脚,外接VCC,当单片机的RXD引脚被置低电平后,发光二极管被点亮,起到报警作用。
下图所示为发光二极管报警电路。
图2.2闪光报警2.3鸣音报警鸣音报警的方式有两种,一种是单频音报警,另一种是音乐声报警。
如下图所示,用一个Speaker和三极管、电阻接到单片机的TXD引脚上,构成声音报警电路,下图示为声音报警电路。
图2..3蜂鸣报警2.4单片机概述2.4.1 STC89C52单片机简介STC89C52是一种低功耗、高性能CMOS8位微控制器,具有8K在系统可编程Flash存储器。
使用高密度非易失性存储器技术制造,与工业80C51产品指令和引脚完全兼容。
片上Flash允许程序存储器在系统可编程,亦适于常规编程器。
在单芯片上,拥有灵巧的8 位CPU和在系统可编程Flash,使得STC89C52为众多嵌入式控制应用系统提供高灵活、超有效的解决方案。
STC89C52具有以下标准功能:8k字节Flash,256字节RAM,32位I/O口线,看门狗定时器,2个数据指针,三个16位定时器/计数器,一个6向量2级中断结构,全双工串行口,片内晶振及时钟电路。
另外,STC89C52可降至0Hz静态逻辑操作,支持2种软件可选择节电模式。
空闲模式下,CPU停止工作,允许RAM、定时器/计数器、串口、中断继续工作。
掉电保护方式下,RAM内容被保存,振荡器被冻结,单片机一切工作停止,直到下一个中断或硬件复位为止。
这一模块以单片机为中心把程序代码烧进去然后外围接上复位电路、振荡电路、键盘控制、LED显示电路、报警电路等子模块。
STC89C52单片机在一块芯片中集成了CPU、RAM、ROM、定时器/计数器、看门狗和多种功能的I/O 口设备的等,相当于一台计算机所需要的基本功能部件。
STC89C52的4个8位I/O口的功能说明如下:(1)P0口:P0口是一个8位漏极开路的双向I/O口。
作为输出口,每位能驱动8个TTL逻辑电平。
对P0端口写“1”时,引脚用作高阻抗输入。
当访问外部程序和数据存储器时,P0口也被作为低8 位地址/数据复用。
在这种模式下,P0具有内部上拉电阻。
在flash编程时,P0口也用来接收指令字节;在程序校验时,输出指令字节。
程序校验时,需要外部上拉电阻。
(2)P1口:P1口是一个具有内部上拉电阻的8位双向I/O口,p1输出缓冲器能驱动4个TTL逻辑电平。
对P1端口写“1”时,内部上拉电阻把端口拉高,此时可以作为输入口使用。
作为输入使用时,被外部拉低的引脚由于内部电阻的原因,将输出电流(IIL)。
此外,P1.0和P1.2分别作定时器/计数器2的外部计数输入(P1.0/T2)和定时器/计数器2的触发输入(P1.1/T2EX)。
在flash编程和校验时,P1口接收低8位地址字节。
(3)P2口:P2口是一个具有内部上拉电阻的8位双向I/O口,P2输出缓冲器能驱动4 个TTL逻辑电平。
对P2端口写“1”时,内部上拉电阻把端口拉高,此时可以作为输入口使用。
作为输入使用时,被外部拉低的引脚由于内部电阻的原因,将输出电流(IIL)。
在访问外部程序存储器或用16 位地址读取外部数据存储器(例如执行MOVX @DPTR)时,P2口送出高八位地址。
在这种应用中,P2口使用很强的内部上拉发送1。
在使用8 位地址(如MOVX @RI)访问外部数据存储器时,P2口输出P2锁存器的内容。
在flash编程和校验时,P2口也接收高8位地址字节和一些控制信号。
(4)P3口:P3口是一个具有内部上拉电阻的8位双向I/O口,p2 输出缓冲器能驱动4个TT L逻辑电平。
对P3端口写“1”时,内部上拉电阻把端口拉高,此时可以作为输入口使用。
作为输入使用时,被外部拉低的引脚由于内部电阻的原因,将输出电流(IIL)。
在flash编程和校验时,P3口也接收一些控制信号。
P3口亦作为AT89C52特殊功能(第二功能)使用。
图2.4单片机最小系统单片机最小系统包括单片机、复位电路、时钟电路构成。
STC89C52单片机的工作电压范围:4V-5.5V,所以通常给单片机外界5V直流电源。
连接方式为单片机中的40脚VCC接正极5V,而20脚VSS接电源地端。
复位电路就是确定单片机的工作起始状态,完成单片机的启动过程。
单片机接通电源时产生复位信号,完成单片机启动确定单片机起始工作状态。
当单片机系统在运行中,受到外界环境干扰出现程序跑飞的时候,按下复位按钮内部的程序自动从头开始执行。
一般有上电自动复位和外部按键手动复位,单片机在时钟电路工作以后,在RESET端持续给出2个机器周期的高电平时就可以完成复位操作。