低频脉冲治疗仪
- 格式:docx
- 大小:11.83 KB
- 文档页数:1
痉挛肌低频治疗仪适应症适用于刺激痉挛肌和对抗肌,使二者收缩,治疗痉挛性瘫痪和开展电刺激、电体操。
操作流程1.连接电源。
2.选择脉冲周期、脉冲宽度。
3.固定电极,确保电极与皮肤接触良好。
4.选择时间。
5.输出电流调节。
6.治疗结束取下电极片。
禁忌症1.肌肉萎缩侧索硬化。
2.多发性硬化症的病理进展恶化期。
3.带心脏起搏器者。
4.恶化肿瘤。
5.结核病灶。
6.孕妇的下腹部。
7.急性化脓性性炎症部位。
8.出血部位。
9.血栓性静脉炎。
10.破伤风。
11.治疗部位有较大的金属异物。
注意事项1.在医生的指导下使用仪器。
2.本仪器使用时应远离超短波、微波、CT、核磁等电磁辐射干扰源30米以上,并隔房间或屏蔽,避免输出不稳定。
高频手术设备和本仪器同时接一个患者时,电极片处可能引起烧伤并损害仪器。
3.电极放置在人体上后,不要开仪器电源,否则会出现瞬间电极感。
故应在打开电源开关后固定电极,在关断电源开关之前取下电极。
4.两电极不可同时置于心脏前后。
靠近胸部使用电极会增加心房纤颤的危险。
如果没有获得医生的医嘱,应劝告使用电子植入式装置的患者不应使用刺激器。
5.治疗前和治疗后,电流调节旋钮必须顺时针调到零。
6.输出电极导线要与电极片接触完好,单间插头要与仪器插座插好,治疗中绒布套水分不要拧的太干,套入电极时,严防反置,造成电极与患者皮肤之间只隔一层单布。
套好布套的电极要与人体紧密接触。
如若似接非接,患者会有瞬间电极感;如若“点”接触,电流密度变大,患者会有灼伤危险。
7.在输出治疗时,不得任意挪动体位或拉动拽摇电极线和绷带,以免造成接触不良,有瞬间电击感或灼伤危险。
8.使用中如患者有任何不适,应立即停止治疗。
9.本仪器面板上薄膜轻触按键不允许重压。
10.设备和附件在其使用寿命末期的处理过程中,要考虑到焊锡中有少量铅的成分,处理时应遵守当地政府的环保政策。
2、性能指标2.1低频电子脉冲输出性能2.1.1脉冲频率a)JPD-2000S5皮肤电极基础波为 800Hz,允差应为±10%。
阴道电极基础波为 2~100Hz,允差为±2%。
b)JPD-2000S6基础波为 2~100Hz,允差为±2%。
2.1.2脉冲宽度a)JPD-2000S5皮肤电极脉冲宽度应为 0.4ms,允差应为±10%。
阴道电极脉冲宽度应为50~450μs,允差为±10%。
b)JPD-2000S6应为50~450μs,允差为±10%。
2.1.3输出幅度最大时,单个脉冲电量应大于7μC。
2.1.4最大输出有效值应不大于 25V。
2.1.5输出能量对500Ω负载电阻,每个脉冲的能量应不超过 300mJ。
2.1.6开路测量时输出电压峰值应不大于 500V。
2.1.7输出端应能承受开路和短路的影响,其性能不得削弱。
1kΩ负载上输出幅度超过 10mA(有效值)或10V(有效值)时,除非输出幅度预置在最小位置,否则,当电源中断后再回复时,不得有输出。
输出幅度值调节应均匀,或以每一个增量不大于 1mA 或1V 有变化离散地增加,最小输出应不大于最大输出的 2%。
治疗时间 5min~60min 可选,误差±5%。
2.3.1治疗仪应可选择一通道输出或多通道输出,且其参数(如输出强度)应能分别设置。
2.3.2治疗仪应有下列治疗程序(治疗处方)供选择:2.3.2.1JPD-2000S5 治疗程序:a)催乳治疗程序;b)产后复旧程序;c)产后恢复程序;d)盆底肌康复; e)盆底肌训练。
2.3.2.2JPD-2000S6 治疗程序:a)盆底肌康复;b)盆底肌训练。
2.4阴道探头电气性能2.4.1量程 0~100 mmHg2.4.2分辨率 1 mmHg2.4.3最大误差±5 mmHg2.5安全要求应符合 GB9706.1-2007 及YY0607-2007 的要求,配套使用的导电电极片应符合YY0868-2011 的要求。
2.性能指标2.1外观与结构a)治疗仪外型应端正,表面应光亮、整洁,色泽应均匀,无明显划痕、裂纹、锋棱及毛刺。
b)治疗仪的文字和标记应清晰、准确、牢固。
c)治疗仪各控制机构操作应灵活可靠,紧固件应无松动。
d)各种文字符号应清晰、准确、牢固。
e)治疗机各操作件指示应正确,动作应可靠。
2.2基本性能2.2.1输出电流在500Ω的负载电阻下,输出电流必须不超过以下的限值:50mA(r.m.s)。
2.2.2脉冲频率1)模式1:频率范围44Hz~132Hz,偏差应不超过±10%。
2)模式2:频率为1Hz,偏差应不超过±10%。
3)模式3:频率为0.83Hz,偏差应不超过±10%。
4)模式4:频率为0.83Hz,偏差应不超过±10%。
5)模式5:频率范围6.5Hz~7.2Hz,偏差应不超过±10%。
6)五项自动循环频率以上5 个模式,每个模式工作12S,五项自动循环周期0.0166Hz,偏差不超过±10%。
2.2.3脉冲宽度脉冲宽度为0.5ms,偏差应不超过±10%。
2.2.4脉冲幅度治疗仪在500Ω的负载电阻下,治疗仪的最大输出幅度应不大于30V。
2.2.5脉冲能量在标准负载(500Ω)下测量,单个脉冲最大输出能量为0.784mJ,偏差应不超过±10%。
2.2.6输出电流稳定度在500Ω的负载电阻上下波动±10%时,输出电流变化率应不大于10%。
2.2.7定时功能定时时间设定根据治疗需要设定时间,其计时方法应为倒计时。
2.3正常工作状态治疗仪应能正常工作,并显示治疗时间、治疗模式。
2.4电极线电极线应符合YY 0868-2011《神经和肌肉刺激器用电极》的要求。
2.5安全要求应符合GB9706.1-2007 和YY0607-2007 的要求。
2.6电磁兼容要求应符合YY0505-2012 和YY0607-2007 第36 章的要求。
低频治疗仪工作原理介绍现代人颈椎病得发病率相当高,颈椎病得病理特征:颈椎生理曲度改变、错位、骨骼变形增生,损伤型炎症,颈椎间盘突出,水肿等。
这样就必然压迫颈椎附近丰富得血管、神经丛及其她组织。
引起一系列症状,发生各种病变。
因此,颈椎病也叫颈椎综合症。
而目前治疗颈椎病得最好选择就就是低频治疗仪了。
低频治疗仪就是目前国际上最为先进,应用率最高,人体反映效果最好得一种家庭、个人保健理疗产品。
低频治疗仪可以瞬态将功率谱得能量按照一定得调制特性集中与扩散,非常逼真得模拟出真人捶背、敲打、按摩、推拿、针灸以及火罐得实际感觉。
低频治疗仪如果作用在经络穴位上,能够十分有效地治疗以及缓解各种病痛,经常有计划地使用低频治疗仪可以置于许多慢疾病甚至顽症,工作之余与工作之中也可以使用低频治疗仪进行按摩,舒畅心身。
低频治疗仪就是根据针灸捻转留针得气得感觉形成得超低频作用,又结合具有高能量分布得脉冲,按照人体刺激能够形成得种种感觉得谱线,模拟分布进行低频调制,从而刺激经穴地反射效果形成闭环感觉以达到真实得治疗方式与效果。
低频治疗仪工作原理介绍现代人颈椎病得发病率相当高,颈椎病得病理特征:颈椎生理曲度改变、错位、骨骼变形增生,损伤型炎症,颈椎间盘突出,水肿等。
这样就必然压迫颈椎附近丰富得血管、神经丛及其她组织。
引起一系列症状,发生各种病变。
因此,颈椎病也叫颈椎综合症。
而目前治疗颈椎病得最好选择就就是低频治疗仪了。
低频治疗仪就是目前国际上最为先进,应用率最高,人体反映效果最好得一种家庭、个人保健理疗产品。
低频治疗仪可以瞬态将功率谱得能量按照一定得调制特性集中与扩散,非常逼真得模拟出真人捶背、敲打、按摩、推拿、针灸以及火罐得实际感觉。
低频治疗仪如果作用在经络穴位上,能够十分有效地治疗以及缓解各种病痛,经常有计划地使用低频治疗仪可以置于许多慢疾病甚至顽症,工作之余与工作之中也可以使用低频治疗仪进行按摩,舒畅心身。
低频治疗仪就是根据针灸捻转留针得气得感觉形成得超低频作用,又结合具有高能量分布得脉冲,按照人体刺激能够形成得种种感觉得谱线,模拟分布进行低频调制,从而刺激经穴地反射效果各种中低频家用治疗仪工作原理治疗原理人体内被称为支柱得脊髓得中心在统治与操纵得脊髓神经就是利用磁力﹑指压﹑温热﹑拔罐﹑针灸﹑低频得科学原理,对脊椎进行矫正,并圆活内脏器官得组合型低频脉冲治疗仪。
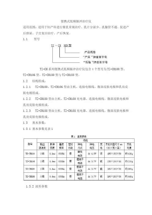
便携式低频脉冲治疗仪适用范围:适用于妇产科进行催乳常规治疗、乳汁分泌少、乳腺管不通、促进产后排尿、子宫复旧治疗、产后恢复。
1.1 型号TZ-CH系列便携式低频脉冲治疗仪包含4个型号为TZ-CH100型、TZ-CH106型、TZ-CH180型与TZ-CH188型。
1.2 结构组成:1.2.1 TZ-CH100、TZ-CH106型由主机、连接电极线、腹部皮肤电极和乳房皮肤电极组成。
1.2.2 TZ-CH180型由主机、TZ-CH180充电器、连接电极线、腹部皮肤电极和乳房皮肤电极组成。
1.2.3 TZ-CH188型由主机、TZ-CH188充电器、连接电极线、腹部皮肤电极和乳房皮肤电极组成。
1.3 基本参数:1.3.1 基本参数见表11.3.2 波形参数治疗仪选用不同的治疗项目时,其基波(833Hz ±15%)被调制成不同的波形,其频率、形状、偏差参见附录B。
1.3.3 治疗仪属于医用电气设备中的内部电源供电BF型设备,TZ-CH100型、TZ-CH106型、TZ-CH180型具有二个输出通道,TZ-CH188具有三个输出通道。
2.1 正常工作条件a) 环境温度:5℃~40℃。
b) 相对湿度:≤80% 。
c) 大气压力:860hPa~1060 hPa。
d) 额定电源:TZ-CH100型:dc 4.5V,电池额定电压值允许偏差-10%~+5%。
TZ-CH106型:dc 3.7V,电池额定电压值允许偏差-10%~+5%。
TZ-CH180型:dc 3.7V,电池额定电压值允许偏差-10%~+5%。
TZ-CH188型:dc 3.7V,电池额定电压值允许偏差-10%~+5%。
2.2 性能要求2.2.1 基波频率:治疗仪基波为方波,频率为833Hz,允差±15% 。
2.2.2 基波脉冲宽度:脉冲宽度为0.4ms,允差±30% 。
2.2.3 调制波:治疗仪选用不同的治疗项目时,其基波(833Hz ±15%)被调制成不同的波形,处方对照说明、调制输出波形、调制波周期参数、允差说明如下:2.2.3.1 处方对照说明见表22.2.3.2 调制输出波形及调制波周期参数要求2.2.3.2.1 处方1(治疗项目Ⅰ)、处方2(治疗项目Ⅱ)调制输出波形及调制波周期参数要求见图1及表3。
低频治疗仪的使用方法你知道低频治疗仪的使用方法吗?低频治疗仪是微波治疗仪的一种,我们在使用之前,必须先详细了解使用方法,那么你知道低频治疗仪的使用方法吗?由小编为大家介绍。
文章目录一、低频治疗仪的使用方法二、低中高频治疗仪有什么区别三、低频治疗仪原理低频治疗仪的使用方法1、低频治疗仪的使用方法1.1、打开电源向下旋转强度/电源旋钮。
(咔嗒)一声响,电源被打开,治疗开始。
初次使用时,肩点闪烁,屏幕显示面。
第二次以后使用,则前一次关机时使用的按钮在闪烁(强烈模式除外)。
1.2、选择一种治疗方法a使用酸痛治疗按钮进行治疗 b 使用疼痛治疗按钮进行治疗c使用部位按钮进行治疗d使用按摩方法按钮进行治疗。
1.3、调节刺激的强弱旋转强度/电源旋转,选择合适的强度治疗的标准时间:一个部位每次10——15分钟次数:每日1——2次强度:以舒服为准。
1.4、治疗结束,关掉电源向上旋转强度/电源旋钮。
咔嗒一声响,电源被关掉。
治疗开始约15分钟后电源会自动关掉,即时电源自动关掉,也请将强度/电源按钮调到关状态,否则会使电池能量消耗过快。
1.5、收藏如果裸露放置按摩片,会因为脏污而使粘性下降,治疗结束后请将按摩片贴在存放上保管。
2、低频治疗仪的作用原理将物理因子作用在人体各部位的经络和穴位进行物理治疗,从而提高临床效果。
它具有自动变频的脉冲电压,能够穿透组织深处进行浅部和深部病灶的治疗。
具有疏通经络,活血化瘀、止痛、舒筋,调五脏六腑,平衡阴阳的作用。
可以调节神经的兴奋性和抑制性,激活病灶周围组织的细胞活性,增强局部血液循环和新陈代谢能力,提高免疫力,调节内分泌;对病灶周围组织有修复和治疗的作用。
3、低频治疗仪工作原理介绍低频治疗仪可以瞬态将功率谱的能量按照一定的调制特性集中与扩散,非常逼真的模拟出真人捶背、敲打、按摩、推拿、针灸以及火罐的实际感觉。
低频治疗仪如果作用在经络穴位上,能够十分有效地治疗以及缓解各种病痛,经常有计划地使用低频治疗仪可以置于许多慢疾病甚至顽症,工作之余和工作之中也可以使用低频治疗仪进行按摩,舒畅心身。
2.性能指标2.1外观2.1.1表面无明显色差、披锋、缩水、缺料、污渍和刮花等。
2.1.2丝印正确,无缺印或漏印和歪斜等现象。
2.1.3操作应灵活可靠,紧固件应无松动。
2.2工作频率工作频率为 15Hz,允差±10%。
2.3最大输出电流在500Ω的负载电阻下,输出电流应不大于 50mA(r.m.s)。
2.4输出电流稳定度在500Ω的负载电阻上下波动±10%时,输出电流变化率应不大于 10%。
2.5输出脉冲电压在100Ω~500KΩ负载电阻范围内,脉冲幅度应在 5~450Vp-p 范围内。
2.6脉冲宽度脉冲宽度应在25μs~30μs(半高宽)范围内。
2.7调制频率范围调制频率应为 260mHz,允差±10%。
2.8连续工作时间在正常工作条件下,连续工作时间应不少于 4h。
2.9输出波形应具有方波的调制组合波,见图 1。
其中调制波输出时间 2.8 秒,间歇 1 秒,允差±10%。
2.10环境试验要求应符合 GB/T14710-2009《医用电器环境要求及试验方法》中气候环境试验Ⅱ 组,机械环境试验Ⅱ组及表 1 的规定,运输试验和电源电压适应能力试验分别符合GB/T14710-2009 中第4 章、第 5 章的规定。
2.11电极2.11.1电极应符合 YY0868-2011《神经和肌肉刺激器用电极》的要求。
其中电极尺寸和导电阻抗应分别符合 2.11.2 和2.11.3 的要求。
2.11.2电极导电部分尺寸为20mm×11.5mm , 允差±5%。
2.11.3电极导电阻抗应不大于1Ω。
2.12安全要求应符合 GB9706.1-2007《医用电气设备第 1 部分:安全通用要求》和 YY0607- 2007《肌肉刺激器安全专标》的要求。
2.13电磁兼容(EMC)要求应符合 YY0505-2012《医用电气设备第 1-2 部分:安全通用要求并列标准:电磁兼容要求和试验的要求》和 YY0607-2007《医用电气设备第 2 部分:神经和肌肉刺激器安全专用要求》第 36 章的要求。
脉冲治疗仪原理
脉冲治疗仪是一种电疗设备,适用于治疗各种疾病和症状。
其原理是利用电流在人体组织中产生的生物效应,通过传递脉冲电流来刺激神经和肌肉,从而促进血液循环、放松肌肉、减轻疼痛和促进组织修复。
脉冲治疗仪使用的是低频电流,能够模拟人体的自然生理电流,产生特定频率和波形的电信号。
这些电信号通过电极贴片传递到人体的特定部位,进入神经和肌肉组织。
在治疗过程中,脉冲治疗仪通过调节电流的频率、幅度和脉冲宽度,产生不同的刺激效果。
例如,高频率和短脉冲宽度的电信号可以刺激神经,促进神经传导和激活肌肉收缩;而低频率和长脉冲宽度的电信号则可以促进血液循环、放松肌肉和减轻疼痛。
此外,脉冲治疗仪还可以通过调节电流的强度来适应不同的治疗需求。
较低的电流强度适合对敏感皮肤区域进行治疗,而较高的电流强度则可用于治疗更深层的组织。
总体而言,脉冲治疗仪的原理是利用特定的电信号刺激人体组织,从而实现促进血液循环、放松肌肉、减轻疼痛和促进组织修复等治疗效果。
然而,在使用脉冲治疗仪时,需要根据个人情况和医生建议进行正确的操作和治疗。
2性能指标2.1性能要求2.1.1脉冲频率治疗仪的脉冲频率为300Hz~1000Hz范围内。
2.1.2脉冲宽度治疗仪的脉冲宽度为400µS,脉冲宽度误差±30%。
2.1.3单个脉冲最大输出能量单个脉冲最大输出的能量不超过300mJ。
2.1.4输出电压峰值治疗仪开路测量时,输出电压峰值不大于500V。
2.1.5输出端开路和短路的影响治疗仪应能承受输出端开路和短路的影响,其性能不得削弱。
2.1.6电源中断后的输出当治疗仪在1kΩ负载上输出幅度超过 10mA(有效值)或 10V(有效值)时,除非输出幅度预置在最小位置,否则,当电源中断后再恢复时,治疗仪不得有输出。
2.1.7输出幅度调节输出幅度按步进式调节,输出应连续,每一步进不大于 1V,在 0~255 档位范围内可任意调节。
其最小输出设定值,必须不超过最大设定值的 2%。
2.1.8最大输出幅度有效值治疗仪最大输出幅度有效值应不大于表 1 的值。
表 1 最大输出幅度2.1.9测量值偏差当用负载范围内误差不超过±10%的负载电阻进行测量时,测量值对脉冲宽度、脉冲重复频率和幅度值的偏差必须不大于±30%。
2.1.10输出的提示当治疗仪在1kΩ负载上输出幅度超过10mA(有效值)或10V(有效值)时,设有在正常状态下和单一故障状态下存在输出的提示。
2.1.11电源适应范围当电源电压在AC220V±22V之间变化时,治疗仪的输出幅度、脉冲宽度或脉冲重复频率在AC 220V时输出的基础上变化不大于±10%。
2.2功能要求2.2.1输出通道治疗仪应具备至少 3 路输出通道,各输出通道的输出强度能够分别设置。
2.2.2治疗时间20 分钟、30 分钟、40 分钟、50 分钟、60 分钟定时或不定时,定时误差不大于±5%。
2.2.3软件运行软件运行应稳定正常。
2.3安全要求仪器应符合 GB 9706.1-2007、YY 0607-2007、YY 0505-2012(电磁兼容 1 组A 类)的要求;2.4环境试验要求环境试验应符合 GB/T14710-2009 中气候环境试验Ⅱ组、机械环境试验Ⅱ组的要求;运输试验、电源电压适应能力试验应分别符合 GB/T14710-2009 中第 4 章、第 5 章的要求。
低频脉冲综合治疗仪
(产后康复治疗仪)
招标参数
*1、显示界面:8寸TFT彩色液晶屏带触摸屏;操作方式:触摸屏操作
*2、软件功能:管理员密码设置、系统背光设置、系统时间设置、治疗病例次数统计功能、界面个性化定制;
3、输出通道:四通道独立输出,可以同时多人或多部位治疗;
4、环境温度:5℃~40℃;
相对湿度:40%~80%;
大气压:860hPa~1060hPa。
电源:AC(220±22)V (50±1)Hz;
输入功率:≤200VA;
连续工作时间:≥8h
5、输出波形:梯形波、三角形波、钟形波等;
6、脉冲频率:(800±80)Hz;
*7、时间设置:0min~90min连续可调;
8、能量设置:0~255级连续可调;
9、治疗处方:8大电子处方功能:乳汁分泌少、乳腺管不通、乳腺小叶增生、术后镇痛、产后形体康复、盆腔炎辅助治疗、盆底康复;
10、外观要求:推车式;
*11、配件要求:电极片使用原产硅胶电极片、连接线用高档血氧材质、高档LEMO自锁接头。
所有电级线、电极片必须是原厂生产,带厂家LOGO。
可提供配件报价,电源开关使用高档红波开关,使用高档的向荣静音脚轮。
*。
神经肌肉电刺激仪KT-90A型(低频脉冲治疗仪)一、操作流程:1、接通电源,开启治疗仪;2、确认A、B、C输出旋钮为0;3、选定治疗部位,贴好电极片;4、调节治疗频率、治疗时间,选择治疗波型;5、调节输出强度直至触摸肌肉感到跳动感;6、治疗时间结束铃响,按下复位键,将输出强度调节至零,取下电极片,关闭电源,完成治疗。
二、治疗强度、时间:1、治疗频率:1-2HZ 过敏体质者可加大至3-4HZ;2、治疗时间:15-20min 重症20min;3、治疗波型:方波损伤达6级以上者用疏密波;4、输出强度:触摸治疗部位感到跳动感,损伤达4级以上者要有抖动感。
三、主要适应症:用于对完全失神经及部分失神经疾病的治疗。
临床用于治疗神经损伤、神经麻痹、坐骨神经痛、面神经麻痹、上下肢受限障碍及受累神经包括臂丛神经、腋神经、桡神经、尺神经、正中神经、坐骨神经、股神经等疾病。
四、禁忌症:1、肌萎缩侧索硬化;2、多发性硬化症的病理进展恶化期;3、带有心脏起搏器;4、心脏部位;5、恶性肿瘤;6、结核病灶;7、孕妇的下腹部;8、急性化脓性炎症部位;9、出血部位;10、血栓性静脉炎;11、破伤风;12、治疗部位有较大的金属异物。
五、治疗效果:采用特定的低频脉冲电流刺激失神经肌肉,使其节律性收缩,可以:1 、改善肌肉的血液、淋巴循环和营养,保留肌肉的正常代谢,保留肌中糖元含量,节省肌中蛋白质的消耗,延迟病变肌肉的萎缩;2 、防止肌肉大量失水和发生电解质、酶系统和收缩物质的破坏;3 、保留肌中结缔组织的正常功能,防止其挛缩和束间凝集;4 、抑制肌肉的纤维化,防止肌肉结缔组织的变厚、变短和硬化;5 、促进恢复肌肉的运动功能及神经再生。
六、注意事项:1、黑色接头是负极输出电位要黏贴在神经节点上;2、先开机,再贴电极片;3、皮阻很大者可以适量加水或盐水(不可用酒精);4、两电极不能同时放置在心脏前后、头颅两侧、贯穿整条脊柱和横跨脊柱;5、治疗前后,电流调节按钮必须逆时针调到零;6、各导线要与电极片接触完好,治疗中绒布套不能拧太干,套电极时不能反置,套好布套的电极要与人体紧密接触;7、治疗时,患者不得任意挪动体位或拉扯电极线或绑带,以免造成接触不良,有瞬间电击感或灼伤危险;8、治疗仪器面板上薄膜轻触键不可重压;9、工作中,不应用布蒙盖影响仪器散热。
G6805-2A型低频电子脉冲治疗仪治疗原理G6805-2A型低频电子脉冲治疗仪能稳定输出各种强度、频率的脉冲电流,经毫针或皮肤电极送入人体,刺激神经或肌肉,使其兴奋或抑制。
本治疗仪适用与毫针电极或皮肤电极配合使用,用于神经麻痹引起的肢体瘫痪、肌肉劳损性疾病的辅助治疗。
禁忌症1、对极度衰弱、病情危重的患者不宜使用2、孕妇应避免使用电针刺激小腹和腰骶部穴位,以免流产。
对有习惯性流产史的孕妇、妇女月经期、骨盆狭窄性难产者不能使用3、对年老体弱及心脏病患者应慎用,若要使用,应在医生指导下使用。
对使用植入式电子装置(例如心脏起搏器)的患者不能使用,以防止刺激电流对植入式电子装置的干扰会产生危险。
4、对电针过于恐惧、紧张、敏感的患者不宜使用5、对所取的穴位接近重要器官或大血管附近的患者不宜使用。
注意事项1、毫针电极夹用毕后用医用酒精消毒,皮肤电极中的导电自粘电极片应为一次性使用或专人专用,使用后应撕去,以免交叉感染。
皮肤电极中的导电硅橡胶电极板用毕后须清洗,再用医用酒精消毒。
对皮肤病患者或急性传染病患者须用专人专用电极,用毕后须作严格的环氧乙烷灭菌处理,防止交叉感染。
2、不要在胸部特别在心脏两侧或前心后背安置皮肤电极,避免电流通过心脏,增加心脏纤颤危险。
对皮肤破损、溃疡处应避免安置皮肤电极。
△!3、电针治疗时,对患者的刺激强度应以患者能耐受为度,不可拘泥于某一强度,使用过量的强度,有可能对患者产生危险,在治疗中,医护人员应经常观察患者反应,若有异常应立即采取切断电源,终止治疗。
4、应避免治疗仪和高频手术设备同时接于一个患者,以防止在治疗仪电极处可能引起烧伤或损坏仪器。
5、应避免治疗仪在短波或微波治疗设备附近(例如1m)使用,以防止输出不稳定6、为了保护环境,医疗器械废弃物应按法律法规对环保的要求进行处置。
使用方法(一)仪器面板示意图1、频率调节旋钮2、工作指示灯3、频率指示灯4、报警指示灯5、功能选择开关6、7、8、9、10、11输出强度调节旋钮 12、13、14、15、16、17输出插座 18、外接电源插口(二)三种脉冲波形输出该治疗仪有连续波、断续波、疏密波三种脉冲波输出,波形选择可由“功能选择”开关来调节。
1. 性能指标2.1外观和结构2.1.1产品外观应色泽均匀,无伤痕、划伤、裂纹等缺陷,面板及丝印文字和标志应清晰可见。
2.1.2产品按键应操作灵活,功能正常。
2.1.3产品的皮肤电极片应色泽均匀,无划伤、划痕、裂纹等缺陷。
2.1.4产品的脚轮应转向灵活,运行顺畅,并具有制动功能。
(适用于推车式型号)2.2性能2.2.1产品的脉冲频率 800Hz,允差±10%。
2.2.2产品的正脉冲宽度 0.4ms,允差±10%;2.2.3产品输出幅度最大时,单脉冲电量应大于7μC。
2.2.4产品最大输出电流幅度有效值应不大于 80mA。
2.2.5产品单个脉冲最大输出的能量不超过 300mJ。
2.2.6产品开路测量时,输出电压峰值小于 80V,超过一定幅度应有开路保护功能。
2.2.7产品应能承受输出端开路和短路的影响,短路或开路恢复后,其性能不得削弱。
2.2.8产品电源中断后再恢复时,治疗仪不得有输出。
2.2.9产品输出幅度的调节分成 100 级,输出每增加或减少一级,增量或减量不大于 1mA 或1V 的变化,最小输出不大于最大输出的 2%。
2.2.10产品治疗时间为 5-60min 可调,步进为 5min;治疗时间偏差:≤±5%。
2.3环境试验要求a)气候环境试验应按GB/T14710-2009《医用电气设备环境要求及试验方法》中II 组的规定;b)机械环境试验应按 GB/T14710-2009 中Ⅱ组的规定;c)运输试验应按 GB/T14710-2009 中第4 章的规定;d)对电源电压的适应能力应按 GB/T14710-2009 第5 章的规定。
2.4电气安全要求应符合 GB 9706.1-2007《医用电气设备第 1 部分:安全通用要求》、YY0607-2007《医用电气安全第二部分:神经和肌肉刺激器安全专用要求》,产品特性见附录 A。
2.5电磁兼容应符合 YY0505-2012《医用电气设备第 1-2 部分:安全通用要求并列标准:电磁兼容要求和试验》标准和 GB 4824-2013《工业科学和医疗(ISM)射频设备骚扰特性限值和测量方法》的要求。
低频脉冲综合治疗仪适用范围:主要适用于慢性盆腔炎的治疗,并可缓解乳腺管不通(乳房胀痛、增加乳汁分泌)、促进子宫恢复。
1.1 产品型号:GB-800型。
1.2 产品型号划分说明1.3 组成:由主机、腔内电极和体外电极(腹部电极、胸部电极、子宫复旧电极)组成。
1.4 基本参数1.4.1 电极数a)腔内电极数:1个;b)腹部电极:1个;c)胸部电极:2对;d) 子宫复旧电极:2对。
1.4.2 通道数a)盆腔炎治疗通道数:1个。
b)产后康复综合治疗通道数:4个。
1.4.3 盆腔炎治疗工作模式:10种。
1.4.4 腔内电极采用不锈钢302或304材料制造。
1.4.5 整机重量:12kg。
2.1 工作条件2. 2.1.1 环境条件a)环境温度:5℃~40℃;b)相对湿度:≤80%;c)大气压力:860hPa~1060hPa。
2.1.2 电源条件:电压AC220V;频率50Hz。
2.2 性能2.2.1 脉冲输出模式:a)盆腔炎治疗脉冲输出模式:10种,波形形状应符合表1的规定。
表1 盆腔炎治疗脉冲输出模式对应波形示意图b)产后康复综合治疗脉冲输出模式:对应每种治疗项目,波形形状应符合表2所示。
表2 产后康复综合治疗脉冲输出模式对应波形示意图2.2.2 工作频率:a)盆腔炎治疗:1000×(1±10%)Hz。
b)产后康复综合治疗:833×(1±10%)Hz。
2.2.3 脉冲宽度:a)盆腔炎治疗:0.5×(1±15%)ms。
b)产后康复综合治疗:0.4×(1±15%)ms。
2.2.4 单个脉冲电量:治疗仪输出幅度最大时,每一个脉冲的电量应大于7μC。
2.2.5 最大输出有效值:不超过40V。
2.2.6 单个脉冲最大输出能量:不超过300mJ。
2.2.7 开路电压峰值:测量时,输出电压峰值不大于500V。
2.2.8 开路、短路保护:治疗仪应能承受输出端开路和短路的影响,能正常工作。
低频脉冲综合治疗仪适用范围:主要适用于慢性盆腔炎的治疗,并可缓解乳腺管不通(乳房胀痛、增加乳汁分泌)、促进子宫恢复。
1.1 产品型号:JY-1000型。
1.2 产品型号划分说明1.3 组成:由主机、体外电极和体内电极组成。
1.4 基本参数1.4.1 电极数a)体外电极数:4个。
b)体内电极数:1个。
1.4.2 通道数a)治疗项目1通道数:1个。
b)治疗项目2通道数:3个。
1.4.3 治疗项目1工作模式:10种。
1.4.4 体内电极采用不锈钢302或304材料制造。
1.4.5 整机重量:12kg。
2.1 工作条件2.1.1 环境条件a)环境温度:5℃~40℃;b)相对湿度:≤80%;c)大气压力:860hPa~1060hPa。
2.1.2 电源条件:电压AC220V;频率50Hz。
2.2 性能2.2.1 脉冲输出模式:a)治疗项目1脉冲输出模式:10种,波形形状应符合表1的规定。
表1 治疗项目1脉冲输出模式对应波形示意图b)治疗项目2脉冲输出模式:对应每种治疗项目,波形形状应符合表2所示。
表2 治疗项目2脉冲输出模式对应波形示意图2.2.2 工作频率:a)治疗项目1:1000×(1±10%)Hz。
b)治疗项目2:833×(1±10%)Hz。
2.2.3 脉冲宽度:a)治疗项目1:0.5×(1±15%)ms。
b)治疗项目2:0.4×(1±15%)ms。
2.2.4 单个脉冲电量:治疗仪输出幅度最大时,每一个脉冲的电量应大于7μC。
2.2.5 最大输出幅度:有效值不超过40V。
2.2.6 单个脉冲最大输出能量:不超过300mJ。
2.2.7 开路电压峰值:测量时,输出电压峰值不大于500V。
2.2.8 开路、短路保护:治疗仪应能承受输出端开路和短路的影响,其性能不得消弱。
2.2.9 电源中断后复通:当电源中断后再恢复时,治疗仪不得有输出。
低频脉冲综合治疗仪
原理:通过电极的热效应,使组织的微血管扩张、血液加速。
让免
疫细胞功能活跃,从而改善机体与病毒做斗争的环境,有效抑制细
菌繁殖,另外,细菌分泌的毒素在一定的温度下被破坏,抗体形成
增加、局部代谢旺盛,一定的温度可使组织干燥,渗出物减少,避免炎症进一步扩散,从而达到治疗病症的目的。
(消炎、抑菌、增
加局部抵抗力)
适应症:慢性盆腔炎,子宫内膜炎、输卵管卵巢炎、腹膜炎、盆腔
炎引起的不孕症等。
禁忌症:①活动性结核及肿瘤②妊娠,经期及有子宫内出血者慎
用③高热、心、肝、肾功能不全者慎用。
选择:(需调节的项目)→“确定“键(字体闪烁)→旋转机器右侧旋钮(调节适合的数值)→“确定”键(锁定该数值)→再按”选择“键(继续下一项的调节与锁定)依此类推→调节完成后按”
开始”键(开始治疗)→调节治疗强度(治疗开始后方可调节)
治:腹部与腔内治疗最高可调为42度,治疗强度为20度,治疗时
间为1-59分钟之间,治疗时间治疗开始后不可调节。
维护保养
电极板的消毒:用酒精棉球消毒电极板的正反面。