规整填料塔安装说明书
- 格式:doc
- 大小:20.00 KB
- 文档页数:2
陕西XX煤化工有限责任公司填料、塔内件技术规格书陕西XX矿业机电处:陕西XX煤化工有限责任公司:陕西XX煤化工有限责任公司曹家峪园区:编制:陕西XX煤化(曹家峪)焦化甲醇工程填料、塔内件采购技术要求1、用途:填料:用于脱硫塔、洗苯塔内部填装。
塔内件:用于脱硫塔、再生塔、洗苯塔内部安装2、安装环境:厂址:陕西省XX县店头镇环境温度:最高:38℃:最低:-19℃海拔高度:943m当地大气压(平均):94750Pa;环境湿度:年平均相对湿度72%安装位置:塔器内部3、技术要求3.1脱硫塔填料、内件技术要求3.1.1工艺参数设计压力:0.02MPa(G)工作压力:0.017MPa(G)设计温度:60℃工作温度:39-48℃介质名称:煤气、脱硫液(中度危害,易燃)脱硫塔规格:DN6400×41620设计四台脱硫塔,三开一备运行使用。
煤气流量:132869Nm3/h进口煤气成分:出口煤气成分:3.1.2填料要求:轻瓷填料规格:轻瓷多齿环比表面积:124m2/m3空隙率:79%堆积块数:220n/m3堆积重量:330kg/m3数量:338m3×4=1352 m3规格:阶梯环φ76比表面积:75 m2/m3空隙率:78%堆积个数:2500n/m3堆积重量:530kg/m3干填料因子:158m-1总量:65m3×4=260m33.1.3内件要求按照HG/T21585.1-1998和HG/T21618-1998及国家精镏中心技术要求。
液体分布器及除沫器冲洗装置2套(旋流板除沫器)进液分布器2个(选槽式分布器,底板δ=8,立板δ=6。
)槽盘式液体分布器2个(底板δ=4,伸气管δ=3,盖板δ=2。
)进气分布器(围板δ=6,立板δ=8,盖板δ=10)材质:06Cr19Ni10注:塔器内件严格按照图纸制作3.2再生塔内件要求3.2.1工艺参数设计压力:常压工作压力:常压设计温度:50℃最低设计金属温度:35℃介质名称:脱硫液再生塔规格:DN4600,H~49400设计四台再生塔并联使用。
填料吸收塔的设计说明书目录1.题目 (3)2. 吸收塔的工艺计算 (4)2.1基础物性数据 (4)2.1.1液相物性数据 (4)2.1.2气相物性数据 (4)2.1.3气液相平衡数据 (4)2.2物料衡算 (5)2.3填料塔的工艺尺寸的计算 (6)2.3.1塔径的计算 (6)2.3.2传质单元高度计算 (8)2.3.3传质单元数的计算 (10)2.3.4填料层高度 (11)2.3.5 筒壁厚度及封头厚度 (11)2.4塔附属高度的计算 (11)2.5填料层压降的计算 (12)2.6液体分布器计算 (13)2.6.1 液体分布器 (13)2.6.2 布液孔数 (13)2.6.3 塔底液体保持高度 (13)2.7 其他附属塔内件的选择 (13)2.7.1 液体分布器 (14)2.7.2 填料支撑板 (14)2.7.3 填料压板与床层限制板 (15)2.7.4 气体进出口装置与排液装置 (15)3.塔的强度校核 (15)3.1塔的载荷分析 (15)3.1.1质量载荷 (16)3.1.2风载荷 (16)3.1.3地震载荷 (17)3.2筒体的强度及稳定性校核 (17)3.2.1筒体轴向应力 (17)3.2.2轴向应力校核条件 (18)3.3裙座的强度及稳定性校核 (18)3.3.1裙座筒体 (18)3.3.2裙座基础环 (18)3.3.3地脚螺栓 (18)3.3.4裙座与塔体连接焊缝 (19)附录一工艺设计计算结果汇总及主要符号说明 (20)参考文献 (22)1.题目吸收塔设计题目焙烧炉尾气净化吸收塔设计矿石焙烧炉出来的气体中含SO2,为了防止大气污染,采用清水洗涤工艺除去其中的SO2。
焙烧炉出来的气体温度为25℃,洗涤水的温度为常温20℃。
试设计一座吸收塔,设计参数如下:组号炉气流量Nm3/h 炉气SO2含量(摩尔分数)操作压力MPa操作温度℃要求SO2的吸收率%1 1000 0.07 0.15 20 972 1500 0.06 0. 15 20 963 2000 0.05 0. 15 20 954 2500 0.05 0. 15 20 95主要设计内容:1.确定吸收过程设计方案;2.吸收塔的物料和能量衡算;3.吸收塔的工艺设计计算;4.填料塔附属内件设计;5.吸收塔接管尺寸计算;6.绘制吸收塔设计条件图;7.绘制填料塔主要内件施工图(如液体分布器、气体分布器、填料压板等);8.编写设计计算说明书2. 吸收塔的工艺计算2.1 基础物性数据由于操作气压为0.15Mpa,温度为20摄氏度,所以接近与标准状态一个大气压和20摄氏度,1500Nm3/h可以换算成1000m3/h1.设计方案的确定用水吸收SO2属中等溶解度的吸收过程,为提高传质效率,选用逆流吸收流程。
化工原理课程设计—填料塔的设计说明书化学与化工学院制目录一、绪论 (3)二、设计任务及操作条件 (3)三、设计方案的确定 (4)1、装置流程的确定 (4)2、吸收剂选择 (5)3、操作温度与压力的确定 (5)4、填料的类型与选择 (6)四、基础物性参数的确定 (8)1、液相物性参数 (8)2、气相物性参数 (8)3、气液相平衡参数 (9)4、物料衡算 (9)5、填料物性参数 (10)五、填料塔工艺尺寸的确定 (11)1、塔径的计算 (11)2、填料层高度计算 (14)六、填料层压降计算 (16)七、填料塔内件的类型与设计 (17)八、总结 (18)九、参考文献 (19)十、后记......................................................................................................... 错误!未定义书签。
十一、符号说明.. (19)一、绪论塔设备是炼油、化工、石油化工等生产中广泛应用的气液传质设备。
根据塔内气液接触部件的形式,可以分为填料塔和板式塔。
板式塔属于逐级接触逆流操作,填料塔属于微分接触操作。
工业上对塔设备的主要要求:(1)生产能力大(2)分离效率高(3)操作弹性大(4)气体阻力小结构简单、设备取材面广等。
塔型的合理选择是做好塔设备设计的首要环节,选择时应考虑物料的性质、操作的条件、塔设备的性能以及塔设备的制造、安装、运转和维修等方面的因素。
板式塔的研究起步较早,具有结构简单、造价较低、适应性强、易于放大等特点。
填料塔由填料、塔内件及筒体构成。
填料分规整填料和散装填料两大类。
塔内件有不同形式的液体分布装置、填料固定装置或填料压紧装置、填料支承装置、液体收集再分布装置及气体分布装置等。
与板式塔相比,新型的填料塔性能具有如下特点:生产能力大、分离效率高、压力降小、操作弹性大、持液量小等优点。
填料塔的类型很多,其设计的原则大体相同,一般来说,填料塔的步骤如下:根据设计任务和工艺要求,确定设计方案;根据设计任务和工艺要求,合理地选择填料;确定塔径、填料层高度等工艺尺寸;计算填料层的压降;进行填料塔塔内件的设计和选型。
填料塔设计2012-11-20一、填料塔构造填料塔是以塔内装有大量的填料为相间接触构件的气液传质设备。
填料塔的塔身是一直立式圆筒,底部装有填料支承板,填料以乱堆或整砌的方式放置在支承板上。
在填料的上方安装填料压板,以限制填料随上升气流的运动。
液体从塔顶参加,经液体分布器喷淋到填料上,并沿填料外表流下。
气体从塔底送入,经气体分布装置〔小直径塔一般不设置〕分布后,与液体呈逆流接触连续通过填料层空隙,在填料外表气液两相密切接触进展传质。
填料塔属于连续接触式的气液传质设备,正常操作状态下,气相为连续相,液相为分散相。
二、填料的类型及性能评价填料是填料塔的核心构件,它提供了气液两相接触传质的相界面,是决定填料塔性能的主要因素。
填料的种类很多,根据装填方式的不同,可分为散装填料和规整填料两大类。
散装填料根据构造特点不同,分为环形填料、鞍形填料、环鞍形填料等;规整填料按其几何构造可分为格栅填料、波纹填料、脉冲填料等,目前工业上使用最为广泛的是波纹填料,分为板波纹填料和网波纹填料;填料的几何特性是评价填料性能的根本参数,主要包括比外表积、空隙率、填料因子等。
1.比外表积:单位体积填料层的填料外表积,其值越大,所提供的气液传质面积越大,性能越优;2.空隙率:单位体积填料层的空隙体积;空隙率越大,气体通过的能力大且压降低;3.填料因子:填料的比外表积与空隙率三次方的比值,它表示填料的流体力学性能,其值越小,外表流体阻力越小。
三、填料塔设计根本步骤1.根据给定的设计条件,合理地选择填料;2.根据给定的设计任务,计算塔径、填料层高度等工艺尺寸;3.计算填料层的压降;4.进展填料塔的构造设计,构造设计包括塔体设计及塔内件设计两局部。
四、填料塔设计1.填料的选择填料应根据别离工艺要求进展选择,对填料的品种、规格和材质进展综合考虑。
应尽量选用技术资料齐备,适用性能成熟的新型填料。
对性能相近的填料,应根据它的特点进展技术经济评价,使所选用的填料既能满足生产要求,又能使设备的投资和操作费最低。
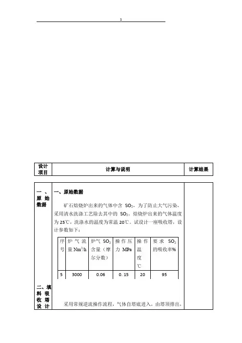
设计项目计算与说明计算结果一、原始数据二、填料吸收塔设计一、原始数据矿石焙烧炉出来的气体中含SO2,为了防止大气污染,采用清水洗涤工艺除去其中的SO2。
焙烧炉出来的气体温度为25℃,洗涤水的温度为常温20℃。
试设计一座吸收塔,设计参数如下:采用常规逆流操作流程,气体自塔底进入,由塔顶排出,序号炉气流量Nm3/h炉气SO2含量(摩尔分数)操作压力MPa操作温度℃要求SO2的吸收率%5 3000 0.06 0. 15 20 95方案的确定1、吸收工艺流程的确定2、填料的选择液相相反,特点是传质推动力大,传质速率快,分离效率高,吸收剂利用率高。
吸收流程如下:2、填料的选择作为吸收过程,一般要求具有操作液气比大等特点,因而更适合选用填料塔。
填料塔阻力小,效率高,有利于过程节能。
与板式塔相比,具有生产能力大、分离效率高、压降小、操作弹性大、塔内持液量小等突出优点。
对于水吸收二氧化硫的过程,操作温度及操作压力较低,二氧化硫吸收产物具有腐蚀性,而塑料材料的耐酸腐蚀性比较好,故工业上通常选用塑料散装填料。
在塑料散装填料中,塑料阶梯环的综合性能较好,故选用38mm×19mm×1.0mm聚丙烯阶梯环填料。
主要性能参数见下表:公称直径(d)mm实际尺寸(δ⨯⨯Hd)mm个数(n)/m3比表面(a)/m38 38×19×1.027200 132.5空隙率(ε)m3/m3堆积密度3p/-⋅mkgρ干填料因1/-Φm91 57.5 175采用常规逆流操作流程采用塑料38mm×19mm×1.0mm塑料阶三、基础物性数据1、液相物性数据2、气相物性数据三、基础物性数据1、液相物性数据对低浓度吸收过程,溶液的物性数据可近似取纯水的物性数据。
20℃时水的有关物性数据如下:密度:3Lm/kg2.998=ρ粘度:h)kg/(m6.3sPa103L⋅=⋅=-μ表面张力:2Lkg/h940896=σSO2在水中的扩散系数:/hm1029.5/sm1047.12625L--⨯=⨯=D2、气相物性数据①.混合气体的平均摩尔质量:kg/m ol1.312994.06406.0iiVm=⨯+⨯=∑=MyM②.混合气体的平均密度:3VmVmkg/m883.1298314.81.31150=⨯⨯==RTPMρ③.混合气体的粘度可近似取为空气的粘度,20℃时空气的粘度如下:h)kg/(m065.0sPa1081.15V⋅=⋅⨯=-μ④.查手册得,SO2在空气中的扩散系数:/hm039.02V=D3、气液相平衡数据3、气液相平衡数据四、物料衡算①.查手册得,20℃时SO2在水中的亨利系数:kPa1055.33⨯=E②.相平衡常数:67.261501055.33=⨯==PEm③.溶解度系数:0526.002.181055.32.9983sL=⨯⨯==EMHρ四、物料衡算①.进塔气相摩尔比:0638.006.0106.01111=-=-=yyY②.出塔气相摩尔比:00383.0)94.01(0638.0)1(212=-=-=soYYϕ③.进塔惰性气相流量:kmol/h35.83)06.01(2982734.222168=-⨯⨯=V④.min)(VL计算:该吸收过程属于低浓度吸收,平衡关系为直线,最小液气比可按12min12/Y YLV Y m X-⎛⎫=⎪-⎝⎭计算,又因为对于纯溶剂吸收过程,进塔液相组成2X为0,则五、填料塔的工艺尺寸的计算1、塔径计算78.2067.23/0683.000383.00638.0/)(2121min=--=--=XmYYYVL⑤.取操作液气比为1.4,则:092.2978.204.1)(4.1min=⨯==VLVLkmol/h8182.242435.83092.29=⨯=⇒L⑥.物料衡算:1212()()V Y Y L X X-=-00213.0)00383.00683.0(8182.242435.831=-⨯=⇒X五、填料塔的工艺尺寸的计算1、塔径计算①.采用Eckert通用关联图计算泛点气速。
填料塔说明书填料塔是一种用于气体或液体处理的设备,它的主要功能是提供大表面积以促进质量传递和热量交换。
本说明书将详细介绍填料塔的结构、工作原理、常见问题及维护方法,以帮助用户更好地了解和使用填料塔。
1. 填料塔的结构填料塔主要由以下几部分组成:进料口、分布器、填料层、干燥塔顶部、出料口、进气口和出气口。
进料口用于将待处理的气体或液体引入填料塔,分布器将进料均匀地分配到填料层,填料层提供了大表面积以增加质量传递和热量交换的效率。
干燥塔顶部通常配有洗涤器或排气系统,以去除塔内可能存在的湿气。
出料口用于收集处理后的气体或液体,进气口和出气口分别用于供气和排气。
2. 填料塔的工作原理填料塔的工作原理基于质量传递和热量交换的原理。
当进料通过分布器均匀地分配到填料层时,填料的大表面积将促进气体或液体的接触,从而实现质量传递。
在此过程中,填料塔内的填料可以提供额外的表面积,这使得填料塔在相同体积条件下具有更高的传质效率。
同时,填料塔的设计还考虑到了热量交换的需求,在填料塔顶部设有干燥塔顶部以去除湿气,以确保减少传质过程中可能的湿气干扰。
3. 填料塔的常见问题3.1 填料塔堵塞填料塔堵塞可能由于填料本身的问题或进料中的杂质引起。
在使用填料塔过程中,如果发现填料层出现异常阻力或出料量减少的情况,应及时检查填料塔内是否存在堵塞情况,并采取适当的清理措施。
3.2 填料脱落填料塔的填料可能会因为长时间的使用或不当的操作而出现脱落的情况。
填料脱落不仅会降低填料塔的传质效率,还可能对设备的正常运行造成影响。
因此,定期检查填料塔的填料情况,并进行必要的维护是十分重要的。
3.3 清洗问题填料塔在工作一段时间后可能积累了各种污垢,这会影响其传质效果。
因此,定期对填料塔进行清洗是很有必要的,可以采用冲洗、机械刷洗等方法来清除污垢。
4. 填料塔的维护方法4.1 定期检查填料塔的填料情况,发现脱落或损坏的填料及时更换。
4.2 定期清洗填料塔,确保填料塔内无污垢积累。
塔内件安装手册范本北洋国家精馏技术工程企业技术文件JL/ZI-2004填料塔件安装手册发布日期2004-2 2004-2 实施北洋国家精馏技术工程发展发布北洋国家精馏技术工程发展填料塔件安装手册填料塔件安装手册本标准规定了北洋国家精馏技术发展(以下简称本公司)关于填料塔塔件安装的技术要求及验收标准,用于指导由本公司设计的,或由本公司授权设计的,应用本公司相关塔件专利技术或专有技术的填料塔的件的安装及验收。
填料塔的件指填料、填料支撑、填料压紧装置、液体分布器、液体收集器、液体收集再分布器、气体分布器、液体顶分布管等构件。
在遵守本标准的同时还应符合“HGJ211-85”《化工塔类设备施工及验收规》中的第三章第四节中相关规定的要求,本标准如与上述标准或图纸技术要求发生矛盾时,应以要求严格为准。
1.安装前的准备工作1.1塔件的清点及验收交付安装的塔件必须符合设计要求,并附有出厂合格证明书、材质单、装箱单等技术文件。
塔件开箱应在有关人员参加下,对照装箱单及图样,按下例项目检查与清点,并填下“塔件验收清点记录”;a )箱号、箱数及包装情况b)件名称、规格、代号及材质。
c)件的尺寸及数量d)件表面损伤、变形及锈蚀状况。
1.2塔件的保管a )件安装时如集油箱、液体分布器等可放置在现场保管,但要防止变形、损伤、腐蚀等情况发生;现场应保持平整清洁,不影响其它工程施工。
特别是应保证液体分布器的清洁,不得将任何杂物落入分布器,必须保证分布器入塔前各分布孔畅通。
b)易损易失零部件,如螺栓、螺母、连接筋板等较小部件,应按类按规格作好标记后,存放库房保管。
1.3塔件安装条件a )件安装前,应对塔安装表面进行清理,去除表面油污、焊渣、铁锈、泥沙及毛刺等杂物。
b)对旧塔进行改造需将安装塔件的部位按改造施工图要求磨平并打磨光滑。
c)安装前应将各物流口用盲板盲死。
d)塔必须具备严格的防火措施。
1.4塔件的现场预组装a )对要安装的塔部件必须编注序号以便安装。
目录(一) 设计任务 (1)(二) 设计简要 (2)2.1 填料塔设计的一般原则 (2)2.2 设计题目与要求 (2)2.3 设计条件 (2)2.4 工作原理 (2)(三) 设计方案 (2)3.1 填料塔简介 (2)3.2填料吸收塔的设计方案 (3)<a>.设计方案的思考 (3)<b>.设计方案的确定 (3)<c>.设计方案的特点 (3)<d>.工艺流程 (3)(四)填料的类型 (4)4.1概述 (4)4.2填料的性能参数 (4)4.3填料的使用范围 (4)4.4填料的应用 (5)4.5填料的选择 (5)(五)填料吸收塔工艺尺寸的计算 (6)5.1塔径的计算 (6)5.2核算操作空塔气速u与泛点率 (7)5.3液体喷淋密度的验算 (8)5.4填料层高度的计算 (8)5.5填料层的分段 (8)5.6填料塔的附属高度 (9)5.7液相进出塔管径的计算 (9)5.8气相进出塔管径的计算 (9)(六)填料层压降的计算 (10)(七)填料吸收塔内件的类型与设计 (10)7.1 填料吸收塔内件的类型 (10)7.2 液体分布简要设计 (12)(八)设计一览表 (13)(九)对设计过程的评述 (13)(十)主要符号说明 (14)参考文献 (17)(二)设计简要(1)填料塔设计的一般原则填料塔设计一般遵循以下原则:①:塔径与填料直径之比一般应大于15:1,至少大于8:1;②:填料层的分段高度为:金属:6.0-7.5m,塑料:3.0-4.5;③:5-10倍塔径的填料高度需要设置液体在分布装置,但不能高于6m;④:液体分布装置的布点密度,Walas推荐95-130点/m2,Glitsh公司建议65-150点/m2⑤:填料塔操作气速在70%的液泛速度附近;⑥:由于风载荷和设备基础的原因,填料塔的极限高度约为50米(2)设计题目与要求常温常压下,用20℃的清水吸收空气中混有的氨,已知混合气中含氨10%(摩尔分数,下同),混合气流量为3000m3/h,吸收剂用量为最小用量的1.3倍,气体总体积吸收系数为200kmol/m3.h,氨的回收率为95%。
塔填料的安装填料的开发、制造一般由填料制造厂完成,填料的性能数据也由制造厂提供,其质量也应由制造厂保证,这里不加赘述。
1、填料安装前的处理(1)填料的除油新填料表面有一薄油层,这油层可能是金属填料在加工过程中采用润滑油润滑而形成的;也可能是为了避免碳钢填料在运输和储存过程中被腐蚀而加的防锈油。
这层油的存在对于某些物系是绝对不允许的,例如空分系统中,油层洗涤下来后与液氧共存,可引起爆炸。
对于水溶液物系,这层油可妨碍液膜的形成,对于某些碱性物系还可引起溶液发泡,因此应弄清该油的物性,在开车之前将其除掉。
为了便于清除油层,填料加工的润滑剂采用水溶性的较好。
碳钢填料应储存在干燥封闭处,不应提前除,以防锈蚀。
(2)陶瓷填料去碎片新陶瓷填料和重新填充的陶瓷填料应将其中的碎片筛掉,有时需用手工逐个除去,散装陶瓷填料在运输过程中难免有破碎,大块的碎填料仍可利用,其通量有所下降,压降有所升高,但分离效率不会下降。
(3)塔支承圈的拆除板式塔改填料塔,需将原塔板、降液管及支承圈拆除。
水平支承圈应尽可能割干净。
水平支承圈保留,在塔内会干扰气液分布,也减小了塔的有效截面,从而增大了阻力,减小了通量,效率也会因此而下降。
采用散装填料改造板式塔,只要塔的支承圈面积小于塔截面积10%,不需拆除。
采用规整填料改造板式塔,在安装前应将支承圈拆除,并打磨干净,残留量一般应小于5mm,也可听从填料制造商的意见。
2、填料及塔内件的安装需焊接的内件,如填料支承、液体收集器、气液分布器等最好在填料安装前完成,以防焊渣进入填料内引起火灾。
金属填料表面的油层在焊渣的高温条件下很容易着火,塑料填料更容易引起火灾。
焊渣留在塔内还会引起液体分布器堵塞,影响塔效率。
若有些部件必须在填料安装过程中或完成后进行,需在焊接下方铺设石棉布、石棉板等,使焊接与填料隔离。
填料及内件的安装步骤:(1)安装填料支承;(2)安装填料;(3)安装填料固定或压紧装置,并调水平;(4)安装液体分布器或再分布器,固定并调水平;(5)安装完毕,检查。
填料塔说明书一、概述填料塔是一种常见的化工设备,广泛应用于化工生产中的各个环节。
它通过将气体或液体通过填料层进行接触和传质,实现气液分离、提升反应效率等目的。
本说明书将详细介绍填料塔的结构、工作原理以及操作维护等相关内容。
二、结构填料塔主要由下列部分组成:1. 塔体:塔体是填料塔的主体结构,通常采用不锈钢或碳钢材料制成。
塔体内部光滑且无缝隙,以确保流体的均匀传输。
2. 入口管:入口管连接外部供应管道,将待处理的气体或液体引入填料塔。
3. 出口管:出口管将经过填料层处理后的气体或液体排出填料塔。
4. 填料层:填料层可根据具体需要选择不同材料的填料,如陶瓷球、金属丝网等。
填料层提供了大量的表面积,以增加气体和液体之间的接触面积,提高传质效率。
5. 上部装置:上部装置通常包括分布器、液相收集器等,用于均匀分配进入填料层的液体或气体,并收集经过填料层的产物。
三、工作原理填料塔的工作原理基于质量传递和相间传递的原理。
当气体通过填料层时,会与液体发生接触,从而使气体中的溶质在液体中溶解或反应。
填料层提供了大量的界面,促进了气体和液体之间的传质作用。
液体通过填料层时,产生了液滴或薄液膜,增加了液体与气体的接触面积,使得气体在液滴或液膜中溶解或反应。
四、操作维护1. 定期检查:定期检查填料塔的塔体、入口管、出口管等部分是否有损坏或堵塞情况,及时进行维修清理。
2. 清洗保养:根据需要,定期对填料层进行清洗保养,以确保其传质效果。
3. 安全操作:在操作填料塔时,应遵循相应的安全操作规程,确保工作人员的人身安全。
4. 泄漏处理:如发现填料塔出现泄漏情况,应立即采取措施停止泄漏,并进行修复。
五、总结填料塔是一种重要的化工设备,通过填料层的接触传质作用,实现了气液分离和提升反应效率等目的。
本说明书对填料塔的结构、工作原理以及操作维护进行了详细介绍。
只有正确操作和定期维护,才能确保填料塔的正常运行,提高生产效率。
希望本说明书能对您的工作有所帮助!。
设计项目计算与说明计算结果一、原始数据二、填料吸收塔设计一、原始数据矿石焙烧炉出来的气体中含SO2,为了防止大气污染,采用清水洗涤工艺除去其中的SO2。
焙烧炉出来的气体温度为25℃,洗涤水的温度为常温20℃。
试设计一座吸收塔,设计参数如下:采用常规逆流操作流程,气体自塔底进入,由塔顶排出,序号炉气流量Nm3/h炉气SO2含量(摩尔分数)操作压力MPa操作温度℃要求SO2的吸收率%5 3000 0.06 0. 15 20 95方案的确定1、吸收工艺流程的确定2、填料的选择液相相反,特点是传质推动力大,传质速率快,分离效率高,吸收剂利用率高。
吸收流程如下:2、填料的选择作为吸收过程,一般要求具有操作液气比大等特点,因而更适合选用填料塔。
填料塔阻力小,效率高,有利于过程节能。
与板式塔相比,具有生产能力大、分离效率高、压降小、操作弹性大、塔内持液量小等突出优点。
对于水吸收二氧化硫的过程,操作温度及操作压力较低,二氧化硫吸收产物具有腐蚀性,而塑料材料的耐酸腐蚀性比较好,故工业上通常选用塑料散装填料。
在塑料散装填料中,塑料阶梯环的综合性能较好,故选用38mm×19mm×1.0mm聚丙烯阶梯环填料。
主要性能参数见下表:公称直径(d)mm实际尺寸(δ⨯⨯Hd)mm个数(n)/m3比表面(a)/m38 38×19×1.027200 132.5空隙率(ε)m3/m3堆积密度3p/-⋅mkgρ干填料因1/-Φm91 57.5 175采用常规逆流操作流程采用塑料38mm×19mm×1.0mm塑料阶三、基础物性数据1、液相物性数据2、气相物性数据三、基础物性数据1、液相物性数据对低浓度吸收过程,溶液的物性数据可近似取纯水的物性数据。
20℃时水的有关物性数据如下:密度:3Lm/kg2.998=ρ粘度:h)kg/(m6.3sPa103L⋅=⋅=-μ表面张力:2Lkg/h940896=σSO2在水中的扩散系数:/hm1029.5/sm1047.12625L--⨯=⨯=D2、气相物性数据①.混合气体的平均摩尔质量:kg/m ol1.312994.06406.0iiVm=⨯+⨯=∑=MyM②.混合气体的平均密度:3VmVmkg/m883.1298314.81.31150=⨯⨯==RTPMρ③.混合气体的粘度可近似取为空气的粘度,20℃时空气的粘度如下:h)kg/(m065.0sPa1081.15V⋅=⋅⨯=-μ④.查手册得,SO2在空气中的扩散系数:/hm039.02V=D3、气液相平衡数据3、气液相平衡数据四、物料衡算①.查手册得,20℃时SO2在水中的亨利系数:kPa1055.33⨯=E②.相平衡常数:67.261501055.33=⨯==PEm③.溶解度系数:0526.002.181055.32.9983sL=⨯⨯==EMHρ四、物料衡算①.进塔气相摩尔比:0638.006.0106.01111=-=-=yyY②.出塔气相摩尔比:00383.0)94.01(0638.0)1(212=-=-=soYYϕ③.进塔惰性气相流量:kmol/h35.83)06.01(2982734.222168=-⨯⨯=V④.min)(VL计算:该吸收过程属于低浓度吸收,平衡关系为直线,最小液气比可按12min12/Y YLV Y m X-⎛⎫=⎪-⎝⎭计算,又因为对于纯溶剂吸收过程,进塔液相组成2X为0,则五、填料塔的工艺尺寸的计算1、塔径计算78.2067.23/0683.000383.00638.0/)(2121min=--=--=XmYYYVL⑤.取操作液气比为1.4,则:092.2978.204.1)(4.1min=⨯==VLVLkmol/h8182.242435.83092.29=⨯=⇒L⑥.物料衡算:1212()()V Y Y L X X-=-00213.0)00383.00683.0(8182.242435.831=-⨯=⇒X五、填料塔的工艺尺寸的计算1、塔径计算①.采用Eckert通用关联图计算泛点气速。
塔内件安装手册Document serial number【UU89WT-UU98YT-UU8CB-UUUT-UUT108】北洋国家精馏技术工程有限公司企业技术文件JL/ZI-2004填料塔内件安装手册发布日期2004-2 2004-2 实施北洋国家精馏技术工程发展有限公司发布北洋国家精馏技术工程发展有限公司填料塔内件安装手册填料塔内件安装手册本标准规定了北洋国家精馏技术发展有限公司(以下简称本公司)关于填料塔塔内件安装的技术要求及验收标准,用于指导由本公司设计的,或由本公司授权设计的,应用本公司相关塔内件专利技术或专有技术的填料塔的内件的安装及验收。
填料塔的内件指填料、填料支撑、填料压紧装置、液体分布器、液体收集器、液体收集再分布器、气体分布器、液体顶分布管等构件。
在遵守本标准的同时还应符合“HGJ211-85”《化工塔类设备施工及验收规范》中的第三章第四节中相关规定的要求,本标准如与上述标准或图纸技术要求发生矛盾时,应以要求严格为准。
1.安装前的准备工作塔内件的清点及验收交付安装的塔内件必须符合设计要求,并附有出厂合格证明书、材质单、装箱单等技术文件。
塔内件开箱应在有关人员参加下,对照装箱单及图样,按下例项目检查与清点,并填下“塔内件验收清点记录”;a )箱号、箱数及包装情况b)内件名称、规格、代号及材质。
c)内件的尺寸及数量d)内件表面损伤、变形及锈蚀状况。
塔内件的保管a )内件安装时如集油箱、液体分布器等可放置在现场保管,但要防止变形、损伤、腐蚀等情况发生;现场应保持平整清洁,不影响其它工程施工。
特别是应保证液体分布器的清洁,不得将任何杂物落入分布器内,必须保证分布器入塔前各分布孔畅通。
b)易损易失零部件,如螺栓、螺母、连接筋板等较小部件,应按类按规格作好标记后,存放库房保管。
塔内件安装条件a )内件安装前,应对塔内安装表面进行清理,去除表面油污、焊渣、铁锈、泥沙及毛刺等杂物。
b)对旧塔进行改造需将安装塔内件的部位按改造施工图要求磨平并打磨光滑。
用于空分装置的填料及内件装配指南(TRK 30400)SULZERCHEMTECH1999.7.171、序言本装配指南根据苏尔寿的通用指南编写,适用于空气分离装置。
当所有的另部件都正确装配并实现了以下所述的全部要求后,苏尔寿填料塔就可以达到高的性能。
因此,我们建议:在安装和装配苏尔寿规整填料与内件,以及在随后的接筒作业中,应该有苏尔寿的监导员在场。
2、填料和内件的运输和储存填料和内件要装在密封的木箱,条板箱里,每块填料和内件都要先用PE塑料薄膜包裹好再装入箱里,以防在运输中损坏。
要遵照用户的指示组织运输。
大量填料和内件要跨海运输时,最好要装在集装箱里。
装有填料的条板箱上要做好运输标记,如“↑↑”,“防潮”等等。
要根据每个箱里的规整填料和内件在安装中的先后顺序进行编号。
在安装时要按编号顺序开箱和进行安装。
在每个包装箱里都要有一份装箱清单。
装有填料和内件的包装箱不能存放在没有防雨保护措施的室外。
除非立即要进行安装,否则不要开箱。
开箱时最好有苏尔寿的监导员在场。
在任何时候都要保护好苏尔寿规整填料和内件,防止表面受到污染,要特别防止来自其它地方的沉积物和铁锈的污染。
3、塔的制造所有另部件在装配前都要检查其清洁度。
在装配过程中,所有的接触面都要很仔细地加以清理。
要测量塔的直径,其最大公差要在规定范围以内,见下表。
每装10盘填料后,要测量塔的圆度并作好记录。
在需要额外插片和抽片的地方,也要测量塔的园度并做好记录。
记录表见附录1C。
当塔的内径超出上述的公差范围(过大或过小)时,要由苏尔寿来进行检查,并决定是否需要更换或调整填料和(或)内件。
填料在现场装配的塔,整个塔的直线度偏差不得超过0.3%。
填料在生产厂的车间里装配好的塔,整个塔的直线度偏差不得超过0.1%。
每一节塔筒和整个塔都是这个要求。
塔的设计见附录2。
塔的精确设计,请见苏尔寿的有关装配图。
3.1填料的内件的装配装配是在一节节塔筒里进行的。
在车间是从开口的塔筒往里装。
填料塔填料装填方案编制:审核:审批:2010年12月填料塔填料装填方案1.风险评价与削减措施1.1参与装填人员必须按安全规定穿戴好劳动用品,严格按装填方案的各项规定和要求执行。
1.2装填现场应设警界区,无关人员严禁进入区域内,以免伤人。
1.3进入现场的工作人员必须戴好安全帽。
高空作业(2米以上)必须办理高空作业票,配戴安全带。
1.4参加装填人员必须注意相互沟通、联系,保证装填过程安全。
1.5参加装填人员必须严格按照生产部有关管理、安全管理规定进行。
1.6配备现场临时急救箱,配备必要的受伤临时处理、救护药品、物品。
1.7参与装填人员均参加安全教育知识及技能培训,并考核合格。
1.8装填现场附近设置了现场医疗点,并有专车准备救护。
1.9要有专人监护,严禁在附近有人员走动、逗留。
2.填料装填应具备的条件2.1各塔所有附件安装结束,工艺吹扫合格,内部清理干净。
2.2所有填料数量质量达到要求并送至现场。
2.3现场搭好临时平台。
3.填料装填前的准备3.1打开填料孔,做入塔安全分析,做进入塔容器许可证。
3.2.拆除塔的液体分布器及填料压板。
3.3将现场清扫干净。
3.4接好现场照明及塔内照明,并准备好装填所需工器具及材料。
3.5将卷扬机、吊框、拉绳等接好。
4.填料装填应注意的事项4.1.必须有专人负责检验所装填料的质量和数量,防止编织袋及内膜等杂物装入塔内。
4.2装填前必须进行计算并在设备内标注好装填高度线。
4.3塔内装填人员衣袋内禁装杂物,以防掉入塔内,装填时如有杂物掉入塔内,应立即取出。
4.4入塔作业前要办理《设备内安全作业证》,在精馏塔上部作业时要系好安全带。
4.5塔内的易损内件应严禁脚踏,注意防止填料从高处落下伤人,装填要逐层进行,严禁交叉作业。
4.6吊车及工具操作需专人负责,使用电器注意安全,防止触电。
4.7应设立特殊作业区域,闲杂人等不得入内。
5.填料装填步骤5.1精馏塔及其相关工艺管线吹扫清洗完毕,装填方案已批准,拆掉精馏塔人孔螺栓,打开人孔进入精馏塔内,拆下填料层上部压栅。
用于空分装置的填料及内件装配指南(TRK 30400)SULZERCHEMTECH1999.7.171、序言本装配指南根据苏尔寿的通用指南编写,适用于空气分离装置。
当所有的另部件都正确装配并实现了以下所述的全部要求后,苏尔寿填料塔就可以达到高的性能。
因此,我们建议:在安装和装配苏尔寿规整填料与内件,以及在随后的接筒作业中,应该有苏尔寿的监导员在场。
2、填料和内件的运输和储存填料和内件要装在密封的木箱,条板箱里,每块填料和内件都要先用PE塑料薄膜包裹好再装入箱里,以防在运输中损坏。
要遵照用户的指示组织运输。
大量填料和内件要跨海运输时,最好要装在集装箱里。
装有填料的条板箱上要做好运输标记,如“↑↑”,“防潮”等等。
要根据每个箱里的规整填料和内件在安装中的先后顺序进行编号。
在安装时要按编号顺序开箱和进行安装。
在每个包装箱里都要有一份装箱清单。
装有填料和内件的包装箱不能存放在没有防雨保护措施的室外。
除非立即要进行安装,否则不要开箱。
开箱时最好有苏尔寿的监导员在场。
在任何时候都要保护好苏尔寿规整填料和内件,防止表面受到污染,要特别防止来自其它地方的沉积物和铁锈的污染。
3、塔的制造所有另部件在装配前都要检查其清洁度。
在装配过程中,所有的接触面都要很仔细地加以清理。
要测量塔的直径,其最大公差要在规定范围以内,见下表。
每装10盘填料后,要测量塔的圆度并作好记录。
在需要额外插片和抽片的地方,也要测量塔的园度并做好记录。
记录表见附录1C。
当塔的内径超出上述的公差范围(过大或过小)时,要由苏尔寿来进行检查,并决定是否需要更换或调整填料和(或)内件。
填料在现场装配的塔,整个塔的直线度偏差不得超过0.3%。
填料在生产厂的车间里装配好的塔,整个塔的直线度偏差不得超过0.1%。
每一节塔筒和整个塔都是这个要求。
塔的设计见附录2。
塔的精确设计,请见苏尔寿的有关装配图。
3.1填料的内件的装配装配是在一节节塔筒里进行的。
在车间是从开口的塔筒往里装。
一填料池安装(图一)填料及内件的安装步骤:1.安装调料支撑;2.安装填料;3.安装填料固定或压紧装置,并调水平;4.安装液体分布器或再分布器,固定并调水平。
5.安装完毕,检查。
填料的安装方法及注意事项(1)散装填料的安装散装填料可采用湿法填充和干法填充,陶瓷填料和非碳钢金属填料,若条件允许,应采用湿法填充。
湿法填充:在通量受限的场合应尽量采用湿法填充。
安装支撑板后,往塔内注水,将填料从水面上方轻轻倒入水中,填料从水中漂浮下落,水面要高出填料一米以上。
干法填充:对于大直径塔采用干法填充。
填料应始终从离填料层一定高度倒入,有时需要人站在填料层填充。
但人不可直接站在填料上,可在填料上铺设木板使受力分散。
无论采用湿法填充还是干法填充,都应由塔壁向中心填充,以防在塔壁处架桥,各段填料安装完毕后应检查填料是否推平。
若不平,应将其推平。
具体操作如图所示:(2)规整调料的安装小直径(<800)整盘规整填料的安装:先将防壁流圈翻边、摆正,将相邻两盘填料波纹片成90°角依次放入塔内,并用圆盘适当压紧。
对于填料层高度较大,直径稍大的塔,可采用推盘跟踪填料盘,将填料盘送到预定位置,也可将几盘填料进塔前串成一串,一起装入塔内。
或两人采用钢筋条勾住填料,下降到预定位置。
具体操作如图所示:大直径(>800)规整填料的安装:需分块从人孔进入塔内安装,如图所示:若壁流圈与填料一体,每块填料安装前需将壁流圈按要求打开;若防壁流圈与填料分体,安装过程中需将防壁流圈按要求安装到位。
通常安装由一端开始至另一端结束,相邻两盘填料波纹成90°角。
如图所示,每盘填料安装的起始位置。
每四盘填料为一个周期,这样顺时针(或逆时针)方向转动组装填料盘,可以缩小填料上端面水平误差。
丝网填料安装完毕后再去掉包角。
安装人员不应总站在塔截面中部,这样易形成“锅底”现象。
各盘填料组装最后一块需借助滑板安装,由于塔的不圆及其他原因有时需将填料酌情加片或减片,以使填料适合塔体。
规整填料塔安装说明书
一.进塔前的准备
安装前应充分洗塔,并将各物流的进出口用盲板堵死。
二.规整填料的安装
1.工具:装填工具(现场制造)、卷尺、石笔、棕绳、剪刀、丝钳、手砂轮等。
2.填料安装前应检验筒体焊缝,塔内凸出高度应小于3mm,否则应打磨至符合要求,另外,应检验器壁是否有损伤,如
有不符合要求处应请施工人员处理。
原塔内残留之部件,如
影响填料或内件的安装,则应割除。
3.测量每段填料及内件的图上标高是否与塔内实际具有的高度相符,否则请设计人员处理。
4.填料起吊时,应放在特制的器具内,严禁用绳索直接捆扎填料起吊。
装卸过程应轻拿轻放,以免破坏填料外型。
5.填料开箱后,应按分块图及填料标号在塔外组成圆盘无误后,按序号吊上塔,在此过程中严禁填料片变形或填料块中
带入任何杂物,发现上述情况应及时整形处理。
6.填料在塔上按序号用棕绳捆扎后,由人孔送入塔内,整盘填料安装过程中不得松散。
7.填料支撑安装完毕后,应使其表面平整,不平度小于D/500。
(D为塔内径,D≥2m时,不平度偏差小于4mm)。
8.由填料支承上端面开始,每隔一米,在塔壁上做出标记,并
应标出米数,以随时掌握填料层的高度公差,在安装过程中
应随时注意塔壁,看是否有损伤,如发现损伤,应及时处理。
9.第一层填料与填料支承的相对方位参看图纸。
以后每层填料走向与其下层填料波纹片走向呈90度角交错安装;每块填
料进塔后,应按序号摆放;填料块就位前应用装填工具将端
头整形使其与塔壁相符;填料块之间应挤紧,不留缝隙,各
块就位后,用装填工具调整各处的松紧度,并将各处踩实,
必须使上下盘之间紧密接触,填料安装过程中不得带入任何
杂物,铁丝及其它包装物不得留在塔内。
10.每盘填料安装完毕后,必须经现场指导人员检验认可后,才能进行下一盘填料的安装。
三.塔内件的安装
1.所有塔内件安装方位及水平度要求见图纸,安装完毕后应清除焊渣及其他杂物,各液体分布器应保证所有分布孔畅通。
2.在安装过程中和安装完毕后,塔内应避免动火,以防止填料着火。
如必须在塔内动火,则应做好相应的防火准备。
如:
在动火处铺上浸水的石棉布,以防止焊渣落入填料层中,并
准备好消防水,以防不测,严禁在塔内填料上用等离子切割。
注意:在塔内动火时,现场必须有专人看管。
3.所有塔内的紧固件,如螺栓螺母等均应按各零部件图的要求把紧,不得有遗漏及未把紧现象出现。