钕铁硼 牌号性能表 磁学换算参量 流程 表面处理
- 格式:doc
- 大小:1.10 MB
- 文档页数:12
钕铁硼永磁材料牌号表钕铁硼永磁材料是一种磁性极强的新型材料,在现代工业中应用广泛。
为了更好地使用这种材料,大量的牌号被开发出来。
本文将围绕钕铁硼永磁材料牌号表展开讨论。
一、什么是钕铁硼永磁材料牌号表?钕铁硼永磁材料牌号表指的是一种包含钕铁硼永磁材料牌号及其组成成分、磁性能等信息表格。
这张表格是钕铁硼永磁材料生产、加工及应用过程中重要的技术资料。
它能帮助我们选择适合的钕铁硼永磁材料牌号,从而达到最优的使用效果。
二、钕铁硼永磁材料有哪些牌号?常见的钕铁硼永磁材料牌号有N35、N38、N40、N42、N45、N50、N52等。
其中,N表示“钕铁硼”这一类材料,而后面的数字则代表磁性能。
例如,牌号为N35的钕铁硼永磁材料,其磁性能约为1.17-1.22特斯拉,而牌号为N52的钕铁硼永磁材料,则其磁性能接近1.43特斯拉。
三、如何选择合适的钕铁硼永磁材料牌号?选择合适的钕铁硼永磁材料牌号需要考虑以下几个方面:1. 使用环境:不同的使用环境下,要求钕铁硼永磁材料具有不同的磁性强度、温度耐受性、抗腐蚀性等性能。
例如,在高温环境下,要求材料具有较高的温度耐受性,因此应选择磁性能较高的牌号。
2. 应用需求:钕铁硼永磁材料的广泛应用涉及到各种应用领域,需要满足不同需求。
如在医疗领域,需要选择磁性较弱的牌号,以免过强的磁场对人体产生不良影响。
3. 经济成本:不同的钕铁硼永磁材料牌号价格不同,成本也不同。
因此,在实际应用中,需要在性能要求满足的前提下,选择经济合理的钕铁硼永磁材料牌号。
四、结论钕铁硼永磁材料牌号表是钕铁硼永磁材料生产、加工及应用过程中不可或缺的技术资料。
选择合适的钕铁硼永磁材料牌号需要综合考虑使用环境、应用需求以及经济成本等多方面因素。
在实际应用中,可以通过参考钕铁硼永磁材料牌号表来指导选择适合的钕铁硼永磁材料牌号。
钕铁硼磁铁的使用说明及其性能表钕铁硼(NdFeB)永磁材料是以金属间化合物Nd2Fe14B为基础的永磁材料。
钕铁硼具有极高的磁能积和矫顽力,可吸起相当于自身重量的640倍的重物。
高能量密度的优点使钕铁硼永磁材料在现代工业和电子技术中获得了广泛应用,从而使仪器仪表、电声电机、磁选磁化等设备的小型化、轻量化、薄型化成为可能。
钕铁硼的优点是性能价格比高,具良好的机械特性,易于切削加工;不足之处在于居里温度点低,温度特性差,且易于粉化腐蚀,必须通过调整其化学成分和采取表面处理方法使之得以改进,从而达到实际应用的要求。
钕铁硼的制造采用粉末冶金工艺,将含有一定配比的原材料如:钕、镝、铁、钴、铌、镨、铝、硼铁等通过中频感应熔炼炉冶炼成合金钢锭,然后破碎制成3~5μm 的粉料,并在磁场中压制成型,成型后的生坯在真空烧结炉中烧结致密并回火时效,这样就得到了具有一定磁性能的永磁体毛坯。
毛坯经过磨削、钻孔、切片等加工工序后,再经表面处理就得到了用户所需的钕铁硼成品。
产品新时代,新时代产品。
我们不断创新,不断求知。
我们以我们诚信赢得客户,感动客户!我们只所以能立足,就是如此耶!宁波鸿翔磁性元件厂销售部:汤军明宁波鸿翔磁铁材料厂是专门从事钕铁硼稀土永磁铁,强力磁铁,磁性材料,磁性过滤器及家庭水处理磁化器生产的高新技术企业。
主导产品为强力磁铁,磁铁,磁性材料,磁性过滤器,强磁水处理器,磁钢,磁石,强磁,管外形强磁水处理器,家庭形强磁水处理器,管内式强磁水处理器,磁化净水器,圆环磁铁,圆柱磁铁,圆形磁铁,瓦形磁铁,方块磁铁,异形磁铁,强磁戒指,强力磁铁戒指,强力磁钢,瓦形磁钢,铁氧体黑磁普通磁铁,铝镍钴磁铁,橡胶磁,磁力棒,磁力架,磁力块,大方块磁铁,小方块磁铁,小规格磁铁,大规格磁铁,小圆片磁铁,大圆片磁铁,磁棒,磁架,磁块,磁条,磁片,磁环,磁芯,磁钮,磁扣,磁吸,磁粒,磁钉,磁排,磁钢,磁性礼品,磁性冰箱贴,磁性名片,磁性书签,磁性拼图,磁性相框,磁性胶片,磁性飞镖,磁性飞镖钯,磁性饰品,磁性制品以及注塑耐高温强力磁铁,耐高温磁铁,耐高温瓦形磁铁,耐高温磁环强力磁铁,高性能耐高温强力磁铁,高性能高耐高温烧结钕铁硼磁铁,钕铁硼强力磁铁,径向磁铁,径向强力磁铁,磁性材料,磁性元件,,钕铁硼耐高温强磁磁钢,礼品盒磁铁,工艺品磁铁,保健磁,月饼盒磁铁,包装磁环磁钢,U型磁钢,杆状磁钢,管状磁钢,T型磁钢,球型磁钢,扇形磁铁,饼型磁铁,瓦片磁铁,圆环磁铁,环形磁钢,磁性器件,瓦形磁钢、铁片、铜铀、铜条铁片,铁壳等.另专业生产、销售HID氙气灯用磁环磁铁、HID氙气灯磁铁,汽车HID氙气灯用磁铁,广东磁铁、广州磁铁、东莞磁铁、深圳磁铁、佛山磁铁、惠州磁铁、中山磁铁、珠海磁铁、花LED灯用磁铁,LED灯具磁铁。
(企业的实用标准)钕铁硼性能表(总9页)--本页仅作为文档封面,使用时请直接删除即可----内页可以根据需求调整合适字体及大小--企业标准本标准等效于:GB/T 2828 逐批检查计数抽样程序及抽样表(适用于连续批的检查) GB/T 3217 永磁(硬磁)材料磁性试验方法GB/T 9637 磁学基本术语和定义GB/T 13560 烧结钕铁硼磁体XB/T 903 烧结钕铁硼磁体表面镀覆层烧结钕铁硼磁体2009-2-10 发布 2009-3-1实施目次前言 (Ⅱ)1 范围 (1)2 规范性引用文件 (1)3 定义和术语 (1)4材料分类与牌号 (1)5技术要求 (1)6 试验方法 (1)7 检验规则 (2)8.标志、包装、运输 (2)前言本标准起草单位:本标准主要起草人:烧结钕铁硼磁体1.范围本标准规定了烧结钕铁硼磁体的分类、技术要求、试验方法、检验规则、标志、包装、运输、贮存。
本标准适用于粉末冶金工艺生产的烧结钕铁硼磁体。
2.规范性引用文件下列文件中的条款通过本标准的引用而成为本标准的条款。
凡是注日期的引用文件,其随后所有的修改单(不包括勘误的内容)或修订版均不适用于本标准,然而,鼓励根据本标准达成协议的各方研究是否可使用这些文件的最新版本。
凡是不注日期的引用文件,其最新版本适用于本标准。
GB/T 2828 逐批检查计数抽样程序及抽样表(适用于连续批的检查)GB/T 3217 永磁(硬磁)材料磁性试验方法GB/T 9637 磁学基本术语和定义GB/T 13560 烧结钕铁硼磁体XB/T 903 烧结钕铁硼磁体表面镀覆层3.术语与定义本标准采用下列定义:主要磁性能:包括永磁材料的剩磁(Br)、磁极化强度矫顽力(内禀矫顽力)(HcJ)、磁感应强度矫顽力(矫顽力)(HcB)、最大磁能积((BH)max)辅助磁性能:包括永磁材料的相对回复磁导率(μrec)、剩磁温度系数(α(Br)),磁极化强度矫顽力温度系数(β(HcJ))。
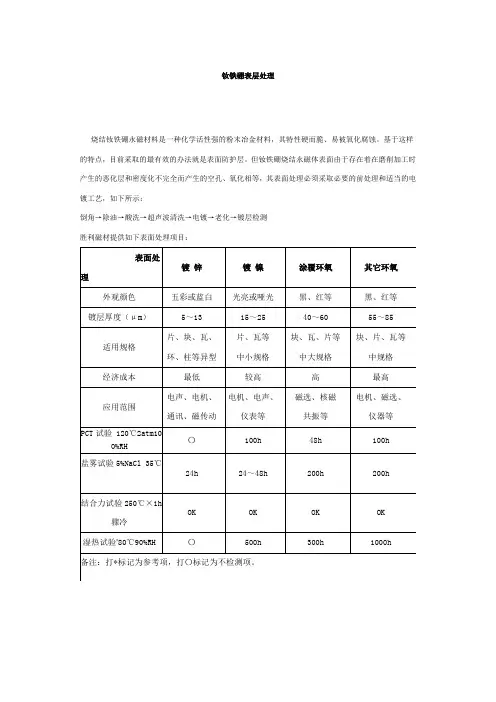
钕铁硼表层处理烧结钕铁硼永磁材料是一种化学活性强的粉末冶金材料,其特性硬而脆、易被氧化腐蚀。
基于这样的特点,目前采取的最有效的办法就是表面防护层。
但钕铁硼烧结永磁体表面由于存在着在磨削加工时产生的恶化层和密度化不完全而产生的空孔、氧化相等,其表面处理必须采取必要的前处理和适当的电镀工艺,如下所示:倒角→除油→酸洗→超声波清洗→电镀→老化→镀层检测胜利磁材提供如下表面处理项目:规格:加工成各种规格.方块最大是:150*100*40mm.圆柱¢120*34mm.产品介绍:第三代稀土永磁钕铁硼(NdFeB)是当代磁体中性能最强的永磁体,它不仅具有高剩磁,高矫顽力、高磁能积、高性能价格比等特性,而且容易加工成各种尺寸,现已广泛应用于航空航天、电子电声、仪器仪表、工艺饰品、皮具手袋、包装盒、玩具、医疗技术及其它需用永磁场的装置的设备中,特别适用于研制高性能、小型化、轻型化的各种换代产品。
表面处理:烧结钕铁硼永磁材料是一种化学活性强的粉末冶金材料,其特性硬而脆、易被氧化腐蚀。
基于这样的特点,目前采取的最有效的办法就是表面防护层。
但钕铁硼烧结永磁体表面由于存在着在磨削加工时产生的恶化层和密度化不完全而产生的空孔、氧化相等,其表面处理必须采取必要的前处理和适当的电镀工艺,如下所示:倒角→除油→酸洗→超声波清洗→电镀→老化→镀层检测非亚磁铁提供如下表面处理项目:表面处理镀锌镀镍涂覆环氧其它环氧外观颜色五彩或蓝白光亮或哑光黑、红等黑、红等镀层厚度(μm)5~13 15~25 40~60 55~85适用规格片、块、瓦、环、柱等异型片、瓦等中小规格块、瓦、片等中大规格块、片、瓦等中规格经济成本最低较高高最高应用范围电声、电机、通讯、磁传动电机、电声、仪表等磁选、核磁共振等电机、磁选、仪器等PCT试验 120℃2atm100%RH〇100h 48h 100h 盐雾试验5%NaCl 35℃24h 24~48h 200h 200h 结合力试验250℃×1h骤冷OK OK OK OK湿热试验*80℃90%RH 〇500h 300h 1000h 备注:打*标记为参考项,打〇标记为不检测项。
钕铁硼磁铁的使用说明及其性能表钕铁硼(NdFeB)永磁材料是以金属间化合物Nd2Fe14B为基础的永磁材料。
钕铁硼具有极高的磁能积和矫顽力,可吸起相当于自身重量的640倍的重物。
高能量密度的优点使钕铁硼永磁材料在现代工业和电子技术中获得了广泛应用,从而使仪器仪表、电声电机、磁选磁化等设备的小型化、轻量化、薄型化成为可能。
钕铁硼的优点是性能价格比高,具良好的机械特性,易于切削加工;不足之处在于居里温度点低,温度特性差,且易于粉化腐蚀,必须通过调整其化学成分和采取表面处理方法使之得以改进,从而达到实际应用的要求。
钕铁硼的制造采用粉末冶金工艺,将含有一定配比的原材料如:钕、镝、铁、钴、铌、镨、铝、硼铁等通过中频感应熔炼炉冶炼成合金钢锭,然后破碎制成3~5μm 的粉料,并在磁场中压制成型,成型后的生坯在真空烧结炉中烧结致密并回火时效,这样就得到了具有一定磁性能的永磁体毛坯。
毛坯经过磨削、钻孔、切片等加工工序后,再经表面处理就得到了用户所需的钕铁硼成品。
产品新时代,新时代产品。
我们不断创新,不断求知。
我们以我们诚信赢得客户,感动客户!我们只所以能立足,就是如此耶!宁波鸿翔磁性元件厂销售部:汤军明宁波鸿翔磁铁材料厂是专门从事钕铁硼稀土永磁铁,强力磁铁,磁性材料,磁性过滤器及家庭水处理磁化器生产的高新技术企业。
主导产品为强力磁铁,磁铁,磁性材料,磁性过滤器,强磁水处理器,磁钢,磁石,强磁,管外形强磁水处理器,家庭形强磁水处理器,管内式强磁水处理器,磁化净水器,圆环磁铁,圆柱磁铁,圆形磁铁,瓦形磁铁,方块磁铁,异形磁铁,强磁戒指,强力磁铁戒指,强力磁钢,瓦形磁钢,铁氧体黑磁普通磁铁,铝镍钴磁铁,橡胶磁,磁力棒,磁力架,磁力块,大方块磁铁,小方块磁铁,小规格磁铁,大规格磁铁,小圆片磁铁,大圆片磁铁,磁棒,磁架,磁块,磁条,磁片,磁环,磁芯,磁钮,磁扣,磁吸,磁粒,磁钉,磁排,磁钢,磁性礼品,磁性冰箱贴,磁性名片,磁性书签,磁性拼图,磁性相框,磁性胶片,磁性飞镖,磁性飞镖钯,磁性饰品,磁性制品以及注塑耐高温强力磁铁,耐高温磁铁,耐高温瓦形磁铁,耐高温磁环强力磁铁,高性能耐高温强力磁铁,高性能高耐高温烧结钕铁硼磁铁,钕铁硼强力磁铁,径向磁铁,径向强力磁铁,磁性材料,磁性元件,,钕铁硼耐高温强磁磁钢,礼品盒磁铁,工艺品磁铁,保健磁,月饼盒磁铁,包装磁环磁钢,U型磁钢,杆状磁钢,管状磁钢,T型磁钢,球型磁钢,扇形磁铁,饼型磁铁,瓦片磁铁,圆环磁铁,环形磁钢,磁性器件,瓦形磁钢、铁片、铜铀、铜条铁片,铁壳等.另专业生产、销售HID氙气灯用磁环磁铁、HID氙气灯磁铁,汽车HID氙气灯用磁铁,广东磁铁、广州磁铁、东莞磁铁、深圳磁铁、佛山磁铁、惠州磁铁、中山磁铁、珠海磁铁、花LED灯用磁铁,LED灯具磁铁。
烧结钕铁硼烧结钕铁硼性能参数:牌号Br mT (kGs) Hcb kA/m (kOe) Hcj kA/m (kOe)(BH)max kJ/m3(MGOe)最高工作温度(Tw)N27 1030-1080(10.3-10.8) ≥ 796( ≥ 10.0) ≥ 955( ≥ 12) 199-231(25-29) 80 ℃N30 1080-1130(10.8-11.3) ≥ 796( ≥ 10.0) ≥ 955( ≥ 12) 223-247(28-31) 80 ℃N33 1130-1170(11.3-11.7) ≥ 836 ( ≥ 10.5) ≥ 955( ≥ 12) 247-271(31-34) 80 ℃N35 1170-1220(11.7-12.2) ≥ 868( ≥ 10.9) ≥ 955( ≥ 12) 263-287(33-36) 80 ℃N38 1220-1250(12.2-12.5) ≥ 899( ≥ 11.3) ≥ 955( ≥ 12) 287-310(36-39) 80 ℃N40 1250-1280(12.5-12.8) ≥ 907( ≥ 11.4) ≥ 955 ( ≥ 12) 302-326(38-41) 80 ℃N42 1280-1320(12.8-13.2) ≥ 915( ≥ 11.5) ≥ 955( ≥ 12) 318-342(40-43) 80 ℃N45 1320-1380(13.2-13.8) ≥ 923( ≥ 11.6) ≥ 955 ( ≥ 12) 342-366(43-46) 80 ℃N48 1380-1420(13.8-14.2) ≥ 923( ≥ 11.6) ≥ 876( ≥ 12) 366-390(46-49) 80 ℃N50 1400-1450(14.0-14.5) ≥ 796( ≥ 10.0) ≥ 876( ≥ 11) 382-406(48-51) 60 ℃N52 1430-1480(14.3-14.8) ≥ 796( ≥ 10.0) ≥ 876( ≥ 11) 398-422(50-53) 60 ℃30M 1080-1130(10.8-11.3) ≥ 796( ≥ 10.0) ≥ 1114 ( ≥ 14) 223-247(28-31) 100 ℃33M 1130-1170(11.3-11.7) ≥ 836( ≥ 10.5) ≥ 1114( ≥ 14) 247-263(31-33) 100 ℃35M 1170-1220(11.7-12.2) ≥ 868( ≥ 10.9) ≥ 1114( ≥ 14) 263-287(33-36) 100 ℃38M 1220-1250(12.2-12.5) ≥ 899( ≥ 11.3) ≥ 1114( ≥ 14) 287-310(36-39) 100 ℃40M 1250-1280(12.5-12.8) ≥ 923( ≥ 11.6) ≥ 1114( ≥ 14) 302-326(38-41) 100 ℃42M 1280-1320(12.8-13.2) ≥ 955( ≥ 12.0) ≥ 1114( ≥ 14) 318-342(40-43) 100 ℃45M 1320-1380(13.2-13.8) ≥ 995( ≥ 12.5) ≥ 1114 ( ≥ 14) 342-366 (43-46) 100 ℃48M 1360-1430(13.6-14.3) ≥ 1027( ≥ 12.9) ≥ 1114( ≥ 14) 366-390(46-49) 100 ℃50M 1400-1450(14.0-14.5) ≥ 1033 ( ≥ 13.0) ≥ 1114( ≥ 14) 382-406(48-51) 100 ℃30H 1080-1130(10.8-11.3) ≥ 796 ( ≥ 10.0) ≥ 1353(≥ 17) 223-247(28-31) 120 ℃33H 1130-1170(11.3-11.7) ≥ 836 ( ≥ 10.5) ≥ 1353( ≥ 17) 247-271(31-34) 120 ℃35H 1170-1220(11.7-12.2) ≥ 868 ( ≥ 10.9) ≥ 1353( ≥ 17) 263-287(33-36) 120 ℃38H 1220-1250(12.2-12.5) ≥ 899 ( ≥ 11.3) ≥ 1353 ( ≥ 17)287-310(36-39) 120 ℃40H 1250-1280(12.5-12.8) ≥ 923( ≥ 11.6) ≥ 1353( ≥ 17) 302-326(38-41) 120 ℃42H 1280-1320(12.8-13.2) ≥ 955 ( ≥ 12.0) ≥ 1353( ≥ 17) 318-342(40-43) 120 ℃45H 1300-1360(13-13.6) ≥ 963( ≥ 12.1) ≥ 1353 ( ≥ 17) 326-358(43-46) 120 ℃48H 1370-1430(13.7-14.3) ≥ 995( ≥ 12.5) ≥ 1353( ≥ 17) 366-390(46-49) 120 ℃30SH 1080-1130(10.8-11.3) ≥ 804( ≥ 10.1) ≥ 1592( ≥ 20) 223-247(28-31) 150 ℃性能曲线粘结钕铁硼磁体粘结钕铁硼磁体是由快淬NdFeB磁粉和粘结剂混合通过“压制成型”或“注射成型”制成的磁体。
钕铁硼磁铁性能一览表1. 磁能积(BHmax):磁能积是衡量磁体的磁性能的重要指标,表示单位磁体体积中所包含的能量。
钕铁硼磁铁具有非常高的磁能积,通常在最高的级别达到400-600 kJ/m³。
这使它成为目前最强大的可用磁体之一2. 矫顽力(Hcj):矫顽力是材料抵抗磁化反转的能力,即磁场强度增加到一定程度时磁铁发生磁化反转的临界点。
钕铁硼磁铁具有非常高的矫顽力,通常高达1000-2000 kA/m。
这使得它能够在高温和高磁场环境下保持较稳定的磁性能。
3.剩磁(Br):剩磁是材料磁化后去除磁场后剩余的磁感应强度。
钕铁硼磁铁通常具有非常高的剩磁,通常在1.1-1.4T的范围内。
这使得它具有非常强的吸附和保持力,可以广泛应用于各种工业和消费产品。
4.温度系数(α):温度系数是衡量材料磁性能随温度变化的能力。
钕铁硼磁铁具有较高的温度系数,通常在0.1-0.13%/°C之间。
这意味着在高温下,钕铁硼磁铁的磁性能会有一定的衰减。
因此,在高温环境下使用钕铁硼磁铁时需要注意温度影响。
5.耐蚀性:由于钕铁硼磁铁中含有大量的铁元素,它对环境中的湿气和酸性物质敏感,容易生锈和腐蚀。
因此,钕铁硼磁铁通常需要通过电镀或涂层等方式进行保护,以延长其使用寿命。
6.尺寸和形状:钕铁硼磁铁可以制成各种尺寸和形状,如片状、环状、棒状和复杂形状等。
这使得它具有广泛的应用领域,可以满足不同的设计要求。
7.成本:由于钕铁硼磁铁是一种稀有土矿石,以及制备和加工的复杂性,导致其价格较高。
因此,在使用钕铁硼磁铁时需要权衡其性能和成本,选择合适的型号和规格。
总结:钕铁硼磁铁是一种具有极高磁性能的永久磁体,具有高磁能积、高矫顽力、高剩磁和较高温度系数等特点。
它可以在各种工业、电子和消费产品中广泛应用,如电动车、电机、传感器、MRI等。
然而,由于其成本较高且易于腐蚀,需要在使用时进行适当的保护和管理。
钕铁硼(NdFeB)永磁材料是以金属间化合物Nd2Fe14B为基础的永磁材料。
钕铁硼具有极高的磁能积和矫顽力,可吸起相当于自身重量的640倍的重物。
高能量密度的优点使钕铁硼永磁材料在现代工业和电子技术中获得了广泛应用,从而使仪器仪表、电声电机、磁选磁化等设备的小型化、轻量化、薄型化成为可能。
钕铁硼的优点是性能价格比高,具良好的机械特性,易于切削加工;不足之处在于居里温度点低,温度特性差,且易于粉化腐蚀,必须通过调整其化学成分和采取表面处理方法使之得以改进,从而达到实际应用的要求。
钕铁硼的制造采用粉末冶金工艺,将含有一定配比的原材料如:钕、镝、铁、钴、铌、镨、铝、硼铁等通过中频感应熔炼炉冶炼成合金钢锭,然后破碎制成3~5μm 的粉料,并在磁场中压制成型,成型后的生坯在真空烧结炉中烧结致密并回火时效,这样就得到了具有一定磁性能的永磁体毛坯。
毛坯经过磨削、钻孔、切片等加工工序后,再经表面处理就得到了用户所需的钕铁硼成品。
表征磁性材料参数分别是:1、磁能积(BH):定义:在永磁体的退磁曲线的任意点上磁通密度(B)与对应的磁场强度(H)的乘积。
它是表征永磁材料单位体积对外产生的磁场中总储存能量的一个参数。
单位:兆高·奥(MGOe)或焦/米3(J/m3)简要说明:退磁曲线上任何一点的B和H的乘积即BH我们称为磁能积,而B×H的最大值称之为最大磁能积,为退磁曲线上的D点。
磁能积是衡量磁体所储存能量大小的重要参数之一。
在磁体使用时对应于一定能量的磁体,要求磁体的体积尽可能小。
2、剩磁Br:定义:将铁磁性材料磁化后去除磁场,被磁化的铁磁体上所剩余的磁化强度。
3、矫顽力(Hcb、Hcj)Hcj(内禀矫顽力)使磁体的磁化强度降为零所需施加的反向磁场强度,我们称之为内禀矫顽力。
内禀矫顽力是衡量磁体抗退磁能力的一个物理量,是表示材料中的磁化强度M退到零的矫顽力。
在磁体使用中,磁体矫顽力越高,温度稳定性越好。
烧结钕铁硼产品牌号与性能表:内禀矫顽力内禀矫顽力(Hcj)单位为奥斯特(Oe)或安/米(A/m)使磁体的磁化强度降为零所需施加的反向磁场强度,我们称之为内禀矫顽力。
内禀矫顽力是衡量磁体抗退磁能力的一个物理量,是表示材料中的磁化强度M退到零的矫顽力。
在磁体使用中,磁体矫顽力越高,温度稳定性越好。
最大磁能积(BH)max 退磁曲线上任何一点的B和H的乘积即Bm、Hm和(BH)代表了磁铁在气隙空间所建立的磁能量密度,即气隙单位体积的静磁能量,由于这项能量等于磁铁Bm与Hm的乘积,因此称为磁能积,磁能积随B 而变化的关系曲线称为磁能曲线,其中一点对应的Bd和Hd的乘积有最大值,称为最大磁能积。
(磁通密度B,和磁场强度H)剩磁retentivity剩余磁化强度的简称。
符号Br。
磁记录材料内被记录的信息都是作为剩余磁通被保存下来的。
从提高磁带输出的观点来看,希望Br要尽可能大一些。
顽磁,一个物质的顽磁是其剩磁所能达到的最大值。
(The retentivit y of a substance is the maximum value which the residual flux den sity can attain.)钕铁硼磁铁能吸附多重?在设计一款产品需要钕铁硼磁铁时,会对其磁力有一定要求,或者说钕铁硼磁铁能吸附多重?一般的情况下,钕铁硼磁铁能吸起自身重量600倍的物件。
吸力的因素钕铁硼磁铁的吸力跟它的体积、性能牌号、距离有一定关系。
体积体积越大吸力越大性能牌号牌号越高吸力越大,例如同款尺寸规格的磁铁,N48比N35要高出很多的吸力。
距离指的是磁体与被吸附物体的距离,距离越大,吸力越小。
钕铁硼磁铁的规格很多,有带孔的、异形的,这些跟吸力有直接的关系,计算较为复杂。
而且不同的距离也有不同的吸力。
不同材质牌号也有不同吸力。
吸力计算在此我们只罗列两种简单的规格:圆形和方形。
性能牌号:普通N35牌号距离:直接吸附,零距离。
钕铁硼(NdFeB)永磁材料是以金属间化合物Nd2Fe14B为基础的永磁材料。
钕铁硼具有极高的磁能积和矫顽力,可吸起相当于自身重量的640倍的重物。
高能量密度的优点使钕铁硼永磁材料在现代工业和电子技术中获得了广泛应用,从而使仪器仪表、电声电机、磁选磁化等设备的小型化、轻量化、薄型化成为可能。
钕铁硼的优点是性能价格比高,具良好的机械特性,易于切削加工;不足之处在于居里温度点低,温度特性差,且易于粉化腐蚀,必须通过调整其化学成分和采取表面处理方法使之得以改进,从而达到实际应用的要求。
钕铁硼的制造采用粉末冶金工艺,将含有一定配比的原材料如:钕、镝、铁、钴、铌、镨、铝、硼铁等通过中频感应熔炼炉冶炼成合金钢锭,然后破碎制成3~5μm 的粉料,并在磁场中压制成型,成型后的生坯在真空烧结炉中烧结致密并回火时效,这样就得到了具有一定磁性能的永磁体毛坯。
毛坯经过磨削、钻孔、切片等加工工序后,再经表面处理就得到了用户所需的钕铁硼成品。
表征磁性材料参数分别是:1、磁能积(BH):定义:在永磁体的退磁曲线的任意点上磁通密度(B)与对应的磁场强度(H)的乘积。
它是表征永磁材料单位体积对外产生的磁场中总储存能量的一个参数。
单位:兆高·奥(MGOe)或焦/米3(J/m3)简要说明:退磁曲线上任何一点的B和H的乘积即BH我们称为磁能积,而B×H的最大值称之为最大磁能积,为退磁曲线上的D点。
磁能积是衡量磁体所储存能量大小的重要参数之一。
在磁体使用时对应于一定能量的磁体,要求磁体的体积尽可能小。
2、剩磁Br:定义:将铁磁性材料磁化后去除磁场,被磁化的铁磁体上所剩余的磁化强度。
3、矫顽力(Hcb、Hcj)Hcj(内禀矫顽力)使磁体的磁化强度降为零所需施加的反向磁场强度,我们称之为内禀矫顽力。
内禀矫顽力是衡量磁体抗退磁能力的一个物理量,是表示材料中的磁化强度M退到零的矫顽力。
在磁体使用中,磁体矫顽力越高,温度稳定性越好。
钕铁硼国标参数表一、引言钕铁硼(NdFeB)是一种具有极高磁能积和较大矫顽力的稀土永磁材料,被广泛应用于电子、电机、医疗设备、汽车等领域。
本文将介绍钕铁硼国标参数表,并对其各项参数进行详细解析。
二、磁性能参数钕铁硼的磁性能参数是衡量其磁性能优劣的重要指标。
以下是常见的钕铁硼国标磁性能参数:1. 矫顽力(Hc):是指在一定温度下,磁体磁化到饱和状态后,去磁时所需施加的反磁场强度。
矫顽力越大,说明钕铁硼材料抵抗磁场反转的能力越强。
2. 剩磁(Br):是指在磁体饱和磁化状态下,去磁后磁体仍保留的磁感应强度。
剩磁越大,说明钕铁硼材料的磁化能力越强。
3. 最大磁能积(BHmax):是指磁体在饱和磁化状态下,单位体积内所具有的磁能。
最大磁能积越大,说明钕铁硼材料具有更高的能量密度。
4. 矫顽力温度系数(αHc):是指矫顽力随温度变化的比率。
矫顽力温度系数越小,说明钕铁硼材料的矫顽力随温度变化的影响越小。
5. 剩磁温度系数(αBr):是指剩磁随温度变化的比率。
剩磁温度系数越小,说明钕铁硼材料的剩磁随温度变化的影响越小。
三、尺寸参数除了磁性能参数外,钕铁硼国标参数表还包含尺寸参数,这些参数用于描述钕铁硼磁体的几何尺寸和形状。
1. 形状:钕铁硼磁体可以有不同的形状,如圆柱形、方形、环形等。
不同形状的磁体在应用中具有不同的优势。
2. 尺寸:钕铁硼磁体的尺寸参数包括长度、宽度、厚度等。
这些参数决定了磁体的体积和重量。
3. 公差:钕铁硼磁体的尺寸公差是指在制造过程中,磁体尺寸与设计尺寸之间允许的误差范围。
公差的大小影响着磁体的装配和使用效果。
四、表面处理参数钕铁硼国标参数表中还包含了表面处理参数,这些参数用于描述钕铁硼磁体的表面处理方式和要求。
1. 镀层:钕铁硼磁体的表面可以进行不同的镀层处理,如镀锌、镀镍、镀金等。
镀层可以提高磁体的耐腐蚀性和美观度。
2. 表面光洁度:钕铁硼磁体的表面光洁度要求是指磁体表面的平整度和光滑度。
烧结钕铁硼产品牌号与性能表:
内禀矫顽力
内禀矫顽力(Hcj)
单位为奥斯特(Oe)或安/米(A/m)
使磁体的磁化强度降为零所需施加的反向磁场强度,我们称之为内禀矫顽力。
内禀矫顽力是衡量磁体抗退磁能力的一个物理量,是表示材料中的磁化强度M退到零的矫顽力。
在磁体使用中,磁体矫顽力越高,温度稳定性越好。
最大磁能积
(BH)max 退磁曲线上任何一点的B和H的乘积即Bm、Hm和(BH)代表了磁铁在气隙空间所建立的磁能量密度,即气隙单位体积的静磁能量,由于这项能量等于磁铁Bm与Hm的乘积,因此称为磁能积,磁能积随B而变化的关系曲线称为磁能曲线,其中一点对应的Bd和Hd的乘积有最大值,称为最大磁能积。
剩磁
retentivity
剩余磁化强度的简称。
符号Br。
磁记录材料内被记录的信息都是作为剩余磁通被保存下来的。
从提高磁带输出的观点来看,希望Br要尽可能大一些。
顽磁,一个物质的顽磁是其剩磁所能达到的最大值。
(The retentivity of a su bstance is the maximum value which the residual flux density can attain.)。
烧结钕铁硼烧结钕铁硼性能参数:牌号Br mT (kGs) Hcb kA/m (kOe) Hcj kA/m (kOe)(BH)max kJ/m3(MGOe)最高工作温度(Tw)N27 1030-1080(10.3-10.8) ≥ 796( ≥ 10.0) ≥ 955( ≥ 12) 199-231(25-29) 80 ℃N30 1080-1130(10.8-11.3) ≥ 796( ≥ 10.0) ≥ 955( ≥ 12) 223-247(28-31) 80 ℃N33 1130-1170(11.3-11.7) ≥ 836 ( ≥ 10.5) ≥ 955( ≥ 12) 247-271(31-34) 80 ℃N35 1170-1220(11.7-12.2) ≥ 868( ≥ 10.9) ≥ 955( ≥ 12) 263-287(33-36) 80 ℃N38 1220-1250(12.2-12.5) ≥ 899( ≥ 11.3) ≥ 955( ≥ 12) 287-310(36-39) 80 ℃N40 1250-1280(12.5-12.8) ≥ 907( ≥ 11.4) ≥ 955 ( ≥ 12) 302-326(38-41) 80 ℃N42 1280-1320(12.8-13.2) ≥ 915( ≥ 11.5) ≥ 955( ≥ 12) 318-342(40-43) 80 ℃N45 1320-1380(13.2-13.8) ≥ 923( ≥ 11.6) ≥ 955 ( ≥ 12) 342-366(43-46) 80 ℃N48 1380-1420(13.8-14.2) ≥ 923( ≥ 11.6) ≥ 876( ≥ 12) 366-390(46-49) 80 ℃N50 1400-1450(14.0-14.5) ≥ 796( ≥ 10.0) ≥ 876( ≥ 11) 382-406(48-51) 60 ℃N52 1430-1480(14.3-14.8) ≥ 796( ≥ 10.0) ≥ 876( ≥ 11) 398-422(50-53) 60 ℃30M 1080-1130(10.8-11.3) ≥ 796( ≥ 10.0) ≥ 1114 ( ≥ 14) 223-247(28-31) 100 ℃33M 1130-1170(11.3-11.7) ≥ 836( ≥ 10.5) ≥ 1114( ≥ 14) 247-263(31-33) 100 ℃35M 1170-1220(11.7-12.2) ≥ 868( ≥ 10.9) ≥ 1114( ≥ 14) 263-287(33-36) 100 ℃38M 1220-1250(12.2-12.5) ≥ 899( ≥ 11.3) ≥ 1114( ≥ 14) 287-310(36-39) 100 ℃40M 1250-1280(12.5-12.8) ≥ 923( ≥ 11.6) ≥ 1114( ≥ 14) 302-326(38-41) 100 ℃42M 1280-1320(12.8-13.2) ≥ 955( ≥ 12.0) ≥ 1114( ≥ 14) 318-342(40-43) 100 ℃45M 1320-1380(13.2-13.8) ≥ 995( ≥ 12.5) ≥ 1114 ( ≥ 14) 342-366 (43-46) 100 ℃48M 1360-1430(13.6-14.3) ≥ 1027( ≥ 12.9) ≥ 1114( ≥ 14) 366-390(46-49) 100 ℃50M 1400-1450(14.0-14.5) ≥ 1033 ( ≥ 13.0) ≥ 1114( ≥ 14) 382-406(48-51) 100 ℃30H 1080-1130(10.8-11.3) ≥ 796 ( ≥ 10.0) ≥ 1353(≥ 17) 223-247(28-31) 120 ℃33H 1130-1170(11.3-11.7) ≥ 836 ( ≥ 10.5) ≥ 1353( ≥ 17) 247-271(31-34) 120 ℃35H 1170-1220(11.7-12.2) ≥ 868 ( ≥ 10.9) ≥ 1353( ≥ 17) 263-287(33-36) 120 ℃38H 1220-1250(12.2-12.5) ≥ 899 ( ≥ 11.3) ≥ 1353 ( ≥ 17)287-310(36-39) 120 ℃40H 1250-1280(12.5-12.8) ≥ 923( ≥ 11.6) ≥ 1353( ≥ 17) 302-326(38-41) 120 ℃42H 1280-1320(12.8-13.2) ≥ 955 ( ≥ 12.0) ≥ 1353( ≥ 17) 318-342(40-43) 120 ℃45H 1300-1360(13-13.6) ≥ 963( ≥ 12.1) ≥ 1353 ( ≥ 17) 326-358(43-46) 120 ℃48H 1370-1430(13.7-14.3) ≥ 995( ≥ 12.5) ≥ 1353( ≥ 17) 366-390(46-49) 120 ℃30SH 1080-1130(10.8-11.3) ≥ 804( ≥ 10.1) ≥ 1592( ≥ 20) 223-247(28-31) 150 ℃性能曲线粘结钕铁硼磁体粘结钕铁硼磁体是由快淬NdFeB磁粉和粘结剂混合通过“压制成型”或“注射成型”制成的磁体。
粘结磁体的尺寸精度极高,可以做成形状相对复杂的磁元器件,且具有一次成型、多极取向等特点。
注射磁体机械强度高、还可在成型时和其它配套件注射成一体。
压制成型NdFeB 注塑成型NdFeB粘结钕铁硼性能参数性能和牌号BNP-6 BNP-8L BNP-8 BNP-8SR BNP-8H BNP-9 BNP-10 BNP-11 BNP-11L BNP-12L 剩磁B r T(Gs)0.55-0.62 0.60-0.64 0.62-0.69 0.62-0.66 0.61-0.65 0.65-0.70 0.68-0.72 0.70-0.74 0.70-0.74 0.74-0.80矫顽力H CB kA/m(kOe) 285-370(3.6-4.6)360-400(4.5-5.0)385-445(4.8-5.6)410-465 (5.2-5.8) 410-455 (5.2-5.7)400-440(5.0-5.5)420-470 (5.3-5.9) 445-480 (5.6-6.0) 400-440 (5.0-5.5) 420-455 (5.3-5.7)内禀矫顽力H CJ 600-755 715-800 (9-10) 640-800 (8-10) 880-1120 (11-14) 1190-1440 640-800 (8-10) 640-800 (8-10) 680-800 (8.5-10) 520-640 (6.5-8) 520-600 (6.5-7.5)kA/m(kOe) (7.5-9.5) (15-18) 最大磁能积(BH)max kJ/m 3 (MGOe)44-56( 5.5-7 )56-64(7.0-8.0 )64-72(8.0-9.0 )64-72 (8.0-9.0 )64-72(8.0-9.0 )70-76(8.8-9.5 )76-84(9.5-10.5 )80-88(10.0-11.0 )78-84(9.8-10.5 )84-92(10.5-11.5 )密度 D g/cm 3 5.5-6.1 5.6-6.1 5.8-6.1 5.8-6.1 5.9-6.2 5.8-6.1 5.8-6.1 5.8-6.1 5.8-6.1 5.8-6.1可逆磁导率μ r 1.15 1.15 1.15 1.13 1.15 1.22 1.22 1.22 1.26 1.26可逆温度系数α( B r )%/ ℃-0.13 -0.13 -0.13 -0.13 -0.07 -0.12 -0.11 -0.11 -0.11 -0.08最高工作温度Tw ℃100 110 120 150 125 120 120 120 110 1101. 以上特性用韵升标准测试样品测得。
2. 上述的特性与磁体形状和尺寸有关系。
产品的性能以实际的产品得到确认。
注塑成型NdFeB磁性能和物理特性性能和牌号BNI-3 BNI-4 BNI-5 BNI-6 BNI-6H BNI-7 BNI-5SR (PPS) 剩磁B r T (Gs)0.2-0.4 0.40-0.46 0.45-0.51 0.51-0.56 0.48-0.56 0.54-0.64 0.45-0.50矫顽力H CB kA/m(kOe) 120-240 (1.5-3.0) 250-335 (3.1-4.2) 280-360 (3.5-4.5) 295-375 (3.7-4.7) 335-400 (4.2-5.0) 320-400 (4.0-5.0)300-360(3.8-4.5)内禀矫顽力H CJ kA/m(kOe) 480-640 (6.0-8.0) 575-735 (7.2-9.2) 640-800 (8-10) 640-800 (8-10) 1035-1355 (13-17) 640-800 (8-10)875-1115(11-14)磁能积(BH)max kJ/m 3 (MGOe) 8-24 (1.0-3.0) 28-36 (3.5-4.5) 37-44 (4.6-5.5) 44-52 (5.5-6.5) 40-52 (5.0-6.5) 51-59 (6.5-7.5)36-44(4.5-5.5)密度D g/cm 3 3.9-4.4 4.2-4.9 4.5-5.0 4.7-5.1 4.8-5.2 5.0-5.5 4.9-5.4 可逆磁导率μ r 1.2 1.2 1.2 1.13 1.13 1.13 1.13可逆温度系数α(B r )%/ ℃-0.15 -0.13 -0.13 -0.11 -0.15 -0.11 -0.13 最高工作温度T w ℃100 110 120 120 130 120 1501. 以上特性用韵升标准测试样品测得。
2. 上述的特性与磁体形状和尺寸有关系。
产品的性能以实际的产品得到确认。
铝镍钴永磁烧结铝镍钴铸造铝镍钴铝镍钴永磁是由金属铝、镍、钴、铁和其他微量金属元素构成的合金磁体,可通过烧结和铸造两种不同的工艺进行生产。
它有着非常好的抗腐蚀和耐高温性能,主要应用于一些精密仪器。
烧结铝镍钴工艺流程压制—烧结—热处理—磨加工—检验和包装铸造铝镍钴工艺流程砂模制作—熔炼—热处理—磨加工—检验和包装铸造铝镍钴钐钴磁体钐钴主要由金属钐、钴、铁和其他一些微量元素构成的一种高性能永久磁体,其最高工作温度可达300 摄氏度,同时具有很强的抗腐蚀和抗氧化能力,可用于航空航天等领域。