相信科学 还原一个真实的四川石化
- 格式:doc
- 大小:41.00 KB
- 文档页数:3
四川石化项目第一篇:四川石化项目,是中石化在四川省内的重点投资项目之一。
该项目总投资额高达300亿元,占地面积15平方公里。
其建设目的是为了实现中石化在西南地区的战略布局,加强该地区的资源整合和能源供给,提升石油化工产业的综合竞争力。
该项目的建设,将主要分为三个阶段。
第一阶段是以培育特色化工产品和拓展下游市场为主题的基础建设阶段,计划投资90亿元建设一个年产200万吨炼油、100万吨乙烯、20万吨羧酸和20万吨粗苯的生产基地。
第二阶段是在第一阶段达产达效的基础上,进一步提升产品品质和工艺水平,以及开拓新能源市场,计划投资100亿元。
第三阶段则是以实现石化产业链的完整覆盖为目标,计划投资110亿元,集成各类技术和资源,推动石化项目的深度开发。
整个项目的建设,将创造大量的就业机会,带动当地产业的发展。
该项目的建设不仅有利于提高四川省的工业水平和经济实力,还将为我国石油化工产业的健康发展提供强有力的支撑。
四川石化项目的建成运营,将有力推动区域经济的发展,促进当地产业结构的调整和转型升级,为我国西南地区的社会经济发展做出重要贡献。
第二篇:作为中石化在四川的核心项目,四川石化项目的建设,受到了各方的高度关注。
随着项目的持续推进,其取得的成绩也在不断增多。
截至目前,该项目已经完成了基础设施建设的规划与设计,并开始了前期工程的施工。
同时,该项目也在积极探索先进的技术和管理模式,注重创新合作机制,确保建设过程中的高质量。
为了保证项目的顺利进展,四川石化项目的建设单位,采用了多种有效管理措施。
例如,建设单位做好了组织机构的调整,在项目管理、技术研究和市场开发等方面,设立了多个专业部门。
另外,为了加强资金的管理,建设单位还专门成立了资金管理委员会,加强资金监管,确保资金使用的合理和安全。
同时,为了提高管理效能,建设单位还引进了先进的项目管理软件,实现了对项目各个方面的全面监控和管理。
四川石化项目的建设,在顺利推进的同时,也受到了一些困难和挑战,例如,环境保护、能源消耗和人才缺口等问题。
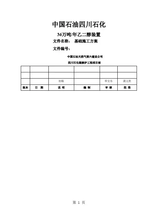
中国石油四川石化36万吨/年乙二醇装置文件名称:基础施工方案文件编号:中国石油天然气第六建设公司四川石化裂解炉工程项目部第 1 页1.编制依据本方案依据中国石油四川石化36万吨/年乙二醇装置变配电所和机柜间施工图纸、结构设计总说明及石油化工设备施工的管理规定进行编制,其主要参照规范如下:●乙二醇装置变配电所、机柜间基础施工图纸●工程测量规范 GB50026-2019●建筑地基基础工程施工质量验收规范 GB50202-2019●建筑工程施工质量验收统一标准 GB50300-2019●混凝土结构工程施工质量验收规范 GB50204-2019●混凝土泵送施工技术规程 JGJ/T10-95●混凝土强度检验评定标准GBJ107-87●清水混凝土应用技术规程JGJ169-2009●砌体填充墙结构构造 06SG614-1●建筑施工安全检查标准 JGJ59-99●建筑机械使用安全技术规程 JGJ33-2019●施工现场临时用电安全技术规范 JGJ46-2019●建筑施工高处作业安全技术规范JGJ80-91●石油化工安全技术规程 SH3505-20192. 工程概况2.1工程概述本工程为中国石油四川石化36万吨/年乙二醇装置变配电所和机柜间基础工程。
抗震设防烈度为8度(0.2g),框架抗震等级为二级。
±0.000相当于绝对标高665.000m。
根据《中国石油四川石化炼化一体化项目环氧乙烷罐区及装车站、乙二醇装置岩土工程详细勘察报告》提供的资料,该场区勘探揭示地层深度范围内,自上而下主要地层为人工填土、第四系全新统、上更新统冲洪积的卵石层、中下更新统冰水积的卵石层、基岩。
根据结构设计总说明,地基持力层为○3-1漂石土层,该层为碎石土,冲洪积形成,呈中密-密实状态,砾石含量约为85%-90%,砾径一般为10-30cm,最大可达1.5m,该层分布在整个场区,层厚1.20-6.00m不等,平均厚度3.96m。
乙二醇装置变配电所采用钢筋砼框架结构,基础形式为钢筋砼独立基础,基础承台设计底标高为-2.0m,基础连梁底标高分别为-0.5m,-0.6m,-0.65m,-0.7m。
四川石化公司连续重整装置达到国际先进水平
佚名
【期刊名称】《炼油与化工》
【年(卷),期】2014(000)002
【摘要】2014年4月5日,四川石化连续重整装置一次开车成功后已平稳运行2个月。
统计数据表明,重整催化剂性能得到充分发挥,各项指标均达到或超过设计要求。
其中,重整碳五以上液体收率高达90%以上,重整生成油辛烷值桶高达90以上,超过辛烷值桶89的国际先进水平考核指标。
【总页数】1页(P23-23)
【正文语种】中文
【相关文献】
1.3项课题通过中石化集团公司的鉴定和验收均达到国际先进水平
2.中国石化“溶剂抽提-选择性加氢脱硫组合技术”达到国际先进水平
3.大庆石化公司三级旋风分离器技术达到国际先进水平
4.中国石化上海高桥分公司聚醚研发达到国际先进水平
5.四川石化连续重整装置超国际先进水平
因版权原因,仅展示原文概要,查看原文内容请购买。
四川彭州石化项目3年建成将主要供应西南
佚名
【期刊名称】《《化工科技市场》》
【年(卷),期】2008(031)002
【摘要】正在加紧建设的成都彭州80万t乙烯项目预计将在3年内建成并开始运行。
包括聚乙烯和汽油等在内的10多个石化系列产品将为西南地区注入强大经济动力,并同时辐射国内外广大市场。
四川和整个西南地区的石化工业几乎是一片空白。
随着经济发展加快,西南地区对石化产品的需要急剧增加,尤其是乙烯等石化产品市场供需矛盾越来越大。
【总页数】1页(P46)
【正文语种】中文
【中图分类】TQ221.21
【相关文献】
1.四川乙烯项目即将落户彭州 [J],
2.中石油数百亿布局西南拟建彭州炼化一体化项目 [J],
3.APP捐赠的四川彭州通济中学建成再向广西希望工程捐助260万元 [J], 海斯
4.西南地区第一套大型乙烯工程项目在四川彭州市奠基 [J], 陈光发;邓涛
5.第九届中国·四川(彭州)蔬菜博览会在彭州市盛大开幕 [J],
因版权原因,仅展示原文概要,查看原文内容请购买。
强大精神感召力西南油气:巍巍西南战天险 乐在巴蜀找油气 本刊记者 薛 婧“茫茫松辽启征程,巍巍西南战天险,乐在巴蜀找油气,红装铁骑勇当先……”激昂的《西南油气之歌》萦绕在西南油气分公司企业文化展厅,生动再现了他们几十年风雨兼程,在我国天然气工业的摇篮——四川盆地书写“为国壮气”的豪迈篇章。
精神,是企业高质量发展的推动力和核心竞争力的重要组成部分,是高质量发展的内生动力和战略引领。
从20世纪50年代至今,几代西南油气人在“三光荣精神”“会战精神”“石油精神”的引领下,从“寻油找气”的地质普查勘探大队,发展到“探采结合”的西南油气分公司,在四川盆地这片热土上,开创了油气发展恢弘事业,创造了璀璨的勘探开发成果。
“三光荣精神”指引油气勘探矢志奋斗路找油找气,荣光满载。
翻开西南油气分公司的发展史,“我为祖国献石油”“为美好生活加油、为祖国建设壮气”始终是广大干部员工的奋斗目标和自觉行动。
1964年,新中国百废待兴,国家发展急需油气,中央发出“加强三线建设”的指示,在松辽工作的第二普查勘探大队、第二物探大队等原西南石油局主体队伍,服从地质部“快速入川”的命令,千里南下完成队伍转移,在四川盆地开始石油地质普查工作。
“哪里黑哪里歇,风餐露宿是常态,但我们都是干劲满满的。
”在那个艰苦创业的火红年代,老362023 / 07 中国石化一辈西南石油人以产业报国为己任,在巴蜀大地,哪里有石油,哪里就是家,先后取得中坝、雷音铺、福成寨、黄龙场等一批油气发现,由此奠定了四川盆地早期油气勘探格局,践行着“以献身地质事业为荣、以艰苦奋斗为荣、以找矿立功为荣”的地质“三光荣精神”,集中体现了地质工作者报效祖国的坚定理想、甘于奉献的行为风范和不求名利的价值追求。
1979年,在四川阆中,原西南石油局首口油气发现井——川30井钻获高产油气流,获日产凝析油120吨、天然气75万立方米。
“就地试采,及时利用。
”时任国务院副总理康世恩作出指示,结束了原西南石油局“只探不采”的历史,开创我国地质矿产系统“勘探开采结合”先河,开启了西南石油人“为国壮气”的新篇章。
典型事故二十六:四川省南充市宏泰生化有限公司“4.23”爆炸事故一、事故调查分析(一)事故概要1、事故简介2011年4月23日11时35分,四川宏泰生化有限公司造气车间甲烷化炉进口管线发生爆炸,事故造成4人死亡,2人受伤,甲烷化炉损坏,直接经济损失550余万元。
2、事故原因(1)直接原因造气直转系统中低变甲烷化炉出口管道(PG-213-200管线)焊接接口在高温含氢介质中长期运行,缺陷暴露、扩展,发生氢气泄漏,泄漏的氢气在空气中的浓度达到了爆炸极限,在未对系统进行停车和安全措施不到位的情况下,违章进行带压堵漏维修,产生火花而引起爆炸。
(2)间接原因四川宏泰生化有限公司未检查、督促从业人员严格执行本单位的安全生产规章制度和安全操作规程(《压力管道管理规定》);未督促、落实停车指令,在未对系统进行停车处理的情况下,未按照《特种设备安全技术规范》(TSG D0001-2009压力管道安全技术监察规程-工业管道)和《危险化学品从业单位标准化通用规范》(AQ3013-2008)的规定,对泄露管道的紧急处理方案进行审查和风险分析,制定安全预控措施。
(二)、基本情况1、事故单位基本情况四川宏泰生化有限公司。
成立于2002年12月31日,住所在南充市高坪区南新路603号,注册资本:5800万元,公司经营范围:生产、销售液体无水氨,碳铵,尿素,生物肥,复合肥;销售:硫磺,磷肥(以上经营范围国家有专项规定的除外);出口本企业生产的碳铵,尿素,生物肥,复合肥(国家限制和禁止出口的除外)。
主要生产装置:造气装置、脱碳装置、氨合成装置、尿素装置、锅炉装置。
2、事故设备情况(1)甲烷化炉。
设计及制造单位:四川三洲川化机核能压力容器制造有限公司,设计日期:2005年1月,竣工日期:2005年6月,容器类别:三类,全容积:10.18m3,物料名称:脱碳气(氢、氮气),设备直径:1.6m,设计压力:6.00MPa,工作压力:5.70 MPa,设计温度:460℃,工作温度≤460℃,设计、制造及验收规范:GB150-1998,焊接规程:JB/T4709-2000;南充市特种设备使用注册登记证,使用证号码:容3HR川RB0139,有效期:2010年4月20日至2011年7月27日;甲烷化炉的作用:将压缩车间来的脱碳气中微量一氧化碳和二氧化碳转换成甲烷。
成都彭州石化项目成都彭州石化项目(上)成都彭州石化项目是中国石化勘探开发石油公司实施的一项大型炼化项目,位于四川省成都市彭州市。
该项目的建设是加快西部地区能源建设和优化石化产业布局的重要举措,也是支撑四川省经济社会发展的重要工程。
本文将从四个方面介绍此项目。
一、项目规模成都彭州石化项目总投资额超过200亿元人民币,占地面积23.2平方公里。
按照规划,项目将建设一条年产200万吨乙烯和年产150万吨聚乙烯的炼化生产线、一座年产80万吨的芳烃生产设施,以及相关的公用工程和辅助设施。
二、项目优势1.地理优势彭州市位于成都平原北缘,交通便利,是连接成都和陕西、甘肃的重要通道。
彭州市还是四川高新技术产业开发区之一,高新技术企业数量和产值位居四川前列,拥有一大批高素质人才,对成都彭州石化项目建设提供了良好的人才和技术保障。
2.资源优势四川省是中国西部地区最富有资源的省份之一,特别是具有较丰富的石油和天然气资源,成都彭州石化项目建设将有力缓解四川省的能源压力,并为企业提供可靠的原料保障。
3.市场优势中国是现代化的发展中国家,炼化工业是国民经济重要组成部分之一,随着人民生活水平的提高和工业化进程的不断推进,成都彭州石化项目的建设极大的满足了当地、省级甚至国际市场的需求,推动了大区域的经济发展,带动了更多的就业和福利。
三、项目影响成都彭州石化项目的建设将带来多方面的积极影响。
1.促进区域产业结构调整项目的建设将对区域经济结构调整产生深远影响,有助于推动中国石化行业的转型升级,推动区域经济发展,助力“四个全面”战略的全面实施。
2.增加就业岗位成都彭州石化项目的建设对于促进就业将起到重要作用。
建设过程中,众多的建筑工人、技术人员、设备工程师、运输工人等等将会得到很好的就业机会,促进地方就业。
3.提升生态环境成都彭州石化项目必须承担环保责任,确保环保问题不成为项目的瓶颈,项目建设必须符合环境证书的要求,推动生态环保、可持续发展施行。
四川哪里发现白色石油
白色石油在四川阿坝州金川县斯则木足地区。
我们所说的白色石油,是指锂矿,锂矿是在自然界中自然生成的,可以作为经济开采的锂资源。
目前,在自然界中已发现了150多种的锂矿物以及含锂矿。
锂是一种金属元素,是金属密度排列中,密度最小的,它对应的单质是银白色质软金属,一般用于原子反应堆、电池等。
对于锂电池的处理,目前普遍采用的是湿法工艺处理,先将电池外壳破除,然后将有价金属元素溶解,再用沉淀、萃取等方法将金属回收。
锂和锂金属化合物并不像其他的碱金属那么典型,锂的电荷密度很大,且锂有稳定的氦型双电子层,锂可以容易极化其他的分子或离子。
成都一中石化加油站爆炸已致1死2伤(图)
2013-03-01
今天上午11点过,成都琉璃厂中国石化加油站,在改造油气回收装置时发生爆炸。
一名施工队的工作人员当场被炸飞,目击者称,爆炸发生时,该工作人员被气浪冲出一个抛物线,有两层楼高,最后跌落
在加油站后面的院子里。
目前,该事故造成1死2伤。
事故现场
据加油站对面的商家刘女士描述,11点50左右,突然听到对面“嘭”的一声巨响,一名中年男子飞到空中,衣服裤子全被炸飞,当场死亡。
120赶到现场后,受伤的一男一女被送往四川省医院救治。
加油站工作人员说,从23日起开始,因为要实行油气回收,改造油气加工装置,加油站已经停止营业。
四川石化公司“1.28”高处坠落亡人事故调查报告二〇一三年三月二十八日四川石化公司“1.28”高处坠落亡人事故调查报告2013年1月28日10时30分,四川石化公司生产一部,在炼油区火炬管网系统气密性检查作业过程中,操作人员在三层平台上开阀门时扳手滑脱,由于惯性身体冲出护栏从三层平台坠落地面,发生一起高处坠落事故,造成1人死亡。
一、事故单位及其他相关单位基本情况1. 中国石油四川石化有限责任公司中国石油四川石化有限责任公司是由中国石油天然气股份有限公司和成都石油化工有限责任公司共同投资兴建的西南地区第一家特大型石化企业,双方股比结构为90%:10%,装置设计生产能力为80万吨/年乙烯、1000万吨/年炼油,厂区位于四川省成都彭州市工业园区,工程总占地4k㎡。
四川石化公司设置总经理(党委)办公室、生产运行处、财务处、人事处(党委组织部)、质量安全环保处、技术发展处、审计法规处、机动设备处、党群工作(企业文化)处9个机关处室,商务部、工程部、行政部3个直属部门;下设6个生产部及仓储运输部、公用工程部、设备检修部、生产监测部和南充炼油厂共11个二级单位。
四川石化公司生产一部是四川石化有限责任公司的生产部门之一。
负责该公司1000万吨/年常减压装置、250万吨/年催化裂化联合装置、10万吨/年硫磺联合装置、火炬及火炬气回收回收设施的生产管理。
该部目前有部长1人、副部长3人,其他管理人员16人,操作人员119人。
按照四川石化项目建设安排,芳烃联合装置E管廊炼油火炬界区阀及平台由SEI负责设计,惠生公司PC总承包,中油七建公司负责建设,北京兴油工程项目管理有限公司负责监理,现处于工程建设与生产运行的交接期。
按照四川石化公司管线划分的规定,炼油区火炬系统的生产操作由四川石化公司生产一部负责,芳烃联合装置E管廊炼油火炬界区阀及相关管线的气密性试验有生产一部负责。
2. 中国石化工程建设有限公司(Sinopec Engineering Incorporation,简称SEI)SEI是中国石油化工集团公司直属的,以工程设计为主体,可实施工程建设总承包和工程项目管理的工程公司。
四川南充一化工厂发生爆炸造成4死2伤4月23日上午,四川省南充市高坪城区一家化工厂发生爆炸,酿成4死2伤的惨剧。
昨日上午,南充市在高坪区召开化工企业安全事故现场会,要求各企业以此作为教训,进行安全生产大检查。
爆炸原因漏气检修发生爆炸发生爆炸的四川宏泰生化有限公司,位于南充高坪区南新路,嵌在生产厂房的“宏泰生化”几个烫金大字很是显眼,在嘉陵江边都能看到。
“爆炸声好大哦!我还跑出小卖部了!”昨日下午,华西都市报记者来到厂区,厂门口前的小卖部里,居民们还在议论这起爆炸事故。
厂区里,一名工作人员告知,主要领导都在处理善后事宜,婉拒记者到爆炸的造气车间,保险公司的工作人员还在现场调查。
四川宏泰生化有限公司副总经理胥松林介绍,事发时间在23日上午11点40分左右,当时正值上班时间,造气车间的工人们发现有漏气现象。
厂里立即安排检修,在检修过程中不慎发生爆炸。
事故导致一名当班工人当场死亡,3名受重伤人员在送往医院救治过程中因抢救无效先后死亡,2名人员受伤。
昨日下午,记者从南充市中心医院获悉,两名烧伤者因为伤势较重,已经转入重症监护室治疗。
对于发生爆炸的车间,胥松林说,该设备是4年前买回来的,并不陈旧,至于到底是什么原因发生爆炸,市上相关部门组成的调查组正在全力展开调查。
目前厂里已经停产,工厂正在全力处理善后事宜。
以此为戒全市安全生产大检查南充市安监局局长滕明鹏介绍,当天事故发生后,南充市和高坪区两级党委、政府和相关部门高度重视,市委、市政府主要领导就事故抢险救援和伤员救治分别作出了重要指示。
省安全监管局副局长刘健接到事故报告后,也立即带领相关人员和技术专家从成都赶赴南充事故现场指导事故抢险救援、善后处理、原因调查等工作。
昨日上午,南充九区县(市)主管安全的政府领导,以及安监、质检部门负责人,在高坪召开了安全会,所有人都被要求到宏泰生化有限公司车间实地查看,并要求各企业以此作为深刻教训,全面进行安全生产大检查。
四川省红光化工厂梯恩梯爆炸
一、事故概况及经过
1987年5月3日22时10分,红光化工厂梯恩梯车间发生爆炸,爆炸药量约19吨,死亡职工7人,重伤8人,轻伤52人。
整个硝化工房和设备被炸成一片废墟,炸毁房屋面积4281平方米。
红光化工厂梯恩梯车间建于1970年,1971年正式投产,由于生产任务不饱满,经常处于半停产状态。
在16年中,霎计生产时间不足5年。
1985年6月起又停产20个月,到1987年2月25日才恢复生产。
发生事故的当班是5月3日16时45分接班,17时许,在冷却水质1.5kg/cm2的情况下(按操作要求,冷却水压力为2—5kg/cm2),将三段硝化4、5两机的硝化温度由手控转为自控。
约21时50分,5号硝化机的操作工发现硝化机上盖各观察孔冒出少量硝烟,随即硝烟增大,硝化温度上升,硝化机人孔盖被冲开,喷出火焰,发生爆炸。
二、事故原因分析
第 1 页
本文部分内容来自互联网,不为其真实性及所产生的后果负责,如有异议请联系我们及时删除。
四川石化1.28事故感想
安全,是化工厂生产永恒而重要的话题,无论什么时候,都要把安全放在第一位。
全国各地化工企业一次又一次的“爆炸泄漏事故”,爆炸后的伤员,不知道有多少人在事故中离开了这个世界,逝者的离去带给我们无尽的悲伤,活着的我们在这一刻才发现,人的生命是多么的脆弱,对个人和家庭都是一场无法弥补的灾难。
从调查结果得知,化工厂85%甚至更多的事故都是违归作业和各方面的疏忽所造成。
主要原因是侥幸心里,思想麻痹,“三违”现象……认为几年、甚至几十年都这样过来了,事故不一定降落在我的头上。
有了这样思想,所以导致事故频频发。
生命诚可贵,安全价更高,只有安全做保障,才能生产出优质的产品。
只有变“要我安全”为“我要安全”,才能从本质上保证安全,才能“安全一个人,幸福全家人!”珍惜生命、杜绝违章!哪一个人不愿笑语长在,哪一个家庭不愿幸福美满。
每个人若能时时刻刻提醒自己,从细微处做起,形成一种习惯,一种风气,安全的屏障就会不断加强,家人的幸福就会不断延伸。
安全靠什么?靠责任心。
在日常的生活工作中,在上班的每时、每分,安全的隐患随都随时存在。
只有安分守已、循规蹈矩、踏踏实实做人做事,强化安全意识,增强责任心,生产的安全才不受威胁。
只有增强责任心,安全才有保障,生命才会美丽。
中国石化在四川盆地又发现一个海相大气田
天工
【期刊名称】《天然气工业》
【年(卷),期】2011(31)9
【摘要】中国石化勘探南方分公司近期在四川盆地东北部发现了气藏最大埋深达6950m的大型海相天然气田——元坝气田。
第一期探明该气田的天然气地质储量1592.53×10^8m^3已正式通过国土资源部矿产资源储量评审委员会专家组审定,是迄今为止国内埋藏最深的海相大气田。
【总页数】1页(P24-24)
【关键词】四川盆地东北部;中国石化;大气田;海相;矿产资源储量;天然气田;评审委员会;国土资源部
【作者】天工
【作者单位】
【正文语种】中文
【中图分类】TE328
【相关文献】
1.中国海相油气田勘探实例之十六四川盆地元坝大气田的发现与勘探 [J], 郭旭升;郭彤楼;黄仁春;段金宝
2.中国海相油气田勘探实例之十一四川盆地五百梯石炭系气田的勘探与发现 [J], 沈平;徐人芬;党录瑞;左云安
3.中国海相油气田勘探实例之六四川盆地普光大气田的发现与勘探 [J], 马永生
4.中国海相油气田勘探实例之八四川盆地磨溪气田嘉二气藏的勘探与发现 [J], 徐春春;李俊良;姚宴波;杨金利;龚昌明
5.中国海相油气田勘探实例(之一)四川盆地罗家寨大型气田的发现和探明 [J], 冉隆辉;陈更生;徐仁芬
因版权原因,仅展示原文概要,查看原文内容请购买。
相信科学消除误解还原一个真实的四川石化
一、四川石化简介
中国石油四川石化有限责任公司是由中国石油天然气股份有限公司和成都
石油化工有限责任公司共同投资兴建的西南地区第一家大型石化企业,设计生产能力为80万吨/年乙烯、1000万吨/年炼油。
公司位于四川省成都彭州市工业园区。
装置分布划分为炼油、化工、公用工程三个部分,总占地6000亩。
四川石化项目预计于2013年建成投产。
四川石化作为西南地区第一个大型石化项目,产品本着“大规模、差别化、低成本、高效益”的原则,生产线性低密度聚乙烯、聚丙烯、乙二醇、丁醇、辛醇、顺丁橡胶、汽油、柴油等十个系列产品,其中柴油全部满足欧Ⅳ标准,汽油产品在欧Ⅲ标准基础上,部分达到了欧Ⅳ指标。
主要服务西南地区,辐射国内外市场。
二、四川石化选址彭州原因
生活在现代社会的人与石化产品已经息息相关,大到各行各业,小到衣食住行。
长期以来,西南地区一直是我国石化工业的唯一空白区域,石油能源供应一直处于紧张状态,使下游轻工、纺织、电子、汽车、建材等相关行业发展都受到制约,这些产品与百姓衣食住行息息相关,这也必然会影响到百姓生活成本。
其实,最初在四川石化项目的选址问题上,彭州并不是唯一的选择,金堂、崇州、青白江都曾经是备选之一。
因为彭州有兰成渝成品油输送管线经过,交通运输便捷,公路和铁路四通八达,特别是厂址所占土地大多为河滩荒地,不占用基本良田,拆迁人口较少,周边5公里范围内人口密集区较少等,因此综合衡量众多因素后,彭州最终成为了最优的选择。
三、四川石化环保措施简介
四川石化项目就采用了国际最先进的减排新技术,生产中产生的70%以上的污水经处理得到回收再利用,30%的污水经处理达到国家一级排放标准后排放,这在国内外已经是很先进。
经论证,当地的环境容量完全可以满足实际排放需求。
四川80万吨/年乙烯项目环评、四川石化基地规划环评和1000万吨/年炼油项目环评分别于2005年4月、2007年8月和2008年2月先后通过了国家环保总局审批。
项目采用的工艺技术国内领先,国际一流。
项目所有的环境标准都是依照我国最高标准设定的,厂区内罐区和装置区分别采用HDPE膜和防渗混凝土进行防渗处理,循环水、生产及生活污水等管线全部地上化,同时采用了最先进的膜回收和烟气脱硫、脱氮等多种工艺。
四川石化拥有一座国际先进水平的综合污水处理场。
四川石化项目的生产污水中,主要包括石油类、硫化物等污染成分。
按炼化一体化的统筹要求,对综合污水处理场进行了优化设置,按废水特性有针对性地采用不同处理方法分别处理,以实现处理效率和经济技术最优化,并尽可能使污水回用最大化,降低污水排放量。
全厂共设置七个分类分级处理装置,包括炼油污水处理、化工污水处理、雨水处理、深度处理、浓水处理、污泥处理、臭气收集及处理。
采用了生物处理、臭氧氧化、生物滤池、超滤、反渗透等处理工艺。
与国内外同类装置对比,强化措施体现在两级隔油、两级气浮、高密度沉淀、V型滤池、臭氧氧化、生物活性
监控等措施,确保排放水达到《污水综合排放标准(GB 8978-1996)》中的一级标准,排污水量控制在450吨/小时,控制水平处于国内同行业领先。
四川石化采取的“四级”排污防控措施:
一级防控:装置区和罐区设立围堰,装置区围堰高度不小于15cm,罐区围堤高度不小于围区内最大单体罐罐容积所需的高度;围堰内的污水分类收集,集中处理。
二级防控:装置区设立生产废水、清净下水、雨水(初期、后期分流切换)和事故消防废水回收系统,清-污分流和事故切换系;对于消防水中含物料较多的进行回收,并作相应的处理;炼油生产装置区、罐区围共设有8个生产污水收集处理池;
三级防控:考虑生产装置发生事故时产生大量的污水、消防水(一、二级防控无法发挥作用),需要收集处理,在污水系统设计针对事故处理事故池,事故发生时是故污水直接引至事故储水池;事故池容积为20000m3,雨水收集池的容积为100000m3。
四级防控:处理达标合格后的污水,经过72km的长输管道送至金堂三义庙氧化塘,在氧化塘氧化,缓解枯水期对沱江的污染;厂区内非污染区排放的雨水,经分类收集经自动在线监测合格切换送至人工湖,作为终级缓冲把关后外排。
氧化塘总容积为300000m3,设有防渗设施。
四、科学武装头脑事实消除误解
误解一:石化项目将导致彭州、成都癌症发病率提高几倍。
网上有“石化会让成都成为癌症之都”等言论作为反对四川石化项目的有力证据。
事实上,这些说法都经不起推敲,根本没有事实证明大型石化企业周围的患癌人数比其他城市多,更何况从未见过报道或调查说中石油、中石化在石化厂上班的员工得癌症的几率非常高。
网上这些癌症发病率数据怎么调查得出的,是否是专业人员调查得出的科学结论,是否来自权威报道。
误解二:四川石化建在地处成都市“上风上水”方位的彭州市。
彭州是成都的“上风上水”这个说法,其实并不准确。
一方面,四川石化项目所在地并不是成都的“上水”,因为项目地处沱江水系,而成都市区属于岷江水系,这两条水系在成都地区几乎没有水交换。
另一方面说彭州是成都的“上风”也不准确,根据中国气象局公布的成都地区长期风向资料(气象专家称之为“风玫瑰图”),全年吹过成都市上空的风主导方向是东北方向,和彭州到成都的方向并不一致。
误解三:欧美发达国家对于石化工厂与居民区之间距离的标准是要在100公里以上,为什么要在距离成都30多公里的彭州建设石化厂?
据国内外石油化工基地和企业的调查资料表明,根本不存在所谓“100公里”的国际标准。
从环境安全角度,在有条件下,离人口密集区当然是越远越好,但具有这样理想条件的地方很难找到。
事实上,国内外不少化工厂距离居民区都比100公里近得多。
例如上海高桥石化,位于上海浦东新区的高桥,厂区就在市区内,这就是历史和现在城市快速发展的现实状况。
但由于其不断改造,采用先进的生产工艺、完善的环保措施,所以在正常情况下周围居民区的环境质量达到了国家标准规定要求。
国际上,新加坡裕廊化工岛距市区相距10多公里;德国路德维西港巴斯夫石化基地与曼海姆市仅隔着一条莱茵河。
它们运行、发展了多
年,没出现过大的环境风险事故,周边的环境质量都是满足国家环境保护标准要求的。
四川石化项目场址距成都市绕城高速公路直线距离为35公里。
误解四:彭州处于地震断裂带上,2008年和2013年两次地震都影响到了彭州,这不是给成都头顶上安了颗定时炸弹吗?
彭州北部山区、龙门山脉一带位于龙门山地震带内,并不代表整个彭州都是地震带,四川石化项目所在地距离龙门山中央断裂带的直线距离达31公里。
“5•12”地震发生时,在四川石化项目选址上已建成了一座地下一层,地面十一层的办公楼,在地震中未有任何结构性损伤,仅部分填充墙(非承重墙)有少量的裂纹,玻璃幕墙和管道没有遭到破坏,石化大道及厂区内柏油公路路面均未见地裂缝。
厂区附近有另一座大型企业亚东水泥厂,与四川石化项目都处在与龙门山断裂带的同一垂直方向上,该厂按照地震区划图确定的7度设防要求进行抗震设计和施工,其生产设备、厂房、办公楼等在此次地震中均无破坏,并在极短时间内就迅速恢复生产。
“5•12”地震发生后,国家发改委委托第三方——中国地震局独立地进行了封闭式评估。
2008年8月19日由中国地震局发给国家发改委名为《关于四川炼油乙烯项目建设厂址进行安全性评估的复函》,“建设场址区内没有断裂通过,场地不存在潜在地震地表破裂危险性。
”2008年“5•12”地震后,中国地震局经论证后确定的防震烈度仍然保持7度设防。
四川石化有限责任公司本着谨慎的态度,又将设防等级提高到8度。
2013年“4.20”芦山地震后,四川石化公司组织对已初步建成的装置、动静设备、建构筑物进行了全面检查,未发现任何问题,说明设计与建设是科学可靠的。
误解五:四川石化每天要排12万吨污水。
生产过程中,四川石化十分注意对水资源的节约利用,做到一水多用、重复利用和废水综合利用,最大限度控制废水的产生量,整个项目生产用水的消耗指标达到国内领先水平。
其中,生产废水的70%经处理后厂内回用,30%处理达到《污水综合排放标准(GB 8978-1996)》一级标准后排放,排污水量控制在450吨/小时,控制水平处于国内同行业领先。
误解六:排放的大气污染物在挤压当地的环境容量,让彭州和成都的自然环境变得更加脆弱。
如果只看生产基地在排放的这件事本身,这个说法是有道理的。
但是应看到的事实是,一方面,地方政府按照国家减排要求,通过淘汰落后产能,腾出了更多的环境容量;另一方面,四川石化项目投产后,能向市场提供更高质量的油品,大大减少了成都地区汽车尾气中的有害物质,反而对改善成都空气质量有积极作用。
目前,成都市场的汽油、柴油大多属于国III品质,由于此前西南地区没有大型炼油厂,高质量的国IV品质汽油、柴油都要依靠外地供应,成都市场上货源十分紧张,但在四川石化1000万吨/年炼油项目建成后,按照规划在不远的将来,我公司汽油产品还将升级为国V标准,成都市场上将有充足的优质汽油供应,对空气质量的改善有明显作用,届时汽油的含硫量还会降低到现有国III 标准的十五分之一,将进一步改善成都空气质量。