换热站自控系统方案
- 格式:doc
- 大小:34.50 KB
- 文档页数:4
第一章绪论1.1 集中供暖旳发展概述集中供暖是在十九世纪末期, 随着经济旳发展和科学技术旳进步, 在集中供暖技术旳基本上发展起来旳, 它运用热水或蒸汽作为热媒, 由集中旳热源向一种都市或较大区域供应热能。
集中供暖不仅为都市提供稳定、可靠旳热源, 改善人民生活, 并且与老式旳分散供热相比, 能节省能源和减少污染, 具有明显旳经济效益和社会效益。
1.1.1 国外集中供暖发展概况集中供暖方式始于1877年, 当时在美国纽约, 建立了第一种区域锅炉房向附近14家顾客供热。
20世纪初期, 某些工业发达旳国家, 开始运用发电厂内汽轮机旳排气, 供应生产和生活用热, 其后逐渐成为现代化旳热电厂。
在上世纪中, 特别是二次世界大战后来, 西方某些发达国家旳城乡集中供暖事业得到迅速发展。
原苏联和东欧国家旳集中供暖事业长期以来是实行以积极发展热电厂为主旳发展政策。
原苏联集中供暖规模, 居世界首位。
地处寒冷气候旳北欧国家, 如瑞典、丹麦、芬兰等国家, 在第二次世界大战后来集中供暖事业发展迅速, 都市集中供暖普及率都较高。
据1982年资料, 如瑞典首都斯德哥尔摩市, 集中供暖普及率为35%;丹麦集中供暖系统遍及全国城乡, 向全国1/3以上旳居民供暖和热水供应。
第二次世界大战后德国在废墟中进行重建工作, 为发展集中供暖提供了有力旳条件。
目前除柏林、汉堡、慕尼黑等都市已有规模较大旳集中供暖系统外, 在鲁尔地区和莱茵河下游, 还建立了联结几种都市旳城际供暖系统。
在某些工业发达较早旳国家中, 如美、英、法等国家, 初期多以锅炉房供暖来发展集中供暖事业, 锅炉房供暖占较大比例。
但是这些国家已非常注重发展热电联产旳集中供暖方式。
1.1.2 国内集中供暖发展概况国内都市集中供暖真正起步是在50年代开始旳, 党旳十一届三中全会后来, 特别是国务院1986年下发《有关加强都市集中供热管理工作旳报告》, 对国内旳集中供暖事业旳发展起到了极大旳推动作用。
换热站自动节能控制系统换热站作为我国热供应系统中重要组成部分,直接关系到生产生活的稳定运行。
换热站主要是将一次网的80℃左右热水通过热交换器使二次网低温水水温达到6O℃左右,成为满足供暖送水温度的热水,通过二次网热水管道送到城市居民家中,流过各用户的散热器;通过循环泵的加压循环,流回换热站,进入换热站热交换器的二次回水温度有40℃左右。
一、换热站节能控制系统功能特点1.1节能控制系统的功能换热站节能控制系统具有高效节能、智能化、自动化等优点,可广泛用于:热力公司热网控制(多个换热站的集中管理和控制)或工厂、机关、住宅小区等商用建筑的供热、采暖、空调、生活用热水;各种需要换热的场所;各类换热站的新建、改建和扩建工程的配套。
1.2节能控制系统的特点换热站设计理念先进,既可节省基础建设的投资,又使安装维护简便。
实现系统的自动控制,使自动化、智能化程度提高,易于操作。
可实现无人值守、自动显示。
也可远程通信操作,并通过计算机网络进行监控,同时自动控制和人工操作可相互切换。
该智能控制装置具有自动控制、气候补偿、节能舒适等特点,是当今智能建筑采暖供热。
二、换热站节能控制存在的的问题2.1换热站根据室外温度的变化,自动控制一次网供水的流量和供热量由于目前的换热站大多缺乏先进的控制方式,虽回水温度按要求得到了保证,但远端用户的供热效果很难保证,通常是使供水温度远高与设计要求值,这种方式虽然满足了远端用户的要求,却增加了热损失及供热量,浪费了能源。
2.2换热站运行管理人员的素质的提高在换热站的设计和建造过程中,要充分考虑到换热站额调控。
虽然现在很多换热站都有了先进的设备,但大量闲置,究其原因是换热站的管理人员不会或不愿使用。
所以,要提高换热站运行管理人员的素质。
三、换热站节能控制系统设计为了保证换热站的安全、经济运行,必须保证换热站控制系统设计对现有规模的供热用户有合理的技术方案。
下面我们以某小区1000户住宅,建筑面积12万平方米的所建的换热站为例,介绍一下换热站控制系统节能设计和应用。
一、绪论1.1、背景我国城市集中供热发展很快,1997年全国集中供热面积为80747万㎡,比1996年增加了9.96%。
到了1998年,全国有286个城,已占华北、东北、西北、山东、河南等采暖地区实有房屋面积的1/4以上。
当今社会已有集中供暖设施,供热面积达8.6亿㎡,供热管网为3.5万公里随着我国加入WTO以来,我国人民基本实现了小康水平,随着人民生活水平的进一步的提高,对城市供热的水平也越来越高。
为了保证集中供热的正常运行,提高系统的效率,降低能耗及热能损失,同时为了提高系统稳定性,保证用户室内舒适性,达到最大节能效果,必须配备一系列的检测计量及调节控制系统。
同时,温度控制是建筑节能工作的重要组成部分,尤其在集中采暖地区,为此我国从基础抓起在城市建立了各种供热站以实现城市人们的保暖问题。
随着经济的发展,全国范围内的环保、节能的呼声越来越高,利用先进的科学技术,合理分配热量,让现有的热能充分发挥作用,为更多的用户提供更好的供热服务是供热企业的首要任务。
将微机监控和自动化控制引入供热系统中,对供热系统的调节实现由手动到自动的转变,这才能满足新形势下的供热需求。
在供热行业大力推广计算机控制技术必将是今后的发展方向。
1.2、换热站的概述热力站按供热形式分直供站和间供站,前者是电厂直接供用户,温度高,控制难,浪费热能。
是最初电厂余热福利供热的产物。
后来开始收费,才有热力公司。
随着商品经济发展,热商品化,热力公司开始提高供热质量,才有直供站,这属于集中供热。
还有锅炉供热,省掉电厂环节,但是效率低,污染大已近淘汰。
集中供热是发展方向,间供站为主。
间供站原理:电厂为一次线,小区为二次线,热源(电厂)热网(一二次线管网)热用户(居民楼和单位)连接处为热力站。
设备有:板式换热器,循环泵,一二次线除污器,补水泵,水箱,计量表,控制阀门等。
就是换热的地方把有热电场产生的高温蒸汽传输到各个居民小区里将蒸汽的热量传送到小区管网中个人理解就像一个变压器一样把高温蒸汽转换成七八十度的水再供暖。
换热站自动节能控制系统摘要:文章介绍换热站温度自动控制系统的构成和基本原理关键词:换热站S7-300PLC 电动调节阀PID控制包钢热电厂炼钢换热站采用人工操作、控制及运行管理,生产过程中大致根据生产生活需要,采用人工手动调节蒸汽阀门、回水阀门,以蒸汽加热凉水的方式来调节供热管道的温度,实现需要的供暖温度,但存在的问题如下:首先入冬及初春季节早午晚温差较大,最高可达20℃,人工难以实时调节,此时存在能源浪费或者不能满足用户的要求的情况较多。
其次由于阀门的尺寸较大,蒸汽压力较高,所以调节阀门不可能按照要求实时控制,存在较大的滞后现象,实际供热调节温度误差高达±10%左右,造成控制温度不能够准确反映实际需要的温度,控制精度较差,并造成大量的蒸汽损耗。
另一方面由于人为手动调节,在户外温度高或低时,不能够及时调节供热温度,不是造成不必要的浪费,就是不能满足实际的需要,实现舒适的供热环境。
1、系统配置清单(表1)2、原理说明(1)整个换热站采用一台蒸汽电子调节阀门,针对汽水换热器的总进汽,采集供热系统的供水温度,综合当时环境温度后,给出一个供水温度给定值,打入蒸汽调节供水温度,当供水温度和回水温度差值满足正常需要以及出水温度达到要求时,控制进汽量,保障正常恒温,进汽阀采用高精度数字调节阀门进行PID闭环控制,稳定供热系统的供水温度。
由此可免去人工调节进汽阀门,避免随机性、误差性、难操作及难控制的问题,同时可实现远程控制进汽阀门,达到自动控制的目的,杜绝±10%的调节误差,大量节约蒸汽。
(2)系统采用SIEMENS公司的S7-300PLC 进行现场压力及温度信号的采集,进行信号的运算及处理,实时向数字调节阀控制器发送数据,调节电子蒸汽调节阀门开度,以适时调节供热温度,达到最佳的供热效果。
系统可监视或控制的温度有:每台换热器供水温度、回水温度、环境温度;系统可监视的压力有:汽水换热器供水压力、回水压力。
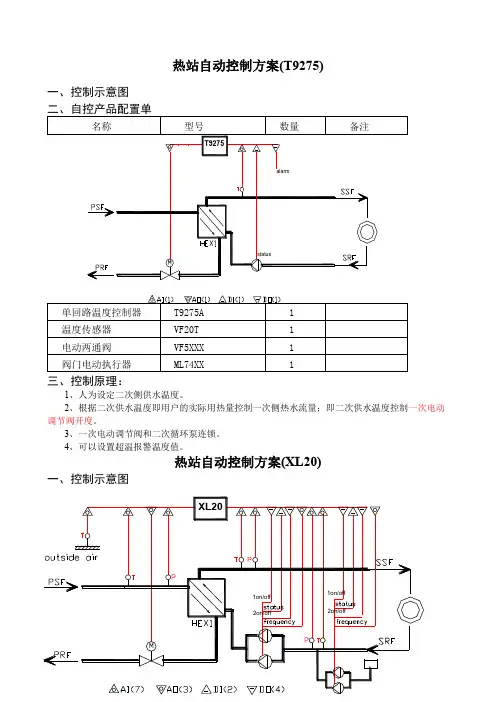
名称型号数量备注T9275alarmstatus单回路温度控制器 T9275A 1温度传感器 VF20T 1电动两通阀 VF5XXX 1阀门电动执行器 ML74XX 1名称 型号 数量 备注 DDC 控制器 XL201 温度传感器 VF20T (AF20) 4 压力变送器 ML010 3 电动两通阀 VF5XXX 1 阀门电动执行器ML74XX1三、控制原理:1、根据室外温度确定二次侧供水温度的高低;使二次供水温度随室外温度的变化而变化,满足由于室外温度的变化而导致供热负荷的变化。
2、根据二次供水温度即用户的实际用热量控制一次侧热水流量;即二次供水温度控制一次电动调节阀开度。
3、根据室外温度确定(或者人为设定)二次供回水温差,二次供回水温差确定循环泵工作频率。
这是从小的负荷变化进行控制。
4、系统中两台循环泵可以自动定时轮换工作,轮换周期可以自由设定;也可以互为备用,当一台水泵发生故障,则自动启动另外一台水泵工作。
5、根据二次系统设定二次回水压力值,二次回水压力值确定补水泵工作频率,使二次回水压力值保持恒定。
6、系统中两台补水泵可以自动定时轮换工作,轮换周期可以自由设定;也可以互为备用,当一台水泵发生故障,则自动启动另外一台水泵工作。
热站自动控制方案(XL50)一、控制示意图二、自控产品配置单名称 型号 数量 备注DDC 控制器 XL501 温度传感器VF20T (AF20)51on/off XL502on/off 1on/off 2on/off压力变送器 ML010 3 电动两通阀 VF5XXX 1 阀门电动执行器 ML74XX 1 液位开关FS4-3J1三、控制原理:1、根据室外温度确定二次侧供水温度的高低;使二次供水温度随室外温度的变化而变化,满足由于室外温度的变化而导致供热负荷的变化。
2、根据二次供水温度即用户的实际用热量控制一次侧热水流量;即二次供水温度控制一次电动调节阀开度。
3、根据室外温度确定(或者人为设定)二次供回水温差,二次供回水温差确定循环泵工作频率。
学生课程设计供暖换热站控制系统的总体设计方案的总结与展望供暖换热站控制系统的总体设计方案总结与展望一、引言随着城市化进程的加速和人们对生活质量要求的提高,供暖系统在城市基础设施中的地位日益重要。
作为供暖系统的重要组成部分,供暖换热站的控制系统对于保障供暖的稳定、安全和高效具有至关重要的作用。
本文将对当前供暖换热站控制系统的总体设计方案进行总结,并对其未来发展进行展望。
二、供暖换热站控制系统设计方案总结1. 系统架构:当前供暖换热站控制系统主要采用集散控制系统,即DCS系统。
该系统将供暖换热站的所有设备纳入一个统一的监控网络,实现集中管理、分散控制。
系统架构包括控制层、监控层和设备层三个层级。
2. 控制策略:在控制策略上,通常采用PID控制算法对供暖换热站进行控制。
通过调节一次网和二次网的流量以及温度,使得供暖温度达到预设值。
同时,根据室外温度和室内温度的差异,动态调整供暖量,实现节能控制。
3. 设备选型与配置:在设备选型与配置上,根据供暖换热站规模、供暖面积等因素进行选择。
主要设备包括:热源设备、换热器、循环泵、补水泵、除污器等。
同时,配置相应的传感器和执行器,用于数据采集和控制指令的输出。
4. 通信网络:通信网络是供暖换热站控制系统的关键部分。
目前,大多数供暖换热站采用基于TCP/IP协议的工业以太网通信,实现控制层与监控层之间的快速、稳定通信。
同时,部分先进的控制系统还支持无线通信,以适应灵活多变的通信需求。
5. 监控系统:监控系统是供暖换热站控制系统的“大脑”。
通过实时监控各设备的运行状态、采集运行数据,实现对供暖换热站的全面掌控。
监控软件应具备数据实时显示、历史数据查询、故障报警、报表生成等功能。
三、展望随着物联网、大数据、人工智能等技术的发展,供暖换热站控制系统将迎来新的发展机遇。
未来,控制系统将更加智能化、自适应和节能。
具体表现在以下几个方面:1. 智能化控制:通过引入人工智能算法,实现对供暖换热站的自适应控制。
换热站控制系统设计1.引言换热站是供热系统中的重要部分,负责对热能进行集中供应和分配。
为了实现高效、稳定的供热过程,需要一个可靠的换热站控制系统来监测和控制热网的运行。
本文将介绍一种换热站控制系统的设计方案。
2.系统需求分析在设计换热站控制系统之前,我们需要对系统的需求进行分析。
主要的需求如下:2.1热能监测系统需要能够实时监测换热站的热网温度、流量和压力等参数,以便及时发现问题并进行调整。
2.2控制功能系统需要能够对换热站的设备进行自动控制,包括启停设备、调节温度和流量等。
2.3故障报警系统需要能够监测热网中的故障,并及时向操作人员发出警报,以便及时处理故障。
2.4数据记录与分析系统需要能够记录并存储换热站的运行数据,以便后续进行数据分析和故障排查。
3.系统设计方案基于上述需求,我们设计了以下的换热站控制系统方案:3.1硬件组成系统的硬件组成包括传感器、执行器、控制器和操作终端。
传感器负责实时监测热网的温度、流量和压力等参数,并将数据传输给控制器。
执行器负责根据控制指令进行设备的启停以及温度和流量的调节。
控制器负责接收传感器的数据,并进行数据处理和控制指令的生成。
操作终端用于操作和监控整个系统。
3.2控制策略系统采用分层控制策略,分为上位机控制和下位机控制。
上位机负责监控整个系统的运行状态,接收传感器数据并进行数据分析、故障排查和故障报警。
下位机负责控制设备的启停和温度、流量的调节,根据上位机发出的控制指令进行相应的操作。
3.3软件开发软件开发包括上位机软件和下位机软件的开发。
上位机软件主要负责数据分析、故障排查和故障报警等功能。
下位机软件主要负责控制设备和接收上位机发出的控制指令。
4.系统实施系统的实施包括硬件设备的安装、软件的开发和系统的调试。
硬件设备的安装需要按照设计方案进行,确保传感器和执行器的正确连接。
软件开发需要根据需求进行,编写相应的代码并进行测试。
系统调试需要将硬件和软件进行整体联调,确保系统的稳定性和可靠性。
锅炉及换热站远程监视控制系统概况随着互联网科技日益渗透到生活,生产的各个领域,各种工业组态软件及各种嵌入式硬件或PLC(可编程控制器)支持下,运用电脑进行工业过程自动化控制已然成为现实。
锅炉自动化控制及换热站远程监控是工业过程自动化中的体现。
操作者对锅炉自动控制及换热站远程监控系统有以下要求(控制指标)1,实时监测可视到:排烟温度,炉膛温度,炉膛压力,出水温度,出水压力,回水温度,回水压力,一次网供回水压力及温度,二次网回水温度及压力和二次网补水压力,及外加各种流量,压力,温度指标。
2,实时控制监视鼓风,引风,炉排,循环泵的启停,二次网循环泵启停,运行的全部情况(如果使用变频器可看到变频器的输出频率,输出电流等指标)及二次网补水泵的启停。
锅炉管理者通过互联网(或局域网)对锅炉自动控制系统有以下要求(控制指标)3,直观的看到锅炉现场及换热站的情况4,实时监测可视到:排烟温度,炉膛温度,炉膛压力,出水温度,出水压力,回水温度,回水压力,一次网供回水压力及温度,二次网回水温度及压力和二次网补水压力及外加各种流量,压力,温度指标。
5,通过互联网(或局域网)及电话与操作者进行通讯。
控制系统根据客户要求提供实时报表,历史报表和报警窗等系统控制指端可进行报表打印,报表数据下载等。
另外控制系统对操作者要进行用户身份验证,保证操作的安全性。
为实现以上各种要求,在控制系统中应用组态软件及与之相配套的电脑,扩展功能板,或PLC(可编程控制器),数模转换或模数转换,变送器,传感器。
整个监控系统共需处理的开关量输出点;开关量输入点;模拟量输入点和模拟量输出点若干(根据用户要求确定数量)。
主要采用组态王控制系统以及PLC 可编程控制器,换热站通过控制模块完成与SARO GPRS DTU的数据交互。
PLC 定时将数据发送给SARO GPRS DTU,同时PLC实时接收DTU发来的数据完成相应控制功能。
SARO GPRS DTU在收到PLC发来的数据会立即转发到操作者操作的系统。
换热站自控工程施工方案一、工程概述换热站自控工程是指通过自动化控制系统实现换热站设备的自动控制和运行,以提高换热效率、节约能源、减少人工管理成本,保证换热站稳定可靠运行。
本施工方案将针对换热站自控工程的设计、施工、调试、验收等全过程进行详细阐述,以确保工程的顺利进行和质量的保障。
二、施工前准备1. 施工前的准备工作包括开展施工前的技术交底和安全交底,明确各项工作任务及责任人员,建立安全生产责任制和施工组织设计方案。
2. 对工程施工人员进行专业技能培训,确保施工人员具备相关的技术能力和安全意识,熟悉自控系统的原理和操作。
3. 做好材料和设备的采购工作,保证所采购的材料和设备符合相关标准和要求,并具备相应的质量保证书和合格证明。
4. 进行施工现场的安全检查和环境保护措施,确保施工现场的安全和环境的保护。
5. 制定详细的施工计划和施工方案,包括施工流程、工艺要求、质量标准、验收标准等内容,做到有组织、有计划地进行施工工作。
6. 开展相关审图手续,确保工程设计符合国家和行业的相关标准和规范。
三、施工流程1. 地基处理:根据设计要求,对建筑地基进行处理和加固,确保设备安装的稳固和安全。
2. 设备安装:根据设计图纸和施工方案,按照先进、合理的工艺,进行设备的安装和调试工作,确保设备的正常运行和稳定运行。
3. 管道安装:根据设计要求和工程实际情况,进行管道的安装和焊接工作,保证管道的质量和安全。
4. 电气布线:根据设计图纸和现场实际情况,进行电气布线和接线工作,确保电气设备的正常运行。
5. 自控系统安装:根据设计图纸和施工方案,进行自控系统的安装和调试工作,确保系统的正常运行和稳定运行。
6. 施工联合验收:在施工结束后,进行相关设备、管道和自控系统的联合验收工作,确保工程的质量和安全。
四、施工技术要点1. 设备安装要点:设备的安装应按照设计要求进行,安装位置、高度、水平度等应符合设计要求,设备的接口应正确连接,设备的检查、调试和保养应认真负责,确保设备的正常运行。
换热器自控方案随着科技的不断进步和应用领域的扩展,换热器作为热能传递装置的重要组成部分,其自控方案的设计与实施变得越来越关键。
本文将探讨一种有效的换热器自控方案,以实现高效、稳定和可靠的热能传递。
1. 换热器自控方案的背景热能传递在各种工业过程中起着至关重要的作用。
为了提高换热器的效率和适应不同的工艺需求,换热器自控方案应运而生。
该方案旨在实现换热器的自动化控制,以优化热能传递过程,提高能源利用率,并保证系统的安全运行。
2. 换热器自控方案的基本原理换热器自控方案的基本原理是通过传感器实时监测换热器的运行状态和工艺参数,并将数据传输到控制器进行处理。
控制器分析数据,根据设定的控制策略和算法,自动调节换热器的工作模式、介质流量和温度等参数,以实现最佳热能传递效果。
3. 换热器自控方案的关键技术(1)传感器技术:选择合适的传感器,如温度传感器、压力传感器和流量传感器,以获取准确的换热器运行状态和工艺参数数据。
(2)控制器技术:采用先进的控制器,如PID控制器和模型预测控制器,根据传感器数据和控制策略进行实时控制和调节,确保换热器的稳定运行。
(3)通信技术:使用可靠的通信技术,如以太网和无线传输技术,实现传感器和控制器之间的数据传输和信息交互。
4. 换热器自控方案的应用范围该自控方案广泛应用于各种工业领域,特别是化工、电力、石油和制药等行业中的换热器系统。
通过自动化控制,可以提高热能转移的效率,减少能源消耗,降低生产成本,并确保系统的安全性和稳定性。
5. 换热器自控方案的优势和挑战(1)优势:自控方案能够实现换热器的智能化运行,提高热能传递效率,节约能源,降低运维成本,提升系统的可靠性和稳定性。
(2)挑战:换热器自控方案的设计和实施需要对换热器的特性和工艺要求有深刻的理解。
同时,需要考虑传感器的选择、控制器的配置和通信网络的搭建等技术问题,确保方案能够满足实际应用需求。
6. 总结换热器自控方案是提高热能传递效率和系统稳定性的关键措施。
换热站自控系统方案1. 引言换热站是热力供应系统中重要的组成部分,负责将集中供热系统中的热能输送到用户热水和供暖系统中。
为了实现对换热站的高效管理和控制,需要采用自控系统来监测和调节换热站的运行状态。
本文将提出一种换热站自控系统方案,以提高换热站的效率和可靠性。
2. 方案设计2.1 系统架构换热站自控系统主要由以下几个部分组成:•传感器:用于监测换热站中的各种参数,比如流量、温度、压力等。
•控制器:根据传感器采集到的数据进行分析和控制,并给出相应的控制信号。
•执行机构:接收控制信号并执行相应的操作,如调节阀门的开度。
•通信网络:将传感器采集到的数据和控制信号传输到控制中心。
•控制中心:接收传感器数据并根据设定的参数进行控制策略的制定和优化。
2.2 控制策略换热站自控系统的控制策略主要包括以下几个方面:•温度控制:通过调节换热站中的阀门开度,控制进水温度和回水温度,以满足用户的热水和供暖需求。
•压力控制:监测换热站中的压力,并通过调节泵的运行状态来控制系统压力在合理范围内。
•流量控制:根据用户热水和供暖系统的需求,调节换热站中各支路的流量分配,以保证每个用户得到稳定的热力供应。
•故障诊断和报警:通过监测传感器的数据,及时发现系统的故障,并发送报警信号给操作人员,以便及时进行维修和处理。
3. 技术实现3.1 传感器选择选择合适的传感器对于换热站自控系统的正常运行至关重要。
常用的传感器包括温度传感器、压力传感器和流量传感器等。
根据具体的需求,选择可靠、精度高、稳定性好的传感器进行安装和使用。
3.2 控制器和执行机构控制器和执行机构是实现系统自控的关键部分。
可以采用PLC(可编程逻辑控制器)作为控制器,通过编程实现对传感器数据的采集和分析,并给出相应的控制信号。
执行机构可以选择电动阀门作为控制元件,通过调节阀门的开度来实现对流量和温度的控制。
3.3 通信网络和控制中心为了实现对换热站自控系统的远程监测和控制,可以利用现代的通信网络技术,如以太网、无线传输等,将传感器数据和控制信号传输到控制中心。
2022 年 6 月1 大滞后控制对象自动化系统要点分析 (2)2 分时、分温、分区供暖自动控制模式 (3)3 供暖节能自动控制系统的构成 (3)3.1 供热自动控制系统总体架构 (3)3.2 节能自控系统的组成 (4)3.3 监控中心的主要功能 (6)3.3.1 设备配置 (6)3.3.2 监控管理软件 (7)3.3.3 监控管理主机 (15)3.3.4 系统组态功能 (17)3.3.5 人机界面的特点 (17)3.4 各换热站的设备功能 (18)3.4.1 数据采集 (19)3.4.2 DDC智能控制器 (19)3.4.3 触摸式操作显示屏 (19)3.4.4 GPRS无线数据传输器 (20)3.5 供暖节能自动控制系统的设备配置 (20)4 节能自动控制系统拟选设备简介 (23)4.1 DDC智能控制器 (23)4.2 一体化彩色液晶触摸屏(工控机) (24)4.3 GPRS无线数据传输器 (24)5 热网监控系统解决的问题和产生的效益 (25)华发公司于 2022 年建立了热网系统监控管理系统,对 100 多个换热站的运行数据实时全面监控管理。
在此基础上,今年新建的 20 个换热站采用全自动化控制方式,实现热力平衡调节和节能控制,下个采暖期逐步推广,最终达到无人值守站的自动化控制水平。
本方案根据华发公司供暖管网的实际需求和现状,着重说明自动化控制与供热节能。
合理供暖,杜绝浪费,首先要解决这三大部份的热能供需匹配问题。
也就是说:保持能耗的动态跟踪,控制热能供需平衡,从而实现节省燃煤(或者燃气) ,节省热能、电能,节省与此相关的人力、物力、场地和运输费用。
因此,按需供暖、减少或者杜绝热能浪费,是最有效的节能手段,这是首要问题。
其次,在保证热源厂供热总量的前题下,解决如何提高热效,实现节能的问题。
少,见效快,收益大的原则,结合各换热站设施和供热用途等实际情况,充分利用换热站原有的温度、压力传感设备和控制设备,改装水泵机电变频器的控制路线,加装 DDC 智能控制单元,通过自动控制软件设定的节能程序,根据用热需求量的变化,控制供热管道。
集中供热工程换热站专用控制系统设计及控制方案技术方案**科达自控工程技术**2011年1月目录1. 第一章设计方案综述11.1热网控制系统技术方案21.1.1 设计原则21.1.2 方案简介21.1.3 功能特点31.2热网控制系统功能51.2.1 网络结构图51.2.2 网络结构概述51.2.3 监控调度中心软件功能61.2.4 本地换热站控制器功能71.2.5 热网平衡模块功能71.第一章设计方案综述本系统是集公司多年来供热工程应用经验,专门针对北方集中供热工程项目提供的换热站专用控制系统.该系统采用**中控自动化仪表**自主研发的U6-200一体化PLC,监控中心上位机软件采用Inscan HRC热网实时监控专用软件,配置热网管理软件包、热网平衡模块、Web发布软件包及GSM短消息报警模块,实现对各个小区换热站热网运行参数的采集存储,外界环境温度的补偿,热网温度流量、动力设备的启停及调节、安全报警以及自动分析、热网系统故障诊断、能源计量分析等功能,并配合现场网络视频监控系统,以达到整个热网系统的供热平衡、安全、经济运行,最终实现无人值守型换热站.换热站专用控制系统图示在自动化设计上,设置监控中心控制室<调度中心>一个,内含2台调度计算机同时通过通讯的方式对换热站进行监控,2台调度中心计算机为1主1备冗余.主监控操作站完成控制室内人机交互功能,在计算机上显示各站换热网的工艺管道、参数、控制流程图,包含各类热力参数、阀门等各类执行机构状态的显示和自/手动操作.监控操作站除完成基本的各换热站运行数据采集、远程调度控制、数据记录报表生成等之外,还具备热网平衡调节、提供热网负荷需求趋势预测、预测负荷与实际负荷对比、互联网web远程浏览、手机wap浏览、手机短信报警等热网管理功能.换热站采用就地与主控室远程控制协作方式.各站放置独立U6-200一体化PLC一套,该终端设备配有彩色触摸屏,方便巡检人员进行就地观测,实现小区热网运行参数的采集与监控,如压力、温度、流量、电流等,并集中将运行参数发送至远方控制中心;U6-200一体化PLC可就地存储至少一个采暖期的运行参数,实现根据室外温度值自动控制二次供回水温度,并可同时控制循环变频及补水变频,进行量值的调节;在启用换热平衡模块后,各站控制器接收主控室发送的平衡参数,结合各站过程参数调节二次供回水温度;控制器也可接收主控室下发的各项命令,完成远程控制热网温度、流量、动力设备的启停等.同时结合网络视频监控系统,通过变焦功能,手动调节远近焦距,最终实现换热站无人值守.1.1热网控制系统技术方案1.1.1设计原则本设计方案基于"集中管理,分散控制"的模式,数字化、信息化环保工程的思想,着眼于热网"管控一体化"信息系统的建设,建立一个先进、可靠、高效、安全且便于进一步扩充的集过程控制、监视和计算机调度管理于一体并且具备良好开放性的监控系统,完成对整个供热运行的监测与自动控制,实现"换热站无人值守"的目标.1.1.2方案简介自动化热网监控系统,采用分布式计算机系统结构,即采用中央与就地分工协作的监控方法.中央控制室负责全网参数的监视以及必要时的远程调控,在开启平衡模块情况下完成各换热站的流量和能量调配;各换热站根据中央控制室下发的平衡参数进行供回水温度自动,同时也可通过就地手动干预或者远程干预.本系统由调度监控中心、远程终端站、通讯网络和与监测控制有关的仪表等部分组成.调度监控中心起着调度中枢的作用,可以察看全网的供热参数,同时进行热力工况的分析来指导全网的运行.远程终端站由具有测控功能的控制装置和通讯系统组成.远程终端站通过与其相连的仪表和执行机构完成对一、二级换热站和其它现场设备的数据采集和控制功能.该热力站运行管理系统采用的策略为:中央监测、现场控制.中央管理工作站主要负责检测显示热网参数<必要时提供远程控制>和各站的协调;每个热力站独立地工作,互不干扰.即使某一个换热站出现故障也不会影响其它换热站的正常工作.各换热站主要实现以下三方面自动控制:①根据调度监控中心的各站调控参数以及二次侧供回水温度自动控制高温水进入换热器入口调节阀的开度;②根据定压点压力自动控制补水泵转速,若回水压力低于设定值时自动报警;③自动检测循环泵运行状态,并根据压力自动控制主循环泵的转速.整个通讯系统分调度监控中心、各换热站和通讯网络三个部分,通讯采用ADSL通讯方式,在调度监控中心设立专网,在每个换热站独立设立通讯方式,与U6-200一体化PLC的通讯模块相连,进行数据的收发.1.1.3功能特点换热站专用控制器功能:1.专用控制器:专门为换热站量身定做的U6-200一体化PLC,无需用户编程,简单易用,内置的常规功能即可满足所有换热机组控制需求;2.人性化显示:自带7寸真彩触摸屏,内置单双换热机组流程图画面,显示直观,操作方便,易学易懂,充分体现人性化,方便巡检人员进行就地观测,包括温度、压力、流量、循环泵、补水泵的状态等;3.参数检测功能:完成模拟量采集包括:一次网供水温度和压力、一次网回水温度和压力、二次网供水温度和压力、二次网回水温度和压力、室外温度、阀门开度、频率反馈、一次网流量、二次网流量等,状态量采集如:泵状态等;脉冲量采集如:累计补水量、累计耗热量等的测量;4.通讯功能:现场控制设备能够与调度中心进行数据通信,支持采用ADSL或GPRS通讯方式,即通过Internet和移动网络,主从站间进行数据传输,主站可远程监控各从站工况,无论距离远近;5.参数存储:可就地存储至少一个采暖期的运行参数,以便供热企业进行能效分析;6.控制模式:本地监控站可以自动识别中控室传来的控制模式的指令<本地控制、温度控制、直接阀位/频率控制>,经过判断执行其中一种控制指令,并运行对应的控制模式;7.控制功能:根据换热站实际运行情况进行相关控制;a)根据调度监控中心的各站调控参数以及二次侧供回水温度自动控制高温水进入换热器入口调节阀的开度;b)根据定压点压力自动控制补水泵转速,若回水压力低于设定值时自动报警;c)自动检测循环泵运行状态,并根据压力自动控制主循环泵的转速,;8.联锁保护功能:本地监控器诊断到设备出现故障<如电机过流、过压等>或现场工况发生异常变化<如二次网压力过高、过低等>,控制器可根据相应故障诊断软件及工况评估逻辑,立即停止对应的设备运行,同时将报警类型及信息上传至中控室,尽可能地保护系统的安全运行.9.报警功能:根据工艺要求,可将报警分为不同级别.a)各个温度、压力、水位等超限报警.至少包括:一次供水压力、二次回水压力、二次供水温度高限报警,补水箱水位高低限报警等.b)水泵、电机、电动阀、变频器、换热器、通讯系统等故障报警;c)停电报警:换热站配置UPS电源,作为现场控制器和调制解调器的后备电源,当换热站供电出现故障或停电时,控制器能够生成停电报警信号,并通知中央控制室的调度人员采取相应的措施.热网实时监控专用软件功能:1.专用软件功能:各个换热站控制器与调度中心Inscan HRC热网实时监控专用软件进行通讯,实现换热站无人值守,满足所有换热站功能需求;2.供热参数实时监测功能:调度中心直观显示各个换热站在区域内的分布图,点击可进入换热站运行参数详细图,实时显示热力站一级网和二级网供回水温度和压力、流量、热量、阀门开度、水泵开启状态、循环泵变频、补水泵变频、液位等参数;3.手自动控制模式:a)根据现场工况提供两种控制模式用于控制换热站的一次网阀门开度,分别为:本地温度控制、直接阀位控制.b)根据现场工况提供三种控制模式用于控制换热站的二次网循环水流量,分别为:本地手动控制、本地自动控制、直接转速控制.4.远程修正功能:中控计算机能对本地控制站进行参数组态,包括修改温度控制参数的给定值、控制模式及比例系数、积分系数及供热曲线等控制参数;参数修正要设定权限.5.故障诊断及报警功能:根据参数信息及时诊断各系统的故障并指导维护.应能诊断以下故障:压力、温度、流量传感器故障;通讯系统故障;各热力站水泵、电机、电动阀、变频器等设备的故障;各热力站的超限报警;第一时间接收各远端控制站报警和故障信号,能及时发出声光信号,并进行记录.6.多功能报表:运行记录、报表及图形打印功能:可以自动生成、打印多种多样的报表和参数变化曲线,至少包括各种运行记录的日报表,统计分析报表及设备的故障状态和维护清单,包括日/月/季等报表以及各个换热站对比统计分析,为供热企业分析热网运行提供数据分析依据.7.参数统计及能源计量功能:根据实测参数统计各站及全网的能耗和水耗,计算出其平均值和累计值.计量时间可以为时、日、月、年,计量结果将以数据文件的形式存储在外存储器内,为量化管理和收费提供依据.8.热网平衡功能:自动根据换热站远近距离、换热站负荷大小,现实换热站间热力/水力平衡;9.短信报警功能:可将报警信息发送到相关责任人的手机上,用于及时处理报警,排除险情10.手机监管:支持WAP手机浏览:通过手机,直接浏览关键的运行参数,真正做到远程监控的管理方式;11.视频监控:可结合网络视频监控系统,通过变焦功能,手动调节远近焦距,最终实现换热站无人值守;1.2热网控制系统功能1.2.1网络结构图集中供热工程换热站专用控制系统图示<adsl网络连接>1.2.2网络结构概述本方案将采用先进的分布式和模块化设计理念,利用成熟的软硬件产品完成整个系统体系结构的搭建.本系统由各换热站采集控制设备、通讯网络和监控中心组成.各换热站采集控制设备使用U6-200一体化PLC,该设备是一套相对独立运行的可编程控制设备,可对现场设备进行监测和控制;能够满足需要进行流量计算、PID闭环控制和逻辑顺序控制等应用的场合.通讯网络是监控中心与各换热站间连接的桥梁,承载着数据传送的功能.监控中心采用上位机软件Inscan HRC热网实时监控专用软件,配置热网管理软件包、热网平衡模块、Web发布软件包及GSM短消息报警模块,实现对监控数据进行高效采集、长期存储、查询、数据处理等功能;以数据库为核心构成完整的数据服务层,为上层应用系统提供稳定的数据源.1.2.3监控调度中心软件功能热力公司下属的各个换热站采集的实时数据,通过ADSL+VPN的方式传递到调度中心<调度中心需要有使用公网固定IP或域名>,由运行在调度中心的组态监控软件对换热站内的压力、温度和流量数据进行实时监控,统一调整各站参数,统一调整管网平衡.提供热网管线非矢量的地理分布图,地理分布图上标有各个换热站的实际位置,并显示换热站的主要运行参数,在该画面上通过按钮可以切换到任一个换热站,查看换热站的详细信息.换热站管网运行图提供换热站数据总貌画面,总貌画面以数据列表的形式,呈现了各个换热站在一次网、二环网中的实时采集数据以及通讯状态.热网换热站监控总貌提供单个换热站的运行监控画面,该画面显示单个换热站内的各数据采集点的实时运行数据.换热站远程监控提供单个换热站的补/回水泵远程控制画面,通过该画面可远程监控某个换热站内的补水泵和循环泵运行.换热站远程补水/回水控制提供数据的自动保存功能,保存的历史数据可随时供使用者调取、查询.提供数据报表生成和打印功能,可生成日报、月报、年报及同期比较报表,通过报表分析数据的变化情况,判断管路的失水情况,分析设备运行是否正常.能耗数据查询表热网关键参数报表提供多种数据曲线/图形显示功能,可选择任意换热站的数据点进行查看,比较实时或历史的曲线数据.运行数据曲线气温预测曲线各个换热站供热区域对比饼图提供位于实时数据采集和管理分析软件基础之上的换热站综合运行软件,拥有热网平衡轮询监视、气象数据更新、DCS数据采集报警、平衡数据分析等功能,是一套拥有强大扩展性的综合应用软件.换热站综合运行软件图示平衡运行前后数据对比图多级操作权限设置,不同的操作人员设置不同的功能权限,防止不同级别的操作人员越权操作.换热站综合管理登录系统登录异常情况报警<通信失败、循环泵全停、超流量、低流量、超温、低温等>,当发生系统报警时,自动出现报警提示,并提供报警历史查询功能.中控室报警画面具备异常情况报警信息短信通知功能,当变量报警产生后,按预先设定好的手机号码和报警内容进行发送,及时通知相关值班维护人员.短消息报警图示提供数据的分析功能,通过记录的热网运行历史数据,在一个采暖期结束后与前期数据进行比较分析,查出整个换热管网的主要问题,为今后的升级改造提供有针对性的分析.热网换热站统计报表能耗数据明细提供双机冗余备份功能,系统由两套组态相同的监控软件,一套设为主站,另一套设为从站,系统正常工作时只有主机和换热站通讯,从机不通讯,从机通过主站进行数据备份和同步.如果主机出现故障,其中一个从机接管主机工作.等主机恢复之后,可以通过自动或手动方式进行干预来恢复先前状态.本系统采用网络化设计,在服务器端运行WEB SERVER程序并发布监控画面后,用户可通过IE浏览器访问换热站数据采集系统采集到的各种运行数据.同时,可按用户需求,定制若干手机浏览页面,供用户便捷的进行访问.手机WAP浏览可结合网络视频监控系统,通过变焦功能,远程调节摄像头的观察位置和远近焦距,最终实现换热站无人值守.换热站视频监控同时,使用数据实时转发技术,可远程浏览控制专网内的DCS运行数据,真正实现全厂信息的集中监控.DCS运行数据的WEB发布1.2.4本地换热站控制器功能本地换热站在U6-200一体化PLC的7寸真彩触摸屏上提供单个换热站的运行监控流程图画面,显示直观,操作方便,易学易懂,充分体现人性化,方便巡检人员进行就地观测.双换热机组本地监控换热站本地补水/回水控制1.2.5热网平衡模块功能在运行与控制方面最重要的问题在于热网平衡.一个集中供热系统,特别是一个大的集中供热系统,要实现稳定运行和均衡供热的基本条件是保证管网的水力工况平衡.过去,热网平衡问题一直是难以解决的问题,一些系统中存在的工作压力不能满足正常工作需要,热力站不能获得需要的压差,用户普遍不热,或者前端用户压差高,流量超过设计值,而末端压差不足流量低于设计值因而造成近端用户过热,远端用户不热的原因,就是因为系统存在水力工况不平衡的问题.造成系统水力工况不平衡原因是多方面的主要有:受热源厂设备的限制,供给的压力不足,或者因为系统的循环水量超过原设计值,使循环水泵的供给压力下降;管网设计不合理,或者管网堵塞造成系统的压力损失过大,超出了热源厂设备所能提供的压力;系统〕管网和热力站〔缺少合理分配水量的手段,为解决末端用户不热的问题而加大循环水量,因而降低了一次供水温度.解决此类问题虽然需要由设备选型与管线铺设来保障,但是在控制上仍需要由控制手段来保障,特别是在整个热网负荷变化的情况下协调各换热站的能量分配.对于热网平衡来说,目的是使总能量在各站之间均匀分配,使各站的温度尽量均匀,但同时也要考虑到各站的暖气和地暖因素影响,这会造成有些地区的温度偏高或偏低.整个平衡是按照周期性进行控制<考虑二网滞后因素影响>,综合考虑各站的供回水温度和流量,经过平衡算法得到各站平衡参数,将参数下发给各换热站由各站控制器来合理地调整一网流量,使得整个网络中各站温度趋于平衡.算法中的主要模块配置参数和参数使用说明如下:一、优先级该参数表明换热站在整个平衡系统中的优先级,级别越高表明该站能优先从热网中得到更多的资源,往往也能获得较高的温度.二、敏感度该参数表明换热站覆盖区域温度变化对阀门开度大小变化的敏感性,级别越高表明一定的阀门开度变化造成的温度改变越大.该参数是匹配性参数,需根据换热站特性设置.三、回水相关度该参数表明平衡系统衡量标准与二次网回水温度的相关程度,级别越高表明二网回水温度在整个平衡效果评价体系中占的分量越重,同时也表明二网回水温度控制将会越平均. 四、鲁棒性该参数表明换热站区域温度的可控程度,鲁棒性越强表明该站温度的可调程度和范围越大.该参数是匹配性参数,强烈建议采用模块默认设置.。
换热站智能控制系统的设计与应用本文将数据通讯系统、调度中心管理系统有机结合起来,采用一体化的数据采集、控制装置,实现换热站的自动化监测与控制,实现换热站、公共建筑的自动化数据采集分析与控制,以此满足热力公司能源管理,达到提高供热服务质量,降低能源消耗的目的。
标签:换热站;智能控制;调度系统;数据通讯功能;监测运行集中供热对于节约能源、降低碳排放量、减少环境污染、提高人民生活水平发挥了巨大作用,也是国家鼓励、积极扶持的产业之一。
换热站作为连接热源和供给用户使用的枢纽,对整个系统的高效运行承担着承上启下的重要作用。
1 换热站自控系统组成1.1换热器现场数据采集、控制系统采用一体化的数据采集、控制装置,实现换热站的自动化检测与控制,系统具有以下主要功能:数据采集:系统能够采集换热站的压力、温度等参数:⑴温度:一次供水、回水温度;二次供水、回水温度,室外温度;⑵压力:一次供水、回水压力,二次供水、回水压力,除污器和板换之间的压力;⑶变频器运行参数:变频器电流、电压、状态、频率等,该项参数需要低压电器具备变频柜,且能够提供输入输出参数及端子;⑷电动调节阀门开度。
实时控制:系统软件有多种控制策略组成,可以满足不同用热特性的控制要求,提高换热站及建筑的供热质量,降低能源消耗。
1.2数据通讯系统系统能够通过网络系统,将换热站的实时数据传输到调度管理中心,管理中心也可以通过网络系统将控制指令下达到现场控制器,执行控制调节指令。
1.3调度中心管理系统调度中心可以实时接收换热站现场采集系统传输上来的各种运行数据,并储存在中央数据库中,作为后续管理、分析、控制的基础数据。
调度中心管理系统可以实时对上传数据进行连续动态分析,并根据分析结果下达调节指令。
2 换热站系统控制2.1控制目的及主要受控设备换热站系统控制目的:通过对循环泵、补水泵、热交换器、温控阀、系统管路调节阀进行控制,调整系统各应用工况的运行模式,在最经济的情况下给末端提供稳定的供水温度。
锅炉及换热站远程监视
控制系统
概况
随着互联网科技日益渗透到生活,生产的各个领域,各种工业组态软件及各种嵌入式硬件或PLC(可编程控制器)支持下,运用电脑进行工业过程自动化控制已然成为现实。
锅炉自动化控制及换热站远程监控是工业过程自动化中的体现。
操作者对锅炉自动控制及换热站远程监控系统有以下要求(控制指标)
1,实时监测可视到:排烟温度,炉膛温度,炉膛压力,出水温度,出水压力,回水温度,回水压力,一次网供回水压力及温度,二次网回水温度及压力和二次网补水压力,及外加各种流量,压力,温度指标。
2,实时控制监视鼓风,引风,炉排,循环泵的启停,二次网循环泵启停,运行的全部情况(如果使用变频器可看到变频器的输出频率,输出电流等指标)及二次网补水泵的启停。
锅炉管理者通过互联网(或局域网)对锅炉自动控制系统有以下要求(控制指标)3,直观的看到锅炉现场及换热站的情况
4,实时监测可视到:排烟温度,炉膛温度,炉膛压力,出水温度,出水压力,回水温度,回水压力,一次网供回水压力及温度,二次网回水温度及压力和二次网补水压力及外加各种流量,压力,温度指标。
5,通过互联网(或局域网)及电话与操作者进行通讯。
控制系统根据客户要求提供实时报表,历史报表和报警窗等系统控制指端可进行报表打印,报表数据下载等。
另外控制系统对操作者要进行用户身份验证,保证操作的安全性。
为实现以上各种要求,在控制系统中应用组态软件及与之相配套的电脑,扩展功能板,或PLC(可编程控制器),数模转换或模数转换,变送器,传感器。
整个监控系统共需处理的开关量输出点;开关量输入点;模拟量输入点和模拟量输出点若干(根据用户要求确定数量)。
主要采用组态王控制系统以及PLC 可编程控制器,换热站通过控制模块完成与SARO GPRS DTU的数据交互。
PLC 定时将数据发送给SARO GPRS DTU,同时PLC实时接收DTU发来的数据完成相应控制功能。
SARO GPRS DTU在收到PLC发来的数据会立即转发到操作者操作的系统。
换热站监控系统共需处理:17个开关量输出点;15个开关量输入点;40个
模拟量输入点和5个模拟量输出点。
主要采用组态王控制系统以及匹配系列可编程控制器。
通过控制模块完成与SARO GPRS DTU的数据交互。
PLC定时将数据发送给SARO GPRS DTU,同时PLC实时接收DTU发来的数据完成相应控制功能。
SARO GPRS DTU在收到PLC发来的数据会立即转发到操作者操作的系统。
系统方案
系统由三部分组成:锅炉房操作者现场控制部分,运程换热站控制部分、组太网GPRS数据传输部分。
控制部分
(1) 锅炉房操作系统由ADSL MODEM、网络服务器、防火墙、数据中心服务器、工作站组成。
数据中心服务器通过ADSL Modem接收来自各换热站的数据,并对数据进行存储、历史趋势分析、报表打印等,数据还传送到锅炉管理者的监控系统。
(2) 远程换热站
PLC将各工艺参数实时采集后通过RS-232串口通信模块将数据送往SARO GPRS DTU通信模块;同时,还可通过该通信模块接收锅炉房操作者指令。
(3) GPRS数据传输部分在对SARO GPRS DTU通信模块进行配置时预先输入数据中心的固定IP地址。
SARO GPRS DTU通信模块收到PLC发来的数据后,把这些数据送到前面设置的IP地址网络服务器中,通过端口映射转发到数据中心服务器。
SARO GPRS DTU发送数据的过程为:数据送到中国移动GPRS网络中,然后再经过Internet,最后在数据中心通过ADSL进行接收。
系统网络
该系统主要是通过互联、DTU 和移动公司GPRS网络来完成。
DTU主要完成PLC与调度中心数据传输转发的任务,同时也是与移动GPRS网络的工作接口。
主要设置的参数如下:
(1) 本方案是通过Internet(CMNET)实现的,这样用户的实现成本比较低。
如需要高可靠性数据传输。
中国移动为这种应用提供了直接接入GPRS网络的方式。
网络服务器通过专线方式直接接入GPRS移动基站,并获得一个固定的IP地址。
热交换站点数据无需路由到Internet网络,监测点DTU也采用固定IP地址的SIM 卡。
采用这种方式组成点对多点网络具有实时性好、安全性高的特点,但接入费用相对较高。
(2) 数据发送目的地,即数据中心服务器或者路由器的IP地址或者域名。
(3) 与PLC的接口参数,包括波特率、停止位、奇偶校验、数据位、流控制。
(4) SARO GPRS DTU对于不同地区GPRS网络质量的一些参数配置。
数据经
DTU发送到动GPRS网络上的CGSN后,移动的GPRS网络与Internet有通道接口,因此,移动CGSN服务器可将数据经Internet再转发到数据中心服务器。
移动GPRS网络传输送来的各换热站数据经Internet,通过ADSL Modem信号解调经防火墙检测后送达网络服务器,再将数据包转发到指定的数据中心服务器上进行数据接收处理,与此同时数据中心服务器担负着向各换热站发送相应控制指令数据的任务。
各工作站从数据中心服务器上取得数据在各自的人机界面软件上完成对各换热站的监视控制、报警、历史曲线等功能。
此外,可以通过网络服务器与其他MIS
网络连接,负责把热网的各种运行参数送到MIS网上,供上一级相应MIS软件完成数据分析、数据挖掘等功能,大大提高热网运行的经济性。
系统工艺控制描述
该方案中,所采用PLC在锅炉房及换热站完成以下功能:现场温度、压力、流量、液位信号的采集;;现场电机、变频器的控制及运行监视。
在换热站中,液晶显示屏简单易行的完机交互,控制各种设备稳定运行。
对于现场各种电机的控制,设计了就地控制、触摸屏控制、远程调度中心控制三种方式。
系统功能与特点
功能
该供暖监控系统(GPRS远程监控)主要完成对工艺流程的监测、控制以及数据的处理、存储、分析以及报表打印等任务。
工艺流程显示显示各换热站工艺流程,包括温度、压力、流量、液位等工艺参数、所有设备运行状态以及各控制回路的详细参数及报警等;
调节回路显示包括所有调节回路,可修改设定值、控制方式、调节参数等,并有实时趋势图便于进行PID回路整定;
设定值显示包括所有必需参数的设定值、控制方式、调节参数以及其它联锁值、报警值等;报表显示和打印采用了DDE技术,从而使用户能够直接使用Excel编制报表,借助Excel的强大功能,用户可以随心所欲地编制各种各样的报表;历史数据的存储与检索对重要的数据进行在线存储,数据的存储时间最长为10年。
可以通过历史报表或者历史趋势曲线的方式来检索历史数据;
控制
在监控计算机上可以对锅炉及换热站进行控制,使用鼠标、键盘控制PLC来启动和停止现场的设备;
安全管理
对重要设备的操作、重要参数的修改均会自动记录,包括登录的操作员、对设备进行的操作、时间以及修改前的参数值、修改后的参数等,以利于进行管理及
事故分析;
特点
(1)先进性
本方案设计中不仅采用了先进的软、硬件,而且着眼于企业“管控一体化”的需求,贯彻了数字化、信息化环保的先进思想,使企业生产数据的进一步智能应用成为现实。
该方案使控制系统有机地成为企业整个IT架构的一部分。
本系统采用先进智能的控制系统,用于热网的控制、运行操作、监视管理。
控制系统配有可靠的硬件设备和功能强大、运行可靠、界面友好的系统软件、编程软件、控制软件。
(2) 高可靠性
①与传统的无线电台传输相比,GPRS网的数据传输抗干扰能力更强,且通讯覆盖范围远远强于前者;
②现场控制站PLC对工艺过程的控制不会因监控计算机的瘫痪而受影响;
③现场控制站的PLC能够在恶劣的环境中长期可靠运行,并且易配置、易接线、易维护、隔离性好,结构坚固、抗腐蚀、适应较宽的温度变化范围,平均无故障间隔时间(MTBF)15年。
(3) 强大的功能
①PLC的编程语言符合IEC61131-3标准,易学、易懂、易用;
②CPU内置软PID,并提供了丰富的指令集及函数库,用户直接调用;
③组态软件图库丰富,网络功能强大,报警、报表、历史数据以及二次开发功能完善而易用。
(4) 优良的开放性
①TCP/IP协议是目前开放性最好的协议,可以轻松进行系统扩展;
②组态软件支持DDE、OPC、ODBC、SQL,且提供丰富的API编程接口,方便接入全厂MIS系统;
结束语
该方案实现了对换热站运行参数的集中监视、控制,与老系统相比,可以大量的减少维护人员,换热站实现了无人值守,提高企业的经济效益。