垃圾焚烧炉风烟系统分解
- 格式:ppt
- 大小:555.00 KB
- 文档页数:28
生活垃圾焚烧发电项目烟气净化系统设计说明书烟气净化流程为:SNCR炉内脱硝+半干反应塔+干法+活性炭喷射+布袋除尘技术组合工艺。
烟气从炉膛出口经过热器、省煤器,然后通过烟气净化系统,再由引风机经烟囱排至大气。
SNCR炉内脱硝工艺,还原剂采用尿素。
1.1 脱酸半干法反应塔余热锅炉排出的烟气首先进入烟气净化系统的脱酸反应塔,以除去大部分烟气中的酸性气体和粉尘。
每条焚烧炉配一套反应塔,本期共两条焚烧线。
1) 脱酸反应塔由旋转喷雾器和塔体组成,Ca(OH)2溶液在反应塔内和烟气接触产生化学反应。
每条生产线1套。
2) 旋转喷雾器旋转喷雾器本身位于吸收塔上方的中央位置。
它的控制装置及其控制,振动探测器、温度保护及油冷却装置均安装在吸收塔的顶部。
半干反应的有效性,是通过以下措施来得到保证的:对消石灰浆/冷却水液体有良好的、均匀的雾化,平均雾化粒度30~50µm;在蜗形入口通道及导流板的作用下,烟气在流经反应塔的过程中,得到了均匀的分配;由于入口末端气旋的高速作用、烟气的逆向运动以及冷却水的喷射,使得烟气和雾液得到高度有效的混合;烟气在反应塔内有充足的停留时间;喷雾器上装有快速联接件。
反应塔平台也装有一套吊装运输装置,可在15-30分钟内完成备用喷雾器的更换。
对喷雾器的维护和清洁工作,可在吸收塔的平台上很容易地进行、无需拆下再搬到维修车间。
3) 在更换喷雾器进行期间,烟气净化系统保持运行,烟道中喷入消石灰干粉,确保喷雾器更换无法喷浆时,保证一定的脱酸效率。
4) 为了提高消石灰浆同烟气接触面积,提高消石灰的利用率,消石灰浆以极细的雾状(30-50μm)喷入烟气中去进行高速旋转喷雾。
同时向烟气喷水,控制烟气的出口温度在合适的范围内。
5) 中和反应的产物和烟气中原有的颗粒绝大部分(95%)随烟气排出,只有极少一部分(5%)沉降到反应塔底部排出。
6) 预先配制好浓度约13%的消石灰浆,和水一起分别输入旋转喷雾器,从喷嘴喷出。
垃圾焚烧电厂烟气净化系统效率分析随着社会的不断发展,人们的生活水平不断提高,生活垃圾也随之增多。
目前生活垃圾是一个非常严重的问题,如果不对其进行有效的处理,将对环境造成严重的污染。
对于生活垃圾的处理通常采用焚烧的方式,通过生活垃圾的焚烧,又可以将其用来发电。
现结合工程实例,主要分析垃圾电厂焚烧烟气净化系统。
当前世界中各国的生活垃圾产量以每年100亿吨的增长速度不断增加。
这些生活垃圾中包含塑料等有机工业制品,海量垃圾造成的环境污染是目前威胁生态平衡和人类健康的主要因素。
对这些生活垃圾进行及时处理,消除生活垃圾对生态环境的威胁,完成能量的回收利用,是当前世界各国面临的主要问题。
11、典型工艺概述1.1、流程简述垃圾在焚烧炉中燃烧,焚烧炉部分由进料系统、炉排、燃烧系统、落灰输送系统等组成。
焚烧产生的烟气开始进入余热锅炉部分,余热锅炉由一级烟道、二级烟道的水冷壁部分以及三级、四级烟道的过热器、省煤器部分组成。
经过余热锅炉的烟气进入脱酸反应塔,经过脱酸处理后进入布袋除尘器,最后的烟气经引风机随烟囱排出。
如图1所示。
图1垃圾焚烧工艺流程1.2、垃圾焚烧产物成分生活垃圾焚烧烟气的主要成分是N2、O2、CO2和H2O,还包括其他一些污染物,如:(1)SO某、NO某、HCL、HF、H2S等酸性气体污染物;(2)惰性物质、无燃烧物质、粉尘等颗粒物;(3)锌、铅、锰、铬、汞、镉、砷、钛等残留重金属物质;(4)残余有机物,包括未完全燃烧有机物与反应生成物,如二恶英类。
1.3、烟气净化采用的控制工艺为防止垃圾焚烧产生的污染物对环境造成二次污染,采用的典型控制工艺为:SNCR脱硝+半干法脱酸+干法+活性炭脱重金属及二恶英+布袋除尘+烟气排放。
22、烟气脱酸系统的工艺优化和设备维护探索2.1、工艺流程从锅炉内出来的脱硝后的烟气开始进入脱酸反应塔系统,烟气首先进入脱酸塔的蜗壳分配器,经导流板后,烟气向四周均匀分布,并作下旋运动,紊流状态烟气与旋转方向相反的石灰浆液充分接触反应。
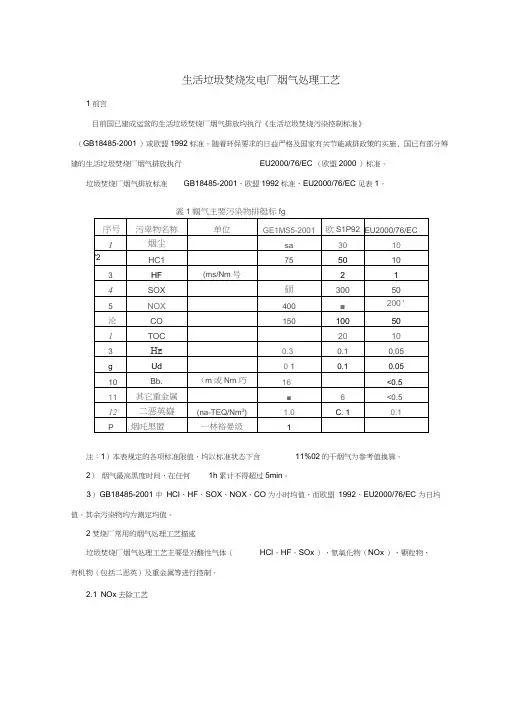
生活垃圾焚烧发电厂烟气处理工艺1前言目前国已建成运营的生活垃圾焚烧厂烟气排放均执行《生活垃圾焚烧污染控制标准》(GB18485-2001 )或欧盟1992标准。
随着环保要求的日益严格及国家有关节能减排政策的实施, 国已有部分筹建的生活垃圾焚烧厂烟气排放执行EU2000/76/EC (欧盟2000 )标准。
垃圾焚烧厂烟气排放标准GB18485-2001、欧盟1992标准、EU2000/76/EC 见表1。
注:1)本表规定的各项标准限值,均以标准状态下含11%02的干烟气为参考值换算。
2)烟气最高黑度时间,在任何1h累计不得超过5min。
3)GB18485-2001 中HCI、HF、SOX、NOX、CO 为小时均值,而欧盟1992、EU2000/76/EC 为日均值。
其余污染物均为测定均值。
2焚烧厂常用的烟气处理工艺描述垃圾焚烧厂烟气处理工艺主要是对酸性气体(HCI,HF,SOx )、氮氧化物(NOx )、颗粒物、有机物(包括二恶英)及重金属等进行控制。
2.1 NOx去除工艺目前国已运行的生活垃圾焚烧厂均未设置专门的脱氮装置,烟气中的 在300~400mg/Nm3 ,能够达到 GB18485-2001 中 400mg/Nm3 的排放限值,但达不到 EU2000/76/EC 中 200mg/Nm3 的排放限值,必须设置专门的脱氮设施。
NOx 去除工艺主要有选择性非催化还原法( SNCR )和选择性催化还原法( SCR )。
SCR 法是在催化剂作用下 NOx 被还原成N2 ,为达到SCR 法还原反应所需的 200 C 的温度,烟 气在进入催化脱氮器前需加热。
SCR 法可将 NOx 排放浓度控制在 50mg/Nm3 以下。
SNCR 是以 NH4OH (氨水)或 (NH2)2CO (尿素)作为还原剂,将其喷入焚烧炉。
NOx 在高温 下被还原为 N2和H2O 。
SNCR 法可将NOx 排放浓度控制在 200mg/Nm3 以下。
浅谈垃圾焚烧炉烟气处理工艺摘要:垃圾焚烧是利用高温将垃圾中的有机物彻底氧化分解,因而可以最大程度地减少垃圾的最终处置数量,达到减量化。
垃圾中的细菌、病毒被彻底消灭,恶臭气被高温分解,可以最快速度达到无害化。
但是垃圾焚烧过程中会产生许多有害的气体成分,如烟尘、酸性气体(HCL、SO2、HF)、NOX、CO、碳氢化合物、重金属、二恶英等。
因此,垃圾在焚烧炉中焚烧对烟气排放进行处理是很有必要的。
本文就垃圾焚烧炉烟气处理技术与工艺进行简要分析,旨在为我国垃圾焚烧炉烟气处理技术提供理论基础。
关键词:垃圾焚烧;烟气排放指标;烟气处理工艺随着经济快速发展和人口的增长,人民生活日益提高,人们对赖以生存的环境要求越来越高,然而环境污染源却长期得不到很好地解决,固体废物的排放量日渐增多,据统计,我国一个人平均每天要制造0.8kg的生活垃圾,作为13亿人口的大国,累计起来每日产生的垃圾量也是显而易见的,这些垃圾(固体废弃物)如何处理,成为摆在我们面前一个难题。
而针对这一难题,我国很多城市开始采用焚烧技术来处理。
虽然垃圾焚烧技术是以其高减容率和可回收热能等优点正得到日益广泛的应用,但是由于垃圾成分的复杂性,其焚烧产生的烟气含有许多有害物质,并具有特殊性质。
比如垃圾焚烧产生的二噁英和重金属污染问题。
因此,针对于垃圾焚烧炉的烟气处理技术研究必须提到日程之上。
1、垃圾焚烧技术现状垃圾焚烧处理已有100多年历史,1896年和1898年,德国汉堡和法国巴黎先后建立了世界上最早的生活垃圾焚烧厂,开始了生活垃圾焚烧技术的工程应用。
但出现有控制的焚烧以及烟尘综合处理、余热再利用等是从20世纪70年代以后开始的。
到目前为止,垃圾焚烧已经成为发达国家垃圾处理的主要手段。
在日本、瑞士、丹麦,焚烧处理的垃圾已经达到70%以上。
而我国自1990年深圳垃圾焚烧厂首次建成投产以来,也开始陆续建立现代垃圾焚烧厂。
而近年来,城市垃圾焚烧技术的发展具有比较明显的特点,垃圾焚烧技术正向着自我完善方向发展的同时,也朝着多功能、智能化、资源化、环保高标准化方向发展。
垃圾发电厂烟气处理工艺随着城市化进程的加快和工业化水平的不断提高,垃圾处理成为了一个亟待解决的环境问题。
垃圾发电厂作为一种主要的垃圾处理方式,通过将垃圾燃烧生成热能,再转化为电能,达到了资源化利用的目的。
然而,垃圾的燃烧过程会产生大量的废气和废渣,其中废气中的有害气体对环境和人类健康都会造成严重影响。
因此,如何有效处理垃圾发电厂的烟气,成为了垃圾发电厂运行时需要重点关注和解决的问题。
一、垃圾发电厂烟气组成与危害垃圾发电厂烟气主要由二氧化碳(CO2)、一氧化碳(CO)、氮氧化物(NOx)、二氧化硫(SO2)和悬浮颗粒物等组成。
这些废气中的有害成分对环境和人类健康造成的危害主要表现在以下几个方面:1. 大气污染:废气中的硫氧化物和氮氧化物参与大气中的光化学反应,形成臭氧和硫酸雾,对大气环境造成污染。
2. 健康危害:废气中的悬浮颗粒物和有机物质对人体的呼吸系统和免疫系统造成危害,长期接触还会引发慢性疾病。
3. 土壤和水体污染:废气中的固体和液态颗粒物对土壤和水体造成污染,影响生态环境和生物多样性。
二、垃圾发电厂烟气处理的原则为了保护环境和人类健康,垃圾发电厂烟气处理的原则是尽量减少有害气体的排放,降低对环境和人体的危害。
具体原则包括:1. 杀毒除害:采取有效措施,减少或者消灭废气中的有害成分,保证处理后的烟气符合排放标准。
2. 高效处理:采用经济高效的烟气处理技术,保证处理效果的同时,控制成本。
3. 垃圾发电厂烟气处理的原则为了保护环境和人类健康,垃圾发电厂烟气处理的原则是尽量减少有害气体的排放,降低对环境和人体的危害。
具体原则包括:1. 杀毒除害:采取有效措施,减少或者消灭废气中的有害成分,保证处理后的烟气符合排放标准。
2. 高效处理:采用经济高效的烟气处理技术,保证处理效果的同时,控制成本。
3. 降低排放:对废气中的含硫、含氮和悬浮颗粒物排放进行控制,达到国家排放标准。
三、垃圾发电厂烟气处理工艺垃圾发电厂烟气处理工艺主要包括废气净化、废气净化设备和废气处理系统等内容。
垃圾焚烧烟气治理净化技术详解垃圾焚烧是一种对城市生活垃圾进行高温热化学处理的技术,将生活垃圾作为固态燃料送入炉膛内燃烧,在800-1000℃的高温条件下,可燃组分与空气中的氧发生剧烈的化学反应,释放出热量并转化为高温的燃烧气体和少量的性质稳定的固体残渣。
当生活垃圾有足够的热值时,生活垃圾能靠自身的能量维持自燃,而不用提供辅助燃料。
城市生活垃圾焚烧烟气主要成分为CO2、N2、O2、水蒸气及部分有害物质如HCL、HF、SO2、NO X、CO、重金属(Pb、Hg)和二噁英,因此,垃圾焚烧烟气需要净化处理后才能向大气中排放。
一、焚烧工艺垃圾经分拣压缩处理后,投入焚烧炉中燃烧,高温烟气经余热锅炉冷却,并回收余热用于供热和发电,残渣及炉灰从炉底排出。
生活垃圾含水率比较高,而热值比较低。
通常,当低位热值>5000KJ/Kg时,燃烧效果较好;而当低位热值小于3350KJ/Kg时,需采取掺煤或烧油等助燃措施。
生活垃圾焚烧工艺较多,最常用的有炉排焚烧炉和流化床焚烧炉。
1、炉排焚烧机械炉排式焚烧炉采用层燃技术,以机械式的炉排块构成炉床,将垃圾进行直接燃烧,炉排间的相对运动和垃圾本身的重力使垃圾不断翻动、搅拌并推向前进,整个燃烧过程在一个炉膛进行。
垃圾首先进入干燥段,为了保证垃圾能够快速烘干、脱水,采用加热后空气从炉排底部对垃圾进行烘干,同时炉内燃烧垃圾也能对干燥段垃圾进行烘烤;当垃圾进入燃烧段后,垃圾在900℃左右进行高温燃烧,可使其中的可燃成分和有害成分被彻底分解,同时炉底进入空气对炉排进行冷却,从而防止高温对炉排的损害;当垃圾进入燃烬段后,垃圾处于降温过程并彻底燃尽,完全变成灰渣,垃圾燃烧整个流程完成。
2、流化床焚烧流化床焚烧炉是在炉内铺设一定厚度,一定粒度范围的石英砂,通过底部布风板鼓入一定压力的空气,将砂粒吹起类似水的沸腾状态。
流化床内气固混合强烈,传热传质速率高,单位面积处理能力大,具有极好的着火条件。
焚烧炉烟气处理流程解析(一)烟气处理工艺1、主燃料:生活垃圾焚烧量:300t/d炉排焚烧炉,2、本项目烟气处理形式为SNCR脱硝+半干法脱酸(旋转雾化器)+干法+活性炭吸附+布袋除尘器。
3、设计参数垃圾焚烧锅炉出口额定烟气量(运行值): 60000Nm3/h垃圾焚烧锅炉出口烟气温度值(运行值): 200~230℃;垃圾焚烧锅炉出口烟气成分:烟尘浓度<8.5g /Nm3粉尘颗粒(um) 0~150HCl <1000mg/Nm3SO<700mg/Nm3x<400mg/Nm3NOxPb、Cu、As、Sb总量<10mg/Nm3布袋清灰方式离线脉冲式喷吹用压缩空气压力<0.8 MPa注:1)以上数值的参考条件为:11%(容积比)O,干烟气,标准状态。
22)垃圾焚烧锅炉出口烟气含水率:15%。
接地方式: TN-S,联合接地接地电阻:≤1Ω。
4、运行方式:每天24小时连续运行,年运行小时数不低于8000小时。
5、设备布置条件:室外(二)烟气处理流程解析1.总体说明烟气由反应吸收塔进入到布袋除尘器出口,为满足烟气净化需要设置的所有设备及设施。
本工程中的烟气处理系统采用旋转喷雾半干法+干法+活性炭喷射+布袋除尘烟气净化方式。
脱酸塔出口的烟气温度保证在后续管路和设备中的烟气不出现结露现象,采用保温与密封空气等方式避免出现低温腐蚀;雾化器的雾化细度保证反应器内中和剂的含水量完全高于80%,且质量稳定。
携带有大量颗粒物的烟气从反应塔排出后进入后续的布袋除尘器,在进入除尘器前喷入活性炭以吸附Pb、Hg等重金属以及二恶英、呋喃等有机污染物,烟气中颗粒物被布袋除尘器捕集经除尘器灰斗排出进入飞灰处理系统。
烟气处理系统能够满足焚烧炉在50〜120%MCR的烟气量波动,同时烟气温度为±50°C波动的条件的连续不间断的运行;并且可以满足瞬时温度为250°C的间断运行。
烟气处理系统的使用寿命为30年,设备年运行为8000小时,脱酸设备的投入率不低于97%;整个烟气系统的阻力不大于3000Pa,反应塔、除尘器与烟道设计压力按照负压-8kPa,正压+6kPa。
生活垃圾焚烧烟气净化处理技术分析生活垃圾焚烧烟气净化处理技术是指在生活垃圾焚烧过程中,采用一系列技术手段对烟气进行净化处理,以减少对环境和人体健康的不良影响。
这些技术主要包括预处理、废气处理和尾气处理等环节。
预处理环节主要是指对生活垃圾进行分类、破碎和干燥处理。
通过分类将可燃物与不可燃物分开,使可燃物的燃烧效率更高。
破碎和干燥处理可以增加垃圾的表面积,促进燃烧反应的进行。
废气处理环节主要是指对焚烧产生的废气进行处理,以去除其中的有害物质。
常见的废气处理技术包括吸收、吸附、氧化和脱硫等。
吸收是指将废气中的有机物和无机物溶解到吸收剂中,达到去除有害物质的目的。
吸附是指将废气中的有害物质吸附到固体吸附剂上,从而使废气中的有害物质得到去除。
氧化是指使用氧化剂将废气中的有机物氧化成无害物质,达到去除有害物质的目的。
脱硫是指将废气中的二氧化硫(SO2)通过化学吸收、氧化吸收或富氧脱硫等方法去除。
尾气处理环节主要是指对焚烧烟气中的残余物进行处理。
焚烧过程中会产生一些固体废物和灰渣,这些废物一般会进行化学处理,使其达到环境排放标准。
尾气处理还包括对焚烧过程中产生的余热的利用。
余热可以用于发电、供热等用途,提高能源利用效率。
生活垃圾焚烧烟气净化处理技术是一套复杂的系统工程,需要综合运用物理、化学和生物等多种技术手段来实现对烟气的净化处理。
这些技术手段能够有效去除烟气中的有害物质,减少对环境和人体健康的危害,同时还能够在废物处理过程中回收能源,达到资源的循环利用。
这些技术也面临着一些挑战,如如何处理大量产生的废水和固废问题,如何降低处理成本等,需要进一步研究和改进。
垃圾焚烧炉烟气净化系统组成及设计烟气净化系统主要组成如下:石灰浆制备、旋转喷雾脱酸反应塔、消石灰干粉喷射、活性炭喷射吸附、袋式除尘器、引风及排烟、飞灰输送及储存。
其中,石灰浆制备、消石灰干粉喷射、活性炭喷射吸附、飞灰输送及储存为公用系统。
1 石灰浆制备石灰浆制备主要内容是消石灰粉储存,用消石灰粉制备石灰浆,将石灰浆送入旋转喷雾干燥脱酸反应塔。
其主要设备消石灰粉仓、定量给料装置、制浆罐、储浆罐、石灰浆泵、通风除尘设施等。
石灰粉由定量螺旋输送机送入制浆罐,在制浆罐中加水搅拌制成浓度10%~15%的石灰浆液,批次运行,石灰浆液自流入储浆罐,再由石灰浆泵送往脱酸反应塔。
石灰浆制备主要设备参数:石灰仓有效容积100m3,1台,可保证全厂约5d石灰粉用量;石灰定量螺旋输送机(变频控制)1 500 kg/h,2台;石灰消化罐有效容积6m3,2台;石灰浆储存罐有效容积12m3,1台;石灰浆泵流量15m3/h,2台(1用1备)。
2 旋转喷雾脱酸反应塔旋转喷雾脱酸反应塔由旋转喷雾盘、旋转雾化器高速电机(8000~12000r/min)、脱酸反应塔本体和相关控制系统组成。
旋转雾化器高速电机带动耐磨合金旋转喷雾盘高速均匀地旋转,在离心力的作用下,将浆液雾化成微小的雾滴;喷浆量及喷水量通过烟气在线监测仪的数据反馈自动控制;烟温降低的同时,烟气中的部分有毒有机物和重金属也被凝聚或被干燥的粉尘吸附而除去。
旋转喷雾脱酸反应塔的主要设备参数:塔内烟气流速约0.59m/s,停留时间20 s,设备阻力800Pa,反应塔尺寸(直段)φ9.5 m×11.8m,圆锥部分角度60°,正常工况下每台反应塔需循环冷却水量1.5kg/h,全厂共两套旋转喷雾脱酸反应塔。
3 消石灰干粉喷射消石灰粉干粉喷射主要设备有消石灰仓(干法)、定量给料装置、消石灰喷射器以及罗茨风机等。
在半干法脱酸效果未达到预期效果时启动,以保证烟气中污染物的达标排放。
过程控制基本原理垃圾焚烧发电厂烟气处理系统目录1.总述1.1.概述.............................................................................................1.2.控制系统必要条件 .................................................................................1.3.运行模式.........................................................................................1.4.警报.............................................................................................1.5.与锅炉控制系统的信号交换 .........................................................................1.6.编号规则.........................................................................................2.半干式反应塔2.1.概述.............................................................................................2.2.控制.............................................................................................2.3.运行模式.........................................................................................3.喷雾器4.布袋除尘器4.1.概述.............................................................................................4.2.5.石灰浆制备系统5.1.概述.............................................................................................5.2.运行模式.........................................................................................6.活性炭储存和输送6.1.概述.............................................................................................6.2.运行模式.........................................................................................7.飞灰存储及处理7.1.概述.............................................................................................7.2.运行模式.........................................................................................8.ID风机&烟囱8.1.概述.............................................................................................9.附件9.1.输入/输出点清单..................................................................................9.2.互锁清单.........................................................................................9.3.警报清单.........................................................................................9.4.控制回路图.......................................................................................9.5.图例说明.........................................................................................9.6.其他(现场控制箱,从PLC发出的信号等)............................................................总述概述本文介绍了两条垃圾焚烧线空气污染控制的方法。
生活垃圾焚烧烟气净化处理技术分析生活垃圾焚烧烟气净化处理技术是指将生活垃圾通过高温燃烧的方式处理掉,同时对燃烧产生的烟气进行净化处理,以达到排放标准,保护环境。
下面对该技术进行详细分析:一、工艺流程生活垃圾焚烧烟气净化处理技术的工艺流程主要包括生活垃圾预处理、燃烧炉燃烧和烟气净化处理三个环节。
1、生活垃圾预处理生活垃圾经过保洁车运输到处理厂后,首先要经过预处理。
在预处理环节中,生活垃圾首先需要被分类、分离、压缩等,以减少对后续处理环节的影响。
例如,大型垃圾如废旧家具需要拆卸,易腐垃圾如厨余垃圾需要进行打碎等。
2、燃烧炉燃烧经过预处理后的生活垃圾被送入燃烧炉燃烧。
燃烧炉是对生活垃圾进行燃烧处理的主要设备,由炉膛、燃烧室和尾部排放设备等组成。
在燃烧过程中,生活垃圾会经过高温燃烧,通过热能转化而得到能源,同时也会产生很多有害气体,例如二氧化碳、二氧化硫、氮氧化物、重金属等。
3、烟气净化处理生活垃圾焚烧过程中产生的烟气需要经过净化处理,以达到国家排放标准。
烟气净化设备主要包括除尘器、脱硫喷雾塔、脱硝净化设备和除臭塔等。
其中,除尘器的主要作用是去除烟气中的颗粒物,脱硫喷雾塔的主要作用是去除烟气中的二氧化硫,脱硝净化设备的主要作用是去除烟气中的氮氧化物,除臭塔的主要作用是去除烟气中的臭气物质。
二、技术优点1、高效处理生活垃圾焚烧烟气净化处理技术能够高效处理大量生活垃圾,有效降低垃圾的体积和危害。
2、资源回收生活垃圾焚烧烟气净化处理技术可以将生活垃圾中的可燃性物质转化为能源,实现资源回收和利用,同时还可以减少对传统能源的依赖。
3、环保三、存在的问题尽管生活垃圾焚烧烟气净化处理技术具有很多优点,但也存在一些问题:1、排放标准低由于我国的排放标准与国外相比仍然较低,燃烧后排放的废气仍然存在一定程度的污染。
2、初投资高生活垃圾焚烧烟气净化处理工程的初投资相对较高,需要大量的资金和专业的技术人才。
3、二次污染虽然使用烟气净化设备可以减少废气排放的污染,但其本身也有二次污染的风险。
垃圾焚烧烟气处理系统文章来源:蓝白蓝网 2010-01-18 12:34生活垃圾焚烧烟气中的污染物可分为颗粒物(粉尘)、酸性气体(HCl、HF、SOx、NOx等)、重金属(Hg、Pb、Cr等)和有机剧毒性污染物(二恶英、呋喃等)四大类。
为了防止垃圾焚烧处理过程中对环境产生二次污染,必须采取严格的措施,利用烟气净化系统控制垃圾焚烧烟气的排放。
国外经济发达国家的研究和实践表明,“低温控制”和“高效颗粒物捕集”是烟气净化系统成功运行的关键因素。
所以,在垃圾焚烧烟气净化过程中,必须将温度控制的尽可能低(露点以上),同时应采用高效除尘器。
烟气净化工艺形势较多,按其系统中是否有废水排出,可分为湿法、半干法和干法三种。
每种工艺都有多种组合形式,也各有优缺点。
湿法净化工艺的污染物净化效率最高,可以满足严格的排放标准,故在国外经济发达国家应用较多,其工艺组合形式也多种多样。
湿法净化的缺点是流程复杂,配套设备较多,一次性投资和运行费用高,并有后续的废水处理问题。
湿法洗涤净化集除尘和去除其他污染物于一体,在允许的条件下可以不用专门的高效除尘设备(静电除尘器或袋式除尘器)。
湿法净化所用的吸收剂可以是Ca(OH)2或NaOH。
因CaSO3难溶于水,为避免设备内结垢,应采用NaOH为好。
湿法净化后烟气的温度大大降低,常需加热后从烟囱排入大气。
半干法净化工艺不但可以达到较高的污染物净化效率,而且具有投资和运行费用低、流程简单、不产生废水等优点,是一种极有前途的工艺,目前在生活垃圾焚烧厂烟气净化系统中的应用越来越多。
该工艺被美国国家环保局定为生活垃圾焚烧烟气净化最佳工艺。
其缺点是对操作水平(入烟气在喷雾干燥吸收塔中的停留时间、吸收浆液中吸收剂的粒度及浓度等)及喷嘴的要求高。
干法净化工艺的污染物净化效率相当于湿法和半干法而言较低,但其工艺简单,投资和运行费用明显低于湿法,操作水平要求较低,且不存在后续的废水处理问题。
近几年来,国外经济发达国家在干法净化设备开发方面不断改进,提高了污染物的净化效率,因而该工艺仍有一定的实用性,尤其适合于经济相对落后及排放标准较宽松的国家和地区采用。
XX 市生活垃圾焚烧发电项目75T/H 垃圾焚烧炉烟气处理系统工程技术方案目录一、技术说明 (2)1、工程概况 (2)2、设计范围及设计原则 (5)3、本方案烟气处理系统技术性能说明 (6)4、烟气处理系统工艺介绍 (7)二、技术参数 (16)1、脱酸系统技术参数 (16)2、脱硫后布袋除尘器技术参数 (17)3、主要经济指标 (19)三、附件 (20)1、垃圾焚烧炉烟气喷雾干燥半干法脱硫工艺流程简图 (20)一、技术说明1、工程概况XX 市生活垃圾焚烧发电项目拟建厂址位于 XX 市XX 镇XX 村东北约303 米处,规模为日处理生活垃圾 350 吨+250 吨桔杆。
本工程一期安装 1 台日处理垃圾 350 吨+250 吨桔杆的循环流化床垃圾焚烧炉,1 台12MW 凝汽式汽轮机。
机组年利用小时数取为 7600 小时。
本工程设置一条烟气净化线,与一条焚烧线相对应,以处理焚烧锅炉烟气中含有的各种污染物和有害物质,经处理后系统排放的烟气成分可达到GB18485-2007,其中二恶英应达到欧盟 92 标准或 DB11/502-2008 的标准。
烟气净化系统有独立的控制系统,可完全满足烟气脱硫自控要求,并预留与焚烧系统的通讯连锁接口。
本工程为 XX 市生活垃圾焚烧发电项目,采用旋转喷雾半干法脱硫工艺(丹麦尼鲁技术)。
1.1 烟气原始参数单台锅炉出口(烟气净化塔入口)烟气的参数(过量空气系数 1.6)1.2 气象水文、地质条件XX 市忻府区属暖温带大陆性季风气候,寒冷干燥,雨雪稀少;春季回暖迅速,干燥多风,并时有寒潮;夏季炎热,雨量集中;秋季降温迅速,雨量骤减,天气凉爽。
主要气候特征如下:年平均气温8.7℃;极端最高气温38.8℃;极端最低气温-27.8℃;主导风向冬季西风、北风,夏季南风;平均风速 1.8m/s;最大风速 17.2m/s;静风频率 37%;年均降雨量 462mm;年积雪深度 14cm;年均相对湿度 59.8%;无霜期 150~160 天。
垃圾焚烧电厂烟气处理工作流程垃圾焚烧电厂烟气处理工作流程是一个复杂的过程,它包括多个步骤。
The process of smoke gas treatment in waste incineration power plants is a complex process that involves multiple steps.首先,烟气会进入除尘器,以去除大部分固体颗粒物。
First, the smoke gas will enter the dust collector to remove most of the solid particles.然后,烟气会通过脱硫设备,以减少硫氧化物的排放。
Then, the smoke gas will pass through the desulfurization equipment to reduce the emission of sulfur oxides.接下来,烟气会经过脱硝设备,以减少氮氧化物的排放。
Next, the smoke gas will go through the denitrification equipment to reduce the emission of nitrogen oxides.随后,烟气会通过除酸设备,以减少酸雨的形成。
After that, the smoke gas will go through the acidremoval equipment to reduce the formation of acid rain.最后,烟气会进入除臭设备,以去除异味物质。
Finally, the smoke gas will enter the deodorization equipment to remove odor substances.整个过程中,烟气也会被冷却,以确保排放口温度符合环保要求。
Throughout the process, the smoke gas will also be cooled to ensure that the temperature at the emission outlet meets environmental requirements.所有这些步骤都是为了确保焚烧后的烟气排放达到环保标准。