地质环境条件复杂程度分级表
- 格式:doc
- 大小:22.00 KB
- 文档页数:1
地质灾害危险性评估、评价、地质监测地质灾害治理工程勘查、设计、施工及监理、咨询收费标准深圳市国土资源和房产管理局二00五年一月总则1、本收费标准包括地质灾害危险性评估、评价,地质监测,地质灾害治理工程勘查、设计、施工、监理、咨询;2、制订此收费标准是在《工程勘察设计收费标准》(2002年修订本)、深圳市建设工程造价管理站计价标准以及其它有关收费规定上调整修订。
3、本收费标准不包括其他服务收费,国家有收费规定的,按照规定执行;国家没有收费规定的,由双方协商确定。
一、地质灾害危险性评估及评价收费标准1说明1.1地质灾害危险性评估收费是指,评估人根据发包人的委托,收集利用已有的遥感影象、区域地质、工程地质、环境地质和气象水文等资料,进行地面地质调查、物探、坑槽探与取样测试等作业,以及编制评估报告所收取的费用。
1.2 地质灾害危险性评估收费由实物工作收费和综合研究收费两部分组成。
1.3 地质灾害危险性评估收费按照下列公式计算地质灾害危险性评估收费=地质灾害评估实物工作收费×地质环境复杂程度系数+地质灾害评估综合研究收费(见表14)地质灾害评估实物工作收费=地质灾害评估实物工作收费基价×实物工量1.4 地质灾害评估实物工作收费基价是完成每单位工程评估实物工作内容的基本价格。
评估实物工作收费基价在相关的《实物工作收费基价表》中查找确定(具体详见地质测绘、勘探、取样、原位测试、测量基价表)。
1.5 实物工作量实物工作量由评估人按照地质灾害危险性评估技术要求、有关规定、评估合同约定及作业实际情况进行确定。
1.6地质环境复杂程度系数是对评估的自然条件及工作环境复杂程度差异进行调整的系数。
其调整系数为复杂1.2、中等1.15、简单1.1。
地质环境复杂程度分类参照地质环境条件复杂程度分类表。
1.7 地质灾害评估综合研究收费基价是完成每单位工程评估技术工作内容的基本价格(见表14)。
1.8 专家评审费单列计入工程成本。
四川省大渡河水电站工程区建设用地地质灾害危险性评估报告2003年6月目录1 前言 (1)1.1 评估依据 (2)1.2 征地情况及评估范围 (2)1.3 建设项目类型与评估级别确定 (2)1.4 评估工作概况 (3)2 地质环境条件 (6)2.1 气象、水文 (6)2.2 区域地质 (6)2.3 地震 (9)2.4 水库基本地质条件 (10)2.5 枢纽区基本地质条件 (11)2.5.1 地形地貌 (11)2.5.2 地层岩性 (12)2.5.3 地质构造 (14)2.5.4 物理地质现象 (15)2.5.5 水文地质 (16)2.6 人类工程活动对地质环境的影响 (17)3 地质灾害危险性现状评估 (17)3.1 地质灾害危险性评估标准 (17)3.2枢纽建筑区地质灾害类型、发育特征及危险性现状评估 (18)3.2.1古拉裂变形体发育特征及危险性现状评估 (18)3.2.2上游桥变形体发育特征及危险性现状评估 (21)3.2.3崩塌变形体发育特征及危险性现状评估 (23)3.2.4泥石流发育特征及危险性现状评估 (24)3.3建材开挖区地质灾害类型、发育特征及危险性现状评估 (24)3.3.1 黑马料场 (24)3.3.2 深启低料场 (26)3.3.3 卡尔沟块石料场 (27)3.3.4 加里俄呷块石料场 (27)3.3.5 管家山粘土料场 (27)3.4场内公路区地质灾害类型、发育特征及危险性现状评估 (28)3.4.1 左岸公路施工区地质灾害发育特征及危险性现状评估 (28)3.4.2 右岸公路施工区地质灾害发育特征及危险性现状评估 (29)3.5 堆碴场区地质灾害类型、发育特征及危险性评估 (30)3.5.1三谷桩碴场 (30)3.5.2 脚落沟碴场 (30)3.5.3 落哈碴场 (30)3.6 水库区地质灾害类型、发育特征及危险性评估 (31)3.6.1 库区滑坡、崩塌及泥石流发育分布状况 (31)3.6.2 库区滑坡(含变形体)灾害危险性现状评估 (34)3.6.3 库区崩塌(危岩)灾害危险性现状评估 (38)3.6.4 库区泥石流灾害危险性现状评估 (43)3.6.5 库岸稳定性分段及评价 (47)3.7 移民搬迁新址及黑马生活营地地质灾害类型、发育特征及危险性评估 (50)3.7.1 汉源新址—萝卜岗场地地质灾害类型、发育特征及危险性评估 (50)3.7.2 库区内各集镇新址地质灾害类型、发育特征及危险性评估 (52)3.7.3 黑马营地地质灾害类型、发育特征及危险性评估 (55)4 地质灾害危险性预测评估 (56)4.1 工程建设诱发或加剧地质灾害危险性预测 (56)4.1.1 枢纽建筑区工程建设诱发或加剧地质灾害的可能性 (56)4.1.2建材开挖区工程建设诱发或加剧地质灾害的可能性 (62)4.1.3场内公路区工程建设诱发或加剧地质灾害的可能性 (63)4.1.4堆碴场区工程建设诱发或加剧地质灾害的可能性 (66)4.1.5水库区工程建设诱发或加剧地质灾害的可能性 (67)4.1.6移民搬迁新址区即黑马营地工程建设诱发或加剧地质灾害的可能性 (72)4.2 工程建设本身可能遭受地质灾害的危险性 (77)4.2.1 工程建设本身可能遭受滑坡灾害的危险性评价 (77)4.2.2 工程建设本身可能遭受崩塌灾害的危险性评价 (77)4.2.3 工程建设本身可能遭受泥石流灾害的危险性评价 (78)4.2.4 工程建设本身可能遭受水库坍岸的危险性评价 (78)4.2.5 工程建设本身可能遭受其他地质灾害的危险性评价 (79)5 地质灾害危险性综合评估 (80)5.1 地质灾害危险性分区原则 (80)5.2 地质灾害危险性分区 (81)5.2.1 枢纽建筑区 (81)5.2.2 建材开挖区 (82)5.2.3 场内公路区 (83)5.2.4 堆碴区 (83)5.2.5 水库区 (83)5.2.6 移民搬迁新址区 (85)5.3 场地工程适宜性评估 (88)6 地质灾害防治措施建议 (88)6.1 边坡失稳、滑坡的防治措施 (89)6.2 泥石流灾害防护措施 (90)6.3 崩塌、危岩、落石等灾害防治措施 (90)6.4 水库坍岸的防护措施 (90)6.5 坝基渗流的防治措施 (91)6.6 水库诱发地震的防治措施 (91)7 结论与建议 (91)7.1主要结论 (91)7.2 建议 (92)1 前言水电站位于四川省西部大渡河中游汉源县和甘洛县接壤处,距成都直线距离200km,距上游汉源、石棉两县城分别约28km、80km,其下游9km处有成昆铁路汉源车站,坝址附近可通铁路和公路,交通方便。
滑坡崩塌泥石流灾害详细调查规范(1)前言本标准的附录A为规范性附录,附录B参考性附录,附录C为资料性附录。
本标准由中国地质调查局提出和归口管理。
本标准主要起草单位:中国地质调查局水文地质环境地质部及有关单位共同起草。
本标准的主要起草人:殷跃平、张作辰、张茂省、郑万模、魏伦武、吴树仁、张永双、张开军、李晓春、胡瑞林、鄢毅、王军、王治华、李媛、孟辉、杨旭东、侯春堂、杨冰。
本标准由中国地质调查局解释。
引言为规范地质灾害调查评价工作,指导全国地质灾害高发区1∶5万地质灾害调查工作的开展,制定本规范。
二十多年来,我国先后在全国有计划地开展了1∶50万环境地质调查、大江大河和重要交通干线沿线地质灾害专项调查工作。
1999年以来开展了约700个县(市)地质灾害调查与区划工作,初步摸清了我国地质灾害分布情况,划分了易发区和危险区,建立了群测群防体系,有效减轻了地质灾害损失。
但随着我国社会经济迅速发展,滑坡、崩塌、泥石流等灾害呈加剧趋势,严重危害人民群众生命财产安全和社会经济可持续发展,亟需系统翔实,尤其是更大比例尺精度更高的调查资料。
根据国务院颁发的《地质灾害防治条例》和国土资源部《全国地质灾害防治规划》,将在全国地质灾害高发区开展地质灾害详细调查,进行环境工程地质条件区划,将围绕人民生命、财产、生存环境和国家重大建设工程、重要矿山、国家级或省级旅游景区开展滑坡、崩塌、泥石流灾害详细调查工作(比例尺:1∶50000),为各级政府制定地质灾害防治规划和实施地质灾害预警工程提供基础依据。
全文共分十四章,包括范围、规范性引用文件、总则、基本规定、调查分级、区域地质环境条件调查、滑坡灾害调查、崩塌灾害调查、泥石流灾害调查、不稳定斜坡灾害调查、基本调查方法、滑坡崩塌泥石流灾害危险性评价基本原则、设计编写和成果报告编制、质量检查与成果验收等内容。
滑坡崩塌泥石流灾害详细调查规范(1∶50000)错误!未指定书签。
本标准规定了滑坡崩塌泥石流灾害详细调查的目的任务、内容、控制精度及基本调查方法。
场地复杂程度等级一、符合下列条件之一者为一级场地(复杂场地)1.对建筑抗震危险的地段;2.不良地质作用强烈发育;(三)地质环境已经或者可能受到严重破坏的;4.地形复杂;5.有影响工程的多层地下水、岩溶裂隙水或其他水文地质复杂、需专门研究的场地。
二、符合下列条件之一者为二级场地(中等复杂场地)1.对建筑抗震不利的地段;2.不良地质作用一般发育;(三)地质环境已经或者可能普遍受到破坏;4.地形复杂;5.基础位于地下水位以下的场地。
三、符合下列条件者为三级场地(简单场地)1.抗震设防烈度≥6度或有利于建筑抗震的地段;2.不良地质作用不发育;3.地质环境基本完好;4.地形简单;5.地下水对本项目无影响。
注:1.从一级开始,向二级,三级推定,以最先满足的为准:2.建筑物抗震有利、不利和危险地段的划分,按现行国家标准《建筑抗震设计规范》(GB50011)的规定确定。
基础复杂性水平一、符合下列条件之一者为一级地基(复杂地基):1.岩土种类多,很不均匀,性质变化大,需特殊处理;2.湿陷性、膨胀性、盐分和污染严重的特殊岩土,以及其他条件复杂、需要特殊处理的岩土。
2、二级基础(中基复合地基)满足下列条件之一:1。
岩土种类多,性质变化大,不均匀;2.本条第1款规定以外的特殊岩石和土壤。
3、Ⅲ级基础(简易基础)满足下列条件:1。
岩土类型单一、均匀,性质变化不大;2.无特殊岩土。
注:从一级开始、向二级、三级推定,-最先满足的为准.勘察阶段的划分勘察阶段的划分应与设计阶段相适应,设计阶段一般分为可行性研究勘察、初步设计勘察和详细勘察。
对一些面积不大,建筑物性质和总体位置已确定或单项岩土工程(如基础托换或加固、已有边坡的局部加固等),且已有工程的地质资料比较齐全,或对工程的地质条件较熟悉和有建设经验第1页处理时;5.施工过程中存在边坡失稳风险,需检查原因,监测并提出处理建议;6.对于复杂地基,需进一步确认设计依据的资料或变更部分设计时;7.进一步完善施工处理要求。
DZ 中华人民共和国地质矿产行业标准DZ/T223-2009矿山地质环境保护与治理恢复方案编制规范Compiling Regulation on the Project of Mining Geo-environmental Protectionand Integrated Renovation(修订稿)××××-××-××发布××××-××-××实施中华人民共和国国土资源部发布目次前言 (1)引言 (2)1. 范围 (3)2. 规范性引用文件 (3)3. 术语和定义 (4)4. 总则 (5)5. 工作程序 (5)6. 矿山地质环境调查 (6)7. 矿山地质环境影响评估 (6)8. 矿山地质环境保护与治理恢复分区 (8)9. 矿山地质环境保护与治理恢复措施 (8)10. 矿山地质环境保护与治理恢复方案编制 (9)附录A矿山地质环境影响评估精度分级 (11)附录B评估区重要程度分级 (12)附录C矿山地质环境条件复杂程度分级 (13)附录D矿山生产建设规模分类 (15)附录E矿山地质环境影响程度分级 (17)附录F矿山地质环境保护与治理恢复分区 (18)附录G矿山地质环境保护与治理恢复方案编写提纲 (19)附录H图件编制要求 (21)附录I矿山地质环境保护与治理恢复方案报告表 (23)附录J矿山地质环境现状调查表 (26)附录K矿山地质环境保护与治理恢复方案编图常用图例 (1)前言本标准由十部分内容构成:范围、规范性引用文件、术语和定义、总则、工作程序、矿山地质环境调查、矿山地质环境影响评估、矿山地质环境保护与治理恢复分区、矿山地质环境保护与治理恢复措施、矿山地质环境保护与治理恢复方案编制。
本标准的附录A、附录B、附录C、附录D、附录E、附录F、附录G、附录H、附录I为规范性附录,附录J、附录K为资料性附录。
发布日期:1999-11-1执行日期:1999-11-1各省、自治区、直辖市土地(国土)管理局(厅)、地质矿产厅(局):1999年3月2日,国土资源部第4号令发布了《地质灾害防治管理办法》(以下简称《办法》),为地质灾害防治管理工作提供了法律保障,将防治地质灾害纳入了法制轨道。
为进一步贯彻落实《办法》,现就做好建设用地地质灾害危险性评估工作有关问题通知如下:一、1999年12月1日起,城市建设、地质灾害易发区内进行工程建设、及其他有可能导致地质灾害发生的工程项目建设,在项目选址阶段必须进行地质灾害危险性评估。
评估结果由省级以上地矿行政主管部门认定,并作为该建设项目用地审查报批的必备条件之一。
不符合条件的,土地行政主管部门不予办理建设用地预审及审批手续。
二、地质灾害危险性评估按《建设用地地质灾害危险性评估技术要求》(试行)进行。
三、国土资源部负责一级评估结果的审查认定,省(市、区)地质矿产主管部门负责二、三级评估结果的审查认定。
四、在《建设用地地质灾害危险性评估单位资质管理办法》正式颁布之前,暂由具地质灾害防治工程勘查甲级资质的单位开展建设用地地质灾害危险性评估,提交评估报告,并对报告结论负责。
五、提交审查的建设用地地质灾害危险性评估报告书(或说明书),应附承担评估单位的资格证书复印件和评审机构认为应当提交的与审查工作有关的其他资料。
六、审查认定机构自收齐送审材料之日起,5日内应作出是否予以受理的决定,并书面通知申报单位。
不予受理的,审查认定机构应向申报单位说明理由。
七、审查认定机构审查建设用地地质灾害危险性评估报告,应当聘请具有资格的专家,并指定专家组长。
审查专家应具有水文、工程、环境地质专业高级技术职称;从事相关工作10年以上,同时主持过中型以上地质灾害勘查报告的编制工作或参与过大型地质灾害勘查报告的审查。
一级评估一般聘请5-7名专家;二级评估3-5名专家;三级评估2-3名专家。
八、审查认定机构审查建设用地地质灾害危险性评估报告,应当广泛听取各有关方面意见。
附件3地质灾害危险性评估收费标准二〇〇四年十一月1 使用说明1.为适应地质灾害危险性评估工作的需要,规范我国地质灾害危险性评估工作收费行为,维护建设单位和评估单位的合法权益,依据有关法律、法规,制定本《地质灾害危险性评估收费标准》(以下简称标准)。
2.建设单位和评估单位应遵守国家有关价格法规和本标准的规定,维护正常的价格秩序,接受有关政府部门的监督、管理。
3.本标准仅适应于我国地质灾害危险性评估工作收费。
4.本标准包括野外地质灾害调查收费标准、勘察工作收费标准、评估报告编制收费标准、报告评审收费标准。
5.地质灾害危险性评估费用=野外地质灾害调查费用+勘察工作费用+评估报告编制费用+报告评审费用。
野外地质灾害调查费用=地质灾害调查收费标准×调整系数。
勘察工作费用按国家计委、建设部编的《工程勘察设计收费标准》(2002年修订本)执行,即:勘察工作费用=实物工作收费基价×实物工作量×调整系数。
评估报告编制费用=评估报告编制收费标准×调整系数。
报告评审费用=报告评审收费标准。
6.本标准以全国平均水平为依据,对不同地区客观因素形成的差价,通过调整系数进行修正。
7.调整系数为两个或两个以上的,将调整系数相乘。
8.凡本标准没有涉及到的收费内容,可按国家计委、建设部编的《工程勘察设计收费标准》(2002年修订本)执行,或由建设单位和评估单位协商确定。
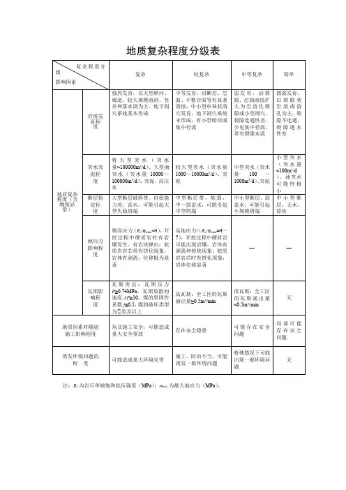
2 地质灾害危险性评估收费标准2.1 地质灾害危险性评估分级地质灾害危险性评估分级依据国土资源部文件《国土资源关于加强地质灾害危险性评估工作的通知》(国土资发〔2004〕69号)实行,见下表:地质灾害危险性评估分级表表 2.1-1地质环境条件复杂程度分类表表2.1-2注:每类5项条件中,有一条符合条件者即化为复杂类型。
建设项目重要性分类表表 2.1-3本收费标准参照的已有相近收费标准:(1)中国地质调查局编制的《中国地质调查局地质调查项目设计预算暂行标准》(2000年);(2)《重庆市建设用地地质灾害危险性评估工作收费标准》(试行〔2002〕)。
地质灾害危险性评估等级划分标准根据地质环境条件复杂程度(见表12)与建设项目重要性(见表13),建设用地地质灾害危险性评估分为3级,见表14。
表12 地质环境条件复杂程度分类表复杂中等简单1.地质灾害发育强烈 1.地质灾害发育中等 1.地质灾害一般不发育2.地形与地貌类型复杂 2.地形简单,地貌类型单一2.地形较简单,地貌类型单一3.地质构造复杂,岩性岩相变化大,岩土体工程地质性质不良3.地质构造较复杂,岩性岩相不稳定,岩土体工程地质性质较差3.地质构造简单,岩性单一,岩土体工程地质性质良好4.工程水文地质条件不良 4.工程水文地质条件较差 4.工程水文地质条件良好5.破坏地质环境的人类工程活动强烈5.破坏地质环境人类工程活动较强烈5.破坏地质环境的人类工程活动一般注:每类5项条件中,有1条符合较复杂条件者即划为较复杂类型。
表13 建设项目重要性分类表项目类型项目类别重要建设项目开发区建设、城镇新区建设、放射性设施、军事设施、核电、二级(含)以上公路、铁路、机场、大型水利工程、电力工程、洪口码头、集中供水水源地、工业建筑、民用建筑、垃圾处理场、水处理厂等较重要建设项目新建村庄、三级(含)以下公路、中型水利工程、电力工程、洪口码头、矿山、集中供水水源地、工业建筑、民用建筑、垃圾处理场、水处理厂等一般建设项目小型水利工程、电力工程、洪口码头、矿山、集中供水水源地、工业建筑、民用建筑、垃圾处理场、水处理厂等表14 建设用地地质灾害危险性评估分级表复杂程度评估分级项目重要性复杂中等简单重要建设项目一级一级一级较重要建设项目一级二级三级一般建设项目二级三级三级。
2.1地质灾害:是指包括自然因素或者人为活动引发的危害人民生命和财产安全的山体崩塌、滑坡、泥石流、地面塌陷、地裂缝、地面沉降等与地质作用有关的灾害。
2.2地质灾害易发区:是指容易产生地质灾害的区域。
2.3地质灾害危险区;是指明显可能发生地质灾害且将可能造成较多人员伤亡和严重经济损失的地区。
2.4地质灾害危害程度:是指地质灾害造成的人员伤亡、经济损失与生态环境破坏的程度。
3.2在地质灾害易发区内进行工程建设,必须在可行性研究阶段进行地质灾害危险性评估;在地质灾害易发区内进行城市总体规划、村庄和集镇规划时,必须对规划区进行地质灾害危险性评估。
3.3地质灾害危险性评估,必须对建设工程遭受地质灾害的可能性和该工程建设中、建成后引发地质灾害的可能性做出评价,提出具体的预防治理措施。
3.4地质灾害危险性评估的灾种主要包括:崩塌、滑坡、泥石流、地面塌陷(含岩溶塌陷和矿山采空塌陷)、地裂缝和地面沉降等。
3.5地质灾害危险性评估的主要内容是:阐明工程建设区和规划区的地质环境条件基本特征;分析论证工程建设区和规划区各种地质灾害的危险性,进行现状评估、预测评估和综合评估;提出防治地质灾害措施与建议,并作出建设场地适宜性评价结论。
3.6地质灾害危险性评估工作,必须在充分收集利用已有的遥感影象、区域地质,矿产地质、水文地质、工程地质、环境地质和气象水文等资料基础上,进行地面调查,必要时可适当进行物探、坑槽探与取样测试。
5.1地质灾害危险性评估范围,不能局限于建设用地和规划用地面积内,应视建设和规划项目的特点、地质环境条件和地质灾害种类予以确定。
5.2 若危险性仅限于用地面积内,则按用地范围进行评估。
5.3崩塌、滑坡其评估范围应以第一斜坡带为限;泥石流必须以完整的沟道流域面积为评估范围;地面塌陷和地面沉降的评估范围应与初步推测的可能范围一致;地裂缝应与初步推测可能延展、影响范围一致。
5.4建设工程和规划区位于强震区,工程场地内分布有可能产生明显位错或构造性地裂的全新活动断裂或发震断裂,评估范围应尽可能把邻近地区活动断裂的一些特殊构造部位(不同方向的活动断裂的交汇部位、活动断裂的拐弯段、强烈活动部位、端点及断面上不平滑处等)包括其中。
地质复杂隧道分级
表2-1是《铁路隧道超前地质预报技术规程》(Q/CR 9217—2015)给出的隧道地质复杂程度分级。
表2-1 地质复杂程度分级表
续表
隧道施工地质预报的目的在于:
(1)查清隧道开挖工作面前方存在的、施工开挖揭穿和通过可能造成隧道施工地质灾害的不良地质体(致灾构造)的性质、分布位置、规模,为不良地质体处治工程措施决策提供依据。
(2)避免因施工开挖揭穿和通过不良地质体可能发生的隧道施工地质灾害及因隧道洞内地质灾害发生引发的隧道上方地表生态环境灾害。
(3)减轻因施工开挖揭穿和通过不良地质体发生的隧道施工地质灾害及因隧道洞内地质灾害发生引发的隧道上方地表生态环境灾害的危害程度和损失。
(4)确保隧道施工安全和隧道上方地表生态环境安全。
显然,在针对不同类型地质问题,选择施工地质预报技术方法和手段,开展隧道施工地质预报时,就以灾害严重程度、地质因素对隧道施工影响程度和隧道洞内地质灾害诱发环境问题的程度,作为隧道地质复杂程度的分级指标,是不合适的;因素“断层稳定性”应以“断层规模及其活动性”冠名更为恰当。
以致灾构造类型及其规模、断层规模及其活动性、地应力、煤层瓦斯及其对隧道施工影响、可能诱发环境问题的可能性作为分级指标,进行隧道地质复杂程度分级,应更符合实际。
因此,建议按表2-2进行隧道地质复杂程度分级。
表2-2 地质复杂程度分级表
续表
需要说明的是,考虑到地质中等复杂隧道小型—中型涌水、涌泥、塌方,中小型断层破碎带塌方和低瓦斯工区隧道仍然存在瓦斯溢出集聚引起的瓦斯燃烧
爆炸,对机械化(掘进机)施工仍然存在致命的危害,将地质复杂隧道、地质较复杂隧道和地质中等复杂隧道,统称地质复杂隧道。
判定因素
复杂程度
复杂中等简单
1、地形地貌中低山区,两种以上地貌单元,地形坡度
>30°,地面相对高差大。
残积台地、低山丘陵,地形坡度10°~30°,
地面相对高差较大。
山前沟谷、冲
洪积阶地,单
一地貌单元,
地形坡度<
10°,地面相对
高差较小。
2、地质构造具区域性断裂带,有多组断裂,褶皱、裂
隙发育。
具一般性断裂,褶皱、裂隙较发育。
断裂、褶皱及
裂隙不发育
3、矿体赋存
条件
根据矿种、埋深、厚度、产状等,结合开采方式综合判定。
4、工程地质条件岩性变化大,岩土体工程地质条件差。
岩性变化较大,岩土体工程地质条件较差。
岩性单一,岩
土体工程地质
条件良好。
5、水文地质条件隐伏岩溶型充水矿山,矿层(体)顶底板
透水性强,矿坑涌水量大。
以孔隙水为主的充水矿山,矿层(体)顶底
板透水性中等,矿坑涌水量较大。
以裂隙水为主
的充水矿山,
矿层(体)顶
底板透水性一
般,矿坑涌水
量小。
6、地震动峰
值加速度
(g)
≥0.40.1~<0.4<0.1
7、地质灾害现状发育,对矿山工程影响大。
较发育,对矿山工程影响较大。
不发育,对矿
山工程影响
小。
8、环境地质问题
类型多,影响严重。
类型较多,影响较严重。
类型单一,影
响轻。
矿山地质环境条件复杂程度分级表。