无线UPS通讯协议转换器转modbus 协议
- 格式:pdf
- 大小:1021.63 KB
- 文档页数:23
Modbus协议讲解协议概述:Modbus协议是一种通信协议,用于在自动化设备之间进行数据传输。
它最初由Modicon(现在的施耐德电气)于1979年开发,并成为工业自动化领域中最常用的通信协议之一。
Modbus协议简单、可靠且易于实现,适用于各种不同类型的设备和网络。
协议结构:Modbus协议基于客户端-服务器模型,其中客户端是发起请求的设备,而服务器则是响应请求的设备。
协议使用了不同的功能码来标识不同的请求和响应类型。
Modbus协议支持两种不同的传输模式:串行和以太网。
在串行模式下,协议使用RS-232或RS-485通信标准进行数据传输。
而在以太网模式下,则使用TCP/IP协议进行通信。
Modbus协议定义了多个功能码,包括读取保持寄存器、写入单个寄存器、读取输入寄存器等。
这些功能码使得设备可以进行数据的读取和写入操作,实现设备之间的数据交换。
协议应用:Modbus协议广泛应用于工业自动化领域,包括能源管理系统、楼宇自动化、制造业、过程控制等。
它被用于监控和控制设备,实现数据的采集、传输和处理。
Modbus协议的优点:1. 简单易用:Modbus协议的设计简单,易于实现和使用。
它提供了一组简单的功能码,使得设备之间的通信变得简单高效。
2. 灵活性:Modbus协议支持多种传输模式,包括串行和以太网。
这使得它适用于各种不同类型的设备和网络环境。
3. 可扩展性:Modbus协议可以轻松扩展以满足不同应用的需求。
它支持多种数据类型和寄存器类型,可以满足不同设备的数据交换需求。
4. 可靠性:Modbus协议使用CRC校验来确保数据的完整性和准确性。
这提高了数据传输的可靠性,减少了错误的发生。
协议缺点:尽管Modbus协议在许多方面具有优势,但它也存在一些缺点:1. 安全性较低:Modbus协议没有内置的安全机制,容易受到恶意攻击。
因此,在使用Modbus协议时,需要采取额外的安全措施来保护系统免受攻击。
MODBUS协议详细讲解在工业自动化控制领域,MODBUS 协议是一种广泛应用的通信协议。
它就像是一座桥梁,连接着各种不同的设备,使得它们能够相互交流和协同工作。
MODBUS 协议最初是由 Modicon 公司在 1979 年开发的,如今已经成为了工业通信中的重要标准之一。
它的出现,大大简化了不同设备之间的通信过程,提高了系统的集成度和可扩展性。
MODBUS 协议的特点之一是其开放性。
这意味着任何设备制造商都可以采用和实现这一协议,而无需支付高额的专利费用。
这种开放性促进了市场竞争,使得用户能够有更多的选择,同时也降低了系统的总体成本。
从通信模式上来看,MODBUS 协议主要支持两种通信模式:ASCII 模式和 RTU 模式。
ASCII 模式下,数据以 ASCII 字符的形式进行传输。
每个 8 位字节被拆分成两个 ASCII 字符进行发送。
这种模式的优点是可读性强,便于调试和故障排查。
但相对来说,它的数据传输效率较低,因为需要传输更多的字符。
RTU 模式则是采用二进制数据进行传输。
每个 8 位字节直接发送,不需要进行字符转换。
这使得 RTU 模式具有更高的数据传输效率,适用于对实时性要求较高的场景。
在 MODBUS 协议中,数据的传输是基于主从结构的。
主设备负责发起通信请求,从设备则根据主设备的请求进行响应。
这种主从结构确保了通信的有序性和稳定性。
MODBUS 协议定义了多种功能码,用于实现不同的操作。
比如,功能码 01 用于读取线圈状态,功能码 02 用于读取离散输入状态,功能码 03 用于读取保持寄存器的值,功能码 04 用于读取输入寄存器的值等等。
以读取保持寄存器为例,主设备向从设备发送请求,其中包含从设备地址、功能码 03、起始地址和寄存器数量等信息。
从设备接收到请求后,会根据指定的地址和数量读取相应的寄存器值,并将其返回给主设备。
在数据格式方面,MODBUS 协议通常包括地址域、功能码域、数据域和校验域。
德国赫优讯NT50-DP-EN⽹关操作指南(PROFIBUS-DP转ModbusTCP)Page 1 of 20德国赫优讯⾃动化系统有限公司上海分公司 Hilscher GmbH Shanghai Rep. Office 上海市黄浦区⼈民路885号 Huaihai China Tower 2208 淮海中华⼤厦2208 Ren Min Road No. 885德国赫优讯NT50-DP-EN ⽹关操作指南1 ⽹关简介本⽂以NT50-DP-EN(图1)实现PROFIBUS 与Modbus/TCP 转换为例,介绍德国赫优讯NT50系列⽹关的使⽤步骤。
图1通过下载不同协议堆栈,NT50-DP-EN 能够实现不同的协议转换,主要有:PROFIBUS 从站转Modbus/TCP 主/从站PROFIBUS 从站转Ethernet/IP 从站PROFIBUS 从站转Ethernet/IP 主站(仅连接单个从站)PROFIBUS 从站转PROFINET 从站PROFIBUS 从站转PROFINET 主站(仅连接单个从站)PROFIBUS 主站(仅连接单个从站)转Modbus/TCP 主/从站PROFIBUS 主站(仅连接单个从站)转Ethernet/IP 从站PROFIBUS 主站(仅连接单个从站)转PROFINET 从站NT50⽹关的典型应⽤如图2所⽰:Page 2 of 20德国赫优讯⾃动化系统有限公司上海分公司 Hilscher GmbH Shanghai Rep. Office 上海市黄浦区⼈民路885号 Huaihai China Tower 2208 淮海中华⼤厦2208 Ren Min Road No. 885图22 软件安装1)在光驱中放⼊产品光盘,⾃动弹出安装对话框;或⼿动打开光盘根⽬录,双击Gateway_Solutions.exe ⽂件,打开安装界⾯。
单击“/doc/c8da024d227916888486d75d.html Configuration and Diagnostic Tool Installation”,开始安装/doc/c8da024d227916888486d75d.html 配置软件,如图3所⽰:图3Page 3 of 20德国赫优讯⾃动化系统有限公司上海分公司 Hilscher GmbH Shanghai Rep. Office 上海市黄浦区⼈民路885号 Huaihai China Tower 2208 淮海中华⼤厦2208 Ren Min Road No. 8852)弹出语⾔选择对话框,选择英语,单击OK,如图4所⽰:图43)单击Next,进⾏下⼀步安装,如图5所⽰:图54)选择已阅读信息,单击Next,进⾏下⼀步安装,如图6所⽰:Page 4 of 20德国赫优讯⾃动化系统有限公司上海分公司 Hilscher GmbH Shanghai Rep. Office 上海市黄浦区⼈民路885号 Huaihai China Tower 2208 淮海中华⼤厦2208 Ren Min Road No. 885图65)选择接受授权协议,单击Next,进⾏下⼀步安装,如图7所⽰:图7Page 5 of 20德国赫优讯⾃动化系统有限公司上海分公司 Hilscher GmbH Shanghai Rep. Office 上海市黄浦区⼈民路885号 Huaihai China Tower 2208 淮海中华⼤厦2208 Ren Min Road No. 885 6)填写⽤户名、公司名及软件使⽤者,单击Next,进⾏下⼀步安装,如图8所⽰:图87)选择完整安装,单击Next,进⾏下⼀步安装,如图9所⽰:图9Page 6 of 20德国赫优讯⾃动化系统有限公司上海分公司 Hilscher GmbH Shanghai Rep. Office 上海市黄浦区⼈民路885号 Huaihai China Tower 2208 淮海中华⼤厦2208 Ren Min Road No. 885 8)单击“Install”,开始安装,如图10所⽰:图109)完成安装,如图11所⽰:图11Page 7 of 20德国赫优讯⾃动化系统有限公司上海分公司 Hilscher GmbH Shanghai Rep. Office 上海市黄浦区⼈民路885号 Huaihai China Tower 2208 淮海中华⼤厦2208 Ren Min Road No. 885在软件安装完成后,如果⾸次打开/doc/c8da024d227916888486d75d.html ,要求设置密码,如果不需要,直接点击“OK”。
KSTAR UPS MODBUS协议(通用部分)版本号:V1.12010-11-201. 引言本文档描述了KSTAR UPS Modbus协议,适用于三进三出UPS及模块UPS通讯。
本协议引用了《GBT 19582 -2008 基于Modbus协议的工业自动化网络规范》。
2. MODBUS协议描述2.1 Modbus地址规则Modbus为主从通讯模式,通讯由主机发起,对应地址的从机应答。
主机无地址,从机地址范围为:1~247;0为广播地址。
在Modbus串行总线上从机地址是唯一的。
2.2 Modbus协议帧Modbus协议帧由地址域、功能码、数据域、校验码组成。
表2.1.1 通用Modbus帧地址域功能码数据域校验码协议帧分为两种格式:RTU传输模式、ASCII传输模式。
2.3 RTU传输模式2.3.1 字节格式字节包含:1起始位,8数据位(首先发送最低有效位),无校验位,2位停止位,总共11位。
每个字符或字节均由次顺序发送(从左到右):最低有效位(LSB)…最高有效位(MSB)。
表 2.3.1 RTU传输模式中的字节位序启始位数据位停止位停止位1 12345678 1 12.3.2 RTU报文帧RTU报文帧包含:从机地址、功能码、数据域、CRC校验。
RTU报文帧最大为256字节,其中数据域最大长度为252字节。
表2.3.2a RTU报文帧格式从机地址功能码数据 CRC校验字节数1字节1字节 0~252字节2字节低字节高字节在RTU模式中,时长至少为3.5个字符时间的空闲间隔将报文帧区分开。
必须以连续的字符流发送整个报文帧。
如果两个字符之间的空闲间隔大于1.5个字符时间,那么认为报文帧不完整,并且接收站应该丢弃这个报文帧。
表2.3.2b RTU报文帧发送顺序Modbus报文起始从站地址功能码数据 CRC校验结束≥3.5字符时间8位8位 N*8位 16位≥3.5字符时间dddd2.3.3 CRC校验CRC包含两个8位字节组成的一个16位值。
通信协议(Modbus ASCII)2013.4.12(V1.02)此文档是对本公司生产的逆变电源,电力专用不间断电源及应急电源等智能设备接入用户集中监控网络提供的一种通信协议,符合Modbus规约.一、硬件规范1、通信接口:RS485接口2、数据格式:1位起始位,8位数据位,1位停止位,无奇偶校验3、波特率:2400 bps4、接线端子:RS485+,RS485-5、设备地址选择拨码开关设备地址3 2 1OFF OFF OFF 07HOFF OFF ON 06HOFF ON OFF 05HOFF ON ON 04HON OFF OFF 03HON OFF ON 02HON ON OFF 01HON ON ON 00H二、协议内容1、ASCII帧结构起始位设备地址功能代码数据长度数据LRC校验结束符1个字符2个字符2个字符2个字符N个字符2个字符2个字符2 命令帧2.1 读取数据帧结构起始位设备地址功能代码数据长度数据校验结束符下行(RTU)下行(ASCII) :(3AH)30H,3XH 30H,33H 30H,30H NC LRC-H,LRC-L 0DH,0AH 上行(RTU)上行(ASCII) :(3AH)30H,3XH 30H,33H 32H,34H * LRC-H,LRC-L 0DH,0AH注:*数据包含数据段为:MMM.M NNN.N PPP.P QQQ RR.R S.SS TT.T每个数据段之间有一个空格符分开.每段数值的含义如下:交流输入电压:MMM.M(V)输入异常电压:NNN.N(V) (不用)交流输出电压:PPP.P(V)交流输出电流:QQQ(%)相对于最大电流值交流输入频率:RR.R(Hz)直流输入电压:S.SS*电池节数(换算成2V电池)机内温度:TT.T(℃)2.2读取状态帧结构起始位设备地址功能代码数据长度数据校验结束符下行(RTU)下行(ASCII) :(3AH)30H,3XH 30H,37H 30H,30H NC LRC-H,LRC-L 0DH,0AH 上行(RTU)上行(ASCII) :(3AH)30H,3XH 30H,37H 30H,38H * LRC-H,LRC-L 0DH,0AH注:*数据包含一个二进制信息的字节,例如:<B7B6B5B4B3B2B1B0>这个的Bn是一个ASCII码字符“0”或“1”状态列表位序描述7 1 : 交流输入异常(即时)6 1 : 直流输入欠压5 1 : 旁路/ 正在升压或正在降压(不用)4 1 : UPS故障(损坏)3 1 : UPS类型是离线式(0是在线式) (不用)2 1 : 正在测试(不用)1 1 : 正在关机或处于关机状态(不用)0 1 : 蜂鸣器打开(不用)2.3读取信息I帧结构起始位设备地址功能代码数据长度数据校验结束符下行(RTU)下行(ASCII) :(3AH)30H,3XH 31H,37H 30H,32H 34H,39H LRC-H,LRC-L 0DH,0AH 上行(RTU)上行(ASCII) :(3AH)30H,3XH 31H,.37H 32H,35H * LRC-H,LRC-L 0DH,0AH 注:*此功能是设备的生产厂家,机器型号和产品版本的信息上行数据内容:#Company_Name Model V ersion每段内容的长度要求如下:厂商名称(Company_Name):15个字符,不足15个字符用空格加满机器型号(Mode):10个字符,不足10个字符用空格加满产品版本(V ersion):10个字符,不足10个字符用空格加满每段内容之间用空格分开2.3读取信息F帧结构起始位设备地址功能代码数据长度数据校验结束符下行(RTU)下行(ASCII) :(3AH)30H,3XH 31H,37H 30H,32H 34H,36H LRC-H,LRC-L 0DH,0AH 上行(RTU)上行(ASCII) :(3AH)30H,3XH 31H,37H 31H,34H * LRC-H,LRC-L 0DH,0AH注:*1、此功能返回设备的额定信息,在每段内容之间用空格分开.2、上行数据内容为:MMM.M QQQ SS.SS RR.R每段的内容如下:a. 额定电压:MMM.M(V)b. 额定电流:QQQ(A)c. 额定电池电压:SS.SS or SSS.S(V)d. 频率:RR.R(Hz)三、说明1. 本规约符合Modbus通信协议,相关定义参考附录(Modbus通信协议).2. 下行指控制器向其他设备传送指令, 上行指设备向控制器回应数据.四、LRC举例(ASCII)读取数据:遥测下行:3AH 30H 31H 30H 33H 30H 30H 32H 34H 0DH 0AH32H 34H为LRC校验码遥测上行:(:01 03 24 220.0 210.0 222.0 005 50.0 2.05 17.5 41H 39H 0DH 0AH)3AH 30H 31H 30H 33H 32H 34H 32H 32H 30H 2EH 30H 20H 32H 31H 30H 2EH 30H20H 32H 32H 32H 2EH 30H 20H 30H 30H 35H 20H 35H 30H 2EH 30H 20H 32H 2EH30H 35H 20H 31H 37H 2EH 35H 41H 39H 0DH 0AHLRC=30H+31H+30H+33H+32H+34H+32H+32H+30H+2EH+30H+20H+32H+31H+30H +2EH+30H+20H+32H+32H+32H+2EH+30H+20H+30H+30H+35H+20H+35H+30H+2EH+30H+20H+32H+2EH+30H+35H+20H+31H+37H+2EH+35H=07A9H取LRC=A9H。
UPS 技术协议(二)UPS 技术协议(二)本文为UPS(不间断电源)技术协议的延续,旨在进一步探讨UPS系统的相关技术要点和协议。
一、UPS系统的校验和恢复在UPS系统运行过程中,校验和的使用是至关重要的。
校验和可以用于校验数据包的完整性,一旦数据包损坏或丢失,就可以通过校验和进行检测并采取相应的恢复措施。
常用的校验和算法有循环冗余校验(CRC)和奇偶校验(Parity Check)。
循环冗余校验通常用于验证数据的完整性,奇偶校验则用于检测数据传输的错误。
当发现数据包损坏或丢失时,UPS系统应立即采取恢复措施。
恢复措施可以包括重新发送数据包、请求相邻节点重新发送丢失的数据包等。
二、UPS系统的电池管理电池是UPS系统的核心组件之一,对于UPS系统的稳定运行具有重要意义。
因此,对于UPS系统的电池管理十分关键。
首先,UPS系统需要进行电池容量的定期测试。
定期测试可以通过模拟真实负载进行,以确保电池容量在预期范围内。
对于电池容量低于预期的情况,应及时更换或维修电池。
其次,UPS系统应具备电池充电管理功能。
电池充电管理可以根据不同情况进行动态调节,以保证电池的充电状态始终处于最佳状态。
另外,UPS系统应配备电池温度控制功能。
电池在过高温度下工作,会导致电池寿命缩短,甚至引发故障。
因此,UPS系统应能够监测电池的温度,并在超过设定范围时采取降温措施。
三、UPS系统的负载管理UPS系统的负载管理是确保系统能够有效运行的重要环节。
负载管理主要包括负载分配和负载平衡两个方面。
负载分配是指将系统的负载合理分配到不同的节点上,避免某一节点的负载过大。
合理的负载分配可以提高系统的整体性能,并延长系统的寿命。
负载平衡是指在负载分配的基础上,进一步调整各个节点的负载,使各节点的工作负载更加均衡。
通过负载平衡,可以有效减少系统的响应时间和资源利用率,提高系统的性能。
四、UPS系统的故障检测和自动恢复UPS系统故障检测和自动恢复能力的提升对于系统的可靠性和稳定性至关重要。
ups通讯协议模板1. 概述UPS通讯协议是用于定义UPS与其他设备之间通信的规范。
通过遵循该协议,可以实现UPS与计算机、监控系统等设备的数据交互与控制。
本文将介绍UPS通讯协议的基本要素,并给出通讯协议模板的详细说明。
2. 通讯接口UPS通讯协议可以通过串口、以太网、USB等接口进行传输。
具体通讯接口的选择要根据实际需求和设备的支持而确定。
以下是通讯协议模板的基本信息:2.1 通讯接口类型:【填写通讯接口类型,如串口/以太网/USB】2.2 通讯接口参数:【填写通讯接口的参数,如波特率/IP地址/设备号等】3. 通讯协议规范UPS通讯协议的规范包括数据格式、命令集和通讯流程等。
3.1 数据格式UPS通讯协议使用特定的数据格式进行信息传输。
通常采用ASCII 码或二进制编码表示数据。
以下是数据格式的详细说明:3.1.1 数据长度:【填写数据长度,如8位】3.1.2 数据类型:【填写数据类型,如ASCII/二进制】3.1.3 校验方式:【填写校验方式,如校验和/CRC校验】3.2 命令集UPS通讯协议定义了一系列命令与响应,用于实现对UPS的控制和查询。
以下是部分命令集的示例:3.2.1 查询UPS状态命令:命令:【填写命令,如"QRY-STT"】参数:【填写参数,如无】响应:【填写响应,如"ON-BATTERY"表示UPS正在使用电池供电】3.2.2 控制UPS命令:命令:【填写命令,如"SHT-DOWN"】参数:【填写参数,如无】响应:【填写响应,如"SUCCESS"表示UPS成功关闭】3.3 通讯流程UPS通讯协议的通讯流程分为发起方和接收方两部分。
发起方发送命令,接收方响应命令并返回结果。
以下是通讯流程的示意图:【示意图,展示发起方和接收方之间的数据交互流程】4. 示例代码为了更好地理解UPS通讯协议的实际应用,以下是一个简单的示例代码,展示了如何使用协议进行UPS状态查询:【示例代码,使用特定编程语言展示如何发送命令和接收响应】5. 总结UPS通讯协议是实现UPS与其他设备通信的关键规范。
SNMP网络适配器UPS-IPGuard使用说明书感谢您购置广州市竣达智能软件技术有限公司UPS-IPGuard产品。
在使用之前,请您详读本说明书,以确保正确使用。
此外,请将此说明书妥善保存以便随时查阅。
本手册仅适用于UPS-IPGuard的配置和使用。
注意:�此使用说明书可能改变,恕不另行通知�我们尽最大努力确保本手册的准确性,然而如您仍有疑问或发现错误,请直接与我公司或我公司授权代理商联系�对于说明书内容如有不同理解,以本公司技术支持解释为准�第一次打开包装箱时,请您对照装箱清单检查配件,发现设备或配件错误、配件不齐或不正常,请与我公司联系�检查主机型号与您订购的是否一致目录1、安装配置需求 (4)2、UPS-IPGuard的外观 (4)(一)、外置卡 (4)(二)、内置卡 (5)短卡尺寸:58*59(MM)长卡尺寸60*119(MM) (5)3、接口及指示灯定义 (5)(一)、前面板 (5)(二)、后面板(内置卡,置于UPS机箱内,故无后面板) (6)4、安装UPS-IPGuard (6)5、配置UPS-IPGuard IP地址 (6)6、配置UPS-IPGuard功能 (9)(一)Web浏览器网络远程配置方式 (9)1、SNMP功能设置 (10)2、邮件告警功能设置 (11)4、用户配置功能设置 (13)5、网络参数功能设置 (14)6、PMcenter集中监控功能设置 (14)7、设备总线(温湿度或modbus地址)功能设置 (15)8、系统时间功能配置 (15)9、远程控制功能设置 (16)10、远程唤醒功能设置 (16)11、历史事件记录 (16)12、设备数据接口 (16)(二)、串口终端配置: (17)1、Network configuration(网络配置) (20)2、NMS配置 (22)3、Trap主机配置 (22)4、设置系统日期和时间 (23)5、略 (24)6、系统功能配置 (24)9:关于我们:略 (26)10、保存并重启 (26)(三)Telnet网络远程配置方式 (26)6、故障排除: (28)7、系统参数: (29)1、安装配置需求�一台具有RS-232通讯接口的UPS;�一台具有RS-232通讯接口和10M/100M以太网络适配卡的计算机(具有管理权限的),以做初始参数设置;�完整的网络环境;�用于网络监控、监测、管理UPS电源和计算机机房环境及周边设备的系列功能扩展选件(可选);2、UPS-IPGuard的外观本产品分为内置和外置两种。
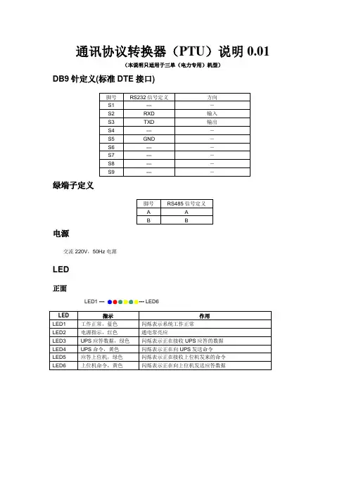
通讯协议转换器(PTU)说明0.01(本说明只适用于三单(电力专用)机型)DB9针定义(标准DTE接口)绿端子定义电源交流220V,50Hz电源LED正面LED1 ---●●●●●●--- LED6板接口图拨码开关位用途位状态1板地址设置0 1 0 1……0 12 0 0 1 1 1 13 0 0 0 0 1 14 0 0 0 0 1 1板地址无效1(默认) 2 3 ……14 15 拨码开关位用途位状态5 UPS波特率设置0 1 0 16 0 0 1 17 上位机波特率设置0 1 0 18 0 0 1 1波特率2400 4800 9600 无效UPS波特率默认为9600,上位机波特率默认为2400与上位机通讯协议(遵循MODBUS协议)波特率:2400(默认)/4800/9600起始位:1位奇偶校验位:无结束位:1位上位机命令:地址码(1B)+功能码(1B)+寄存器起始地址(2B)+寄存器数量(2B)+CRC校验码(2B)PTU应答:地址码(1B)+功能码(1B)+数据字节数(1B)+数据1(2B)+…+数据n(2B)+CRC校验码(2B)注1:上面2B的信息中,高字节在前注2:功能码为03表中红色部分为本机型有效数据,黑色部分为本机型无效数据,程序中将无效数据添零。
ModBus/RTU 地址表一(参数寄存器)(3入1出/电力专用)说明一BIT0 Alarm Temperature 温度报警0 = No Alarm Active, 1 = Alarm Active BIT1 Alarm Input Bad 主输入消失报警0 = No Alarm Active, 1 = Alarm Active BIT2 Alarm Output Bad 输出消失报警0 = No Alarm Active, 1 = Alarm Active BIT3 Alarm Overload 过载报警0 = No Alarm Active, 1 = Alarm Active BIT4 Alarm Bypass Bad 旁路消失报警0 = No Alarm Active, 1 = Alarm ActiveBIT5 Alarm Output Off 输出关闭报警0 = No Alarm Active, 1 = Alarm Active BIT6 Alarm UPS Shutdown UPS紧急停机报警0 = No Alarm Active, 1 = Alarm Active BIT7 Alarm Charger Failure 充电器故障报警0 = No Alarm Active, 1 = Alarm Active BIT8 Alarm System Off系统关闭报警0 = No Alarm Active, 1 = Alarm Active BIT9 Alarm Fan Failure 风扇故障报警0 = No Alarm Active, 1 = Alarm Active BIT10 Alarm Fuse Failure 保险故障报警0 = No Alarm Active, 1 = Alarm Active BIT11 Alarm General Fault 综合故障报警0 = No Alarm Active, 1 = Alarm ActiveBIT12 Alarm Awaiting Power 等待电源0 = No Alarm Active, 1 = Alarm ActiveBIT13 Alarm Shutdown Pending 准备关机报警0 = No Alarm Active, 1 = Alarm ActiveBIT14 Alarm Shutdown Imminent即将关机报警0 = No Alarm Active, 1 = Alarm Active。
opc ua转modbus原理OPC UA(开放型连接和应用程序接口)和Modbus是两种常用于工业自动化系统的通信协议。
在某些情况下,需要将OPC UA协议转换为Modbus协议,以便与具有Modbus通信功能的设备进行交互。
转换OPC UA到Modbus的实现方式涉及以下几个关键步骤:1. 建立OPC UA服务器:首先,需要在计算机或网络上建立一个OPC UA服务器,用于与OPC UA客户端通信。
该服务器将提供数据和服务,供客户端使用。
2. 连接到Modbus设备:然后,通过串口或以太网等通信介质将计算机或网络连接到设备,该设备支持Modbus通信协议。
3. 实现协议转换:在计算机上部署一个OPC UA转Modbus的网关软件或硬件设备。
这个网关设备将负责将从OPC UA服务器接收到的数据转换为Modbus协议,并将其发送到与Modbus设备进行通信的计算机。
4. 进行数据映射:在OPC UA转Modbus网关设备中,需要进行数据映射的配置。
这涉及将OPC UA服务器上的数据映射到Modbus设备的寄存器或线圈上。
5. 建立通信通道:通过配置网关设备,确保OPC UA服务器和Modbus设备之间建立有效的通信通道。
这通常涉及设置IP地址、端口号、数据传输速率等参数。
6. 数据传输与同步:当OPC UA服务器接收到来自客户端的请求时,网关设备将处理该请求,并将数据转换为Modbus协议进行传输。
反之,当Modbus设备发送数据时,网关设备将接收并将其转换为OPC UA协议进行传输。
通过以上步骤,可以实现OPC UA协议到Modbus协议的转换。
这样,通过OPC UA服务器,可以与Modbus设备进行双向数据交换和控制。
需要注意的是,每个系统的实现可能会有细微的差异,具体的配置和设置取决于所使用的网关设备和软件。
因此,在实施转换过程时,需要仔细阅读和遵循相应的文档和指南。