[整理]水工金属结构制造与安装施工方案
- 格式:doc
- 大小:86.50 KB
- 文档页数:14
河道工程金属结构及设备安装施工方案及工艺水平一、安装前的准备1、精看图纸,深刻理会设计意图。
2、根据土建施工计划,制定设备安装及调试计划。
3、根据实际的施工工期列出设备(包括发包人定货的设备)的到货计划表,经与厂家协商后,由监理审核批准设备具体到货日期,厂家要严格执行,使设备及其部件的到货日期、到货顺序与施工计划相适应,避免引起混乱,可减少设备库存时间及存放引起的损伤,减少仓库容量,不影响安装,使施工顺利进行,缩短施工工期。
二、设备采购计划1、编制采购计划根据工程进度及计划,编制工程所需设备、材料的订货计划报有关部门,计划要详细列出设备材料的品种、规格、型号、数量、技术参数、技术标准以及具体的使用时间等。
2、供应商调查根据设备、材料计划,对相应的各类供应商、生产商进行调查,收集产品说明书,索要检验试验报告;以电话、电传、函件往来等方法向供应厂商了解情况;必要时派人到厂家了解情况,调查内容主要有:1)厂商的资质,信誉情况。
2)供货的质量,批量的保证能力。
3)材质证明、检验、试验报告等质保文件的提供情况。
4)服务态度和履约情况。
5)价格情况。
在调查的基础上,由调查经办人员按对各个厂商的资料进行整理、归纳,形成评价的基础依据,每一种类设备、材料的供应厂商至少要有三家以上。
3、供应厂商的评价局主管部门和项目经理部共同对本工程的供应商进行评价,主要评价内容如下:(1)评价供应商的技术能力是否满足工程所要求的技术规范标准;(2)评价供应商的供应能力是否按时供货,满足工程需要;(3)评价供应商的物资检验和试验结果是否满足本工程的要求;(4)评价供应商的业绩和信誉。
确定每种设备、材料的供应厂商,将设备、材料的订货计划及其供应厂商的相关资料、评价结果报送监理人确认,同意后方可订货。
4、签订订货合同:与经确认的供应厂商签订各设备、材料的订货合同。
5、催货:采购员要经常与供应厂商联系,了解设备、材料的生产情况,必要时要驻厂催促,确保设备、材料按时到货,以保证工程顺利进行。
水厂金属结构工程施工方案一、项目概述本项目为某某水厂的金属结构工程施工方案,主要内容包括金属结构的制造、安装和验收。
本项目总工程量约为XXX平方米。
二、施工前准备工作1. 施工图纸审查2. 设备、材料准备3. 施工人员培训三、金属结构制造1. 材料采购2. 拉筋、切割3. 焊接4. 粉末喷涂四、金属结构安装1. 基础施工2. 主体结构安装3. 次要结构安装五、验收与交付1. 数据测量与记录2. 工程验收3. 交付使用六、安全措施1. 安全教育2. 安全设备3. 安全检查七、环保与文明施工1. 垃圾处理2. 环境保护3. 文明施工八、施工方案执行1. 安排施工人员2. 监督施工进度3. 解决施工过程中出现的问题九、施工后的工程总结1. 工程数据归档2. 问题汇报与整改3. 完成报告一、项目概述本项目为某某水厂的金属结构工程施工方案,主要内容包括金属结构的制造、安装和验收。
本项目总工程量约为XXX平方米。
项目地点:二、施工前准备工作1. 施工图纸审查施工前需要对设计图纸进行审查,确保施工图纸符合实际情况,能够保证施工的顺利进行。
2. 设备、材料准备在施工前需要准备好所需的设备和材料,包括焊接机、切割机、螺栓等工具设备,以及所需的金属材料和涂料等物资。
3. 施工人员培训施工前需要对施工人员进行培训,包括安全操作规程、工艺流程等方面的培训,确保施工人员具备必要的技能和知识。
三、金属结构制造1. 材料采购根据施工图纸确定所需的金属材料种类和数量,进行采购。
2. 拉筋、切割根据施工图纸要求,对金属材料进行拉筋和切割,以满足结构组装的需要。
3. 焊接根据施工图纸进行金属结构的焊接工艺,确保焊接质量符合要求。
4. 粉末喷涂对金属结构进行防腐蚀处理,包括表面清洁、底漆喷涂、面漆喷涂等工艺。
四、金属结构安装1. 基础施工在金属结构安装前,需要对基础进行施工,确保基础平整、坚固。
2. 主体结构安装根据施工图纸安装金属主体结构,包括立柱、梁、横梁等部件。
金属结构设备及安装工程施工方案一、概述本标段主要包括各类闸门的制作及闸门启闭机的安装。
制作项目包括各门叶、行走支承及止水、锁定装置、门槽埋件及其防腐等。
安装项目包括各类闸(阀)门、门槽、启闭机设备及其基础埋件等。
二、施工布置1、闸门制作与加工车间布置根据本标金属结构制作工程量和我公司的生产条件,拟定本工程闸门、门槽埋件等制作在我公司的生产基地的水工机械厂完成。
闸门制造完成后,采用15t载重汽车运至工地安装现场或临时存放场。
2、工地库房及堆放场布置(1)在业主指定的施工营地场地修建临时库房,用于本工程的闸阀、材料及电气设备及安装施工设备的存放和保管。
(2)在业主指定的场地修建闸门、启闭机等金属结构件露天堆放场,面积为100m2,并设置防雨措施。
三、闸门制作本工程闸门及门槽埋件拟定在本公司的水工机械厂制作。
制作完成后,采用15t载重汽车运至工地安装现场或工地临时存放场。
1、埋件制作门槽埋件主要包括:主轨、反轨、侧轨、底槛、门楣。
(1)下料1)下料前编制各部件的下料工艺卡。
2)各种隔板及筋板,采用样板放样划线,用半自动切割机下料。
3)气割下料前清除切割边缘50mm范围内的锈斑、油污等,气割后清除熔渣和飞溅物;机械剪切的加工面应保证平整;焊缝坡口加工完成后用角向磨光机打磨并涂刷坡口漆。
各部件下料完成后,须经专职质检员检查,合格后打上标记方可进行下一道工序,并作好检测记录。
(2)埋件组装1)埋件的组装在工作平台上进行。
2)将面板平铺于平台上,在埋件面板上划出梁、筋板等构件的组对尺寸线,按照尺寸线进行组装。
3)组对完成后,用拉线方法进行平面度、扭曲度检查。
4)焊接完成后对工件进行矫正,然后由质检员再次进行各项尺寸、平面度、扭曲度检查。
单件检查合格后,进行整体组装,调节整体各项尺寸、分节接头间隙、整体平面度和扭曲度。
5)主轨检查合格后,划出装配尺寸线组装轨道方钢、不锈钢止水座板。
6)轨道方钢、不锈钢止水座板的平面度要求较高,装配的不锈钢板在厚度上适当加大3~5mm,焊接完成后对不锈钢面进行机加工,以保证不锈钢面的平面度。
水利水电金属结构施工方案一、引言本文档旨在为水利水电工程的金属结构施工方案提供详细的指导和说明。
水利水电工程中金属结构施工是其中的重要环节,施工方案的制定和实施对于确保工程质量、安全性和进度具有至关重要的作用。
二、施工准备2.1 项目背景在进行施工准备之前,需要对水利水电金属结构施工的项目背景进行了解和分析。
对工程的规模、要求、设计图纸等进行研究,理解工程的主要目标和具体要求。
2.2 确定施工流程根据项目背景和具体要求,制定详细的施工流程。
包括施工前的准备工作、施工过程中的各个步骤和工序、以及施工完成后的验收工作。
施工流程应该符合工程的安全要求和质量标准。
2.3 人员组织和调配根据施工流程和项目要求,确定施工所需的人员数量和专业技术要求。
组织施工人员的培训和安排,确保每个工序都有合适的人员进行操作。
2.4 资材采购根据施工流程和工程要求,制定详细的资材采购计划。
包括金属材料、焊接电极、螺栓等。
采购过程中要注意材料的质量和合格证明文件的齐全。
三、施工过程3.1 施工前准备施工前准备包括场地清理、测量放线和施工图纸的确认等工作。
确保施工环境整洁,以及施工图纸与设计图纸的一致性。
3.2 方案评审在施工前,对施工方案进行评审,确认施工计划的合理性和可行性。
评审包括施工工艺、施工材料的选择和使用等。
评审过程中要重点考虑工程的安全要求和质量标准。
3.3 施工过程控制在施工过程中,对每个工序进行严格的控制和监督。
注意施工的安全性和质量标准,及时发现和解决施工过程中的问题和隐患。
3.4 完工验收在金属结构施工完成后,进行完工验收。
验收包括工程质量、施工图纸的一致性和施工记录的完整性等。
确保金属结构的施工质量和安全性符合设计要求。
四、安全与质量控制4.1 安全控制金属结构施工过程中,安全控制是一个重要的方面。
施工方案需要详细考虑施工过程中的安全风险,制定相应的安全措施。
并要求施工人员持证上岗,并进行必要的安全培训。
水厂金属结构工程施工方案一、工程概况本项目为水厂金属结构工程,主要包括金属结构的制作、安装和调试。
金属结构主要包括水厂内的各式管道、阀门、泵站、储罐等设备支架、框架和操作平台等。
工程位于XX市XX区,占地面积约XX平方米,建筑内容包括金属结构的制作、运输、安装、调试等。
二、施工目标1. 确保工程质量:严格按照设计文件和施工规范进行施工,确保金属结构的制作和安装质量,满足水厂生产需要。
2. 保证施工安全:加强施工现场安全管理,遵守安全生产法规,确保施工现场无安全事故发生。
3. 控制工程进度:合理安排施工计划,确保工程按期完成。
4. 提高施工效益:通过科学组织、优化施工方法,提高施工效率,降低施工成本。
三、施工组织设计1. 施工人员:根据工程需要,组建专业的施工团队,包括项目经理、技术人员、施工人员等。
2. 施工机械:根据工程需求,配置适量的施工机械,如吊车、叉车、焊接设备等。
3. 施工材料:提前做好材料供应计划,确保施工过程中材料充足。
4. 施工进度计划:制定详细的施工进度计划,明确各阶段施工内容、施工时间和完成标准。
5. 施工质量控制:加强施工过程中的质量控制,对关键工序进行质量把关,确保工程质量。
6. 安全生产管理:制定安全生产管理制度,加强施工现场的安全培训和监督检查,确保施工现场安全。
四、施工技术方案1. 金属结构制作:根据设计图纸,进行金属结构的制作,包括切割、焊接、防腐蚀等工序。
2. 金属结构安装:采用吊车、叉车等机械设备进行金属结构的安装,确保安装位置准确、稳定。
3. 管道安装:按照设计图纸进行管道的铺设,包括焊接、连接等工序,确保管道安装顺利进行。
4. 设备调试:设备安装完成后,进行设备的调试,确保设备运行正常,满足水厂生产需要。
五、施工难点及应对措施1. 金属结构制作精度要求高:采用高精度的测量工具和设备,确保金属结构制作精度。
2. 施工现场空间狭小:合理规划施工现场,优化施工流程,确保施工现场秩序井然。
水工金属结构制造与安装施工方案
一、前言
水利工程建设中,水工金属结构的制造与安装是至关重要的环节。
本文将从实
际施工的角度出发,探讨水工金属结构的制造和安装方案,以确保工程质量和安全。
二、材料准备
1. 选材
水工金属结构的制造需要选用高质量材料,常见的有钢材、铝材等。
根据工程
要求和环境特点,选择合适的金属材料。
2. 材料检测
在使用金属材料前,需要对其进行检测,确保其质量符合标准要求。
包括金属
材料的强度、硬度、延展性等参数的检测。
三、结构制造
1. 切割加工
根据设计图纸,对金属材料进行切割加工,制作出所需形状和尺寸的零部件。
在切割加工过程中,注意安全,确保精准度和质量。
2. 焊接组装
将切割好的零部件进行焊接组装,构成水工金属结构。
在焊接过程中,要注意
焊接技术和参数的控制,确保焊缝质量达标。
四、安装施工
1. 基础施工
在进行水工金属结构安装之前,需要先进行基础施工。
确保基础牢固、平整,
符合金属结构的承载要求。
2. 结构安装
按照设计要求,将制造完成的金属结构进行安装。
在安装过程中,需要注意吊
装和固定的安全,保证结构稳定。
3. 检测验收
安装完成后,对水工金属结构进行检测验收。
包括外观质量、尺寸精度、连接牢固度等方面的检测,确保结构符合设计要求。
五、总结
水工金属结构制造与安装施工方案的实施需要严格按照设计要求和标准操作,保证工程质量和安全。
只有在各个环节都严谨把关,才能确保水工金属结构的稳定性和可靠性。
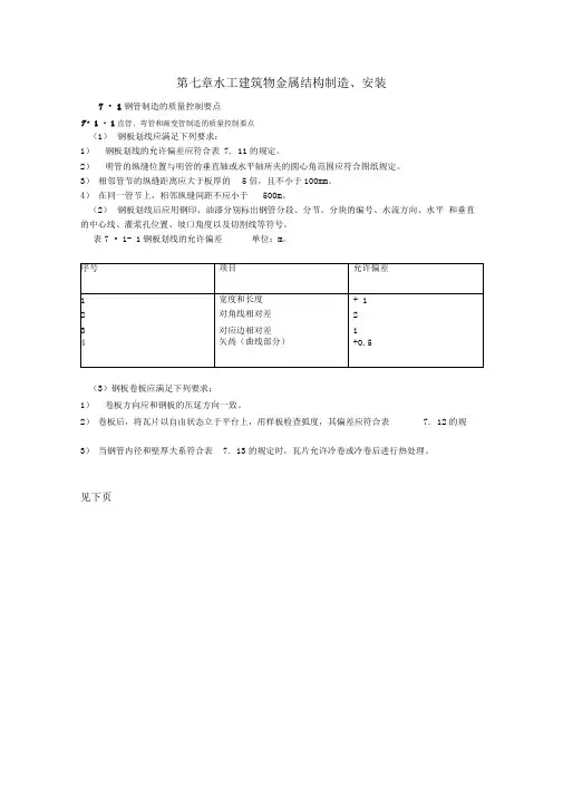
第七章水工建筑物金属结构制造、安装7 • 1钢管制造的质量控制要点7• 1 • 1直管、弯管和渐变管制造的质量控制要点(1)钢板划线应满足下列要求:1)钢板划线的允许偏差应符合表7. 11的规定。
2)明管的纵缝位置与明管的垂直轴或水平轴所夹的圆心角范围应符合图纸规定。
3)相邻管节的纵缝距离应大于板厚的5倍,且不小于100mm。
4)在同一管节上,相邻纵缝间距不应小于500m。
(2)钢板划线后应用钢印、油漆分别标出钢管分段、分节。
分块的编号、水流方向、水平和垂直的中心线、灌浆孔位置、坡口角度以及切割线等符号。
表7 • 1- 1钢板划线的允许偏差单位:m。
(3)钢板卷板应满足下列要求;1)卷板方向应和钢板的压延方向一致。
2)卷板后,将瓦片以自由状态立于平台上,用样板检查弧度,其偏差应符合表7. 12的规3)当钢管内径和壁厚夫系符合表7. 13的规定时,瓦片允许冷卷或冷卷后进行热处理。
见下页冷卷,否则应热卷或冷卷后进行热处理。
表7. 1-2瓦片弧度偏差表7.1-3钢管允许冷卷的管径和管壁关系(4)钢管对圆应在平台上进行,其管口不平度应符合表7・1-4 的规定。
表7.1-4钢管管口不平度(5)钢管对圆后,其实际周长与设计周长差不应超过±3 C/1 000,且不大于士24nun 。
相邻管节周长差,当板厚小于lOmni 时,不应大于6mm ;板厚大于或等于10mm,不应大于1 Omm o(6) 钢管纵缝对口错位不应大于板厚的10%,且不大于 2n )叫 环缝对口错位不应大于板厚的15%,且不大于3mm o(7) 纵缝焊接后,用样板检查纵缝处弧度,其间隙值应符合 表7.1-5的规定。
-⑻ 钢管椭圆度不应大于3D/1 000,最大不应大于30mm 。
❶(9) 加劲环、支承环和止水环的内圈弧度应用样板检查,其间隙应符合表 7. I — 2的规定。
(10)加劲环、支承环和止水环与钢管的组装间隙,不应大于3mm 。
水工金属结构制造与安装施工方案1. 引言本文档旨在提供水工金属结构的制造与安装施工方案,以确保项目的顺利进行和高质量的完成。
水工金属结构广泛应用于桥梁、码头、船坞等场所,承载重量大、抗风抗倾覆性能好,具有较长的使用寿命。
为了确保水工金属结构的安全性和可靠性,在制造与安装施工过程中需要严格按照规范和标准执行。
2. 材料准备2.1 钢材•钢材的选择应符合设计要求,并具备足够的强度和耐久性。
常用的钢材包括碳素结构钢、低合金钢和合金结构钢。
•钢材的规格应根据设计要求进行选择,确保满足强度、刚度和稳定性等要求。
•钢材应进行质量检测,包括化学成分、力学性能和无损检测等。
2.2 螺栓和连接件•螺栓和连接件的选择应符合相关标准,并具备足够的强度和耐久性。
•螺栓和连接件应进行质量检测,包括化学成分、力学性能和无损检测等。
•螺栓的紧固力应符合设计要求,使用力矩扳手进行紧固,并定期进行检查和维护。
3. 制造工艺3.1 钢材切割•钢材切割应使用机械切割或手工气割等设备进行,确保切割面平整并无严重变形。
•手工气割时应注意安全,佩戴防护设备,并确保切割点附近无易燃物。
•切割后的钢材应进行打磨、除锈等处理,以减少焊接缺陷的发生。
3.2 钢材焊接•钢材焊接应使用符合标准的焊接方法和操作规程。
•焊接前应对接头进行清洁和除锈处理,以提高焊接质量。
•焊接过程中应注意焊接参数的控制,包括电流、电压和焊接速度等。
•焊接后应进行焊缝的表面处理,以提高抗腐蚀性能。
3.3 钢材加工•钢材加工包括钻孔、弯曲、冷冲压等工艺。
•加工过程中应使用合适的工具和设备,并按照设计要求进行加工。
•加工后的钢材应进行检查,确保尺寸和形状满足要求。
4. 安装施工4.1 基础准备•安装前应清理基础,确保基础表面平整、无浮土和杂物。
•根据设计要求,应进行基础验收和检测,确保符合承载能力和稳定性等要求。
•在基础上设置标线,以便进行正确的定位和安装。
4.2 构件安装•构件安装应按照施工图纸和工艺要求进行,保证安装位置和方向正确。
第1篇一、工程概况本工程位于我国某城市,主要建筑物为金属结构厂房,建筑面积约为10000平方米。
厂房采用双跨钢结构,跨度为24米,屋面坡度为1/8,柱距为6米。
工程包括主体结构、屋面、墙体、门窗、屋面防水、室内装修等工程内容。
二、施工准备1. 技术准备(1)施工图纸及施工组织设计审查:对施工图纸进行仔细审查,确保施工图纸的准确性;对施工组织设计进行审查,确保施工方案的合理性和可行性。
(2)施工方案编制:根据施工图纸和施工组织设计,编制详细的施工方案,包括施工顺序、施工工艺、施工方法、质量标准、安全措施等。
(3)施工人员培训:对施工人员进行技术培训,确保施工人员掌握施工工艺和质量标准。
2. 材料准备(1)钢材:选用符合国家标准的Q235B钢材,确保钢材质量。
(2)焊接材料:选用符合国家标准的焊接材料,如焊条、焊剂等。
(3)涂料:选用符合国家标准的防腐涂料,如防锈漆、防火涂料等。
(4)其他材料:根据施工需要准备其他材料,如水泥、砂、石子、木材等。
3. 施工设备准备(1)焊接设备:电弧焊机、气体保护焊机、等离子切割机等。
(2)起重设备:起重机、卷扬机、千斤顶等。
(3)测量设备:水准仪、经纬仪、全站仪等。
(4)其他设备:切割机、打磨机、电钻等。
4. 施工现场准备(1)施工场地平整:对施工场地进行平整,确保场地平整度。
(2)临时设施搭建:搭建施工临时设施,如办公室、仓库、宿舍等。
(3)施工道路规划:规划施工道路,确保施工车辆和材料运输畅通。
三、施工工艺1. 基础施工(1)基坑开挖:根据设计要求,进行基坑开挖,确保基坑尺寸和深度。
(2)基础垫层:对基础垫层进行平整、压实,确保基础垫层厚度和密实度。
(3)基础混凝土浇筑:按照施工方案,进行基础混凝土浇筑,确保混凝土强度和密实度。
2. 柱子施工(1)柱子制作:根据设计要求,进行柱子制作,确保柱子尺寸和形状。
(2)柱子运输:将制作好的柱子运输到施工现场。
(3)柱子安装:按照施工方案,进行柱子安装,确保柱子垂直度和水平度。
供水工程金属结构设备安装工程施工方案1 概述1.1 工程内容本标段金属结构设备安装工程内容包括漕河退水闸门、岗头隧洞进口节制闸门、岗头隧洞出口闸门及其相应锁定装置、启闭机构、各种预埋件的安装、闸门及附件安装后的防腐、设备安装后的试验与调试。
具体内容如下:⑴、漕河退水闸门安装主要包括:平面定位工作闸门、平面定位检修闸门、工作及检修闸门的预埋件、固定卷扬启闭机的安装。
⑵、岗头隧洞进口节制闸安装主要包括:平面叠梁检修闸门及其埋件、平面叠梁检修闸门门库埋件、机械式自动抓梁、电动葫芦、电动葫芦轨道与附件、弧形工作闸门及其预埋件、弧门液压启闭机、弧门埋件液压热油设备、闸门室电动葫芦、电动葫芦轨道与附件的安装。
⑶、岗头隧洞出口闸门安装主要包括:平面叠梁检修闸门、检修闸门预埋件、检修闸门门库预埋件、电动葫芦、机械式自动抓梁、电动葫芦轨道与附件的安装。
⑷、设备防腐主要包括:轨道与附件制作后、闸门及埋件安装后、自动抓梁与轨道及附件安装后、固定卷扬启闭机安装后的防腐。
⑸、设备安装后的试验与调试包括:平面工作、平面检修闸门、固定卷扬启闭机、叠梁检修闸门、电动葫芦、弧形工作闸门、液压启闭机、闸门电动葫芦、弧门埋件液压热油设备的试验与调试。
1.2 主要工程量⑴.安装主要工程量见附表1,具体详见施工图纸附表1 金属结构设备安装主要工程量表⑵闸门及启闭机主要技术特性见附表2附表2 闸门及启闭机主要技术特性表2 施工布置2.1、施工总布置原则根据施工场地情况,分区分期布置,尽量避免互相干扰,结合场内外交通道路,按紧凑实用、施工方便、经济、节约用地的原则布置。
⑴、充分利用场地条件,简化施工场地的布置和规模。
⑵、根据本标段工程规模、施工强度,确定施工场地的规模。
⑶、在本标段施工招标文件规定的场地范围内进行规划布置。
⑷、场地布置本着有利生产、方便生活、易于管理的原则布置。
⑸、施工布置做到能充分发挥施工工厂设施的生产能力,满足施工总进度和施工强度的要求。
水工金属结构安装的工艺及方法摘要:随着国内经济的发展,国家越来越重视水利工程的规划和建设。
作为民生建筑工程重要的组成因素,水利工程不仅关系到国内生活需求,更关乎我国民生发展。
本文对水工金属结构的安装工艺以及常见方法进行了详尽的阐述,从而为今后开展水工金属结构安装工作提供参考。
关键词:水工金属结构;安装工艺;方法引言:在社会经济的带动下,水利水电工程建设规模不断扩大,同时,水工建设结构制造的质量与安全在水利水电工程建设中的重要性也在不断提高,其有效的质量控制,是确保水利水电工程施工质量的重要条件。
因此,为了进一步提高金属结构安全的质量,必须加大对其安装的特点的研究力度,不断引入新的施工技术,强化金属结构安全的质量控制,确保水利水电工程施工的安全性与质量。
1水工金属结构安装的要素组成1.1材料选择对比其他工作场所,工地相对更需要技术型人才,不仅如此,工地作为安装产品和检查产品的直接场所,必须做好充分的质量把关工作。
需要运送至工地的相关产品,现场管理人员不仅需要提供探伤报告或原材料的质量合格证明,还需要知晓产品尺寸,另外对在产品运输过程中可能会发生的挤压变形情况等进行预测。
作为物质的先决条件,材料是工程实施起来的基石。
只有保证产品质量安全后,才可以运送至施工场地进行安装。
另外,在安装过程中,某些基础设备的质量更应该保证,比如焊条和焊丝。
[2]1.2人员使用员工一定程度决定了企业的经济效益。
作为具体工程的执行者,人员是十分重要的因素。
所有野外作业进行操作的原则需贴近自然和本人,所以,在施工过程中,从业人员需要有过硬的身体素质,另外还需要具备一定的专业能力。
其中,过硬的身体素质可以让从业人员更好地适应野外作业,专业技能的掌握可以使从业具备一定的变通性。
解决以上两点问题后,另外一个重要的人员因素就是团队合作,另外还需要对持证上岗人员的道德素养进行考量。
1.3包装方法包装方法具体包含两个内容:方案的实施和技术操作。
金属结构工程施工方案一、工程概况本项目为某地区一座大型水利枢纽工程,主要包括溢洪道、泄洪洞、电站厂房等建筑物。
其中金属结构工程主要包括溢洪道和泄洪洞的金属结构安装,以及电站厂房的金属结构制作和安装。
金属结构工程是水利枢纽工程的重要组成部分,其施工质量直接影响到工程的安全、稳定运行。
二、施工目标1. 严格按照设计文件和施工规范进行施工,确保金属结构安装质量满足工程需求。
2. 确保施工安全,避免发生安全事故。
3. 保证施工进度,按期完成金属结构工程施工。
4. 注重环境保护,减少施工过程中对环境的影响。
三、施工准备1. 技术准备:组织施工人员学习设计文件和施工规范,了解金属结构工程施工的技术要求。
2. 施工现场准备:清除施工场地内的障碍物,布置施工临时设施,满足施工需要。
3. 施工材料准备:根据施工进度计划,提前准备足够的金属结构材料,并进行质量检查。
4. 施工设备准备:配置足够的施工设备,包括吊车、焊接设备、测量仪器等。
5. 施工人员准备:组织具备相应资质的施工人员进行金属结构工程施工。
四、施工方法及工艺1. 金属结构制作:在工厂内进行金属结构的制作,严格按照设计图纸和规范要求进行。
制作完成后,进行质量检查,确保制作质量。
2. 金属结构运输:采用合适的方式将制作好的金属结构运输到施工现场。
3. 金属结构安装:根据施工图纸和规范要求,进行金属结构的安装。
安装过程中,要注意对金属结构的保护和调整,确保安装质量。
4. 焊接工程:金属结构的焊接工作应由具备相应资质的焊接人员进行。
焊接前,应进行焊接工艺试验,确定合适的焊接参数。
焊接过程中,要注意焊接质量的检查和控制。
5. 防腐工程:金属结构表面应进行防腐处理,以提高其耐腐蚀性能。
防腐处理应按照设计要求进行,确保防腐质量。
五、施工组织与管理1. 建立健全施工组织机构,明确各岗位职责,确保施工顺利进行。
2. 制定详细的施工计划,包括施工进度计划、人员安排计划、材料供应计划等,确保施工进度。
XX水利水电枢纽工程金属结构安装方案1.1.1工作范围及内容本工程位于XX省XX市XX县,进水口底槛高程862.90m,依次设1扇2.4m ×3m的拦污栅和1扇2m×2.68m—27。
5m的事故闸门,拦污栅启闭设备采用电动葫芦125kN-32m,事故闸门采用固定卷扬启闭机QPG500kN-31m;放水底洞依次设1扇1.8m×2m—40。
4m的事故闸门和1.8m×1.8m-40.4m的弧形工作闸门,事故闸门采用固定卷扬启闭机QPG500kN—44m,工作闸门采用液压启闭机QHSY500/300kN-3.2m;溢洪道共5孔,每孔设1扇8m×7.8m-7.3m的弧形工作闸门、共用1扇8m×6.4m-6.1m的检修闸门,工作闸门采用液压启闭机QHLY2×630kN-3。
6m,检修闸门采用门机MQ2×125kN-12m。
本工程设测压装置5套。
本次泄洪排沙洞金属结构制造安装内容见工程量表1-1。
金属结构制造安装工程量表1.1.2引用的主要标准和规程规范(1)《起重设备安装工程施工及验收规范》GB/T50278-98;(2)《水电水利金属结构与机电设备安装安全技术规程》DL/T5372-2007;(3)《电气装置安装工程起重机电气装置施工及验收规范》GB/T50256-96;(4)《钢焊缝手工超声波探伤方法和探伤结果分析》GB/T11345—89;(5)《涂装前钢材表面锈蚀等级和除锈等级》GB/T8923—88;(6)《钢熔化焊接接头射线照相和质量分级》GB/T3323—2005;(7)《水工金属结构防腐蚀规范》SL105-95;(8)《水电水利工程钢闸门制造安装及验收规范》DL/T5018-2004;(9)《水利水电工程启闭机制造、安装及验收规范》DL/T5019—94;(10)《水工金属结构焊接通用技术条件》SL36-92;(11)《起重机试验规范和程序》GB5905—86。
水工金属结构制造与安装施工方案在水工工程中,常常使用金属结构来支持和加固一些设备和设施,如桥梁、走廊、支架、护栏等。
因此,水工金属结构的制造和安装施工方案至关重要,本文将介绍一些关于水工金属结构制造和安装施工方案的细节。
制造水工金属结构制造主要分为钢制和铝合金两种材料,钢制金属结构广泛应用于水工工程中的各种设备和设施,主要是因为其强度高、耐腐蚀性强、使用寿命长等优点。
而铝合金材料也被广泛应用于水工金属结构中,因为它轻便耐腐蚀,对于跨越规划河道、景观建筑等场合具有广泛的用途。
在制造过程中,钢制金属结构主要通过焊接、螺栓连接和铆接来固定零部件。
而铝合金结构则主要使用铆接、胶接和紧固螺栓来连接零部件。
由于制造过程中需要进行大量的加工和植焊,所以金属结构制造需要具备一定的加工和植焊技术,以保证零部件的精度和安全性。
安装施工水工金属结构安装大多是在水中进行,如桥梁的支架、岸坝、河道支护等。
因此,在安装施工过程中需要注意以下几点:1. 测量在安装金属结构之前,首先需要进行测量,确定安装地点、坐标、形状和高度等,以确保安装精度和安全性。
在进行测量和安装时需要时刻关注水流情况和潮汐变化等外部因素,保证测量和安装的稳定性和准确性。
2. 技术要求金属结构的安装需要具备一定的技术要求,包括把握好安装的施工时间,一般选择在水流平稳的时段进行施工,以保证金属结构的稳定性;还需要特别注意一些重要节点的安装,如桥梁的支架和加强节点等,这些节点会直接影响金属结构的承重能力和安全性。
3. 安装工艺在金属结构的安装过程中,还需要掌握合适的安装工艺。
具体来说,安装工艺主要包括以下几个方面:3.1 长度调整金属结构在安装过程中,很可能需要进行长度的调整。
调整长度的方法有很多种,如金属的切割、下放或者加长。
无论采用哪种方式,都需要确保安装后长度准确,才能保证设计的准确性和安全性。
3.2 安装定位金属结构在安装时需要做到精准定位,以保证其稳定性和安全性。
水工建筑物金属结构制造安装水工建筑物金属结构制造安装水工建筑物是指建于或在水上、水下或水边的加固、保护和控制水文环境的建筑和构筑物,如坝、堤、桥、涵、码头、船闸、海绵城市设施、输水管道等。
这些建筑物为了安全和承重需要,需要金属构件的制造和安装。
下面将对水工建筑物金属结构制造安装的相关问题做一些介绍。
一、金属结构的种类在水工建筑物中,常用的金属材料包括铁、钢、铜、镀锌板、铝合金等。
这些金属材料都具有高强度、抗腐蚀性和耐用性等特点,可满足水工建筑物的使用要求。
二、金属结构的制造金属结构的制造主要包括以下工序:1. 原材料准备:原材料应根据设计要求切割、折弯或打孔。
随着金属加工技术的不断发展,现在一些大型构建物的原材料已经开始采用先进的数控机床进行切割加工,使得原材料的加工精度更高。
2. 焊接加工:金属结构通常采用焊接加工的方式进行制造。
焊接要求高质量、牢固、紧密,同时要保证无裂缝、无缺陷,达到设计要求。
3. 热处理:钢材是金属结构中最常用的材料之一,其加工完成后还需进行热处理,然后才能进一步进行钢构件的拼装安装。
在钢材的加工过程中,常用的热处理方法包括正火、淬火、回火等。
4. 表面处理:表面处理包括除油、酸洗、喷涂防锈漆等。
表面处理的目的是提高金属结构的耐腐蚀性以及美观度。
三、金属结构的安装在金属结构的安装之前,需要进行接缝检查,确保构件之间没有任何问题,接缝不应有焊接瑕疵、裂缝等。
明确的安装顺序也是很重要的,安装应从基础到顶部逐层进行。
此外,在安装过程中还需要注意防风、防雨、防塌等安全问题,并严格遵循安全操作规程,确保施工安全。
总之,金属结构的制造和安装是水工建筑物建设中必不可少的一环。
无论是制造还是安装,都需要满足严格的质量要求和安全要求。
随着技术的不断进步和科技手段的不断更新,金属结构的制造和安装也将会更加便捷、高效,为水工建筑物的安全和稳定提供更加坚实的支撑。
金属结构制作安装施工方案目录1. 内容概括 (3)1.1 项目背景 (3)1.2 项目目标 (4)1.3 施工范围及内容 (5)2. 施工准备 (5)2.1 施工组织机构 (6)2.2 施工人员配备 (7)2.3 施工材料设备 (8)2.4 施工现场布置 (10)3. 施工工艺与技术要求 (11)3.1 施工工艺流程 (13)3.1.1 材料验收与检验 (13)3.1.2 钢结构加工 (14)3.1.3 钢结构组装 (15)3.1.4 钢结构焊接 (16)3.1.5 钢结构防腐与防火处理 (17)3.1.6 钢结构涂装 (18)3.2 技术要求 (19)3.2.1 钢结构设计规范要求 (20)3.2.2 焊接工艺要求 (21)3.2.3 防腐防火处理要求 (22)3.2.4 涂装工艺要求 (23)4. 施工进度计划 (24)4.1 施工阶段划分 (24)4.2 施工进度安排 (25)4.3 施工进度控制措施 (26)5. 施工质量控制 (27)5.1 质量管理体系 (28)5.2 质量控制点设置 (29)5.3 质量检测与验收 (29)6. 施工安全措施 (31)6.1 安全管理制度 (31)6.2 安全防护措施 (33)6.3 应急预案 (33)7. 环境保护与文明施工 (34)7.1 环境保护措施 (35)7.2 文明施工管理 (36)8. 施工成本控制 (36)8.1 成本预算编制 (37)8.2 成本控制措施 (37)8.3 成本核算与分析 (38)9. 施工验收与移交 (39)9.1 验收标准与程序 (40)9.2 验收组织与人员 (41)9.3 验收结果处理 (42)9.4 项目移交手续 (43)1. 内容概括本方案旨在详细阐述金属结构制作、安装及施工的整体规划与实施步骤。
首先,对金属结构的类型、特点及设计要求进行概述,明确施工项目的背景和目标。
随后,方案将分章节对材料选用、工艺流程、施工组织设计、安全质量管理、进度安排、成本控制等方面进行详细说明。
整理水工金属结构制造与安装施工方案一、前期准备工作1.调研与设计:根据工程要求和现场实际情况,进行详细调研并制定设计方案。
2.选材与采购:选择符合工程要求的合适材料,并进行采购。
二、制造工程1.工艺准备:将采购的材料进行检查,确认数量和质量符合要求,并制定详细的生产工艺方案。
2.加工制造:根据设计方案和生产工艺方案,进行材料的切割、折弯、焊接、打磨等加工工艺,制造出所需的水工金属结构构件。
3.检验与质量控制:对制造出的构件进行检验,确保质量符合要求,并做好质量记录和追溯。
三、安装施工工程1.施工准备:根据设计方案和实际情况,制定详细的施工方案,并进行现场勘查。
2.基础处理:根据设计要求,对施工现场进行基础处理,确保承重能力和稳定性。
3.构件组装:根据设计方案和施工图纸,将制造好的构件进行组装,并严格按照安装顺序和要求进行安装。
4.焊接与连接:对构件进行焊接和连接,确保结构的牢固和密封性。
5.补充工艺:根据需要,进行防腐涂料、防水处理等补充工艺操作,增加结构的使用寿命和稳定性。
6.检验与调试:对已安装好的水工金属结构进行检验和调试,确保各项指标符合设计要求。
7.安全保障:在施工过程中,确保安全措施的到位,保障工人的施工安全。
四、竣工验收与交付1.竣工验收:对已完成的水工金属结构进行竣工验收,包括结构的外观质量、使用功能、安全可靠性等方面的检查和测试。
2.文档整理:整理竣工验收记录、施工图纸、质量检验报告等相关文档资料。
3.交付使用:将完成的水工金属结构交付给业主单位,确保交付程序的规范和及时。
五、安全管理与环保措施1.安全管理:在整个制造与安装施工过程中,严格按照相关安全管理规定,确保工人的人身安全。
2.环保措施:制定并实施符合环保要求的措施,确保工程对环境的影响最小化。
以上是水工金属结构制造与安装施工方案的基本内容,具体工作细节还需根据实际情况进行具体设计和调整。
通过合理的组织和施工,可以确保工程的质量、安全和进度的控制,提高建筑物的稳定性和使用寿命。
水工金属结构制造与安装施工方案第一部分工程内容主要为钢闸门及启闭机的安装,全部安装项目包括闸门门叶、门槽埋件、启闭机等,以及与本项目有关的基础埋件及一期砼插筋制安等。
安装工作还包括合同规定的各项设备调试和运转工作,以及试运转所必需的各种临时设施的安装。
第二部分执行标准和规程规范1、《起重设备安装工程施工及验收规范》GB50278—982、《钢焊缝手工超声波探伤方法和探伤结果分析》GB11345—893、《钢结构高强度螺栓连接的设计、施工及验收规程》JGJ82—914、《水利水电工程钢闸门制造、安装及验收规范》DL/T5018—945、《水利水电工程启闭机制造、安装及验收规范》DL/T5019—947、《钢熔化焊接接头射线照相和质量分级》GB3323—878、《涂装前钢材表面锈蚀等级和除绣等级》GB8923—889、《水工金属结构防腐蚀规范》SL105—95第三部分主要项目施工方案一、钢闸门门叶现场拼装及安装(一)闸门现场拼装1、闸门运至工地后,对所有安装门体零部件进行清点、检查各构件在运输过程中是否损伤变形,有情况报监理人。
对在检查发现损伤、缺陷或零件掉失等情况进行修整,补充零件后才准许进行安装2、门叶拼装,在现场搭设临时平台,编制安装工艺报告,制定防止焊接变形的措施,经监理人认可后,再对单元进行拼焊成整体的施工。
3、从事现场安装焊缝的焊工,必须持有有关部门签发的有效合格证书。
焊工中断焊接工作6个月以上者,应重新进行考试。
无损检测人员必须持有国家专业部门签发的资格证书。
评定焊缝质量应由Ⅱ级或Ⅱ级以上的检测人员担任。
各类焊缝的外观检查和无损控伤检查必须符合DL/T5018规范和GB3323、GB11345标准。
一类焊缝的对接焊缝表面必须经过打磨处理。
4、购买的每一批焊接材料都应具有产品质量合格证和使用说明书;焊接材料的保管与烘培应符合DL/T5018—94第4.3.6条的规定。
5、涂装:对安装焊缝区各100mm处采和涂装处理。
涂装前,应将涂装部位的铁锈、氧化皮、油污、焊渣、灰尘、水分等污物清除干净。
闸门表面的除锈等级应达到DL/T5108—94第7.1.3条和7.1.4条规定的标准。
当施工环境相对湿度应大于85%,金属表面温度低于露点以上3℃,不得进行表面预处理,露天施工时,雨、雪、降露和高温天气不得进行涂装施工;其它要求见“水工金属结构防腐规范(SL105)”。
6、闸门防腐合格以后,进行滚轮、止水橡皮等附件安装,闸门的关键是要保证封水效果良好,运行平稳无卡阻现象,因此闸门的组装要严格按照DL/T5018—94规范进行整体验收,待闸门运至现场吊装入槽后,再重新进行橡皮安装调试。
(二)闸门安装1、闸门吊装:用25t吊机装运至安装现场的闸门吊下,清理好门槽,进行闸门吊装。
转换吊点、吊位,缓缓竖起闸门,调整大臂,将门吊入门槽上方,对准门槽缓缓入槽。
在吊起时,为保护底封水,事先在底封水处垫上方木,在放入门槽时,检查门槽的清理情况,并在轨道上撒泼肥泉水,以保护侧封和顶封。
用透光法检查闸门封水,待启闭机安装调试后,对闸门进行调整,在无水情况下作全行启闭试验,启闭时止水橡皮处浇水润滑,检查是否升降自如,在全关位置时,封水是否严密。
2、闸门安装时应注意以下事项:(1)吊机吊装时,应派专人统一指挥,确保吊装的安全;(2)闸门吊装时,应采取一定的措施,保护止水橡皮和其他闸门附件不受损坏。
3、闸门调试:(1)在无水情况下作全行程启闭试验,检查是否升降自如,滚轮运行是否卡阻,闸门全关位置时,用透光法检查封水是滞严密;双吊点闸门的同步是否满足设计要求;实验时,对达不到设计及招标文件要求的必须进行调整,保证满足规范要求;在实验过程中,必须对水封座板的接触面采用清水冲淋润滑,以防损坏水封橡皮。
(2)静水情况下的全行程启闭调试应在无水试验合格后进行;试验、检查与无水试验基本相同。
二、预埋件安装(二)、一期预埋件安装1.埋件埋设前,应按不同种类堆放,并采取有效的措施,防止埋件受潮锈蚀以及油脂和各类有机物的污染;2.需承受外荷载的埋件,在浇砼28天后,方可承受外载;3.一期锚筋、锚栓、锚板预埋件根据土建进度配合进行,其中,锚筋(栓)的埋入深度应符合设计图纸的要求;若施工图纸末作要求,埋入一期混凝土的长度应不小于其直径的20倍,且尾部应做成弯钩或燕属开叉;4.一期锚筋锚栓锚板应与土建钢筋绑牢或焊接牢靠,安装完毕浇灰前,应重新检查,拆模后,立即进行表面清理,并保证其有足够的与二期埋件的搭接长度。
(二)、二期预埋件安装1.二期预埋件的安装应严格按照施工图纸及《水利水电工程钢闸门制造安装及验收规范》(DL/T5018-94)第9.1条相关规定。
2.安装前,应先对一期混凝土预留槽进行检查,对一期混凝土中预留的插筋进行调直,并对一、二期混凝土的接触面进行凿毛处理。
3.对土建移交的基准线及基准点进行复核,复核无误后,利用经纬仪、钢卷尺、钢板尺定位门槽中心线、闸孔中心线,利用水准仪确定各底坎高程。
4.将门槽中心线、闸门支撑中心线、止水中心线用墨斗分别弹在侧轨、主轨及反轨上,线粗细不宜超过0.5mm。
5.根据门槽中心线和孔口中心线及高程定位底坎,调整好后,加固、复核。
在门槽上方架设悬吊钢丝架,挂上15kg垂球为防止垂球队轻微摆动,将垂球浸没在自制油桶中,通过调整主反轨及侧轨与钢丝的距离及孔口中心线的距离来调整轨道的垂直度及其孔口中心线的距离,定位加固,用经纬仪复核。
6.埋件安装前,必须清理门槽中的杂物,砼的结合面应全部凿毛,二期砼的断面尺寸和预埋锚栓位置应符合图纸规定。
7.埋件安装调整好后,应将螺栓与锚栓焊牢,确保埋件在浇筑二期砼过程不发生变形或位移。
8.埋件工作面对接接头的错位均进行缓坡处理,过面及工作面的疤和焊缝余高应铲平磨不凹坑应补焊磨光,并按原设计要求进行防腐处理。
9.埋件安装完,经检查合格,应在5~7天内浇筑二期砼。
若过期或有碰撞应予复测,复测合格后,方可浇筑砼,砼一次浇筑高度不宜超过5m,浇筑时,应注意防止砼跑模并采取措施捣实砼。
10.二期砼拆模后,应对埋件进行复测,并作好记录。
同时检查砼面的尺寸,清除遗留的杂物,以免影响闸门启闭。
11.复核无误后,将以上安装精度做好记录,在砼浇筑前报请监理工程师验收。
在砼浇筑过程中,应注意对门槽构件的工作面进行必要保护,避免碰伤及污物贴附,影响止水及支承的正常工作。
三、固定卷场式启闭机安装1、启闭机设备到达现场后,应按规范进行全面检查,经检查合格后,方可进行安装。
减速器应进行清洗检查,减速器内润滑油的油位与油标尺的刻度相符,其油位不得低于高速级大齿轮最低齿的齿高,但也不应高于两倍齿高,减速器应转动灵活,其油封和结合面下不得漏油。
2、启闭机安装应符合DL/T5018—94《水利水电工程启闭机制造、安装及验收规范》及有关启闭机安装试验的技术要求。
3、启闭机安装工主要工艺为:施工准备埋件安装放线安装单机调试与闸门联接试验试验。
4、施工准备:闸门安装就位且居于门槽中心,启闭机底座的模板要拆除干净,测量所要的器具和辅助加工件到位,检查预埋预留孔的位置、深度等技术尺寸是否准确;检查轨道电气配置等技术安装情况是否可靠准确;施工器具有钢直尺、水平仪、经纬仪、钢卷尺、垂球、钢丝、墨斗、板手、手锤、三角扒杆、5T拉链葫芦、割炬、焊机等工具。
5、放线:在闸室底平面放出纵横基准线,做好标记,在可视的地点做出标高基准点,并测出该点的具体数值,当土建完成启闭机台时,在安装部位放出纵横线,在闸门两端上做支架并考虑钢丝长距离下坠,中间设置支承架,以便启闭机就位后拉钢丝测量。
6、安装就位及复检:启闭机安装在启闭机梁施工完毕、启闭机房建筑之前进行。
启闭机的安装应根据起吊中心线找正,其纵横向中心线偏差不应超过±3mm,安装时轴线的同心度作为启闭机安装重点控制。
在三角扒杆上挂手拉葫芦精调,利用地脚螺丝及垫块铆焊固定,保证安装尺寸满足安装及验收规范的要求,并考虑一些成器保护措施。
彻试检查复核后,再浇筑二次砼。
7、启闭机试运转(1)试运转必须在电气设备达到DL/T5019—94第5.3.1条规定后进行。
在启闭机安装完毕后,在不与闸门连接的情况下,作启闭机空载运行,检查各传动机构的安装正确性能。
(2)将启闭机与闸门连接好,在闸门不承受水压力的情况下,全开启和关闭运行。
检查各传动机构的运行有否变化,闸门上吊点的钢丝绳长度是否一致,闸门开度指示器的显示是否正确,各限位开关是否正确的动作。
同时测量电动机的电流、电压值的变化情况。
这步试验工作应该重复作三次。
并且每次试验均应作出记录递交给工程师。
(3)带负荷试验。
启闭机应该在闸门承受设计水头的情况下,作部门开启和关闭试验。
只有在这次试验中,闸门和启闭机的安装都达到了施工详图和制造厂家制造性能,安装工作才能认为是合格的。
这次试验的记录和以上的各次记录都作为安装验收的依据递交给工程师。
(4)安全要求及成品保护:缠绕在卷筒上的钢丝绳长度,应设固定圈和安全圈且应≮2圈,焊接稳固扒杆支承点应牢告,高空作业措施注意围护、防范、防坠落启闭机安装时应注意保护防腐漆膜,有破坏应及时修补。
《测量学》模拟试卷1.经纬仪测量水平角时,正倒镜瞄准同一方向所读的水平方向值理论上应相差(A )。
A 180°B 0°C 90°D 270°2. 1:5000地形图的比例尺精度是( D )。
A 5 mB 0.1 mmC 5 cmD 50 cm3. 以下不属于基本测量工作范畴的一项是( C )。
A 高差测量B 距离测量C 导线测量D 角度测量4. 已知某直线的坐标方位角为220°,则其象限角为(D )。
A 220°B 40°C 南西50°D 南西40°5. 由一条线段的边长、方位角和一点坐标计算另一点坐标的计算称为(A )。
A 坐标正算B 坐标反算C 导线计算D 水准计算6. 闭合导线在X 轴上的坐标增量闭合差( A )。
A 为一不等于0的常数B 与导线形状有关C 总为0D 由路线中两点确定7. 在地形图中,表示测量控制点的符号属于(D )。
A 比例符号B 半依比例符号C 地貌符号D 非比例符号8. 在未知点上设站对三个已知点进行测角交会的方法称为(A )。
A 后方交会B 前方交会C 侧方交会D 无法确定9. 两井定向中不需要进行的一项工作是(C )。
A 投点B 地面连接C 测量井筒中钢丝长度D 井下连接10. 绝对高程是地面点到( C )的铅垂距离。
A 坐标原点B 任意水准面C 大地水准面D 赤道面11.下列关于等高线的叙述是错误的是:(A )A . 高程相等的点在同一等高线上B . 等高线必定是闭合曲线,即使本幅图没闭合,则在相邻的图幅闭合C . 等高线不能分叉、相交或合并一、单项选择题(每小题1 分,共20 分) 在下列每小题的四个备选答案中选出一个正确的答案,并将其字母标号填入题干的括号内。