真值有效值转换芯片AD637
- 格式:pdf
- 大小:98.20 KB
- 文档页数:2
程控滤波器设计报告0.摘要:本系统由可控增益放大器、程控滤波器、信号发生部分、控制部分等组成。
可控增益放大部分以DAC7541为核心,实现了输出增益的动态调整。
滤波器部分采用四通道通用滤波器LTC1068实现了低通滤波、高通滤波截止频率和Q值可调。
频率特性测试仪用DDS做信号源。
以STM32单片机作为控制核心,以OCMJ4X8C液晶作为显示部分,实现了增益和截止频率的预置,并实现功能测试和显示。
系统性能达到了设计要求,安全可靠,用户界面良好。
关键字:程控滤波器 DAC7541 LTC1068 STM32 OCMJ4X8C液晶一.方案论证与比较根据题目要求,本系统设计主要包括:可控增益放大器、程控滤波器、幅频特性测试仪等部分构成。
1.1 可控增益放大器设计方案一:采用控制电压与增益成线性关系的可编程增益放大器PGA202、PGA03构成,此方案控制简单,但是PGA202、PGA203不能实现0dB到60dB的步进,需要一级调整增益电路,实现困难。
方案二:采用双运放LF353,带宽增益可以达到4MHZ,两级级联可以使电路增益达到60dB,采用继电器改变增益电阻阻值,实现10dB步进可调,基本要求可以实现。
但是由于电阻阻值误差,精度可能达不到设计要求。
方案三:基于程控放大的基本原理,利用权电阻式DA电阻网络,通过改变DAC7541权电阻网络的值对电阻进行控制实现程控衰减。
而在进入DA之前采用TI公司的INA128和OPA606对信号进行两级放大,将电压幅值放大1000倍。
通过改变DA控制字,可以达到程控放大的目的。
由于INA128很适合对小信号的放大,而OPA606具有较宽的频带宽度,所以能较好的实现对信号的放大。
同时DAC7541是十二位的DA转换芯片,其内部的电阻精度可以实现更小的程控步进(5dB)。
综上所述,本设计采用方案三。
1.2 程控滤波器的设计方案一:采用集成的开关电容滤波器如MAX262,开关电容滤波器可直接处理模拟信号,简化电路设计,容易实现功能。
ad637工作原理AD637是一种带有直接数字输出的宽动态范围(WDR)功率谱密度(PSD)估计器,它用于从输入信号中提取能源。
它基于高速V / V放大器技术和积分器电路,可以将信号的功率谱密度测量到22位有效位。
它还可以测量宽带信号,如噪声信号,具有高线性度和低误差。
下面将详细介绍AD637的工作原理:1. 高速V / V放大器在AD637中,V / V放大器被用来降低输入信号噪声,并增加输入信号的保真度。
V / V放大器具有高速和宽带特性,能够实现高级别放大和高速增益控制。
在AD637中,它被用来放大输入信号和交流耦合到积分器电路。
2. 积分器电路积分器电路由两个交流耦合的积分器组成。
积分器电路中的每个积分器都包含一个电容和一个电阻,其中电容用于存储电荷,而电阻用于限制电流。
输入信号被积分器电路分离,并分为交流分量和直流分量。
交流分量被存储在电容器中,并通过电阻放电。
电容器的电压与输入信号的交流分量成正比例关系,而电阻的阻值确定了放电时间常数。
这样就可以轻松地计算出输入信号的功率谱密度。
3. 总放大和数字输出AD637中的香农采样器用于将积分器电路的输出数字化,并将数字输出到转换器中。
转换器可以将数字输出转换为电压或电流输出。
这种数字化技术可以大大提高测量效率和精度,并且输出用于数字数据处理,例如将信号整合到DSP器中。
总之,AD637通过高速V / V放大器技术和积分器电路从输入信号中提取能量,实现了高线性度和低误差的宽动态范围功率谱密度估计。
它的数字化技术还可以使数据处理更加高效。
因此,AD637广泛应用于无线通信、医疗诊断和科学研究等领域。
真值有效值转换芯片AD637简介赵亮1 器件用途及特点AD637是AD公司生产的真有效值-直流转换芯片,它的功能是把外部输入的交流信号有效值变成直流信号输出,可以计算各种复杂波形的真有效值。
可测量的输入信号有效值可高达7V,对于1vRMS的信号,它的3dB带宽为8MHz,并且可以对输入信号的电平以dB形式指示,当输入电压为100mV 时,带宽标值为600kHz;输入电压为2V时,带宽标称值为8MHz。
另外,AD637通过片选(CS)管脚作用,可以使静态电流从2.2mA降至350µA。
因此,在数据采集和仪器仪表等场合,有很广泛的应用。
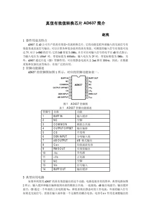
2 管脚功能描述AD637的管脚图如图1所示,对应的管脚功能如表一。
图1 AD637管脚图表1 AD637管脚功能描述管脚号名称功能IN 输入缓冲1 BUFF2 NC 空脚3 COMMON 模拟公共端输出偏移OFFSET4 OUTPUT5 CS 片选端INPUT 分母输入端6 DENOUTPUT dB 格式输出7 dB8 Cav 均值滤波电容OUT 有效值输出9 RMS10 -Vs 负电源11 +Vs 正电源12 NC 空脚13 Vin 信号输入OUT 输出缓冲14 BUFF3 典型应用电路如果单纯使用AD637的真有效值输出的这个功能,电路连接非常的简单,典型电路如图2所示。
输入缓冲和输出偏移接到内部的模拟公共端,一起接地;dB输出端悬空;输出缓冲悬空;CS通过一个外部的上拉电阻接Vs,降低系统在静态时的工作电流;外部的输入信号如果是交流信号,需要在输入端串接一个无极性的耦合电容;电容Cav作用是调整输出的直流信号纹波大小。
图2 AD637典型电路4 注意事项经实际测量,AD637在输入信号为2MHz以下、有效值为0.7 ~ 7V范围内能保证测量误差≤± 0.2%+0.5mV。
当被测信号的有效值远小于1V时,会出现较大的测量误差,所以当被测信号幅值较小时,须在前级对被测信号进行放大,以保证测量精度。
交流检测真有效值芯片原理介绍及实用电路1、真有效值数字电压表的基本原理利用真有效值(TRMS)数字仪表,可以准确、实时地测量各种波形的有效值电压,满足现代电子测量之需要。
,借助于电路对输入电压u进行“平方→ 取平均值→开平方”运算,就能获得交流电压的有效值。
因这是由有效值定义而求出的,故称之为真有效值。
目前生产的真有效值/直流转换器(如美国ADI公司的AD636、AD736,美国LT公司的LTC1966等),都是采用这种原理而设计的。
真有效值电压表比平均值电压表测量典型波形的误差更小。
下面来介绍工程上常用的LTC1966的原理及使用。
2、LTC1966工作原理LTC1966是美国凌特公司(LT)于2002年最新推出的真有效值RMS/DC转换器,与其他RMS/DC产品相比较,它在完成乘法/除法运算时,未采用通常的对数-反对数的计算方法,而是采用了全新的D-S计算技术。
LTC1966具有简单电路接法(只有一个外接平均CAVE)、灵活的输入/输出结构(差分或单端)、灵活的供电方式(2.7V~5.5V单电源,最大范围为±5.5V双电源)、高准确度(50Hz~1kHz的误差只有0.25%)、良好的线性(小于0.02%)、很宽的动态电流范围、易于校准等特性。
图1 LTC1966管脚排列及内部框图LTC1966采用MSOP-8封装,管脚排列及内部框图如图1所示,各引脚功能如下:GND—地;UIN1、UIN2—差分输入端1和2;USS—负电源端,对地接-5.5V电源或直接接地;UOUT—电压输出端。
RMS平均值是通过此引脚与COM引脚之间的平均值电容CAVE来实现转换。
COM—输出电压返回端。
输出电压的产生和该引脚的电压有关。
一般COM端接地,在AC+DC输入情况下,UOUT与COM引脚之间不平衡,该引脚应对地接一小电阻;UDD—正电源端。
电压范围为2.7V~5.5V;EN—使能控制端,低电平有效。
LTC1966内部主要包括4部分电路:D-S调制器、极性转换开关、低通滤波器(LPF)和关断控制电路。
AD637: 高精度、宽带均方根直流转换器PRODUCT DESCRIPTIONAD637是一款完整的高精度、单芯片均方根直流转换器,可计算任何复杂波形的真均方根值。
它提供集成电路均方根直流转换器前所未有的性能,精度、带宽和动态范围与分立和模块式设计相当。
AD637提供波峰因数补偿方案,允许以最高为10的波峰因数测量信号,额外误差小于1%。
宽带宽允许测量200 mV均方根、频率最高达600 kHz的输入信号以及1 V均方根以上、频率最高达8 MHz的输入信号。
与ADI公司以前的单芯片均方根转换器一样,AD637也为用户提供辅助dB输出。
均方根输出信号的对数通过一个单独引脚输出,支持直接dB测量,可用范围为60 dB。
用户利用外部编程的基准电流,可以选择0 dB基准电压与0.1 V至2.0 V均方根范围内的任何电平相对应。
不使用均方根功能时,用户借助AD637的片选连接可以将电源电流从2.2 mA降至350 μA。
对于低功耗至关重要的远程或手持式应用,利用此特性可以方便地实现精密均方根测量。
此外,当AD637关断时,输出进入高阻态。
这一特性还允许将多个AD637连在一起,构成一个宽带真均方根多路复用器。
AD637的输入电路受到保护,可以承受高于电源电平的过载电压。
如果电源电压丧失,输入信号不会损坏输入端。
AD637在商用温度范围(0°C至70°C)内提供J和K两种精度等级,在工业温度范围(−40°C 至+85°C)内提供A和B两种精度等级,在−55°C至+125°C温度范围内提供S精度等级。
所有等级均提供14引脚SBDIP、14引脚CERDIP和16引脚SOIC_W密封封装。
AD637可计算任何复杂交流(或交流加直流)输入波形的真均方根值、均方值或绝对值,并提供等效直流输出电压。
波形的真均方根值与信号功率直接相关,因此比平均整流信号更有用。
说明:该文档包含AD637原理图,正弦波,方波,锯齿波实测数据问题:偏置调节电位器R1无明显调节作用,估计原因,由于接入限流电阻R2为1M,过大。
与内部电阻分压后,输出运放的电压几乎为零,所以偏置调节无效,具体内部电路如下图所示。
(注:由于手里就一个芯片,不敢改小限流电阻,怕烧坏芯片,因为紧接着就要使用该模块,且对使用的影响不大,所以留待后者实验。
若有发现请百度私信我)一、原理图二、实测数据1、正弦波真有效值转换(Vpp=2V,Vp=1V)频率/HZ 理论值/v 4位半测量值/v 转换值/v1 0.707 0 0.51715 0.707 0.7654 0.686410 0.707 0.7234 0.696350 0.707 0.7041 0.698860 0.707 0.7037 0.698680 0.707 0.7029 0.698100 0.707 0.7021 0.6975200 0.707 0.7019 0.6975300 0.707 0.7018 0.6975400 0.707 0.7017 0.6976500 0.707 0.7015 0.69771K 0.707 0.7008 0.697750K 0.707 0.7274 0.6974100K 0.707 0.5976 0.696300K 0.707 0.0264 0.6877400K 0.707 0 0.6854500K 0.707 0 0.6831700K 0.707 0.68041M 0.707 0.67675M 0.707 0.58368M 0.707 0.40062、方波:Vpp=2V,f=50HZ 理论值:1V VOUT= 0.9895V3、锯齿波:Vpp=2V,f=50HZ 理论值:0.5774V VOUT= 0.5702V。
1 系统方案论证1.1 直流供电负载功率测量方案的选择方案一:采用差分放大测量负载电流,外接ADC 获取负载电压。
利用双运放构成的差分放大器获取采样电阻上的电压,从而计算出负载上面的电流,利用ADC0809采集负载两端电压,通过计算得出负载功率。
方案二:使用仪表运放INA128测量采样电压,MSP430采集负载电压。
INA128是高精度运算放大器,共模抑制比高,测量采样电阻上电压信号准确,通过二级放大,利用MSP430内部12位ADC 模块采集电压,通过计算得到负载上的电流,通过信号调理电路,利用MSP430内部ADC 采集负载电压,通过计算得到负载上面的电压,最终计算出负载上的功率[1]。
上述两种方案比较,由于设计要求误差不高于1%,应采用低噪声的仪表运放精密型运放,由于设计要求采集电压、电流参数,如果单独外接ADC 模块完成信号的采集,不仅增加了设计成本和难度。
基于此,采用方案二作为直流供电负载功率测量方案。
1.2 交流供电负载功率测量方案的选择方案一:采用单相供电功率HLW8012测量芯片,实现功率测量。
HLW8012是市面上比较常见的交流功率测量芯片,内部集成了信号处理模块,DSP 运算模块等。
能够测量单相电上负载的功率。
方案二:采用真有效值转换芯片AD637测量交流信号参数,实现设计。
采用高精度、高带宽的真有效值检测器件AD637,实现对交流信号的有效值测量,输出为直流电平,该电平为交流信号的有效值。
通过对直流信号的采集,实现对负载电参数的测量[2]。
比较这两种方案,由于HLW8012模块,在测量交流电功率时候,必须搞直流对其供电才能正常工作,需要非隔离AD-DC 电路进行交流转直流,增加了设计难度与成本,而采用AD637芯片完成对交流信号转换,只需处理直流信号即可对负载上电压与电流的测量,因此采用方案二完成对交流负载功率的测量。
1.3 交直流供电识别方案的选择方案一:采用光耦采集信号,来分辨电源性质。
全国电子设计大赛射频宽带放大器(D题)摘要本设计以增益调整、带宽预置、单片机反馈调节为核心,制作一个射频宽带放大器,要求具有0.3~100MHz通频带,增益0~60dB范围内可调,并且实现输入输出阻抗、最大输出正弦波有效值、指定频带内平坦度等功能指标要求。
由于系统输入信号小,频率高,带宽要求大,可控增益范围宽,并且需要满足平坦度、输出噪声电压等指标。
为此,采用高增益带宽运放组成频带预置、AD8367的压控增益放大系统完成增益调整、单片机实现反馈调节。
除此之外,通过增加缓冲级、外加硬件保护措施有效地抑制了高频信号的噪声和自激振荡。
经测试,系统对mV≤的输入信号实现了增益0~60dB范围内可调,带宽0.3~100MHz,并在11~80MHz频带内增益起伏dB1≤,且全程波形无明显失真。
完成了题目所要求的所有基本要求以及绝大部分发挥部分的性能指标。
关键字:带宽预置AD8367压控增益单片机1. 系统方案设计与论证1.1总体方案设计与论证分析该射频宽带放大器设计的指标,为达到题目所设定带宽与增益可调,并且能够满足在输入和输出阻抗=50Ω的情况下,最大输出正弦波电压有效值达到要求的目的,我们将整个系统分为前置缓冲级、带宽预置、增益调整、输出缓冲级、峰值检波等部分组成,主控器采用STC12系列单片机。
系统整体框图如图1所示: 图1 系统框图1.2前置缓冲级的方案论证与选择前置缓冲电路使用电压跟随器实现,如图2所示。
考虑到本系统的通频带为0.3~100MHz ,且输入阻抗限定为50Ω,由正相输入电压跟随器的输入阻抗为R j 趋于无穷大,所以图2电路的输入阻抗为k k k k R R R R R R R R ≈+*==j jj n i //。
则可令实际电路取R k =50Ω以达到输入阻抗要求。
除此之外,此前置放大电路还具有缓冲、避图2 前置缓冲级免引入噪声等作用,起到了良好的隔离功能。
其电压增益接近于1,运算放大器选用AD8005,此放大器的增益带宽积达到270MHz 。
有效值测量芯片AD637一. AD637介绍AD637是一个高精度单片真有效值转换器,可以计算各种复杂波形的真有效值。
使用简单,调整方便,稳定时间短,读数准确。
实际应用中唯一的外部调整元件为平均电容Cav,它影响到输出稳定时间、低频测量精度、输出波纹大小。
该芯片有DIP14、SOIC16两种封装形式。
二. AD637基本应用电路三.AD637技术指标1. 电源电压: ±3V~±15V2. 最大输入信号范围:电源电压±15V时: 0~7Vrms电源电压±5V时: 0~4Vrms3. 测量精度(固有精度):AD637J/AD637A/ AD637S: ±0.5%+1mVrmsAD637K/AD637B: ±0.2%+0.5mVrms4.测量带宽V in=100mVrms: 600kHzV in=200mVrms: 1MHzV in=2Vrms: 8MHz5. 建立时间(输出稳定时间):T=115ms/uF *Cav6. V in输入阻抗: 8KΩV out输出阻抗: 0.5Ω四.AD637输出滤波AD637的输入V in为直流时,输出V out是无纹波的直流。
当V i n为交流时,输出直流V ou t有交流纹波。
V out的基准直流值与理想值有偏差,定义为直流误差。
(直流误差+交流峰值)构成平均误差。
输入信号频率越大、平均电容Cav越大,直流误差和交流峰值越小。
下图显示了Cav=1uF时输出误差与输入正弦信号频率的关系。
为了减小低频信号的输出误差,可增大平均电容Cav。
但是增大平均电容Cav同时会增大建立时间,Cav的取值要在建立时间和输出误差间取得平衡。
交流峰值误差可通过在输出后级加入低通滤波器的方法减少,这样可减小Cav取值,加快建立时间。
五.建立时间下表是在输入60Hz交流信号下推荐的电容取值和建立时间值。
对于具体的应用,可以通过实验测定。
有效值检测设计总结一、模块设计要求:检测交流信号的有效值并以直流信号输出。
设计要求尽量提高精确度,减小频率的影响。
二、模块完成情况:工作电压为正负5V的双电源,能够实现各种波形的真有效值检测,但高频率信号和小信号(小于20mv)的检测没能实现。
当输入频率低于1KHz的正弦波时输出的还是正弦波而不是一条直线,且输出波形的频率为信号源的两倍!三、模块涉及的理论知识:根据有效值的定义,在一个信号周期内,通过某纯阻负载所产生的热最与一个直流电压在同一负载上产生的热量相等时,该直流电压的数值就是交流电压的有效值。
数学表达式如下所示:式中的T是交流信号的周期,u(t)为电压。
根据定义它是被测量的均方根值。
一般对有效值的测量时利用二极管的单向导电性,构成整流电路,如半波整流、全波整流、桥式整流等,将交流信号整流成直流信号,再通过电容或电感滤波,最终得到的是平均值形式,根据平均值与有效值确定的系数关系,通过平均值将有效值表示出来。
(系数关系如下表)L III方披"=甜%1210三粗L1551.155事实上无论是半波整流、全波整流、还是桥式整流,他们的整流精度都不高所转换后的有效值误差很大。
因为而二级管的非线性回产生很大的误差,而当小信号的时候,因输入信号小于二极管的门槛电压,电流基本过不去,其转换误差更严重。
而当输入信号不是标准波形而是有失真的信号时也会产生误差。
关于AD637的描述如下:四、设计与制作过程根据所学的理论知识以及AD637的工作原理设计的电路原理图及 PCB 图如 下图所示:AD637有效值检测电路原理图特克宪最大养线性・0 V^2VRMS«A 0-10%的昭加渓差为了个波耀因馥 亮K 資 8^»tt2VRrJlSSft 入300千苗,100效值ilH :真育誌疽方 均方 绝对越荫日碣出CG0dB3[值菇国》 芯片送择勺关挑聃能允许二 餐檄“三态黑作舒态电茂降低为2 2 mA 至350BW 钎焊DIP ■低ffi^CERDIP*lSOICSOIC (R)4H3CZ■w ——NIC V 讹CUMM NICOUT? -Vs€S ,Vs DEN RMS DB OU CAvA NK 丫冃应E ADC37(自己函P 」AD537-5|-GNEp.lGND-||VZTvP*1fR1514~i5|*GNDrJ2|l -OND11 IoT" |l'tiXTJ1'GND||GND■)AD637有效值检测电路PCB图为了节省画图时间,在设计PCB图时我把接在电源旁边的去耦电容都删掉了,因为是贴片比较小也比较容易焊接,在做好板后再加上去也无妨。
真有效值转换应用指南第2版作者:Charles Kitchin、Lew Counts©1986 Analog Devices, Inc. 版权所有。
美国印制。
保留所有权利。
未经版权所有人许可,不得以任何形式复制本出版物或其中任何部分。
Analog Devices, Inc.确信其所提供的信息是准确而可靠的。
但是,Analog Devices, Inc.对使用这些信息不承担任何责任。
Analog Devices, Inc.不保证本文所描述的电路互连不会侵犯现有或将来的专利权,而且本文所述内容并未默示授予许可根据本文内容制造、使用或销售设备。
规格和价格如有更改,恕不另行通知。
G803a-30-5/86简介本应用指南阐述集成电路真有效值转换器AD536A、AD636和AD637的工作原理,并介绍了这些器件的许多实际应用电路。
这些集成电路具有低成本、低功耗和高(激光调整)精度特性,使得真有效值(RMS)计算成为一项实用、可行的技术,可用来获取波形的功率测量值或标准偏差。
以前,采用模块式、混合式、或分立式器件的真有效值(RMS)转换器不仅成本高,而且相对复杂,往往使“真有效值”成为只能在实验室利用专门仪器得到的稀罕之物。
除具体应用之外,本指南还简要说明了真有效值的数学内涵,并将真有效值方程式的各种实现方法做了比较,例如:热计算、隐式计算、显式计算、以及更常用的“均值”整流值非真有效值检波器。
我们希望这些背景信息有助于消除有关真有效值计算的一些神秘感,帮助设计人员以创新的方式熟练运用ADI公司的真有效值转换器,以及一般意义上的真有效值测量技术。
我们对以下人士给予的支持和帮助表示衷心感谢:以Marie Etcheils为首的ADI公司通信服务艺术部门全体员工(Lea Cook、Joan Costa、Terri Dalton、Wendy Geary、Ernie Lehtonen、Sue Lortie、Cammy O'Brien)对本指南中的图表进行了精心排版处理;Julie Williams 输入并校对了本指南手稿;Andy Wheeler、Eric Janson、Paul Brokaw、Doug Grant仔细审阅了本指南的内容;Chuck Ayres对噪声测量提出了真知灼见;Don Travers和ADS应用小组提供了许多实用建议;以及Rieh Frantz和Jeff Riskin在这项漫长的工作中给予了支持和鼓励。
简易网络导纳分析仪作者:余勇刚许正红郭峰赛前指导及文稿指导老师:蒋伟荣黄海波摘要本简易网络导纳分析仪以凌阳单片机SPCE061A为控制和数据处理核心,由正弦信号发生模块、功率放大模块、导纳模测量模块、导纳角测量模块、网络负载以及人机接口模块组成。
采用数字控制DDS芯片AD9851产生100Hz-10KHz正弦信号,经滤波、电压放大和功率放大后驱动网络负载。
从网络负载中取测量信号输入到以真有效值转换集成芯片AD637为核心的电压和电流测量电路构成的导纳模测量模块中进行负载测量。
导纳角测量模块是从导纳模测量模块中取一组信号经过零比较后使用鉴相器和计数器对信号相位差测量。
把上述的测量结果经单片机处理后用液晶显示。
为了提高测量精度,将各部分电路的误差合理分配,使电路达到最佳测量效果。
关键字:导纳,导纳角,DDS,AD637,网络导纳分析仪AbstractThis simple network conductance analyzer take Ling Yang microcontroller SPCE061A as the core of the control and the data processing, which is composed of the sine signal generator module, the power enlargement module, the conductance survey module, the conductance angle survey module, the network load as well as the man-machine interface module. The 100 - 10 KHz sine signal is generated by AD9851, which drivers the network load after passing the filter, the voltage amplification and the power enlarges module. The conductance survey module is composed of voltage and current metering module, which takes AD637 as the core, which the survey signal is metered in. The conductance angle survey module takes a group of signals from the conductance survey module to the zero detecting module to survey the shift of phase of the signal. The above measurement result which is processed by the microcontroller is shown in the LCD. In order to increase the measuring accuracy, error is distributed rational to each part of electric circuits, which achieves the best survey effect of the electric circuit.Key words:conductance, conductance angle,DDS, AD637, simple network conductanceanalyzer本题要求设计一个输出电阻小于1 ,输出电压峰峰值为1V,频率为100Hz~10KHz 的正弦信号发生器和一个一端口网络N,并且在此基础上测量这个网络的电导、电纳、电导模和导纳角的导纳分析仪。
真RMS-DC变换器AD736/AD737AD736/AD737是AD公司推出的真有效值直流变换器。
和以往的有效值测量技术不同,真有效值直流变换可以直接测得各种波形的真实有效值,它不是采用整流加平均测量技术,而是采用信号平方后积分的平均技术。
采用AD736/AD737可以简化仪器的设计,增加信号测量品种,并且灵敏度、精确度也大大改善。
本文讨论了真RMS测量技术的工作原理,并给出了AD736/AD737的典型应用电路。
AD736/AD737;真RMS-DC;测量;仪表;AD737JN;The AD737* is a low power, precision, monolithic true rms-to-dc converter. It is laser trimmed to provide a maximum error of ±0.2 mV ±0.3% of reading with sine wave inputs. Furthermore, it maintains high accuracy while measuring a wide range of input waveforms, including variable duty cycle pulses and triac (phase) controlled sine waves. The low cost and small physical size of this converter make it suitable for upgrading the performance of non-rms precision rectifiers in many applications. Compared to these circuits, the AD737 offers higher accuracy at equal or lower cost.The AD737 can compute the rms value of both ac and dc input voltages. It can also be operated ac-coupled by adding one external capacitor. In this mode, the AD737 can resolve input signal levels of 100 μV rms or less, despite variations in temperature or supply voltage. High accuracy is also maintained for input waveforms with crest factors of 1 to 3. In addition, crest factors as high as 5 can be measured (while introducing only 2.5% additional error) at the 200 mV full-scale input level.The AD737 has no output buffer amplifier, thereby significantly reducing dc offset errors occurring at the output, which makes the device highly compatible with high input impedance ADCs.Requiring only 160 μA of power supply current, the AD737 is optimized for use in portable multimeters and other battery-powered applications. This converter also provides a power-down feature that reduces the power-supply standby current to less than 30 μA.T wo signal input terminals are provided in the AD737. A high impedance (1012 Ω) FET input interfaces directly with high R input attenuators, and a low impedance (8 kΩ) input accepts rms voltages to 0.9 V while operating from the minimum power supply voltage of ±2.5 V. The two inputs can be used either single ended or differentially.The AD737 achieves 1% of reading error bandwidth, exceeding 10 kHz for input amplitudes from 20 mV rms to 200 mV rms, while consuming only 0.72 mW.The AD737 is available in four performance grades. The AD737J and AD737K grades are rated over the commercial temperature range of 0°C to 70°C. The AD737JR-5 is tested with supply voltages of ±2.5 V dc. The AD737A and AD737B grades are rated over the industrial temperature range of −40°C to +85°C. The AD737 is available in three low cost, 8lead packages: PDIP, SOIC_N, and CERDIP.Product Highlights1. Capable of computing the average rectified value, absolute value, or true rms value of variousinput signals.2. Only one external component, an averaging capacitor, is required for the AD737 to perform true rms measurement.3. The low power consumption of 0.72 mW makes the AD737 suitable for battery-powered applications. 1. 真RMS-DC变换器目前市场上的万用表大多采用简单的整流加平均电路来完成交流信号的测量,因此这些仪表在测量RMS值时要首先校准,而且用这种电路组成的万用表只能用于指定的波形如正弦波和三角波等,如果波形一变,测出的读数就不准确了。
以AD637为基础的交流毫伏表设计摘要本设计是基于AD637电路的交流数字毫伏表电路设计。
该毫伏表是基于真有效值转换(True RMS-to-DC Converter)技术,以真有效值转换集成芯片AD637为核心,以微控制器(MCU)为量程转换控制,以高精确度四位半A/D转换器为模数转换,通过LCD显示,并辅以必要的外围电路设计而成。
数字交流毫伏表系统主要由MCU 控制模块、程控放大器模块、真有效值转换模块、电压数字显示模块等组成,并且能够根据实际交流电压输入完成相应的量程转换功能,同时使用LCD显示测试电压值。
该电路采用ICL7135高精度、双积分A/D转换电路,测量范围在0-10伏的交流信号,用LCD液晶显示。
正文着重给出了软硬件系统的各部分电路,介绍了双积分电路的基本原理,89C51最小系统的特点,ICL7135的功能和应用,LCD1602的功能和应用。
该电路设计新颖、功能强大、可扩展性强。
关键词真有效值数字显示ICL7135双积分A/D转换器1602液晶TO AD637 MV BASED ON THE DESIGNOF EXCHANGEABSTRACTThe AD637 circuit design is based on the exchange of digital circuit design Millivoltmeter. The table is based on the mV RMS conversion (True RMS-to-DC Converter) technology to TRMS AD637 converter chip as the core, microcontroller (MCU) for the change of control of range, high precision 4 half A/ D converter for analog-to-digital conversion, through the LCD display, supplemented by the necessary from the external circuit design. Digital AC millivolt meter system mainly by the MCU control module, program-controlled amplifier module, True RMS conversion module, voltage digital display module, such as composition,And can in accordance with the actual AC voltage input range corresponding to complete conversion, at the same time using the LCD display test voltage value.ICL7135 precision of the circuit, double-integrating A / D conversion circuit, surveying the range of 0-10 V ac signal, the LCD liquid crystal display. Given body of hardware and software systems focused on different parts of the circuit, introduced the double-integrating the basic principles of circuit, 89C51 minimum system characteristics, ICL7135 function and application, LCD1602 functions and applications. The circuit design of novel, powerful and highly scalable.KEY WORDS true rms digital display icl7135 double integral a/d converter 1602 lcd目录中文摘要 (I)英文摘要............................................................................................................................. I I 引言 (1)1 总体方案设计 (2)2 技术方案论证与比较 (3)2.1真有效值直流变换模块设计方案 (3)2.2程控放大器模块设计方案 (4)2.3模/数转换模块设计方案 (4)2.4LCD显示模块设计方案 (5)3 系统硬件电路设计与实现 (5)3.1程控放大器电路设计 (5)3.2真有效值转换电路设计 (8)3.3A/D转换电路设计 (10)3.4单片机最小系统电路设计 (13)3.5液晶显示电路设计 (17)3.6稳压电源的设计 (20)3.7报警电路设计 (22)4 软件程序设计 (23)4.1量程自动转换程序设计 (23)4.2数据处理程序设计 (24)4.3液晶显示模块程序设计 (26)5 系统调试 (27)5.1硬件调试 (27)5.2软件调试 (27)总结 (28)致谢 (29)参考文献 (30)附录 (31)引言数字电压表(数字面板表)是当前电子、电工、仪器、仪表和测量领域大量使用的一种基本测量工具,有关数字电压表的书籍和应用已经非常普及了。
AD637高精度,宽带有效值直流转换器FEATURES精度高:0.02%最大非线性,0 V至2 V 有效值输入波峰因数为3时有0.10%的附加误差宽的带宽:2 V有效值输入时的带宽为8MHz100 mV的有效值贷款为600kHz计算:真有效值平方均方绝对值dB输出(60 dB的范围内)允许片选/断电功能模拟三态操作静态电流降低到从220毫安到350μA封装形式:14引脚SBDIP,低成本CERDIP14引脚和16引脚SOIC_WGENERAL DESCRIPTIONAD637是一个完整的,高精度单片RMS-to- DC转换器,它可以计算任何复杂波形的真有效值。
在集成电路的rms-to-dc 转换器领域,它提供了前所未有高性能,并且可以在精度,带宽和动态范围方面和分立模块化技术相媲美。
在AD637采用了波峰因数补偿方案,当测量信号的波峰因数达到10时,他的额外误差仍然保持在低于1%的水平。
对于宽带宽的AD637,当输入信号的有效值是200 mV 时,可以测量高达600 kHz的信号,当输入信号的有效值是1V 时,它可以测量的信号高达8 MHz。
与ADI公司以前的单片有效值转换器相同,AD637有一个辅助dB输出,提供给用户。
对数均方根形式的输出被引到了一个单独的引脚,允许直接的范围为60 分贝的dB测量。
用户通过设定基准电流来选择0 dB参考电压,这个参考电压可以在0.1 V和2.0 V(均方根)之间变化。
允许用户通过控制连接在AD637上的芯片选通端,使AD637在不工作期间,将电源电流降低到2.2毫安至350μA。
此功能保证了在远程与手持式设备中有效值测量精度的同时,使其功耗也是最低的。
此外,当AD637掉电时,输出变为高阻抗状态。
这允许几个AD637s连接在一起,形成一个宽频带真有效值多路转换器。
AD637保护输入电路免受超过电源电平的过载电压的影响。
如果不提供电源电压,设备不会被输入信号损坏。
功能框图REV的。
éADI公司提供的信息被认为是准确和可靠。
但是,没有责任承担ADI公司,因为其使用,也为专利或其它第三方权利的任何侵犯这可能是由于它的使用。
没有获发牌照以暗示或否则任何专利或专利权的模拟设备。
一种高精度,宽带的RMS - DC转换器AD637该AD637提供两种精度等级(十,K)的商业(0 ° C至+70 ° C)温度范围应用; 2准确度等级(甲,乙),工业(-40 ° C至+85 ° C)应用; 和1(第)额定工作于-55 ° C至+125 ° C温度范围。
所有版本,可在密封型,14引脚侧钎焊陶瓷下跌为以及低成本cerdip包。
一16引脚的SOIC封装提供。
产品亮点1。
计算真实的AD637根均方,平均正方形,或任何复杂的绝对值交流(或交流加直流)输入波形并给出了一个等效直流输出电压。
真正的均方根值的波形是一个多有用平均纠正信号,因为它直接关系到权力信号。
一项统计信号均方根值也有关到信号的标准偏差。
2。
晶圆的AD637是激光微调以达到额定性能没有外部修整。
唯一的外部元件需要的是一个电容器的平均时间,订时期。
这个电容值也决定了低频精度,纹波水平和建立时间。
3。
该芯片选择了AD637功能允许用户在断电期间装置的非使用价值下降,从而,减少电池消耗在偏远或手持申请。
4。
芯片上的缓冲放大器可以用作输入或缓冲区或在有源滤波器的配置。
该过滤器可用于减少交流纹波,从而增加了测量精度。
产品说明AD637是一个完整的高精度单片均方根至直流转换器的真有效值计算任何复杂的价值波形。
它提供了综合性能,是前所未有的电路的RMS - DC转换器和可比的离散在准确度和模块化技术,带宽和动态范围。
一个波峰因子在AD637赔偿方案许可证测量与高达10波峰因子信号少于1%的额外误差。
该电路的宽带许可证信号的测量高达600千赫的投入200毫伏RMS和高达8 MHz时,输入电平高于1伏均方根。
真值有效值转换芯片AD637简介
赵亮
1 器件用途及特点
AD637是AD公司生产的真有效值-直流转换芯片,它的功能是把外部输入的交流信号有效值变成直流信号输出,可以计算各种复杂波形的真有效值。
可测量的输入信号有效值可高达7V,对于1vRMS的信号,它的3dB带宽为8MHz,并且可以对输入信号的电平以dB形式指示,当输入电压为100mV 时,带宽标值为600kHz;输入电压为2V时,带宽标称值为8MHz。
另外,AD637通过片选(CS)管脚作用,可以使静态电流从2.2mA降至350µA。
因此,在数据采集和仪器仪表等场合,有很广泛的应用。
2 管脚功能描述
AD637的管脚图如图1所示,对应的管脚功能如表一。
图1 AD637管脚图
表1 AD637管脚功能描述
管脚号名称功能
IN 输入缓冲
1 BUFF
2 NC 空脚
3 COMMON 模拟公共端
输出偏移
OFFSET
4 OUTPUT
5 CS 片选端
INPUT 分母输入端
6 DEN
OUTPUT dB 格式输出
7 dB
8 Cav 均值滤波电容
OUT 有效值输出
9 RMS
10 -Vs 负电源
11 +Vs 正电源
12 NC 空脚
13 Vin 信号输入
OUT 输出缓冲
14 BUFF
3 典型应用电路
如果单纯使用AD637的真有效值输出的这个功能,电路连接非常的简单,典型电路如图2所示。
输入缓冲和输出偏移接到内部的模拟公共端,一起接地;dB输出端悬空;输出缓冲悬空;CS通过一个外部的上拉电阻接Vs,降低系统在静态时的工作电流;外部的输入信号如果是交流信号,需要在输入端串接一个无极性的耦合电容;电容Cav作用是调整输出的
直流信号纹波大小。
图2 AD637典型电路
4 注意事项
经实际测量,AD637在输入信号为2MHz以下、有效值为0.7 ~ 7V范围内能保证测量误差≤± 0.2%+0.5mV。
当被测信号的有效值远小于1V时,会出现较大的测量误差,所以当被测信号幅值较小时,须在前级对被测信号进行放大,以保证测量精度。