2020蚕丝被产品质量国家监督抽查实施细则
- 格式:doc
- 大小:41.50 KB
- 文档页数:3
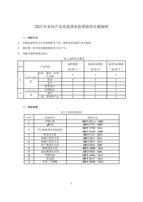
2023年家纺产品质量国家监督抽查实施细则一、抽样方法1.以随机抽样的方式在被抽样生产者、销售者的待销产品中抽取。
2.随机数一般可使用随机数表等方法产生。
3.每批次抽样数量见表1。
表1 抽取样品数量二、检验依据表2 无填充物家纺表3 有填充物家纺执行企业标准、团体标准、地方标准的产品,检验项目参照上述内容执行。
凡是注日期的文件,其随后所有的修改单(不包括勘误的内容)或修订版不适用于本细则。
凡是不注日期的文件,其最新版本适用于本细则。
三、判定规则1.依据标准GB 18401—2010 国家纺织产品基本安全技术规范GB 31701—2015 婴幼儿及儿童纺织产品安全技术规范GB 18383—2007 絮用纤维制品通用技术要求GB/T 29862—2013 纺织品纤维含量的标识GB/T 22796—2021 家纺GB/T 22796—2009 被、被套GB/T 22797—2009 床单GB/T 22843—2009 枕、垫类产品GB/T 22844—2009 配套家纺FZ/T 25006—2022 轻薄型经编针织毯FZ/T 43018—2017 蚕丝绒毯FZ/T 61001—2019 纯毛、毛混纺毛毯FZ/T 61002—2019 化纤仿毛毛毯FZ/T 61004—2017 拉舍尔毛毯FZ/T 61005—2015 线毯FZ/T 61006—2019 纬编腈纶毛毯FZ/T 61007—2012 家用纺织品超细纤维毯FZ/T 61008—2015 摇粒绒毯FZ/T 61009—2015 纤维素纤维绒毯FZ/T 34003—2011 亚麻家纺FZ/T 81005—2017 绗缝制品FZ/T 62019—2012 工艺绗缝被FZ/T 62026—2015 手工粗布床单FZ/T 62027—2015 磨毛面料床单FZ/T 62028—2015 针织床单FZ/T 62029—2015 手工粗布被套FZ/T 62030—2015 磨毛面料被套FZ/T 62031—2015 针织被套GB/T 33734—2017 机织婴幼儿家纺FZ/T 73025—2019 婴幼儿针织服饰FZ/T 62037—2017 灯芯绒被套FZ/T 62038—2017 灯芯绒床单FZ/T 43007—2011 丝织被面FZ/T 44004—2018 丝绸家纺GB/T 32605—2016 羊毛、羊绒被GB/T 22864—2009 毛巾GB/T 22864—2020 毛巾FZ/T 62016—2009 无捻毛巾FZ/T 62033—2016 超细纤维毛巾FZ/T 61010—2020 山羊绒毯GB/T 22855—2009 拉舍尔家纺FZ/T 62042—2020 凉感面料家纺现行有效的企业标准、团体标准、地方标准及产品明示质量要求2.判定原则经检验,检验项目全部合格,判定为被抽查产品所检项目未发现不合格;检验项目中任一项或一项以上不合格,判定为被抽查产品不合格。
国家市场监督管理总局关于发布羊绒针织衫等41种产品质量国家监督抽查实施细则的公告
文章属性
•【制定机关】国家市场监督管理总局
•【公布日期】2020.12.24
•【文号】国家市场监督管理总局公告2020年第60号
•【施行日期】2020.12.24
•【效力等级】部门规范性文件
•【时效性】现行有效
•【主题分类】质量管理和监督
正文
国家市场监督管理总局公告
2020年第60号
市场监管总局关于发布羊绒针织衫等41种产品质量国家监督
抽查实施细则的公告
依照《产品质量监督抽查管理暂行办法》(市场监管总局令第18号),近期市场监管总局组织编制了羊绒针织衫等41种产品质量国家监督抽查实施细则(详见附件),现予以发布。
各地方在开展监督抽查工作时可参照执行。
特此公告。
附件:羊绒针织衫等41种产品质量国家监督抽查实施细则
市场监管总局
2020年12月24日。
2024地方蚕丝被质量整改方案地方蚕丝被是一种珍贵的纺织品,以其柔软舒适、保暖透气等特点而备受消费者的喜爱。
然而,近年来市场上出现了一些问题,其中包括质量不过关、掺假等情况,严重影响了地方蚕丝被市场的发展和消费者对产品的信任度。
为了解决这些问题,我制定了一份____字的地方蚕丝被质量整改方案,以期提高产品品质,增强消费者的购买信心。
一、加强市场监管和执法力度1.建立完善的市场监管制度,加强对地方蚕丝被生产、流通和销售环节的管理和监督,严厉打击质量不过关、假冒伪劣产品的行为,并进行公开曝光。
2.加大对地方蚕丝被生产企业的检查力度,对没有通过质量认证、质量不合格或存在质量问题的企业进行整改,情节严重者予以取缔。
二、加强企业质量管理1.地方蚕丝被生产企业应建立健全质量管理体系,严格按照国家标准和相关法律法规要求进行生产,确保产品质量符合标准。
2.加强对原材料的质量把控,确保选用符合标准的蚕丝材料进行生产。
3.加强生产过程管理,制定生产工艺规范和操作规程,确保每一道工序都符合质量要求。
4.加强产品检测,建立完善的质量检测机构,对成品进行全面检测,确保产品质量合格。
三、加强产品质量标准制定和实施1.制定地方蚕丝被产品质量标准,明确各项指标和要求,规范产品的生产和销售。
2.加强对地方蚕丝被产品质量的抽检和监测,及时发现质量问题,并对不合格产品进行处理。
四、加强消费者权益保护1.加强对地方蚕丝被产品信息的公示,包括产品成分、生产厂家、质量认证等,使消费者能够全面了解产品信息。
2.建立消费者投诉举报渠道,对消费者提出的质量问题进行认真调查和处理,并及时回应消费者意见和建议。
3.加强对消费者权益的保护和维权工作,对违法违规行为进行严肃处理,保护消费者权益。
五、加强产业链合作与创新1.加强地方蚕丝产业链上下游合作,建立质量溯源体系,确保生产过程的可追溯性。
2.鼓励企业进行科技创新和产品升级,提高产品质量和附加值,增强市场竞争力。
产品质量监督抽查实施细则——床上用品产品质量监督抽查是对市场上销售的产品进行抽样检验,以确保产品质量符合相关标准和法规要求的一种监管措施。
床上用品是指用于床上的各种纺织品,如床单、被罩、枕套等,对于床上用品的抽查应严格执行以下实施细则。
一、抽查对象1.床上用品的品种应包括床单、被套、枕套等常见的床上用品产品。
2.床上用品的产地、品牌、规格、型号等应有一定代表性,抽查对象应充分考虑到市场销售份额较高的产品。
二、抽样方法1.抽样地点应选择各省市的大型商场、超市、电商平台等销售渠道,确保抽样地点广泛覆盖,抽样范围具有代表性。
2.抽样对象的选择应进行随机抽样,以避免主观意愿的指导性。
三、抽样数量和比例1.床上用品抽样数量及比例应根据市场销售份额和抽查频率确定,可根据往年抽查结果和市场情况进行合理调整。
2.床上用品的抽样数量应满足统计学上的抽样原则,以保证抽样结果的可靠性和科学性。
四、抽样标准1.床上用品的抽样检验应遵循相关行业标准,如国家标准、行业标准等。
2.床上用品的抽样检验项目应包括产品安全性、物理性能、化学性能等各方面,并可根据产品特点和市场需要调整抽样项目。
五、抽查内容3.对于床上用品常见的质量问题,如破损、褪色、收缩等,也应进行抽查。
六、抽查结果处理1.抽查结果应详细记录,包括抽样信息、抽查项目、抽样结果等。
2.若床上用品抽查结果不合格,应及时通知相关生产企业,并对其违规行为进行处罚。
3.涉及床上用品质量问题的,应及时启动召回机制,保证不合格产品及时下架,以减少消费者的风险。
七、信息公开1.床上用品的抽查结果应及时公开,以保证公众的知情权。
2.床上用品抽查结果应及时向消费者、生产企业、销售渠道等进行通报,以促进市场的规范化和优胜劣汰。
八、配合工作1.床上用品的抽查工作应与相关部门、行业协会、消费者组织等进行密切配合。
2.相关部门应加强对床上用品市场的监管,提供必要的支持和保障。
总之,对床上用品的质量监督抽查应加强标准统一、抽样科学、结果公开等方面的工作,以保障消费者权益,促进床上用品市场健康有序的发展。
产品质量监督抽查实施规范CCGF 101.1—2014床上用品XXXX—XX—XX发布 XXXX—XX—XX实施国家质量监督检验检疫总局床上用品产品质量监督抽查实施规范1 范围本规范适用于床上用品产品质量国家监督抽查,针对特殊情况的国家监督专项抽查、县级以上地方质量技术监督部门组织的地方监督抽查可参照执行。
监督抽查产品范围包括无填充物床上用品和有填充物床上用品。
本规范内容包括产品分类、术语和定义、企业产品生产规模划分、检验依据、抽样、检验要求、判定原则、异议处理及附则。
2 产品分类2.1 产品分类及代码产品分类及代码见表1。
表1 产品分类及代码2.2产品种类本规范涉及产品种类:无填充物床上用品(床单、被套、床笠、床罩、枕套)和有填充物床上用品(以棉花、羊毛、蚕丝、化纤、羽绒羽毛为填充物的被类、枕垫类产品及绗缝制品)。
3术语和定义本规范中未列出的术语和定义同相关引用标准。
4企业床上用品生产规模划分根据床上用品行业的实际情况,生产企业规模以床上用品年销售额为标准划分为大、中、小型企业,见表2。
表2 企业床上用品产品生产规模划分备注:年销售额包括该类产品的内销和外销总额。
5检验依据凡是注日期的文件,其随后所有的修改单(不包括勘误的内容)或修订版不适用于本规范。
凡是不注日期的文件,其最新版本适用于本规范。
GB 18401 国家纺织产品基本安全技术规范GB 18383 絮用纤维制品通用技术要求GB 5296.4 消费品使用说明第4部分:纺织品和服装GB/T 10111 随机数的产生及其在产品质量抽样检验中的应用程序GB/T 29862 纺织品纤维含量的标识GB/T 22796 被、被套GB/T 22797 床单GB/T 22800 星级旅游饭店用纺织品GB/T 22843 枕、垫类产品GB/T 22844 配套床上用品GB/T 24252 蚕丝被FZ/T 34003 亚麻床上用品FZ/T 81002 水洗羽毛羽绒FZ/T 81005 绗缝制品QB/T 1193 羽绒羽毛被QB/T 1194 羽绒羽毛床垫QB/T 1195 羽绒羽毛睡袋QB/T 1196 羽绒羽毛枕、垫GB/T 2910(所有部分)纺织品定量化学分析GB/T 2912.1 纺织品甲醛的测定第1部分:游离和水解的甲醛(水萃取法)GB/T 3920 纺织品色牢度试验耐摩擦色牢度GB/T 3922 纺织品色牢度试验耐汗渍色牢度GB/T 5713 纺织品色牢度试验耐水色牢度GB/T 7573 纺织品水萃取液pH值的测定GB/T 10288 羽绒羽毛检验方法GB/T 16988 特种动物纤维与绵羊毛混合物含量的测定GB/T 17592 纺织品禁用偶氮染料的测定GB/T 18886 纺织品色牢度试验耐唾液色牢度GB/T 23344 纺织品4-氨基偶氮苯的测定FZ/T 01057(所有部分)纺织纤维鉴别试验方法FZ/T 01095 氨纶产品纤维含量的试验方法FZ/T 01101 纺织品纤维含量的测定物理法FZ/T 40005 桑/柞产品中桑蚕丝含量的测定化学法FZ/T 30003 麻棉混纺产品定量分析方法显微投影法FZ/T 80001 水洗羽毛羽绒试验方法SN/T 0756 进出口麻/棉混纺产品定量分析方法显微投影仪法国际羽绒羽毛局测试规则 IDFB 第15部分混合物成分分析相关的法律法规、部门规章和规范。
絮用纤维制品产品质量监督抽查实施细则1产品分类1.1产品分类及代码产品分类及代码见表1。
表1产品分类及代码产品分类一级分类二级分类三级分类分类代码1101101.1分类名称日用及纺织品纺织品床上用品1.2产品种类本细则涉及产品种类:以棉花、羊毛、蚕丝、化纤为填充物的被类、枕垫类产品。
2术语和定义本细则中未列出的术语和定义同相关引用标准。
3絮用纤维制品产品生产企业规模划分根据絮用纤维制品产品行业的实际情况,生产企业规模以第1章适用范围中所界定的絮用纤维制品产品的年销售额为标准划分为大、中、小型企业。
见表3:表2企业絮用纤维制品产品生产规模划分企业规模大型企业中型企业小型企业销售额/万元≥30000≥3000且<30000<30004检验依据凡是不注明日期的,其最新版本适用于本细则。
GB18401国家纺织产品基本安全技术规范GB18383絮用纤维制品通用技术要求GB31701婴幼儿及儿童纺织产品安全技术规范GB/T29862纺织品纤维含量的标识GB/T22796被、被套GB/T22843枕、垫类产品GB/T22844配套床上用品FZ/T81005绗缝制品GB24252蚕丝被FZ/T62019工艺绗缝被现行有效的企业标准及产品明示质量要求5抽样5.1抽样型号或规格根据产品的销售单元(床、件、条、套)抽取相同款式、相同花型和相同颜色的被检样品。
每个企业抽取1个批次样品。
5.2抽样方法、基数及数量5.2.1抽样方法在企业成品仓库内或市场待销产品中随机抽取有产品质量检验合格证明或以其他形式表明合格的产品。
抽样方法应根据被抽查企业产品的堆放形式、批量大小而定。
一般采用简单随机抽样方法,利用随机数表、骰子或扑克牌产生随机数进行抽样。
挂放的产品可采用系统抽样的方法,堆垛装箱的产品也可采用分层随机抽样的方法。
5.2.2抽样基数抽样基数满足抽样数量即可。
5.2.3抽样数量根据本细则规定的检验要求,抽查的样品数量见表3。
2024年地方蚕丝被质量整改方案一、背景介绍地方蚕丝被是我国传统的特色产品之一,具有丰富的历史文化底蕴和独特的工艺特色。
然而,近年来,一些地方蚕丝被的质量问题引起了广泛关注,严重影响了产品的竞争力和市场形象。
为了提高地方蚕丝被的质量,打造优质品牌,我们制定了以下整改方案。
二、整改目标1. 提高地方蚕丝被的产品质量,满足消费者的需求;2. 构建质量管理体系,完善各个环节的监管机制;3. 增强品牌竞争力,提升消费者对地方蚕丝被的认知和信任度。
三、整改措施1.建立质量管理体系(1)建立符合国际标准的产品质量体系,并进行认证;(2)完善质量控制流程和标准操作规程,规范各个生产环节;(3)加强员工培训,提升工人的技术水平和素质;(4)加强与相关科研机构的合作,推动技术创新和产品优化。
2.加强原材料管理(1)严格选择蚕茧的采购渠道,确保原材料的质量;(2)建立稳定的供应商体系,建立长期合作关系;(3)加强对原材料的抽检和质量评估,不合格产品及时淘汰。
3.完善生产工艺流程(1)优化生产工艺流程,提高生产效率和产品质量;(2)引进先进的生产设备和技术,提升生产能力和产品性能;(3)建立质量追溯体系,追踪产品的生产过程和质量信息。
4.严格产品检测(1)建立完善的产品检测标准和程序,确保产品的质量符合国家标准;(2)加强对成品的质量检测,抽检合格率达到98%以上;(3)加强对产品包装的质量控制,确保产品在运输过程中不受损。
5.加强市场监管(1)建立健全的市场监管机制,加强对地方蚕丝被生产企业的监督和指导;(2)加大对违法违规行为的打击力度,对质量不合格的产品进行严厉处罚;(3)加强对产品的市场监测和抽检,及时发现和处理质量问题。
四、组织实施1.成立地方蚕丝被质量整改工作组,负责组织、协调和监督整改工作;2.制定具体的整改计划和时间表,明确各项任务和责任分工;3.组织开展培训和宣传活动,提升相关人员的质量意识和专业水平;4.定期组织评估和检查,及时发现和解决问题。
川省蚕丝被产品质量省级监督抽查实施细则(一)据最近的消息称,川省蚕丝被产品质量省级监督抽查实施细则(下称“实施细则”)已经正式公布。
该实施细则是为了进一步保障蚕丝被产品的质量,遏制不合格蚕丝被的市场流通,促进川省蚕丝被产业的健康发展而制定的。
下面将从以下四个方面对该实施细则进行介绍。
一、质量标准和监督抽查的对象范围实施细则明确指出,所有生产、销售及进口该省蚕丝被产品的企业和个体经营者均为监督抽查的对象。
监督抽查的主要内容包括:检查样品的外观质量、尺寸、织物面料、填充物、色牢度等相关指标,同时要求对样品进行在不同场所(包括干洗和水洗)、多次维护等方面的检测,以确保产品的稳定性和持久性。
二、监督抽查的频次和结果公示实施细则明确规定,对于每个生产、销售及进口蚕丝被产品的企业和个体经营者,每年至少进行一次抽查。
如果抽查发现问题,监管部门将要求企业整改,直到产品标准符合监督要求为止。
同时,抽查结果将会在川省工商局网站上公示,并在社会各界引起广泛关注。
三、质量不合格的处理方式实施细则中提到,质量不合格的蚕丝被产品将被责令下架,特别严重的将被要求销毁,同时将向相关生产、销售及进口企业和个体经营者收回产品,并要求其赔偿相关消费者的损失。
四、保障消费者的权益实施细则最终旨在保障消费者的权益。
一方面,监督抽查可以通过严格的质量标准把不合格的蚕丝被产品从市场中排除出去,保证了消费者购买的产品质量和价值。
另一方面,规定了抽查结果的公示,引导消费者更加理性地购买蚕丝被产品,从而提升了川省蚕丝被产业的整体质量水平。
综上所述,川省蚕丝被产品质量省级监督抽查实施细则的发布,标志着川省蚕丝被产业的健康发展迈出了一大步。
实施细则将会不断提升蚕丝被产业从生产到销售的质量管控水平,加强监管,保护消费者的权益,为行业提供更好的发展环境。
茧丝质量监督管理办法(2020年修订)文章属性•【制定机关】国家市场监督管理总局•【公布日期】2020.10.23•【文号】国家市场监督管理总局令第31号•【施行日期】2020.10.23•【效力等级】部门规章•【时效性】现行有效•【主题分类】质量管理和监督正文茧丝质量监督管理办法(2003年1月14日国家质量监督检验检疫总局令第43号公布,根据2018年3月6日国家质量监督检验检疫总局令第196号第一次修订,根据2020年10月23日国家市场监督管理总局令第31号第二次修订)第一章总则第一条为了加强对茧丝质量的监督管理,明确茧丝质量责任,促进茧丝质量的提高,维护茧丝市场秩序和茧丝交易各方的合法权益,根据《棉花质量监督管理条例》等有关规定,制定本办法。
第二条茧丝经营者(含茧丝收购者、加工者、销售者、承储者,下同)从事茧丝经营活动,纤维质量监督机构对茧丝质量实施监督管理,必须遵守本办法。
本办法所称的茧丝是蚕茧和丝的统称。
蚕茧主要包括桑蚕鲜茧、桑蚕干茧、柞蚕鲜茧、柞蚕干茧等。
丝主要包括生丝、绢丝、?丝等。
本办法所称的茧丝加工主要包括桑蚕干茧的加工、柞蚕干茧加工、生丝的生产、绢丝的生产、?丝的生产等。
第三条国家市场监督管理总局(以下简称市场监管总局)主管全国茧丝质量监督工作,其所属的中国纤维质量监测中心承担茧丝质量监督检查的技术支撑相关工作、茧丝质量公证检验的组织实施工作,并对公证检验实施监督抽验。
省、自治区、直辖市市场监督管理部门(以下简称省级市场监管部门)负责本行政区域内茧丝质量监督工作。
地方市场监督管理部门和承担棉花等纤维质量监督职责的专业纤维检验机构统称纤维质量监督机构。
地方专业纤维检验机构承担茧丝质量公证检验工作。
第二章茧丝质量监督第四条国家推行茧丝质量公证检验制度。
桑蚕干茧销售逐步实行质量公证检验;其他有必要进行质量公证检验的茧丝(含国家储备的茧丝),由国家确定实施公证检验的茧丝品种、类别和实施公证检验的环节。
茧丝质量监督管理办法(2003年1月14日国家质量监督检验检疫总局令第43号公布,根据2018年3月6日国家质量监督检验检疫总局令第196号第一次修订,根据2020年10月23日国家市场监督管理总局令第31号第二次修订)第一章总则第一条为了加强对茧丝质量的监督管理,明确茧丝质量责任,促进茧丝质量的提高,维护茧丝市场秩序和茧丝交易各方的合法权益,根据《棉花质量监督管理条例》等有关规定,制定本办法。
第二条茧丝经营者(含茧丝收购者、加工者、销售者、承储者,下同)从事茧丝经营活动,纤维质量监督机构对茧丝质量实施监督管理,必须遵守本办法。
本办法所称的茧丝是蚕茧和丝的统称。
蚕茧主要包括桑蚕鲜茧、桑蚕干茧、柞蚕鲜茧、柞蚕干茧等。
丝主要包括生丝、绢丝、䌷丝等。
本办法所称的茧丝加工主要包括桑蚕干茧的加工、柞蚕干茧加工、生丝的生产、绢丝的生产、䌷丝的生产等。
第三条国家市场监督管理总局(以下简称市场监管总局)主管全国茧丝质量监督工作,其所属的中国纤维质量监测中心承担茧丝质量监督检查的技术支撑相关工作、茧丝质量公证检验的组织实施工作,并对公证检验实施监督抽验。
省、自治区、直辖市市场监督管理部门(以下简称省级市场监管部门)负责本行政区域内茧丝质量监督工作。
地方市场监督管理部门和承担棉花等纤维质量监督职责的专业纤维检验机构统称纤维质量监督机构。
地方专业纤维检验机构承担茧丝质量公证检验工作。
第二章茧丝质量监督第四条国家推行茧丝质量公证检验制度。
桑蚕干茧销售逐步实行质量公证检验;其他有必要进行质量公证检验的茧丝(含国家储备的茧丝),由国家确定实施公证检验的茧丝品种、类别和实施公证检验的环节。
上款所称茧丝质量公证检验,是指专业纤维检验机构按照国家标准和技术规范,对茧丝质量、数量进行检验并出具公证检验证书的活动。
茧丝质量公证检验证书是茧丝质量、数量的依据。
茧丝质量公证检验的具体实施办法,由中国纤维质量监测中心负责制定。
第五条纤维质量监督机构可以在茧丝收购、加工、销售、承储活动所涉及的场所实施茧丝质量监督检查。
蚕丝被监督检查方法及质量提升探讨楼奇云(湖州市纤维检验所,浙江湖州313000)笔者近几年曾多次随当地政府产品质量稽查部门进行蚕丝被现场执法检查,可喜的是看到产业的良好发展态势,但出现的一些情况也令人忧虑。
各路资本蜂拥而入,但以小规模、家庭作坊式加工为主,随之而来是各种乱象,质量问题很多,以次充好,制假售假活动相当猖獗。
而执法队伍力量薄弱,专业知识缺乏。
本人根据实践总结了一套蚕丝被现场执法检查简单实用的方法。
1蚕丝被产业概况1.1产业概况蚕丝作为丝绸原料,改革开放之初,丝绸是我国重要的出口创汇产品,在国际市场上享有很高的声誉,换回了大量的外汇,为我国经济建设作出了重大的贡献。
九十年代初,由于亚洲金融危机和其它方面的原因,丝绸出口严重滑坡。
在这样的形势下必须开拓新的产品和市场,蚕丝被就是在这样一个背景下兴起的床上用品,同时正好赶上国内消费升级,产品很快得到消费者的认可,所以发展非常迅速,经过二十多年的成长,特别是近十年的快速发展,在床品业已经具有举足轻重的地位,产业已遍布全国的十六个省市,重点产区有浙江、江苏、四川、辽宁、河南,据初步统计,目前蚕丝被的年产量约为2500万床,年产值超过200亿元。
作为丝绸之府的浙江,发展蚕丝被产业有着得天独厚的优越条件,政府高度重视,蚕桑生产基础好,经济发达,市场充满活力,所以得到了快速发展,蚕丝被产量占全国的三分之一以上,桐乡是全国最大的生产基地,品牌蚕丝被数量处于全国领先,涌现了银桑、蚕花娘娘、钱皇、枕上人家、湖商、千思家等一些著名品牌,产业主要分布于杭嘉湖地区。
1.2蚕丝被主要优点蚕丝是由蚕吐丝而得的一种天然纤维,素有“纤维皇后”的美称。
蚕丝与其它纤维相比具有比重小、吸湿性能优异、强伸力较好、导热系数小的物理性能,所以用它作为原料制作的被子具有轻薄透气、舒适、保暖、贴服性好等优良品质。
同时由于蚕丝其主要成份是动物蛋白质,其成分含有人体的十八种氨基酸,所以蚕丝被还兼具保健功能,非常适合做内衣和床上用品,对皮肤有滋养作用,能增强体表细胞活力,对患有皮肤瘙痒的人有减轻作用,是绿色环保产品,深受消费者所喜爱。
蚕丝被产品质量国家监督抽查实施细则(征求意见稿)1 抽样方法以随机抽样的方式在被抽样生产者、销售者的待销产品中抽取。
随机数一般可使用随机数表等方法产生。
每批次产品抽取样品2条,其中1条作为检验样品,1条作为备用样品。
2 检验依据执行企业标准、团体标准、地方标准的产品,检验项目参照上述内容执行。
凡是注日期的文件,其随后所有的修改单(不包括勘误的内容)或修订版不适用于本细则。
凡是不注日期的文件,其最新版本适用于本细则。
3 判定规则3.1依据标准GB 18401-2010 国家纺织产品基本安全技术规范GB 18383-2007 絮用纤维制品通用技术要求GB 31701-2015 婴幼儿及儿童纺织产品安全技术规范GB/T 29862-2013 纺织品纤维含量的标识GB/T 24252-2009 蚕丝被GB/T 24252-2019 蚕丝被现行有效的企业标准、团体标准、地方标准及产品明示质量要求3.2判定原则经检验,检验项目全部合格,判定为被抽查产品合格;检验项目中任一项或一项以上不合格,判定为被抽查产品不合格。
若被检产品明示的质量要求高于本细则中检验项目依据的标准要求时,应按被检产品明示的质量要求判定。
若被检产品明示的质量要求低于本细则中检验项目依据的强制性标准要求时,应按照强制性标准要求判定。
若被检产品明示的质量要求低于或包含本细则中检验项目依据的推荐性标准要求时,应以被检产品明示的质量要求判定。
若被检产品明示的质量要求缺少本细则中检验项目依据的强制性标准要求时,应按照强制性标准要求判定。
若被检产品明示的质量要求缺少本细则中检验项目依据的推荐性标准要求时,该项目不参与判定。
52中国纤检 2020年 10月监督专家Experts今年5月1日,GB/T 24252—2019 《蚕丝被》标准正式实施。
相比于2009年版本,此次蚕丝被的标准进行了大范围的修订。
针对目前产品的问题,新增了很多检测项目。
那么对于新增的项目,检测机构在检测的时候需要注意哪些问题呢?本刊邀请了苏州纤检院和苏丝集团的蚕丝检测专家进行了解读。
1 蚕丝被标准10年后启用新标准,修订后的标准对于规范市场产品质量起到积极作用。
以您的经验,目前市场上蚕丝被产品主要不合格项目有哪些?原因是什么?从最近几年的监督情况来看,参照GB/T 24252—2009,蚕丝被质量安全问题集中在纤维含量、填充物品质(包括丝绵长度等)和填充物质量偏差率等几个项目上。
例如,以2019年上海市蚕丝被产品质量监督抽查为例,一共抽检60批蚕丝被,60批中有5批纤维成分含量检测项目不合格,有10批次填充物质量偏差率不符合国家标准要求,不合格样品中,最大的偏差为-40.7%。
另外更有一些蚕丝被的使用说明(标签)不规范,建议将信息补充齐全。
蚕丝被质量出现问题的原因是商家在生产蚕丝被的过程中为了利益不顾品质,掺杂使假、以次充好和缺斤短两。
有的厂家以非蚕丝纤维替代蚕丝纤维,如粘纤、棉、木棉等纤维;有的明示标签是桑蚕丝,但是却以柞蚕丝替代桑蚕丝,柞蚕丝纤维粗、价格低,亲肤性和悬垂性远远新《蚕丝被》标准检测专题:丝绵长度项目如何做?陈松,男,1970年4月出生,1992年7月毕业于中国纺织大学纺织工程专业,主要从事纺织工艺及产品研究开发工作,获省科技进步三等奖及市科技进步奖多项,主持两项省科技成果转化项目,参与和主持制定国家及行业标准10余项,获国家发明专利3项,发表论著论文多篇,省“333”工程中青年科学技术带头人,获全国五一劳动奖章、全国纺织工业劳动模范等荣誉。
任全国丝绸标准化技术委员会委员、江苏省纺织工程学会理事等社会职务。
Testing Subject for GB/T 24252—2009: How to Test the Length of Silk Floss?532020年 10月 中国纤检低于桑蚕丝,不法企业为降低成本,采用柞蚕丝冒充桑蚕丝,欺骗消费者;有的用混合蚕丝替代纯蚕丝,产品采用包芯或层铺的方法,丝胎外层使用品质较好的桑蚕丝绵长丝绵,中间层则是品质低的蚕丝绵,甚至是短丝绵、旧面料回收蚕丝、柞蚕丝绵、聚酯纤维、棉、粘纤等其他纤维。
重庆市蚕丝被产品质量监督抽查实施细则版-
V1
近日,重庆市蚕丝被产品质量监督抽查实施细则版正式发布。
该规定主要面向销售渠道、产品标识、抽样测试等多个方面进行详细规定,旨在加强蚕丝被产品质量监管,进一步提升蚕丝被市场品牌形象和消费者信心。
以下为该实施细则版的主要内容:
一、销售渠道规定
1.1、重点监管互联网销售平台、电商平台及线下经营渠道,要求销售商必须具备合法经营资质。
1.2、加强对广告宣传的监管,禁止虚假宣传、违规标语等不良宣传。
1.3、规范电商平台的销售链接,要求同时标示产品质量保证书、售后服务保障等重要信息。
二、产品标识规定
2.1、蚕丝被产品应标明国别、生产企业名称、产品名称、规格型号、保质期、洗涤、使用说明等相关信息。
2.2、产品质量保证书应出示检测机构名称和检测结果,并标注发证时间和有效期。
2.3、蚕丝被产品在销售过程中应附有合格证明或无害检测报告等。
三、抽样测试规定
3.1、在市场销售产品中随机抽取样本进行质量检测,包括检测包装、产品性能、洗涤耐久性、安全性等多个方面。
3.2、质量检测结果应及时公布,对不合格产品及生产企业进行处理,信息通报至全市范围内。
综上所述,该实施细则版的发布进一步加强了对蚕丝被产品的监管力度,为广大消费者提供了更加安全、放心的购买保障。
同时,为有良好经营行为的蚕丝被销售商提供了公平竞争的市场环境。
我们相信,该实施细则版的推出必将对整个蚕丝被市场健康发展起到积极的推动作用。
附件2棉被褥产品质量监督抽查实施细则一、适用范围本实施细则仅适用于本次棉被褥监督抽查。
二、检验项目1.面料的纤维含量、甲醛、pH、可分解致癌芳香胺染料2.絮用原料要求三、检验依据抽查检验工作依据CCGF101.1-2015产品质量监督抽查实施规范,根据产品现行有效的国家、行业标准技术要求进行,具体检验依据如下:GB18401-2010 GB5296.4-2012 GB18383-2007 FZ/T81005-2006 GB/T22796-2009 GB/T22844-2009 GB/T22843-2009 FZ/T34003-2011等相关现行标准。
(注:对于企标、错标、未标标准的情况,根据具体产品选用相适应标准进行检验。
)四、抽样方法、数量抽样方法:在生产企业的成品库内随机抽取有产品质量检验合格证明或者以其它形式标明合格的、近期生产的产品(特殊情况除外)。
抽样数量:2件/套/条(其中备样1件/套/条)五、判定原则实物质量所检面料项目全部符合国家纺织产品基本安全技术规范要求及纺织品和服装消费品使用说明要求;所检填充物项目符合絮用纤维制品通用技术要求则判为被抽查产品实物质量所检项目合格;否则判为不合格。
六、未尽事宜按CCGF 101.1-2015执行。
医院襁褓服产品质量监督抽查实施细则一、适用范围本实施细则仅适用于本次医院襁褓服监督抽查。
三、检验项目耐唾液色牢度甲醛pH值可分解致癌芳香胺染料三、检验依据抽查检验工作依据CCGF102.1-2015产品质量监督抽查实施规范,根据产品现行有效的国家、行业标准技术要求进行,具体检验依据如下:GB18401-2010 FZ/T73025-2013 FZ/T81014-2008 等相关现行标准。
(注:对于企标、错标、未标标准的情况,根据具体产品选用相适应标准进行检验。
)四、抽样方法、数量抽样方法:在医院随机抽取有产品质量检验合格证明或者以其它形式标明合格的、近期生产的产品(特殊情况除外)。
蚕丝被产品质量国家监督抽查实施细则
(征求意见稿)
1 抽样方法
以随机抽样的方式在被抽样生产者、销售者的待销产品中抽取。
随机数一般可使用随机数表等方法产生。
每批次产品抽取样品2条,其中1条作为检验样品,1条作为备用样品。
2 检验依据
执行企业标准、团体标准、地方标准的产品,检验项目参照上述内容执行。
凡是注日期的文件,其随后所有的修改单(不包括勘误的内容)或修订版不适用于本细则。
凡是不注日期的文件,其最新版本适用于本细则。
3 判定规则
3.1依据标准
GB 18401-2010 国家纺织产品基本安全技术规范
GB 18383-2007 絮用纤维制品通用技术要求
GB 31701-2015 婴幼儿及儿童纺织产品安全技术规范
GB/T 29862-2013 纺织品纤维含量的标识
GB/T 24252-2009 蚕丝被
GB/T 24252-2019 蚕丝被
现行有效的企业标准、团体标准、地方标准及产品明示质量要求
3.2判定原则
经检验,检验项目全部合格,判定为被抽查产品合格;检验项目中任一项或一项以上不合格,判定为被抽查产品不合格。
若被检产品明示的质量要求高于本细则中检验项目依据的标准要求时,应按被检产品明示的质量要求判定。
若被检产品明示的质量要求低于本细则中检验项目依据的强制性标准要求时,应按照强制性标准要求判定。
若被检产品明示的质量要求低于或包含本细则中检验项目依据的推荐性标准要求时,应以被检产品明示的质量要求判定。
若被检产品明示的质量要求缺少本细则中检验项目依据的强制性标准要求时,应按照强制性标准要求判定。
若被检产品明示的质量要求缺少本细则中检验项目依据的推荐性标准要求时,该项目不参与判定。