蒽油安全技术说明书
- 格式:docx
- 大小:12.63 KB
- 文档页数:6
蒽油安全技术说明书第一部分:化学品名称化学品中文名称:蒽化学品英文名称:anthracene中文名称2:英文名称2:技术说明书编码:CAS No.:120-12-7分子式:178.22分子量:C14H10第二部分:成分/组成信息有害物成分:无资料含量:混合物CAS No :无资料第三部分:危险性概述危险性类别:易燃侵入途径:吸入、食入、经皮吸收健康危害:纯品基本无毒。
工业品因含有菲、咔唑等杂质,毒性明显增大。
由于本品蒸气压很低,故经吸入中毒可能性很小。
对皮肤、粘膜有刺激性;易引起光感性皮炎。
环境危害:对环境有危害,对水体可造成污染。
燃爆危险:本品可燃,具强腐蚀性、刺激性,可致人体灼伤。
第四部分:急救措施皮肤接触:脱去污染的衣着,用肥皂水和清水彻底冲洗皮肤。
眼睛接触:提起眼睑,用流动清水或生理盐水冲洗。
就医。
吸入:迅速脱离现场至空气新鲜处。
保持呼吸道通畅。
如呼吸困难,给输氧。
如呼吸停止,立即进行人工呼吸。
就医。
食入:饮足量温水,催吐。
就医。
第五部分:消防措施危险特性:遇明火、高热可燃。
与强氧化剂接触可发生化学反应。
有害燃烧产物:一氧化碳、二氧化碳。
灭火方法:消防人员必须穿全身防火防毒服,在上风向灭火。
灭火剂:干粉、二氧化碳、砂土。
用水可引起沸溅。
第六部分:泄漏应急处理应急处理:隔离泄漏污染区,限制出入。
切断火源。
建议应急处理人员戴防尘面具(全面罩),穿一般作业工作服。
不要直接接触泄漏物。
小量泄漏:避免扬尘,小心扫起,置于袋中转移至安全场所。
大量泄漏:收集回收或运至废物处理场所处置。
第七部分:操作处置与储存操作注意事项:储存于阴凉、通风的库房。
远离火种、热源。
库温不超过30℃,相对湿度不超过80%。
包装密封。
应与氧化剂分开存放,切忌混储。
配备相应品种和数量的消防器材。
储区应备有合适的材料收容泄漏物。
储存注意事项:密闭操作,注意通风。
操作人员必须经过专门培训,严格遵守操作规程。
建议操作人员佩戴自吸过滤式防尘口罩,戴化学安全防护眼镜。
第一部分化学品及企业标识化学品中文名:精蒽化学品英文名:anthracene,refinedCAS No.:120-12-7EC No.:204-371-1分子式:C14H10第二部分危险性概述紧急情况概述固体。
跟皮肤接触可能会引起敏化作用。
对眼睛有严重刺激性。
对呼吸道有刺激作用。
对水生物有剧毒,使用适当的容器,以预防污染环境。
对水生环境可能会引起长期有害作用。
使用适当的容器,以预防污染环境。
GHS危险性类别根据GB30000-2013化学品分类和标签规范系列标准(参阅第十六部分),该产品分类如下:皮肤敏化作用,类别1;眼损伤/眼刺激,类别2A;特定目标器官毒性-单次接触:呼吸道刺激,类别3;危害水生环境-急性毒性,类别1;危害水生环境-慢性毒性,类别1。
标签要素象形图警示词:警告危险信息:可能导致皮肤过敏反应,造成严重眼刺激,可能造成呼吸道刺激,对水生生物毒性极大,对水生生物毒性极大并具有长期持续影响。
预防措施:避免吸入粉尘/烟/气体/烟雾/蒸气/喷雾。
作业后彻底清洗。
只能在室外或通风良好之处使用。
受沾染的工作服不得带出工作场地。
避免释放到环境中。
戴防护手套/穿防护服/戴防护眼罩/戴防护面具。
事故响应:如感觉不适,呼叫中毒急救中心/医生。
清洗后方可重新使用。
收集溢出物。
如误吸入:将受人转移到空气新鲜处,保持呼吸舒适的体位。
如发生皮肤刺激或皮疹:求医/就诊。
如仍觉眼刺激:求医/就诊。
如进入眼睛:用水小心冲洗几分钟。
如戴隐形眼镜并可方便地取出,取出隐形眼镜。
继续冲洗。
安全储存:存放处须加锁。
存放在通风良好的地方。
保持容器密闭。
废弃处置:按照地方/区域/国家/国际规章处置内装物/容器。
物理化学危险:无资料健康危害:吸入粉尘或烟雾(尤其是长期接触)可能引起呼吸道刺激,偶尔出现呼吸窘迫。
吸入该物质可能会引起对健康有害的影响或呼吸道不适。
意外食入本品可能对个体健康有害。
皮肤直接接触可能导致皮肤过敏反应。
通过割伤、擦伤或病变处进入血液,可能产生全身损伤的有害作用。
化学品安全技术说明书修订日期:2016.05.20 SDS编号:产品名称:粗蒽版本:A第1部分化学品及企业标识化学品中文名:粗蒽化学品英文名:anthracene企业名称:企业地址:邮编:传真:联系电话:电子邮件地址:企业应急电话:技术说明书编码:2041 生效日期:2016年5月25日CAS No.:120-12-7分子式:C14H10分子量:178.22产品推荐及限制用途:用于蒽醌生产,也用作杀虫剂、杀菌剂、汽油阻凝剂等第2部分危险性概述紧急情况概述:遇明火、高热可燃。
与强氧化剂接触可发生化学反应。
有害燃烧产物:一氧化碳、二氧化碳。
GHS危险性类别:严重眼损伤/眼刺激,类别2皮肤致敏物,类别1特异性靶器官毒性-一次接触,类别3(呼吸道刺激)危害水生环境-急性危害,类别1危害水生环境-长期危害,类别1标签要素:象形图:警示词:警告危险性说明:可能引起呼吸道刺激,可能引起昏昏欲睡或眩晕; 对水生生物毒性非常大; 对水生生物毒性非常大并且有长期持续影响; 引起严重眼睛刺激; 可能引起皮肤过敏性反应;防范说明:·预防措施:—远离火种、热源;—包装密闭,切勿受潮;—禁止使用易产生火花的机械设备和工具;—避免与氧化剂接触;—避免与水接触;—戴自吸过滤式防尘口罩,戴化学安全防护眼镜、橡胶手套,穿防护服;—禁止震动、撞击和摩擦;—工作场所禁止进食、饮水或吸烟。
·事故响应:·皮肤接触:脱去污染的衣着,用肥皂水和清水彻底冲洗皮肤。
·眼睛接触:提起眼睑,用流动清水或生理盐水冲洗。
就医。
·吸入:迅速脱离现场至空气新鲜处。
保持呼吸道通畅。
如呼吸困难,给输氧。
如呼吸停止,立即进行人工呼吸。
就医。
·食入:饮足量温水,催吐。
就医。
·安全储存:—储存于阴凉、干燥、通风良好的库房;—远离火种、热源。
库温不超过30℃,相对湿度不超过80%—密封,切勿受潮。
—与氧化剂分开存放,切忌混储。
初中篮球运动员战术意识训练策略1. 引言1.1 背景介绍随着篮球运动的不断发展和普及,更多的中学生参与到篮球训练和比赛当中。
这也使得培养学生篮球运动员的战术意识成为教练和学生们共同关注的问题。
拥有良好的战术意识,可以帮助球员更好地理解比赛情况,作出正确的决策,并更好地协作配合队友。
针对初中篮球运动员的战术意识训练策略显得至关重要。
在这样的背景下,本文将通过对战术意识的重要性、提高战术意识的训练方法以及具体的训练策略等方面展开讨论,旨在为初中篮球运动员的战术意识提升提供一些有益的思路和方法。
希望通过本文的介绍,能够引起更多教练和运动员对战术意识训练的重视,并取得更好的训练效果。
1.2 研究意义篇文章的结构是根据你的指示来分类的。
在这篇关于初中篮球运动员战术意识训练策略的文章中,研究战术意识的重要性是非常必要的。
战术意识不仅可以帮助球员更好地理解比赛的局势,还可以提高他们在场上的决策能力和执行力。
通过训练战术意识,球员不仅可以提高个人实力,还可以更好地与队友配合,使整个团队更加默契。
战术意识的提升也可以在比赛中更好地应对对手的战术安排,增加获胜的机会。
研究初中篮球运动员战术意识训练策略的意义是明显的。
通过深入研究战术意识训练策略,可以为广大初中篮球运动员提供更科学、更有效的训练方法,提高他们在比赛中的竞技表现,培养更多优秀的篮球运动员,为校园篮球事业的发展做出积极贡献。
2. 正文2.1 认识战术意识的重要性篮球是一项需要高度战术意识的团队运动,而对于初中篮球运动员来说,战术意识的重要性更是不言而喻。
首先,战术意识可以帮助运动员更好地理解比赛规则和战术要求,使得他们能够在比赛中做出正确的决策。
在激烈的比赛中,准确的战术意识可以让球员快速做出判断和反应,从而避免犯规或失误,提高球队的整体竞技水平。
其次,战术意识还可以帮助运动员更好地与队友配合,形成良好的团队默契。
在篮球比赛中,团队合作至关重要,而战术意识可以让球员更好地理解队友的意图和行动,从而实现更加默契的配合,提高球队的整体战斗力。
蒽油基本信息标准号StandardNo:GB/T24211-20GG中文标准名称StandardTitleinChinese:蒽油英文标准名称:Anthraceneoil发布日期IssuanceDate:20GG-7-8实施日期EGecuteDate:20GG-4-1首次发布日期FirstIssuanceDate:20GG-7-8标准状态StandardState:现行复审确认日期ReviewAffirmanceDate:计划编号PlanNo:20GG7228-T-605代替国标号ReplacedStandard:被代替国标号ReplacedStandard:废止时间RevocatoryDate:采用国际标准号AdoptedInternationalStandardNo:采标名称AdoptedInternationalStandardName:采用程度ApplicationDegree:采用国际标准AdoptedInternationalStandard:国际标准分类号(ICS):71.080.99中国标准分类号(CCS):G18标准类别StandardSort:产品标准页码NumberofPages:标准价格(元)Price(¥):主管部门Governor:中国钢铁工业协会归口单位TechnicalCommittees:全国钢标准化技术委员会起草单位DraftingCommittee:山西焦化股份有限公司、冶金工业信息标准研究院范围本标准规定了蒽油的技术要求、试验方法、验收规则、标志、运输、贮存、安全要求等内容。
本标准适用于高温煤焦油蒸馏所制得的蒽油馏分。
规范性引用文件下列文件中的条款通过本标准的引用而成为本标准的条款。
凡是注日期的引用文件,其随后所有的修改单(不包括勘误的内容)或修订版均不适用于本标准,然而,鼓励根据本标准达成协议的各方研究是否可适用这些文件的最新版本。
凡是不注日期的引用文件,其最新版本适用于本标准。
化学品安全技术说明书产品名称: 蒽按照GB/T 16483、GB/T 17519 编制修订日期:最初编制日期:版本:第1部分化学品及企业标识化学品中文名:蒽化学品英文名:Anthracene企业名称:企业地址:邮编:传真:联系电话:电子邮件地址:企业应急电话:产品推荐及限制用途:用于制蒽醌染料中间体及单宁,还可用作杀虫剂、杀菌剂和汽油阻凝剂第2部分危险性概述紧急情况概述:无GHS危险性类别:无危害分类标签要素:象形图:无危险图标警示词:无警示词。
危险性说明:无防范说明:预防措施:——无事故响应:——无安全储存:——无废弃处置:——无物理和化学危险:无健康危害:无环境危害:无第3部分成分/组成信息第4部分急救措施急救:吸入:迅速脱离现场至空气新鲜处。
保持呼吸道通畅。
如呼吸困难,给输氧。
呼吸、心跳停止,立即进行心肺复苏术。
就医皮肤接触:脱去污染的衣着,用肥皂水和清水彻底冲洗皮肤。
如有不适感,就医眼晴接触:分开眼睑,用流动清水或生理盐水冲洗。
如有不适感,就医食入:饮足量温水,催吐。
就医对保护施救者的忠告:将患者转移到安全的场所。
咨询医生。
出示此化学品安全技术说明书给到现场的医生看。
对医生的特别提示:无资料第5部分消防措施灭火剂:用水雾、干粉、泡沫或二氧化碳灭火剂灭火。
避免使用直流水灭火,直流水可能导致可燃性液体的飞溅,使火势扩散。
特别危险性:可燃。
其粉体与空气混合能形成爆炸性混合物。
燃烧产生有毒的一氧化碳气体灭火注意事项及防护措施:消防人员须佩戴空气呼吸器,穿全身防腐蚀消防服,在上风向灭火。
尽可能将容器从火场移至空旷处。
喷水保持火场容器冷却,直至灭火结束灭火剂:干粉、二氧化碳、砂土第6部分泄露应急处理作业人员防护措施、防护装备和应急处置程序:隔离泄漏污染区,限制出入。
消除所有点火源。
建议应急处理人员戴防尘口罩,穿防腐蚀、防毒服,戴橡胶手套。
尽可能切断泄漏源。
用塑料布覆盖泄漏物,减少飞散。
勿使水进入包装容器内。
蒽油安全技术说明书第一部分:化学品名称化学品中文名称:蒽化学品英文名称:anthracene中文名称2:英文名称2:技术说明书编码:CAS No.:120-12-7分子式:178.22分子量:C14H 10第二部分:成分/组成信息有害物成分:无资料含量:混合物CAS No :无资料第三部分:危险性概述危险性类别:易燃侵入途径:吸入、食入、经皮吸收健康危害:纯品基本无毒。
工业品因含有菲、咔唑等杂质,毒性明显增大。
由于本品蒸气压很低,故经吸入中毒可能性很小。
对皮肤、粘膜有刺激性;易引起光感性皮炎。
环境危害:对环境有危害,对水体可造成污染。
燃爆危险:本品可燃,具强腐蚀性、刺激性,可致人体灼伤。
第四部分:急救措施皮肤接触:脱去污染的衣着,用肥皂水和清水彻底冲洗皮肤。
眼睛接触:提起眼睑,用流动清水或生理盐水冲洗。
就医。
吸入:迅速脱离现场至空气新鲜处。
保持呼吸道通畅。
如呼吸困难,给输氧。
如呼吸停止,立即进行人工呼吸。
就医。
食入:饮足量温水,催吐。
就医。
第五部分:消防措施危险特性:遇明火、高热可燃。
与强氧化剂接触可发生化学反应。
有害燃烧产物:一氧化碳、二氧化碳。
灭火方法:消防人员必须穿全身防火防毒服,在上风向灭火。
灭火剂:干粉、二氧化碳、砂土。
用水可引起沸溅。
第六部分:泄漏应急处理应急处理:隔离泄漏污染区,限制出入。
切断火源。
建议应急处理人员戴防尘面具(全面罩),穿一般作业工作服。
不要直接接触泄漏物。
小量泄漏:避免扬尘,小心扫起,置于袋中转移至安全场所。
大量泄漏:收集回收或运至废物处理场所处置。
第七部分:操作处置与储存操作注意事项:储存于阴凉、通风的库房。
远离火种、热源。
库温不超过30℃,相对湿度不超过80%。
包装密封。
应与氧化剂分开存放,切忌混储。
配备相应品种和数量的消防器材。
储区应备有合适的材料收容泄漏物。
储存注意事项:密闭操作,注意通风。
操作人员必须经过专门培训,严格遵守操作规程。
建议操作人员佩戴自吸过滤式防尘口罩,戴化学安全防护眼镜。
职业病危害告知牌对人体有损害,请注意防护!
蒽油乳剂anthracene oil emulsion
健康危害理化特性
吸入本品在正常生产过程中生成的粉尘可对身
体产生毒害作用。
意外食入本品可能引起毒害作
用。
通过割伤、擦伤或病变处进入血液,可能产
生全身损伤的有害作用。
眼睛直接接触本品可导
致暂时不适。
液体。
职业接触限值:MAC:无资料
PC-TWA:无资料
PC-STEL:无资料
吸入:迅速脱离现场至空气新鲜处。
保持呼吸道通畅。
如呼吸困难,给输氧。
呼吸、心跳停止,立即进行心肺复苏术。
就医。
皮肤接触:立即脱去污染的衣着,用流动清水彻底冲洗。
就医。
眼睛接触:立即分开眼睑,用流动清水或生理盐水彻底冲洗。
就医。
食入:漱口,饮水。
就医。
密闭操作,全面通风。
操作人员必须经过专门培训,严格遵守操作规程。
建议操作人员佩戴直接式防毒面具,戴化学安全防护眼镜,穿防腐工作服,戴橡胶手套。
防止蒸气泄漏到工作场所空气中。
避免与酸类接触。
搬运时要轻装轻卸,防止包装及容器损坏。
急救电话:120 消防电话:119 职业卫生咨询电话:1031。
蒽油安全技术说明书第一部分:化学品名称化学品中文名称:蒽化学品英文名称:anthracene中文名称2:英文名称2:技术说明书编码:CAS No.:120-12-7分子式:分子量:C14H 10第二部分:成分/组成信息有害物成分:无资料含量:混合物CAS No :无资料第三部分:危险性概述危险性类别:易燃侵入途径:吸入、食入、经皮吸收健康危害:纯品基本无毒。
工业品因含有菲、咔唑等杂质,毒性明显增大。
由于本品蒸气压很低,故经吸入中毒可能性很小。
对皮肤、粘膜有刺激性;易引起光感性皮炎。
环境危害:对环境有危害,对水体可造成污染。
燃爆危险:本品可燃,具强腐蚀性、刺激性,可致人体灼伤。
第四部分:急救措施皮肤接触:脱去污染的衣着,用肥皂水和清水彻底冲洗皮肤。
眼睛接触:提起眼睑,用流动清水或生理盐水冲洗。
就医。
吸入:迅速脱离现场至空气新鲜处。
保持呼吸道通畅。
如呼吸困难,给输氧。
如呼吸停止,立即进行人工呼吸。
就医。
食入:饮足量温水,催吐。
就医。
第五部分:消防措施危险特性:遇明火、高热可燃。
与强氧化剂接触可发生化学反应。
有害燃烧产物:一氧化碳、二氧化碳。
灭火方法:消防人员必须穿全身防火防毒服,在上风向灭火。
灭火剂:干粉、二氧化碳、砂土。
用水可引起沸溅。
第六部分:泄漏应急处理应急处理:隔离泄漏污染区,限制出入。
切断火源。
建议应急处理人员戴防尘面具(全面罩),穿一般作业工作服。
不要直接接触泄漏物。
小量泄漏:避免扬尘,小心扫起,置于袋中转移至安全场所。
大量泄漏:收集回收或运至废物处理场所处置。
第七部分:操作处置与储存操作注意事项:储存于阴凉、通风的库房。
远离火种、热源。
库温不超过30℃,相对湿度不超过80%。
包装密封。
应与氧化剂分开存放,切忌混储。
配备相应品种和数量的消防器材。
储区应备有合适的材料收容泄漏物。
储存注意事项:密闭操作,注意通风。
操作人员必须经过专门培训,严格遵守操作规程。
建议操作人员佩戴自吸过滤式防尘口罩,戴化学安全防护眼镜。
化学品安全技术说明书第一部分化学品标识化学品中文名:蒽;绿油脑化学品英文名:anthracene;paranaphthalene第二部分成分/组成信息√纯品混合物有害物成分浓度CAS No.蒽120-12-7第三部分危险性概述危险性类别:第8.3类其它腐蚀品侵入途径:吸入、食入健康危害:纯品基本无毒。
工业品因含有菲、咔唑等杂质,毒性明显增大。
由于本品蒸气压很低,故经吸入中毒可能性很小。
对皮肤、粘膜有刺激性;易引起光感性皮炎。
口服出现胃肠道刺激症状。
环境危害:对水生生物有毒作用。
燃爆危险:可燃,其粉体与空气混合,能形成爆炸性混合物。
第四部分急救措施皮肤接触:脱去污染的衣着,用肥皂水和清水彻底冲洗皮肤。
如有不适感,就医。
眼睛接触:提起眼睑,用流动清水或生理盐水冲洗。
如有不适感,就医。
吸入:迅速脱离现场至空气新鲜处。
保持呼吸道通畅。
如呼吸困难,给输氧。
呼吸、心跳停止,立即进行心肺复苏术。
就医。
食入:饮足量温水,催吐。
就医。
第五部分消防措施危险特性:遇明火、高热可燃。
与强氧化剂接触可发生化学反应。
有害燃烧产物:一氧化碳。
灭火方法:用干粉、二氧化碳、砂土灭火。
灭火注意事项及措施:消防人员必须佩戴空气呼吸器、穿全身防火防毒服,在上风向灭火。
尽可能将容器从火场移至空旷处。
喷水保持火场容器冷却,直至灭火结束。
第六部分泄漏应急处理应急行动:隔离泄漏污染区,限制出入。
消除所有点火源。
建议应急处理人员穿防腐、防毒服。
穿一般作业工作服。
尽可能切断泄漏源。
用塑料布覆盖泄漏物,减少飞散。
勿使水进入包装容器内。
用洁净的铲子收集泄漏物,置于干净、干燥、盖子较松的容器中,将容器移离泄漏区。
第七部分操作处置与储存操作注意事项:密闭操作,注意通风。
操作人员必须经过专门培训,严格遵守操作规程。
建议操作人员佩戴自吸过滤式防尘口罩,戴化学安全防护眼镜。
远离火种、热源,工作场所严禁吸烟。
使用防爆型的通风系统和设备。
避免产生粉尘。
避免与氧化剂接触。
蒽油安全技术说明书第一部分:化学品名称化学品中文名称:蒽化学品英文名称:anthracene中文名称2:英文名称2:技术说明书编码:CAS No.:120-12-7分子式:178.22分子量:C14H10第二部分:成分/组成信息有害物成分:无资料含量:混合物CAS No :无资料第三部分:危险性概述危险性类别:易燃侵入途径:吸入、食入、经皮吸收健康危害:纯品基本无毒。
工业品因含有菲、咔唑等杂质,毒性明显增大。
由于本品蒸气压很低,故经吸入中毒可能性很小。
对皮肤、粘膜有刺激性;易引起光感性皮炎。
环境危害:对环境有危害,对水体可造成污染。
燃爆危险:本品可燃,具强腐蚀性、刺激性,可致人体灼伤。
第四部分:急救措施皮肤接触:脱去污染的衣着,用肥皂水和清水彻底冲洗皮肤。
眼睛接触:提起眼睑,用流动清水或生理盐水冲洗。
就医。
吸入:迅速脱离现场至空气新鲜处。
保持呼吸道通畅。
如呼吸困难,给输氧。
如呼吸停止,立即进行人工呼吸。
就医。
食入:饮足量温水,催吐。
就医。
第五部分:消防措施危险特性:遇明火、高热可燃。
与强氧化剂接触可发生化学反应。
有害燃烧产物:一氧化碳、二氧化碳。
灭火方法:消防人员必须穿全身防火防毒服,在上风向灭火。
灭火剂:干粉、二氧化碳、砂土。
用水可引起沸溅。
第六部分:泄漏应急处理应急处理:隔离泄漏污染区,限制出入。
切断火源。
建议应急处理人员戴防尘面具(全面罩),穿一般作业工作服。
不要直接接触泄漏物。
小量泄漏:避免扬尘,小心扫起,置于袋中转移至安全场所。
大量泄漏:收集回收或运至废物处理场所处置。
第七部分:操作处置与储存操作注意事项:储存于阴凉、通风的库房。
远离火种、热源。
库温不超过30℃,相对湿度不超过80%。
包装密封。
应与氧化剂分开存放,切忌混储。
配备相应品种和数量的消防器材。
储区应备有合适的材料收容泄漏物。
储存注意事项:密闭操作,注意通风。
操作人员必须经过专门培训,严格遵守操作规程。
建议操作人员佩戴自吸过滤式防尘口罩,戴化学安全防护眼镜。
酚油安全技术说明书(MSDS)第一部分:化学品名称化学品中文名称:酚油化学品英文名称:Phenol oil中文名称:英文名称:技术说明书编码:CAS No.:分子式:分子量:第二部分:成分/组成信息有害物成分:无资料含量:无资料CAS No.108-95-2第三部分:危险性概述危险性类别:酸性腐蚀品侵入途径:吸入、食入、经皮吸收。
健康危害:对皮肤、粘膜有强烈的腐蚀作用,可抑制中枢神经或损害肝、肾功能。
环境危害:对环境有严重危害,对水体和大气可造成污染。
燃爆危险:本品可燃,高毒,具强腐蚀性,可致人体灼伤第四部分:急救措施皮肤接触:立即脱去污染的衣着,用甘油、聚乙烯乙二醇或聚乙烯乙二醇和酒精混合液 (7:3)抹洗,然后用水彻底清洗。
或用大量流动清水冲洗至少15分钟。
就医。
眼睛接触:立即提起眼睑,用大量流动清水或生理盐水彻底冲洗至少15分钟。
就医。
吸入:迅速脱离现场至空气新鲜处。
保持呼吸道通畅。
如呼吸困难,给输氧。
如呼吸停止,立即进行人工呼吸。
就医。
食入:立即给饮植物油15~30mL。
催吐。
就医。
第五部分:消防措施危险特性:遇明火、高热可燃。
有害燃烧产物:一氧化碳、二氧化碳。
灭火方法:消防人员须佩戴防毒面具、穿全身消防服,在上风向灭火。
灭火剂:水、抗溶性泡沫、干粉、二氧化碳。
第六部分:泄漏应急处理应急处理:隔离泄漏污染区,限制出入。
切断火源。
建议应急处理人员戴防尘面具(全面罩),穿防毒服。
小量泄漏:用干石灰、苏打灰覆盖。
大量泄漏:收集回收或运至废物处理场所处置。
第七部分:操作处置与储存操作注意事项:密闭操作,提供充分的局部排风。
尽可能采取隔离操作。
操作人员必须经过专门培训,严格遵守操作规程。
建议操作人员佩戴自吸过滤式防尘口罩,戴化学安全防护眼镜,穿透气型防毒服,戴防化学品手套。
远离火种、热源,工作场所严禁吸烟。
使用防爆型的通风系统和设备。
避免产生粉尘。
避免与氧化剂、酸类、碱类接触。
搬运时要轻装轻卸,防止包装及容器损坏。
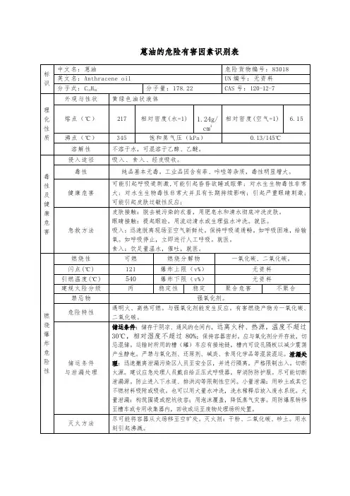
蒽油安全技术说明书
第一部分:化学品名称
化学品中文名称:蒽?
化学品英文名称:anthracene ?
中文名称2:
英文名称2:
技术说明书编码:
CAS No.:120-12-7
分子式:
分子量:C14H10
第二部分:成分/组成信息
有害物成分:无资料
含量:混合物
CAS No :无资料
第三部分:危险性概述
危险性类别:易燃
侵入途径:吸入、食入、经皮吸收
健康危害:纯品基本无毒。
工业品因含有菲、咔唑等杂质,毒性明显增大。
由于本品蒸气压很低,故经吸入中毒可能性很小。
对皮肤、粘膜有刺激性;易引起光感性皮炎。
环境危害:对环境有危害,对水体可造成污染。
燃爆危险:本品可燃,具强腐蚀性、刺激性,可致人体灼伤。
第四部分:急救措施
皮肤接触:脱去污染的衣着,用肥皂水和清水彻底冲洗皮肤。
眼睛接触:提起眼睑,用流动清水或生理盐水冲洗。
就医。
吸入:迅速脱离现场至空气新鲜处。
保持呼吸道通畅。
如呼吸困难,给输氧。
如呼吸停止,立即进行人工呼吸。
就医。
食入:饮足量温水,催吐。
就医。
第五部分:消防措施
危险特性:遇明火、高热可燃。
与强氧化剂接触可发生化学反应。
有害燃烧产物:一氧化碳、二氧化碳。
灭火方法:消防人员必须穿全身防火防毒服,在上风向灭火。
灭火剂:干粉、二氧化碳、砂土。
用水可引起沸溅。
第六部分:泄漏应急处理
应急处理:隔离泄漏污染区,限制出入。
切断火源。
建议应急处理人员戴防尘面具(全面罩),穿一般作业工作服。
不要直接接触泄漏物。
小量泄漏:避免扬尘,小心扫起,置于袋中转移至安全场所。
大量泄漏:收集回收或运至废物处理场所处置。
第七部分:操作处置与储存
操作注意事项:储存于阴凉、通风的库房。
远离火种、热源。
库温不超过30℃,相对湿度不超过80%。
包装密封。
应与氧化剂分开存放,切忌混储。
配备相应品种和数量的消防器材。
储区应备有合适的材料收容泄漏物。
储存注意事项:密闭操作,注意通风。
操作人员必须经过专门培训,严格遵守操作规程。
建议操作人员佩戴自吸过滤式防尘口罩,戴化学安全防护眼镜。
远离火种、热源,工作场所严禁吸烟。
使用防爆型的通风系统和设备。
避免产生粉尘。
避免与氧化剂接触。
搬运时要轻装轻卸,防止包装及容器损坏。
配备相应品种和数量的消防器材及泄漏应急处理设备。
倒空的容器可能残留有害物。
第八部分:接触控制/个体防护
职业接触限值:
中国MAC(mg/m3):未制定标准
前苏联MAC(mg/m3):未制定标准
TLVTN:未制定标准
TLVWN:未制定标准
监测方法:无资料
工程控制:密闭操作,注意通风。
呼吸系统防护:空气中粉尘浓度超标时,建议佩戴自吸过滤式防尘口罩。
眼睛防护:工作场所禁止吸烟、进食和饮水,饭前要洗手。
工作完毕,淋浴更衣。
保持良好的卫生习惯。
身体防护:穿一般作业工作服。
尽可能减少直接接触。
手防护:戴一般作业防护手套。
其他防护:一般不需要特殊防护,但建议特殊情况下,戴化学安全防护眼镜。
第九部分:理化特性
主要成分:纯品
外观与性状:浅黄色针状结晶,有蓝色萤光。
pH:无资料
熔点(℃):217
沸点(℃):345
相对密度(水=1):
相对蒸气密度(空气=1):
饱和蒸气压(kPa):(145℃)
燃烧热(kJ/mol):
临界温度(℃):
临界压力(MPa):无资料
辛醇/水分配系数的对数值:无资料
闪点(℃):无意义
引燃温度(℃):540
爆炸上限%(V/V):无资料
爆炸下限%(V/V):无资料
其它理化性质:不溶于水,溶于乙醇、乙醚。
主要用途:用于蒽醌生产,也用作杀虫剂、杀菌剂、汽油阻凝剂等。
溶解性:无资料
第十部分:稳定性和反应活性
稳定性:稳定
禁配物:强氧化剂。
避免接触的条件:
聚合危害:不聚合
分解产物:无资料
第十一部分:毒理学资料
急性毒性:LD50:430 mg/kg(小鼠静脉)
LC50:无资料
亚急性和慢性毒性:
刺激性:
致敏性:
致突变性:
致畸性:
致癌性:
第十二部分:生态学资料
生态毒理毒性:无资料
生物降解性:无资料
非生物降解性:无资料
生物富集或生物积累性:
其它有害作用:该物质对环境有危害,对水体可造成污染,特别是在水生生物中发生生物蓄积。
第十三部分:废弃处置
废弃物性质:无资料
废弃处置方法:处置前应参阅国家和地方有关法规。
建议用焚烧法处置。
废弃注意事项:无资料
第十四部分:运输信息
危险货物编号:83018?
UN编号:无资料
包装标志:无资料
包装类别:O53
包装方法:塑料袋或二层牛皮纸袋外全开口或中开口钢桶;两层塑料袋或一层塑料袋外麻袋、塑料编织袋、乳胶布袋;塑料袋外复合塑料编织袋(聚丙烯三合一袋、聚乙烯三合一袋、聚丙烯二合一袋、聚乙烯二合一袋)。
运输注意事项:铁路运输时应严格按照铁道部《危险货物运输规则》中的危险货物配装表进行配装。
起运时包装要完整,装载应稳妥。
运输过程中要确保容器不泄漏、不倒塌、不坠落、不损坏。
严禁与氧化剂、食用化学品等混装混运。
运输途中应防曝晒、雨淋,防高温。
第十五部分:法规信息
法规信息化学危险物品安全管理条例(1987年2月17日国务院发布),化学危险物品安全管理条例实施细则(化劳发[1992] 677号),工作场所安全使用化学品规定([1996]劳部发423号)等法规,针对化学危险品的安全使用、生产、储存、运输、装卸等方面均作了相应规定;常用危险化学品的分类及标志(GB 13690-92)将该物质划为第类其它腐蚀品。
第十六部分:其他信息
参考文献:
填表部门:生产调度技术部
数据审核单位:安全健康环保部
修改说明:
其他信息:。